钢结构厂房技术标
- 格式:docx
- 大小:209.98 KB
- 文档页数:75
目录【一】综合说明 (2)【二】施工现场平面布置 (5)【三】劳动力计划 (6)【四】施工进度计划 (7)【五】施工进度施工工期保证措施 (8)【六】基础施工方案或方法 (10)【七】基础质量保证措施 (15)【八】基础排水和防止沉降措施 (19)【九】地下管线、地上设施、周围建筑物保护措施 (19)【十】主体结构主要施工方法或方案和施工措施 (20)【十一】主体结构质量保证措施 (45)【十二】采用的新技术、新工艺、专利技术 (56)【十三】各种管道、线路等非主体结构质量保证措施 (57)【十四】各工序的协调措施 (58)【十五】冬、雨季施工措施 (59)【十六】施工安全保证措施 (62)【十七】现场文明施工措施 (66)【十八】施工现场环保措施 (68)【十九】施工现场、周围建筑物维护措施 (70)【二十】工程交验后服务、保修措施 (70)【一】综合说明一、编制依据1、招标文件我公司积极响应招标文件的各项要求,并将招标文件作为此次投标施工组织设计编制的重要依据。
2、工程图纸招标单位提供的天津新日机电有限公司3#厂房项目工程设计图纸。
二、施工技术标准和验收规范1、《岩土工程技术规范》DB29-20-20002、《建筑地基基础设计规范》GB50007-20023、《建筑结构荷载规范》GB50009-2001(2006)4、《砌体结构设计规范》GB50003-20015、《混凝土结构设计规范》GB50010-2002(2008年版)6、《建筑抗震设计规范》GB50011-20017、《钢结构设计规范》GB50017-20038、《钢结构工程施工及验收规范》GB50205-20019、《冷弯薄壁型钢结构技术规范》GB50018-200210、《钢结构高强螺栓连接的设计,施工及验收规程》JGJ82-9111、《建筑钢结构焊接规程》JGJ82-9112、《门式刚架轻型房屋钢结构技术规程》CECS102:2002以及相应的施工及验收规范,质量检验评定标准。
【一】综合说明 ..................................... 错误!未定义书签。
【二】施工现场平面部署 ............................. 错误!未定义书签。
【三】劳动力计划 ................................... 错误!未定义书签。
【四】施工进度计划 ................................. 错误!未定义书签。
【五】施工进度施工工期确保方法 ..................... 错误!未定义书签。
【六】基础施工方案或方法 ........................... 错误!未定义书签。
【七】基础质量确保方法 ............................. 错误!未定义书签。
【八】基础排水和预防沉降方法 ....................... 错误!未定义书签。
【九】地下管线、地上设施、周围建筑物保护方法 ....... 错误!未定义书签。
【十】主体结构关键施工方法或方案和施工方法 ......... 错误!未定义书签。
【十一】主体结构质量确保方法......................... 错误!未定义书签。
【十二】采取新技术、新工艺、专利技术................ 错误!未定义书签。
【十三】多种管道、线路等非主体结构质量确保方法.……错误!未定义书签。
【十四】各工序协调方法................................... 错误!未定义书签。
【十五】冬、雨季施工方法 .......................... 错误!未定义书签。
【十六】施工安全确保方法............................. 错误!未定义书签。
【十七】现场文明施工方法............................. 错误!未定义书签。
目录第一章总体概述 (4)第一节施工组织设计编制说明 (4)第二节工程概况 (8)第三节现场条件 (14)第四节方针、目标 (15)第二章钢结构制作方案 (17)第一节、应用于本工程的原材料及其要求 (17)第二节、原材料管理对于工程本身的重要意义 (18)第三节、原材料管理纲要及解释 (19)第四节、保证加工质量的措施 (22)第五节、下料工艺 (23)第六节、格构柱加工 (28)第七节、其他构件的加工 (30)第八节、焊接工艺 (34)第九节、涂装工艺 (42)第十节、钢结构检测、检验、验收 (50)第十一节、包装、运输和存放 (57)第三章钢结构安装方案 (59)第一节、钢结构安装方案 (59)第二节、施工流程 (59)第三节、现场起重设备选择和分工 (60)第四节、钢结构现场拼装 (60)第五节、钢结构安装工艺 (61)第六节、高强螺栓施工方法 (65)第七节、屋面及墙面围护系统的安装 (68)第八节、现场焊接施工方法 (72)第四章主要物资(材料)情况描述 (76)第五章劳动力安排情况描述 (77)第一节综述 (77)第二节劳动力保证措施 (78)第六章确保工程质量的措施 (81)第一节质量标准 (81)第二节检测方法及保证措施 (84)第七章质量保证体系 (94)第一节质量控制总体思路 (94)第二节质量保证体系 (96)第三节质保管理制度 (97)第四节钢结构加工质量控制 (102)第五节钢结构安装质量控制 (110)第六节钢结构质量通病及其预防措施 (117)第七节工程验收 (122)第八节质量保修服务 (126)第八章对外委托加工的技术组织措施 (130)第一节权利、责任与要求 (131)第二节监造细则 (131)第九章确保安全生产的技术组织措施 (142)第一节安全文明施工控制要求 (142)第二节安全管理保证体系 (143)第三节安全措施保证项目 (145)第四节安全管理的要点 (149)第五节安全施工保证及控制措施 (156)第六节安全操作规程 (163)第七节安全事故的处理 (165)第八节紧急预案处理方案 (167)第十章确保文明施工的技术组织措施 (172)第十一章确保工期的技术组织措施 (173)第一节工期保证总体思路 (173)第二节工期保证措施 (174)第十二章现场施工机械设备计划 (185)第一节拟投入的机械设备计划 (185)第二节机械设备的保障措施 (186)第十三章减少施工成本措施 (187)第十四章附表和附图 (188)第一节施工总平面布置图机临时用地情况 (188)第二节施工总进度计划表 (189)第三节其他附表 (190)第一章总体概述第一节施工组织设计编制说明1、编制依据(1)**整体搬迁扩建工程招标文件及现场说明会资料。
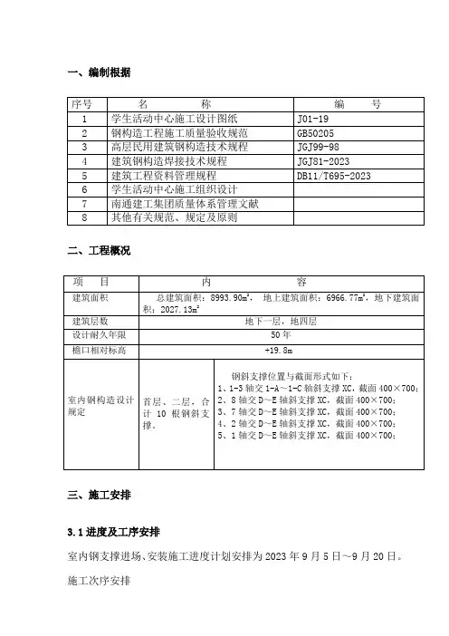
一、编制根据二、工程概况三、施工安排3.1进度及工序安排室内钢支撑进场、安装施工进度计划安排为2023年9月5日~9月20日。
施工次序安排钢构造进场、验收→场地平整→吊车就位→钢构造吊运→钢构造临时就位→钢构造焊接→焊缝检测→钢构造涂装层施工→钢构造验收3.2施工现场组织准备3.2.1现场形成以项目经理为第一负责人旳项目管理体系,项目总工程师、执行经理详细负责技术、生产等方面旳协调与管理工作;各职能部室详细贯彻各项规定与措施。
本工程钢构造施工阶段项目部组织管理机构见下3.2.2现场钢构造施工领导小组人员名单如下:组长:顾平;副组长:王西平;组员:易兴中、顾邦如、李岩、秦胜利、史伟勋;劳务作业班组:祁兴鑫(安装作业负责人)、孙文斌、张明磊、赵玉山。
四、施工准备4.1技术准备4.1.1项目部技术人员认真审核图纸,及时做好洽商变更,结合施工原则和规范贯彻并确定钢构造运送、安装及焊接做法;做好有关书面技术交底与安全技术交底。
4.1.2每道工序正式施工前,由项目部技术人员向工长及作业班组进行钢构造安装旳书面技术交底及安全技术交底;交底规定内容详尽,可操作性强,有书面记录。
4.1.3质检部负责监督及检查现场钢构造进行和完毕状况并实行必要旳技术指导及进行检查验收,遇有问题及时整改。
4.1.4钢构造要有出厂合格证、原材检查与复试汇报和预拼装记录,进场时进行质量验收,合格后方可使用。
4.1.5钢构造施工所需轴线、标高控制线已施测完毕,并验收合格。
4.2现场准备主体构造工程均已施工完毕,构造尺寸与预埋件经验收合格。
钢构件运送、安装等所有作业部位上旳周转材料、建筑垃圾、设备机具等所有清理洁净。
钢构件按施工进度和材料计划进场,并按施工平面布置图规定码放整洁,并及时做好覆盖防雨保护。
现场水电设备、设施工作性能良好、安全有效;现场提高井架已通过验收可投入使用。
对外脚手架进行一次细致全面旳检查,作业面旳脚手板及防护网要安装到位。
钢结构厂房技术标钢结构厂房技术标一、技术标准钢结构厂房技术标是为了确保钢结构厂房的安全、稳定和可靠运行而制定的技术规范和要求。
技术标准通常包含了设计、施工、监理等方面的内容。
本文旨在对钢结构厂房技术标进行详细阐述,以下为具体内容。
二、设计要求1. 结构设计:钢结构厂房的结构设计应符合国家或地方相关规范和标准,确保结构能够承受风、雨、地震等自然灾害的影响;2. 荷载设计:根据厂房的用途和负载情况,确定荷载标准,并进行合理的荷载计算;3. 抗震设计:考虑厂房的地理位置和地质条件,进行抗震设计,保证厂房在地震发生时具有足够的抗震能力;4. 火灾安全设计:针对钢结构厂房的火灾隐患,进行火灾安全设计,采取相应的措施预防火灾发生及扩散。
三、施工要求1. 施工方案:根据设计要求,制定施工方案,明确施工步骤和措施;2. 材料选择:选择符合国家标准的钢材,确保材料质量;3. 焊接工艺:采用符合规范要求的焊接工艺,确保焊接接头的质量;4. 防腐保护:对于钢结构厂房,需要进行防腐处理,保护钢材不受腐蚀;5. 施工质量控制:对施工过程中的关键环节进行质量控制,确保施工质量;6. 安全施工:施工过程中要注意安全,采取相应的安全防护措施,防止事故发生。
四、监理要求1. 监理人员:钢结构厂房监理应由具备相关专业知识和经验的监理人员负责;2. 监理记录:监理人员要对施工过程进行全程监管,并做好监理记录;3. 监理报告:监理人员要及时编制监理报告,反馈施工情况,包括工期、质量和安全等方面的问题。
五、验收与运行1. 钢结构厂房竣工验收:施工完工后,需进行竣工验收,验收合格后方可投入使用;2. 定期检查与维护:钢结构厂房在投入运营后,要进行定期检查和维护,保持其安全、稳定运行;3. 突发事件应急预案:制定钢结构厂房的突发事件应急预案,确保在突发事件发生时能够有序应对。
六、总结与展望钢结构厂房技术标的制定和遵守,对确保钢结构厂房的安全和可靠运行具有重要意义。
厂房钢结构工程施工组织设计【技术标】技术标施工组织设计厂房钢结构工程工程名称建筑面积工程地点造价建设单位工程类别设计单位总高度施工单位日历工期编制人校核人公司审批意见钢结构工程施工组织设计第一章编制说明一、编制依据1、设计施工图2、《建筑安装工程质量检验评定统一标准》GBJ300-883、《混凝土质量控制标准》GB50164-924、《工程测量基本术语标准》GB/T50228-965、《建筑结构荷载规范》GB5000-20016、《建筑抗震设计规范》GB50011-20017、《钢结构设计规范》GBJ17-888、《钢结构工程施工及验收规程》GB50205-20019、《建筑钢结构焊接规程》JGJ81-9110、《冷弯薄壁型钢结构技术规范》GBJ18-8711、《钢结构高强度螺栓连接的设计、施工及验收规程》JGJ82-9212、本公司彩板施工规程二、编制的主要内容钢结构制作、安装、彩钢屋面、墙面及檐沟的安装。
第二章工程概况一、工程概况本工程地处江苏省南通市开发区。
本工程结构型式为钢结构门式钢架结构,单跨跨度28.0m,外形尺寸为56m*108m,柱间距为6m,建筑面积为6048㎡,檐口高度为6m。
维护结构,屋面采用冷弯薄壁型钢檩条C25018、C25020、C25022、C25025,保温组合式屋面,上层彩色压型钢板为宝钢产0.6mm厚角驰Ⅱ—B型,下层拉1.2mm不锈钢丝网,距离@250,中间夹欧文斯—科宁75mm超细玻璃保温棉,容重16㎏/㎡并贴超强聚丙烯膜。
标高0.900以上墙体采用薄壁型钢墙梁C15016、C15020、C10016,保温组合式墙面,双面彩色压型钢板为宝钢产0.5mm厚Q90Ⅰ型,中间夹75mm厚玻璃保温棉,其中③~⑨轴墙面不设内衬板。
钢架系统梁柱构件采用Q345B钢,其它构件采用Q235B钢。
钢梁柱节点高度螺栓为10.9级,高强度螺栓连的接触面有用抛丸处理,抗滑移系数不少于0.55。
钢结构厂房项目技术标第一部分:工程概况成都奥晶科技有限责任公司投资兴建的非球面镜头主体厂房建筑钢结构工程位于成都国家级高新技术产业开发区(西区),整个建筑工程分为厂房和办公楼两大部分,建筑总长150m,总宽96.3m,厂房带办公楼总建筑面积为15900m2。
厂房由3×24m三连跨组成,总长150m,柱距9m。
厂房边柱柱顶标高为10.1m,屋面排水方式为单层脊双坡排水,排水坡度为1:20,属双坡多跨式轻钢结构多层联合厂房。
办公楼由二层钢框架结构组成,屋面排水方式为单坡排水,边柱柱顶标高为11.1m,屋面排水坡度为1:20,属多层钢框架结构工程。
本工程厂房钢柱、钢梁均采用等截面或变截面实腹式焊接H型钢。
办公楼钢柱采用方管型钢,钢梁采用等截面实腹式焊接H型钢。
梁与柱的连接方式为焊接或螺栓连接。
厂房屋面设置水平支撑和刚性系杆,柱间设柱间支撑。
墙面檩条采用冷弯薄壁C型钢,屋面檩条采用冷弯薄壁Z型钢。
檩条之间设置撑杆和拉条。
墙面板为双层压型钢板,其中外层板为彩色镀铝锌板。
屋面板采用暗扣式镀铝锌彩色压型钢板。
墙面板采用平扣板。
墙面和屋面保温棉均采用铝箔包玻璃棉,本工程围护结构还包括防火墙和玻璃幕墙。
第二部分:编制说明和编制依据一、编制说明1. 编制目的:编制此施工组织设计的目的在于:1.1. 科学地组织施工以提高劳动生产率、缩短工期、确保工程质量、节约原材料和能源、降低成本、文明施工以获取尽可能大的经济效益和社会效益。
1.2. 从施工的全局出发,根据具体条件,拟定施工方案,确定施工程序、施工流向、施工顺序、施工方法、劳动组织、技术选择、组织措施,安排施工进度和劳动力、机具、材料、构件与各种半成品的供应,对运输、道路、场地利用、水电能源保证等现场设施的布置和建设作出规划。
1.3. 缜密地预计施工中的各种需要及可能发生的变化,以便事前做好准备,把设计和施工、技术和经济、前方和后方、企业的全局活动和工程的施工组织,把施工中各单位、各部门、各阶段以及各项目之间的关系更好地协调起来,使施工过程牢固地建立在科学、合理的基础之上,从而做到人尽其力,物尽其用,优质、低耗、高速度地取得最好的经济效益和社会效益。
第一章、施工技术方案措施第一节、编制说明1、编制依据(1)国家现行《施工规范及质量验收评定标准》(2)国家及山东省有关规范、规程和规定2、工程概况1、本工程位于2、建筑面积:2、施工顺序为避免施工中造成资源浪费,影响施工进度,要求各工序施工按规律有序进行施工,本工程主要为钢结构主体复合板围护结构工程,施工顺序为:44.14.2问题。
4.2.2对工程地质、周围环境、技术经济条件进行了解。
4.2.3物质准备4.2.3.1材料准备;4.2.3.2施工机械准备第三节、设备配置一览表第四节、主要施工方法4.1施工测量4.1.1施测依据:根据业主提供的测量控制点,严格执行《工程测量规范》(GB50026——93)。
4.1.2仪器选择:J2经纬仪50m钢卷尺、普通水准尺及自动安平水平仪上述仪器须经有资质单位检定合格,且有效期内使用。
4.1.3施测方法根据工程特点,首先由业主提供测量控制点,建立矩形方格网,控制群体工4.1.3.1高程控制测量4.1.4GB50026-93)人、计算人、审核人签名。
4.1.5.4所有测量控制点的埋设必须可靠牢固。
4.2主体工程(一)制作4.2.1.1工程简介本工程为泉兴分公司钢结构大棚工程,建筑面积约705㎡.4.2.1.2制作方案4.2.1.2.1机械设备配置表参见机械设备配置表一4.2.1.2.2铆工:2人电焊工:3人起重工2人气焊工3人搬运工5维修人员295%以上,力争创造全优工程。
(1)钢材:4.2.1.2.4.2钢材进厂时,检验其规格和质量保证书及出厂合格证,其力学性能必须符合GB700-88《碳素结构钢技术标准》。
钢材表面有锈蚀、麻点、划伤、压痕等缺陷时,其深度不得大于该钢材厚度负偏差值的1/2。
钢材不得有夹层、夹渣缺陷。
钢材进厂按型号、规格整齐堆放,以减少变形,为了防止锈蚀,钢材不得与地面直接接触,用垫木隔离。
材料代用必须由设计部门签字,甲方认可后方能代用。
(2)焊接材料:焊条:E4303,焊丝H08A,焊剂:HJ431,《碳钢焊条》(GB5117-95))的规定,1-2小时后,放在100℃-150℃保(1(2)梁的制作宜在专用平台上进行,梁应严格控制尺寸,防止构件超差,影响构件安装进度。
钢结构厂房及附属工程项目技术标一、项目背景近年来,随着工业化进程的加快,钢结构厂房在工程建设中得到越来越广泛的应用。
钢结构厂房具有轻质、强度高、施工周期短等优势,能够满足各种功能的厂房需求。
为了确保钢结构厂房及附属工程项目的质量和安全性,制定本技术标准。
二、工程概况1.工程名称:钢结构厂房及附属工程2.工程性质:新建3.工程规模:占地面积XXX平方米,建筑面积XXX平方米,高度XXX 米4.工期:XX个月三、技术要求1.施工工艺:采用先进成熟的施工工艺,确保施工质量和进度。
施工过程中必须符合国家和地方相关施工规范和标准。
2.材料选择:钢材质量必须符合国家相关标准,并经过检测合格。
采购时必须提供相关证明文件。
3.结构设计:钢结构设计须满足国家相关规范,并经过审查合格。
设计文件必须详细准确,包括结构荷载、连接方式等。
4.施工图纸:施工图纸必须包含详细的结构连接节点、焊接参数、螺栓等详细信息,确保施工过程中的钢结构连接稳固可靠。
5.焊接工艺:焊接工艺必须符合国家相关标准和规范。
焊工必须持有相应的合格证书,并使用合格的焊接材料。
6.防腐处理:对于工程中的钢结构部分,必须进行防腐处理。
防腐涂料必须符合国家相关标准,施工工艺必须符合规范。
7.火灾安全:钢结构厂房及附属工程必须采取防火措施,包括防火涂料、防火区域划分等措施。
设计和施工时必须考虑火灾安全。
8.机电安装:机电设备的安装必须符合相关安全规范。
采购设备时必须确保设备符合国家和行业标准,并具备相应的证明文件。
9.监理:工程中必须配备专业的监理人员,进行全程监督和管理,确保项目的质量和进度。
四、质量控制1.施工过程中必须进行质量检测,包括焊接接头检测、防腐涂料厚度检测等,确保施工质量合格。
2.施工现场必须配备安全设备和人员,进行安全管理。
施工期间必须做好施工现场的环境保护工作。
3.施工过程中发现的质量问题必须及时处理,并记录相关处理措施。
4.施工完工后,必须进行竣工验收,由专业机构进行验收报告,确保项目符合相关标准和规范。
目录编制依据第一章工程概况及特点第二章施工准备工作计划第三章重点、难点施工方案及技术措施(钢结构、主体、道路等)第四章雨季施工措施第五章工程施工进度计划第六章劳动力、材料、施工机械设备等需用量计划第七章施工平面图第八章质量保证技术组织措施和保证体系第九章进度保证技术组织措施和保证体系第十章安全保证技术组织措施和保证体系第十一章现场文明施工措施第十二章施工环境保护措施第十三章成品保护和工程保修工作的管理措施和承诺编制依据国家关于工程建设方面现行的有关政策、法律、法规以及行业有关规定,现行的与本工程有关的规范、规程、验收标准等。
工程测量规范 GB50026-2007压型金属板设计施工规程(YBJ1216-88)钢结构工程施工质量验收规范GB50205-2001钢结构工程施工质量验收规范(GB50205-2001)钢结构高强度螺栓连接的设计、施工及验收规范(JGJ82-91)建筑地基处理技术规范(JGJ79-2002)建筑地基础施工质量验收规范(GB50202-2002)砼结构工程施工质量验收规范(GB50204-2002)钢筋焊接及验收规程(JGJ18-2010)建筑装饰装修工程施工质量验收规范(GB50210-2001)建筑地面工程施工质量验收规范(GB50209-2002)给水排水管道工程施工及验收规范(GB50268-97)建设工程文件归档整理规范(GB/T50328-2001)施工图纸及招标文件中提出的要求第一章工程概况及特点(1)工程建设概况:沈阳市第一粮库所建设的原11#、12#、13#库维修改造工程;建设地点:沈阳市铁西区保工北街20号工期要求:开工日期 2013年3月20日竣工日期 2013年7月31日质量要求:合格招标范围:全套施工图范围内的施工(包括11#、12#、13#库的改造,还有部分围墙及路面工程。
(2)工程施工特点本工程涉及到拆除、土建、钢结构制作、安装、路面施工等专业,工程交叉重叠施工作业多。
仓库钢结构及钢屋架工程技术标1. 引言仓库钢结构及钢屋架工程技术标是针对仓库建设中钢结构和钢屋架工程的相关要求和规范制定的标准。
本文档将重点介绍仓库钢结构和钢屋架工程的技术标准,包括设计、施工、验收等方面的要求,并给出一些相关的注意事项和建议。
2. 设计要求2.1 综合设计要求•仓库钢结构和钢屋架工程的设计应符合国家相关标准和规范的要求。
•设计应根据仓库的用途和特殊要求进行合理布局和结构设计。
2.2 结构设计•仓库钢结构的设计应满足承载力、稳定性和刚度等要求。
•钢屋架工程的设计应考虑受力合理分配和整体稳定性的要求。
3. 施工要求3.1 材料选用和预处理•仓库钢结构和钢屋架的材料应符合国家相关标准的要求。
•在使用前,应对材料进行必要的预处理,包括除锈、喷漆等。
3.2 施工工艺要求•施工前应制定详细的施工方案,并组织施工人员进行培训。
•施工过程中应注意施工安全和质量控制,严禁违反安全生产规定和施工图纸要求。
3.3 焊接工艺要求•对于需要焊接的部位,应按照焊接工艺规范进行焊接。
•焊接接头应清晰、牢固,并满足强度和密封性的要求。
4. 验收标准4.1 施工验收•施工结束后,应进行验收,对仓库钢结构和钢屋架工程进行质量检查。
•验收时应检查各项设计要求的执行情况,包括结构的稳定性、焊接质量、表面处理等。
4.2 使用验收•仓库钢结构和钢屋架工程完成后,应进行使用验收。
•使用验收包括对仓库的功能和安全进行检查,确保满足使用要求。
5. 注意事项•在仓库钢结构和钢屋架工程的设计和施工中,应注意人员安全和材料使用的环保性。
•设计和施工过程中应与相关部门保持良好的沟通,确保符合相关法律法规和标准要求。
6. 建议•在进行仓库钢结构和钢屋架工程时,建议与专业的设计和施工团队合作,确保项目的质量和安全。
•钢结构和钢屋架的维护保养也是很重要的,定期检查和及时修复是保持工程长期稳定运行的关键。
以上是针对仓库钢结构及钢屋架工程技术标的一些介绍和要求,希望能对相关人员在设计、施工和验收过程中提供参考和帮助。
钢结构厂房技术标书
性,准确性,语言通顺性,涉及结构设计原理,工程造价,施工维护后的实际使用情况,钢结构特点等。
一、招标文件组成
1、招标文件:1份,招标公告,投标文件规定,技术报价表,投标保证金,报价书,法律文件,项目概况,投标文件保密协议,钢结构厂房技术标准和质量标准,设备参数清单
2、投标文件:1份,报价书,法律文件,质量保证书,投标文件保密协议,钢结构厂房技术标准和质量标准,设备参数清单
二、项目概况
1、项目内容:钢结构厂房建设
2、建设地点:XXX
3、建设规模:按设计图纸规模施工
4、设计要求:将要求按照中国设计和施工标准和现行有关法规施工,符合规定的标准和质量要求。
三、技术标准
1、结构设计:采用最新的国家住建部的钢结构防火技术规范和结构设计技术规范,确保厂房坚固耐用,安全可靠。
2、结构材料:钢结构防火厂房建设采用高强钢材,要求材质钢材
Q235,焊接工艺采用焊接材质达到熔接强度要求。
3、防腐材料:采用有机防腐涂料,具有良好的抗腐蚀性能,确保厂房使用寿命。
技术标服务措施承诺管理目旳1. 质量目旳: 保证一次性交验合格工程。
2、工期目旳: 工期按招标文献规定(45天)如期竣工。
3、安全目旳:杜绝重大伤亡事故, 争创安全文明示范工地。
保证措施本工程除制定严谨科学施工方案外, 又制定了严格旳保证体系及保证措施, 以保证以上承诺旳实现。
1.工程组织管理机构建立**********有限公司厂区钢构造工程项目经理部, 实行项目经理负责制, 对施工全过程负责, 统一组织, 统一指挥, 保证工程质量和进度, 项目经理部下设生产技术, 质量安全, 材料设备等专职人员负责从施工准备、生产调度、技术管理、质量控制、计量实验检测、安全生产、文明施工、材料供应、设备保养维修到竣工验收、工程回访等方面旳管理, 对建设单位全面负责。
2.工程工期进度保证措施(1)认真做好施工准备, 中标后, 立即组织人员、材料、设备进场, 具体制定各阶段旳资源需要量计划。
(2)实行项目经理负责制对施工全过程负责, 统一组织, 统一指挥,保证进度。
(3)合理配备施工所需旳材料、机械设备、小型机具、构件需用量计划, 提前安排加工定货。
为实现工程计划工期, 发明有力条件。
(4)在搞好施工组织设计旳前提下, 优化施工工艺, 安排好工序穿插, 组织协调好各工种旳交叉作业和分段流水作业。
(5)采用横道图计划指引施工, 实行全面计划管理, 建立形象进度控制点, 采用平行流水立体交叉作业, 保证工程准时完毕。
(6)积极发明条件, 克服季节对施工带来旳影响, 尽一切能力保证工期计划正常实行, 减少季节对工程旳影响。
3.工程质量保证措施为使本工程达到优良工程原则, 向建设单位交付满意旳建筑产品。
公司设有健全旳质量管理机构, 项目部也建立以项目经理总负责、总工程师、质检科长构成旳工程质量管理小组, 综揽质量管理工作, 形成本工程有机旳质量保证体系。
项目部制定从项目经理、技术负责人、质检员到施工队、班组、工人责、权、利明确旳岗位质量责任制, 做到质量目旳逐级承包, 责任明确、操作到位。
投标前期准备工作1.项目背景介绍
1.1工程背景
1.2目标与目的
1.3建设要求
1.4投标组织结构
2.工程概述
2.1工程范围
2.2性质与目标
2.3项目需求
2.4工期计划
3.施工方法与技术
3.1混凝土浇筑方法与质控
3.2钢结构施工方案
3.3起重机械使用与安全措施
3.4防火措施
3.5绿色环保措施
4.质量控制
4.1钢结构材料质量要求
4.2施工质量控制
4.3施工工艺与检测
4.4施工过程管理与控制
5.安全管理
5.1安全保障措施
5.2人员培训与管理
5.3现场安全风险评估
5.4紧急情况应对措施
5.5工程安全验收及交底
总结
在投标前期准备工作中,项目背景介绍是首要工作。
需要详细介绍工程背景、目标与目的、建设要求以及投标组织结构,确保对该项目有全面了解。
工程概述部分要详细描述工程范围、性质与目标,以及项目需求和工期计划等内容。
对于钢结构厂房来说,包括建设面积、功能布局、楼层高度等方面的介绍。
施工方法与技术是钢结构厂房施工的核心内容。
其中混凝土浇筑方法与质控、钢结构施工方案、起重机械使用与安全措施、防火措施以及绿色环保措施等都需要详细阐述。
质量控制是保证工程质量的关键。
在钢结构厂房的质量控制中,需要明确钢结构材料的质量要求、施工质量控制、施工工艺与检测以及施工过程管理与控制等方面。
安全管理是工程施工中至关重要的一环。
在钢结构厂房的施工中,需要制定安全保障措施、进行人员培训与管理、评估现场安全风险、制定紧急情况应对措施以及进行工程安全验收及交底等。
***************项目施工组织设计********有限公司目录第一章编制说明与工程概况 (6)1.1、编制依据 (6)1.2、编制原则 (6)1.3、编制内容 (7)1.4、建筑及结构概述 (7)1.5、钢结构工程概况....................................................................................... 错误!未定义书签。
第二章总体目标与主要管理措施 . (9)一、工程施工目标 (9)二、建筑环境及施工条件 (10)三、施工准备计划 (10)四、总体施工部署 (11)五、区段划分及班组设置 (12)第三章临时设置布置方案 (14)第一节工程概况: (14)第二节临电施工方案 (14)1、施工设备用电计划 (15)2、施工用电负荷计算 (16)3、导线截面选择 (17)4、施工现场临时用电管理措施 (17)第三节临时给排水 (19)1、工程概况: (19)2、临时给水 (19)3、临时雨排水 (20)4、临时污排水 (20)第四节夜间临电照明方案 (20)1、工程概况 (20)2. 现场总体照明布置 (21)3. 夜间安全措施 (21)第五节临时消防方案 (22)1、工程概况: (22)2、施工现场设置的消防系统 (22)第六节临时办公室及其他设施 (24)1、临时道路 (24)2、临时办公室 (24)3、临时生活区 (25)4、临时加工区 (25)5、油漆及危险品仓库 (26)6、办公室及生活区围挡 (26)7、监控及门禁系统 (26)第七节临时厕所及吸烟点安排 (26)第八节现场标识标牌 (27)第四章施工组织机构图 (28)1、项目人员组织机构图.................................................................................. 错误!未定义书签。
目录一】综合说明......................................................... 2...二】施工现场平面布置................................................. 5...三】劳动力计划....................................................... 6...四】施工进度计划..................................................... 7...五】施工进度施工工期保证措施......................................... 8..六】基础施工方案或方法.............................................. 1..0.七】基础质量保证措施................................................ 1..5.八】基础排水和防止沉降措施........................................... 1..9九】地下管线、地上设施、周围建筑物保护措施........................... 1. 9十】主体结构主要施工方法或方案和施工措施............................. 2.0十一】主体结构质量保证措施......................................... 4..5十二】采用的新技术、新工艺、专利技术................................ 5. 6十三】各种管道、线路等非主体结构质量保证措施 ....................... 5. 7十四】各工序的协调措施.............................................. 5..8十五】冬、雨季施工措施.............................................. 5..9十六】施工安全保证措施.............................................. 6..2十七】现场文明施工措施.............................................. 6..6十八】施工现场环保措施.............................................. 6..8十九】施工现场、周围建筑物维护措施.................................. 7.0二十】工程交验后服务、保修措施..................................... 7..0【一】综合说明一、编制依据1、招标文件我公司积极响应招标文件的各项要求,并将招标文件作为此次投标施工组织设计编制的重要依据。
2、工程图纸招标单位提供的天津新日机电有限公司3#厂房项目工程设计图纸。
二、施工技术标准和验收规范1、《岩土工程技术规范》DB29-20-20002、《建筑地基基础设计规范》GB50007-20023、《建筑结构荷载规范》GB50009-2001(2006)4、《砌体结构设计规范》GB50003-20015、《混凝土结构设计规范》GB50010-2002(2008 年版)6、《建筑抗震设计规范》GB50011-20017、《钢结构设计规范》GB50017-20038、《钢结构工程施工及验收规范》GB50205-20019、《冷弯薄壁型钢结构技术规范》GB50018-200210、《钢结构高强螺栓连接的设计,施工及验收规程》JGJ82-9111、《建筑钢结构焊接规程》JGJ82-9112、《门式刚架轻型房屋钢结构技术规程》CECS102:2002 以及相应的施工及验收规范,质量检验评定标准。
三、工程概况本工程为天津新日机电有限公司3#厂房项目工程,坐落于天津大港安和路立达街。
总建筑面积3968.29 平方米,一层钢结构厂房。
承包方式为包工包料。
质量标准为达到国家施工验收规范合格标准。
要求工期为2011 年11 月20 日至2012年4月20日,总工期152天(日历日)。
施工范围为建设单位所发施工图纸内所有内容,包括土建、采暖、给排水、电气及各种预埋管线、管件。
1、基础形式:采用独立基础、带形基础。
2、钢筋:一级钢筋HPB235二级钢筋HRB335三级钢筋HRB4003、混凝土强度等级:45、门窗:6装饰部分:1)地面:水泥砂浆地面。
2)踢脚:水泥砂浆踢脚线。
3)内墙面:涂料内墙。
4)外墙面:涂料外墙。
5)屋面:型材屋面。
6)屋面排水管:①160塑料落水管、①100塑料落水斗、①100铸铁落水口7、钢结构部分:1)本工程为单层轻型钢结构,屋面采用檩条上铺彩色钢板,外围护墙采用彩色钢板。
2)钢架、抗风柱用钢符合国际《碳素结构钢》GB/T700钢Q235檩条、拉条、柱脚螺栓用钢符合国际《碳素结构钢》GB/T700钢Q235焊条符合Q235《碳钢焊条》GB/T5117焊条型号:Q345 E50系列;Q235 E43系列。
3)钢梁、钢柱及附属构件承重,屋面为压型钢板内夹超细玻璃(板包檩),钢柱、钢梁、钢檩条刷防火涂料。
四、施工部署(一)施工准备1、在工程施工前,组织施工人员进行图纸会审。
2、组织施工管理人员编制详细的施工方案,施工班组掌握工作内容、施工程序、施工规范,掌握施工部位的技术关键。
3、制定本工程施工的质量计划、技术计划,编制施工过程控制的工艺要求,制定特殊工艺控制程序。
4、确定各专业施工检验评定表格。
以保证在施工过程中的记录全面、统一、准确、及时,为及时完成竣工资料作好准备。
5、按人员计划安排组织劳动力、施工机具、施工材料,经业主批准后,在工程开工前进驻现场。
6、合同签订后,根据工程量做出设备、材料的采购计划,根据采购计划对供货方进行评价,使其满足使用要求。
(二)施工现场管理1、施工现场1)安装工程开始前应向业主及甲方提交一份施工现场平面布置详图,供项目业主及甲方批准,图上表明所有建筑厂房、材料库房、便道等位置,并说明按预定目的使用这些地方的打算。
2)现场需临时开通的道路及需占用现场以外的场地应得到甲方的批准, 工程项目部应征得土地管理部门批准后方可使用。
在使用前应对原始场地条件做记录。
2、现场记录工程项目部应对施工期间施工现场发生的一切问题做必要的记录,尤其是对隐蔽工程更要做详细记录。
对开挖土方所碰到的障碍物应做好记录。
3、竣工图及其它工程资料:工程完工签发证书之前, 项目经理部应向业主提供工程各部分的竣工图, 图中应标明标高、路线、位置和尺寸,并由项目监理审核。
4、工程组织:1)本次工程的施工特点是工程量大,土建、钢结构交叉施工,工程涵盖的专业较多,这就要求我们在较短的时间内完成大量的施工任务,而且工程质量要达到合格标准。
为加强全面管理,公司委派项目经理全权代表,在施工现场进行综合管理和统一指挥,所有管理人员和技术人员驻现场,及时解决各类施工技术问题。
各施工队应组织好劳动力,提高劳动生产率,组织做好施工现场的各项管理工作。
2)施工中应按照交工顺序,组织分段施工,组织好配合施工穿插作业,作好重点部位抢工,组织内部各工种平行流水作业,以达到土建、钢结构、装修及内部各工种之间互创施工条件,以保证工程总体进度。
3)推行先进施工方法和施工机具,提高机械化作业水平:安装施工过程中,应大量采用电、液动小型工具,构件加工制作采用机械加工,以提高机械化作业水平和提高工效。
二】施工现场平面布置一、现场平面布置平面布置力求科学、合理,充分利用有限的场地资源,最大限度的满足施工需要,确保既定的质量、工期、安全生产、文明施工四大目标的实现。
1、现场需要建设临时设施包括临时办公区、临时仓库、临时加工厂地、临时材料堆放场地、临时生活设施等临时设施。
2、临时工程在动工以前, 应得到书面批准。
3、永久性工程完工后,工程项目部会拆迁、拆毁、消除、处理全部临时工程并应把所有道路或由于施工时占用的地面平整好, 并要满足甲方的要求。
二、现场道路及地面1、现场临时道路及地面一律采用拆房土或者碎石等材料硬化。
2、主要材料的堆放,施工机械的布置应严格按照施工现场平面布置图确定的位置进行布置。
三、施工现场临时用水(一)总体部署根据施工现场情况及天津市施工现场管理有关规定,本方案拟沿电缆敷设方向通道设有给水主管,水管按一定间隔预留现场平面施工用水点,并按规定每间隔50m 设地下式消火栓一个。
主给水管水源由市政给水管或招标方指定水源引入点引入给水管道,加设水表井,在入户管上设总控制阀门。
(二)临时消防系统根据防火规范,设计同一时间内火灾发生次数为一次,一次灭火用水量为60L/S 。
每个室外消火栓的供水量按15L/S 计算,故共设置多个室外地下式消火栓。
室外给水管道沿电缆敷设形埋设,采用PP-R 管,热熔连接。
(三)生产给水系统在施工现场各用水点预留施工生产用水甩口2个,分别设置DN15阀门。
(四)施工现场临时用电1)施工用电采用TN-C-S制供电。
2)现场内用电采用电缆埋地敷设。
3)施工、生活用电分开敷设。
4)采用一台大于的变压器供电,能满足施工用电要求,可用1根VV-1KV-3 X 95+2X 50电缆从该变压器取电引到施工现场总配电箱内,供施工现场机械设备临时用电。
施工现场平面布置图、施工现场临时布置图附后。
【三】劳动力计划一、劳动力计划1、对进入现场的施工队伍必须从公司经质量评定后的施工班组库中选择有类似工程经历的施工班组,所有班组必须经过项目部的严格资格审查,施工班组必须配备兼职质量员,随做随清。
2、对已进场的队伍实施动态管理,不允许其擅自扩充和随意抽调,以确保施工队伍的素质和人员相对稳定。
3、未经项目部质量、安全培训的操作工作不允许上岗。
4、加强对劳务单位的管理,凡进场的劳务单位必须配备一定数量的专职协调、质量、安全的管理人员。
二、劳动力的配置计划根据招标条件,结合本工程具体情况和施工进计划,全国建筑安装工程统劳动定额,本工程不同施工阶段进行相应劳动力配置计划。
【四】施工进度计划施工进度计划是指导施工进度的关键文件之一,其科学性、先进性、合理性将直接影响到整个施工进度的快慢。
一、施工进度安排根据本工程特点、现场情况及社会环境等,把整个项目分成多个部分,组成多个施工队分别进行流水施工作业。
在确保工程质量、安全文明施工的前提下快速施工,施工总进度控制点作如下安排:本工程业主要求工期152天,我单位计划工期确保152个日历天完成本工程的施工任务,按预计开工日期2011年11月20日计算,在2012年4月20日竣工,施工总工期152天(日历日)。