(完整版)10KV及以上架空线路、变电站电力金具技术规范书
- 格式:doc
- 大小:69.51 KB
- 文档页数:8
10KV 架空绝缘电缆技术规范书1主题内容与适用范围1.1 本工艺依据GB/T14049-2008及企业标准进行编制。
1。
2 本技术规范仅适用于交流额定电压U(U m)10kV(12)架空绝缘电缆(架空电缆),规定了交流额定电压10kV交联聚乙烯(XLPE)绝缘和高密度聚乙烯(HDPE)架空电缆产品的型号、规格、技术要求、验收规则、试验、包装及贮运。
1.3 供方在本规范书中提出了最低限度的技术要求,并未规定所有的技术要求和适用的标准,供方应提供一套满足本规范书和所列标准要求的高质量产品及其相应服务。
1.4 如果供方没有以书面形式对本规范书的条文提出异议,则意味着供方提供的设备完全符合本规范书的要求。
1。
5 供方应执行本规范书所列标准.有不一致时,按较高标准执行.1.6 供方提供的电缆芯线材质、截面、长度,材质,外层绝缘材质等必须满足本工程所处地理位置、环境条件的要求,如:高寒、高温影响等。
1。
7 本次供货10kV绝缘架空电缆。
调试由甲方负责,直到送电带满负荷验收合格为止。
1。
8 本设备规范书未尽事宜,由供需双方共同协商确定。
2、引用标准下列标准所包含的条文,通过在本规范中引用而构成本规范的条文,所有标准都会被修订,使用本规范的各方应考虑使用下列标准最新版本的可能性。
GB/T14049—2008额定电压10kV架空绝缘电缆GB/T1179—1999圆线同心绞架空线GB/T3953—2009电工圆铜线GB/T3955-2009电工圆铝线GB/T8815-2008电线电缆用软聚氯乙烯塑料JB/T10437—2004电线电缆用可交联聚乙烯绝缘料GB/T2951—2008电缆和光缆绝缘和护套材料通用试验方法GB/T2952—2008电缆外护层GB/T3048—2007电线电缆电性能试验方法GB/T6995.5—电线电缆识别标志方法第5部分:电力电缆绝缘线芯识别标志2008JB/T8137—1999电线电缆交货盘3、使用条件3。
绝缘金具技术规范书Xx xx公司2016年06月1 适用范围1.1 本标准适用于符合DT/L1190《额定电压10KV及以下绝缘穿刺线夹》要求的额定电压10kV及以下架空绝缘电线的非承力接续与分支的绝缘穿刺线夹。
1.2 本标准必须与DL/T 757-2009《耐张线夹》要求的额定电压10kV及以下架空绝缘电线的固定和拉紧作用的耐张线夹。
2 引用标准GB/T 2314-2008 电力金具通用技术条件GB1173-1995 铸造铝合金技术条件GB/T 2317.4-2008 电力金具验收规则、标志和包装GB/T 2317.1-2008 电力金具试验方法机械试验GB/T 2317.3-2008 电力金具热循环试验方法GB5075-2001 电力金具名词术语GB2315-2008 电力金具标称破坏载荷系列及连接型式尺寸DL/T 764.1-2001 电力金具专用紧固件六角头带销孔螺栓DL/T 764.2-2001 电力金具专用紧固件闭口销DL/T 765.1-2001 架空配电线路金具技术条件GB14049-1993 额定电压10kV、35kV架空绝缘电缆GB12527-1990 额定电压10kV及以下架空绝缘电缆GB/T2317.4-2000 电力金具验收规则、试验方法、标志和包装DL/T683-2012 电力金具产品型号命名方法DL/T765.2-2004 额定电压10KV及以下架空绝缘导线金具DL/T1190-2012 额定电压10KV及以下绝缘穿刺线夹DL/T 757-2009 耐张线夹3 使用场合3.1穿刺线夹适用于10kV及以下架空绝缘线路中导线的非承力接续与分支。
3.2穿刺接地线夹适用于10kV及以下架空绝缘线路中电力线路的接地装置。
3.3楔型绝缘耐张线夹适用于10kV及以下架空绝缘铝芯线的终端或耐张段两端和绝缘子串一起,将架空绝缘导线固定和拉紧。
3.4楔型铝合金耐张线夹适用于10kV及以下架空绝缘铝芯线的终端或耐张段两端和绝缘子串一起,将架空绝缘导线固定和拉紧,绝缘罩与耐张线夹配套使用,起绝缘防护作用。
10kV及以下线路金具通用技术规范(201X年版)国家电网公司物资采购标准(金具卷)线路金具通用技术规范(编号:1411000-0000-00)渭南市区电力局2011年城网基建第二批项目渭南供电局二〇一一年十月线路金具采购标准技术规范使用说明1. 本标准技术规范分为通用部分、专用部分。
2. 项目单位根据需求选择所需线路金具的技术规范,技术规范通用部分条款及专用部分固化的参数原则上不能更改。
3. 项目单位应按实际要求填写项目需求部分。
如确实需要改动以下部分,项目单位应填写专用部分技术差异表并加盖该网、省公司物资部(招投标管理中心)公章,与辅助说明文件随招标计划一起提交至招标文件审查会:1) 改动通用部分条款及专用部分固化的参数;2) 项目单位要求值超出标准技术参数值;3) 需要修正污秽、温度、海拔等条件。
经标书审查会同意后,对专用部分的修改形成项目单位技术差异表,放入专用部分中,随招标文件同时发出并视为有效,否则将视为无差异。
4. 对扩建工程,项目单位应在专用部分提出与原工程相适应的一次、二次及土建的接口要求。
5. 技术规范的页面、标题、标准参数值等均为统一格式,不得随意更改。
6. 投标人逐项响应技术规范专用部分中“1标准技术参数”、“2项目需求部分”和“3投标人响应部分”三部分相应内容。
填写投标人响应部分,应严格按招标文件技术规范专用部分的“招标人要求值”一栏填写相应的招标文件投标人响应部分的表格。
投标人填写技术参数和性能要求响应表时,如有偏差除填写“投标人技术偏差表”外,必要时应提供相应试验报告。
目录1 总则 ..................................................................... ........................................................................ ............ 1 1.1 一般规定 ..................................................................... .. (1)1.2 投标人应提供的资格文件 ..................................................................... .. (1)1.3 工作范围和进度要求 ..................................................................... . (1)1.4 技术资料、图纸和试验报告 ..................................................................... . (2)1.5 标准和规范...................................................................... ............................................................. 2 1.6 必须提交的技术数据和信息 ..................................................................... . (3)2 技术参数和性能要求 ..................................................................... ......................................................... 42.1 一般规定 ..................................................................... ................................................................. 4 2.2 通用技术要求...................................................................... ......................................................... 4 2.3 分类要求 ..................................................................... .. (6)3 试验 ..................................................................... ........................................................................ .......... 12 3.1 一般规定 ..................................................................... ............................................................... 12 3.2 抽样试验 .................................................................................................................................... 12 3.3 型式试验 ..................................................................... ............................................................... 13 3.4 例行试验 ..................................................................... (13)4. 工厂检验、监造及成品检验 ..................................................................... ......................................... 13 4.1厂检验及监造...................................................................... ........................................................ 13 4.2成品检验 ..................................................................... . (14)5标识与包装、运输及交货 ..................................................................... ................................................ 14 5.1 概述 ..................................................................... .......................................................................14 5.2 标识与包装要求...................................................................... ................................................... 14 5.3 装运及交货...................................................................... .. (15)6 技术服务 ..................................................................... ........................................................................ .. 15 附录A 供货业绩表...................................................................... ..................................................... 16 附录B 工艺控制一览表 ..................................................................... .............................................. 16 附录C 主要生产设备清单 ..................................................................... .......................................... 16 附录D 主要试验设备清单 ..................................................................... .......................................... 16 附录E 主要原材料产地清单 ..................................................................... ...................................... 16 附录F 主要外协件产地清单 ..................................................................... ...................................... 17 附录G 本工程人力资源配置表 ..................................................................... .................................. 17 附录H 产品清单...................................................................... (18)1 总则1.1 一般规定1.1.1 投标人应具备招标公告所要求的资质,具体资质要求详见招标文件的商务部分。
110—500kV架空电力线路施工及验收规范(GBJ233-90)总则 (1)第二章原材料及器械材检验 (2)第三章施工测量 (6)第四章土石方工程 (7)第五章基础工程 (9)第六章杆塔工程 (16)第七章架线工程 (25)第八章接地工程 (39)第九章工程验收 (40)总则第1。
0。
1条为了不断提高110-500KV架空电力线路工程施工技术水平,确保工程质量,以促进电力建设的现代化发展,特制定本规范.第1.0。
2条本规范适用于110-500KV 交流和直流架空电力线路新建工程的施工及验收.63KV架空电力线路的新建工程应遵照本规范110KV部分执行.第1。
0.3条架空电力线路工程必须按照批准的设计文件和经有关方面的会审的设计施工图施工.当需要变更时,应经设计单位同意.第1.0.4条本规范的有关规定,除由于特殊情况必须提出特殊要求外,也应同样作为线路设计的依据。
第1.0。
5条新技术、新材料、新工艺必须经过试点、测试、验证,判定后方可采用。
并应制定不低于本规范相应水平的质量标准。
第1.0.6条架空电力线路工程施工中,除应符合本规范的有关规定外,尚应符合国家现行的有关标准规范的规定.第二章原材料及器械材检验第2。
0。
1条架空电力线路工程所使用的原煤材料必须符合下列规定:一、有该批产品的出厂质量检验合格证明书.二、对符合国家现行的有关标准的各项质量检验资料;三、对无质量检验资料的产品,或对产品检验结果有疑问的, 均应重新进行抽样,并应经有资格的检验单位进行检验,合格后方准使用。
第2。
0。
2条当采用无正式标准的新型原材料有器材时, 必须取得有关部门的技术鉴定, 或经试验并由有关单位共同鉴定的合格证明书,证明质量合格后方准使用.第2。
0.3条原材料及器材有下列情况之一时,必须重做检验:一、保管其限超过规定者;二、因保管不良有变质可能者;三、试样代表性不够者。
第2.0。
4条预制混凝土构件及现场浇筑基础混凝土使用的碎石或卵石,应符合国家规定标准《普通混凝土用碎石或卵石质量标准及检验方法》中的有关规定.第2.0。
XX办公楼10/0.4kV变电所技术规范书目录货物名称及数量 (1)1. 总则 (1)2. 技术要求 (2)一、10kV开关柜 (2)二、10/0.4kV干式变压器 (5)三、低压开关柜 (7)四、低压无功补偿柜 (13)4主要部件 (18)货物名称及数量1. 总则1.1 本设备技术规范书适用于XX有限责任公司新建的办公楼10/0.4kV变电所10kV开关柜、低压开关柜、变压器、无功补偿柜。
1.2 本设备技术规范书提出的是最低限度的技术要求,并未对一切技术细节作出规定,也未充分引述有关标准和规范的条文,卖方应提供符合本规范书和工业标准的优质产品。
1.3 如果卖方没有以书面形式对本规范书的条文提出异议,则意味着卖方提供的设备完全符合本规范书的要求。
1.4 本技术规范书所使用的标准如遇与卖方执行的标准不一致时,按较高标准执行。
2. 技术要求2.1 环境条件2.1.1 周围环境温度最高温度:不高于+40℃最低温度:不低于-40℃海拔高度:高原型1500m水平加速度: 0.25g垂直加速度: 0.125g污秽等级:Ⅲ级2.1.2 环境相对湿度:相对湿度(25o C):日平均值不大于95%,月平均值不大于90%;2.1.3 地震烈度: 8级一、10kV开关柜1. 应遵循的主要现行标准GB11022-1999 《高压开关设备通用技术条件》GB3906-2006 《3~35kV交流金属封闭开关设备》GB2900 《电工名词术语》GB156 《标准电压》IEC298 《额定电压1kV以上52kV及以下交流金属封闭开关设备和控制设备》GB1985-89 《交流高压隔离开关和接地开关》GB763-90 《交流高压电器在长期工作时的发热》2. 工程条件2.1 工程概况:XX有限责任公司新建的办公楼,10/0.4kV变电所10kV开关柜为户内型,高压金属封闭开关柜。
2.2 系统概况2.2.1额定电压: 10kV2.2.2长期运行电压: 10kV2.2.3 最高电压: 12kV2.2.4 额定频率: 50Hz2.2.5 中性点接地方式:不接地2.3 安装地点:户内2.4 开关柜基本技术参数2.4.1 开关柜本体2.4.1.1 形式: KYN-金属铠装移开式开关设备2.4.1.2 额定电压: 12kV2.4.1.3 额定频率: 50Hz2.4.1.5 水平主母线额定电流: 630A2.4.1.6 额定短时耐受电流(有效值)4s:31.5kA2.4.1.7 额定峰值耐受电流: 80kA2.4.1.9 额定绝缘水平:1min工频耐受电压(有效值):相对地、相间、断路器断口:42(28)kV,隔离断口:49(35)kV;额定雷电冲击耐受电压(峰值):相对地、相间、断路器断口:75(60)kV,隔离断口:85(70)kV;2.4.1.10防护等级外壳防护等级:IP4X2.4.2.11其余要求:按图纸要求2.5 技术性能要求2.5.1 框架和外壳2.5.1.1开关柜框架结构用至少2mm厚的覆铝锌板经柔性加工线一次成型的C型骨架组装而成,内部的分隔板也选用覆铝锌板。
10KV标准金具技术规范一、范围本标准适用于额定电压10kV及以下架空电力线路、变电站及电厂配电装置用的电力金具(以下简称金具)。
对低压配电网使用的同类金具可参照使用本标准,对在严重腐蚀、污秽的环境,高海拔地区、高寒地区等条件下使用的金具尚应满足其它标准的有关规定。
二、采用标准执行标准:GB2314-2008电力金具通用技术条件。
引用标准:GB2315-85 电力金具 标称破坏荷重系列及零件联结尺寸GB2316-85 电力金具 产品型号命名方法GB2317-85 电力金具 验收规则、试验方法、标志与包装GB978-67 可锻铸铁件 分类及技术条件GB1348-78 球墨铸铁件GB5075-85 电力金具名词术语GB1184-80 形状和位置公差的规定GB1804-92 一般公差 线性尺寸的未注公差GB196-81 普通螺纹 基本尺寸(直径1-600MM)GB5958-86 绝缘子金属附件热镀锌层通用支技术条件GB/T4056-94 高压线路悬式绝缘子连接结构和尺寸JB/T8177-95 绝缘子金属附件热镀锌层通用技术条件DL/T 765.1 架空配电线路金具技术条件DL/T 763 架空线路用预绞式金具技术条件DL/T768.7 电力金具制造质量 钢铁件热镀锌层GB/T 1043 硬质塑料简支梁冲击试验方法GB/T 1410 固体绝缘材料体积电阻率和表面电阻试验方法GB/T 2951.2 电缆绝缘和护套材料通用试验方法 第1部分;通用试验方法 第2节;热老化试验方法GB/T2951.4 电缆绝缘和护套材料通用试验方法 第1部分;通用试验方法 第4节;低温试验GB/T3048.7 电线电缆电性能试验方法 耐电痕试验GB 9327 电缆导体压缩和机械连接接头试验方法GB 14049 额定电压10、35kV架空绝缘电缆GB2320-85 耐张线夹 GB2323-85 球头挂环GB2324-85 碗头挂板 GB2325-85 U型挂环GB2327-85 挂板 GB2328-85 联板GB2329-85 U型螺丝 GB2334-85 线卡子GB2336-85 防震锤 GB2338-85 间隔棒有关的专业标准和企业标准三、性能特点3.1我们生产的金具是严格地按现行有关标准及规定程序批准的图样制造的,金具的标称破坏载荷及连接型式尺寸符合GB2315的规定。
线路金具通用技术规范线路金具采购标准技术规范使用说明1. 本标准技术规范分为通用部分、专用部分。
2. 项目单位根据需求选择所需线路金具的技术规范,依据《国家电网公司输变电工程通用设计金具分册丛书》中通用设计图纸选择通用设计金具串型名称和对应图纸编号,并填写需求串型数量,技术规范通用部分条款及专用部分固化的参数原则上不能更改。
3. 项目单位应按实际要求填写项目需求部分。
如确实需要改动以下部分,项目单位应填写专用部分技术差异表并加盖该网、省公司物资部(招投标管理中心)公章,与辅助说明文件随招标计划一起提交至招标文件审查会:1)改动通用部分条款及专用部分固化的参数;2)项目单位要求值超出标准技术参数值;3)需要修正污秽、温度、海拔等条件。
经标书审查会同意后,对专用部分的修改形成项目单位技术差异表,放入专用部分中,随招标文件同时发出并视为有效,否则将视为无差异。
4. 对扩建工程,项目单位应在专用部分提出与原工程相适应的一次、二次及土建的接口要求。
5. 技术规范的页面、标题、标准参数值等均为统一格式,不得随意更改。
6. 投标人响应技术规范专用部分中招标人提出的通用设计金具串型对应的“串型数量”,档内金具“型号”及“数量”,所需串型技术参数自行对照通用设计图纸(国家电网公司输变电工程通用设计金具分册丛书)。
如有偏差除填写“投标人技术偏差表”外,必要时应提供相应试验报告。
目录1 总则 (1)1.1 一般规定 (1)1.2 投标人应提供的资格文件 (1)1.3 工作范围和进度要求 (1)1.4 技术资料、图纸和试验报告 (2)1.5 标准和规范 (2)1.6 必须提交的技术数据和信息 (3)2 技术参数和性能要求 (4)2.1 一般规定 (4)2.2 通用技术要求 (4)2.3 分类要求 (6)3 试验 (12)3.1 一般规定 (12)3.2 抽样试验 (12)3.3 型式试验 (13)3.4 例行试验 (13)4. 工厂检验、监造及成品检验 (14)4.1厂检验及监造 (14)4.2成品检验 (14)5标识与包装、运输及交货 (14)5.1 概述 (14)5.2 标识与包装要求 (14)5.3 装运及交货 (15)6 技术服务 (15)附录A 供货业绩表 (16)附录B 工艺控制一览表 (16)附录C 主要生产设备清单 (16)附录D 主要试验设备清单 (16)附录E 主要原材料产地清单 (16)附录F 主要外协件产地清单 (17)附录G 本工程人力资源配置表 (17)附录H 产品清单 (18)1 总则1.1 一般规定1.1.1 投标人应具备招标公告所要求的资质,具体资质要求详见招标文件的商务部分。
河北宏顺电力器材科技有限公司河南配电网综合节能改造项目物资采购技术规范(金具卷)线路金具通用技术规范二〇一八年三月河北宏顺电力器材科技有限公司线路金具采购标准技术规范使用说明1. 物资采购标准是国家电网公司招标、采购的规范性文件,分为通用部分和专用部分。
通用部分用于收录对于产品生产、质量、技术服务、试验检验、监造,以及设计接口的一般规定和技术要求。
专用部分用于收录标准技术参数、组件材料配置要求、使用环境条件、产品预设方案及相关说明。
2. 项目单位在使用过程中,应根据工程需求,选择所需专用技术规范,并在招标文件中直接引用,原则上不能更改本规范中固化的技术参数。
确需修改的技术参数,须在招标文件中以差异表形式予以表现,并根据国家电网公司规定,加盖各单位或物资部公章,提交招标评审委员会确定。
3. 本标准通过招标文件的引用,成为招标文件的组成部分。
在招标文件中无特殊规定的技术要求和参数,以本标准中规定为准。
凡招标文件中载明的技术要求和参数,以招标文件为准。
1河北宏顺电力器材科技有限公司目次1总则 (5)1.1一般规定 (5)1.2投标人应提供的资格文件 (5)1.3工作范围和进度要求 (5)1.4技术资料、图纸和试验报告 (6)1.5标准和规范 (6)1.6必须提交的技术数据和信息 (7)2技术参数和性能要求 (8)2.1一般规定 (8)2.2通用技术要求 (8)2.3分类要求 (10)3试验 (16)3.1一般规定 (16)3.2抽样试验 (16)3.3型式试验 (17)3.4例行试验 (17)3.5 试验方法 (17)4工厂检验、监造及成品检验 (17)4.1厂检验及监造 (17)4.2成品检验 (17)5标识与包装、运输及交货 (18)5.1概述 (18)5.2标识与包装要求 (18)5.3装运及交货 (18)6技术服务 (19)附录A供货业绩表 (19)附录B工艺控制一览表 (19)附录C主要生产设备清单 (20)附录D主要试验设备清单 (20)附录E主要原材料产地清单 (20)附录F主要外协件产地清单 (20)附录G本工程人力资源配置表 (21)附录H产品清单 (21)2河北宏顺电力器材科技有限公司1总则1.1一般规定1.1.1 投标人应具备招标公告所要求的资质,具体资质要求详见招标文件的商务部分。
110-500kV 架空电力线路施工及验收规范(GBJ233-90)总则.................................................................. 1...第二章原材料及器械材检验.............................................. 2..第三章施工测量........................................................................ 5.. .第四章土石方工程........................................................................ 6.. .第五章基础工程........................................................................ 7.. .第六章杆塔工程....................................................................... 1..3 .第七章架线工程....................................................................... 2..0 .第八章接地工程....................................................................... 3..1 .第九章工程验收....................................................................... 3..2 .总则第 1.0.1 条为了不断提高110-500KV 架空电力线路工程施工技术水平确保工程质量,以促进电力建设的现代化发展,特制定本规范.第 1.0.2 条本规范适用于110-500KV 交流和直流架空电力线路新建工程的施工及验收.63KV 架空电力线路的新建工程应遵照本规范110KV 部分执行.第 1.0.3 条架空电力线路工程必须按照批准的设计文件和经有关方面的会审的设计施工图施工.当需要变更时,应经设计单位同意.第 1.0.4 条本规范的有关规定,除由于特殊情况必须提出特殊要求外, 也应同样作为线路设计的依据.第 1.0.5 条新技术、新材料、新工艺必须经过试点、测试、验证, 判定后方可采用.并应制定不低于本规范相应水平的质量标准.第 1.0.6 条架空电力线路工程施工中,除应符合本规范的有关规定外, 尚应符合国家现行的有关标准规范的规定.第二章原材料及器械材检验第 2.0.1 条架空电力线路工程所使用的原煤材料必须符合下列规定:一、有该批产品的出厂质量检验合格证明书.二、对符合国家现行的有关标准的各项质量检验资料;三、对无质量检验资料的产品,或对产品检验结果有疑问的, 均应重新进行抽样,并应经有资格的检验单位进行检验,合格后方准使用.第 2.0.2 条当采用无正式标准的新型原材料有器材时, 必须取得有关部门的技术鉴定, 或经试验并由有关单位共同鉴定的合格证明书,证明质量合格后方准使用.第 2.0.3 条原材料及器材有下列情况之一时,必须重做检验:一、保管其限超过规定者;二、因保管不良有变质可能者;三、试样代表性不够者.第 2.0.4 条预制混凝土构件及现场浇筑基础混凝土使用的碎石或卵石,应符合国家规定标准《普通混凝土用碎石或卵石质量标准及检验方法》中的有关规定.第 2.0.5 条预制混凝土构件及现场浇筑基础混凝土使用的砂, 应符合国家现行标准《普通混凝土用砂质量标准及检验方法》中的有关规定.特殊地区可按地区的标准执行.第 2.0.6 条水泥的质量应符合现行国家标准其品种与标号应符合设计要求.每批水泥除必须取得出厂质量合格证明外,尚应有出厂日期.当水泥出厂超过三个月,或虽未超过三个月但保管不善时, 必须补做标号试验,并应按试验后的实际标号使用.不同品种、不同标号、不同批号的水泥应分别堆放.第 2.0.7 条混凝土浇筑用水应符合下列规定:一、制作预制混凝土产品有用水,使用饮用水;二、现场浇筑混凝土宜使用铃饮用水,当无饮用水时, 可采用河溪水或清洁的池塘水.除设计有特殊要求外,可只进行外观检查不做化验.水中不得含有油脂,其上游无有害化合物流入,有怀疑时应进行化验;三、不得使用海水.第 2.0.8 条混凝土掺用的外加剂, 应采用符合标准的产品. 首次使用时应经试验,符合质量要求后方可使用.第 2.0.9 条掺入基础的大块石不得有裂缝、夹层, 其强度不得低于混凝土用石的标准,尺寸宜为150-250mm且不宜使用卵石.第 2.0.10条钢材的品种应符合设计图纸的规定,其质量应符合各该品种钢材的国家有关标准的规定.第2.0.11条焊条的质量应符合国家现行有关标准的规定, 其品种、牌号必须与所使用的钢材的化学成分和机械性能相当,并应具有良好的焊接工艺性能. 首次使用应按有关规范进行工艺性能试验,鉴定合格后方准使用.一、气焊条表面不得有油脂、污秽、腐蚀等.二、电焊条无药皮剥落.受潮的电焊条, 必须按焊条说明书规定的温度经过烘干处理,并应再经工艺性能试验,鉴定合格后方准使用.第 2.0.12条铁塔加工制造的质量应符合现行国家标准《输电线路铁塔制造技术条件》的规定.第 2.0.13条环形钢筋混凝土电杆制造质量应符现行国家标准《环形钢筋混凝土电杆》的规定.第 2.0.14条预应力混凝土电杆制造质量应符合现行国家标准《环形预应力混凝土电杆》的规定.第 2.0.15条混凝土电杆铁横担加工质量应符合现行国家标准《输电线路铁塔制造技术条件》中有关规定.抱箍及其他钢件加工质量应符合现行有关标准的规定.第 2.0.16条导线的质量应符合现行国家标准《铝绞线及钢芯绞线》的规定,铝合金绞线、钢芯铝合金绞线、铝包钢绞线以及尚未列入国家标准的其他品种导线的质量应分别符合有关标准的规定.进口导线的质量应符合各该产品国家的标准,且不应低于LEC 标准.第 2.0.17条当采用镀锌钢绞线作避雷线或拉线时,其质量应符合现行国家标准《镀锌钢绞线》的规定.第 2.0.18条金具的质量应符合现行国家标准《电力金具》的规定. 第2.0.19条预应力钢筋混凝土和普通钢筋混凝土预制构件的加工尺寸允许偏差应符合表 2.0.19的规定. 并应保证构件之间,或构件与铁件、螺栓之间的安装方便.其外观检查应符合下列规定:一、预应力钢筋混凝土预制构件不得有纵向及横向裂缝;二、普通钢筋混凝土预制构件, 放置地平面检查时不得有纵向裂缝, 横向裂缝的宽度不得超过0.05mm;三、表面应平整,不得有明显的缺陷. 预应力和普通钢筋混凝土预制构件加工尺寸允许偏差表表 2.0.19项目底盘、拉线其他装配式盘、卡盘预制构件长度(mm) -10断面尺寸(mm):宽-10厚-5 弯曲预埋铁件(预留孔)对设计位置的偏差( m m) :中心线位移安装孔距5 ±螺栓露出长度10±,-510±5±5±L/7501055±10,-5±注:1. 本表不包括环形混凝土电杆;2. 用肉眼不能直接明显看出的网状纹、龟纹与水纹不算裂缝;3. 底盘、拉线盘、卡盘的中心线位移是指拉线盘的U 形环,拉线盘、卡盘的安装孔及底盘圆槽的实际加工位置与图纸位置的偏差.第 2.0.20条导线绝缘子的质量应符合现行国家标准《盘形悬式绝缘子技术条件》的规定.对绝缘子产品质量有怀疑时应按国家现行标准《高压绝缘子抽样方案》的规定进行检验与鉴定.第 2.0.21 条组装用的螺栓必须热浸镀锌,其加工质量应符合国家现行标准《输电铁塔用热浸镀锌紧固件》的规定.第 2.0.22 条气焊用的电石及乙炔气应有出厂质量检验合格证明,其质量可采用检查焊缝中硫、磷含量的方法来确定.其硫、磷含量不应高于被焊金属的含量.气焊用的氧气线性度不应低于98.5%.第三章施工测量第3.0.1条施工测量使用的经纬仪其最小读数不应大于T.第 3.0.2条测量用的仪器及量具在使用前必须进行检查, 误码差超过标准时应加校正.第 3.0.3条分坑测量前必须复梳设计勘测时钉产的杆塔位中心桩的位置,当有下列情况之一时,应查明原因予以纠正.一、以设计勘测钉立的两个相邻直线桩为基准,其横线路方向偏差大于50mm.二、当采用经纬仪视距法复测距离时,顺线路方向两相邻杆塔位中心桩间的距离与设计值的偏差大于设计档距1%;三、转角桩的角度值,用方向法复测时对设计值的偏差大于T 30〃.第 3.0.4 条施工测量时应对下列几处地形标高进行重点复核:一、地形变化较大,导线对地距离有可能不够的地形凸起点的标高;二、杆塔位间的被跨越物的标高;三、相邻杆塔位的相对标高.第 3.0.5 条设计交桩后个别丢失的杆塔中心桩,应按设计数据予以补钉,其测量精度应符合现行有关架空判断电线路测量的技术规定的规定第 3.0.6 条杆塔位中心桩移桩的测量精度应符合下列规定:一、当采用钢卷尺寸直线量距时,两次测值之差不得超过量距的1%。
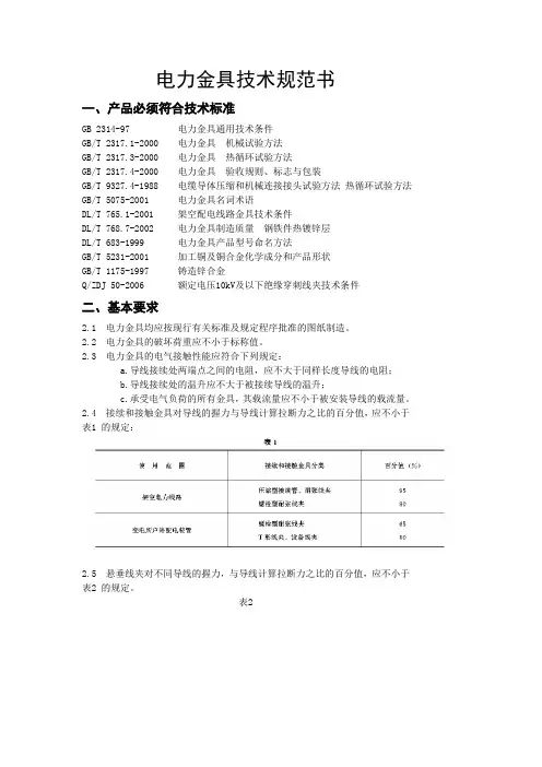
电力金具技术规范书一、产品必须符合技术标准GB 2314-97 电力金具通用技术条件GB/T 2317.1-2000 电力金具机械试验方法GB/T 2317.3-2000 电力金具热循环试验方法GB/T 2317.4-2000 电力金具验收规则、标志与包装GB/T 9327.4-1988 电缆导体压缩和机械连接接头试验方法热循环试验方法GB/T 5075-2001 电力金具名词术语DL/T 765.1-2001 架空配电线路金具技术条件DL/T 768.7-2002 电力金具制造质量钢铁件热镀锌层DL/T 683-1999 电力金具产品型号命名方法GB/T 5231-2001 加工铜及铜合金化学成分和产品形状GB/T 1175-1997 铸造锌合金Q/ZDJ 50-2006 额定电压10kV及以下绝缘穿刺线夹技术条件二、基本要求2.1 电力金具均应按现行有关标准及规定程序批准的图纸制造。
2.2 电力金具的破坏荷重应不小于标称值。
2.3 电力金具的电气接触性能应符合下列规定:a.导线接续处两端点之间的电阻,应不大于同样长度导线的电阻;b.导线接续处的温升应不大于被接续导线的温升;c.承受电气负荷的所有金具,其载流量应不小于被安装导线的载流量。
2.4 接续和接触金具对导线的握力与导线计算拉断力之比的百分值,应不小于表1 的规定:2.5 悬垂线夹对不同导线的握力,与导线计算拉断力之比的百分值,应不小于表2 的规定。
表22.6 制造电力金具的原材料,应按金具图纸规定的材料牌号选用,并符合有关材 料标准的技术要求。
2.7 电力金具的黑色金属制件除灰铸铁件外,其表面均应采用热镀锌防腐处理。
锌按GB 470—83《锌分类及技术条件》标准。
三、金具的结构3.1 线夹的曲率半径、悬垂线夹不小于被安装导线直径的8~10倍;螺栓型耐张 线夹不小于被安装导线直径的8~12倍。
3.2 悬垂线夹的悬垂角不小于25°。
电力金具技术规格书
《电力金具技术规格书》
嘿呀,今天咱就来好好唠唠这电力金具技术规格书哈。
你说这电力金具啊,那可真是电力系统里的小宝贝呀!就好比上次我去那个变电站参观,哇塞,那里面各种设备、各种线路,眼花缭乱的。
然后我就看到那些电力金具啦,什么线夹呀、绝缘子串的连接件呀,它们就安安静静地在那发挥着自己的作用呢。
就说那个线夹吧,看着普普通通的,可别小瞧它哟!它得把电线牢牢地夹住,不能松松垮垮的呀,不然那电还不得乱跑啦。
我凑近了仔细瞅,嘿,那做工,那材质,还真不是盖的。
而且不同的线夹还有不同的型号和规格呢,就跟咱人穿衣服得选合适尺码似的。
还有那些绝缘子串的连接件,哎呀呀,那也是很重要的角色呢。
它们得把绝缘子串给稳稳地连起来,保证电力传输的顺畅。
我在那观察了好久,想象着要是没有这些电力金具,这电力系统还不得乱套啦。
总之啊,这电力金具虽然看着不起眼,但真的是电力系统中不可或缺的一部分呀。
咱可得重视它们的技术规格,让它们好好地为我们服务哟!可不能小瞧了这些小家伙们的作用呀,哈哈!
好啦,关于电力金具技术规格书咱就说到这啦,下次再碰到啥有趣的电力相关的事儿,再来和你们唠唠哈。
10kV及以上架空电力线路用电力金具招标技术规范书石河子天富农电有限责任公司二0一0年八月10kV及以上架空电力线路用电力金具招标技术规范书一、总则⒈投标者必须仔细阅读包括本技术规范书在内的招标文件中的所有条款。
投标者提供的技术规范应符合招标文件所规定的要求。
⒉本技术规范书仅适用于10kV及以上架空电力线路用电力金具的招标。
它规定了10kV及以上架空电力线路用电力金具应遵循的基本技术原则,包括10kV及以上架空电力线路用电力金具技术性能、引用标准、使用条件、提供技术文件以及10kV及以上架空电力线路用电力金具的具体技术参数和要求等内容。
3. 本技术规范书如果投标者没有以书面形式对本技术规范的条文提出异议,则意味着卖方提供的产品完全符合本技术规范的要求。
如有异议,应在投标过程中一次性完整地以“对技术规范书的意见和同规范书的差异”为标题的专门章节中加以详细描述。
4. 本技术规范书所使用的标准如遇与投标人所执行的标准不一致时,应按较高标准执行。
5. 本技术规范书经买、卖双方确认后,与合同正文具有同等的法律效力。
6. 本技术规范书中涉及有关商务方面的内容,如与招标文件的第一卷《商务部分》有矛盾时,以《商务部分》为准。
7. 本技术规范书未尽事宜,由招标人和投标人在合同技术谈判时双方协商确定。
二、投标人应提供的资格文件投标人在投标文件中应提供下列有关资格文件,否则视为非响应性投标。
⒈投标人或制造商应提供本次投标产品的销售记录及相应的最终用户的使用情况证明。
⒉投标人或制造商应提供具有权威机关颁发的ISO–9000系列的认证书或等同的质量保证体系认证证书。
⒊投标人或制造商应提供具有履行合同所需的技术和主要设备等生产能力的文件资料。
⒋投标人应提供本次投标产品的生产许可证。
⒌投标人应提供本次投标产品的技术数据表和有关技术资料。
⒍投标人或制造商应提供投标产品全套有效的型式试验报告。
⒎产品适用的标准说明。
⒏与本次评标有关的其他有效的技术文件资料。
宁西铁路増建二线工程电力金具招标号:包件号:技术规格0一三年八月第一章总则 (2)1. 总则说明 (2)2. 技术规格总则 (3)探3 .技术文件和清单 (3)4 •技术服务与培训 (4)5.试验和验收 (5)6 .质量保证 (5)7、包装、运输和储存 (6)8 .其它 (7)第二章技术规格共同条款 (7)1. 工程概况 (7)2. 使用环境条件 (8)第三章电力金具通用技术条件 (8)1. 概述 (8)2. 技术规格 (9)3 基本要求 (11)4 分类要求 (13)5 材料及防腐 (16)6 结构及尺寸公差 (18)8. 金具检验 (21)第四章货物和服务需求表 (21)1.供货范围 (21)3. 服务需求表 (22)4. 到货时间 (22)第一章总则1. 总则说明探1.1 投标人应仔细阅读招标人发出的招标书中所规定的各项条款,包括各项技术规格。
要求对技术规格书逐条应答,应答不能以“明白”“符合”“满足”等单词进行简答或抄袭招标书,如有偏差,必须提供详细的技术规格偏差表。
探1.2 投标人在近二年曾销售给两个及以上用户,并已成功地运行一年的最新技术制造的产品且通过省部级以上鉴定。
(应附二年内的销售业绩、销售合同复印件、铁路局主管部门、维修运营部门的运行情况证明,至少有一份原件)1.3 投标人应保证制造过程中的所有工艺、材料等(包括外购件在内)均应符合规格书的规定。
1.4 投标人应遵守本规范书中各条款和工作项目的ISO9000 或GB/T19000 质量保证体系,该质量保证体系经过国家认证和正常运转。
1.5 投标人应提供生产厂在生产该产品中经验方面的资料,同时提供本章 3.1 条要求投标人必须提供的有效证明文件。
1.6 标书中条款前加注※者为重要条款(包括其细项条款),重要条款任一条不满足将可能导致废标。
2. 技术规格总则探2.1投标人提供的设备应能在本技术规范书第二章“技术规格共同条款”第2条“使用环境”条件下连续正常运行2.2除技术规格书中另作规定外,“近似”或“大约” 一词则意味着偏差范围允许在丄10%以内。
线路⾦具技术规范书XXXX公司集中规模招标采购10kV线路⾦具技术规范书XXXXXXXXXXXXXXXXXXXXXXX XXXX年XX⽉前附表:⽬录⼀、技术规范通⽤部分 (1)1 总则 (1)1.1 ⼀般规定 (1)1.2 投标⽅应提供的资格⽂件 (1)1.3 ⼯作范围 (1)1.4 对设计图纸、试验报告和说明书的要求 (1)1.5 标准和规范 (2)1.6 必须提交的技术数据和信息 (4)1.7 备品备件 (4)1.8 专⽤⼯具与仪器仪表 (4)1.9 安装、调试、性能试验、试运⾏和验收 (4)2 ⾦具制造基本要求 (5)2.1 ⼀般要求 (5)2.2 ⾦具外观质量 (8)2.3 分类要求 (8)2.4 材料及防腐 (10)2.5 结构及尺⼨公差 (11)2.6 结构⼯艺要求 (11)2.7 C型线夹要求 (11)2.8 ⼒矩节能线夹要求 (12)2.9 防雷⾦具要求 (12)2.10 电⽓⼀次接⼝ (12)2.13 电⽓⼆次接⼝ (12)2.14 ⼟建接⼝ (12)3 试验 (13)3.1 型式试验 (13)3.2 例⾏试验 (13)3.3 现场验收试验 (13)3.4 监督试验 (13)3.5 其他试验 (13)4 技术服务、设计联络及⼯⼚检验和监造 (13) 4.1 技术服务 (13)4.2 ⼯⼚检验和监造 (14)5.交货 (14)6.损耗、备件与合同结算重量 (14)7 产品标志、包装、运输和保管 (14)8 产品质量合格证 (15)⼆、技术规范专⽤部分 (15)1标准技术参数 (15)2 项⽬需求部分 (17)2.1 货物需求及供货范围⼀览表,详见扉页。
(17)2.3 图纸资料提交单位 (17)2.4 使⽤条件 (17)3 投标⽅响应部分 (18)3.1 投标⽅技术偏差表 (18)3.2 销售及运⾏业绩表 (18)3.3 主要组部件材料 (19)3.4 推荐的备品备件、专⽤⼯具和仪器仪表供货 (19)3.5 最终⽤户的使⽤情况证明 (19)3.6 投标⽅提供的试验检测报告表 (19)3.7 投标⽅提供的鉴定证书表 (20)⼀、技术规范通⽤部分1 总则1.1 ⼀般规定1.1.1 投标⽅应具备招标公告所要求的资质,具体资质要求详见招标⽂件的商务部分。
实用文档10kV及以上架空电力线路用电力金具招标技术规书石河子天富农电有限责任公司二0一0年八月10kV及以上架空电力线路用电力金具招标技术规书一、总则⒈投标者必须仔细阅读包括本技术规书在的招标文件中的所有条款。
投标者提供的技术规应符合招标文件所规定的要求。
⒉本技术规书仅适用于10kV及以上架空电力线路用电力金具的招标。
它规定了10kV及以上架空电力线路用电力金具应遵循的基本技术原则,包括10kV及以上架空电力线路用电力金具技术性能、引用标准、使用条件、提供技术文件以及10kV及以上架空电力线路用电力金具的具体技术参数和要求等容。
3. 本技术规书如果投标者没有以书面形式对本技术规的条文提出异议,则意味着卖方提供的产品完全符合本技术规的要求。
如有异议,应在投标过程中一次性完整地以“对技术规书的意见和同规书的差异”为标题的专门章节中加以详细描述。
4. 本技术规书所使用的标准如遇与投标人所执行的标准不一致时,应按较高标准执行。
5. 本技术规书经买、卖双方确认后,与合同正文具有同等的法律效力。
6. 本技术规书中涉及有关商务方面的容,如与招标文件的第一卷《商务部分》有矛盾时,以《商务部分》为准。
7. 本技术规书未尽事宜,由招标人和投标人在合同技术谈判时双方协商确定。
二、投标人应提供的资格文件投标人在投标文件中应提供下列有关资格文件,否则视为非响应性投标。
⒈投标人或制造商应提供本次投标产品的销售记录及相应的最终用户的使用情况证明。
⒉投标人或制造商应提供具有权威机关颁发的ISO–9000系列的认证书或等同的质量保证体系认证证书。
⒊投标人或制造商应提供具有履行合同所需的技术和主要设备等生产能力的文件资料。
⒋投标人应提供本次投标产品的生产许可证。
⒌投标人应提供本次投标产品的技术数据表和有关技术资料。
⒍投标人或制造商应提供投标产品全套有效的型式试验报告。
⒎产品适用的标准说明。
⒏与本次评标有关的其他有效的技术文件资料。
XXXX公司集中规模招标采购10kV线路金具技术规范书XXXXXXXXXXXXXXXXXXXXXXX XXXX年XX月前附表:货物需求及供货范围一览表目录一、技术规范通用部分 (1)1 总则 (1)1.1 一般规定 (1)1.2 投标方应提供的资格文件 (2)1.3 工作范围 (2)1.4 对设计图纸、试验报告和说明书的要求 (2)1.5 标准和规范 (4)1.6 必须提交的技术数据和信息 (7)1.7 备品备件 (7)1.8 专用工具与仪器仪表 (8)1.9 安装、调试、性能试验、试运行和验收 (8)2 金具制造基本要求 (9)2.1 一般要求 (9)2.2 金具外观质量 (12)2.3 分类要求 (14)2.4 材料及防腐 (15)2.5 结构及尺寸公差 (16)2.6 结构工艺要求 (17)2.7 C型线夹要求 (18)2.8 力矩节能线夹要求 (18)2.9 防雷金具要求 (19)2.10 电气一次接口 (19)2.13 电气二次接口 (19)2.14 土建接口 (19)3 试验 (19)3.1 型式试验 (19)3.2 例行试验 (19)3.3 现场验收试验 (19)3.4 监督试验 (20)3.5 其他试验 (20)4 技术服务、设计联络及工厂检验和监造 (20)4.1 技术服务 (20)4.2 工厂检验和监造 (21)5.交货 (22)6.损耗、备件与合同结算重量 (22)7 产品标志、包装、运输和保管 (22)8 产品质量合格证 (23)二、技术规范专用部分 (23)1标准技术参数 (23)2 项目需求部分 (27)2.1 货物需求及供货范围一览表,详见扉页。
(27)2.2 必备的备品备件、专用工具和仪器仪表供货表 (27)2.3 图纸资料提交单位 (27)2.4 使用条件 (28)3 投标方响应部分 (29)3.1 投标方技术偏差表 (29)3.2 销售及运行业绩表 (29)3.3 主要组部件材料 (30)3.4 推荐的备品备件、专用工具和仪器仪表供货 (30)3.5 最终用户的使用情况证明 (30)3.6 投标方提供的试验检测报告表 (31)3.7 投标方提供的鉴定证书表 (31)一、技术规范通用部分1 总则1.1 一般规定1.1.1 投标方应具备招标公告所要求的资质,具体资质要求详见招标文件的商务部分。
10kv架空输电线路设计规范篇一:110KV~750KV架空输电线路设计规范(GB 50545-2010) 强制性条文 word 整理版GB 50545-2010 110KV~750KV架空输电线路设计规范强制性条文1. 第5.0.4条:5.0.4 海拔不超过1000m时,距输电线路边相导线投影外20m处且离地2m高且频率为0.5MHz时的无线电干扰限值应符合表5.0.4的规定。
表5.0.4 无线电干扰限值2. 第5.0.5条:5.0.5 海拔不超过1000m时,距输电线路边相导线投影外20m处,湿导线条件下的可听噪声值应符合表5.0.5的规定。
表5.0.5 可听噪声限值3. 第5.0.7条:5.0.7 导、地线在弧垂最低点的设计安全系数不应小于2.5,悬挂点的设计安全系数不应小于2.25。
地线的设计安全1系数不应小于导线的设计安全系数。
4. 第6.0.3条:6.0.3 金具强度的安全系数应符合下列规定:1 最大使用荷载情况不应小于2.5。
2 断线、断联、验算情况不应小于1.5。
5. 第7.0.2条:7.0.2 在海拔高度1000m以下地区,操作过电压及雷电过电压要求的悬垂绝缘子串的绝缘子最少片数,应符合表7.0.2的规定。
耐张绝缘子串的绝缘子片数应在表7.0.2的基础上增加,对110,330kV输电线路应增加1片,对500kV输电线路应增加2片,对750kV输电线路不需增加片数。
表7.0.2 操作过电压及雷电过电压要求悬垂绝缘子串的最少绝缘子片数6. 第7.0.9条:7.0.9 在海拔不超过1000m的地区,在相应风偏条件下,带电部分与杆塔构件(包括拉线、脚钉等)的间隙,应符合表7.0.9-1和表7.0.9-2的规定。
表7.0.9-1 110,500kV带电部分与杆塔构件(包括拉线、脚钉等)的最小间隙(m) 表7.0.9-2 750kV带电部分与杆塔构件(包括拉线、脚钉等)的最小间隙(m)注:1 按雷电过电压和操作过电压情况校验间隙时的相应2气象条件,可按本规范附录A的规定取值。
10kV及以上架空电力线路用电力金具招标技术规范书石河子天富农电有限责任公司二0一0年八月10kV及以上架空电力线路用电力金具招标技术规范书一、总则⒈投标者必须仔细阅读包括本技术规范书在内的招标文件中的所有条款。
投标者提供的技术规范应符合招标文件所规定的要求。
⒉本技术规范书仅适用于10kV及以上架空电力线路用电力金具的招标。
它规定了10kV及以上架空电力线路用电力金具应遵循的基本技术原则,包括10kV及以上架空电力线路用电力金具技术性能、引用标准、使用条件、提供技术文件以及10kV及以上架空电力线路用电力金具的具体技术参数和要求等内容。
3. 本技术规范书如果投标者没有以书面形式对本技术规范的条文提出异议,则意味着卖方提供的产品完全符合本技术规范的要求。
如有异议,应在投标过程中一次性完整地以“对技术规范书的意见和同规范书的差异”为标题的专门章节中加以详细描述。
4. 本技术规范书所使用的标准如遇与投标人所执行的标准不一致时,应按较高标准执行。
5. 本技术规范书经买、卖双方确认后,与合同正文具有同等的法律效力。
6. 本技术规范书中涉及有关商务方面的内容,如与招标文件的第一卷《商务部分》有矛盾时,以《商务部分》为准。
7. 本技术规范书未尽事宜,由招标人和投标人在合同技术谈判时双方协商确定。
二、投标人应提供的资格文件投标人在投标文件中应提供下列有关资格文件,否则视为非响应性投标。
⒈投标人或制造商应提供本次投标产品的销售记录及相应的最终用户的使用情况证明。
⒉投标人或制造商应提供具有权威机关颁发的ISO–9000系列的认证书或等同的质量保证体系认证证书。
⒊投标人或制造商应提供具有履行合同所需的技术和主要设备等生产能力的文件资料。
⒋投标人应提供本次投标产品的生产许可证。
⒌投标人应提供本次投标产品的技术数据表和有关技术资料。
⒍投标人或制造商应提供投标产品全套有效的型式试验报告。
⒎产品适用的标准说明。
⒏与本次评标有关的其他有效的技术文件资料。
三、技术文件的提交产品出厂时应附带如下技术文件:⒈产品合格证;⒉产品使用说明书;⒊产品出厂试验报告;四、质量保证⒈制造厂家应在产品质保期内,负责更换所有缺陷产品。
⒉产品在合同规定的质保期内,发生损坏或缺陷,或是由于设计错误、材料、工艺、制造、发送等原因造成的损坏,或是不满足合同的要求,买方将用书面方式通知卖方,卖方应立即免费更换这些有损坏或有缺陷的产品,由此引起的一切费用由卖方承担。
(包括运输费、税收等)。
五、引用标准本技术规范书未提及的内容均应符合以下的国家、行业和企业的标准及规范,但不仅限于此,若标准之间出现矛盾时,以较高标准为准。
选用标准应为签定合同时的最新版本。
GB 196—1981 普通螺纹基本尺寸(直径1~600mm)GB 1804—1992 一般公差线性尺寸的未注公差GB 2314—1997 电力金具通用技术条件GB 2315—1985 电力金具标称破坏荷重系列及零件联结尺寸GB 2316—1985 电力金具产品型号命名方法GB/T 2317.1—2000 电力金具机械性能试验方法GB/T 2317.3—2000 电力金具热循环试验方法GB/T 2317.4—2000 电力金具验收规则、试验方法、标志与包装GB/T 5075—2001 电力金具名词术语GB 12527—1990 额定电压1kV及以下架空绝缘电缆GB 14049—1993 额定电压10kV及35kV架空绝缘电缆DL/T 464.1—1992 额定电压1kV及以下架空绝缘线金具和绝缘部件(1)一般规定DL/T683—1999 电力金具产品型号命名方法JB/T8177—1999 绝缘子金属附件热镀锌层通用技术条件SDJ/T226—1987 架空送电线路导线及避雷线液压施工工艺规程六、使用条件海拔高度: 520 m (相对中国黄海高程系)最大风速: 30 m/s(30年一遇离地面10m高10min平均风速)最高月平均相对湿度: 56 %(25℃)多年极端最高气温:+ 42.2 ℃多年极端最低气温:-39.8 ℃年平均气温: 7.4℃极端最高气压: 985.9 毫巴极端最低气压: 944.4 毫巴平均气压: 966.9毫巴年最大降水量: 251.1毫米一日最大降水量:36.7毫米年平均雷暴日数:8.22天年最多雷暴日数:20天年平均扬沙日数:11.3天年平均沙暴日: 5.2天覆冰厚度: 10 mm最大积雪深度: 35厘米最大冻土深度: 140厘米耐地震能力:地震烈度8度地区(中国12级度标准):地面水平加速度0.25g;地面垂直加速度0.125g。
七、基本要求⒈各种金具的结构型式和材质选用均应符合节约能源的原则。
⒉金具的结构应使安装和拆修方便。
⒊金具的标称破坏载荷及连接型式尺寸应符合GB2315的规定。
⒋金具的连接部件应有锁紧装置,应保证在运行中不致松脱,与线路带电检修有关的金具尚应保证安全和便于操作。
⒌金具应尽量减少磁滞、涡流损失,以及限制电晕的影响。
⒍金具应采用合适的材料和生产工艺制造。
⒎金具外观质量①经热浸镀锌后的可锻铸铁件的外观质量:a. 铸件表面应光洁、平整、不允许有裂纹,缩松等缺陷;b. 铸件的重要部位(指不允许降低机械载荷的部位,以产品图样标注为准)不允许有气孔、砂眼、渣眼及飞边等缺陷存在;c. 在与其他零件连接及与导线、地线接触部位(如挂耳、线槽)不允许有涨砂、结疤、毛刺等妨碍连接及损坏导线或地线的缺陷。
②经热镀锌后的锻制件、冲压件的外观质量:a. 冲裁件的剪切断面斜度偏差应小于板厚的1/10;b. 锻件、冲压件、剪切件应平整光洁,不允许有毛刺、开裂和叠层等缺陷;c.锻件、热弯件不允许有过烧、叠层、局部烧熔及氧化皮存在;d.铜铝件的电气接触面应平整、光洁,不允许有毛刺或超过板厚极限偏差的碰伤、划伤、凹坑及压痕等缺陷。
③铝制件(热挤压、压铸、金属型铸造成型铝件)的外观质量:a.铝制件表面应光洁,不允许存在可见裂纹;b.铸铝件的重要部位(指有机械载荷要求的部位,按产品图样标注部位)不允许有缩松、气孔、砂眼、渣眼及飞边等缺陷;c.铝制件与导线接触面的表面及与其他零件连接的部位,接续管与压模的压缩部位,以及有防电晕要求的部位,不允许有涨砂、结痕、凸瘤等缺陷;d.铝制件的电气接触平面,不允许有碰伤、划伤、凹坑、压痕等缺陷。
④焊接件的表面质量:a.焊缝应为细密平整的细鳞形,并应封边,咬边深度不大于1mm;b.焊缝应无裂纹、气孔、夹渣等缺陷。
⑤紧固件表面质量a.紧固件表面不应有锌瘤、锌渣、锌灰存在;b.外螺纹、内螺纹应光整;c.螺杆、螺母均不应有裂纹。
八、分类要求1、耐张线夹、接续金具和接触金具⑴承受电气负荷的金具,不论是承受张力的或非承受张力的,均不应降低导线的导电能力。
⑵用于电气接续的金具应满足GB 2317的要求。
⑶要求承受电气负荷性能的金具应符合下列规定:①导线接续处两端点之间的电阻,对于压缩型金具,应不大于同样长度导线的电阻;对于非压缩型金具,应不大于同样长度导线的电阻的1.1倍。
②导线接续处的温升应不大于被接续导线的温升;③所有承受电气负荷的金具,其载流量应不小于被安装导线的载流量。
⑷耐张线夹、接续金具和接触金具对导线、地线的握力,其与导线、地线计算拉断力之比应不小于表2的规定:表2 耐张线夹、接续金具和接触金具握力与绞线计算拉断力之百分比⑸非压缩型耐张线夹的弯曲延伸部分,与承受张力的导线相互接触时,则此弯曲片延伸部分出口处的曲率半径不应小于被安装导线直径的8倍。
⑹对于金具的导电接触面应涂导电脂,对于压缩型金具应提供氧化腐蚀的导电脂,填充金具内部的空隙。
⑺所有压缩型金具应使内部空隙为最小,以防止运行中潮气浸入其内。
⑻耐张线夹接续和接触金具与导线的连接处,应避免两种不同金属间产生的双金属腐蚀问题。
⑼耐张线恶化接续和接触金具应考虑在安装后的导线与金具原接触面处,不出现导线应力增大现象,以防止微风振动或其它导线振荡情况下引起导线损坏。
⑽耐张线夹接续和接触金具应避免应力集中现象,防止导线或地线发生过大的金属冷变形。
2、材料及防腐⑴制造金具的材料,应按图样的规定选用;或选用能满足使用要求并经用户同意的其他材料。
⑵制造金具的金属材料应满足使用寿命的要求,应不易出现金属材料晶粒间或应力腐蚀,也不得由此引起导线或地线任何部位的腐蚀。
⑶压缩型金具的金属材料应能承受压缩产生的冷变形,钢质压缩部件压缩后应具有足够的冲击强度。
钢质接续管应选用塑性好,含碳量不大于0.15%的优质钢,铝质压缩件应采用纯度不低于99.5%的铝。
⑷尽可能采用不敏感的钢材,如必须采用敏感性的钢材,则要避免严重的冷加工。
在高寒地区使用的金具应避免采用有冷脆性材料。
⑸以铜合金豺狼制造的金具,其铜含量应不低于80%。
⑹采用非金属材料制造的金具,应具有良好的抗老化性能,能经受工作温度而不发生性能劣化,在其整个工作温度范围内,应具有足够的防臭氧,防紫外线及防空气污秽的能力。
⑺在户外的金具其黑色金属部件,除不锈钢件及灰铸铁外,表面均应参照GB5958进行热浸镀锌的防腐处理,锌层最低质量为460g/m2,螺杆、垫圈380 g/m2。
⑻对于两种接触电位不同的金属相互间接触时,需采取特殊措施,以免引起电势腐蚀,降低接触性能。
这个要求也适用于直接于导线相接触的那些金具部件。
⑼金具紧固件的外螺纹应在热镀锌前按GB196标准规定加工或辗制,然后进行热浸镀锌,而内螺纹可在热浸镀锌前或后进行加工。
外螺纹与内螺纹的配合按7H/8g精度标准。
如果在热浸镀锌后加工则应涂防腐油脂。
金具用的外螺纹在任何情况下,不允许缩小螺纹外径;内螺纹允许扩大,受剪螺杆不允许缩杆,不受剪切控制的螺杆,其缩杆径不得小于螺纹中径。
3、结构及尺寸公差⑴受剪螺栓的螺纹,允许进入受力板件的深度不大于该板件厚度的三分之一。
⑵ U型挂板连接方式的挂板宽带不宜大于100mm,否则应采用整板钻孔的槽型连接型式。
⑶凡接触导线、地线的各种线夹及接续金具,其出线口应做成圆滑的喇叭口状。
⑷金具的结构应避免积水的可能性。
⑸球、窝的连接尺寸应符合GB4056的规定。
⑹金具的尺寸和公差,应保证金具满足规定的机械及电气性能要求,经镀锌的金具,其尺寸均为镀锌后的尺寸。
⑺对未注尺寸偏差的部位,其极限偏差应符合下列规定:①金具的基本尺寸小于或等于50mm时,其允许极限偏差为±1.0mm。
②金具的基本尺寸大于50mm时,其允许极限偏差为基本尺寸的±2%。
⑻在弯曲处的板件宽度尺寸极限偏差应符合GB1804的规定,选用JS-14级。
⑼冲压件、锻件及热弯杆件基本尺寸的极限偏差应按图样要求,其未注公差按GB1804的规定选用JS-14级。
4、结构工艺要求⑴金具部件的弯曲加工应在镀锌前进行。