安全技术防范系统调试检验批质量验收记录
- 格式:xls
- 大小:42.50 KB
- 文档页数:1
系统调试检验批质量验收记录一、前言:本次系统调试检验批质量验收记录是对已完成的系统进行全面检验和评估,以验证系统的质量是否达到了预期目标。
通过对系统各项功能的测试和质量指标的评估,确定系统是否能够正常运行,并满足用户需求。
二、验收目的:1.验证系统的功能是否符合需求:通过对系统各项功能的测试,验证系统是否能够正常运行,并能够满足用户的实际需求。
2.评估系统的性能是否达标:通过测试系统在不同负载下的性能表现,评估系统是否能够满足用户的性能要求。
3.检验系统的稳定性和安全性:通过对系统的稳定性和安全性进行测试,确保系统在正常使用情况下具有良好的稳定性和安全性。
三、验收内容:1.功能测试:对系统的各项功能进行全面测试,包括但不限于以下方面:(1)登录与身份验证:验证系统是否能够正确识别用户身份,实现用户登录功能。
(2)数据录入与管理:测试系统的数据录入与管理功能,包括数据的增加、修改、删除和查询等功能。
(3)业务流程与逻辑:验证系统的业务流程和逻辑是否符合要求,测试系统在不同场景下能否正确处理业务。
2.性能测试:对系统的性能进行评估,包括但不限于以下方面:(1)响应时间测试:测试系统在不同负载下的响应时间,包括用户界面的响应速度和数据处理的速度。
(2)并发性能测试:测试系统在多用户同时访问的情况下,能否保持良好的性能和稳定性。
(3)数据处理能力测试:测试系统能够处理的数据规模和数据复杂度,评估系统的数据处理能力。
3.稳定性和安全性测试:对系统的稳定性和安全性进行测试,包括但不限于以下方面:(1)系统稳定性测试:测试系统在长时间运行和高负载情况下的稳定性,评估系统是否存在崩溃、死机等问题。
(2)数据安全性测试:测试系统对数据的安全性保护措施,包括用户身份验证、数据加密、访问控制等。
四、验收方法:根据上述验收内容,制定相应的测试方案和测试用例,并根据实际情况执行测试。
测试过程中需要记录测试结果、问题发现和解决情况等。
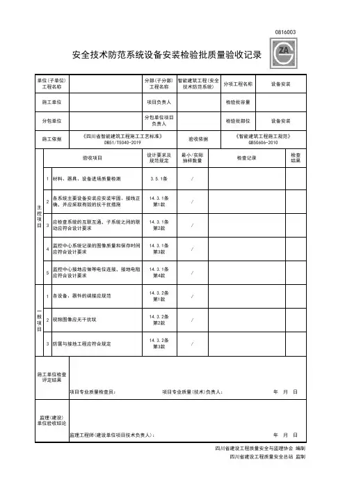
安全技术防范系统调试检验批质量验收记录单位(子单位)工程名称分部(子分部) 工程名称 智能建筑(安全技术防范系统)分项工程名称系统调试施工单位项目负责人检验批容量分包单位分包单位项目负责人检验批部位7.1.2.72、安全技术防范系统调试检验批质量验收记录施工依据《智能建筑工程施工规范》GB50606-2010验收依据《智能建筑工程质量验收规范》GB50339-2013验收项目设计要求及 规范规定最小/实际 抽样数量检查记录检查结果主 控 项 目1安全防范综合管理系统的功能第19.0.5条/4出入口控制系统的出入目标识读装置功能、信息处理/控制设备功能、执行机构功能、报警功能和访客对讲功能第19.0.8条2视频安防监控系统控制功能、监视功能、显示功能、存储功能、回放功能、报警联动功能和图像丢失报警功能第19.0.6条/3入侵报警系统的入侵报警功能、防破坏及故障报警功能、记录及显示功能、系统自检功能、系统报警响应时间、报警复核功能、报警声级、报警优先功能第19.0.7条//5电子巡查系统的巡查设置功能、记录打印功能、管理功能第19.0.9条/6停车库(场)管理系统的识别功能、控制功能、报警功能、出票验票功能、管理功能和显示功能第19.0.10条/一般项目1监控中心管理软件中电子地图显示的设备位置第19.0.11条/2安全性及电磁兼容性第19.0.12条/施工单位 检查结果专业工长:项目专业质量检查员:年 月 日监理单位 验收结论专业监理工程师:年 月 日。
安全防范综合管理系统检验批工程质量验收记录( 一)GB 50339—2003单位 ( 子单位 ) 工程名称所属子分部 ( 系统 ) 工程名称 /分项 ( 子系统)工程名称相关的验收部位( 层、区、段、房、室)总承包施工单位项目负责人专业承包安装单位项目负责人施工执行的技术标准 ( 含企业的工艺规程、工法等 ) 名称及编号相关施工图名称及其图号《智能建筑工程质量验收规范》GB 50339—2003的检查项目施工单位检查评定记录监理( 建设) 单位验收记录设备及器材的进场验收除按GB 50339第3.3.4 、3.3.5 条规定执行外,还应符合下列要求1.安全技术防范产品必须经过国家或行业授权的认证机构(或检测机构 ) 认证(或检测 ) 合格,并取得相第8.2.1条应的认证证书(或检测合格的报告)2. 产品质量检查应按 GB 50339第3.2 节的规定执行安全防范系统线缆敷设、设备安装前, 建筑工程应具备下列条件1. 预埋线缆导管、预留件、桥架等的安装符合设计第8.2.2 条要求2. 机房、弱电竖井的建筑施工已完成工安全防范系统的电缆桥架安装和桥架内电缆敷设,程电缆沟内和竖井内电的电缆敷设,电线、电缆导管和实线槽敷设,电线、电缆穿管和线槽敷线的施工应按《第8.2.3条施建筑电气工程施工质量验收规范》GB 50303第12章、及 13章、14章、15章的有关规定执行;若上述施工有特质殊要求时,应按设计文件的要求执行量安全防范系统施工质量 ( 含观感质量 ) 检查验收 ,应按控合同技术文件、施工图设计文件进行。
包括下列内容制、要求。
1. 对电( 光) 缆敷设与布线的质量检验内容如下第8.2.4 条(1)管线的防水、防潮(2)电( 光) 缆的排列位置(3)电( 光) 缆的布放、绑扎(4)桥架的架设安装(5) 缆线在桥架内的安装第6.2.2 条(6)焊接、插接头(7)接线盒内接线。
安全防范系统调试运行工程检验批质量验收记录一、项目概述本次检验批质量验收记录针对安全防范系统调试运行工程,旨在对工程的质量进行评估和验收,确保工程符合相关标准和要求。
二、检验批内容及标准根据工程设计和相关规范要求,本次检验批的内容主要包括但不限于以下几个方面:1.安全防范系统的调试运行情况;2.安全设备的功能性能测试;3.安全预警系统的可靠性测试;4.监控设备的图像清晰度检测;5.报警系统的响应速度测试;6.监控中心的数据传输和处理能力测试。
1.检验批名称:安全防范系统调试运行工程检验批2.工程名称:XX项目安全防范系统建设工程3.施工单位:XXX公司4.质检单位:XXX检验中心5.监理单位:XXX监理公司6.验收日期:XXXX年X月X日四、运行器材检验在进行安全防范系统调试运行之前,对所有使用的运行器材进行检查和测试,包括但不限于:控制器、传感器、摄像机、报警设备等。
保证器材的完整性、正常运行和参数符合设计要求。
五、系统调试运行情况1.运行模式:对系统进行正常运行、紧急运行、断电恢复等模式的测试。
2.自动化控制:对系统的自动化控制功能进行测试,包括设备自动开关、联动控制等。
3.报警响应:对系统报警功能进行测试,包括设备报警、联动接口等。
4.视频监控:对系统的视频监控功能进行测试,包括图像清晰度、画面稳定性等。
六、运行效果评估1.系统稳定性:对系统进行长时间运行测试,评估系统的稳定性和可靠性。
2.效果评估:对系统的安全防范效果进行评估,包括报警准确性、异常监测能力等。
七、质量验收结论经过对安全防范系统调试运行工程的检验批质量进行评估和验收,验证了系统的设计和安装符合相关标准和要求。
系统运行稳定,自动化控制功能正常,并且报警响应准确及时。
经监理单位的监督和检查,本次质量验收结果合格。
八、存在问题和建议1.部分监控设备画面清晰度不高,需要进行调整和维护。
2.部分报警设备反应速度较慢,需要进行优化和改进。