超声波探伤技术培训
- 格式:ppt
- 大小:8.66 MB
- 文档页数:36
超声探伤临时培训计划一、前言超声探伤是一种非破坏性检测技术,主要用于检测材料内部的缺陷和异物。
在航空航天、核工业、石化、铁路、桥梁、海洋等领域,超声探伤技术被广泛应用。
为了提高相关行业从业人员的技术水平,本机构特制定了《超声探伤临时培训计划》,培养优秀的超声探伤技术人才,满足市场需求。
二、培训目标1. 了解超声探伤的基本原理和应用范围。
2. 掌握超声探伤仪器的操作技能。
3. 熟悉不同材料的超声探伤特点和方法。
4. 能够准确判断和评定检测结果,提高工作效率和质量。
三、培训内容1. 超声探伤基础知识(1)检测原理和基本概念(2)超声波传播和衍射(3)超声探伤仪器的结构和工作原理2. 超声探伤技术操作(1)超声探伤仪器的使用方法(2)探头的选择和调试(3)检测参数的设置和调整(4)检测操作、分析和评定3. 超声探伤应用实例(1)不同材料的超声探伤方法(2)常见缺陷和异物的识别及判读(3)重点行业的应用实例分享4. 超声探伤技术进展和发展趋势(1)先进技术和新方法介绍(2)发展趋势及未来应用方向四、培训方式1. 理论教学:采用线上课堂授课,结合多媒体教学,使学员了解超声探伤的基本知识和操作技能。
2. 实践操作:现场模拟操作演练,让学员亲自操作仪器进行超声探伤检测,加深对技术的理解和掌握。
3. 案例分析:选取一些实际案例进行分析,让学员学会如何应用超声探伤技术进行判断和评定。
4. 交流互动:安排专业人员现场答疑,学员可就学习过程中遇到的问题进行交流和探讨。
五、培训日期本次培训计划为期5天,具体培训日期为2022年7月11日至2022年7月15日。
六、培训地点培训地点位于北京市朝阳区XX街道XX大厦。
七、培训费用本次培训费用为每人8000元,包括课程费用、教材费用、实践操作费用以及证书颁发费用。
八、培训证书学员完成培训后,经过培训机构考核合格者将颁发《超声探伤技术培训证书》。
九、报名方式有意报名参加本次培训计划的学员,请于培训开始前一周发送报名申请邮件至***********,并在邮件中注明个人姓名、公司名称、联系电话和电子邮件地址。
超声波探伤1 序言1.1 超声波检测技术的发展简史尽管自古就对声学开展了研究,但是直到十九世纪中后期人类才知道存在自己听不到的高频声音(即超声波)。
有趣的是,超声波的具体应用与 1912 年泰坦尼克号邮轮的沉没这一著名海难直接相关,当时所提出的及时发现水下冰山和障碍物的要求刺激了超声波的应用,其中英国科学家提出的利用超声波的束射性可以发现远距离水下目标的思想虽然未能付诸实施,但是直接推动了超声检测的研究和应用。
一次世界大战后期,为了探测另一类更为危险的水下障碍物――潜水艇,超声波技术的实际应用再一次得到了有力推动,当时所发展的压电超声发生装置和石英晶体换能器等一直是超声检测的技术基础。
超声波应用于材料的无损检测领域起源于二十世纪二十年代末三十年代初,苏联和德国的科学家几乎同时报导了超声波在材料检测方面的应用,从此开创了一个全新的领域。
二十世纪四十年代的整个十年都是在二次世界大战中度过的,战争对于技术发展的迫切要求再次成为超声检测技术进步的推动力。
探测潜艇的超声波声纳得以广泛应用,但是其回波检测的思想对于短距离材料检测而言实在是超越了当时的电子技术水平,因此只能采用连续波透射法,这种探伤方法有很大的局限性,仅限于一些专业学院作研究用途或装置在少数几个冶金研究室内。
战争以后,随着对超声波探伤原理和特性的不断深入了解,特别是脉冲反射法的应用、纵波、横波、板波和表面波相继发现并成功应用,超声波在无损检测方面优点也得以充分体现,因此在二十世纪四十年代末超声波探伤开始被用于解决一些严格的质量问题,并在冶金制造业得到了越来越广的应用。
二十世纪六七十年代,随着半导体技术和计算机信息技术的进步,超声波探伤仪器和装备不断小型化,并出现了由电池供电的便携式超声波探伤仪器,同时新材料技术的发展也使新型的性能更为优越的压电材料得以广泛应用,相关的探伤方法、探伤标准和基准等也趋于成熟,因此超声波探伤在对产品质量有严格要求的航空航天、原子能工业、石油化工业、锅炉和压力容器行业、冶金制造业以及建筑业等得到了全面应用,成为最为重要和广泛应用的无损检测方法。
超声波探伤实际操作培训教程超声波探伤实际操作培训教程(CTS22型探伤仪)陕西省锅炉压力容器无损检测人员资格考核委员会(二○○年四月)UT试件探伤操作程序(CTS22型超声波探伤仪)一、开机:接通面板左下方电源开关,电源接通,仪器发出轻微的啸叫声,电源指示器中的黑线移到红色区域。
(如黑线到不了红色区,说明电压不足,需要充电)。
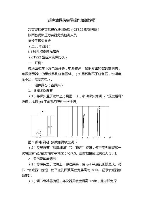
二、锻件探伤(直探头)1、扫描比例调节(1)将探头置于试块上(见图一),移动探头并调节“深度粗调”旋钮,找到φ4平底孔回波和一次底波。
图1 锻件探伤扫描线和灵敏度调节(2)反复调节“深度细调”和“延迟”旋钮,使平底孔回波和一次底波前沿分别对准水平刻度5和7.5。
此时扫描线比例调为1:1。
2、探伤灵敏度调节(1)将探头置于试块上,移动探头,使φ4平底孔回波最大。
调节“衰减器”旋钮,使平底孔回波高度为屏高的80%,记录衰减器读数[F1]。
(2)调节衰减器旋钮,将仪器灵敏度提高12dB,此时即为探伤灵敏度(φ2)。
3、试件探伤和缺陷参数测定(1)扫查试块探测面,标记缺陷位置并编号。
(2)在缺陷附近移动探头,找到缺陷最大回波。
从缺陷波在水平刻度读出缺陷深度值H并记录。
(3)调节衰减器使缺陷回波高度为屏高的80%。
记录衰减器读数[F2]。
缺陷当量为φ4+([F2]-[F1])dB。
(4)调节衰减器旋钮,使缺陷处底波高度为屏高的80%。
记录衰减器读数[BF]。
(5)在缺陷周围移动探头,找到无缺陷处的最大底波。
调节衰减器旋钮,使底波高度为屏高的80%。
记录衰减器读数[BG]。
底波降低量BG/BF=[BG]-[BF]。
(6)由缺陷中心点测量并记录缺陷座标X、Y值。
4、锻件探伤报告填写示例见附件1。
三、钢板探伤(直探头)1、扫描线调节将探头置于φ5平底孔试块上,调节“深度粗调”和“深度细调”旋钮,使荧光屏上至少显示2次试块底回波。
(见图2)图2 钢板探伤扫描线和灵敏度调节2、探伤灵敏度调节(1)将探头置于试块上,移动探头找到φ5平底孔最大回波。
超声波探伤问答题:1、什么是机械振动和机械波?二者有何关系?答:物体沿着直线或曲线在某一平衡位置附近作往复周期性的运动,称为机械运动。
机械振动在弹性介质中的传播过程称机械波。
二者是相互联系的,振动是产生波动的根源,波动是振动状态的传播过程,也是振动能量的传播过程。
2、什么是超声波的近场区与近场长度?近场长度与哪些因素有关?为什么要尽量避免在近场区探伤?答:波源附近由于波的干涉而出现一系列声压极大值极小值的区域称超声波的近场区。
波源轴线上最后一个声压极大值与波源的距离称近场长度,用N表示。
D S 2E S4λπλ,可知近场长度与波源面积成正比,与波长成反比。
近场区对探伤定量是不利的,处于声压极小值处的较大缺陷回波可能较低,处于声压极大值处的较小缺陷回波可能较高,这样易引起误判,甚至漏检。
因此应尽量避免在近场区探伤。
3、超声波探伤仪主要由哪几部分组成?简述A型脉冲反射式超声波探伤仪的工作过程。
答:超声波探伤仪主要由以下几个部分组成:同步电路、扫描电路、发射电路、接收放大电路,显示电路和电源电路等组成。
A型脉冲反射式探伤仪的工作过程如下:同步电路的触发脉冲同时加至扫描电路和发射电路。
扫描电路受触发产生锯齿波电压,加至示波管水平偏转板,使电子束发生水平偏转,在荧光屏上产生一条水平扫描线。
与此同时,发射电路受触发产生高频电脉冲,加至探头,激励压电晶片振动,在工件中产生超声波。
超声波在工件中传播,遇缺陷或底面发生反射,返回探头时又被压电晶片转变为电信号,经接收电路放大和检波,加至示波管垂直偏转板上,使电子束发生垂直偏转,在水平扫描线相应位置上产生缺陷波和底波。
根据缺陷波的位置和幅度,为缺陷定位和定量。
4、如何选择探头频率?答:频率的高低对探伤有较大的影响。
频率高,灵敏度和分辨率高,指向性好,对探伤有利。
但频率高,近场区长度大,衰减大,对探伤不利。
实际探伤中要全面分析各方面的因素,合理选择频率。
一般在保证探伤灵敏度的前提下尽可能选择较低的频率。
超声波探伤培训教程超声波探伤技术是一种通过超声波在材料内部传播和反射的方式来检测材料中存在的缺陷或者异物的非破坏性检测技术。
在工业领域得到了广泛应用,尤其是在航空、航天、核能、石油等行业。
本教程将系统介绍超声波探伤的原理、设备以及操作技巧,帮助读者全面了解和掌握超声波探伤技术。
一、原理1. 超声波的生成和传播超声波是指频率超过20kHz的声波。
其生成通常是通过压电晶体的压电效应来实现,当施加电压时,压电晶体会振动并产生超声波。
超声波在材料中的传播是一种机械波的传播方式,它具有直线传播、可传递到深层、能量损失小等特点。
2. 超声波的反射和散射当超声波遇到材料中的缺陷或者界面时,会发生反射和散射。
根据反射和散射的信号,可以判断材料中的缺陷类型、位置、尺寸等信息。
常用的探伤方法包括脉冲回波法和相位数组法。
二、设备1. 超声波探伤仪超声波探伤仪是进行超声波探伤的核心设备,它包括发射装置、接收装置、信号处理系统等部分。
发射装置用于产生超声波信号,接收装置用于接收反射和散射的信号,信号处理系统则对接收到的信号进行处理和显示。
2. 探头探头是超声波探伤仪的重要部件,其质量和性能直接影响到探伤的效果。
常见的探头类型有直探头、斜探头、浸润式探头等。
不同类型的探头适用于不同的检测对象和环境。
三、操作技巧1. 检测准备在进行超声波探伤之前,需要对设备和探头进行校准和检查,确保其正常工作。
同时,还需要根据待检测材料的类型和要求选择合适的探头,并对材料表面进行清洁和处理。
2. 检测步骤(1)将探头与被检测材料紧密接触,确保超声波能够传播到材料内部。
(2)调节探测范围和增益,以保证检测到的信号具有足够的强度。
(3)进行扫描或者点检测,记录检测到的信号并分析。
(4)根据检测结果判断材料的质量,如果发现缺陷,需进一步分析和评估。
四、应用案例超声波探伤技术在各个行业都有广泛的应用。
以下是几个实际案例:1. 航空领域在航空器制造和维修过程中,通过超声波探伤可以检测飞机结构中的隐蔽缺陷,如裂纹、孔洞等。
超声波探伤理论基础知识培训教材之理论基础第一章无损检测概述无损检测包括射线检测(RT)、超声检测(UT)、磁粉检测(MT)、渗透检测(PT)和涡流检测(ET)等五种检测方法。
主要应用于金属材料制造的机械、器件等的原材料、零部件和焊缝,也可用于玻璃等其它制品。
射线检测适用于碳素钢、低合金钢、铝及铝合金、钛及钛合金材料制机械、器件等的焊缝及钢管对接环缝。
射线对人体不利,应尽量避免射线的直接照射和散射线的影响。
超声检测系指用A型脉冲反射超声波探伤仪检测缺陷,适用于金属制品原材料、零部件和焊缝的超声检测以及超声测厚。
磁粉检测适用于铁磁性材料制品及其零部件表面、近表面缺陷的检测,包括干磁粉、湿磁粉、荧光和非荧光磁粉检测方法。
渗透检测适用于金属制品及其零部件表面开口缺陷的检测,包括荧光和着色渗透检测。
涡流检测适用于管材检测,如圆形无缝钢管及焊接钢管、铝及铝合金拉薄壁管等。
磁粉、渗透和涡流统称为表面检测。
第二章超声波探伤的物理基础第一节基本知识超声波是一种机械波,机械振动与波动是超声波探伤的物理基础。
物体沿着直线或曲线在某一平衡位置附近作往复周期性的运动,称为机械振动。
振动的传播过程,称为波动。
波动分为机械波和电磁波两大类。
机械波是机械振动在弹性介质中的传播过程。
超声波就是一种机械波。
机械波主要参数有波长、频率和波速。
波长λ:同一波线上相邻两振动相位相同的质点间的距离称为波长,波源或介质中任意一质点完成一次全振动,波正好前进一个波长的距离,常用单位为米(m);频率f:波动过程中,任一给定点在1秒钟内所通过的完整波的个数称为频率,常用单位为赫兹(Hz);波速C:波动中,波在单位时间内所传播的距离称为波速,常用单位为米/秒(m/s)。
由上述定义可得:C=λ f ,即波长与波速成正比,与频率成反比;当频率一定时,波速愈大,波长就愈长;当波速一定时,频率愈低,波长就愈长。
次声波、声波和超声波都是在弹性介质中传播的机械波,在同一介质中的传播速度相同。
超声波探伤培训总结简介超声波探伤技术是一种应用广泛的非破坏性测试方法,通过超声波对物体的内部缺陷进行检测。
本文主要总结了在超声波探伤培训过程中所学到的知识和技能。
培训内容1.超声波原理–声波的产生和传播–超声波的频率和波长–声波的反射、折射、散射和吸收2.超声波探伤设备–超声波探伤仪的组成和工作原理–超声探头的类型和选择–超声波探伤设备的操作方法和调节参数3.缺陷检测–缺陷类型和特征–超声波在不同材料中的传播特性–缺陷信号的分析和判断4.数据分析和报告–超声波数据的采集和记录–数据分析方法和技巧–缺陷检测报告的撰写和说明学习收获通过超声波探伤培训,我不仅对超声波原理和设备有了更深入的了解,还学会了如何进行缺陷检测和数据分析。
以下是我在培训中的一些学习收获:1.能够理解超声波的产生、传播和反射原理,了解不同材料中超声波的传播特性。
2.熟悉超声波探伤仪的操作方法,包括仪器的开机、校准、调节参数等。
3.掌握了不同类型的超声探头的选择和应用场景。
4.学会了通过观察和分析超声波信号来判断材料中的缺陷类型和位置。
5.熟练进行超声波数据的采集和记录,能够根据数据分析结果撰写缺陷检测报告。
实践应用超声波探伤技术在许多领域得到了广泛的应用,包括航空航天、汽车制造、核能检测等。
通过本次培训,我将能够将所学的超声波探伤技术应用到实际的工作中,包括:•在航空维修领域,使用超声波探伤技术对飞机结构进行检测,提前发现隐患并进行修复。
•在汽车制造中,利用超声波探伤技术对汽车发动机的零部件进行检测,确保产品质量。
•在核能行业,使用超声波探伤技术对核设施的管道和容器进行安全评估,减少事故风险。
总结通过超声波探伤培训,我对超声波原理和探伤设备有了深入的了解,并学会了如何进行缺陷检测和数据分析。
这些知识和技能将对我的工作产生积极的影响,可以帮助我提高工作效率,并提供更优质的产品和服务。
我期待将来能够在实践中不断完善和提升自己的超声波探伤技术。
超声波探伤讲义(内部培训资料)超声波探伤讲义(内部培训资料)一、概述超声波探伤是一种常用的非破坏性检测技术,广泛应用于工业领域。
本讲义将介绍超声波探伤的原理、设备、操作流程以及常见的应用场景。
二、原理超声波探伤利用材料中超声波的传播和反射特性来检测物体内部的缺陷。
超声波在材料中传播时,遇到界面或缺陷时会发生折射和反射,通过接收和分析反射信号,可以判断缺陷的位置和性质。
三、设备1. 超声波探伤仪:包括发射装置、接收装置、控制系统等。
2. 控制台:用于调节探伤仪的参数和显示检测结果。
3. 传感器:将超声波信号传输到被检物体表面,并接收反射信号。
四、操作流程1. 准备工作:确认探伤区域、选择合适的传感器和探头,并对设备进行检查和校准。
2. 设置参数:根据被检材料的性质和缺陷类型,调节控制台上的参数,如频率、增益等。
3. 扫描检测:将传感器沿被检物体表面平稳移动,保持一定的检测速度,记录反射信号。
4. 数据分析:通过控制台或计算机软件,对采集到的数据进行分析和处理,判断是否存在缺陷。
5. 结果评估:根据分析结果,评估被检物体的质量并作出相应的判定。
五、应用场景1. 金属材料检测:超声波探伤被广泛应用于金属材料的检测,如焊接接头、铸件、锻件等。
2. 管道检测:可以通过超声波探伤检测管道内部的腐蚀、裂纹等缺陷,保证管道的安全运行。
3. 轴承检测:超声波探伤可以检测轴承内部的裂纹、磨损等问题,预防故障和损坏。
4. 建筑结构检测:超声波探伤可用于检测混凝土结构中的空洞、裂缝等缺陷,确保建筑物的安全性。
六、注意事项1. 操作人员需经过专业培训,并持证上岗。
2. 检测前需对设备进行检查和校准,确保其正常工作。
3. 根据被检材料的性质和缺陷类型,选择合适的探头和参数设置。
4. 操作过程中需保持传感器与被检物体表面的贴合度,并保持恒定的扫描速度。
5. 分析结果需结合其他检测方法或实际应用情况进行综合评估。
七、总结超声波探伤技术是一种重要的非破坏性检测方法,具有广泛的应用前景。
培训教材之理论基础第一章 无损检测概述无损检测包括射线检测(RT)、超声检测(UT)、磁粉检测(MT)、渗透检测(PT)和涡流检测(ET)等五种检测方法。
主要应用于金属材料制造的机械、器件等的原材料、零部件和焊缝,也可用于玻璃等其它制品。
射线检测适用于碳素钢、低合金钢、铝及铝合金、钛及钛合金材料制机械、器件等的焊缝及钢管对接环缝。
射线对人体不利,应尽量避免射线的直接照射和散射线的影响。
超声检测系指用A型脉冲反射超声波探伤仪检测缺陷,适用于金属制品原材料、零部件和焊缝的超声检测以及超声测厚。
磁粉检测适用于铁磁性材料制品及其零部件表面、近表面缺陷的检测,包括干磁粉、湿磁粉、荧光和非荧光磁粉检测方法。
渗透检测适用于金属制品及其零部件表面开口缺陷的检测,包括荧光和着色渗透检测。
涡流检测适用于管材检测,如圆形无缝钢管及焊接钢管、铝及铝合金拉薄壁管等。
磁粉、渗透和涡流统称为表面检测。
第二章 超声波探伤的物理基础第一节 基本知识超声波是一种机械波,机械振动与波动是超声波探伤的物理基础。
物体沿着直线或曲线在某一平衡位置附近作往复周期性的运动,称为机械振动。
振动的传播过程,称为波动。
波动分为机械波和电磁波两大类。
机械波是机械振动在弹性介质中的传播过程。
超声波就是一种机械波。
机械波主要参数有波长、频率和波速。
波长λ:同一波线上相邻两振动相位相同的质点间的距离称为波长,波源或介质中任意一质点完成一次全振动,波正好前进一个波长的距离,常用单位为米(m);频率f:波动过程中,任一给定点在1秒钟内所通过的完整波的个数称为频率 ,常用单位为赫兹(Hz);波速C:波动中,波在单位时间内所传播的距离称为波速,常用单位为米/秒(m/s)。
由上述定义可得:C=λ f ,即波长与波速成正比,与频率成反比;当频率一定时,波速愈大,波长就愈长;当波速一定时,频率愈低,波长就愈长。
次声波、声波和超声波都是在弹性介质中传播的机械波,在同一介质中的传播速度相同。
超声波探伤培训资料超声波探伤是利用超声波在物质中的传播、反射和衰减等物理特性来发现缺陷的一种探伤方法。
与射线探伤相比,超声波探伤具有灵敏度高、探测速度快、成本低、操作方便、探测厚度大、对人体和环境无害,特别对裂纹、未熔合等危险性缺陷探伤灵敏度高等优点。
但也存在缺陷评定不直观、定性定量与操作者的水平和经验有关、存档困难等缺点。
在探伤中,常与射线探伤配合使用,提高探伤结果的可靠性。
超声波检测主要用于探测试件的内部缺陷。
1、超声波:频率大于20KHZ的声波。
它是一种机械波。
探伤中常用的超声波频率为0.5~10MHz,其中2~2.5MHz被推荐为焊缝探伤的公称频率。
机械振动:物体沿着直线或曲线在某一平衡位置附近作往复周期性的运动,称为机械振动。
振幅A、周期T、频率f。
波动:振动的传播过程称为波动。
C=λ*f超声波具有以下几个特性:(1)束射特性。
超声波波长短,声束指向性好,可以使超声能量向一定方向集中辐射。
(2)反射特性。
反射特性正是脉冲反射法的探伤基础。
(3)传播特性。
超声波传播距离远,可检测范围大。
(4)波型转换特性。
超声波在两个声速不同的异质界面上容易实现波型转换。
2、波的类型:(1)纵波L:振动方向与传播方向一致。
气、液、固体均可传播纵波。
(2)横波S:振动方向与传播方向垂直的波。
只能在固体介质中传播。
(3)表面波R:沿介质表面传播的波。
只能在固体表面传播。
(4)板波:在板厚与波长相当的薄板中传播的波。
只能在固体介质中传播。
3、超声波的传播速度(固体介质中)(1) E:弹性横量,ρ:密度,σ:泊松比,不同介质E、ρ不一样,波速也不一样。
(2)在同一介质中,纵波、横波和表面波的声速各不相同 CL>CS>CR钢:CL=5900m/s,CS=3230m/s,CR=3007m/s4、波的迭加、干涉、衍射⑴波的迭加原理当几列波在同一介质中传播时,如果在空间某处相遇,则相遇处质点的振动是各列波引起振动的合成,在任意时刻该质点的位移是各列波引起位移的矢量和。
超声波探伤培训大纲《超声波探伤》培训大纲一、课程的性质、目的和任务《超声波探伤》是针对报考超声波无损检测等级考试人员开设的一门培训课程。
它包括超声波探伤的物理基础,超声波探伤仪、探头及试块,超声波探伤的通用方法和基础技术,管件和焊缝超声波探伤方法及实践。
目的在于让学员掌握超声波探伤的基本知识和实践方法,了解,,/ T11345-89《钢焊缝手工超声波探伤方法和探伤结果分析》、,,/ T5777-96《无缝钢管超声波探伤检验方法》两个标准。
二、课程教学内容的基本要求、重点和难点了解超声波探伤的基本概念和范畴,掌握超声波探伤的物理基础,超声波探伤仪、探头及试块的类型、区别、用途,了解超声波探伤的通用方法和基础技术,掌握管件和焊缝超声波探伤方法及实践,了解钢焊缝和无缝钢管超声波探伤检验方法标准。
基础理论知识:第1章超声波探伤的物理基础1、波动的一般概念和超声波特性2、超声波的传播3、超声平面波在大平界面上垂直入射的行为4、超声平面波在大平界面上斜入射的行为5、聚焦和发散6、超声波的获得和超声场、超声波的绕、散射和对规则反射体的反射78、超声波的衰减第2章超声波探伤仪、探头及试块1、超声波探伤仪2、超声波探头3、超声波探伤用试块第3章超声波探伤的通用方法和基础技术1、超声波探伤方法分类及特点2、超声波探伤的基本方法3、探测条件的选择4、缺陷状况对缺陷波高的影响第4章焊缝超声波探伤1、概述2、平板对接焊缝的超声波探伤方法3、焊缝超声波探伤定位4、焊缝超声波探伤缺陷大小的测定5、焊缝超声波探伤中缺陷性质是估计6、假讯号(非缺陷讯号)的判别7、T型焊缝的超声波探伤第5章管材的超声波探伤1、管材的超声波探伤实践操作:1、仪器水平线性偏差、垂直线性偏差和灵敏度的测定2、直探头探伤实践3、斜探头探伤实践标准:一、,,/ T11345-89《钢焊缝手工超声波探伤方法和探伤结果分析》1、术语2、检验人员3、探伤仪、探头及系统性能4、试块5、检验等级6、检验准备7、仪器调整和校验8、初始检验9、规定检验10、缺陷评定、检验结果的等级分类 1112、记录与报告二、,,/ T5777-96《无缝钢管超声波探伤检验方法》1、探伤原理2、探伤方法3、对比式样4、探伤设备5、探伤条件6、探伤步骤7、结果评定8、探伤报告9、相关标准三、教学方式及学时分配序主要教学方式学时分配主要内容号第一章超声波探伤的物理基础 1 讲授 1第二章超声波探伤仪、探头及试块 2 讲授 1第三章超声波探伤的通用方法和基3 讲授2 础技术第四章焊缝超声波探伤及标准 4 讲授 1第五章管材的超声波探伤及标准 5 讲授 1仪器水平线性偏差、垂直线性偏6 1 讲授差和灵敏度的测定7 直探头探伤实践讲授 2 8 斜探头探伤实践讲授 2四、课程各教学环节的要求认真听课做好笔记,实践操作要按照老师的要求反复练习。
培训教材之理论基础第一章无损检测概述无损检测包括射线检测(RT)、超声检测(UT)、磁粉检测(MT)、渗透检测(PT)和涡流检测(ET)等五种检测方法。
主要应用于金属材料制造的机械、器件等的原材料、零部件和焊缝,也可用于玻璃等其它制品。
射线检测适用于碳素钢、低合金钢、铝及铝合金、钛及钛合金材料制机械、器件等的焊缝及钢管对接环缝。
射线对人体不利,应尽量避免射线的直接照射和散射线的影响。
超声检测系指用A型脉冲反射超声波探伤仪检测缺陷,适用于金属制品原材料、零部件和焊缝的超声检测以及超声测厚。
磁粉检测适用于铁磁性材料制品及其零部件表面、近表面缺陷的检测,包括干磁粉、湿磁粉、荧光和非荧光磁粉检测方法。
渗透检测适用于金属制品及其零部件表面开口缺陷的检测,包括荧光和着色渗透检测。
涡流检测适用于管材检测,如圆形无缝钢管及焊接钢管、铝及铝合金拉薄壁管等。
磁粉、渗透和涡流统称为表面检测。
第二章超声波探伤的物理基础第一节基本知识超声波是一种机械波,机械振动与波动是超声波探伤的物理基础。
物体沿着直线或曲线在某一平衡位置附近作往复周期性的运动,称为机械振动。
振动的传播过程,称为波动。
波动分为机械波和电磁波两大类。
机械波是机械振动在弹性介质中的传播过程。
超声波就是一种机械波。
机械波主要参数有波长、频率和波速。
波长:同一波线上相邻两振动相位相同的质点间的距离称为波长,波源或介质中任意一质点完成一次全振动,波正好前进一个波长的距离,常用单位为米(m);频率f:波动过程中,任一给定点在1秒钟内所通过的完整波的个数称为频率,常用单位为赫兹(Hz);波速C:波动中,波在单位时间内所传播的距离称为波速,常用单位为米/秒(m/s)。
由上述定义可得:C= f ,即波长与波速成正比,与频率成反比;当频率一定时,波速愈大,波长就愈长;当波速一定时,频率愈低,波长就愈长。
次声波、声波和超声波都是在弹性介质中传播的机械波,在同一介质中的传播速度相同。
培训教材之理论基础第一章无损检测概述无损检测包括射线检测RT、超声检测UT、磁粉检测MT、渗透检测PT和涡流检测ET等五种检测方法.主要应用于金属材料制造的机械、器件等的原材料、零部件和焊缝,也可用于玻璃等其它制品.射线检测适用于碳素钢、低合金钢、铝及铝合金、钛及钛合金材料制机械、器件等的焊缝及钢管对接环缝.射线对人体不利,应尽量避免射线的直接照射和散射线的影响.超声检测系指用A型脉冲反射超声波探伤仪检测缺陷,适用于金属制品原材料、零部件和焊缝的超声检测以及超声测厚.磁粉检测适用于铁磁性材料制品及其零部件表面、近表面缺陷的检测,包括干磁粉、湿磁粉、荧光和非荧光磁粉检测方法.渗透检测适用于金属制品及其零部件表面开口缺陷的检测,包括荧光和着色渗透检测.涡流检测适用于管材检测,如圆形无缝钢管及焊接钢管、铝及铝合金拉薄壁管等.磁粉、渗透和涡流统称为表面检测.第二章超声波探伤的物理基础第一节基本知识超声波是一种机械波,机械振动与波动是超声波探伤的物理基础.物体沿着直线或曲线在某一平衡位置附近作往复周期性的运动,称为机械振动.振动的传播过程,称为波动.波动分为机械波和电磁波两大类.机械波是机械振动在弹性介质中的传播过程.超声波就是一种机械波.机械波主要参数有波长、频率和波速.波长:同一波线上相邻两振动相位相同的质点间的距离称为波长,波源或介质中任意一质点完成一次全振动,波正好前进一个波长的距离,常用单位为米m;频率f:波动过程中,任一给定点在1秒钟内所通过的完整波的个数称为频率 ,常用单位为赫兹Hz;波速C:波动中,波在单位时间内所传播的距离称为波速,常用单位为米/秒m/s.由上述定义可得:C= f ,即波长与波速成正比,与频率成反比;当频率一定时,波速愈大,波长就愈长;当波速一定时,频率愈低,波长就愈长.次声波、声波和超声波都是在弹性介质中传播的机械波,在同一介质中的传播速度相同.它们的区别在主要在于频率不同.频率在20~20000Hz之间的能引起人们听觉的机械波称为声波,频率低于20Hz的机械波称为次声波,频率高于20000Hz的机械波称为超声波.次声波、超声波不可闻.超声探伤所用的频率一般在~10MHz之间,对钢等金属材料的检验,常用的频率为1~5MHz.超声波波长很短,由此决定了超声波具有一些重要特性,使其能广泛用于无损探伤.1.方向性好:超声波是频率很高、波长很短的机械波,在无损探伤中使用的波长为毫米级;超声波象光波一样具有良好的方向性,可以定向发射,易于在被检材料中发现缺陷.2.能量高:由于能量声强与频率平方成正比,因此超声波的能量远大于一般声波的能量.3.能在界面上产生反射、折射和波型转换:超声波具有几何声学的上一些特点,如在介质中直线传播,遇界面产生反射、折射和波型转换等.4.穿透能力强:超声波在大多数介质中传播时,传播能量损失小,传播距离大,穿透能力强,在一些金属材料中其穿透能力可达数米.第二节波的类型及波速测量一.波的类型根据波动传播时介质质点的振动方向相对于波的传播方向的不同,可将波动分为纵波、横波、表面波和板波等.1.纵波L介质中质点的振动方向与波的传播方向互相平行的波,称为纵波,用L表示.当介质质点受到交变拉压应力作用时,质点之间产生相应的伸缩形变,从而形成纵波;凡能承受拉伸或压缩应力的介质都能传播纵波.固体介质能承受位伸或压缩应力;液体和气体虽不能承受拉伸应力,但能承受压应力产生容积变化.因此固体、液体和气体都能传播纵波.钢中纵波声速一般为5960m/s.纵波一般应用于钢板、锻件探伤.2.横波ST介质中质点的振动方向与波的传播方向互相垂直的波,称为横波,用S或T表示.当介质质点受到交变的剪切应力作用时,产生剪切形变,从而形成横波;只有固体介质才能承受剪切应力,液体和气体介质不能承受剪切应力,因此横波只能在固体介质中传播,不能在液体和气体介质中传播.钢中横波声速一般为3230m/s.横波一般应用于焊缝、钢管探伤.3.表面波R当介质表面受到交变应力作用时,产生沿介质表面传播的波,称为表面波,常用R表示.又称瑞利波.表面波在介质表面传播时,介质表面质点作椭圆运动,椭圆长轴垂直于波的传播方向,短轴平行于波的传播方向;椭圆运动可视为纵向振动与横向振动的合成,即纵波与横波的合成,因此表面波只能在固体介质中传播,不能在液体和气体介质中传播.表面波的能量随深度增加而迅速减弱,当传播深度超过两倍波长时,质点的振幅就已经很小了,因此,一般认为表面波探伤只能发现距工件表面两倍波长深度内的缺陷.表面波一般应用于钢管探伤.4.板波在板厚与波长相当的薄板中传播的波,称为板波.根据质点的振动方向不同可将板波分为SH波和兰姆波.板波一般应用于薄板、薄壁钢管探伤.二.超声波声速测量对探伤人员来说,用探伤仪测量声速是最简便的,用这种方法测声速,可用单探头反射法或双探头穿透法;可用于测纵波声速和横波声速.1.反射法测纵波声速声速按下式计算:声速 C=2d/T1-t;t = 2T1– T2式中 d ------ 工件厚度;t ------ 由探头晶片至工件表面传输时间;T1 ------ 由探头晶片至工件底一次波传输时间;T2 ------ 由探头晶片至工件底二次波传输时间;2.穿透法测纵波声速声速按下式计算:声速 C=d/T1-t; t = 2T1– T2式中 d ------ 工件厚度;t ------ 由探头晶片至工件表面传输时间;T1 ------ 由探头晶片至工件底一次波传输时间;T2 ------ 由探头晶片至工件底二次波传输时间;3.反射法测横波声速用半圆弧测横波声速,按下式计算:声速 C=2d/T1-t;t = 2T1– T2式中 d ------ 半圆半径长度;t ------ 由探头晶片至半圆弧探测面传输时间;T 1 ------ 由探头晶片至圆弧面一次波传输时间; T 2 ------ 由探头晶片至圆弧面二次波传输时间;第三节波的若干概念一.波的迭加与干涉1. 波的迭加原理当几列波在同一介质中传播时,如果在空间某处相遇,则相遇处质点的振动是各列波引起振动的合成,在任意时刻该质点的位移是各列波引起的位移的矢量和.几列波相遇后仍保持自己原有的频率、波长、振动方向等特性并按原来的传播方向继续前进,好象在各自的途中没有遇到其他波一样,这就是波的迭加原理,又称波的独立性原理.波的迭加现象可以从许多事实观察到,如两石子落水,可以看到两个石子入水处为中心的圆形水波的迭加情况和相遇后的传播情况.又如乐队合奏或几个人谈话,人们可以分辨出各种乐器或各人的声音,这些都可以说明波传播的独立性. 2. 波的干涉两列频率相同,振动方向相同,位相相同或位相差恒定的波相遇时,介质中某些地方的振动互相加强,而另一些地方的振动互相减弱或完全抵消的现象叫做波的干涉现象.波的迭加原理是波的干涉现象的基础,波的干涉是波动的重要特征.在超声波探伤中,由于波的干涉,使超声波源附近出现声压极大极小值.二.惠更斯原理和波的衍射1.惠更斯原理如前所述,波动是振动状态的传播,如果介质是连续的,那么介质中任何质点的振动都将引起邻近质点的振动,邻近质点的振动又会引起较远质点的振动,因此波动中任何质点都可以看作是新的波源.据此惠更斯提出了着名的惠更斯原理:介质中波动传播到的各点都可以看作是发射子波的波源,在其后任意时刻这些子波的包迹就决定新的波阵面.2.波的衍射绕射波在传播过程中遇到与波长相当的障碍物时,能绕过障碍物边缘改变方向继续前进的现象,称为波的衍射或波的绕射.如右图,超声波波长为在介质中传播时,遇到缺陷AB 其尺寸为D,据惠更斯原理,缺陷边缘可以看作是发射子波的波源,使波的传播改变,从而使缺陷背后的声影缩小,反射波降低.当D<<时,波的绕射强,反射弱,缺陷回波很低,容易漏检;当D>>时,反射强,绕射弱,声波几乎全反射.波的绕射对探伤即有利又不利.由于波的绕射,使超声波产生晶料绕射顺利地在介质中传播,这对探伤有利;但同时由于波的绕射,使一些小缺陷回波显着下降,以致造成漏检,这对探伤不利.一般超声波探伤灵敏度约为/2.三.超声场的特征值充满超声波的空间或超声振动所波及的部分介质,叫超声场;超声场具有一定的空间大小和形状,只有当缺陷位于超声场内时,才有可能被发现.描述超声场的特征植即物理量主要有声压、声强和声阻抗.1.声压P超声场中某一点在某一时刻所具有的压强P1与没有超声波存在时的静态压强P0之差,称为该点的声压,用P表示P = P1 - P0.声压幅值 p = cu = c2fA其中----介质的密度;c----波速;u----质点的振动速度;A----声压最大幅值;f----频率.超声场中某一点的声压的幅值与介质的密度、波速和频率成正比.在超声波探伤仪上,屏幕上显示的波高与声压成正比.2.声阻抗Z超声场中任一点的声压p与该处质点振动速度u之比称为声阻抗,常用Z表示.Z = p / u = cu / u = c由上式可知,声阻抗的大小等于介质的密度与波速的乘积.由u = P/Z可知,在同一声压下,Z增加,质点的振动速度下降.因此声阻抗Z可理解为介质对质点振动的阻碍作用.超声波在两种介质组成的界面上的反射和透射情况与两种介质的声阻抗密切相关.3.声强I单位时间内垂直通过单位面积的声能称为声强,常用I表示.I = Z u2/2 = P2/2Z当超声波传播到介质中某处时,该处原来静止不动的质点开始振动,因而具有动能;同时该处介质产生弹性变形,因而也具有弹性位能;声能为两者之和.声波的声强与频率平方成正比,而超声波的频率远大于可闻声波.因此超声波的声强也远大于可闻声波的声强.这是超声波能用于探伤的重要原因.在同一介质中,超声波的声强与声压的平方成正比.四.分贝的概念与应用1.概念由于在生产和科学实验中,所遇到的声强数量级往往相差悬殊,如引起听觉的声强范围为10- 16 ~ 10– 4 瓦/厘米2,最大值与最小值相差12个数量级.显然采用绝对量来度量是不方便的,但如果对其比值相对量取对数来比较计算则可大简化运算.分贝就是两个同量纲的量之比取对数后的单位.通常规定引起听觉的最弱声强为I1 = 10 –16 瓦/厘米2作为声强的标准,另一声强I2与标准声强I1之比的常用对数称为声强级,单位是贝尔BeL.实际应用时贝尔太大,故常取1/10贝尔即分贝dB来作单位.如取自然对数,则单位为奈培NP = lg I2/I1 Bel=10 lg I2/I1 = 20 lg P2/P1 dB在超声波探伤中,当超声波探伤仪的垂直线性较好时,仪器屏幕上的波高与声压成正比.这时有= 20 lg P2/P1 = 20 lgH2/H1 dB这时声压基准P1或波高基准H1可以任意选取.2.应用分贝用于表示两个相差很大的量之比显得很方便,在声学和电学中都得到广泛的应用,特别是在超声波探伤中应用更为广泛.例如屏上两波高的比较就常常用dB表示.例如,屏上一波高为80%,另一波高为20%,则前者比后者高= 20 lgH2/H1 = 20 lg80/20 = 12 dB用分贝值表示回波幅度的相互关系,不仅可以简化运算,而且在确定基准波高以后,可直接用仪器的增益值数字机或衰减值模拟机来表示缺陷波相对波高.第四节波的反射、透射及衰减超声波从一种介质传播到另一种介质时,在两种介质的分界面上,一部分能量反射回原介质内,称为反射波;另一部分能量透过界面在另一种介质内传播,称为透射波.在界面上声能声压、声强的分配和传播方向的变化都将遵循一定的规律.一.单一界面的反射和透射声能的变化与两种介质的声阻抗密切相关,设波从介质1声阻抗Z1入射到介质2声阻抗Z2,有以下几种情况:1.Z2 > Z1声压反射率小于透射率.如水/钢界面.2.Z1> Z2声压反射率大于透射率.如钢/水界面.声强反射率及透射率只与Z1、Z2的数值有关,与从哪种介质入射无关.3.Z1>> Z2声压声强几乎全反射,透射率趋于0.如钢/空气界面.4.Z1 Z2此时几乎全透射,无反射.因此在焊缝探伤中,若母材与填充金属结合面没有任何缺陷,是不会产生界面回波的.二.薄层界面的反射和透射此情况主要对探头保护膜设计具有指导意义.当超声波依次从三种介质Z1、 Z2 、Z3如晶片—保护膜—工件中穿过,则当薄层厚度等于半波长的整数倍时,通过薄层的声强透射与薄层的性质无关,即好象不存在薄层一样;当薄层厚度等于四分之一波长的奇数倍且薄层声阻抗为其两侧介质声阻抗几何平均值 Z2 = Z2 Z31/2 时,超声波全透射三.波型转换和反射、折射定律当超声波倾斜入射到界面时,除产生同种类型的反射和折射波外,还会产生不同类型的反射和折射波,这种现象称为波型转换.1.纵波斜入射2.横波入射四.超声波的衰减超声波在介质中传播时,随着距离增加,超声波能量逐渐减弱的现象叫做超声波衰减.引起超声波衰减的主要原因是波束扩散、晶粒散射和介质吸收1.扩散衰减超声波在传播过程中,由于波束的扩散,使超声波的能量随距离增加面逐渐减弱的现象叫做扩散衰减.超声波的扩散衰减仅取决于波阵面的形状,与介质的性质无关.2.散射衰减超声波在介质中传播时,遇到声阻抗不同的界面产生散乱反射引起衰减的现象,称为散射衰减.散射衰减与材质的晶粒密切相关,当材质晶粒粗大时,散射衰减严重,被散射的超声波沿着复杂的路径传播到探头,在屏上引起林状回波又叫草波,使信噪比下降,严重时噪声会湮没缺陷波.3.吸收衰减超声波在介质中传播时,由于介质中质点间内磨擦即粘滞性和热传导引起超声波的衰减,称为吸收衰减或粘滞衰减通常所说的介质衰减是指吸收衰减与散射衰减,不包括扩散衰减.第五节超声波发射声场和规则反射体的回波声压超声波探头波源发射的超声场,具有特殊的结构,只有当缺陷位于超声场内时,才有可能被发现一.圆盘波源辐射的纵波声场在不考虑介质衰减的条件下,当离波源较远处轴线上的声压与距离成反比,与波源面积成正比.1.近场区波源附件由于波的干涉而出现一系列声压极大极小值的区域,称为超声场的近场区.近场区声压分布不均,是由于波源各点至轴线上某点的距离不同,存在波程差,互相迭加时存在位相差而互相干涉,使某些地方声压互相加强,另一些地方互相减弱,于是就出现声压极大极小值的点.波源轴线上最后一个声压极大值至波源的距离称为近场区长度,用N表示.N = D s2 - 2/4 D s2/42.远场区波源轴线上至波源的距离x >N的区域称为远场区.远场区轴线上的声压随距离增加单调减少.当 x >3N时,声压与距离成反比,近似球面波的规律.因为距离x足够大时,波源各点至轴线上某一点的波程差很小,引起的相位差也很小,这样干涉现象可以略去不计,所以远场区不会出现声压极大极小值.3.近场区在两种介质中分布实际探伤时,有时近场区分布在两种不同的介质中,如水浸探伤,超声波先进入水,然后再进入钢中,当水层厚度较小时,近场区就会分布在水、钢两种介质中.设水层厚度为L,则钢中剩余近场区长度N为N = D s2/4 – Lc1/c2式中c1----介质1水中波速;c2----介质2钢中波速;----介质2钢中波长.在近场区内,实际声场与理想声场存在明显区别,实际声场轴线上声压虽也存在极大极小值,但波动幅度小,极值点的数量也明显减少.二.横波声场目前常用的横波探头,是使纵波斜入射到界面上,通过波形转换来实现横波探伤的,当入射角在第一、第二临界角之间时,纵波全反射,第二介质中只有折射横波.横波声场同纵波声场一样由于波的干涉存在近场区和远场区,当x≥3N时,波束轴线上的声压与波源面积成正比,与至假想波源的距离成反比,类似纵波声场.当横波探头晶片尺寸一定时,K值增大,近场区长度将减小.三.规则反射体的回波声压在实际探伤中一般采用反射法,即根据缺陷反射回波声压的高低来评价缺陷的大小.然而工件中的缺陷形状性质各不相同,目前的探伤技术还难以确定缺陷的真实大小和形状,回波声压相同的缺陷的实际大小可能相差很大,为此特引用当量法;当量法是指在同样的探测条件下,当自然缺陷回波与某人工规则反射体回波等高时,则该人工规则反射体的尺寸就是此自然缺陷的当量尺寸.自然缺陷的实际尺寸往往大于当量尺寸.超声波探伤中常用的规则反射体有平底孔、长横孔、短横孔、球孔和大平底面等.回波声压公式考虑介质衰减因素:四.AVG曲线AVG曲线是描述规则反射体的距离、回波高及当量大小之间关系的曲线;A、V、G是德文距离、增益和大小的字头缩写,英文缩写为DGS.AVG曲线可用于对缺陷定量和灵敏度调整.以横坐标表示实际声程,纵坐标表示规则反射体相对波高,用来描述距离、波幅、当量大小之间的关系曲线,称为实用AVG 曲线.实用AVG曲线可由以下公式得到:不同距离的大平底回波dB差Δ=20lgPB1/PB2=20lgX2/X1不同距离的不同大小平底孔回波dB差Δ=20lgPf1/Pf2=40lgDf1X2/Df2X1同距离的大平底与平底孔回波dB差Δ=20lgPB/Pf=20lg2λX/πDfDf用以上公式计算绘制实用AVG曲线时,要统一灵敏度基准.第六节仪器、探头和试块超声波探伤仪、探头和试块是超声波探伤的重要设备,了解这些设备的原理、构造和作用及其主要性能的测试方法是正确选用探伤设备进行有效探伤的保证.一.超声波探伤仪1.作用超声波探伤仪的作用是产生电振荡并加于换能器探头上,激励探头发射超声波,同时将探头送回的电信号进行放大,通过一定方式显示出来,从而得到被探工件内部有无缺陷及缺陷位置和大小等信息.2.分类按缺陷显示方式分类,超声波探伤仪分为三种.A型:A型显示是一种波形显示,探伤仪的屏幕的横坐标代表声波的传播距离,纵坐标代表反射波的幅度.由反射波的位置可以确定缺陷位置,由反射波的幅度可以估算缺陷大小.B型:B型显示是一种图象显示,屏幕的横坐标代表探头的扫查轨迹,纵坐标代表声波的传播距离,因而可直观地显示出被探工件任一纵截面上缺陷的分布及缺陷的深度.C型:C型显示也是一种图象显示,屏幕的横坐标和纵坐标都代表探头在工件表面的位置,探头接收信号幅度以光点辉度表示,因而当探头在工件表面移动时,屏上显示出被探工件内部缺陷的平面图象,但不能显示缺陷的深度.目前,探伤中广泛使用的超声波探伤仪都是A型显示脉冲反射式探伤仪.型脉冲反射式模拟超声波探伤仪的一般原理二.探头超声波的发射和接收是通过探头来实现的.下面介绍探头的工作原理、主要性能及其及结构.1.压电效应某些晶体材料在交变拉压应作用下,产生交变电场的效应称为正压电效应.反之当晶体材料在交变电场作用下,产生伸缩变形的效应称为逆压电效应.正、逆压电效应统称为压电效应.超声波探头中的压电晶片具有压电效应,当高频电脉冲激励压电晶片时,发生逆压电效应,将电能转换为声能机械能,探头发射超声波.当探头接收超声波时,发生正压电效应,将声能转换为电能.不难看出超声波探头在工作时实现了电能和声能的相互转换,因此常把探头叫做换能器.2.探头的种类和结构直探头用于发射和接收纵波,主要用于探测与探测面平行的缺陷,如板材、锻件探伤等.斜探头可分为纵波斜探头、横波斜探头和表面波斜探头,常用的是横波斜探头.横波斜探头主要用于探测与探测面垂直或成一定角度的缺陷,如焊缝、汽轮机叶轮等.当斜探头的入射角大于或等于第二临界角时,在工件中产生表面波,表面波探头用于探测表面或近表面缺陷.双晶探头有两块压电晶片,一块用于发射超声波,另一块用于接收超声波.根据入射角不同,分为双晶纵波探头和双晶横波探头.双晶探头具有以下优点:(1)灵敏度高(2)杂波少盲区小(3)工件中近场区长度小(4)探测范围可调双晶探头主要用于探伤近表面缺陷.聚焦探头种类较多.3.探头型号探头型号的组成项目及排列顺序如下:基本频率-晶片材料-晶片尺寸-探头种类-特征三.试块按一定用途设计制作的具有简单几何形状人工反射体的试样,通常称为试块.试块和仪器、探头一样,是超声波探伤中的重要工具.1.试块的作用(1)确定探伤灵敏度超声波探伤灵敏度太高或太低都不好,太高杂波多,判伤困难,太低会引起漏检.因此在超声波探伤前,常用试块上某一特定的人工反射体来调整探伤灵敏度.(2)测试探头的性能超声波探伤仪和探头的一些重要性能,如放大线性、水平线性、动态范围、灵敏度余量、分辨力、盲区、探头的入射点、K值等都是利用试块来测试的.(3)调整扫描速度利用试块可以调整仪器屏幕上水平刻度值与实际声程之间的比例关系,即扫描速度,以便对缺陷进行定位.(4)评判缺陷的大小利用某些试块绘出的距离-波幅-当量曲线即实用AVG来对缺陷定量是目前常用的定量方法之一.特别是3N以内的缺陷,采用试块比较法仍然是最有效的定量方法.此外还可利用试块来测量材料的声速、衰减性能等.。