电缆重量估算表
- 格式:xls
- 大小:19.00 KB
- 文档页数:3
报废物资评估说明(天津送变电工程公司)作为评估对象及评估范围的资产主要为天津送变电工程公司2015年第二批报废物资,共21项,主要包括报废的电力金具和高压电力电缆。
现场勘查日(2015年9月30日)以上报废物资全部存放在东丽区机场路仓库大院内。
经过现场实际勘察(现场勘查日2015年9月30日)和报废物资的实际情况,对以上报废物资评估主要是对该报废物资的可变现净值进行评估。
对具有可回收价值的部件主材的金属和非金属进行评估计算,如铜、铝、铝合金、铁、铅等金属材料的物资回收价值,减去清理费用,得出报废物资的可变现净值。
计算公式如下:可变现净值=物回价值-清理费用=各主材重量×物回单价-清理费用-差异系数①物回单价的确定对于委估的废旧资产,主材中金属尚可回收再利用的。
分析该废旧资产的结构组成、保存情况,然后进行市场调查、现场勘查、查询相关的报价手册或网上报价信息、根据物资回收部门或机构提供信息等,经比较分析后,按主材中金属在评估基准日的物资回收单价的平均价格确定其评估单价(物回单价)。
②重量的确定本次评估以委托方提供的申报数量和重量,或参照设备铭牌上标明的重量确定,或通过导线或绕组的截面面积和长度换算成重量,或通过称量单件主材重量,或根据主材外形尺寸计算其体积和重量,复合金属通过查阅相关资料和手册分析其单独材料成分所占重量的比例,计算出单重,然后按照单重乘以该废旧物资的数量求出其重量。
简单结构件重量计算公式如下:W(重量,公斤)=F(截面积,毫米2)×L(长度,米)×g(比重,克/厘米3)×1÷1000③评估值的确定(可变现净值):通过计算将各主材重量乘以物回单价,再减去清理费用和差异系数得出评估值。
评估值=可变现净值=物回价值-清理费用-差异系数评估案例案例三、电力电缆(见《报废物资评估明细表》第16项)简介:名称:交联聚乙烯绝缘皱纹铝护套电力电缆规格型号:YJLW03-Z 127/220kV 1*2500型号注释:YJLW03-Z 127/220kV 1*2500表示,交联聚乙烯绝缘,挤包皱纹铝套,聚乙烯护套;单芯;导线面积为2500平方。
电缆重量计算方法电缆重量计算方法1. 前言电缆是电力传输和电气连接的重要组成部分,了解电缆的重量对于电力工程设计和施工至关重要。
本文将介绍一些常用的电缆重量计算方法,帮助读者更好地了解和掌握该领域的知识。
2. 常用电缆重量计算方法以下列举了几种常用的电缆重量计算方法,每一种方法都有其适用的场景和计算精度要求。
标称截面积法标称截面积法是电缆重量计算的常用方法之一。
它通过根据电缆材料的密度和标称截面积来估计电缆的重量。
具体步骤如下: - 第一步,确定电缆的标称截面积; - 第二步,查找对应电缆材料的密度表;- 第三步,将标称截面积乘以密度,即可得到电缆的重量。
导线线径法导线线径法是通过电缆导线的线径来估算电缆的重量。
具体步骤如下: - 第一步,测量电缆导线的线径; - 第二步,查找对应导线材料的密度表; - 第三步,将线径平方乘以π再乘以密度,即可得到导线的体积; - 第四步,将导线的体积乘以导线的个数,即可得到电缆的重量。
导线重量法导线重量法是通过直接测量电缆导线的重量来计算整个电缆的重量。
具体步骤如下: - 第一步,取得电缆导线的一段样品; - 第二步,使用天平或称重设备准确测量样品的重量; - 第三步,将样品的重量乘以电缆导线的个数,即可得到电缆的重量。
辅助计算法辅助计算法是通过电缆的其他特征参数间接计算电缆重量的方法。
具体步骤如下: - 第一步,根据电缆的材料、结构和规格,计算电缆的体积; - 第二步,查找对应电缆材料的密度表; - 第三步,将电缆的体积乘以密度,即可得到电缆的重量。
3. 结语电缆重量的准确计算是电力工程设计和施工过程中的重要一环。
本文介绍了几种常用的电缆重量计算方法,包括标称截面积法、导线线径法、导线重量法和辅助计算法。
读者可以根据具体情况选择适用的方法进行计算,以确保电缆工程的质量和安全。
4. 标称截面积法详解标称截面积法是一种简便的电缆重量计算方法,适用于电缆结构简单、线径规格统一的情况。
电机电缆快速选择、电缆估算及实用电工速算口诀下面这些内容是由本人在工作中积累的经验及结合书本知识和权威专业资料、国家规范和网络中的有用资料等共同总结出来的,其中有很多是本人在学习和实践过程中验证过的,所以拿出来同大家分享,以供大家参考,希望能帮助到朋友们。
在此多谢百度文库贡献者“zazhpe”等,如有冒犯之处请多见谅。
一、380V三相电机电缆的快速选择橡胶(塑料)铜电缆长度小于80米推荐值(交联聚乙烯电线可以适当减小,仅供参考):经验选择一般55KW以下的电机可以按照1mm2=3KW来选取(接线方式为△上表列出了一些常见的380V普通电机的电缆线选择。
在此,有必要对上表中37KW以上的电机做一下说明:一般30KW以上的电机(更严格的说是22KW以上)都应该选择降压启动,大多为星三角启动,重点来了,星三角接法从电机上引出来的线属于三角形内部的线,在正常三角形运行中,相电流只是线电流的1/√3倍,这里所说的线电流即为电机的额定电流,所以说选择电缆时一般取后者,比如(37KW,取10mm2)。
这就是上表37KW以上电机的含义,这点很多人都忽略了,导致没必要的浪费。
如果不明白我的解释,可以自己画个图研究研究或者请教有经验的人。
电机的种类很多,有高压电机还有低压电机,高压电机还有6KV和10KV 之分。
低压电机有110V电机,即便是380V星形接法的电机还可以使用三角接法在三相220V电路中使用,这些都不适合上面的线规。
附:按功率计算电流口诀:低压380/220V系统每KW的电流,单位A。
千瓦、电流,如何计算?电力加倍,电热加半。
①单相千瓦,4.5安。
②单相380,电流两安半。
③说明:口诀是以380/220伏三相四线系统中的三相设备为准,计算每千瓦的安数。
对于某些单相或电压不同的单相设备,其每千瓦的安数,口诀另外作了说明。
①这两句口诀中,电力专指电动机。
在380伏三相时(力率0.8左右),电动机每千瓦的电流约为2安。
铜的重量习惯上不用换算的计算方法:截面积X8.89=kg/km如120 平方毫米计算:120X8.89=1066.8kg/km1、导体用量:(Kg/Km)=cT2 X 0.7854 G XN XK1 XK2 XQ /d=铜线径G=铜比重N=条数K1 =铜线绞入率K2=芯线绞入率C=绝缘芯线根数2、绝缘用量:(Kg/Km)=(DA2 - d A2) X0.7854 )G XC XK2。
=绝缘外径d=导体外径6=绝缘比重K2=芯线绞入率C=绝缘芯线根数3、外被用量:(Kg/Km)= ( DS2 -。
人2 )成7854 GD1 =完成外径D=±过程外径6=绝缘比重6、编织用量:(Kg/Km)= dA2 0C7854 X T X N X G / cos 00 = atan( 2 x 3.1416 x ( D + d 贸兹)/ 25.4 / Td=编织铜线径T=锭数N=每锭条数G=铜比重比重:铜-8.89;银-10.50;铝-2.70;锌-7.05; W-8.90;锡-7.30;钢-7.80;铅-11.40;铝箔麦拉-1.80;纸-1.35;麦拉-1.371.护套厚度:挤前外径XQ.035+1 (符合电力电缆,单芯电缆护套的标称厚度应不小于 1.4mm,3. 绝缘厚度最薄点:标称值X90%-0.14. 单芯护套最薄点:标称值X85%-0.15. 多芯护套最薄点:标称值X80%-0.26. 钢丝铠装:根数={ n欢护套外径+钢丝直径)}』钢丝直径X入)重量=兀钢丝直径2X p X根数X 入7. 绝缘及护套的重量=兀 ><前外径+厚度)辱度X LX p导线截面积与载流量的计算一、一般铜导线载流量导线的安全载流量是根据所允许的线芯最高温度、冷却条件、敷设条件来确定的。
一般铜导线的安全载流量为5~8A/mm2,铝导线的安全载流量为3~5A/mm2。
〈关键点〉一般铜导线的安全载流量为5~8A/mm2,铝导线的安全载流量为3~5A/mm2。
电缆成本计算表格篇一:电力电缆的成本价格计算公式电力电缆的成本价格计算公式电力电缆的成本价格计算公式:YJV铜芯电力电缆系列价格公式如下:铜的重量X铜价计算:丝经?2=1.25X1.25X3.14=平方数X丝的根数X0.89X当时铜价+10%的加工费。
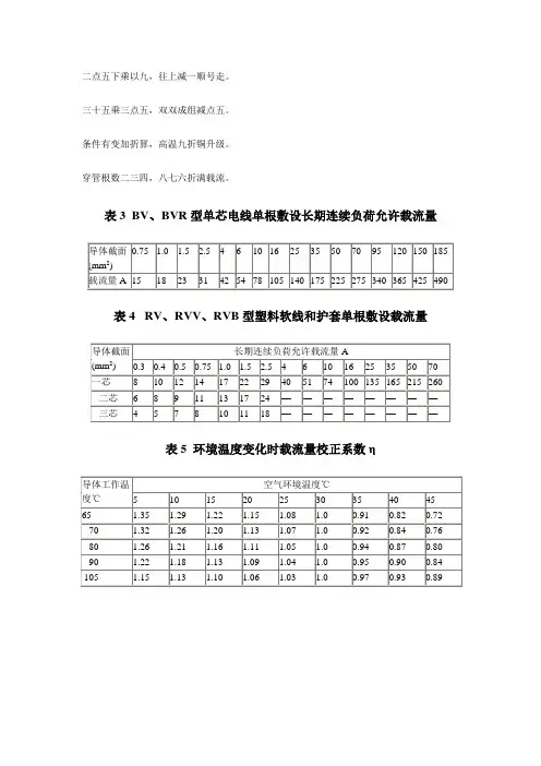
2.橡套电缆的成本价格计算平方X1.83=铜的重量X当时的铜价+橡胶的价格(重量X0.4元/斤)=成本价格+10%的加工费电缆的价格=制造材料成本+固定费用+税收+业务费+利润制造材料成本=材料成本*(1+材料消耗)(材料成本即为理论计算出来的值) 固定费用根据各个公司的情况有所不同,一般包括生产工资、管理工资、水电费、修理费、折旧费、房租费、运输费用电力电缆YJV-1KV 3*95+1*70表示:意思就是3根95平方毫米加上一根70平方毫米的电缆压在一条线里面国标电1线电缆的单丝 :BV电线1平方用丝1.141.5平方用丝1.382.5平方用丝1.784平方用丝2.256平方用丝2.7610平方用丝1.34 16平方用丝1.705 25平方用丝2.13 35平方用丝2.52 50平方用丝1.83 70平方用丝2.166 95平方用丝2.52 V V电缆1平方用丝1.141.5平方用丝1.382.5平方用丝1.78 4平方用丝2.25 6平方用丝2.76 10平方用丝1.34 16平方用丝1.706 225平方用丝2.13 35平方用丝2.52 50平方用丝2.52 70平方用丝2.52 95平方用丝2.52 70平方用丝2.52 95平方用丝2.52 120平方用丝2.52150平方用丝2.52185平方用丝2.52240平方用丝2.52300平方用丝2.52BVR电线0.5平方用丝0.30.75平方用丝0.371 平方用丝0.421.5平方用丝0.5222.5 平方用丝0.414平方用丝0.516平方用丝0.63电缆载流量表电缆载流量口决:3估算口诀:二点五下乘以九,往上减一顺号走。
二点五下乘以九,往上减一顺号走。
三十五乘三点五,双双成组减点五。
条件有变加折算,高温九折铜升级。
穿管根数二三四,八七六折满载流。
表3 BV、BVR型单芯电线单根敷设长期连续负荷允许载流量
表4 RV、RVV、RVB型塑料软线和护套单根敷设载流量
表5 环境温度变化时载流量校正系数η
表6 并列敷设时的载流量校正系数
表7 导线的额定电流与规格
表10 常用电线绝缘品种
电缆的型号由八部分组成:
一、用途代码-不标为电力电缆,K为控制缆,P为信号缆;
二、绝缘代码-Z油浸纸,X橡胶,V聚氯乙稀,YJ交联聚乙烯
三、导体材料代码-不标为铜,L为铝;
四、内护层代码-Q铅包,L铝包,H橡套,V聚氯乙稀护套
五、派生代码-D不滴流,P干绝缘;
六、外护层代码
七、特殊产品代码-TH湿热带,TA干热带;
八、额定电压-单位KV
当电机电压是380伏时,可以用以下的公式计算:
电机功率=根号3*0.38*电流*0.8
将1千瓦代入上式,可以得到电流等于1。
9安。
桥架公式大全表格
1.负载计算:
负载计算是确定桥架是否能够承受所需负载的重要因素。
常见的负载类型包括电缆重量、水平荷载和垂直荷载。
桥架的负载计算公式如下:总负载=电缆重量+水平荷载+垂直荷载
2.桥架跨度计算:
桥架的跨度是指桥架支撑点之间的水平距离。
跨度计算是确定桥架支撑间距的关键。
桥架跨度计算公式如下:
最大跨度=1.5x桥架材料长度
3.桥架支撑点间距计算:
桥架的支撑点间距是指桥架支撑点之间的垂直距离。
支撑点间距计算要考虑负载分布和桥架材料的强度等因素。
常见的支撑点间距计算公式如下:
支撑点间距=最大跨度/支撑点数量
4.桥架截面积计算:
桥架的截面积是指桥架横截面的面积大小,决定了桥架的强度和负载承受能力。
桥架截面积计算公式如下:
截面积=宽度x高度
5.桥架材料选择:
桥架的选择要考虑到负载、环境条件、可靠性等因素。
常见的桥架材料包括钢、铝和塑料等。
钢板厚度=负载/(宽度x高度x钢的弯曲应力)
6.桥架温升计算:
桥架在运行过程中会受到电流的热效应,导致温度升高。
桥架温升计算可以使用如下公式进行估算:
温升=(电流^2x桥架电阻)/(1.73x桥架截面积x材料导热系数)
以上是一些常见的桥架公式,用于桥架设计和安装过程中的计算和估算。
在实际应用中,还需要根据具体的情况做适当的调整和优化。
常用电缆桥架的单位长度与重量换算表及公式换算表, 电缆桥架, 公式, 重量, 单位按展开周长计算,重量=2*(边长+高)*板厚*7.9.板厚300以下按2.0mm计算(近似值),300-500按2.5计算,600以上按3.0计算.上述公式适用于带盖板的槽式桥架,不适用于梯级式桥架及不带盖板的托盘式桥架.常用电缆桥架的单位长度与重量换算表注:a.根据设计图纸和电缆桥架的单位荷重(kg/m)选用立柱的规格和数量(立柱间的距离从O.5m至2.Om)。
b.(2)“电缆桥架的单位长度与重量换算表”仅供在设计资料不全时作为编制电缆桥架安装费的工程量参考数据,不作为主材成品订货和结算的依据。
电缆桥架的成品数量应按设计量或实际数量结算。
重量误差小于5%的可以不调整。
c.电缆桥架重量包括弯通、三通和联接部件等综合平均每m长的桥架重量。
d.利用型钢作支撑架,而不用托臂的电缆桥架,其支撑架的重量按设计图纸计算,但整套桥架仍按总重量执行电缆桥架综合定额。
续表注:电缆桥架安装,经过对电气和仪表工程电缆桥架安装工作内容的对比分析、测算及取长补短后,本定额新编制的电缆桥架安装定额,除能够满足电气册外,还同时满足仪表册的需要,为电气和仪表两册定额共用于目。
常用热力单位换算表一、热量单位换算1、常用热量单位介绍A、焦耳(J)、千焦(KJ)、吉焦(GJ),工程计算广为采用,国际单位制。
热力计算、热计量、热量化验等实际操作中常见,国家标准及图表、线图查询等规范性技术文件中主要表达的单位。
但是,其他导出单位及工程习惯相互交织,使得这种单位在今天热力计算中不是很方便。
B、瓦特(W)、千瓦(KW)、兆瓦(MW),工程导出单位,是供热工程常用单位,如热水锅炉热容量:7MW、14MW、29MW、56MW...等,习惯上常说到的10t、20t、40t、80t...等锅炉,相当于同类容量蒸汽锅炉的设计出力.工程上热水锅炉和换热站热计量仪表、暖通供热设计计算、估算、供热指标等,广泛采用。
计算铜=3.14绝缘=3.14填充料=填圆形芯成绕包层护套的工说铜的D:上道工铝的比n:层钢带t:本道工无妨布的导体绞入系数:1.019成缆系PP绳比无妨布绕PVC的比钢带绕包XLPE 的比铜的损耗无卤料的绝缘的工云母带的填充料的挤塑机开机换色换模停机绕包材料1506kg6kg7kg电缆定额计算公式及说明内护套=3.14×(D+t)×t×比重×损耗系数纲带=3.14×(D+nt)×nt×绕包间隙系数×比重×损耗系数外护=3.14×(D+t)×t×比重×损耗系数填充料的单根重量:5kg/km(直径6mm)圆形导体以外的成型导体绝缘芯成缆填充以根数计钢带904kg4kg6kg 的损70 2.5kg 1.5kg1kg1kg按功率计算工作电流:电力加倍,电热加半(如5.5KW电动机的额定工作电流按“电力加倍”算得为11A)各种导线的安全载流量通常可以用口诀再配合一些简单的心算便可直接得出。
口诀如下:10下五,100上二;25、35四、三界;70、95两倍半;穿管、温度八、九折;裸线加一半;铜线升级算。
铜制电缆载流量的计算10平方以下按6A来算,16到50平方一般按3-4A来算,75平方以上一般按1.5-2.5A来算,导线截面(mm 2 ) 1、1.5、 2.5、 4 、 6 、10 、 16、 25 、 35 、 50 、70 、 95 、120载流是截面倍数 9、 8、 7、 6、 5、 4、 3.5、 3、2. 5载流量(A) 9、 14 、 23、 32 、48、 60 、 90 、100、 123、 150 、210 、238、300估算口诀:二点五下乘以九,往上减一顺号走。
三十五乘三点五,双双成组减点五。
条件有变加折算,高温九折铜升级。
穿管根数二三四,八七六折满载流。
首先应符合发热条件,即导线允许安全电流与允许电流密度两者值的大小(允许安全电流指在不超过它们最高工作温度条件下允许长期通过的最大电流即负载电流,符号I;允许电流密度指导线芯的单位面积S允许长期通过的最大电流,符号I m。
)计算方法: S=I/I m I=S × I m基本值: I m=5~8A/mm²(铜导线)即1mm²单位面积铜导线允许长期通过最大电流5~8AI m=3~5A/mm²(铝导线)即1mm²单位面积铝导线允许长期通过最大电流3~5A大家都知道功率公式:P=UI根据公式结合上面的计算方法就可算出导线所带负荷功率了。
那么知道负载功率能不能很快很方便算出用多大导线呢?这里介绍一个简单方法供参考:经验公式:铜导线面积等于负载功率千瓦数乘以0.65,得数小于或等于导线实际截面的就选其值,大于的选粗一级的导线,铝线在算出铜线结果的基础上粗一级。
这句话表面看很难懂,举个例大家就会明白:1、15Kw电机求导线截面?千瓦数15×0.65=9.75。
这时就要选择10mm²铜线,铝线则选16mm²。
2、3500W空调求导线面积?千瓦数 3.5×0.65=2.275。
这时应选择2.5mm²铜线足矣,铝线则选4mm²。
导线规格一般是:1.5m㎡、2.5m㎡、4m㎡、6m㎡、10m㎡、16mm²、25mm²、35mm²、50mm²、70mm²、95mm²、120mm²、150mm²、185mm²等等。
下面是转载相关知识供参考:功率计算一般负载(也可以成为用电器,如点灯、冰箱等等)分为两种,一种式电阻性负载,一种是电感性负载。
对于电阻性负载的计算公式:P=UI 对于日光灯负载的计算公式:P=UIcosф,其中日光灯负载的功率因数cosф=0.5。
正常工作线路上的电压降,对于正常条件下设备装置的限制(安装设备装置的固定限制条件)。
下表给出计算电压降方法和公式更简单的是,下表格给出了每100m线缆的电压降,对于三相400V/50HZ,和运行电流(设备装置的额定电流)按%的压降。
该电压(%)降与电缆截面和流过的电流大小有关。
这些值对应于电机的co s¢为0.85,对应于非感性负载的co s¢为1.当L≠100m时,可以参照此表,但当考虑修正系数L/100.在正常工作状态下计算线路上的电压降计算电压降表电路压降(V)单相:相间△U=2I B L(R co s¢+Xsin¢)单相:相线和中性线间△U=2I B L(R co s¢+Xsin¢)三相:三相平衡△U=3I B L(R co s¢+Xsin¢)Un:线电压Vn:相电压三相400V/50HZ,长度为100m线缆的压降△U=%Ue cos¢=0.85线缆铜铝S(mm2) 1.5 2.5 4 6 10 16 25 35 50 70 95 120 150 185 240 300 10 16 25 35 50 70 95In(A)1 0.5 0.42 1.1 0.6 0.43 1.5 1.0 0.6 0.4 0.45 2.6 1.6 1.0 0.6 0.4 0.6 0.410 5.2 3.2 2.0 1.4 0.8 0.5 1.3 0.8 0.516 8.4 5.0 3.2 2.2 1.3 0.8 0.5 2.1 1.3 0.8 0.620 6.3 4.0 2.6 1.6 1.0 0.6 2.5 1.6 1.1 0.7 0.525 7.9 5.0 3.3 2.0 1.3 0.8 0.6 3.2 2.0 1.3 0.9 0.6 0.532 6.3 4.2 2.6 1.6 1.1 0.8 0.5 4.1 2.6 1.6 1.2 0.9 0.6 0.540 7.9 5.3 3.2 2.1 1.4 1.0 0.7 0.5 5.1 3.2 2.1 1.5 1.1 0.8 0.650 6.7 4.1 2.5 1.6 1.2 0.9 0.6 0.5 6.4 4.1 2.6 1.9 1.4 1.0 0.763 8.4 5.0 3.2 2.1 1.5 1.0 0.8 0.6 8.0 5.0 3.2 2.3 1.7 1.3 0.970 5.6 3.5 2.3 1.7 1.3 0.9 0.7 0.5 5.6 3.6 2.6 1.9 1.4 1.180 6.4 4.1 2.6 1.9 1.4 1.0 0.8 0.6 0.5 6.4 4.1 3.0 2.2 1.5 1.2100 8.0 5.0 3.3 2.4 1.7 1.3 1.0 0.8 0.7 0.65 5.2 3.8 2.7 2.0 1.5125 4.4 4.1 3.1 2.2 1.6 1.3 1.0 0.9 0.21 0.76 6.5 4.7 3.3 2.4 1.9160 5.3 3.9 2.8 2.1 1.6 1.4 1.1 1.0 0.97 0.77 6.0 4.3 3.2 2.4200 6.4 4.9 3.5 2.6 2.0 1.6 1.4 1.3 0.22 0.96 5.6 4.0 3.0250 6.0 4.3 3.2 2.5 2.1 1.7 1.6 1.53 1.2 6.8 5.0 3.8320 5.6 4.1 3.2 2.6 2.3 2.1 1.95 1.54 6.3 4.8400 6.9 5.1 4.0 3.3 2.8 2.6 2.44 1.92 5.9 4.0500 6.5 5.0 4.1 3.5 3.2 3.0 2.4 6.0cos¢=0.85线缆铜铝S(mm2) 1.5 2.5 4 6 10 16 25 35 50 70 95 120 150 185 240 300 10 16 25 35 50 70 95In(A)1 0.6 0.42 1.3 0.7 0.53 1.9 1.1 0.7 0.5 0.55 3.1 1.9 1.2 0.8 0.5 0.7 0.510 6.1 3.7 2.3 1.5 0.9 0.5 1.4 0.9 0.616 10.7 5.9 3.7 2.4 1.4 0.9 0.6 2.3 1.4 1.0 0.720 7.4 4.6 3.1 1.9 1.2 0.7 3.0 1.9 1.2 0.8 0.625 9.3 5.8 3.9 2.3 1.4 0.9 0.6 3.7 2.3 1.4 1.1 0.7 0.532 7.4 5.0 3.0 1.9 1.2 0.8 0.6 4.8 3.0 1.9 1.4 1.0 0.7 0.5 40 9.3 6.1 3.7 2.3 1.4 1.1 0.7 0.5 5.9 3.7 2.3 1.7 1.2 0.8 0.6 50 7.7 4.6 2.9 1.9 1.4 0.9 0.6 0.5 7.4 4.6 3.0 2.1 1.4 1.1 0.8 63 9.7 5.9 3.6 2.3 1.6 1.2 0.8 0.6 9.0 5.9 3.7 2.7 1.9 1.4 1.0 70 6.5 4.1 2.6 1.9 1.3 0.9 0.7 0.5 6.5 4.1 3.0 2.1 1.4 1.1 80 7.4 4.6 3.0 2.1 1.4 1.1 0.8 0.6 0.5 7.4 4.8 3.4 2.3 1.7 1.3 100 9.3 5.8 3.7 2.6 1.9 1.4 1.0 0.8 0.7 0.6 5.9 4.2 3.0 2.1 1.5 125 7.2 4.6 3.3 2.3 1.6 1.2 1.0 0.9 0.7 0.6 7.4 5.3 3.7 2.6 2.0 160 5.9 4.2 3.0 2.1 1.5 1.3 1.2 1.0 0.8 0.6 6.8 4.8 3.4 2.5 200 7.4 5.3 3.7 2.6 2.0 1.5 1.4 1.3 1.0 0.8 5.9 4.2 3.2 250 6.7 4.6 3.3 2.4 1.9 1.7 1.4 1.2 0.9 7.4 5.3 3.9 320 5.9 4.2 3.2 2.4 2.3 1.9 1.5 1.2 6.8 5.0 400 7.4 5.3 3.9 3.1 2.8 2.3 1.9 1.4 6.2 500 6.7 4.9 3.9 3.5 3.0 2.5 1.9 7.7 对于三相230V电网,此值乘以3=1.73。
一、估算铜、铁、铝线的重量(kg/km)重量=截面积×比重 S=截面积(mm2)1. 铜线 W=9S W=重量(kg)2. 铝线 W=3S d=线径(mm)3. 铁丝 W=8S0实际铜的比重8.9g/cm3、铝的比重2.7g/cm3、铁的比重7.8g/cm3二、按线径估算重量(kg/km)1. 铜线W=6.98d2≈7d22. 铝线W=2.12d2≈2d23. 铁丝W=6.12d2≈6d2三、估算线径和截面积S=0.785d2怎样选取导体截面首先计算负荷距(架空线)负荷距=功率×长度=PL P=功率(kw) L=长度(km)例:xx车间与配电房变压器相距200m,动力负荷200kw,问需要铜芯线多大平方?如改成铝芯线,需要多大平方?先计算负荷距=200×0.2=40kw/km因为根据“铜线:每千瓦公里用2.5mm2,铝线:每千瓦公里用4mm2”铜线40×2.5=100mm2 实际选用120mm2。
铝线40×4=160mm2 实际选用185mm2。
铝线计算截面公式实际选用185mm2Δu是电压损失百分数(允许电压损失是额定电压的4%)一般是5%。
二、PE线和中性线区别1、功能不同,PE线是专用保护接地或接零线;2、PE平时没有电流,而中性线在三相负载不平衡时是有电流的;3、设PE线对地没有电压,而中性线平时对地有电压;4、导线截面不一定相同,如照明支路PE线必须用铜线,截面不得小于1.5mm2;5、PE线不得进入漏电保安器,而中性线可以;6、图形符号不同,中性线上是画一小道,上面有一个圆点;而PE线上是画一小道上有一横;7、配电箱内安装端子板时,中性线端子必须和地绝缘,而PE线则不需要和地绝缘,要和铁箱焊接;8、PE线末端必须重复接地,中性线不需要;9、中性线用淡蓝色表示,PE线用黄绿双色绝缘线表示;10、在架空线上排列位置不同,当面向负荷时,PE线在右端,中性线在左边第二根。
报废物资评估说明(天津送变电工程公司)作为评估对象及评估范围的资产主要为天津送变电工程公司2015年第二批报废物资,共21项,主要包括报废的电力金具和高压电力电缆。
现场勘查日(2015年9月30日)以上报废物资全部存放在东丽区机场路仓库大院内。
经过现场实际勘察(现场勘查日2015年9月30日)和报废物资的实际情况,对以上报废物资评估主要是对该报废物资的可变现净值进行评估。
对具有可回收价值的部件主材的金属和非金属进行评估计算,如铜、铝、铝合金、铁、铅等金属材料的物资回收价值,减去清理费用,得出报废物资的可变现净值。
计算公式如下:可变现净值=物回价值-清理费用=各主材重量×物回单价-清理费用-差异系数①物回单价的确定对于委估的废旧资产,主材中金属尚可回收再利用的。
分析该废旧资产的结构组成、保存情况,然后进行市场调查、现场勘查、查询相关的报价手册或网上报价信息、根据物资回收部门或机构提供信息等,经比较分析后,按主材中金属在评估基准日的物资回收单价的平均价格确定其评估单价(物回单价)。
②重量的确定本次评估以委托方提供的申报数量和重量,或参照设备铭牌上标明的重量确定,或通过导线或绕组的截面面积和长度换算成重量,或通过称量单件主材重量,或根据主材外形尺寸计算其体积和重量,复合金属通过查阅相关资料和手册分析其单独材料成分所占重量的比例,计算出单重,然后按照单重乘以该废旧物资的数量求出其重量。
简单结构件重量计算公式如下:W(重量,公斤)=F(截面积,毫米2)×L(长度,米)×g(比重,克/厘米3)×1÷1000③评估值的确定(可变现净值):通过计算将各主材重量乘以物回单价,再减去清理费用和差异系数得出评估值。
评估值=可变现净值=物回价值-清理费用-差异系数评估案例案例三、电力电缆(见《报废物资评估明细表》第16项)简介:名称:交联聚乙烯绝缘皱纹铝护套电力电缆规格型号:YJLW03-Z 127/220kV 1*2500型号注释:YJLW03-Z 127/220kV 1*2500表示,交联聚乙烯绝缘,挤包皱纹铝套,聚乙烯护套;单芯;导线面积为2500平方。
文件名称:线缆检验规范受控状态:生效日期:1目的为了更好的指导IQC对来料检验,规范线缆来料检验步骤,提高检验精确度特制定此规范。
2适应范围公司所有线缆的来料检验。
3检验工具游标卡尺、卷尺。
4检验步骤及方法4.1包装检验目测线缆的包装是否符合存储、运输要求(其中8mm及8mm以上机车线缆需用卷轴进行包装后存储)、粘贴合格证等;线缆型号规格是否与入库单型号规格一致;有产品批次号或生产日期(生产日期必须在两年以内)。
4.2外观检验来料产品包装内或外部粘贴相应标签,含电缆厂家、规格型号、批次号、生产日期等信息,核对包装上的标识和K3单据信息是否一致,生产日期是在有效期以内(2年有限期内)线缆长度是否符合入库单所示尺寸;线缆是否有明显污迹或外层破损、鼓包、外径不圆;线缆丝印清晰,有安全认证(3C认证、ROSE、EN15545等认证)标志;铜线是否有发黑、氧化等现象;线头用胶带包好防止线芯分叉并固定。
绝缘层检验:要求绝缘层居中,分布均匀,与导线同心度好。
简单的鉴别方法是用手抠,一扣掉一块的绝缘为劣质聚氯乙烯;剪下一段导线,用力打个折,然后放开,观察打折处,发白或者开裂为劣质绝缘层,线缆不合格。
4.3尺寸检验4.3.1测量线缆的外径、绝缘层厚度、多股单芯线线径。
4.3.2测量线缆长度a.对于外包装有线缆长度丝印的线缆,两端长度相减即为来料线缆长度。
b.对于来料外包装无产品长度丝印的线缆及部分卷轴包装的线缆,由于每次来料的线轴大小不一,线缆长度多为上千米,称重法不适用,采取电阻法估算其长度。
根据电阻计算公式R=PL/S推算L=RS/P20°C时的铜的电阻率为0.0178(卩Q・m,即20°C时,长度1米,截面积1mm2的铜电缆的电阻值:0.0178Q)查表可得不同温虞下铜的电阻率:O T QO165gi姆平方毫米/米nt庄附拇平方毫米/栄曲匸oionEEi姆平方至米/米sor皿佃伽平方詩/米用万用表测出整卷线缆的电阻值,判断线长是否合格,各种线缆的线长电阻估算参照附件1.4.3.3估算线长误差在土5%以内均判定合格,实际来料线长比要求误差多余5%可接收,短则判定不合格,即来料线长可长不可短。
正常工作线路上的电压降,对于正常条件下设备装置的限制(安装设备装置的固定限制条件)。
下表给出计算电压降方法和公式更简单的是,下表格给出了每100m线缆的电压降,对于三相400V/50HZ,和运行电流(设备装置的额定电流)按%的压降。
该电压(%)降与电缆截面和流过的电流大小有关。
这些值对应于电机的co s¢为0.85,对应于非感性负载的co s¢为1.当L≠100m时,可以参照此表,但当考虑修正系数L/100.在正常工作状态下计算线路上的电压降计算电压降表电路压降(V)单相:相间△U=2I B L(R co s¢+Xsin¢)单相:相线和中性线间△U=2I B L(R co s¢+Xsin¢)三相:三相平衡△U=3I B L(R co s¢+Xsin¢)Un:线电压Vn:相电压三相400V/50HZ,长度为100m线缆的压降△U=%Ue cos¢=0.85线缆铜铝S(mm2) 1.5 2.5 4 6 10 16 25 35 50 70 95 120 150 185 240 300 10 16 25 35 50 70 95In(A)1 0.5 0.42 1.1 0.6 0.43 1.5 1.0 0.6 0.4 0.45 2.6 1.6 1.0 0.6 0.4 0.6 0.410 5.2 3.2 2.0 1.4 0.8 0.5 1.3 0.8 0.516 8.4 5.0 3.2 2.2 1.3 0.8 0.5 2.1 1.3 0.8 0.620 6.3 4.0 2.6 1.6 1.0 0.6 2.5 1.6 1.1 0.7 0.525 7.9 5.0 3.3 2.0 1.3 0.8 0.6 3.2 2.0 1.3 0.9 0.6 0.532 6.3 4.2 2.6 1.6 1.1 0.8 0.5 4.1 2.6 1.6 1.2 0.9 0.6 0.540 7.9 5.3 3.2 2.1 1.4 1.0 0.7 0.5 5.1 3.2 2.1 1.5 1.1 0.8 0.650 6.7 4.1 2.5 1.6 1.2 0.9 0.6 0.5 6.4 4.1 2.6 1.9 1.4 1.0 0.763 8.4 5.0 3.2 2.1 1.5 1.0 0.8 0.6 8.0 5.0 3.2 2.3 1.7 1.3 0.970 5.6 3.5 2.3 1.7 1.3 0.9 0.7 0.5 5.6 3.6 2.6 1.9 1.4 1.180 6.4 4.1 2.6 1.9 1.4 1.0 0.8 0.6 0.5 6.4 4.1 3.0 2.2 1.5 1.2100 8.0 5.0 3.3 2.4 1.7 1.3 1.0 0.8 0.7 0.65 5.2 3.8 2.7 2.0 1.5125 4.4 4.1 3.1 2.2 1.6 1.3 1.0 0.9 0.21 0.76 6.5 4.7 3.3 2.4 1.9160 5.3 3.9 2.8 2.1 1.6 1.4 1.1 1.0 0.97 0.77 6.0 4.3 3.2 2.4200 6.4 4.9 3.5 2.6 2.0 1.6 1.4 1.3 0.22 0.96 5.6 4.0 3.0250 6.0 4.3 3.2 2.5 2.1 1.7 1.6 1.53 1.2 6.8 5.0 3.8320 5.6 4.1 3.2 2.6 2.3 2.1 1.95 1.54 6.3 4.8400 6.9 5.1 4.0 3.3 2.8 2.6 2.44 1.92 5.9 4.0500 6.5 5.0 4.1 3.5 3.2 3.0 2.4 6.0cos¢=0.85线缆铜铝S(mm2) 1.5 2.5 4 6 10 16 25 35 50 70 95 120 150 185 240 300 10 16 25 35 50 70 95In(A)1 0.6 0.42 1.3 0.7 0.53 1.9 1.1 0.7 0.5 0.55 3.1 1.9 1.2 0.8 0.5 0.7 0.510 6.1 3.7 2.3 1.5 0.9 0.5 1.4 0.9 0.616 10.7 5.9 3.7 2.4 1.4 0.9 0.6 2.3 1.4 1.0 0.720 7.4 4.6 3.1 1.9 1.2 0.7 3.0 1.9 1.2 0.8 0.625 9.3 5.8 3.9 2.3 1.4 0.9 0.6 3.7 2.3 1.4 1.1 0.7 0.532 7.4 5.0 3.0 1.9 1.2 0.8 0.6 4.8 3.0 1.9 1.4 1.0 0.7 0.5 40 9.3 6.1 3.7 2.3 1.4 1.1 0.7 0.5 5.9 3.7 2.3 1.7 1.2 0.8 0.6 50 7.7 4.6 2.9 1.9 1.4 0.9 0.6 0.5 7.4 4.6 3.0 2.1 1.4 1.1 0.8 63 9.7 5.9 3.6 2.3 1.6 1.2 0.8 0.6 9.0 5.9 3.7 2.7 1.9 1.4 1.0 70 6.5 4.1 2.6 1.9 1.3 0.9 0.7 0.5 6.5 4.1 3.0 2.1 1.4 1.1 80 7.4 4.6 3.0 2.1 1.4 1.1 0.8 0.6 0.5 7.4 4.8 3.4 2.3 1.7 1.3 100 9.3 5.8 3.7 2.6 1.9 1.4 1.0 0.8 0.7 0.6 5.9 4.2 3.0 2.1 1.5 125 7.2 4.6 3.3 2.3 1.6 1.2 1.0 0.9 0.7 0.6 7.4 5.3 3.7 2.6 2.0 160 5.9 4.2 3.0 2.1 1.5 1.3 1.2 1.0 0.8 0.6 6.8 4.8 3.4 2.5 200 7.4 5.3 3.7 2.6 2.0 1.5 1.4 1.3 1.0 0.8 5.9 4.2 3.2 250 6.7 4.6 3.3 2.4 1.9 1.7 1.4 1.2 0.9 7.4 5.3 3.9 320 5.9 4.2 3.2 2.4 2.3 1.9 1.5 1.2 6.8 5.0 400 7.4 5.3 3.9 3.1 2.8 2.3 1.9 1.4 6.2 500 6.7 4.9 3.9 3.5 3.0 2.5 1.9 7.7 对于三相230V电网,此值乘以3=1.73。