电线电缆各规格铜及重量
- 格式:doc
- 大小:59.00 KB
- 文档页数:2
常用电线电缆价格计算公式铜的重量习惯的1.YJV铜芯电力电缆系列价格公式如下:铜的重量X铜价计算:丝经÷2=1.25X1.25X3.14=平方数X丝的根数X0.89X当时铜价+10%的加工费。
2.橡套电缆的成本价格计算平方X1.83=铜的重量X当时的铜价+橡胶的价格(重量X0.4元/斤)=成本价格+10%的加工费电缆的价格=制造材料成本+固定费用+税收+业务费+利润制造材料成本=材料成本*(1+材料消耗)(材料成本即为理论计算出来的值)不用换算的计算方法:截面积*8.89=kg/km如120平方毫米计算:120*8.89=1066.8kg/km1。
导体用量:(Kg/Km)=d^2 * 0.7854 * G * N * K1 * K2 * C /d=铜线径 G=铜比重 N=条数 K1=铜线绞入率 K2=芯线绞入率 C=绝缘芯线根数2。
绝缘用量:(Kg/Km)=(D^2 - d^2)* 0.7854 * G * C * K2D=绝缘外径 d=导体外径 G=绝缘比重 K2=芯线绞入率 C=绝缘芯线根数3。
外被用量:(Kg/Km)= ( D1^2 - D^2 ) * 0.7854 * GD1=完成外径 D=上过程外径 G=绝缘比重4。
包带用量:(Kg/Km)= D^2 * 0.7854 * t * G * ZD=上过程外径 t=包带厚度 G=包带比重 Z=重叠率(1/4Lap = 1.25)5。
缠绕用量:(Kg/Km)= d^2 * 0.7854 * G * N * Zd= 铜线径 N=条数 G=比重 Z=绞入率6。
编织用量:(Kg/Km)= d^2 * 0.7854 * T * N * G / cosθθ = atan( 2 * 3.1416 * ( D + d * 2 )) * 目数 / 25.4 / Td=编织铜线径 T=锭数 N=每锭条数 G=铜比重比重:铜-8.89;银-10.50;铝-2.70;锌-7.05;镍-8.90;锡 -7.30;钢-7.80;铅-11.40;铝箔麦拉-1.80;纸-1.35;麦拉-1.37PVC-1.45;LDPE- 0.92;HDPE-0.96;PEF(发泡)-0.65;FRPE-1.7;Teflon(FEP)2.2;Nylon-0.97;PP- 0.97;PU-1.21棉布带-0.55;PP绳-0.55;棉纱线-0.48。
电线电缆的计算公式、平方、重量(总2页)--本页仅作为文档封面,使用时请直接删除即可----内页可以根据需求调整合适字体及大小--铜的重量习惯上不用换算的计算方法:截面积×=kg/km?如120平方毫米计算:120×=km?1 、导体用量:(Kg/Km)=d^2 × × G × N × K1 × K2 × C /?d=铜线径 G=铜比重 N=条数 K1=铜线绞入率 K2=芯线绞入率 C=绝缘芯线根数?2、绝缘用量:(Kg/Km)=(D^2 - d^2)× × G × C × K2?D=绝缘外径 d=导体外径 G=绝缘比重 K2=芯线绞入率 C=绝缘芯线根数?3、外被用量:(Kg/Km)= ( D1^2 - D^2 ) × × G?D1=完成外径 D=上过程外径 G=绝缘比重4、包带用量:(Kg/Km)= D^2 × × t × G × Z?D=上过程外径 t=包带厚度 G=包带比重 Z=重叠率(1/4Lap = ?5、缠绕用量:(Kg/Km)= d^2 × × G × N × Zd=铜线径 N=条数 G=比重 Z=绞入率6、编织用量:(Kg/Km)= d^2 × × T × N × G / cosθ?θ =atan( 2 × × ( D + d × 2 )) × 目数 / / T?d=编织铜线径 T=锭数 N=每锭条数 G=铜比重?比重:铜;银;铝;锌;镍;锡;钢;铅;铝箔麦拉;纸;麦拉?1.护套厚度:挤前外径×+1(符合电力电缆,单芯电缆护套的标称厚度应不小于,多芯电缆的标称厚度应不小于)?2.在线测量护套厚度:护套厚度=(挤护套后的周长—挤护套前的周长)/2π或护套厚度=(挤护套后的周长—挤护套前的周长)×?3.绝缘厚度最薄点:标称值×90%?4.单芯护套最薄点:标称值×85%?5.多芯护套最薄点:标称值×80%?6.钢丝铠装:根数= {π×(内护套外径+钢丝直径)}÷(钢丝直径×λ)?重量=π×钢丝直径2×ρ×L×根数×λ?7.绝缘及护套的重量=π×(挤前外径+厚度)×厚度×L×ρ?8.钢带的重量={π×(绕包前的外径+2×厚度-1) ×2×厚度×ρ×L}/(1+K)?9.包带的重量={π×(绕包前的外径+层数×厚度)×层数×厚度×ρ×L}/(1±K)?其中:K为重叠率或间隙率,如为重叠,则是1-K;如为间隙,则是1+K?ρ为材料比重;L为电缆长度;λ绞入系数。
铜的重量习惯上不用换算的计算方法:截面积X8.89=kg/km如120 平方毫米计算:120X8.89=1066.8kg/km1、导体用量:(Kg/Km)=cT2 X 0.7854 G XN XK1 XK2 XQ /d=铜线径G=铜比重N=条数K1 =铜线绞入率K2=芯线绞入率C=绝缘芯线根数2、绝缘用量:(Kg/Km)=(DA2 - d A2) X0.7854 )G XC XK2。
=绝缘外径d=导体外径6=绝缘比重K2=芯线绞入率C=绝缘芯线根数3、外被用量:(Kg/Km)= ( DS2 -。
人2 )成7854 GD1 =完成外径D=±过程外径6=绝缘比重6、编织用量:(Kg/Km)= dA2 0C7854 X T X N X G / cos 00 = atan( 2 x 3.1416 x ( D + d 贸兹)/ 25.4 / Td=编织铜线径T=锭数N=每锭条数G=铜比重比重:铜-8.89;银-10.50;铝-2.70;锌-7.05; W-8.90;锡-7.30;钢-7.80;铅-11.40;铝箔麦拉-1.80;纸-1.35;麦拉-1.371.护套厚度:挤前外径XQ.035+1 (符合电力电缆,单芯电缆护套的标称厚度应不小于 1.4mm,3. 绝缘厚度最薄点:标称值X90%-0.14. 单芯护套最薄点:标称值X85%-0.15. 多芯护套最薄点:标称值X80%-0.26. 钢丝铠装:根数={ n欢护套外径+钢丝直径)}』钢丝直径X入)重量=兀钢丝直径2X p X根数X 入7. 绝缘及护套的重量=兀 ><前外径+厚度)辱度X LX p导线截面积与载流量的计算一、一般铜导线载流量导线的安全载流量是根据所允许的线芯最高温度、冷却条件、敷设条件来确定的。
一般铜导线的安全载流量为5~8A/mm2,铝导线的安全载流量为3~5A/mm2。
〈关键点〉一般铜导线的安全载流量为5~8A/mm2,铝导线的安全载流量为3~5A/mm2。
塑料绝缘电力电缆本产品用于额定电压0.6/1KV的线路中,供输配电能之用(阻燃电缆适用于高层建筑、地铁、发电站、大型工矿企业等电缆敷设密度大,防火要求严格的地方)。
交联聚乙烯绝缘电力电缆执行标准:交联聚乙烯绝缘电力电缆性能符合GB12706.3-1991等效采用IEC60502-1997,阻燃性能符合GB12666.5-1990等效采用IEC332-1992。
(阻燃性能要求不适用于非阻燃型电缆)使用特性:电缆的额定工作电压U0/U 0.6/1KV;试验电压(持续时间≤5min)3.5KV;电缆导体长期工作温度≤90℃;短路时(持续时间≤5s)电缆导体温度≤250℃;敷设电缆时最小弯曲半径单芯电缆应≥电缆外径的20倍,多芯电缆应≥电缆外径的15倍;电缆敷设时环境温度≥0℃,低于0℃时,预先加温,敷设时不受落差限制。
型号及名称注:阻燃型电缆型号前加“ZR”;耐火型电缆型号前加“NH”;无卤低烟型电缆型号前加“WD”。
性能参数:不同土壤热阻系数下的载流量修正系数(土壤热阻系数:PT=1.0k.m/w)不同环境温度下的载流量修正系数(空气为40℃,土壤为25℃)电缆导体电阻、绝缘电阻、参考载流量交联聚乙烯绝缘聚氯乙烯护套电力电缆外径聚氯乙烯绝缘护套电力电缆执行标准:交联聚乙烯绝缘电力电缆性能符合GB12706.2-1991等效采用IEC60502-1997,阻燃性能符合GB12666.5-1990等效采用IEC332-1992。
(不适用于非阻燃型电缆)使用特性:电缆的额定工作电压U0/U 0.6/1KV;试验电压(持续时间≤5min)3.5KV;电缆导体长期工作温度≤70℃;短路时(持续时间≤5s)电缆导体温度≤160℃;敷设电缆时最小弯曲半径单芯电缆应≥电缆外径的10倍,铠装电缆应≥电缆外径的12倍。
电缆敷设时环境温度≥0℃,低于0℃时,预先加温,敷设时不受落差限制。
型号及名称注:阻燃型电缆型号前加“ZR”;耐火型电缆型号前加“NH”;无卤低烟型电缆型号前加“WD”。
电力电缆重量表以下是300/500V 227IEC01(BV)型电线电缆重量及载流量参考:在20℃时,导体电阻的最大值如下:12.1 Ω/km7.41 Ω/km4.61 Ω/km3.08 Ω/km1.83 Ω/km0.727 Ω/km0.524 Ω/km0.387 Ω/km0.263 Ω/km0.193 Ω/km0.153 Ω/km0.124 Ω/km0.0991 Ω/km0.0754 Ω/km允许载流量A和标称截面mm2如下:1.5mm2,24A2.5mm2,24A4mm2,32A6mm2,32A10mm2,42A16mm2,42A25mm2,55A35mm2,55A50mm2,75A70mm2,105A95mm2,138A120mm2,170A150mm2,215A185mm2,265A240mm2,325A460mm2,375A550mm2,430A绝缘厚度规定平均外径上限和参考重量如下:1.5mm2,0.7mm,3.3mm,19.2kg/km2.5mm2,0.7mm,3.4mm,19.8kg/km4mm2,0.8mm,3.9mm,30.8kg/km6mm2,0.8mm,4.2mm,32.5kg/km10mm2,0.8mm,4.4mm,45kg/km16mm2,0.8mm,4.8mm,45kg/km25mm2,0.8mm,4.9mm,65.5kg/km35mm2,0.8mm,5.4mm,67.1kg/km50mm2,1.0mm,6.8mm,108kg/km70mm2,1.0mm,8.0mm,163kg/km95mm2,1.2mm,9.8mm,256kg/km120mm2,1.2mm,11.0mm,346kg/km150mm2,1.4mm,13.0mm,470kg/km185mm2,1.4mm,15.0mm,662kg/km240mm2,1.6mm,17.0mm,912kg/km460mm2,1.8mm,21.0mm,1400kg/km550mm2,2.0mm,23.5mm,1758kg/km以下是300/500V 227IEC01(BVR)型电线电缆重量及载流量参考:BVR型450/750V铜芯聚氯乙烯绝缘电线,导体电阻的最大值如下:7.41 Ω/km4.61 Ω/km3.08 Ω/km1.83 Ω/km1.15 Ω/km0.727 Ω/km允许载流量A和绞合导体中单绝缘厚度规定平均外径上限如下:2.5mm2,32A,0.8mm4mm2,42A,0.8mm6mm2,55A,0.8mm10mm2,75A,1.0mm16mm2,105A,1.0mm25mm2,138A,1.2mm线最少根数值和参考重量如下:19根,32.2kg/km,1.2mm,0.524Ω/km,2.5mm219根,46.9kg/km,1.4mm,0.387Ω/k m,4mm219根,68.8kg/km,1.4mm,0.268Ω/km,6mm249根,120kg/km,1.7mm,0.170Ω/km,10mm249根,172kg/km,1.9mm,0.121Ω/km,16mm298根,283kg/km,2.2mm,0.106Ω/km,25mm2参考重量、外径和载流量表格下面是0.6/1kV单芯交联聚乙烯绝缘(钢带铠装)电力电缆的重量、外径和载流量参考表格。
标 准: 本产品按国家标准GB12706-2002或国际电工委员会IEC60502-1:2004标准制造 型 号: VV,VLV 一铜铝芯聚氯乙烯绝缘、聚氯乙烯护套电力电缆VV,VLV 一铜铝芯聚氯乙烯绝缘、聚乙烯护套电力电缆用 途: 供固定敷设在额定交流电压UO/U 为0.6/1KV 及以下的室内、架空、电缆沟道、管道内的输配电力线路用;使用特性: 1、电缆敷设时的环境温度不低于0C,弯曲半径应不小电缆外径的10倍;2、电缆导体的长期最高温度不超过70C;3、短路时最长持续时间不超过5S 电缆导体的最高温度不超过160C;产品结构图产品规格: 1芯:1.5--630mm2芯:21.5--2185mm 3芯:31.5-3300mm 4芯:44-4300mm 3+1芯:34+1300+1150mm 3+2芯:34+1300+2150mm 4+1芯:44+1300+1150mmVV,VLV,VY,VLY标称截面mm线芯结构 ho/mm绝缘标称厚度 mm护套标称厚度mm计算外径mm 环境温度25°C 允许空气中敷设截流量A环境温度25°C 允许截流量埋地土壤炽热阻系数g=80°C 厘米/瓦A成品近似重量kg/km铜芯 Cu 铝芯Al 铜芯 Cu铝芯Al铜芯 Cu 铝芯Al 1/ 24 - 31 - 58 - 1/ 32 25 45 35 71 56 1/ 45 34 61 47 97 73 1/ 56 43 77 59 121 84 10 7/ 80 61 103 80 177 111 16 7/ 106 83 138 106 239 139 25 7/ 143 111 183 140 349 190 35 7/ 175 133 221 170 451 232 50 19/ 223 170 272 210 624 309 70 19/ 265 207 333 256 821 384 9519/3292543923021085491。
标 准: 本产品按国家标准GB12706-2002或国际电工委员会IEC60502-1:2004标准制造 型 号: VV ,VLV 一铜(铝)芯聚氯乙烯绝缘、聚氯乙烯护套电力电缆VV ,VLV 一铜(铝)芯聚氯乙烯绝缘、聚乙烯护套电力电缆用 途: 供固定敷设在额定交流电压UO/U 为0.6/1KV 及以下的室内、架空、电缆沟道、管道内的输配电力线路用。
使用特性: 1、电缆敷设时的环境温度不低于0C ,弯曲半径应不小电缆外径的10倍。
2、电缆导体的长期最高温度不超过70C 。
3、短路时(最长持续时间不超过5S )电缆导体的最高温度不超过160C 。
产品结构图(点击放大)产品规格: 1芯:1.5--630mm2芯:2*1.5--2*185mm 3芯:3*1.5-3*300mm 4芯:4*4-4*300mm3+1芯:3*4+1*2.5-3*300+1*150mm 3+2芯:3*4+1*2.5-3*300+2*150mm 4+1芯:4*4+1*2.5-4*300+1*150mmVV,VLV,VY,VLY标称截面 mm线芯结构 ho/mm绝缘标称厚度 mm护套标称厚度mm计算外径 mm环境温度25°C 允许空气中敷设截流量[A]环境温度25°C允许截流量埋地土壤炽热阻系数g=80(°C 厘米/瓦) [A] 成品近似重量 kg/km铜芯 Cu铝芯Al 铜芯 Cu铝芯Al 铜芯 Cu 铝芯Al 1.5 1/1.38 0.8 1.8 6.6 24 - 31 - 58 - 2.5 1/1.78 0.8 1.8 7.0 32 25 45 35 71 56 4.0 1/2.25 1.0 1.8 7.9 45 34 61 47 97 73 6.0 1/2.76 1.0 1.8 8.4 56 43 77 59 121 84 10 7/1.35 1.0 1.89.780 61 103 80 177 111 16 7/1.70 1.0 1.8 10.7 106 83 138 106 239 139 25 7/2.14 1.2 1.8 12.4 143 111 183 140 349 190 35 7/2.52 1.2 1.8 13.6 175 133 221 170 451 232 5019/1.781.41.8 15.3223170272210624309。
截面m㎡最大直径铝A 铜A2.53.91731.64 4.42247.56 4.92967.1107621191687817925101182813511.51563815013.221552170152827349517.538696212019431118015021539147018523.5666181024026.5857235030029.5107029304003313903870铜芯1*107*1.351 1.613.480.61*167*1.701 1.614.51061*257*2.14 1.2 1.616.3143.1标称面积m ㎡线芯结构no/mm绝缘厚度mm 护套厚度mm BV 聚氯乙烯铜线 BLV 聚氯乙烯铝线BVR 铜软线 BV -105 铜105℃BVV 铜线(潮湿环境高防护)BXF 橡皮绝缘铜线BLXF 橡皮绝缘铝线 BLVV 铝线(潮湿环境高防护)计算外径mm 环境25℃时载流量(A)空气敷电 线 电 缆 载 流 量VV29-铜芯聚氯乙烯绝缘钢带铠装聚氯乙烯护套电常用线缆规格(BV BLV BVR )VLV29铝芯聚氯乙烯绝缘钢带铠装聚氯乙烯护套电详细介绍:● UL1007电子连接线产品说明:● 额定温度 :80℃ 额定电压:300V● 标准 :UL758, UL1581 及 CSA No.● 导体使用单条或绞线 32 - 16AWG裸铜或镀锡铜 ● 聚氯乙烯绝缘● 可通过UL VW- 1 及 CSA FT1 垂直耐燃测试● 使用标准厚度、易剥、易裁● 具抗酸硷、耐油性、防潮、防霉等特性线号线数/线径英制公制CSA TypeAWG NO/mm mm mm Ft/coil M/coil UL1007287/0.1270.41 1.20± 0.102000610267/0.1600.41 1.30± 0.102000610CSA T1(TR-64)2411/0.1600.41 1.40± 0.1020006102217/0.1600.41 1.60± 0.102000610(Stranded)2021/0.1780.41 1.80± 0.1020006101834/0.1780.41 2.10± 0.102000610绞 线1626/0.2540.41 2.40± 0.102000610UL1007CSA T1(TR-64)247/0.2030.41 1.40± 0.102000610227/0.2540.41 1.60± 0.102000610(Stranded)207/0.3100.41 1.80± 0.102000610187/0.4040.41 2.10± 0.102000610先绞后镀167/0.4880.41 2.30± 0.102000610CSA T1(TR-64)241/0.5110.41 1.35± 0.102000610221/0.6430.41 1.50± 0.102000610(Stranded)201/0.8130.41 1.65± 0.102000610181/1.0240.41 1.85± 0.102000610单 条161/1.2900.41 2.15± 0.102000610(导线截面积及载流量.jpg)UL10070.41 1.10± 0.102000610267/0.1600.41 1.30± 0.102000610307/0.102261/0.4040.41 1.25± 0.102000610缆载Ω/km 354 223 140 88.754.7 37.1 23.7 14.214088.7 54.7 37.1 23.7 14.2 145 89.1 56.3 35 22.2 13.9。
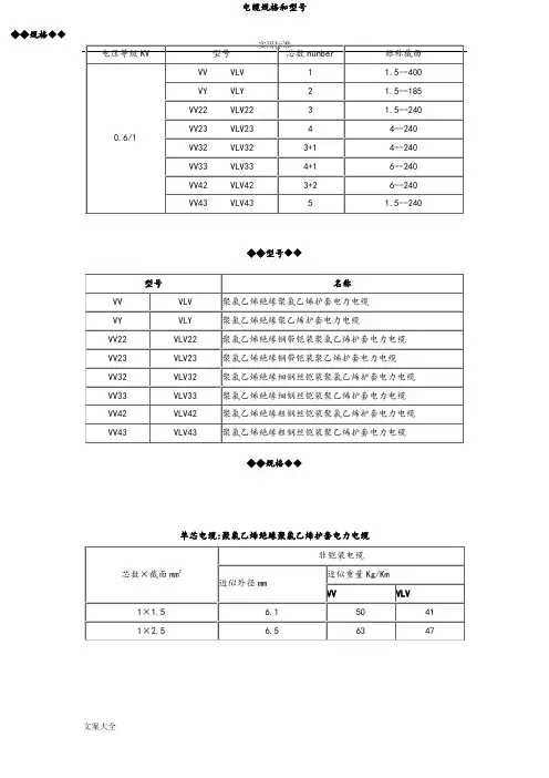
电缆规格和型号
◆◆规格◆◆
◆◆型号◆◆
◆◆规格◆◆
单芯电缆:聚氯乙烯绝缘聚氯乙烯护套电力电缆
聚氯乙烯绝缘聚氯乙烯护套电力电缆、聚氯乙烯绝缘钢带铠装聚氯乙烯护套电力电缆
聚氯乙烯绝缘细钢丝铠装聚氯乙烯护套电力电缆
3+1芯电缆:聚氯乙烯绝缘细钢丝铠装聚氯乙烯护套电力电缆
3+2芯电缆:聚氯乙烯绝缘聚氯乙烯护套电力电缆、聚氯乙烯绝缘钢带铠装聚氯乙烯护套电力电缆
3+1芯电缆:聚氯乙烯绝缘聚氯乙烯护套电力电缆、聚氯乙烯绝缘钢带铠装聚氯乙烯护套电力电缆
4芯电缆:聚氯乙烯绝缘聚氯乙烯护套电力电缆、聚氯乙烯绝缘钢带铠装聚氯乙烯护套电力电缆
4+1芯电缆:聚氯乙烯绝缘聚氯乙烯护套电力电缆、聚氯乙烯绝缘钢带铠装聚氯乙烯护套电力电缆
5芯电缆:聚氯乙烯绝缘聚氯乙烯护套电力电缆、聚氯乙烯绝缘钢带铠装聚氯乙烯护套电力电缆
3.6/6KV 单芯交联聚乙烯绝缘电力电缆6.6、6/10KV 单芯交联聚乙烯绝缘电力电缆
3.6/6KV 三芯交联聚乙烯绝缘电力电缆
6.6/10KV 三芯交联聚乙烯绝缘电力电缆
BV、BLV型450/750V铜芯和铝芯聚氯乙烯绝缘电缆(电线)(GB5023-1997 JB8734-1998)
◆◆BVVB、BLVVB型300/500V铜芯和铝芯(JB8734——1998)◆◆
聚氯乙烯绝缘聚氯乙烯护套扁型电缆
BVB型450/750V铜芯聚氯乙烯绝缘软电缆(电线)(JB8734-1998)。
标 准: 本产品按国家标准GB12706-2002或国际电工委员会IEC60502-1:2004标准制造 型 号: VV ,VLV 一铜(铝)芯聚氯乙烯绝缘、聚氯乙烯护套电力电缆VV ,VLV 一铜(铝)芯聚氯乙烯绝缘、聚乙烯护套电力电缆用 途: 供固定敷设在额定交流电压UO/U 为0.6/1KV 及以下的室内、架空、电缆沟道、管道内的输配电力线路用。
使用特性: 1、电缆敷设时的环境温度不低于0C ,弯曲半径应不小电缆外径的10倍。
2、电缆导体的长期最高温度不超过70C 。
3、短路时(最长持续时间不超过5S )电缆导体的最高温度不超过160C 。
产品结构图(点击放大)产品规格: 1芯:1.5--630mm2芯:2*1.5--2*185mm 3芯:3*1.5-3*300mm 4芯:4*4-4*300mm3+1芯:3*4+1*2.5-3*300+1*150mm 3+2芯:3*4+1*2.5-3*300+2*150mm 4+1芯:4*4+1*2.5-4*300+1*150mmVV,VLV,VY,VLY标称截面 mm线芯结构 ho/mm绝缘标称厚度 mm护套标称厚度mm计算外径 mm环境温度25°C 允许空气中敷设截流量[A]环境温度25°C允许截流量埋地土壤炽热阻系数g=80(°C 厘米/瓦) [A] 成品近似重量 kg/km铜芯 Cu铝芯Al 铜芯 Cu铝芯Al 铜芯 Cu 铝芯Al 1.5 1/1.38 0.8 1.8 6.6 24 - 31 - 58 - 2.5 1/1.78 0.8 1.8 7.0 32 25 45 35 71 56 4.0 1/2.25 1.0 1.8 7.9 45 34 61 47 97 73 6.0 1/2.76 1.0 1.8 8.4 56 43 77 59 121 84 10 7/1.35 1.0 1.89.780 61 103 80 177 111 16 7/1.70 1.0 1.8 10.7 106 83 138 106 239 139 25 7/2.14 1.2 1.8 12.4 143 111 183 140 349 190 357/2.521.21.8 13.6175133221170451232。
电缆规格和型号
◆◆规格◆◆
◆◆型号◆◆
◆◆规格◆◆
单芯电缆:聚氯乙烯绝缘聚氯乙烯护套电力电缆
聚氯乙烯绝缘聚氯乙烯护套电力电缆、聚氯乙烯绝缘钢带铠装聚氯乙烯护套电力电缆
聚氯乙烯绝缘细钢丝铠装聚氯乙烯护套电力电缆
3+1芯电缆:聚氯乙烯绝缘细钢丝铠装聚氯乙烯护套电力电缆
3+2芯电缆:聚氯乙烯绝缘聚氯乙烯护套电力电缆、聚氯乙烯绝缘钢带铠装聚氯乙烯护套电力电缆
3+1芯电缆:聚氯乙烯绝缘聚氯乙烯护套电力电缆、聚氯乙烯绝缘钢带铠装聚氯乙烯护套电力电缆
4芯电缆:聚氯乙烯绝缘聚氯乙烯护套电力电缆、聚氯乙烯绝缘钢带铠装聚氯乙烯护套电力电缆
4+1芯电缆:聚氯乙烯绝缘聚氯乙烯护套电力电缆、聚氯乙烯绝缘钢带铠装聚氯乙烯护套电力电缆
5芯电缆:聚氯乙烯绝缘聚氯乙烯护套电力电缆、聚氯乙烯绝缘钢带铠装聚氯乙烯护套电力电缆
3.6/6KV 单芯交联聚乙烯绝缘电力电缆6.6、6/10KV 单芯交联聚乙烯绝缘电力电缆
3.6/6KV 三芯交联聚乙烯绝缘电力电缆
6.6/10KV 三芯交联聚乙烯绝缘电力电缆
BV、BLV型450/750V铜芯和铝芯聚氯乙烯绝缘电缆(电线)(GB5023-1997 JB8734-1998)
◆◆BVVB、BLVVB型300/500V铜芯和铝芯(JB8734——1998)◆◆
聚氯乙烯绝缘聚氯乙烯护套扁型电缆
BVB型450/750V铜芯聚氯乙烯绝缘软电缆(电线)(JB8734-1998)。
电线电缆的计算公式、平方、重量电线电缆的计算公式、平方、重量铜的重量习惯上不用换算的计算方法:截面积×8.89=kg/km如120平方毫米计算:120×8.89=1066.8kg/km1 、导体用量:(Kg/Km)=d^2 × 0.7854 × G × N × K1 × K2 × C /d=铜线径 G=铜比重 N=条数 K1=铜线绞入率 K2=芯线绞入率 C=绝缘芯线根数2、绝缘用量:(Kg/Km)=(D^2 - d^2)× 0.7854 × G × C × K2D=绝缘外径 d=导体外径 G=绝缘比重 K2=芯线绞入率 C=绝缘芯线根数3、外被用量:(Kg/Km)= ( D1^2 - D^2 ) × 0.7854 × GD1=完成外径 D=上过程外径 G=绝缘比重4、包带用量:(Kg/Km)= D^2 × 0.7854 × t × G × ZD=上过程外径 t=包带厚度 G=包带比重 Z=重叠率(1/4Lap = 1.25)5、缠绕用量:(Kg/Km)= d^2 × 0.7854 × G × N × Zd=铜线径 N=条数 G=比重 Z=绞入率6、编织用量:(Kg/Km)= d^2 × 0.7854 × T × N × G / cosθθ = atan( 2 × 3.1416 × ( D + d × 2 )) × 目数 / 25.4 / Td=编织铜线径 T=锭数 N=每锭条数 G=铜比重比重:铜-8.89;银-10.50;铝-2.70;锌-7.05;镍-8.90;锡-7.30;钢-7.80;铅-11.40;铝箔麦拉-1.80;纸-1.35;麦拉-1.371.护套厚度:挤前外径×0.035+1(符合电力电缆,单芯电缆护套的标称厚度应不小于1.4mm,多芯电缆的标称厚度应不小于1.8mm)2.在线测量护套厚度:护套厚度=(挤护套后的周长—挤护套前的周长)/2π或护套厚度=(挤护套后的周长—挤护套前的周长)×0.15923.绝缘厚度最薄点:标称值×90%-0.14.单芯护套最薄点:标称值×85%-0.15.多芯护套最薄点:标称值×80%-0.26.钢丝铠装:根数= {π×(内护套外径+钢丝直径)}÷(钢丝直径×λ)重量=π×钢丝直径²×ρ×L×根数×λ7.绝缘及护套的重量=π×(挤前外径+厚度)×厚度×L×ρ8.钢带的重量={π×(绕包前的外径+2×厚度-1) ×2×厚度×ρ×L}/(1+K)9.包带的重量={π×(绕包前的外径+层数×厚度)×层数×厚度×ρ×L}/(1±K) 其中:K为重叠率或间隙率,如为重叠,则是1-K;如为间隙,则是1+Kρ为材料比重;L为电缆长度;λ绞入系数。
铜线重量计算公式
铜线重量的计算方式:铜线的截面积× 8.89 =kg/km.电缆外皮处都会标明电缆线芯截面积,铜的密度为8.89g/cm³。
铜线截面积×铜线长×铜线密度(铜合金)。
铜密度是8.9g/cm³,用电缆铜的截面积(电缆规格)乘以长度乘以铜的密度就等于铜重了,算时单位统一好,电缆规格上说的是平方毫米,密度单位是克每立方厘米,可以统一换算到毫米。
铜线应用:在生活中,最常见的东西就属电线了,它是用铜线做导线。
由于它的导电性很好,很多用于制作电线、电缆、电刷等;导热性好,常用来制作须防磁性搅扰的磁学仪器、外表,如罗盘、航空外表等;塑性极好,易于热压和冷压力制作,可制成管、棒、线、条、带、板、箔等铜材。
纯铜产品有提炼品及制作品这两种。
正是由于它的广泛应用,所以才会有那么多的铜线供应商加工铜线这种产品。
电线中铜的重量计算方法为:电线中铜的重量=铜线截面积×铜线长×铜线密度。
铜密度是8.9g/cm³,用电缆铜的截面积(电缆规格)乘以长度乘以铜的密度就等于铜重了,算的时候单位统一好,电缆规格上说的是平方毫米,密度单位是克每立方厘米,可以统一换算到毫米。
300/500V 227IEC01(BV)型电线电缆重量及载流量参考
300/500V 227IEC01(BVR)型电线电缆重量及载流量参考BVR型450/750V铜芯聚氯乙烯绝缘电线
BVVB、BLVVB型300/500V铜、铝芯PVC绝缘护套扁型电缆
YJV交联聚乙烯绝缘电力电缆重量外径载流量参考 0.6/1k V单芯交联聚乙烯绝缘(钢带铠装)电力电
YJV交联聚乙烯绝缘电力电缆重量外径载流量参考 0.6/1k V二芯交联聚乙烯绝缘(钢带铠装)电力电
YJV交联聚乙烯绝缘电力电缆重量外径载流量参考 0.6/1k V四芯等截面交联聚乙烯绝缘(钢带铠装)电力电
VV聚氯乙烯绝缘电力电缆重量外径载流量参考 0.6/1k V单芯PV C绝缘(钢带铠装)电力电
VV聚氯乙烯绝缘电力电缆重量外径载流量参考 0.6/1k V三芯PV C绝缘(钢带铠装)电力电
VV聚氯乙烯绝缘电力电缆重量外径载流量参考 0.6/1k V四芯等截面PV C绝缘(钢带铠装)电力电
m
㎏
km
km
㎏
km
A
量
量
量。
电力电缆理论重量表以下是已修正的文章:参考重量及载流量:300/500V 227IEC01(BV)型电线电缆下表列出了300/500V 227IEC01(BV)型电线电缆的参考重量和允许载流量,以及20℃时导体电阻的最大值和标称截面的值。
标称截面(mm2) 导体电阻最大值(Ω/km)允许载流量A参考重量(kg/km)1.5 12.1 24 19.22.5 7.41 32 30.84 4.61 42 456 3.08 55 65.510 1.83 75 10816 1.15 105 16325 0.727 138 25635 0.524 170 34650 0.387 215 47070 0.268 265 66295 - - 912120 - - 1140150 - - 1400185 - - 1758240 - - 2300参考重量及载流量:300/500V 227IEC01(BVR)型电线电缆下表列出了BVR型450/750V铜芯聚氯乙烯绝缘电线的参考重量和允许载流量,以及20℃时导体电阻的最大值和标称截面的值。
标称截面(mm2) 导体电阻最大值(Ω/km)允许载流量A参考重量(kg/km)2.5 7.41 32 32.24 4.61 42 46.96 3.08 55 68.810 1.83 75 12016 1.15 105 17225 0.727 138 28335 0.524 170 37250 0.387 215 -70 0.268 265 -改写后的文章:以下是经过修正的300/500V 227IEC01(BV)型电线电缆和BVR型450/750V铜芯聚氯乙烯绝缘电线的参考重量和允许载流量表格。
300/500V 227IEC01(BV)型电线电缆下表列出了300/500V 227IEC01(BV)型电线电缆的参考重量和允许载流量,以及20℃时导体电阻的最大值和标称截面的值。
标称截面(mm2) | 导体电阻最大值(Ω/km) | 允许载流量A | 参考重量(kg/km) |1.5 | 12.1 | 24 | 19.2 |2.5 | 7.41 | 32 | 30.8 |4 | 4.61 | 42 | 45 |6 | 3.08 | 55 | 65.5 |10 | 1.83 | 75 | 108 |16 | 1.15 | 105 | 163 |25 | 0.727 | 138 | 256 |35 | 0.524 | 170 | 346 |50 | 0.387 | 215 | 470 |70 | 0.268 | 265 | 662 |95 | - | - | 912 |120 | - | - | 1140 |150 | - | - | 1400 |185 | - | - | 1758 |240 | - | - | 2300 |BVR型450/750V铜芯聚氯乙烯绝缘电线下表列出了BVR型450/750V铜芯聚氯乙烯绝缘电线的参考重量和允许载流量,以及20℃时导体电阻的最大值和标称截面的值。