机械效率探究题
- 格式:doc
- 大小:1.32 MB
- 文档页数:7
机械效率一.选择题1.某实验小组利用图示装置研究杠杆的机械效率.保持O点位置不变,竖直向上拉动弹簧测力计使重为G的钩码缓慢匀速上升,在此过程中弹簧测力计的读数为F,利用刻度尺分别测出C、B两点上升的高度为h1、h2.则下列说法正确的是()A.杠杆机械效率的表达式为B.杠杆机械效率的表达式为C.在如图水平位置拉升时F×OB=G×OAD.若弹簧测力计始终竖直向上拉,则测力计示数不断变化2.图1中力F1水平拉动重为G的物体A在水平路面匀速移动了s.改用滑轮组拉动A在同一路面匀速移动了s,拉力为F2(如图2).此过程滑轮组()A.总功为F2s B.额外功为F1sC.机械效率为D.额外功为3F2s﹣F1s3.如图所示,小明用一个滑轮组匀速提升重为200N的物体.小明用125N的拉力,使物体在4s内上升了2m.此过程中()A.小明做的有用功为250J B.动滑轮的重力为25NC.拉力的功率为125W D.滑轮组机械效率为62.5%4.小华分别用如图所示的甲、乙两个滑轮组,分别在相同时间内将同一重物匀速提升相同高度,每个滑轮的重均相等,不计绳重及摩擦.针对这一现象,小明得出了以下4个结论:①F1做的功等于F2做的功;②甲滑轮组的机械效率等于乙滑轮组的机械效率;③使用乙滑轮组比甲滑轮组更加省力;④F1做功的功率等于F2做功的功率其中正确的结论共有几个?()A.1个B.2个C.3个D.4个5.将规格完全相同的动滑轮,用绳子绕成甲、乙两个滑轮装置,如图所示.使用甲、乙两个装置分别匀速提升重力为G1和G2的两个物体,升高相同的高度.绳自由端施加竖直向上的拉力分别为F1和F2,甲、乙两装置的机械效率分别为η甲和η乙.已知:G1>G2,F1>F2,则下列判断正确的是()A.η甲可能大于η乙B.η甲一定大于η乙C.η甲一定等于η乙D.η甲一定小于η乙6.如图所示,物体在沿斜面向上拉力的作用下,从倾角为30°的斜面底端匀速拉到斜面的顶端,已知物体所受重力为G,斜面的机械效率为75%,若物体受到的拉力和摩擦力分别用F和f表示,则()A.F=G f=G B.F=G f=GC.F=G f=G D.F=G f=G7.如图,已知斜面倾角为30°,斜面高2m.小明沿斜面将重为400N的货物由底端匀速拉到顶端,用时10s.已知拉力大小为300N,绳重不计,则下列说法中正确的是()A.小明对货物做的有用功是1200JB.小明对绳的拉力的功率是80WC.斜面的机械效率是66.7%D.物体受到斜面的摩擦力是90N8.如图所示,利用滑轮组匀速拉动放在水平地面上重为G的物体,物体移动的距离为S1,绳子自由端移动的距离为S2,A点的拉力为F A.下列说法正确的是()A.F A=2FB.有用功为GS1C.物体受到地面的摩擦力为2FηD.额外功为FS2﹣GS19.一位建筑工人用了如图所示的装置把建筑材料运送到楼上,已知吊篮的质量为m1,建筑材料的质量m2,人对绳子的拉力为F,吊篮在拉力的作用下匀速上升了h,不计绳重及摩擦.下列表述正确的是()A.绳子自由端移动的距离为3hB.工人做的有用功为m2ghC.工人做的额外功为2Fh﹣(m1+m2)ghD.动滑轮重为3F﹣(m1+m2)g10.用如图所示滑轮组提起重300N的货物,人所用的拉力为200N,绳子的自由端被拉下1m,在此过程中,下面说法不正确的是()A.人用的拉力所做的总功为200 JB.滑轮组提升货物所做的有用功为100 JC.额外功为50 JD.滑轮组的机械效率为75%11.某人用如图所示的滑轮组提升重为800N的重物,在拉力F作用下,30s时间内,物体向上移动了12m,若滑轮组的机械效率为80%,绳重、摩擦阻力不计,则()A.拉力做的功为12000JB.拉力的功率为50WC.绳子自由端被拉下距离为36mD.动滑轮重力大小为100N12.建筑工人小明要把建筑材料运送到楼上,他使用了如图所示的装置进行提升,第一次小明将质量为m的建筑材料放在吊篮中,在拉力为F的作用下匀速送到楼上;为了加快工程进度,第二次小明在吊篮中增加了△m的建筑材料在绳端施加一定拉力使其匀速送到楼上;那么小明第二次提升建筑材料时滑轮组的机械效率为(不计吊篮质量、绳重及摩擦)()A.η=×100%B.η=×100%C.η=×100%D.η=×100%13.用如图所示的滑轮组,将陷在泥里的汽车匀速拉出,若汽车重为G,拉力的大小为F,汽车和地面间的摩擦力大小为f,则下列滑轮组的机械效率表达式正确的是()A.B.C.D.14.利用如图所示的滑轮,在粗糙水平面上匀速拉动物体,下列叙述正确的是()A.克服物体重力做的功是有用功B.克服物体受地面摩擦力做的功是有用功C.绳子自由端的拉力F做的功是有用功D.克服物体受地面摩擦力做的功是额外功15.如图所示,在大小为1000N的拉力F作用下,滑轮组将1800N的重物匀速提升了0.5m,设滑轮组摩擦不计.则在此过程中()A.做的有用功是500JB.做的总功是1500JC.滑轮组的机械效率是90%D.若减缓重物的提升速度,滑轮组的机械效率会相应的减小16.一位建筑工人要把建筑材料运送到楼上,他使用了如图所示的装置进行升降.已知吊篮的质量为m1,建筑材料的质量为m2,人对绳子的拉力为F,吊篮在拉力的作用下匀速上升了h,不计绳重和轮与轴的摩擦.下列表述正确的是()A.有用功为m2gh,滑轮组的机械效率为B.额外功为m1gh,动滑轮重为2F﹣m2gC.拉力F=(m1+m2)g,动滑轮上升的距离为hD.总功为3Fh,人拉绳子移动的距离为3h17.工人用如图所示的滑轮组将重为600N的物体在4s内匀速提升了2m,若每个滑轮重60N,不计绳重和摩擦,则在此过程中,下列说法正确的是()A.绳端的拉力F为330NB.绳子自由端移动速度为0.5m/sC.有用功为1320JD.滑轮组的机械效率约为91%18.在一次车辆故障处置过程中,拖车所用装置简化如图.为了尽快疏通道路,交警只用了30s的时间,指挥拖车在水平路面上将质量是1.5t的故障车匀速拖动了180m.绳子自由端的拉力F是500N,该装置的机械效率是80%.下列说法正确的是()A.绳子自由端移动的速度是6m/sB.拉力F在30s内所做的功是9×104JC.故障车在被拖离过程中受到的阻力是1.5×104ND.故障车克服摩擦阻力做功2.16×105J19.如图所示的两个滑轮组分别把重力相等的两个物体提升相同的高度,所用的拉力F1=F2,比较两拉力所做的功W1.W2及两滑轮组的机械效率η1.η2,则有()A.W1>W2,η1<η2B.W1<W2,η1<η2C.W1=W2,η1=η2D.W1<W2,η1>η220.小明在“探究杠杆的机械效率与哪些因素有关”时,提出了两种猜想,猜想1:可能与悬挂重物位置有关;猜想2:可能与物重有关.随后,他在A处悬挂二个钩码测出机械效率η1,在B处悬挂一个钩码测出机械效率η2,并重复多次,均发现η1>η2,由此,他()A.只能验证猜想1B.只能验证猜想2C.既能验证猜想1,也能验证猜想2D.既不能验证猜想1,也不能验证猜想2二.填空题21.如图所示,在测定杠杆机械效率的实验中,始终保持竖直向上缓慢拉动弹簧测力计,使挂在杠杆OB下面的物块缓慢上升至虚线位置:(1)请在图中画出杠杆在虚线位置时,杠杆所受测力计拉力(为杠杆的动力)的力臂L1,此杠杆式杠杆(选填“省力”、“费力”、“等臂”).(2)图中测力计的示数F始终为2.5N,测力计上升的高度s为0.2m.物块重G为1.5N,物块上升高度h为0.3m,则拉力做的总功为,机械效率为.22.小明用如图所示的实验装置研究“杠杆的机械效率”.实验时,将总重为G的钩码挂在杠杆A处,竖直向上匀速拉动弹簧测力计,钩码上升的高度为h,弹簧测力计的示数为F,其移动的距离为S,则杠杆的机械效率ηA=(用题中字母表示).若将钩码移动到B点,仍将它匀速提升h的高度,则弹簧测力计的示数(>/=/<)F,杠杆的机械效率ηB(>/=/<)ηA,在这过程中要克服和做额外功.23.如图所示,一根均匀的细木棒OC,OA=OC,B为OC的中点.在C点施力将挂在A点的重为160N的物体匀速提升0.2m,木棒的机械效率为80%.这里的木棒是一种简单机械,称为,提升该物体做的有用功是J,木棒重为N(不计摩擦)24.如图所示,在测定杠杆机械效率的实验中,竖直向上匀速拉动弹簧测力计,使挂在杠杆OB上的物块缓慢上升至虚线位置,测力计的示数F为N.测力计竖直移动的距离S为0.2m,物块重G为1.5N,物块上升的高度h为0.3m,则杠杆的机械效率为%.使用杠杆提升物块的过程中,做额外功的原因之一是.25.如图所示,在测定杠杆机械效率的实验中,竖直向上匀速拉动弹簧测力计,使挂在杠杆OB 下面的物块缓慢上升至虚线位置,物体上升的高度为30cm ,测力计上升的高度为20cm ,这一过程中杠杆的机械效率为90%,测力计的读数如图所示,则物块的重力为 N .26.在“测滑轮组机械效率”实验中,物体重为6N .若物体上升高度为10cm ,此时弹簧测力计的示数如图所示,则拉力做的有用功是J ,滑轮组的机械效率是 %.若仅增加物体的重,该滑轮组的机械效率将 (选填“增大”、“减小”或“不变”).(不计绳重及摩擦)三.实验探究题27.用如图所示的实验装置测量杠杆的机械效率.实验时,竖直向上匀速拉动弹簧测力计,使挂在较长杠杆下面的钩码缓缓上升.(1)实验中,测力计的示数F 为 N ,钩码总重G 为1.0N ,钩码上升高度h 为0.1m ,测力计移动距离s 为0.3m ,则杠杆的机械效率为 %.请写出使用该杠杆做额外功的一个原因: .(2)一位同学用该实验装置,先后将钩码挂在A 、B 两点,测量并计算得到下表数据:次数 钩码悬挂点 钩码总重 G/N 钩码移动距离 h/m 拉力 F/N 测力计移动距离 s/m 机械效率 η/%1A点 1.50.100.70.3071.42B点 2.00.15 1.20.3083.3根据表中数据,能否得出“杠杆的机械效率与所挂钩码的重有关,钩码越重其效率越高”的结论?答:;请简要说明两条理由:①;②.28.用如图所示的实验装置测量杠杆的机械效率.实验时,竖直向上匀速拉动弹簧测力计,使挂在较长杠杆下面的钩码缓缓上升.(1)实验中,将杠杆拉至图中虚线位置,测力计的示数F为1.2N,钩码总重G为1.0N,钩码上升高度h为0.1m,测力计移动距离s为0.3m,则杠杆的机械效率为%.请写出使用该杠杆做额外功的一个原因:.(2)为了进一步研究杠杆的机械效率与哪些因素有关,一位同学用该实验装置,先后将钩码挂在A、B两点,测量并计算得到如表所示的两组数据:次数钩码悬挂点钩码总重G/N钩码移动距离h/m拉力F/N测力计移动距离s/m机械效率η/%1A点 1.50.100.70.3071.42B点 2.00.15 1.20.3083.3根据表中数据,能否得出“杠杆的机械效率与所挂钩码的重有关,钩码越重其效率越高”的结论?答:,原因是.参考答案一.选择题1.B2.D3.C4.D5.A6.B7.C8.C9.B10.B11.A12.A13.B14.B15.C16.A17.D18.D19.D20.D二.填空题21.(1)费力;(2)0.5J;90%.22.;>;>摩擦;杠杆重力.23.杠杆;32;20.24.2.5;90;杠杆本身有重力.25.1.5.26.0.6;83.3;增大.三.实验探究题27.(1)0.5;66.7;克服杠杆与支点间摩擦及杠杆自重做的额外功;(2)不能;①两次实验时钩码没有挂在同一位置;②一次对比实验所得结论是不可靠的.28.(1)66.7;由于使用杠杆时需要克服杠杆自重(克服摩擦力)等做功;(2)不能;两次实验时钩码没有挂在同一位置或者仅根据一次对比实验所得结论是不可靠的.。
探究机械效率实验问题专题练习一、填空题1.小明回乡下看望爷爷,发现爷爷把收获的玉米等农作物搬到楼顶很费劲,于是他设计了如图所示的两个滑轮组把相同重量的农作物提升到同一层楼顶,若每个滑轮的质量相同,不考虑绳重与摩擦,则两滑轮组机械效率大小关系是η甲________η乙。
(选填“大于”、“小于”或“等于”)2.小明用图示实验装置测量杠杆的机械效率。
实验时,小明竖直向上匀速拉动弹簧测力计,使挂在较长杠杆下面的重5.0 N的物体缓缓上升。
(1)实验中,小明将杠杆拉至图中虚线位置,此时测力计的示数为_____N,物体上升的高度为0.3m,则拉力做的有用功为_____(保留三位有效数字);(2)请写出使用该杠杆做额外功的一个原因_____。
3.司机师傅很轻松地转动方向盘就能改变汽车的行驶方向,为什么会有这样的效果呢?同学们利用如图所示装置进行了研究,用弹簧测力计拉着绕在大轮上的细绳向上运动时,小轮绕着共同的轴心转动可以提升物体.要使挂在小轮上重力为2N的物体匀速上升10cm,则测力计的示数为0.8N,上升距离为30cm.由此可知,利用此装置可以______(选填“省力”或“省功”),其机械效率是________.二、单选题4.在下列有关机械效率说法中正确的是()A.机械效率较大的,所做功少B.机械效率较大的,所做的额外功较少C.机械效率较大的,有用功和额外功的比值较大D.机械效率较大的,额外功和有用功的比值较大5.如图是探究利用斜面提升物体是否省力、是否省功的实验.下列操作中正确的是A.不需要使用刻度尺B.必须保持斜面的倾斜角度不变C.不可以将小车车轮朝上放在斜面上进行探究D.先用弹簧测力计沿竖直方向匀速提升小车至高度h处,再沿着斜面匀速拉动小车至高度h处,记下两次弹簧测力计的示数6.小红用图示装置探究滑轮组提升重物时的机械效率.下表是她设计的实验数据记录表格及所测的数据:小红在实验中所用动滑轮的重量最有可能是实验序号物重G/N 物体上升高度h/cm 手的拉力F/N 绳端移动的距离s/cm1 2 10 1.0 302 3 10 1.4 303 6 10 2.5 30A.0.9N B.1N C.1.2N D.1.5N7.如图所示是小刚同学在“测量滑轮组的机械效率”实验中使用的实验装置,得到的数据记录在下方表格中。
一、填空题1、如图所示物体A被滑轮组拉着在水平地面上5s内匀速直线运动了2m,它受到地面的摩擦阻力是96N,绳端拉力F为40N,则物体A的运动速度是 m/s,拉力F的功率是 W,该滑轮组的机械效率是。
2、如下图B所示,斜面长5m,高1m,工人用沿斜面方向400N的力把重1600N的木箱匀速推到车上,推力对木箱做的总功是_______J,额外功是_______J,斜面的机械效率是________。
3、起重机将0.9t的货物匀速提升10m的过程中所做的额外功是6×104J.该过程中起重机对货物做的功是J,起重机机械效率是.(g取10N/kg)4、如图所示, 建筑工人用250N的拉力将重400N的物体匀速提升3m.此过程中工人师傅所做的功为 J,滑轮组的机械效率是.若用该装置提升500N的重物,其机械效率的大小将 .二、选择题5、小均用动滑轮将质量为40kg的货物匀速提高了5m ,他用250N的拉力拉了10s,下列说法正确的是()A.有用功为200J B.额外功为500JC.动滑轮的机械效率为75% D.小均的功率为200W6、如图所示,小明探究滑轮组的机械效率,动滑轮重1N,用3N的拉力F通过该滑轮组匀速拉起重4N的物体,物体沿竖直方向上升0.2m.此过程中,不计摩擦和绳重,额外功和机械效率分别是()A. 0.2J 83.3% B. 0.2J 80% C. 0.4J 80% D. 0.4J 66.7%7、用如图所示滑轮组提起重300N的货物,人所用的拉力为200N,绳子的自由端被拉下1m,在此过程中,下面说法正确的是A.人用的拉力所做的总功为200JB.滑轮组提升货物所做的有用功为100JC.额外功为50JD.滑轮组的机械效率为75﹪8、甲乙两个滑轮组如右图所示,其中每一个滑轮的重量都相同,用它们分别将重物G1G2提高相同的高度,不计绳重和摩擦,下列说法正确的是()A.若G1=G2则拉力做的总功相同B.若G1=G2,则甲的机械效率大于乙的机械效率C.若G1>G2,则拉力做的有用功相同D.用甲、乙中的任何一个滑轮组提起不同的重物,机械效率不变9、关于功、功率、机械效率说法正确的是()A.功率越大,做功越快,机械效率越大B.做功越少,功率越小,机械效率越小C.功率越大,反映做功越快,与机械效率无关D.机械效率越大,表明它做的功越多10、如图,斜面长s为1.2m、高h为0.3m,现将重为16N的物体沿斜面向上从低端匀速拉到顶端,若拉力F为5N,拉力的功率为3W,则()A.斜面的机械效率为80%B.拉力做的总功为4.8JC.提升物体所做的有用功为4.8JD.物体由斜面底端运动到顶端用时2s11、小刚和小明分别用沿斜面向上的力F甲、F乙把同一重物匀速拉到两个斜面的顶端,若两个斜面光滑、等高,甲斜面长4m,乙斜面长5m,所做的功跟别是W甲、W乙,则下列说法正确的是()A.使用甲斜面比使用乙斜面要省功B.甲斜面的机械效率比乙斜面的机械效率高C.拉力F甲与F乙之比为5:4D.两个拉力做功W甲与W乙之比为4:512、如图是利用滑轮组匀速提升水中圆柱体M的示意图,滑轮组固定在钢架上,滑轮组中的两个滑轮质量相等,绕在滑轮组上的绳子能承受的最大拉力为900N,连接圆柱体M与动滑轮挂钩的绳子能承受的最大拉力为3000N。
1.如图甲所示,为测量滑轮组机械效率的实验装置,钩码总重9N.(1)若拉力大小为5N,该滑轮组的机械效率为________;(2)若不考虑绳重.绳子和滑轮之间的摩擦,只改变滑轮组绳子的绕法(如图乙所示),该滑轮组的机械效率将________;若只增加钩码的个数,该滑轮組的机械效率将________(选填“增大“.“减小“.“不变“).2.某实验小组在测滑轮组机械效率的实验中得到的数据如表所示,实验装置如下图:物理量 1 2 3钩码重G(N) 4 4 6钩码上升高度h(m)0.1 0.1 0.1绳端拉力F(N) 1.8 1.4 2.4绳端移动距离S(m)0.3 0.5 0.3甲乙机械效率η74%(1)通过表中数据可分析出实验1是用(填“甲”或“乙”)图做的实验,实验2是用(填“甲”或“乙”)图做的实验。
(2)请将表中空白处填上恰当的数据。
(百分号前保留整数)(3)通过实验1和实验2的数据分析可得出结论:使用不同的滑轮组,提升相同的重物时,动滑轮的个数越多,滑轮组的机械效率___________。
(4)比较实验1和实验3可得正确结论:使用同一滑轮组,________________________,可以提高滑轮组的机械效率。
3.小明在“测滑轮组机械效率”的实验中,用如图甲所示的滑轮组进行了三次实验,实验数据如下表:(1)分析表中数据,回答以下问题:①表中有一个数据的记录是错误的,错误的数据是________,应改为_________;②第3次实验中滑轮组的机械效率是_________;③滑轮组的机械效率与_________无关。
(2)小红在小明实验的基础上多使用一个滑轮也做了实验,如图乙所示。
①小红多使用一个滑轮,目的是为了改变________________________________;②当这两位同学使用各自的滑轮组提升相同的重物时,若忽略绳重及摩擦,它们的机械效率__________(选填“相同”或“不相同”),理由是:____________________________________。
2023年中考物理专题复习:《简单机械及机械效率》实验题姓名:___________班级:___________考号:___________1.如图所示是某中学初三2班黄艺同学测量牛奶密度的实验:(1)黄艺先将牛奶倒入量筒,如图甲所示,则牛奶的体积为 _____cm3;接着将天平放在水平台面上,他先将游码归零后,再调节 _____,使天平平衡;用调节好的天平测出空烧杯的质量为29.4g,然后将量筒中的牛奶倒入烧杯中,用天平测量烧杯和牛奶的总质量,天平平衡时如图乙所示,则杯中牛奶的质量为 _____g;(2)根据以上实验数据计算出牛奶的密度为 _____kg/m3。
用该方法测得的密度比真实值偏 _____(选填“大”或“小”),原因是 ___ __;(3)黄艺学习杠杆知识后,突发奇想回家制作了一个可以直接测量液体密度的“密度天平”,如图丙所示,其制作过程和原理如下:选择一根长1m粗细均匀的轻质杠杆,将杠杆的中点固定在支点O处,调节两边螺母使杠杆在水平位置平衡。
①在左侧离O点l1的A点位置用细线固定一个质量为m、容积为V的空容器;②将体积为V0(V>V0)的牛奶倒入容器中;③在右侧离O点l2的B点用细线悬挂一质量为m x的钩码(细线的质量忽略不计),使杠杆在水平位置平衡;④则牛奶的密度表达式ρ=_____(用已知物理量表示);⑤若适当增加钩码质量,该“密度天平”的量程将 _____(选填“增大”、“减小”或“不变”)。
2.斜面是一直简单机械,在生活和生本中有很多应用,小明利用左图所示的装置探究斜面的机械效率,测得的数荐记录在右侧的表格中。
(1)根据表格中记录的数据,可以推测小明在探究斜面的机械效率跟斜面________的关系;(2)根据表格中记录的数据,斜面的倾斜程度越大,使用斜面越________(选填“省力”或“不省力”);(3)第一次实验中物体在斜面上受到的摩擦力为________N;(4)该小组又进行了第4次实验,他们在斜面上铺上棉布,使斜面变粗糙,斜面的倾斜程度与第3次相同,保持斜面高和长分别是0.5m和1m,物体重为10N,用弹簧测力计拉动同一物块沿斜面向上做匀速直线运动,读出此时弹簧测力计的示数为10N,他们测得这种情况下斜面的机械效率为________,证明了,在其他条件一定时,斜面越粗糙,斜面的机械效率越低。
测滑轮组的机械效率典型题、易错题1.在“探究动滑轮的机械效率”时,某小组利用自重不同的两个动滑轮(2)通过比较两次实验数据(选填实验序号),可知动Array滑轮的机械效率与动滑轮的自重(选填“有关” 或“无关”)。
(3)小明认为“同一个机械,它的机械效率是一个定值”,通过比较两次实验数据(选填实验序号),可知他的观点是的(选填“正确” 或“错误”)。
2.在“探究滑轮组机械效率”的实验中,某实验小组采用A、B两种绕线方式不同的滑轮组进行实验,发现了一些实际问题。
(1)下表是实验中的几组数据,请在空白处填上相应的计算结果。
(2)实际中机械效率_______ 1(选填“>”、“=”或“<”),而表格中1、2两次实验的机械效率分别为100%和125%。
这是什么原因?通过观察中图和右图,手持弹簧测力计在竖直方向时,发现指针的位置不同,中图中指针在零刻线的下方。
(3)经过分析,找到了机械效率为100%和125%的原因是:用滑轮组A进行实验时,弹簧测力计的示数比细绳实际的拉力要_______,用测量值计算出的总功比细绳实际拉力做的功要_______,因此测得的机械效率比实际效率要高。
(4)实验总结:在测量滑轮组机械效率的实验中,考虑弹簧测力计对读数的影响,测拉力时,弹簧测力计一般要竖直向_______移动;若弹簧测力计倒置时测拉力,要先将指针调至零刻线处。
3. 小明在“测滑轮组机械效率”的实验中,用如图甲所示的滑轮组进行了三次实验,数据如下表:(1) ① 表中有一个数据的记录是错误的,错误的数据是______② 3次实验中滑轮组的机械效率是_______③ 本次实验得到的结论是:___________________________________(2)小红在小明实验的基础上利用图乙也做了实验,①小红的做法是为了探究 ______________________。
②当这两位同学使用各自的滑轮组提升相同的重物时,若忽略绳重及摩擦,它们的机械效率 _______(选填“相同”或“不相同”),理由是:_________________________________________。
中考物理专题复习:机械效率一、单项选择题(共8小题)1.如图所示是一辆汽车,其发动机功率为160kW ,运送5t 的沙石,以5m/s 的速度从坡底匀速到达坡顶,已知坡长300m ,坡高150m 。
下列说法正确的是()A .汽车从斜坡底端到达坡顶的时间是6minB .汽车做的有用功为9.6×106JC .汽车上坡做的功为4.8×106JD .汽车运送沙石的机械效率大约是78%2.如图所示,有一斜面长为s 、高为h ,现用力F 沿斜面将重力为G 的物体从底端匀速拉到顶端,斜面的机械效率为η。
则下列关于斜面对物体的摩擦力f 的表达式中不正确的是()A .ηs Ghf =B .s Gh Fs f -=C .()η-=1F f D .()ηηs Gh f -=13.某人把一个质量为240kg 的重物搬到2m 高的车上,为了省力,他采用5m 的长木板搭了一个斜面(如图)。
搬运过程中,他用沿斜面向上1200N 的力,历时1min 将重物匀速地推到车上(g=10N/kg )。
关于此简易斜面装置,下列说法中正确的是()A.小澄对重物做的有用功为480JB.小澄做的总功为4800JC.小澄做功的功率为100WD.此简易斜面装置的机械效率为83.3%4.某人将一箱书搬上楼,可以有两种方法:一是把所有的书一起搬上楼;二是先搬一部分书上楼,再搬剩下的部分。
假设他上楼的速度相同,则用这两种方法搬书过程中()A.他做的总功相同B.他做的有用功相同C.他做功的机械效率相同D.他做有用功的功率相同5.下列说法中正确的是()A.有用功越多,机械的效率越高B.机械的效率越高,做功越快C.机械的功率越大,做功就越多D.机械的功率越大,做功越快6.如图所示,斜面长5m,高1m,木块重100N,小明用F=32N的力将物体从底端沿斜面匀速拉到顶端,则()A.小明做的有用功为32J B.小明做的总功为160JC.斜面的机械效率为20%D.木块受到的摩擦力为32N7.用一个动滑轮在8s内将一重为300N的物体匀速向上提起2m,拉力为200N。
初三物理机械效率试题答案及解析1.某实验小组分别用如图所示的甲、乙两个滑轮组(每个滑轮重相同)匀速提起相同的重物.不计绳重及摩擦,下列说法正确的是()A.甲图省力,机械效率甲图大B.甲图省力,机械效率一样大C.乙图省力,机械效率一样大D.乙图省力,机械效率乙图大【答案】C【解析】滑轮组可以用来省力,但要费距离。
滑轮组使用拉力的大小与动滑轮上绳子的段数有关,动滑轮上的绳子段数越多,越省力。
甲中动滑轮上有2段绳子,而乙滑轮组的动滑轮上有3段绳子,所以乙图更省力。
滑轮组的机械效率有关与物重、动滑轮重、绳重和摩擦有关,本题中不计绳重和摩擦,提起的物重也相同,动滑轮重也相同,所以它们的机械效率一样大。
【考点】滑轮组的使用特点及机械效率2.用如图所示的滑轮组匀速提升重为480N的物体G,所用拉力F为300N,将重物提升3m所用的时间为10s.求:(1)拉力所做的有用功 J;(2)拉力的功率 W;(3)滑轮组的机械效率.【答案】1440J 180W 80%=Gh=480N×3m=1440J(2)观察图片,与动滑轮相连的绳子段数为2根,读【解析】(1)W有用题知重物被提升3m,所以绳子自由端移动的距离为s=nh=2×3m=6m,所以=Fs=300N×6m=1800J,,(3)W总【考点】有用功、总功、功率、机械效率概念与计算。
3.建筑工人用如图所示的装置把重400N的物体匀速提升3m.所用的手拉力为300N.则该工人所做的有用功为 J,总功为 J,该滑轮组的机械效率是(保留三位有效数字).若用该装置提升500N的重物,此时滑轮组的机械教率将(填“变大”、“变小”或“不变”).【答案】1200 1800 66.7% 变大【解析】观察图片可知,有2段绳子承担物重,重物提升h=3m ,绳子末端移动距离s=2h=2×3m=6m ,拉力做的有用功: W 有用=Gh=400N×3m=1200J ;拉力做的总功: W 总=Fs=300N×6m=1800J .滑轮组的机械效率:当提升重物的重力增加,做的有用功就变大,而额外功几乎不变,所以机械效率变大. 【考点】滑轮组的机械效率4. 某实验小组利用如图所示的装置测滑轮组机械效率,记录数据如下表:试验序号钩码g/N钩码上升的高绳端的拉力/N 绳端移动的距机械功率(1)实验时,应沿竖直方向 拉动弹簧测力计.(2)第②次实验中,拉力做的总功是 J ,滑轮组做的有用功是 J ,滑轮组的机械效率= %(结果保留一位小数).【答案】(1)匀速;(2)0.72;0.6;83.3【解析】(1)匀速拉动弹簧测力计时,整个系统处于平衡状态,且弹簧秤示数稳定,便于读数;(2)【考点】机械效率5. 如图所示,小明分别用甲、乙两个滑轮把同一袋沙子从地面提到二楼,用甲滑轮所做的总功为W 1,机械效率为η1;用乙滑轮所做的总功为W 2,机械效率为η2.若不计绳重与摩擦,则A .W 1 = W 2,η1 =η2B .W 1 <W 2,η1>η2C .W 1 < W 2,η1 <η2D .W 1 > W 2,η1 <η2【答案】B【解析】本题中提升同一袋沙子到二楼,克服沙子重力做的有用功相同。
物理实验:探究斜面机械效率试题
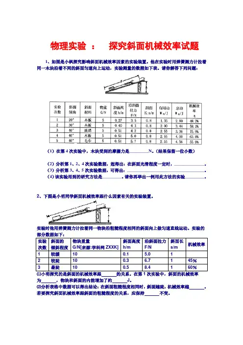
1、如图是小枫探究影响斜面机械效率因素的实验装置。
他在实验时用弹簧测力计拉着同一木块沿着不同的斜面匀速向上运动,实验测量的数据如下表。
请你解答下列问题:
(1)在第4次实验中,木块受到的摩擦力是_________N。
(结果保留一位小数)
(2)分析第1、2、4次实验数据,尅得出:在斜面光滑程度一定时,______________。
(3)分析第3、4、5次实验数据,可得出:____________________________________。
(4)该实验用到的研究方法是_________。
请你再举出一例用此方法的实验_________。
2、下图是小明同学斜面机械效率跟什么因素有关的实验装置。
实验时他用弹簧测力计拉着同一物块沿粗糙程度相同的斜面向上做匀速直线运动。
实验的部分数据如下:
⑴小明探究的是斜面的机械效率跟的关系。
在第
为,物块和斜面的内能增加了约J。
⑵分析表格中数据可以得出结论:在斜面粗糙程度相同时,斜面越陡,机械效率越。
若要探究斜面机械效率跟斜面的粗糙程度的关系,应保持不变。
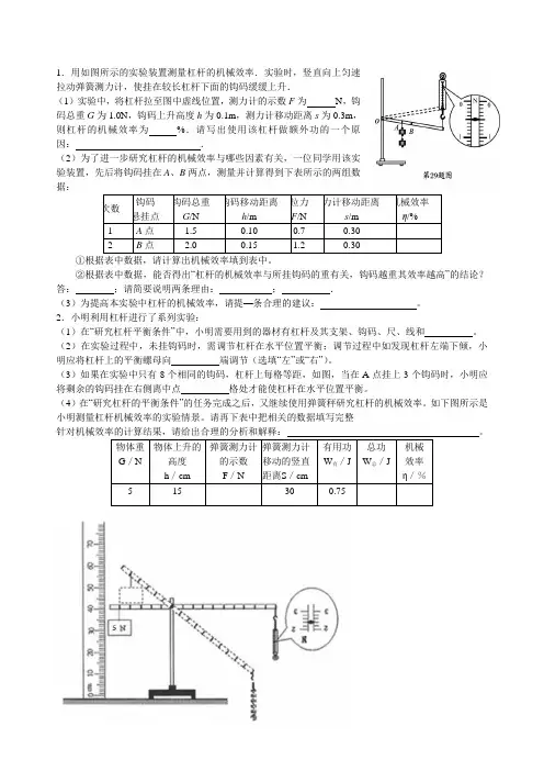
1.用如图所示的实验装置测量杠杆的机械效率.实验时,竖直向上匀速拉动弹簧测力计,使挂在较长杠杆下面的钩码缓缓上升.(1)实验中,将杠杆拉至图中虚线位置,测力计的示数F 为 N ,钩码总重G 为1.0N ,钩码上升高度h 为0.1m ,测力计移动距离s 为0.3m ,则杠杆的机械效率为 %.请写出使用该杠杆做额外功的一个原因: .(2)为了进一步研究杠杆的机械效率与哪些因素有关,一位同学用该实验装置,先后将钩码挂在A 、B 两点,测量并计算得到下表所示的两组数据:次数 钩码 悬挂点 钩码总重 G /N 钩码移动距离 h /m 拉力 F /N 测力计移动距离 s /m 机械效率η/% 1 A 点 1.5 0.10 0.7 0.30 2B 点2.00.151.20.30①根据表中数据,请计算出机械效率填到表中。
②根据表中数据,能否得出“杠杆的机械效率与所挂钩码的重有关,钩码越重其效率越高”的结论?答: ;请简要说明两条理由: ; .(3)为提高本实验中杠杆的机械效率,请提—条合理的建议: 。
2.小明利用杠杆进行了系列实验:(1)在“研究杠杆平衡条件”中,小明需要用到的器材有杠杆及其支架、钩码、尺、线和 。
(2)在实验过程中,未挂钩码时,需调节杠杆在水平位置平衡;调节过程中如发现杠杆左端下倾,小明应将杠杆上的平衡螺母向 端调节(选填“左”或“右”)。
(3)如果在实验中只有8个相同的钩码,杠杆上每格等距,如图,当在A 点挂上3个钩码时,小明应将剩余的钩码挂在右侧离中点 格处才能使杠杆在水平位置平衡。
(4)在“研究杠杆的平衡条件”的任务完成之后,又继续使用弹簧秤研究杠杆的机械效率。
如下图所示是小明测量杠杆机械效率的实验情景。
请再下表中把相关的数据填写完整针对机械效率的计算结果,请给出合理的分析和解释:。
物体重 G /N 物体上升的 高度 h /cm 弹簧测力计 的示数 F /N 弹簧测力计 移动的竖直 距离S /cm 有用功 W 有/J 总功 W 总/J 机械 效率 η/% 5 15 30 0.753.图20所示的实验装置可以探究杠杆受两个阻力(F 2、F 3)时的平衡条件。
第十二章简单机械 12.3 机械效率实验题练习(有答案)1.某小组在“测滑轮组机械效率的实验”中得到的数据如下表所示,实验装置如下图所示.(1)实验中应沿竖直方向___________缓慢拉动弹簧测力计.(2)小组同学发现实验过程中边拉动边读数,弹簧测力计示数不稳定,应该静止读数,你认为他的想法_________(选填“正确”或“不正确”),因为他没有考虑到___对滑轮组机械效率的影响.(3)根据表中第1次实验数据,得出第一次实验的机械效率是_____________.(4)通过比较____两次实验数据得出结论:同一滑轮组提升重物时,物重越大,滑轮组的机械效率越高.(填实验次数的序号)(5)通过比较2、3两次实验数据可得出结论:不同滑轮组提升相同重物时,动滑轮越重,滑轮组的机械效率___________.【答案】匀速不正确摩擦 74%(或者74.1%) 1、2 越低2.小明对“斜面的机械效率与什么因素有关?”这一课题,提出了如下一些值得探究的猜想:①斜面的机械效率与斜面的倾斜程度有关;②斜面的机械效率与斜面的粗糙程度有关;③斜面的机械效率与斜面的长度有关;④斜面的机械效率与物体的重力有关.小明用弹簧测力计沿同一斜面匀速向上拉动物块,收集了下表中的实验数据.(1)则小明探究的是猜想____________,分析表中的数据可得出:在其它条件一定时,斜面越缓越_________力(选填“省”或“费”);斜面越陡,机械效率越____________(选填“高”或“低”).(2)该小组又进行了第4次实验,他们在斜面上铺上棉布,使斜面变粗糙,保持斜面高和长分别是0.5m和1m,用弹簧测力计拉动同一牧场沿斜面向上做匀速直线运动,读出此进弹簧测力计的示数为4.5N,他们测得这种情况下斜面的机械效率为__.把第4次与第___次测量结果相比较,还能得出,在其它条件一定时,斜面越粗糙,斜面的机械效率越_____.(3)当用弹簧测力计沿斜面匀速向上拉动物块时,物块所受的拉力____________物块所受的摩擦力(选填“大于”、“小于”或“等于”)【答案】①省高 55.6% 2 低大于3.小明在“测滑轮组机械效率实验中,组装好如图所示的实验装置,并且记下了钩码和弹簧测力计的位置.(1)小明_____向上拉动弹簧测力计,使钩码升高,并由弹簧测力计读出拉力为0.5N,同时用刻度尺测出钩码提升的高度为0.1m,以上测量准确无误,其它被测物理量和计算的数据如下表:(2)小明利用表格中的数据计算出机械效率是100%错误的原因是_____.(3)该滑轮组的机械效率实际为_____.(4)若本次实验中绳重和摩擦忽略不计,若钩码重增加到4N,该滑轮组的机械效率为_____(保留小数点后一位).2【答案】匀速竖直弹簧测力计提升的高度错了,应为0.5m 80% 88.9% 4.小明在测滑轮组机械效率时,记录了如下实验数据(不计绳重和摩檫)(1)根据表中数据画出滑轮组的绕线方式(如图中).(______)(2)根据表中数据计算滑轮组的机械效率为_____.(3)若绳子承受最大拉力为20N,此滑轮组的最大效率为_____.(4)当动滑轮重为_____N时,使用该滑轮组提起10N重的钩码刚好省一半的力.(5)在实验中重物移动的速度为0.1m/s.拉绳的功率为3W,则有用功率为_____.【答案】 89% 99% 5 2.95W5.小明在做测量滑轮组的机械效率的实验中,用同一滑轮组进行了3次实验,如图所示,实验数据记录如表。
备考2023年中考科学一轮复习-机械效率的计算-实验探究题专训及答案(二)机械效率的计算实验探究题专训1、(2020顺义.中考模拟) 在“测量滑轮组机械效率”的实验中,用同一个滑轮组匀速提升不同数量的钩码,记录数据如下表所示。
实验次数钩码的重力G/N钩码被提升的高度h/m绳端拉力F/N绳端移动的距离s/m机械效率1 2 0.1 0.9 0.3 74%2 4 0.1 1.6 0.3 83%3 6 0.1 2.3 0.3(1)第三次实验中,滑轮组提升钩码的机械效率为________%(保留整数);(2)由表格中的直接测量数据可得到提高该滑轮组机械效率的方法是________;(3)钩码被提升的高度不同,该滑轮组的机械效率是否不同?请作出判断,并说明依据。
2、(2020通州.中考模拟) 在“探究影响滑轮组机械效率的因素”实验中,小明用同一滑轮组做了3次实验,实验数据记录如下表所示,其中G动为动滑轮重力、G 物为滑轮组所挂钩码的重力、h为钩码上升高度、F为绳子自由端的弹簧测力计的拉力、s为弹簧测力计上升的距离:次数G动/N G物/N h/cm F/N s/cm η1 12 5 1.0 15 66.7%2 1 4 5 1.7 15 78.4%3 1 6 5 15(2)实验中,使用滑轮组提升重物时,应竖直向上________拉动弹簧测力计;(3)进行第3次测量时,弹簧测力计示数如图乙所示,则测力计的拉力为________N,滑轮组的机械效率约为________%(计算结果保留一位小数);(4)分析1、2、3次实验数据发现,用同一滑轮组提升重物时,重物的重力越大,滑轮组的机械效率越________(选填“高”或“低”)。
3、(2020甘井子.中考模拟) 某班同学在“测量斜面的机械效率”实验时,所用实验器材有长木板、支架、弹簧测力计、刻度尺、重力为5.4N木块(带挂钩)如图所示,将长木板和支架搭成长1.0m、高0.2m的斜面,用弹资测力计沿斜面向上匀速拉动木块。
11、测量滑轮组的机械效率实验探究专题【考点方向】:1、装置:如右图2、实验原理:3、待测量:物重G、拉力F、重物上升的距离h、弹簧测力计移动的距离S。
4、必须匀速拉动弹簧测力计使钩码升高,目的:使弹簧测力计示数大小不变。
5、结论:①用不同的滑轮组提升同一重物时,机械效率不同。
②同一滑轮组,被提升的物体越重,机械效率越高。
6、同一滑轮组,绕线方法和重物提升高度不影响滑轮机械效率。
7、测量机械效率时为什么不能使弹簧测力计静止?机械效率会怎样?答:当弹簧测力计静止时,绳子和滑轮之间没有摩擦力,拉力示数会变小,用功在总功中占的比例增大,滑轮组的机械效率偏大。
【经典例题】:1、下面是小明和小红的“测量滑轮组的机械效率”实验报告,实验名称:测量滑轮组的机械效率实验步骤:(1)观察弹簧测力计的量程、零刻度线和。
(2)如图1所示,测量物体G所受的重力为。
(3)如图2所示,实验过程中,拉动弹簧测力计并读出拉力F的数值,用测出的物体G上升的高度h和弹簧测力计移动的距离s,将数据填入表格。
根据表格中的数据,可以知道他们选用的滑轮组是(选填甲”或“乙”)(4)仅改变重物G上升的高度,重复上面的实验,记录并计算实验数据实验记录:实验次数物体重量G/N物体上升高度h/cm拉力F/N弹簧测力计移机动的距离s/cm机械效率η1 5.00 1.80 15.00 85.2%2 8.00 1.77 24.00 86.6%3 10.00 1.75 30.00 87.6%实验结论:滑轮组的机械效率与所提升物体的高度有关。
实验讨论与交流①小明和小红的实验结论:(选填“科学”或“不科学”),请说明你的理由。
②小明认为提升的物重会影响该滑轮组的机械效率,建议进一步探究:改变,重复实验(3)步骤,计算出机械效率进行比较分析。
2、小明在“测量滑轮组的机械效率”的实验中,用如图11-4-15甲所示的装置匀速提起重物,并做了如下实验记录:(1)根据上表可算出,W有用=________J,W总=________J。
五、探究题1、(2010济宁)某实验小组探究影响滑轮组机械效率的因素的实验装置如图7所示,实验数据如下表。
若不计摩擦,比较1和2两次的实验数据,能够看出滑轮组的机械效率与相关;比较1和3两次的实验数据,能够看出滑轮组的机械效率与相关。
答案:动滑轮的个数(或动滑轮的总重);提升的物重.(2010武汉) (5分)下图是小明同学斜面机械效率跟什么因素相关的实验装置。
实验次数斜面的倾斜水准物块重量G/N斜面高度h/m沿斜面拉力F/N斜面长s/m机械效率1 较缓10 0.1 5.0 12 较陡10 0.3 6.7 1 45%3 最陡10 0.5 8.4 1 60%⑴小明探究的是斜面的机械效率跟的关系。
在第1次实验中,斜面的机械效率为,物块和斜面的内能增加了约J。
⑵分析表格中数据能够得出结论:在斜面粗糙水准相同时,斜面越陡,机械效率越。
若要探究斜面机械效率跟斜面的粗糙水准的关系,应保持不变。
答案:⑴斜面的倾斜水准20%4 ⑵高斜面的倾斜水准3.(2010莆田)(7分)为了探究斜面的机械效率与斜面的倾斜水准及物重的关系,小华在斜面上每次都匀速拉动物块(如图)‘实验数据记录如下:实验次数斜面倾角θ物重G/N 物块上升高度h/m 拉力F/N 移动距离S/m机械效率η1 300 5.0 0.25 3.4 0.50 73.5%2 400 5.0 0.35 4.2 0.50 83.8%3 50010.0 0.35 8.4 0.50(1)根据表中数据可求出第3次实验的有用功是______J,总功是______J,机械效率为_____。
(2)分析表中数据,能够得出的初步结论是:在其他条件不变的情况下,斜面倾角越大,所需的拉力越______,斜面的机械效率越______,斜面的机械效率与物重_______ (填“相关”或“无关”)。
图7答案:(7分)(1)3 .5(1分) 4.2(1分) 83. 3%(2分) (2)大(1分)高(或大)(1分) 无关(1分)4.(2010福州)(6分)小刚小组探究了影响滑轮组机械效率的因素后,联想斜面也是一种机械,那么斜面的机械效率与斜面的哪些因素相关呢?小刚猜想斜面的机械效率可能跟斜面的粗糙水准相关,小萌猜想可能跟斜面的倾斜水准相关。
于是他们将一块长木板的一端垫高,构成长度一定、高度可调的斜面,用弹簧测力计拉着同一木块沿不同的斜面匀速向上运动,如图28所示。
下表是他们实验记录的相关数据。
(1)在第1、2、3次实验中,选用玻璃、木板、毛巾作为斜面表面的材料,是为了____________________________________________________________.(2)在第2次实验中,拉力做的总功是____________J,斜面的机械效率是____________。
(3)分析第1、2、3次实验数据,能够得出:当其它条件一定时,_____________________。
(4)若通过度析第1、4、5次实验数据,得出斜面倾斜水准越大,斜面的机械效率越大。
你认为存有的问题是:______________________________________________。
(5)实验中还发现,斜面材料相同时,斜面倾角越小,越____________(选填“省力”或“费力”)。
答案:(6分)(1)改变接触面的粗糙水准(2)6 58.3%(3)斜面的粗糙水准越大(或小),斜面的机械效率越低(或高)。
(4)没有控制接触面的粗糙水准相同(5)省力5、(2010泸州)在探究“斜面的机械效率高低与斜面的倾斜水准有什么关系”的实验中,用沿斜面向上的力F拉动小车,使小车从斜面底端匀速运动到斜面顶端,如图所示。
多次改变斜面倾斜水准,部分实验数据记录在下面的表格中,根据表格中数据回答下列问题:斜面倾斜度小车重量G/N斜面高度h/m沿斜面拉力F/N斜面长S/m有用功W有/J总功W总/J斜面的机械效率较缓10 0.1 3 1 1 3 33.3%较陡10 0.2 4 1 2 4 50%最陡10 0.4 1 6(1)当斜面“最陡”时,沿斜面拉力为N;做的有用功为J;斜面的机械效率为%。
(2)通过对上述实验数据的分析,你认为斜面省力情况与斜面倾斜水准的关系是:斜面越陡,需要的拉力越。
(3)根据上面实验数据,你能够获得该实验探究的初步结论是:。
答案:6;4;66.7;大;斜面越陡,机械效率越高。
6.(2010潍坊)(8分)如图所示,下面是某同学做探究“斜面的机械效率与斜面的粗糙水准、斜面的倾斜水准的关系”实验时,得到如下实验数据.(1)此探究实验是采用了_____________的物理研究方法。
(2)请将上表中空格补充完整.(3)请你根据表中的实验数据,得出要探究的实验结论:结论一:___________________________________________________________。
结论二:____________________________________________________________。
答案:控制变量法;0.756;0.9;84;斜面越陡,机械效率越高;斜面越粗糙,机械效率越低。
(10·福州)7.(6分)小刚小组探究了影响滑轮组机械效率的因素后,联想斜面也是一种机械,那么斜面的机械效率与斜面的哪些因素相关呢?小刚猜想斜面的机械效率可能跟斜面的粗糙水准相关,小萌猜想可能跟斜面的倾斜水准相关。
于是他们将一块长木板的一端垫高,构成长度一定、高度可调的斜面,用弹簧测力计拉着同一木块沿不同的斜面匀速向上运动,如图28所示。
下表是他们实验记录的相关数据。
(1)在第1、2、3次实验中,选用玻璃、木板、毛巾作为斜面表面的材料,是为了________________________________ ____________________________.(2)在第2次实验中,拉力做的总功是____________J,斜面的机械效率是____________。
(3)分析第1、2、3次实验数据,能够得出:当其它条件一定时,_____________________。
(4)若通过度析第1、4、5次实验数据,得出斜面倾斜水准越大,斜面的机械效率越大。
你认为存有的问题是:______________________________________________。
(5)实验中还发现,斜面材料相同时,斜面倾角越小,越____________(选填“省力”或“费力”)。
(1)改变接触面的粗糙水准(2)6 58.3%(3)斜面的粗糙水准越大(或小),斜面的机械效率越低(10·龙岩)8.某实验小组测一滑轮组机械效率的数据如下表:实验次数 动滑轮 重G 动/N 钩码重 G 物/N 钩码上升 高度h 物/m 直接将钩码 举高做的功 W 有用/J 动力F 动/N动力作用点移动距离 S 动/m 使用滑轮组动力做的功 W 总/J 滑轮组的机械效率η 1 0.531 0.1 0.1 0.7 0.3 0.21 47.6%2 2 0.1 0.2 1.1 0.3 0.33 60.6% 340.10.420.30.666.6%(1)请你在图18中画出本实验的绕绳方法。
(2)用同一滑轮组提升不同重物至同一高度:克服动滑轮的重所做的额外功 (填“相同”或“不同”);提升的物重增加时,克服摩擦和绳重所做的 额外功变 ,滑轮组的机械效率变 。
(3)多次改变提升的物重测量滑轮组的机械效率,目的是为了 。
(填字母)A.减小摩擦B.多次测量取平均值减小误差C.获得多组数据归纳出物理规律 (4)由本实验 (填“能”或“不能”)推断:任何机械的机械效率跟物重均 相关。
(1)图略(n=3) (2)相同;大;大 (3)C (4)不能(10·安顺)9、在“探究影响滑轮组机械效率的因素”实验中,某同学用如图8所示的同一滑轮组分别做了三次实验,实验数据记录如下:(1)写出表中标有编号①、②和③的空格处的数据? (2)在实验操作中应该怎样拉动弹簧测力计? (3)分析实验数据,同一滑轮组的机械效率主要与什么因素相关?为什么? (4)不同滑轮组的机械效率又与其它哪些因素相关呢?(列举一例)(1)①88.9%,②约 2 2,③30。
………………………………………………………图18图18F1W Gah ahiGhFW Fs G h nFh G hG====+++有动动动有G(2)竖直匀速向上…………………………………………………………………-(1分)(3)主要与所吊物重相关。
………………………………………………………(1分)因为,用同一滑轮组对不|司物体做功盯,其额外功基本小变,根据2162418()6R R R=-=-=Ω总绿1Wη=-额总W可知,物重越重其W总越大,而η越大…………(2分)(4)动滑轮重………………………………………………………………………·(1分)(10.长春)10、(4分)在“探究影响滑轮组机械效率的因素”实验中,小红用如图7所示的滑轮组分别做了三次实验,第一次使用塑料滑轮,第二次使用铝制滑轮,第三次使用铁制滑轮,实验数据记录如下表:实验次数物重G/N物体上升的距离h/cm弹簧测力计的读数F/N弹簧测力计上升的距离s/cm机械效率η1 3 10 1.6 30 62.5%2 3 10 2 30 50%3 3 10 2.5 30 40%(1)这个实验使用的测量工具是刻度尺和弹簧测力计。
(2)在实验操作中应竖直向上匀速拉动弹簧测力计。
(3)在表中的空格处填上第三次实验的机械效率。
(4)从实验数据分析可知:提升同一物体,动滑轮越重,滑轮组的机械效率越低。
11(10·滨州)在探究斜面机械效率的试验中,小明提出了“斜面的机械效率与斜面的倾斜水准相关”的猜想。
(1)要测量斜面的机械效率,除了长木板和木块(如图所示)外,还需要的主要测量工具是刻度尺和。
(2)在试验过程中,应沿斜面向上拉动木块,使其做运动。
(3)要验证以上猜想,需要控制不变的因素有:。
(4)斜面在我们生活中的应用有(只写出一条即可)。
21、(1)弹簧测力计(2)匀速直线(3)同一木块(4)盘山公路(10·泸州)12、在探究“斜面的机械效率高低与斜面的倾斜水准有什么关系”的实验中,用沿斜面向上的力F拉动小车,使小车从斜面底端匀速运动到斜面顶端,如图所示。
多次改变斜面倾斜水准,部分实验数据记录在下面的表格中,根据表格中数据回答下列问题:斜面倾斜度小车重量G/N斜面高度h/m沿斜面拉力F/N斜面长S/m有用功W有/J总功W总/J斜面的机械效率较缓10 0.1 3 1 1 3 33.3%较陡10 0.2 4 1 2 4 50%最陡10 0.4 1 6(1)当斜面“最陡”时,沿斜面拉力为 N;做的有用功为 J;斜面的机械效率为 %。