电机安装尺寸表[1]
- 格式:doc
- 大小:578.00 KB
- 文档页数:17
L 系 列 冷 却 塔 风 机 使 用 说 明 书(直径>6000毫米)上海尔华杰机电装备制造有限公司(原上海化工机械二厂)目录1 概述22 结构和安装尺寸 23 技术参数 84 安装 95 开车13 6运行维护 13 7易损件目录 15 8差异表 171 概述上海尔华杰机电装备制造有限公司,专业生产各种冷却塔风机和空冷器风机,L 系列冷却塔风机是我公司集多年设计、制造冷却塔风机、空冷器风机的经验,并在吸收国内、外先进技术的基础上,经过不断改进、完善而形成的技术优良、性能可靠的冷却塔专用风机。
曾获得国家质量银质奖,多次获得部、市级科技成果、科技进步、优秀新产品等奖项。
并获得三项专利及一项著作权。
我厂的L 系列冷却塔风机,已广泛应用于电力、石化、化工、冶金等行业的工业循环水系统;由于长期连续工作在湿热环境中,故该设备的正确安装就位及日常维护保养显得尤为重要。
为了使其能更好地为广大用户服务,延长使用寿命,特编写本说明书,方便用户的保养工作,并供操作和维护人员查阅参考。
2 结构和安装尺寸L 系列冷却塔风机由叶轮、M 型减速机或H 型减速机、联轴器、油系统和电机组成;风机类别:L 表示水冷却塔风机。
风机直径:用毫米表示。
叶片系列:用一位字母表示。
现有A 系列、B 系列、C 系列、D 系列、G 系列、K 系列风机叶片数:用2位数字表示。
减速器类别:M 系列、H 系列。
联轴器类别:B:不锈钢、T:碳钢、C:碳纤维。
(无传动轴时,此位没有) 附加标识:用一位或二位英文字母或数字附加表示。
示例:L8532B08MB 表示为:L8532风机、8叶片单夹板、BXZ 叶型、M 系列减速机、弹性柱销不锈钢联轴器。
风机类别: 水冷却塔风机风机直径: 8532mm ;叶片系列: B 系列 ;风机叶片数: 8 ;减速器类别:M 系列 联轴器类别:不锈钢风机总成结构表风机型号 老风机型号 电机 联轴器减速机叶轮 油系统L7000A06MB-M 7000AXZ06-3150DA1L7000D06MB L70(6)-155* Y280M-4MSRL3007000DXZ06-3157DA1 YST.2L7700B06MB-NM L77(6)-145-* Y315S-47700BXZ06-3570DA1 L8000B06MB-NM L80A(6)-155* 8000BXZ06-3560DA1L8000B08MB-NM L80A(8)-155* 8000BXZ08-3560DA1 L8000B10MB-NM L80D(10)-155* MSRL350A 8000BXZ10-3560DA1YST.3L8000D06HB 8000DXZ06-3551DBBL8000D08HB HSRL3008000DXZ08-3551DBB YST.1L8532B06MB-NM L85A(6)-136* 8532BXZ06-3825DA1L8532B08MB-NM L85A(8)-136*8632BXZ08-3825DA1 L8532B10MB-NM L85D(10)-136* Y315L1-4MSRL350A 8532BXZ10-3825DA1 L8532D06HB 8532DXZ06-3820DB8L8532D08HB Y355S1-4MBDA HSRL3508532DXZ08-3820DB8L9144B06MB-N1 L92B(6)-136* MBFC MSRL350A 9144BXZ06-4131DA1L9144B08MB-N1 9144BXZ08-4131DB8L9144B10MB-N1 L92D(10)-127*Y355S2-4MSRL350DL9144B10HB-N L92E(10)-127* Y315L1-49144BXZ10-4131DB8L9144D06HB9144DXZ06-4123DB8 L9144D08HB Y355S2-4HSRL3509144DXZ08-4123DB8YST.3 L9754D06HB 9754DXZ06-4430DBDL9754D08HB Y355M2-4MBFB HSRL4009754DXZ08-4430DBDYST.4注:*号表示新风机相当于老风机有所改进。
电机尺寸标准电机作为现代工业生产中不可或缺的设备之一,其尺寸标准对于产品设计和生产具有重要的指导意义。
电机尺寸标准主要包括外形尺寸、安装尺寸和轴向尺寸等方面,下面将对这些方面进行详细介绍。
首先,外形尺寸是指电机外部的尺寸参数,包括长度、宽度、高度等。
这些尺寸参数是根据电机的功率、额定转速、使用环境等因素确定的,一般来说,功率越大的电机,外形尺寸也会相应增大。
在设计电机外形尺寸时,需要考虑到电机的散热、安装和维护等方面的要求,确保电机在使用过程中能够正常运行。
其次,安装尺寸是指电机安装时需要考虑的尺寸参数,包括安装螺栓孔的位置、尺寸、轴心高度等。
这些尺寸参数直接影响到电机的安装和连接,对于保证电机与其他设备的配合和安装质量具有重要作用。
在确定安装尺寸时,需要考虑到电机的安装方式、使用环境和安全要求,确保电机安装稳固、可靠。
最后,轴向尺寸是指电机轴向方向的尺寸参数,包括轴承座尺寸、轴端尺寸等。
这些尺寸参数对于电机的轴向装配和连接具有重要的影响,直接关系到电机的转子与定子的配合和传动的质量。
在确定轴向尺寸时,需要考虑到电机的转子结构、轴承类型和安装方式,确保轴向装配的精度和可靠性。
综上所述,电机尺寸标准是电机设计和生产中不可或缺的重要内容,合理的尺寸标准可以保证电机的性能和质量,提高电机的使用效率和可靠性。
因此,在进行电机设计和生产时,需要严格遵循相关的尺寸标准要求,确保产品的质量和安全。
同时,随着工业技术的不断发展,电机尺寸标准也需要不断进行更新和完善,以适应不同领域和不同要求的电机应用。
希望本文对电机尺寸标准有所帮助,谢谢阅读。
5.5kw电机方法兰尺寸
5.5kw电机的法兰尺寸可能因不同的制造商、型号和用途而有所不同。
然而,通常情况下,5.5kw电机的法兰尺寸可能为110mm-140mm之间。
具体的尺寸信息应该根据电机制造商提供的规格书或联系销售商来获取。
在购买电机时,除了功率之外,还需要考虑电机的尺寸、重量、转速、电压和电流等参数。
这些参数将直接影响电机的安装和使用效果。
例如,如果电机尺寸过大或过小,可能会导致无法正确安装或无法达到预期的使用效果。
因此,在选择电机时,需要仔细核对电机的参数和规格,以确保选择的电机能够满足实际需求。
此外,对于电机安装和维护而言,了解电机的型号、功率、转速等参数也是非常重要的。
例如,在维护电机时,需要根据电机的参数来确定使用的维护方法和工具。
因此,在电机使用和维护之前,需要仔细阅读电机制造商提供的说明书和规格书,以确保正确安装和维护电机。
总之,5.5kw电机的法兰尺寸可能为110mm-140mm之间,但具体尺寸需要根据电机制造商提供的规格书或联系销售商来获取。
同时,在选择和使用电机时,需要了解电机的参数和规格,以确保正确安装和维护电机。
机械设计根底课程设计课题名称:一级圆柱齿轮减速器的设计计算系别:机电工程系专业:机电一体化班级:12级机电班姓名:学号:指导教师:完成日期:年月日目录摘要1第一章绪论21.1概述21.2本文研究容2第二章减速机的介绍32.1减速机的特点、用途及作用32.2减速器的根本构造和根本运动原理4第三章电动机的选择63.1电动机类型和构造的选择63.2电动机容量选择63.3电动机转速73.4传动比分配和动力运动参数计算9第四章齿轮传动的设计及校核104.1齿轮材料和热处理的选择104.2齿轮几何尺寸的设计计算104.3 齿轮的构造设计15第五章V带传动的设计计算16各类数据的计算16第六章轴的设计与校核196.1轴的设计196.2轴材料的选择和尺寸计算196.3轴的强度校核20第七章轴承的选择和校核24轴承的选择和校核24第八章键的选择和校核288.1 I轴和II轴键的选择和键的参数288.2 I轴和II轴键的校核29第九章联轴器的选择和校核309.1联轴器的选择309.2联轴器的校核30第十章减速器的润滑和密封31减速器的润滑和密封31第十一章箱体设计32箱体的构造尺寸32第十二章参考文献35摘要齿轮传动是现代机械中应用最广的一种传动形式。
它的主要有优点是:1.瞬时传动比恒定、工作为平稳、传动准确可靠,可传递空间任意两轴之间运动和动力。
2.适用的功率和速度围广;η之间;3.传动效率高,%=.0-9885.0%92234.工作为可靠、使用寿命长;5.外轮廓尺寸小、构造运送。
由齿轮、轴、轴承及箱体组成的齿轮减速器,用于原动机和工作为机构之间,起匹配转速和传递转矩的作用力,在现代机械中应用极为广泛。
6.国的减速器多以齿轮传动为主,但普遍存在着功率与重量比小,或者传动比大而机械效率过低的问题。
减速器的种类很多,按照传动类型可分为齿轮减速器、蜗杆减速器和行星减速器以及它们互相组合起来的减速器;按照传动的级数可分为单级和多级减速器;按照齿轮形状可分为圆柱齿轮减速器、圆锥齿轮减速器和圆锥一圆柱齿轮减速器;按照传动的布置形式又可分为展开式、分流式和同轴式减速器。
电机尺寸标准电机尺寸标准是指在电机设计和制造过程中所遵循的尺寸规范,它直接影响着电机的性能和使用效果。
在实际应用中,电机尺寸的选择必须符合相应的标准,以确保电机能够正常运行并满足特定的工作要求。
本文将对电机尺寸标准进行详细介绍,以便读者更好地了解和应用相关知识。
首先,电机尺寸标准通常包括电机的外形尺寸、安装尺寸和关键部件尺寸等内容。
外形尺寸是指电机整体外观的尺寸参数,包括长度、宽度、高度等,这些参数通常会受到安装空间和外部环境等因素的限制。
安装尺寸则是指电机安装时所需的尺寸要求,包括安装孔距、安装底脚尺寸等,这些参数直接影响着电机的安装方式和稳固性。
关键部件尺寸则是指电机内部关键零部件的尺寸要求,如轴承尺寸、绕组尺寸等,这些参数直接关系到电机的性能和可靠性。
其次,电机尺寸标准的制定是基于电机的使用环境和工作要求的。
不同类型的电机在不同的应用领域中,其尺寸标准会有所不同。
例如,工业用电机通常需要考虑到大功率、高效率和长寿命等因素,因此其尺寸标准会相对较大;而家用电机则更注重外形美观和安装便捷,因此其尺寸标准会相对较小。
在制定电机尺寸标准时,必须综合考虑电机的使用环境、工作要求以及制造成本等因素,以便达到最佳的设计效果。
另外,电机尺寸标准的遵循对于电机的性能和可靠性具有重要影响。
如果电机尺寸过小,可能导致电机在工作过程中无法正常散热和运转,从而影响其使用寿命和安全性;而如果电机尺寸过大,不仅会增加制造成本,还可能导致电机在安装和使用过程中出现不必要的麻烦。
因此,选择合适的电机尺寸标准对于提高电机的性能和可靠性具有重要意义。
最后,随着科技的发展和应用领域的不断拓展,电机尺寸标准也在不断更新和完善。
新材料、新工艺和新技术的应用,为电机尺寸标准的制定和实施提供了更多的可能性。
未来,随着电机应用领域的不断扩大和需求的不断增加,电机尺寸标准将会更加趋于多样化和个性化,以满足不同用户的特定需求。
综上所述,电机尺寸标准是电机设计和制造过程中不可或缺的重要内容,它直接关系到电机的性能、可靠性和使用效果。
1、伺服电机型号说明2、伺服电机参数表●110系列伺服电机参数表EDSMT-2T110-060C 伺服电机型号 EDSMT-2T110-020A EDSMT-2T110-040A EDSMT-2T110-050A额定功率(KW)0.6 1.2 1.5 1.2 额定线电压(V)220 220 220 220 额定线电流(A) 2.5 5.0 6.0 4.5 额定转速(rpm)3000 3000 3000 2000 额定力矩(N.m) 2 4 5 6 峰值力矩(N.m) 6 12 15 12 反电势(V/1000r/min) 56 (54)(62) 83力矩系数(N.m/A) 0.8 0.8 0.83 1.33转子惯量(Kg.m2) 0.31×10-3 0.54×10-3 0.63×10-3 0.76×10-3绕组(线间)电阻(Ω) 4.02 1.09 1.03 1.46 绕组(线间)电感(mH)8.48 3.3 3.43 4.7 电气时间常数(ms) 2.1 3.0 3.33 3.2转矩—转速图(T—M)图1 图2 图3 图4伺服电机型号EDSMT-2T110-060A EDSMT-2T110-040C额定功率(KW) 1.8 0.8额定线电压(V) 220 220额定线电流(A) 6.0 3.3额定转速(rpm) 3000 2000额定力矩(N.m) 6 4峰值力矩(N.m) 18 12反电势(V/1000r/min) 60 (79)力矩系数(N.m/A) 1.0 1.2转子惯量(Kg.m2) 0.76×10-3 0.54×10-3绕组(线间)电阻(Ω) 0.81 2.41绕组(线间)电感(mH) 2.59 7.3电气时间常数(ms) 3.2 3转矩—转速图(T—M)图5 图编码器线数/(PPR) 2500F(155℃)电机绝缘等级 Class防护等级 IP65 使用环境环境温度: -20℃~ +50℃环境湿度:相对湿度<90%(不结霜条件)绕组引线 U V W PE电机绕组插座插座编号 2 3 4 1信号引线 5V 0V A+B+Z+A-B-Z-U+V+ W+ U- V-W-PE编码器插座插座编号234567891011121314151●130系列伺服电机参数表EDSMT-2T130-077B 伺服电机型号 EDSMT-2T130-040B EDSMT-2T130-050B EDSMT-2T130-060B额定功率(KW) 1.0 1.3 1.5 2.0额定线电压(V)220 220 220 220额定线电流(A) 4.0 5.0 6.0 7.5额定转速(rpm)2500 2500 2500 2500额定力矩(N.m) 4 5.0 6 7.7峰值力矩(N.m)12 15 18 22反电势(V/1000r/min)(69.3)68 65 68力矩系数(N.m/A) 1.0 1.0 1.0 1.03转子惯量(Kg.m2) 0.85×10-3 1.06×10-3 1.26×10-3 1.53×10-3绕组(线间)电阻(Ω) 2.76 1.84 1.21 1.01绕组(线间)电感(mH) 6.42 4.9 3.87 2.94电气时间常数(ms) 2.89 3.19 3.26 3.80转矩—转速图(T—M)图6 图7 图8 图9EDSMT-2T130-150B 伺服电机型号 EDSMT-2T130-100D EDSMT-2T130-100B EDSMT-2T130-150D额定功率(KW) 1.5 2.6 2.3 3.8额定线电压(V)220 220 220 220额定线电流(A) 6.0 10 9.5 17额定转速(rpm)1500 2500 1500 2500额定力矩(N.m)10 10 15 15峰值力矩(N.m)25 25 30 30反电势(V/1000r/min)103 70 114 67力矩系数(N.m/A) 1.67 1.0 1.58 0.88转子惯量(Kg.m2) 1.94×10-3 1.94×10-3 2.77×10-3 2.77×10-3绕组(线间)电阻(Ω) 1.29 0.73 1.1 0.49绕组(线间)电感(mH) 5.07 2.45 4.45 1.68电气时间常数(ms) 3.93 3.64 4.45 4.02转矩—转速图(T—M)图10 图11 图12 图13编码器线数/(PPR) 2500 电机绝缘等级 Class F (155℃) 防护等级 IP65使用环境 环境温度: -20 ℃~ +50℃ 环境湿度:相对湿度<90%(不结霜条件) 绕组引线 U V W PE 电机绕组插座 插座编号 2 34 1 信号引线 5V 0V A+B+Z+A-B-Z-U+V+ W+ U- V-W-PE 编码器插座插座编号234567891011121314151110/130系列伺服电机安装尺寸110系列 130系列 10 15额定转矩(N ·m)2 4 5 6 4 5 6 7.71500 2500 15002500LA 159 189 204 219 166 171 179 192 213 209 241 231 LB 55 55 55 55 57 57 57 57 57 57 LC 5 5 5 5 5 5 5 5 5 5 LD 12 12 12 12 14 14 14 14 14 14 LE 95 95 95 95 110 110 110 110 110 110 LF 110 110 110 110 130 130 130 130 130 130 LG 130 130 130 130 145 145 145 145 145 145 LZ 9 9 9 9 9 9 9 9 9 9 S 19 19 19 19 22 22 22 222222注:抱闸为8N.m;Dc99V。
YPT3系列变频调速三相异步电动机佳木斯电机股份有限公司YPT3系列变频调速三相异步电动机(机座号80mm~355mm)1.概述YPT3系列变频调速三相异步电动机是我公司自行开发设计的产品。
YPT3效率指标符合GB 18613-2012《中小型三相异步电动机能效限定值及能效等级》中的“电动机节能评价值”中的3级效率的规定.本系列电动机机座号范围为80mm~355mm,功率等级和安装尺寸符合GB/T4772.1/IEC 60072-1和GB/T4772.2/ IEC 60072-2标准的规定。
2.产品特点2.1 电动机采用独立通风(冷却方式为IC416)和自扇冷却(冷却方式为IC411)两种通风结构,前者调频范围为0~60Hz,4极以上可扩大调频范围,后者调频范围为35~60Hz。
2.2电动机主接线盒和独立风机的接线盒位于机座的顶部,可以左右出线,满足用户不同出线方式的要求;2.3机座号160及以上电机,可以根据用户需要提供定子测温装置、轴承测温装置、加热器、不停机注排油装置;2.4 机座号225及以上电机,可根据用户需要提供底脚调整螺栓孔;2.5 非轴伸端可安装编码器、测速机等辅助设备。
2.6 接线盒、机座、端盖和风罩的外形美观、样式新颖,并且有利于降噪和通风;2.7 电动机采用热分级为155(F)级绝缘系统,从而延长电机的使用寿命;2.8 电动机工作制为S1;2.9 外壳防护等级为IP55;2.10 如用于各种特殊环境,如:“W”、“TH”、“WTH”、“F1”、“F2”、“WF1”及“WF2”,其中:W为户外防轻腐蚀;TH为湿热;WTH为户外湿热;F1为户内防中等防腐;F2为户内防强腐蚀;WF1为户外防中等腐蚀;WF2为户外防强腐蚀,需在定货时提出。
2.11为了方便连接负载,在电动机轴伸端面均预留有C型中心孔;2.12机座号132及以上在电机机座底部安装有排水阀(安装方式为卧式);2.13 电动机的高质量保证了很高的运行可靠性;具有高效、节能、安全、环保等特点。
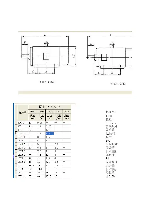
机座号: 112M极数: 2、4、6安装尺寸及公差|A|基本尺寸: 安装尺寸及公差|A/2|基本尺寸安装尺寸及公差|A/2|极限偏差安装尺寸及公差|B|基本尺寸: 安装尺寸及公差|C|基本尺寸: 安装尺寸及公差|C|极限偏差: 安装尺寸及公差|D|基本尺寸: 安装尺寸及公差|D|极限偏差: 安装尺寸及公差|E|基本尺寸: 安装尺寸及公差|E|极限偏差: 安装尺寸及公差|F|基本尺寸: 安装尺寸及公差|F|极限偏差: 安装尺寸及公差|G①|基本尺寸安装尺寸及公差|G①|极限偏差安装尺寸及公差|H|基本尺寸: 安装尺寸及公差|H|极限偏差: 安装尺寸及公差|K②|基本尺寸安装尺寸及公差|K②|极限偏差安装尺寸及公差|K②|位置度公外形尺寸|AB: 245外形尺寸|AC: 240外形尺寸|AD: 190外形尺寸|HD: 265外形尺寸|L: 400A|基本尺寸: 190及公差|A/2|基本尺寸: 95及公差|A/2|极限偏差: ±0.50及公差|B|基本尺寸: 140及公差|C|基本尺寸: 70及公差|C|极限偏差: ±2.0及公差|D|基本尺寸: 28及公差|D|极限偏差: (+0.009,-0.004)及公差|E|基本尺寸: 60及公差|E|极限偏差: ±0.370及公差|F|基本尺寸: 8及公差|F|极限偏差: (0,-0.036)及公差|G①|基本尺寸: 24及公差|G①|极限偏差: (0,-0.20)及公差|H|基本尺寸: 112及公差|H|极限偏差: (0,-0.5)及公差|K②|基本尺寸: 12及公差|K②|极限偏差: (0,-0.430)及公差|K②|位置度公差: φ1.0|AB: 245 |AC: 240 |AD: 190 |HD: 265 |L: 400。
Y系列(IP44)交流电机一、概述Y系列电动机是一般用途的全封闭自扇冷式鼠笼型三相异步电动机。
安装尺寸和功率等级符合IEC标准,外壳防护等级为IP44,冷却方法为IC411,连续工作制(S1)。
适用于驱动无特殊要求的机械设备,如机床、泵、风机、压缩机、搅拌机、运输机械、农业机械、食品机械等。
Y系列电动机效率高、节能、堵转转矩高、噪音低、振动小、运行安全可靠。
Y80~315电动机符合Y系列(IP44)三相异步电动机技术条件JB/T9616-1999。
Y355电动机符合Y系列(IP44)三相异步电动机技术条件JB5274-91。
Y80~315电动机采用B级绝缘。
Y355电动机采用F级绝缘。
额定电压为380V,额定频率为50Hz。
功率3kW 及以下为Y接法;其它功率均为△接法。
电动机运行地点的海拔不超过1000m;环境空气温度随季节变化,但不超过40℃;最低环境空气温度为-15℃;最湿月月平均最高相对湿度为90%;同时该月月平均最低温度不高于25℃。
电动机有一个轴伸,按用户需要,可制成双轴伸,第二轴伸亦能传递额定功率,但只能用联轴器传动。
按用户需要,还可供应其他功率、电压、频率、湿热带型(TH)、防护等级等电动机。
二、订货须知1.订货时请注明电动机型号、功率、调速、电压、频率、噪声及安装型式等。
若未注明噪声等级,均按2级供货。
2.对于5.5kW及以上的2极电动机和37kW及以上的4极电动机不能用皮带传动。
3.如有特殊要求,请在合同中注明,并事先与制造厂联系。
型号额定功率额定电流转速效率功率因数堵转转矩堵转电流最大转矩噪声振动速度重量额定转矩额定电流额定转矩1级2级kW Ar/min%COSФ倍倍倍dB(A)mm/skg 同步转速 1500r/min 4 级Y80M1-40.551.513973.00.76 2.4 6.0 2.35667 1.817Y80M2-40.75213974.50.76 2.3 6.0 2.35667 1.817Y90S-41.1 2.714078.00.78 2.3 6.5 2.36167 1.825Y90L-4 1.5 3.714079.00.79 2.3 6.5 2.36267 1.826 Y100L1-42.2514381.00.82 2.27.0 2.36570 1.834Y100L2-43 6.814382.50.81 2.27.0 2.36570 1.835Y112M-448.814484.50.82 2.27.0 2.36874 1.847Y132S-45.511.614485.50.84 2.27.0 2.37078 1.868Y132M-47.515.414487.00.85 2.27.0 2.37178 1.879Y160M-41122.614688.00.84 2.27.0 2.37582 1.8122Y160L-41530.314688.50.85 2.27.0 2.37782 1.8142Y180M-418.535.914791.00.86 2.07.0 2.27782 1.8174Y180L-42242.514791.50.86 2.07.0 2.27782 1.8192Y200L-43056.814792.20.87 2.07.0 2.27984 1.8253Y225S-43770.414891.80.87 1.97.0 2.27984 1.8294Y225M-44584.214892.30.88 1.97.0 2.27984 1.8327Y250M-45510314892.60.88 2.07.0 2.28186 2.8381Y280S-47514014892.70.88 1.97.0 2.28590 2.8535Y280M-49016414893.50.89 1.97.0 2.28590 2.8634Y315S-411020114893.50.89 1.8 6.8 2.29398 2.8912Y315M-413224014894.00.89 1.8 6.8 2.296101 2.81048Y315L1-416028914894.50.89 1.8 6.8 2.296101 2.81105Y315L2-420036114894.50.89 1.8 6.8 2.296101 2.8126Y355M1-4220407148894.40.87 1.4 6.8 2.2106 4.5169Y355M3-4250461148894.70.87 1.4 6.8 2.2108 4.5180Y355L2-4280515148894.90.87 1.4 6.8 2.2108 4.51945Y355L3-4315578148895.20.87 1.4 6.9 2.2108 4.51985。
电机安装尺寸表[1]机座带底脚、端盖上无凸缘的电动机安装尺寸机座号极数安装尺寸及公差外形尺寸Overall dimensionA A/2BCDEF G1)H K2)AB AC AD HD L 基本尺寸基本尺寸极限偏差基本尺寸基本尺寸极限偏差基本尺寸极限偏差基本尺寸极限偏差基本尺寸极限偏差基本尺寸极限偏差基本尺寸极限偏差基本尺寸极限偏差位置度公差80M 2、4 125 62.5 ±0.50 100 50±1.5 19 +0.009-0.00440±0.3106-0.03015.5-0.1080 0-0.510+0.360ф1.0 165 175 150 175 29090S 2、4、6 140 70 100 56 24 50 8 20 0 90 180 195 160 195 31590L 125-0.036 -0.20 340100L 160 80 140 63±2.0 28 60±0.3702410012+0.430205 215 180 245 380112M 190 95 140 70 112 245 240 190 265 400 132S2、4、6、8 216 10814089 38+0.018+0.00280 10 33 132 280 275 210 315475132M 178 515160M254 127±0.75 210108±3.042110 ±0.43012-0.04337 16015ф1.5330 335 265 385605160L 254 650180M279 139.5 241121 48 14 42.5 180 355 380 285 430670180L 279 710200L 318 159 305 133 55+0.030+0.011 16 49 20019+0.520395 420 315 475 775225S 4、8356 178 286149±4.060 140 ±0.500 18 53225 435 475 345 530820225M231155 110 ±0.430 16 49 8154、6、860140 ±0.5001853845250M2406 203±1.00349 168 25024ф2.0490 515 385 575 930 4、6、865 58280S2457 228.5 368190 280-0.10550 580 410 64010004、6、8 75 20-0.05267.5280M241965 18-0.043581050 4、6、8 75 20-0.05267.5315S2508 25440621665 180 -0.043 58 31528744 645 576 86512404、6、8、1080 170 22 0 -0.052 71 1270315M2457 65 140 18 0 -0.043 5813104、6、8、1080 170 22 0 -0.052 71 1340315L250865 140 18 0 -0.043 58 13104、6、8、1080 170 22 0 -0.05271 13401.G =D-GE ,GE 的极限偏差对机座号80为( +0.10 0 ),其余为( +0.200 )。
2.K 孔的位置度公差以轴伸的轴线为基准。
机座不带底脚、端盖上有凸缘的电动机安装尺寸机座号凸缘号极数安装尺寸及公差外形尺寸Overall dimensionD E F G1)MNP2)R3)S4)T凸缘孔数AC AD HF L 基本尺寸极限偏差基本尺寸极限偏差基本尺寸极限偏差基本尺寸极限偏差基本尺寸极限偏差基本尺寸极限偏差基本尺寸极限偏差位置度公差基本尺寸极限偏差80MFF1652、4 19+0.009-0.004 40±0.3106-0.03015.5-0.10165 130+0.014-0.011200±1.5 12+0.430ф1.03.5-0.1204175 150 185 29090S2、4、6 24 508 0-0.03620-0.20195 160 19531590L 340 100LFF215 28 60±0.370 24 215 180 250±2.0 15ф1.54215 180 245 380112M 240 190 265 400 132S FF265 2、4、6、8 38 +0.018 80 10 33 265 230 +0.016 300 275 210 315 475132M +0.002 -0.013 515 160MFF30042110 ±0.43012-0.043 37300 250 350±3.019+0.5205335 265 385605160L 650 180M48 14 42.5 380 285 430670 180L 710200L FF350 55+0.030+0.011 16 49 350 300 ±0.016 400 420 315 480 775225SFF400 4、8 60 140 ±0.500 18 53400 350 ±0.018 450 ±4.0 8 475 345 535820225M2 55 110 ±0.430 16 49 8154、6、8 60 140 ±0.500 18 53 8451.G=D-GE,GE的极限偏差对机座号80为(+0.10),其余为(+0.20)。
2.P 尺寸为最大极限值。
3.R 为凸缘配合面至轴伸肩的距离。
4.S 孔的位置度公差以轴伸的轴线为基准。
机座带底脚、端盖上有凸缘的电动机安装尺寸安装尺寸及公差A/2 B C D E F G1)H K2)MNP3)R4)S2)T基本尺寸极限偏差基本尺寸基本尺寸极限偏差基本尺寸极限偏差基本尺寸极限偏差基本尺寸极限偏差基本尺寸极限偏差基本尺寸极限偏差基本尺寸极限偏差位置度公差基本尺寸极限偏差基本尺寸极限偏差基本尺寸极限偏差位置度公差基本尺寸极限偏差62.5±0.50100 50±1.519+0.009-0.00440±0.3106 0-0.03015.5-0.1080-0.510+0.3600 ф1.0165 130+0.014-0.011200±1.5 12+0.430ф1.03.5-0.1 7010056 24 508209012510814089 38+0.018+0.00280 10 33 132 265 230+0.016-0.013300178127±0.75210108±3.042110 ±0.43012-0.04337 16015ф1.5300 250 350±3.019+0.5205 254139.5 241121 48 14 42.5 180 279159 305 133 55+0.030+0.011 16 49 20019+0.520350 300 ±0.016 400178 286149±4.060 140 ±0.500 18 53225 400 350 ±0.018 450±4.0 31155 110 ±0.430 16 4960140±0.5001853203±1.00 349 168 25024ф2.0500 450 ±0.020 55065 58228.5 368190 280-0.1075 20-0.05267.541965 18-0.0435875 20-0.05267.5机座号80为(+0.10),其余为(+0.20)。
的轴线为基准。
距离。
立式安装,机座不带底脚、端盖上有凸缘,轴伸向下的电动机安装尺寸机座号凸缘号极数安装尺寸及公差D E F G1)MNP3)R4)S2)T凸缘孔数AC AD HD L 基本尺寸极限偏差基本尺寸极限偏差基本尺寸极限偏差基本尺寸极限偏差基本尺寸极限偏差基本尺寸极限偏差基本尺寸极限偏差位置度公差基本尺寸极限偏差180M FF3002、4、6、8 48 +0.018+0.002110 ±0.430 14-0.04342.5-0.20300 250+0.016-0.013350 0 ±3.0 19+0.520ф1.55-0.1204 380 285 500730180L FF350 770200L 55+0.030+0.011 16 49 350 300 ±0.016 400 420 315 550 850225SFF400 4、8 60 140 ±0.500 18 53400 350 ±0.018 450±4.0 8475 345 610910225M2 55 110 ±0.430 16 49 9054、6、860140±0.500 1853935250MFF5002500 450 ±0.020 550515 385 650 1035 4、6、865 58280S2580 410 720 11204、6、8 75 20-0.05267.5280M2 65 18-0.043581170 4、6、8 75 20-0.05267.5315SFF6002 65 18-0.04358600 550 ±0.022 660 24ф2.06-0.150645 576 9001360 4、6、8、10 80 170 22-0.05271 1390315M2 65 140 18-0.04358 1460 4、6、8、10 80 170 22-0.05271 1490315L 2 65 140 18-0.04358 14604、6、8、10 80 170 220 -0.05271 14901.G =D-GE ,GE 的极限偏差对机座号80为( +0.10 0 ),其余为( +0.200 )。
2.P 尺寸为最大极限值。
3.R 为凸缘配合面至轴伸肩的距离。
4.S 孔的位置度公差以轴伸的轴线为基准。
Y 系列技术数据:型号功率 (KW)额定电流 IN (A)额定转速 nN (rpm)效率 η (%)功率因数 (cos)堵转转矩 堵转电流 最小转矩 最大转矩 额定转矩 Tst/TN额定电流 Lst/TN额定转矩 Tmin/TN额定转矩 Tmax/Tn同步转速3000转/分 rpmY80M1-2 0.75 1.8 283075.0 0.84 2.26.51.52.3Y80M2-2 1.1 2.5 77.0 0.86 7.0Y90S-2 1.5 3.4 2840 78.0 0.85 Y90L-2 2.2 4.7 80.5 0.86 1.4Y100L-2 3 6.4 2870 82.0 0.87 Y112M-2 4 8.2 2890 85.5Y132S1-25.51129000.882.0 1.2Y132S2-2 7.5 15 86.2 Y160M1-2 11 22 293087.2 Y160M2-2 15 29 88.2 Y160L-2 18.5 36 89.0 0.891.12.2Y180M2 22 43 2940 Y200L1-2 30 57 2950 90.0 Y200L2-2 37 70 90.5 Y225M-2 45 84 2970 91.5 1.0Y250M-2 55 103 Y280S-2 75 140 92.0 0.9Y280M-2 90 167 92.5 Y315S-2 110 200 2980 1.86.8Y315M-2 132 237 93.0 Y315L1-2 160 286 93.5Y315L2-22003560.8型号功率 (KW)额定电流 IN (A)额定转速 nN (rpm)效率 η (%)功率因数 (cos)堵转转矩 堵转电流 最小转矩 最大转矩 额定转矩 Tst/TN额定电流 Lst/TN额定转矩 Tmin/TN额定转矩 Tmax/Tn同步转速1500转/分 rpmY80M1-4 0.55 1.5 139073.0 0.76 2.46.01.72.3Y80M2-4 0.75 2.0 74.5 2.31.6Y90S-4 1.1 2.8 140078.0 0.78 6.5Y90L-41.53.779.00.79Y100L1-4 2.2 5.0 143081.0 0.82 2.27.01.5Y100L2-4 3 6.8 82.5 0.81 Y112M-4 4 8.8 1400 84.50.82 Y132S-4 5.5 12 85.5 0.84 1.4 Y132M-4 7.5 15 87.00.85 Y160M-4 11 23 146088.0 0.84 Y160L-4 15 30 88.5 0.85 Y180M-4 18.5 36 1470 91.00.862.01.22.2Y180L-4 22 43 91.5 Y200L-4 30 57 92.2 0.87Y225S-4 37 70 148091.8 1.9Y225M-4 45 84 92.30.881.1Y250M-4 55 103 92.6 2 Y280S-4 75 140 92.7 1.91.0Y280M-4 90 164 93.5 0.89Y315S-4 110 201 93.5 1.86.8Y315M-4 132 241 149094.0Y315L1-4 160 291 94.5Y315L2-42003540.9型号功率 (KW)额定电流 IN (A)额定转速 nN (rpm)效率 η (%)功率因数 (cos)堵转转矩 堵转电流 最小转矩 最大转矩 额定转矩 Tst/TN额定电流 Lst/TN额定转矩 Tmin/TN额定转矩 Tmax/Tn同步转速1000转/分 rpmY80M-6 0.55 1.8 91071.5 0.70 2.05.51.52.2Y90S-6 0.75 2.3 72.5 0.70 Y90 1.1 3.2 73.5 0.72 1.3Y100L-6 1.5 4.0 940 77.5 0.74 6.0 Y112M-6 2.2 5.6 80.5 Y132S-6 3 7.2 960 83.0 0.76 6.5Y132M1-6 4 9.4 84.0 0.77Y132M2-6 5.5 13 85.3 0.78Y160M-6 7.5 17 970 86.0 2.0Y160L-6 11 25 87.0 1.2Y180L-6 15 31 89.5 0.81 1.8Y200L1-6 18.5 38 89.8 0.83 Y200L2-6 22 45 90.2 Y225M-6 30 60 980 0.85 1.7Y250M-6 37 72 90.8 0.861.8Y280S-6 45 85 92.0 0.871.1Y280M-6 55 104 Y315S-6 75 141 990 92.8 1.61.0Y315M-6 90 168 93.2 Y315L1-6 110 204 93.5 Y315L2-613224593.8型号功率 (KW)额定电流 IN额定转速 nN效率 η功率因数 (cos)堵转转矩 堵转电流 最小转矩 最大转矩 额定转矩额定电流额定转矩额定转矩(A) (rpm) (%)Tst/TN Lst/TN Tmin/TN Tmax/Tn同步转速 750转/分 rpmY132S-8 2.2 5.6 71080.5 0.71 2.05.51.22.0Y132M-8 3 7.3 82.0 0.72 Y160M1-8 4 9.5 715 84.00.73 6.0 Y160M2-8 5.5 12.7 85.0 0.74 Y160L-8 7.5 17.0 86.00.75 5.5Y180L-8 11 24.4 73087.5 0.77 1.7 6.01.1 Y200L-8 15 32.9 88.0 0.76 1.8 Y225S-8 18.5 39.7 735 89.01.7 Y225M-8 22 46.4 90.0 0.78 1.8 Y250M-8 30 61.6 90.5 0.80 Y280S-8 37 76.1 74091.0 0.79 Y280M-8 45 90.8 91.70.80 1.0Y315S-8 55 111 92.0 1.66.5Y315M-8 75 150 92.5 0.81 0.9Y315L1-8 90 179 93.0 0.82Y315L2-811021993.36.3型号功率 (KW)额定电流 IN (A)额定转速 nN (rpm)效率 η (%)功率因数 (cos)堵转转矩 堵转电流 最小转矩 最大转矩 额定转矩 Tst/TN额定电流 Lst/TN额定转矩 Tmin/TN额定转矩 Tmax/Tn同步转速 600转/分 rpmY315S-104510059091.50.751.56.2/2.0Y315M-10 55 121 92 0.75 Y315L1-10 75 162 92.5 0.76。