AutoCAD练习图纸集
- 格式:doc
- 大小:2.02 MB
- 文档页数:23
cad练习图(全套)之南宫帮珍创作创作时间:二零二一年六月三十日
CAD课程用图
CAD机械练习图
1.2.1实习练习图:
1)
(2)(3)
4)
(5)
6)
(7)
(9)
(11)
(12)
(14)
(26)
CAD练习图(复杂篇)
下面的图涉及的主要难点有列阵、镜像、圆角、修剪、椭圆、两圆公切线画法、斜线角度精确画法等.
而且部份在后面的一些图中尺寸参数少, 但数据反映的定位尺寸和形状尺寸都是齐全的, 需要琢磨画图的先后顺序方可真确画出.考察读图与设计等能力.
图一:
涉及的知识点:两圆公切线画法、斜线角度精确画法、过一点的切线画法、列阵等.
图二:
涉及的知识点:两圆公切线画法、斜线角度精确画法、过一点的切线画法、列阵、镜像、圆角、修剪等.
图三:
涉及的知识点:两圆公切线画法、斜线角度精确画法、过一点的切线画法、列阵、镜像、圆角、修剪等.
下图涉及的知识点:两圆公切线画法、斜线角度精确画法、列阵、镜像、圆角、修剪、椭圆等.而且图中参数少, 但数据反映的定位尺寸和形状尺寸都是齐全的, 需要琢磨画图的先后顺序方可真确画出.考察读图与设计等能力.。
CAD练习图(6套)
下面的图涉及的主要难点有列阵、镜像、圆角、修剪、椭圆、两圆公切线画法、斜线角度精确画法等。
并且部分在后面的一些图中尺寸参数少,但数据反映的定位尺寸和形状尺寸都是齐全的,需要琢磨画图的先后顺序方可真确画出。
考察读图与设计等能力。
图一:
涉及的知识点:两圆公切线画法、斜线角度精确画法、过一点的切线画法、列阵等。
图二:
涉及的知识点:两圆公切线画法、斜线角度精确画法、过一点的切线画法、列阵、镜像、圆角、修剪等。
图三:
涉及的知识点:两圆公切线画法、斜线角度精确画法、过一点的切线画法、列阵、镜像、圆角、修剪等。
下图涉及的知识点:两圆公切线画法、斜线角度精确画法、列阵、镜像、圆角、修剪、椭圆等。
并且图中参数少,但数据反映的定位尺寸和形状尺寸都是齐全的,需要琢磨画图的先后顺序方可真确画出。
考察读图与设计等能力。
一、基本二维绘图练习1、辅助绘图工具练习图1—1输入点的相对直角坐标、相对极坐标绘制图形图1-2打开正交模式绘制图形【习题1-3】利用各种目标捕捉方式将图1-3a修改为图1-3b.图1-3利用目标捕捉功能绘制图形【习题1-4】打开极轴追踪模式(FIO),通过输入直线的长度绘制图1-4所示的图形.图1-4利用极轴追踪功能绘制图形【习题1-5】利用极轴追踪、自动捕捉及目标捕捉追踪功能将图1-5a修改为图1—5b.图1—5综合练习1【习题1—6】利用极轴追踪、自动捕捉及目标捕捉追踪功能绘制图1-6所示的图形。
图1—6综合练习22、实体绘图命令练习【习题1-7】利用Circle(圆)和Ellipse(椭圆)等命令绘制图1-7所示的图形。
图1-7绘制圆和椭圆【习题1-8】利用Polygon(正多边形)和Circle(圆)等命令绘制图1—8所示的图形。
图1-8绘制圆和正多边形【习题1-9】用Polygon(正多边形)和Circle(圆)等命令绘制图1—9所示的图形。
【习题1-10】用Pline(组合线)和Line(线)命令绘制图1—10所示的图形。
图1-9绘制圆和正多边形 图1-10绘制组合线3、编辑命令练习【习题1-11】用Offset(等距线)、Trim(修剪)和Line命令绘制图1-11所示的图形。
图1—11用Offset和Trim等命令绘制图形 图1-12绘制等距线【习题1—13】用Offset(等距线)和Extend(延伸)命令将图1-13a修改为图1—13b。
图1—13用Offset和Extend命令绘制图形【习题1-14】用Array(阵列)等命令绘制图1-14所示的图形。
图1—14用Array命令创建环形阵列【习题1—15】用Array(阵列)和Rotate(旋转)等命令绘制图1—15所示的图形。
图1-15用Array和Rotate命令绘制图形【习题1—16】用Fillet(倒圆角)和Chamfer(倒角)命令将图1-16a修改为图1-16b。
相对坐标@14,0;
相对坐标and极坐标@20<120;
相对坐标,极坐标,倒角。
矩形、圆、相对位置、镜像、切线
两圆,确定)
不恩能够画圆的;
多段线功能Pline(pl)
弧与三个圆相切(C—3P--TAN)
倒圆角(f,r为圆角半径),按特定角度旋转直线
R2(R14和R24接近的位置坐倒圆角,因此需要找到各自的圆心);R36和R24位置用直线和圆倒制定半径的圆弧(f命令--R)
矩阵、镜像、两圆切线、与两圆相切的圆弧(圆弧半径明确),所用明天F、tan
主要是矩阵的应用
确定圆心位置(弧,起点、端点、半径)通过弧可以找到圆心。
对象捕捉的灵活使用,捕捉节点,矩阵。
点的精确定位(@-7.5,0)
矩阵、剪切
相对坐标,角度标示的精确度
倒圆角、指定半径的圆弧、弧与两圆相切、弧与直线/圆相切。
圆心和垂足定圆、倒圆角、两点定圆、相对坐标、极坐标
较为特殊的命令是延长
最上面部分用圆的平移来得到,底座的倒角没有指定,高度也没有指定。
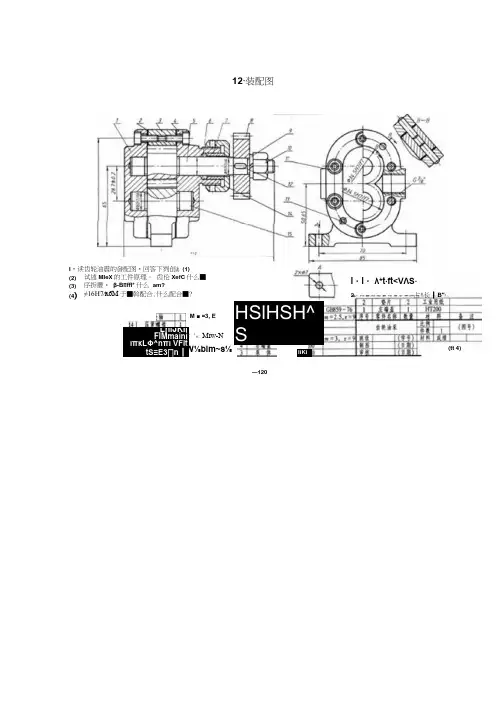
12∙装配图I•读齿轮油震的發配图•回答下刿创& (1)(2)(3)(4)试述MIeX的工件原理。
齿伦XefC什么■序拆叢・β-B≡ffl* 什么am?≠16H7∕R6M于■斡配合.什么配合■?M ■ =3, ELnlJKIlFlMmainiιπκLΦ^nπι VFlttS≡E3∏n∣:'« M IW-NW⅛bim~s⅛45(tt 4)IiKiHSlHSH^Sl・l・λ*t∙ft<VΛS∙2. 占*长∣B"∙—1202.读安全WWftftiffl, 回备下列Mtt∙(1) 试述安金肉的工0 原理•(2) 安全圧力在安金御上ID 何■■?(3> 4号辛件的作用昱 什么?(4) MΛIS<M 的昱什 么丧达Λtt?(5)从主•左AROJU •A.X 号■件 TBMHiA 四个小/U Ul何•小孔的作 用是什么?«12-1樓装配田C-CM1223.谕44(JK 的發配图•间答下刿 问IL(1) 试的工作WIfle(2)注■祭的IM 冷与βfHJ½Z 样解决的?(3)2×≠6BttΛ的作用蹩什么?(4)试述*件S 的拆卸过R∙«12-1決慕配田Mtl*1. mz∙ MMft -I* «.・7d⅛*tY1l9ff It 9 4∣S4NO*At*A-< t.H24H<β⅜λB^fle 2. fflt∙.5MP∙TtfiO, IftAIiffftt«4«.f YtM./4村NU×fΦKH7∕MI J ■ :nτrτn二 IQIIul∙ls ≡≡:"*叵•毘u w B κM 0√一.内宿根第*件图少・机用虎IltMee田。
二目的复习XlElQ的内W及規定■眩∙Aβ½M^EISft)方桩《1步■•审掘用卄算机½M¾βen的找巧• 三■1. i*{*机用虎憎發配R9∙ TMXΛ达方住•2. 拟定岀正・的绘图步Ir3•抄绘正扁.布图合AL IflHtttt. EttW⅛∙^∙四■注««91•用计Il机绘制・比Mi:U2. WKmAX«HniafT认真分衍∙MMSKX*•—124 —Lr2B-B"—1251. <t β<IAR2-S∙2. MΛ∙t*a⅛fΛGBα∣W4、®—IlJ⅛l ∕√×z ■ ・:仝"三: Z ZΛ6∙-≡≡≡Φ28枚术曼京1 •来注 IfR2T∙2. Att 尺寸未注公菱为GB/T 1804-m∙B⅜: 16-17-5IKll■«210Il技术要求 尺寸末注公i⅛GB∕T 1804-∏bI « #fc⅛≡l: 16-17-9 KLI 1 班软 €»145貞FTh. EOll (ft 幻* ⅛SUl128βt∙*: Atti ⅝GB∕T IeMm∙-- Mw×f ∖7~↑« <⅛≡⅜j⅛-∏-WJ i∙1Uih3M ⅜-1XT" y mZ×"1¾≠xZxzI S ■mir≡ι K≡Jis;a =駅a*ι* *GB∕T UM ・♦ (ft 4)I ≡ -站mI IMBflBHIQZ35 .AlEZ⅛ GB/TISM ・d4⅛K⅛*≡^f AGB/T IKM m.KiniLlBrairAlBMM—129 —iλ⅛iiκ⅞tι4⅛≥>ξLZ♦J 嘔•7X/Tr h W m∙2∙∙"∙H ∙■■注・5.m w f1. A2M<l4n-S>2. Hft7K<lItt・ *1,3・4βΛtiΛfif ΛGB∕T 1M04F∙l :MSSEKIIIiTiiMirciiMiIiKXnW132—tt ∣ —≡⅛« N I(>;* (⅛I)KLOlI IK ( nιI ■ A ∙≡-κβι i∕eo⅜*9**4WZIUVM>» I(⅛ B) YVtIt∙≡-WI ∣/;∕7-Z Λ∙^ J ✓rsι 崔Ol:l∕β9“m” ι,:TIfm(⅛ B)■川.« 9¢1I• il W•■S*U "T∙'JL⅛~a.134"H1.«M : tm.2. <∙lft *<1∙.S Φ3. e ∣t «1 ∙IM∙4. ft<f 40-45HRC.SAiXf∙(tt 4>IMIGB∕T IMM -nu4ttKtAB⅛4ΛGB∕T ISM ®.2t・Γft⅛Ktta4S!ΛGB∕T18IM -‰« k(» OriJFg¾⅝lJfcUICLnVJIHrairiiHi tα π Irf IiIM »(E 9)KIl3∙prW'HJZ(tt «)IUJu 1. fβMACl ∣2. tftK 寸毀汛去0Jk(≈∕T 18M∙∙■邛=粘IKflrA I(tt 4)I <ft E^I(B I) VJVr ≡ I UfJT K⅛ 1 0235MlzK ■ I Iall(« OI ≡II<l II—136 —IHI.HWF 列问題∙i .^t2M-25OHB.2. OMjlaa3. tttκt ∣a⅛fΛCBσιsM -∙.I»'' ■ (R <)IKH ⅛<I曲(ttO<4)・■ •度&■吞由车IM 豆It 保旺? (S) MIlnt∙⅞v 位公■含久• <6)左■孔的么豪4T2X2的■?<7) βtttt 尺寸車注公■为GB∕T1*M ・■•・ ≡ftλ∙B?IiO2・ftOltt的零件囲.胃籌下刊何慝鼻A-Aa/ 90M∖βV^(1) 分第*件约处恂■成•(2) A・ ABAftikKBr<3)∙*wκ<f>nvtt^βtx∙(4) ^HT方■■■育什久倍用?M*1«1.1« ∙ ItIAJk M-K2. tβKtA≡⅛f ACβ∕T 18M∙α>∙(B 9)和匸IJg fi i<Γ"(« O in3・件IB∙ M» FΛM≡∙_______ /∕5IeJggt££22L I"3≠Λ<->≠J6ft<V4L<1RM< aA>JT3t2. ■・TMeikλ*∙3. tβΛt<≡¼f ⅜GB∕TIIW・■(1)(2)(3)(4) Ha -- ------- ------- *m H・Abfl^mA什么Y maκβ⅛ΛMt≡尺彳■冷∙ι>*na左右■■人了JB・i?什久低用?(R ,)!IHnoo匸(tt O112«XI<■ ⅜>I*HrlX)TjtT I ・“-(««>ttlH(2) IB 中Je 用•纹豪达方St. ΛftA? (3) aXft*A 三个方角的左旻尺寸作AffiW书内容抄■肉体*件BL二目的通if#件B3∙ B«T件图的内客∙9用悴算机绘制#件H3的技巧•三■ ««1. 布Ie令理.段Q关廉正・•2. 正•抄拄尺寸.HUtRMRK他找术W*.3. fflMttm. ιuttn⅛∙求.C9∙注*«91•川计WMitM.比侧12:2. 应对冏体辛件EGiS行认JK分析.搞清投■关廉• •定岀正•的绘Ifi步・。