防排烟系统风管隐蔽工程验收记录
- 格式:pdf
- 大小:42.41 KB
- 文档页数:4
风管严密性(漏风量测试)检测记录风管严密性(漏风量测试)检测记录工程名称:永春县桃园至尊防排烟系统工程(地下分部(子分部)室、4#~12#楼)施工单位:XXX风管系统类别:低压系统系统总面积(㎡):184.9允许漏风量〔m3/(㎡.h)〕:5.061测试仪表名称:漏风量测试仪序号分段表面积(㎡)实测漏风量〔m3/(㎡.h)〕分包单位试验压力(Pa)试验总面积(㎡)测试日期1 19.2 无数据无数据无数据无数据无数据2 4.8 无数据无数据无数据无数据无数据3 37.44 无数据无数据无数据无数据无数据4 42.4 无数据无数据无数据无数据无数据5 35.13 无数据无数据无数据无数据无数据6 35.13 无数据无数据无数据无数据无数据7 1.8 无数据无数据无数据无数据无数据8 9 无数据无数据无数据无数据无数据9 3.6 2.24 XXX 780 174.1 2013年月日10 3.6 4.48 XXX 780 151.82 2013年月日存在问题与处理情况:无结论符合要求检测区段图示及说明:检测时,风管的所有开口均已封堵严密。
质检员:施工单位质检员施工员:施工单位施工员试验员:施工单位试验员这份记录是永春县桃园至尊防排烟系统工程(地下分部(子分部)室、4#~12#楼)的风管严密性(漏风量测试)检测记录。
该工程由XXX负责施工,采用低压系统。
系统总面积为184.9㎡,允许漏风量为5.061〔m3/(㎡.h)〕。
测试使用漏风量测试仪,共进行了10个区段的测试。
其中,第9和第10个区段的实测漏风量分别为2.24和4.48〔m3/(㎡.h)〕,由XXX负责分包施工。
检测时,风管的所有开口均已封堵严密。
经检测,无结论符合要求。
质检员为施工单位质检员,施工员为施工单位施工员,试验员为施工单位试验员。
风管严密性(漏风量测试)检测记录单位(子单位):永春县桃园至尊(地下分部(子分部)工程室、4#~12#楼)名称分项工程施工单位:XXX风管系统类别:低压系统系统总面积(㎡):119.48允许漏风量〔m3/(㎡.h)〕:5.061测试仪表名称:漏风量测试仪序号分段表面积(㎡)实测漏风量〔m3/(㎡.h)〕试验压力(Pa)试验总面积(㎡)测试日期1 17.2 4.08 780 119.48 2013年月日2 13.45 3.19 675 119.48 2013年月日3 25.38 6.02 780 119.48 2013年月日4 22.4 5.31 675 119.48 2013年月日5 9.63 2.28 780 119.48 2013年月日6 9.82 2.33 675 119.48 2013年月日检测区段图示及说明:检测时,风管的所有开口均已封堵严密。
3隐蔽工程验收记录项目名称:XXX工程项目地点:XXX地区施工单位:XXX公司验收单位:XXX监理单位工程名称:XXX隐蔽工程验收日期:XXXX年XX月XX日一、背景介绍XXX工程是位于XXX地区的一处新建工程,总建筑面积为XXX平方米,主要包括办公楼、停车场等建筑设施。
本次验收的隐蔽工程包括水电、通风、给排水等隐蔽工程部分。
二、隐蔽工程验收内容1.水电隐蔽验收(1)水暖管道安装情况:检查水暖管道的布置是否符合设计要求,管道是否牢固安装、无渗漏。
(2)电气线路安装情况:检查电线的敷设是否规范,插座开关是否安装牢固、电线接头是否绝缘等。
2.通风隐蔽验收(1)通风管道安装情况:检查通风管道的布置是否合理,管道是否清洁无积尘。
(2)送风口、回风口安装情况:检查送风口和回风口的位置是否合适,安装是否稳固。
3.给排水隐蔽验收(1)排水管道安装情况:检查排水管道的施工质量,管道是否畅通无堵塞。
(2)给水管道安装情况:检查给水管道的连接是否密封,无渗漏现象。
三、隐蔽工程验收结果1.水电隐蔽验收:水暖管道和电气线路均安装符合要求,各项指标均合格。
2.通风隐蔽验收:通风管道布置合理,清洁无积尘,送风口和回风口位置符合要求。
3.给排水隐蔽验收:排水给水管道安装妥善,排水管道清洁无堵塞,给水管道无渗漏现象。
四、存在问题及整改措施1.水电隐蔽部分存在部分管道连接处稍有松动,需重新安装。
2.通风隐蔽部分部分送风口回风口位置不够合理,需进行调整。
3.给排水隐蔽部分排水管道出现渗漏现象,需重新处理。
五、隐蔽工程验收结论XXX隐蔽工程部分经过验收,大部分项符合验收要求,但仍存在部分问题需要整改。
施工单位应按照验收单位的整改意见进行整改,待整改完成后申请复验,确保隐蔽工程部分的质量达到要求,为后续工程的顺利进行打下基础。
六、验收单位意见经过本次隐蔽工程验收,发现部分问题需要整改,希望施工单位能够认真对待,按照整改要求进行处理,确保工程质量。
风管与配件制作检验批质量验收记录表(非金属、复合材料风管)GB50243-2002(Ⅱ)风管与配件制作检验批质量验收记录表(非金属、复合材料风管)GB50243-2002(Ⅱ)风管与配件制作检验批质量验收记录表(非金属、复合材料风管)GB50243-2002(Ⅱ)风管与配件制作检验批质量验收记录表(非金属、复合材料风管)GB50243-2002(Ⅱ)风管部件与消声器制作检验批质量验收记录表GB50243-2002风管部件与消声器制作检验批质量验收记录表GB50243-2002风管部件与消声器制作检验批质量验收记录表GB50243-2002风管部件与消声器制作检验批质量验收记录表GB50243-2002风管系统安装检验批质量验收记录表(防、排烟系统)GB50243-2002(Ⅰ)风管系统安装检验批质量验收记录表(防、排烟系统)GB50243-2002(Ⅰ)风管系统安装检验批质量验收记录表(防、排烟系统)GB50243-2002(Ⅰ)风管系统安装检验批质量验收记录表(防、排烟系统)GB50243-2002(Ⅰ)通风机安装检验批质量验收记录表GB50243-2002通风机安装检验批质量验收记录表GB50243-2002通风与空调设备安装检验批质量验收记录表(防、排烟系统)GB50243-2002(Ⅰ)020338□□通风与空调设备安装检验批质量验收记录表(防、排烟系统)GB50243-2002(Ⅰ)020338□□工程系统调试验收记录表GB50243-2002工程系统调试验收记录表GB50243-2002工程系统调试验收记录表GB50243-2002工程系统调试验收记录表GB50243-2002防腐与绝热施工检验批质量验收记录表(风管系统)GB 50243—2002防腐与绝热施工检验批质量验收记录表(风管系统)GB 50243—2002防腐与绝热施工检验批质量验收记录表(风管系统)GB 50243—2002防腐与绝热施工检验批质量验收记录表(风管系统)GB 50243—2002。
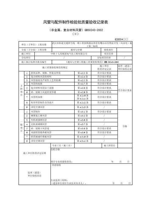
防排烟系统检验批风管与配件制作检验批质量验收记录表项目名称:武汉市轨道交通四号线一期工程园林路站和青鱼嘴站站内物业开发(风水电)施工第二标段施工单位:XXX验收部位:通风与空调施工执行标准名称及编号:《通风与空调工程施工质量验收规范》GB -2002检查评定记录:1.材质品种、规格、性能及厚度符合设计要求。
2.复合材料风管的材料符合设计要求。
3.风管强度及严密性工艺性检测符合设计要求。
4.风管的连接符合设计要求。
5.复合材料风管法兰连接符合设计要求。
6.砖、混凝土风道的变形缝符合设计要求。
7.风管的加固符合设计要求。
8.矩形弯管制作及导流片符合设计要求。
9.净化空调风管制作符合设计要求。
10.硬聚氯乙烯风管符合设计要求。
11.有机玻璃钢风管符合设计要求。
12.无机玻璃钢风管符合设计要求。
13.砖、混凝土风管道符合设计要求。
14.双面铝箔绝热板风管符合设计要求。
15.铝箔玻璃纤维板风管符合设计要求。
16.净化空调风管施工符合设计要求。
施工单位检查评定结果:自检合格。
监理单位验收结论:同意验收。
项目专业质量检查员:XXX专业监理工程师(建设单位项目专业技术负责人):年月日通风与空调工程施工质量验收规范》GB -2002规定了施工质量验收的各项标准和要求。
施工单位需要按照规范中的要求进行检查评定,并记录在相应的表格中。
在施工过程中,专业工长需要按照规范中的第4.2.2条、第4.2.4条、第4.2.5条、第4.2.7条、第4.2.8条、第4.2.9条、第4.2.10条、第4.2.11条、第4.2.12条和第4.2.13条的要求进行施工,以确保符合设计要求。
在验收过程中,施工班组长需要按照规范中的第 4.3.1条、第4.3.5条、第4.3.6条、第4.3.7条、第4.3.8条、第4.3.9条、第4.3.10条和第4.3.11条的要求进行检查,以确保风管制作和配件质量符合设计要求。
同时,监理单位也需要根据规范中的要求进行验收,并记录在相应的表格中。
0 0 1工程名称李沧区南岭48班小学工程施工单位青岛建安建设集团有限公司分项工程名称风管系统安装工程监理(建设)单位青岛雍达建设监理有限公司环境温度 0--5℃试验日期2015.12.10图号及管线号负一层风雨操场管径1000*500/500*250/1250*400/1000*250/200*200/200*120/320*250/630*400/630*320/800*320/ 数量256m2 材质镀锌钢板接头形式法兰工作介质空气防腐铝箔/镀锌绝热离心玻璃棉隐蔽方法:隐蔽于装饰吊顶以内简图及说明:说明:防排烟风管采用镀锌钢板,防排烟风管外采用离心玻璃棉绝热后隐蔽于装饰工程吊顶内,支吊架制作及间距满足规范要求,水平段每超过20米及弯头两端加防晃支架;管道在隐蔽前已经进行漏光、漏风试验且试验结果满足设计及规范要求。
试验结论合格施工单位监理(建设)单位试验人:专业质量检查员:项目专业技术质量负责人:(公章)监理工程师:(建设单位项目专业技术负责人):(公章)注:1、简图及说明应把坐标、标高、坡向、坡度及其他管线的相互关系等说明。
2、此表适应于给水、排水、采暖、通风、空调、消防等管道的隐蔽工程验收。
山东省建设工程质量监督总站监制丝杆木方角钢保温风管鲁TK—0120 0 1工程名称李沧区南岭48班小学工程施工单位青岛建安建设集团有限公司分项工程名称风管系统安装工程监理(建设)单位青岛雍达建设监理有限公司环境温度 0--5℃试验日期2015.12.10图号及管线号负一层厨房餐厅管径1000*500/1000*400/1250*800/200*120/400*200*/500*250/1000*320/630*400/1000*320/1600*400/800*250/200*160 数量278m2 材质镀锌钢板接头形式法兰工作介质空气防腐铝箔/镀锌绝热离心玻璃棉隐蔽方法:隐蔽于装饰吊顶以内简图及说明:说明:防排烟风管采用镀锌钢板,防排烟风管外采用离心玻璃棉绝热后隐蔽于装饰工程吊顶内,支吊架制作及间距满足规范要求,水平段每超过20米及弯头两端加防晃支架;管道在隐蔽前已经进行漏光、漏风试验且试验结果满足设计及规范要求。
防排烟风管安装隐蔽工程检查验收记录编号:(01-18/03-02/04-02/05-16/06-17)/08-20 /(09-01)□0□0□1防排烟风管安装隐蔽工程检查验收记录编号:(01-18/03-02/04-02/05-16/06-17)/08-20 /(09-01)□0□0□2防排烟风管安装隐蔽工程检查验收记录编号:(01-18/03-02/04-02/05-16/06-17)/08-20 /(09-01)□0□0□3防排烟风管安装隐蔽工程检查验收记录编号:(01-18/03-02/04-02/05-16/06-17)/08-20 /(09-01)□0□0□4防排烟风管安装隐蔽工程检查验收记录编号:(01-18/03-02/04-02/05-16/06-17)/08-20 /(09-01)□0□0□5防排烟风管安装隐蔽工程检查验收记录编号:(01-18/03-02/04-02/05-16/06-17)/08-20 /(09-01)□0□0□6防排烟风管安装隐蔽工程检查验收记录编号:(01-18/03-02/04-02/05-16/06-17)/08-20 /(09-01)□0□0□7防排烟风管安装隐蔽工程检查验收记录编号:(01-18/03-02/04-02/05-16/06-17)/08-20 /(09-01)□0□0□8防排烟风管安装隐蔽工程检查验收记录编号:(01-18/03-02/04-02/05-16/06-17)/08-20 /(09-01)□0□0□9防排烟风管安装隐蔽工程检查验收记录编号:(01-18/03-02/04-02/05-16/06-17)/08-20 /(09-01)□0□1□0防排烟风管安装隐蔽工程检查验收记录编号:(01-18/03-02/04-02/05-16/06-17)/08-20 /(09-01)□0□1□1防排烟风管安装隐蔽工程检查验收记录编号:(01-18/03-02/04-02/05-16/06-17)/08-20 /(09-01)□0□1□2防排烟风管安装隐蔽工程检查验收记录编号:(01-18/03-02/04-02/05-16/06-17)/08-20 /(09-01)□0□1□3防排烟风管安装隐蔽工程检查验收记录编号:(01-18/03-02/04-02/05-16/06-17)/08-20 /(09-01)□0□1□4防排烟风管安装隐蔽工程检查验收记录编号:(01-18/03-02/04-02/05-16/06-17)/08-20 /(09-01)□0□1□5防排烟风管安装隐蔽工程检查验收记录编号:(01-18/03-02/04-02/05-16/06-17)/08-20 /(09-01)□0□1□6防排烟风管安装隐蔽工程检查验收记录编号:(01-18/03-02/04-02/05-16/06-17)/08-20 /(09-01)□0□1□7通风与空调安装隐蔽工程检查验收记录编号:(01-18/03-02/04-02/05-16/06-17)/08-20 /(09-01)□0□1□8通风与空调安装隐蔽工程检查验收记录编号:(01-18/03-02/04-02/05-16/06-17)/08-20 /(09-01)□0□1□9通风与空调安装隐蔽工程检查验收记录编号:(01-18/03-02/04-02/05-16/06-17)/08-20 /(09-01)□0□2□0通风与空调安装隐蔽工程检查验收记录编号:(01-18/03-02/04-02/05-16/06-17)/08-20 /(09-01)□0□2□1通风与空调安装隐蔽工程检查验收记录编号:(01-18/03-02/04-02/05-16/06-17)/08-20 /(09-01)□0□2□2通风与空调安装隐蔽工程检查验收记录编号:(01-18/03-02/04-02/05-16/06-17)/08-20 /(09-01)□0□2□3通风与空调安装隐蔽工程检查验收记录编号:(01-18/03-02/04-02/05-16/06-17)/08-20 /(09-01)□0□2□4通风与空调安装隐蔽工程检查验收记录编号:(01-18/03-02/04-02/05-16/06-17)/08-20 /(09-01)□0□2□5通风与空调安装隐蔽工程检查验收记录编号:(01-18/03-02/04-02/05-16/06-17)/08-20 /(09-01)□0□2□6通风与空调安装隐蔽工程检查验收记录编号:(01-18/03-02/04-02/05-16/06-17)/08-20 /(09-01)□0□2□7通风与空调安装隐蔽工程检查验收记录编号:(01-18/03-02/04-02/05-16/06-17)/08-20 /(09-01)□0□2□8通风与空调安装隐蔽工程检查验收记录编号:(01-18/03-02/04-02/05-16/06-17)/08-20 /(09-01)□0□2□9通风与空调安装隐蔽工程检查验收记录编号:(01-18/03-02/04-02/05-16/06-17)/08-20 /(09-01)□0□3□0通风与空调安装隐蔽工程检查验收记录编号:(01-18/03-02/04-02/05-16/06-17)/08-20 /(09-01)□0□3□1通风与空调安装隐蔽工程检查验收记录编号:(01-18/03-02/04-02/05-16/06-17)/08-20 /(09-01)□0□3□2通风与空调安装隐蔽工程检查验收记录编号:(01-18/03-02/04-02/05-16/06-17)/08-20 /(09-01)□0□3□3通风与空调安装隐蔽工程检查验收记录编号:(01-18/03-02/04-02/05-16/06-17)/08-20 /(09-01)□0□3□4通风与空调安装隐蔽工程检查验收记录编号:(01-18/03-02/04-02/05-16/06-17)/08-20 /(09-01)□0□3□5通风与空调安装隐蔽工程检查验收记录编号:(01-18/03-02/04-02/05-16/06-17)/08-20 /(09-01)□0□3□6通风与空调安装隐蔽工程检查验收记录编号:(01-18/03-02/04-02/05-16/06-17)/08-20 /(09-01)□0□3□7通风与空调安装隐蔽工程检查验收记录编号:(01-18/03-02/04-02/05-16/06-17)/08-20 /(09-01)□0□3□8通风与空调安装隐蔽工程检查验收记录编号:(01-18/03-02/04-02/05-16/06-17)/08-20 /(09-01)□0□3□9通风与空调安装隐蔽工程检查验收记录编号:(01-18/03-02/04-02/05-16/06-17)/08-20 /(09-01)□0□4□0通风与空调安装隐蔽工程检查验收记录编号:(01-18/03-02/04-02/05-16/06-17)/08-20 /(09-01)□0□4□1通风与空调安装隐蔽工程检查验收记录编号:(01-18/03-02/04-02/05-16/06-17)/08-20 /(09-01)□0□4□2通风与空调安装隐蔽工程检查验收记录编号:(01-18/03-02/04-02/05-16/06-17)/08-20 /(09-01)□0□4□3通风与空调安装隐蔽工程检查验收记录编号:(01-18/03-02/04-02/05-16/06-17)/08-20 /(09-01)□0□4□4通风与空调安装隐蔽工程检查验收记录编号:(01-18/03-02/04-02/05-16/06-17)/08-20 /(09-01)□0□4□5通风与空调安装隐蔽工程检查验收记录编号:(01-18/03-02/04-02/05-16/06-17)/08-20 /(09-01)□0□4□6。