GDH型电机保护器的应用
- 格式:doc
- 大小:43.50 KB
- 文档页数:7
电机智能保护器在钢铁厂应用一、电动机的故障形式及爱护原理电动机由于种种缘由,其故障形式可分为机械和电气两方面:1.机械方面有扫堂、振动、轴承过热等。
2.电气方面主要有长时间过负荷运转,绕组绝缘老化损坏,绕组匝间短路及对地短路;电网质量差,电压波动大;电动机断相运行;电机堵转;大型电机冷却系统故障等。
电动机发生对称故障及不对称故障时,电动机三相电流都会发生改变,超过电动机的额定电流,因此可依据这一特性来对电机进行爱护。
电机过载、断相、欠压都会造成绕组电流超过额定值,电源欠压运行电流上升比例将等于电压下降的比例。
针对以上状况,电动机爱护器可通过对三相运行电流进行检测,依据电流不同性质来确定不同爱护方式,从而对电机加以断电爱护。
二、电动机爱护器的类型及应用1.目前我国采纳的电动机爱护主要有热继电器、电磁式电流继电器、电子式电动机爱护器。
热继电器利用双金属片热效应原理,当电流流过它时产生热量,当电流超过整定值肯定倍数时启动脱扣装置切断主回路到达爱护目的。
在爱护电动机过载方面具有反时限性能和结构简洁的特点,但其功能少,无断相爱护,电动机发生扫堂、堵转、长期过载、频繁启动等故障起不到爱护作用,热继电器的动作曲线和电动机实际爱护曲线不全都,失去爱护作用。
且重复性能差,大电流过载或短路故障后不能再次使用,误差较大、易受环境温度影响误动作,耗材多、性能指标落后等缺陷。
电磁式电流继电器具有过载、堵转爱护功能,有的还有缺相爱护,过载爱护具有反时限特性,但其结构冗杂,机械制造精度高,价格高且体积浩大,目前已被淘汰。
电子式电动机爱护器通过检测三相电流值和整定值,采纳电位器旋钮或拨码开关操作来实现对电动机的爱护,电路一般采纳模拟式,具有反时限和定时限工作特性。
2.随着社会的进展,人们对电动机爱护的要求也越来越高,盼望电动机爱护器的功能多样化,性能牢靠,维护简洁,体积要小。
传统产品正被一些更先进的技术产品所取代,智能型电动机爱护器能实现电动机灵能化综合爱护,集爱护、测量、通讯、显示为一体。
电机综合保护器的应用电机综合保护器的应用电机综合保护器的应用【摘要】为了解决电机运行过程中出现的缺相、过载、短路、漏电等故障,设计一套保护功能为一体的多功能电机综合保护器是不仅能够实现对各类电动机负载,配电负载的控制和保护,还能增强实时监控功能,保证在各种危险情况做出及时反应,从而确保生产安全的顺利进行。
【关键词】电机综合保护器应用维护注意事项一、电机综合保护器及特点电机综合保护器主要用于风机、水泵、电动机等负载的控制和保护,将过载、过流、欠压、过压、欠流、短路、缺相、漏电、相位等综合功能于一身,具有以下特点:(一)功能强大,性能优越。
电机综合保护器利用先进的计算机技术和高性能的集成芯片,整机功能强大,性能优越。
精度高,线性度好,分辨率高,整机抗干扰能力强,保护动作可靠的测试。
三相电流,电压,及各种故障代码显示在LED,液晶显示屏上,直观明了。
(二)具备存储技术,参数设定,一机多用的特点。
电机保护器采用先进的实时采样技术,具有MCU微处理器和E2PROM存储技术,参数设置,电源切断后已设参数仍保存下来,勿须再设定。
(三)配有RS485串行数字接口,便于上位机(PC)进行数字通迅。
二、电机综合保护器的结构和功能电机综合保护器实现了传统的断路器(熔断器),接触器,过载(或过流,断相)保护继电器的集成,具有起动器,隔离器和具有远距离自动控制和就地直接人力控制功能等主要功能,具有面板指示及机电信号报警功能,具有过电压保护功能,具有断相缺相保护功能,具有协调配合的时间――电流保护特性(具有反时限,定时限三段保护特性和瞬时)。
具体来说如下:(一)保护功能。
电机综合保护器除了具有通用的保护功能之外,还有自启动、通信启动和关闭,并能够根据电流,过电压、欠电压、三相电流不平衡、自启动等功能,用户可自由取舍。
(二)设置功能。
智能型电机综合保护器有设置键,数据键和移位键,设置超出范围时就会提醒用户重新设置,以避免故障。
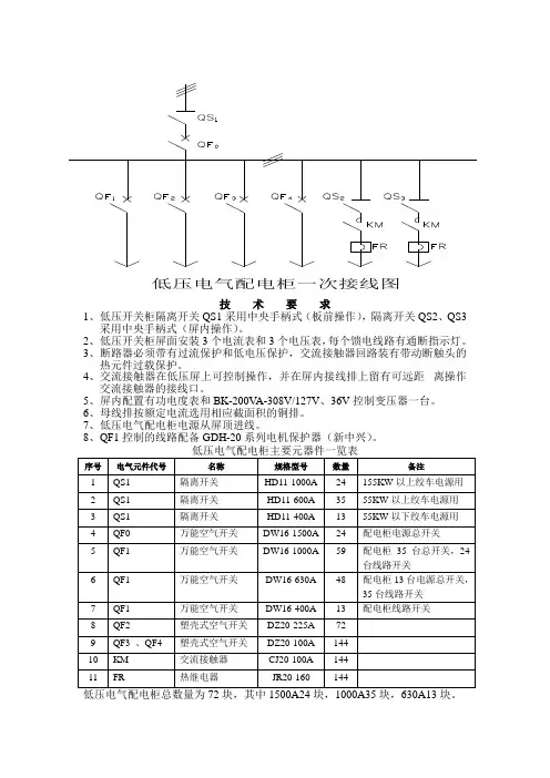
低压电气配电柜一次接线图
技术要求
1、低压开关柜隔离开关QS1采用中央手柄式(板前操作),隔离开关QS
2、QS3
采用中央手柄式(屏内操作)。
2、低压开关柜屏面安装3个电流表和3个电压表,每个馈电线路有通断指示灯。
3、断路器必须带有过流保护和低电压保护,交流接触器回路装有带动断触头的
热元件过载保护。
4、交流接触器在低压屏上可控制操作,并在屏内接线排上留有可远距离
交流接触器的接线口。
5、屏内配置有功电度表和BK-200V A-308V/127V、36V控制变压器一台。
6、母线排按额定电流选用相应截面积的铜排。
7、低压电气配电柜电源从屏顶进线。
8、QF1控制的线路配备GDH-20系列电机保护器(新中兴)。
低压电动机综合保护器的基本功能作用
长期以来热继电器、熔断器以及电磁式继电器始终是电动机的首选产品,但随着时间的推移它们的缺陷也越来越多地暴露出来:热继电器存在的缺陷包括整定粗糙、受环境影响大、重复性差、误差大及功能单一等;熔断器作为电动机的过载爱护,其实是一种不科学的做法。
由于首先受其规格限制无法按电动机额定电流进行精确设定,况且假如熔断器规格选得太小简单造成断路,使电动机单相运行,假如熔断器规格选得太大,则达不到过载爱护的效果;电磁式电流继电器虽然具有过载、堵转爱护功能,有的还有缺相爱护,其过载爱护具有反时限特性,但其结构简单,机械制造精度高,价格高且体积浩大。
鉴于以上缘由,由热继电器、熔断器以及电磁式继电器构成的电动机爱护体系已经无法满意越来越高的要求正渐渐被淘汰,取代它们的是低压电动机综合爱护器。
这类电动机爱护器主要以单片机作为掌握器,可实现电动机的智能化综合爱护,有的还具有远程通信功能,可在PC机上实现对多达256台联网的电动机实现在线综合监视与掌握,在采样和整定精度方面有质的飞跃,可对采样信号进行软件非线性校正,并可实现有效值计算,从而极大地降低了被测信号波形畸变的影响,真正实现了高精度采样。
由于采纳了单片机就使得在相同硬件条件下集多种功能于一体的综合爱护器的消失成为可能。
电机综合保护器随着现代工业的发展,电机在各个领域的应用越来越广泛。
为了确保电机的正常运行和延长其使用寿命,电机综合保护器逐渐成为工程师们的首选。
本文将介绍电机综合保护器的作用、原理、类型和应用。
一、作用电机综合保护器作为一种重要的保护设备,可以监测电机的运行状态并及时采取相应的保护措施,从而保护电机免受损坏。
其主要作用如下:1. 过载保护:电机综合保护器可以监测电机的负载情况,当负载超过额定值时,及时切断电源,避免电机过载运行导致损坏。
2. 过电流保护:电机综合保护器还可以监测电机的电流情况,当电流超过额定值时,自动切断电源,防止电机过电流运行引起故障。
3. 过压保护:电机综合保护器能够监测电压的变化情况,当电压超过额定值时,自动切断电源,避免电机因过压而损坏。
4. 缺相保护:电机综合保护器可以监测电机的相序情况,当发现缺相时,及时切断电源,以防止电机运行时因缺相而发生故障。
5. 温度保护:电机综合保护器可以监测电机的温度情况,当温度超过设定的限值时,自动切断电源,预防电机因过热而出现问题。
二、原理电机综合保护器的工作原理主要基于电流、电压和温度的监测。
当电机发生异常情况时,保护器将通过内部的传感器感知到相应的参数变化,并根据预设的保护条件进行判断和控制。
根据不同的保护条件,电机综合保护器可以采取不同的保护措施,比如切断电源,发出警报信号等。
三、类型根据不同的应用场景和保护需求,电机综合保护器可以分为多种类型,常见的有以下几种:1. 压缩机保护器:用于压缩机系统中,可以实现过载保护、过压保护、低压保护等功能。
2. 水泵保护器:用于水泵系统中,可以实现过载保护、过压保护、缺水保护等功能。
3. 风机保护器:用于风机系统中,可以实现过载保护、过压保护、断相保护等功能。
4. 电动机保护器:用于各种电动机系统中,可以实现过载保护、过压保护、过温保护等功能。
四、应用电机综合保护器广泛应用于各种工业领域,以下是一些常见的应用场景:1. 工厂生产线:在工厂生产线上,电机综合保护器可以实时监测生产设备中电机的运行状态,保护电机免受过载、过电流等损坏。
~ GDH20(10)系列电动机保护器简介GDH 系列无功耗电动机保护器是我公司的专利产品。
该产品 95 年通过国家继电器质量监督检测中心型式试验及中国电机保护及控制委员会组织的国家级专家鉴定。
获得 10 项国家专利。
自投放市场以来,以工作可靠、使用方便、故障率低等优点而广泛应用于化工、机械、建材、冶金、轻工、纺织、运输等行业。
该产品得到良好反响,被用户誉为“保护神”。
我公司具有完善的生产工艺。
所用元器件都经过严格检验、筛选,产品 100 %进行老化试验和系统检测,保证了产品质量的可靠性,使用户放心。
我公司的 GDH--20 系列电动机保护器于 2004 年 8 月在同行业中率先取行了中国质量认证中心( CQC )产品质量认证证书(证书号 QC04017011013 ),进一步说明我公司的产品具有完善的质量保证体系。
一、产品介绍我公司产品具有GDH-10、GDH-20、GDH-30三大系列。
GDH-10系列为早期产品,主要功能有缺相保护和过载保护。
GDH-20系列为第二代品,主要功能有缺相保护、过载保护、三相电流不平衡保护、缺相指示、过载指示。
手动复位功能的产品还具有动作指示。
另外在GDH-20产品的基础上根据用户的要求和应用情况又派生出一系列派生产品:派生系列 GDH-22 双触点保护器(1常开 1常闭输出)GDH-23 相序保护器(逆相保护)GDH-24 大穿孔保护器(穿线孔30X42mm)GDH-26 电压保护器GDH-20S 水泵专用保护器(有抽空保护功能)GDH-20SD 手动复位功能(增加了手动/自动复位功能,GDH-24系列都具备此功能)GDH - 23 系列保护器可用于缺相、相序保护。
它是采用锁相环相位控制技术,不同于普通的阻容移相方式,所以稳定可靠,不受电压、环境的影响。
GDH-30 系列全数显、智能化电机保护器,不仅具有缺相、过载、三相不平衡保护功能,还具有启动保护、堵转保护、欠电流保护、预报警等功能。
电动机保护器的适用及操作规程电动机保护器的适用电动机保护器广泛适用于石油、化工、电力、冶金、煤炭、轻工、纺织等行业,在使用过程中参数测量精度高,故障辨别精准牢靠,保护功能齐全,参数显示直观,并可配有RS—485接口,可实现计算机通讯、检测、掌控等功能,是现代机械行业中较为理想的电机保护产品。
1、电动机保护器在石油化工行业中的应用:在石化行业工程应用中,由于石装扮置电机较多,因此需要选用电动机保护器来对电机保护,既能使电动机充分发挥过载本领,又能免于损坏,而且还能提高电力拖动系统的牢靠性和生产的连续性。
实在的应用选择应综合考虑电机的本身的价值、负载类型、使用环境、电机主体设备的紧要程度等因素,力争做到经济合理,在能充分保护要求的情况下首先考虑简单保护装置。
当简单的保护装置不能充分要求时,或对保护功能和特性提出更高要求时,才考虑应用多而杂的保护装置,做到经济性和牢靠性的统一、2、电动机保护器在铁路行业中的应用:电动机保护器是铁路运行系统的紧要器件,广泛的接受电机掌控器,不但可以提高工艺掌控的精准性、科学性,降低事故率,而且对于提高铁路电气掌控系统的自动化水平和进展国民经济起着积极的推动作用。
3、电动机保护器在机场中的应用:机场的真空泵电动机是机场的一项大型应用设备,进一步影响着机场的正常运作,因此,真空泵电动机的正常运行对于机场来说是至关紧要的。
机场属于人流量大,需要全天连续不断的运作,因而对真空泵电动机使用的牢靠性和稳定性提出了极高的要求,一旦掌控回路发生故障,必需立刻找出故障的原因并且适时排出故障,以保证机场工作的正常运作,由于真空泵对其工作环境的要求很高,真空泵的排气压力过高时,都将导致电机过载,如没有确定的过载保护,电机长时间工作在这种条件,很简单损坏。
因此,作为其掌控回路中的紧要构成部分的真空泵电机假如常常发生故障,这也就给正常的生产活动带来了严重的安全隐患。
电动机保护器的应用不但有效的降低了电动机的故障发生率,并且用户可以通过显示模块实时察看到电路中电流、电压、功率等电力参数以及电动机的运行情形,提高了设备运行的牢靠性,削减非计划停车次数,提高了掌控回路的自动化、智能化水平,极大地降低了设备管理人员的劳动强度,又提高了管理人员的综合素养。
GD-HY(YH)金属氧化物避雷器⏹概述金属氧化物避雷器是当前限制过电压最先进的一种保护电器,被广泛用于发电、输变、配电系统中,是电气设备免受过电压的损害。
有机外套金属氧化物避雷器是有机绝缘材料和传统瓷套式金属氧化物避雷器技术优点相结合的科研成果。
它不仅具有瓷套式金属氧化物避雷器的优点,还具有电气绝缘性好、介电强度高、抗漏痕、抗电蚀、耐热、耐寒、耐老化、防爆、密封性等特点。
⏹使用条件●使用于户内、外●环境温度:不低于-40℃,不高于+40℃●海拔高度不超过3000m,瓷套式不超过1000m●电网频率:48-52Hz(50Hz系统),58-62Hz(60Hz系统)●长期施加在避雷器端子间的工频电压不超过避雷器持续运行电压●地震烈度7度及以下地区●最大风速不超过35m/s⏹型号说明根据JB/T8459-1996《避雷器产品型号编制方法》,金属氧化物避雷器产品型号说明如下:产品形式:Y—表示瓷套式金属氧化物避雷器YH(HY)—表示复合外套金属氧化物避雷器结构特征:W—表示无间隙 C—表示串联间隙 B—表示并联间隙使用场所:S—表示配电型 Z—表示电站型 R—表示并联补偿电容器用 D—表示发动机用 T—表示电气化铁通用 X—表示线路用附加特征:W—表示防污型 G—表示高原型 TH—表示湿热带地区用⏹选型17用户可根据被保护对象选用不同型号的避雷器⏹检验和维修首先检查产品外观是否完好产品在投运前测量直流参考电压U1mA值,不得小于GB11032-2000规定值:测量0.75U1mA下的泄漏电流,其值不大于50μA,投运后每四年测一次,看是否符合要求,无间隙避雷器不允许做工频放电电压试验⏹避雷器优缺点●避雷器保护的优点是伏秒特性平坦,放电分散性小,保护特性优良,切断工频续流能力强,对主变压器冲击小●缺点是不能防护工频过电压,而且在较高工频过电压下自身需防护,自身存在故障危险。
特别是当发生非全相运行或转为带单相接地的中性点不接地系统时,由于变压器中性点稳态电压升高,可能使阀型避雷器破坏,甚至引起爆炸。
GDH®-30(34)系列数显智能电动机保护器1.简介GDH®—30系列电动机保护器是我公司97年研制投产的产品,历经九个年头不断的改进从而使该系列产品得到不断的完善,这其中既凝结了我公司技术人员的大量心血又聚集了广大用户宝贵的建议及反馈信息。
多年的用户支持,是使该产品得以完善的根本。
正所谓十年磨一剑,此时的GDH®—30电动机保护器正是它走进成熟走进完美的时期。
GDH®-30系列电动机保护器是数显式、智能化电动机保护器,它是为保护中、大型电动机而设计的。
它采用国际最先进的单片计算机作中央数据处理、12位A/D转换器为信号采样,因而具有显示直观、控制精度高、保护功能齐全、性能可靠、工作稳定等显著特点。
用户可以任意设定各类参数,使其具有更高的灵活性。
而故障预报警功能保证了用户及时处理故障,避免因过多停机而造成的不必要的损失。
该产品还具有三相电流的动态监视、三相电流不平衡监视、最大电流值、起动时间监视等功能。
GDH®-30系列电动机保护器〔包含GDH®-301P、GDH®-34/500、GDH®-34/100通用型产品和GDH®—301JN、GDH®—34JN节能控制型、GDH®—301XJ、GDH®—34XJ 启动转换型、GDH®—301mA、GDH®—34mA带DC4~20mA( 或0~10mA 、或1~5V)模拟量输出接口的专用保护器是纯数字化的智能保护器〕的核心部分使用了一片功能强大的51系列单片微处理器,在约4k的汇编程序支持下,可独立完成逻辑分析、数据运算、故障处理等工作。
它的采样的精度为12位,也就是说它可以分辨出1/4000 的变化,内部数据处理是双字节即16位运算,他计算的最大位数是4字节即32位,也就是说它可以计算数亿以内的数据,从而保证了它的计算精度。
电机综合保护器的应用张淑林【摘要】电机综合保护器利用电磁感应原理及电流参数平衡控制方法,对额定电流范围内的三相电动机的缺相故障(如电源缺相,熔丝断等)快速切断电源,从而保护电动机.【期刊名称】《同煤科技》【年(卷),期】2011(000)004【总页数】3页(P36-37,40)【关键词】电动机;电机综合保护器;缺相保护【作者】张淑林【作者单位】大同煤矿集团力泰公司【正文语种】中文【中图分类】TD614.5随着我公司生产规模的扩大和作业场地的增加,采暖面积也相应扩大,给供暖设施带来了更大的压力。
尤其是锅炉辅机的引风、出渣机等由于锅炉自身的特点,启动过载或满载、启停比较频繁。
而锅炉运行的各个动力供应的电机控制台仍然采用60年代发展起来的基本控制单元,熔断器作为短路保护,较大的弊端是电机缺相运行时有发生,导致电动机(引风、出渣、炉排电机)频繁烧毁。
由于烧毁电机的电气故障居高不下,严重制约冬季厂区、家属区的供暖工作,工人连夜抢修现象时有发生。
为解决供暖工作的瓶颈问题,经多方调研,选用电机综合保护装置是解决问题比较好的方案。
BHQ-S-C系列电机综合保护器具有缺相、过载和短路保护功能。
电动机运行出现缺相异常时,保护器可在2 s内将电动机与电源断开;电动机运行电流超过设定的过载临界电流值或出现接近短路的异常大电流时,保护器按照反时限特性(过载倍数大,动作时限短;过载倍数小,动作时限长)进入保护延时状态,延时结束则通过交流接触器断开电动机电源,保证电动机安全可靠地运行。
2.2.1 接线原理接线原理见图1。
2.2.2 安装及调整步骤(1)按常规将交流接触器部分连接好,再启动电动机,待一切运行正常后,停止电动机。
(2)将保护器固定在交流接触器的下方,三相电流分别穿过保护器的3条白色导线孔H1,H2,H3,并将其分别接在交流接触器的静触头CJ4,CJ5,CJ6上。
(3)将保护器面板上的2只调节旋钮顺时针旋到底。
(4)检查线路正常后,启动电动机并正常运转,此时保护器面板上运行指示灯亮,然后沿逆时针方向将电流调节旋钮细心缓慢地转动,直到过载电流达临界状态,过载报警灯闪亮,然后将延时调节转到大于启动延时刻度上为止。
电机保护器是什么?有什么用?原理怎样?
怎样接线?
由于电压不稳,断相过流等许多缘由,使电机损坏,倒至工作不正常,
就要对电机加以爱护,于是就有了电机爱护器,爱护器品种极多,如
断相保,过流欠流保,时间保,温度保,漏电保,过热保等很多爱护器,爱护器又分机械保和电子爱护器等,原理都是消失上面各种壮况
而爱护电机,使损失降到最小甚到爱护人的生命平安。
下面是我使用
以久自制的断相爱护器。
电机爱护的意义在于保障电机正常运转,不影响生产工作。
比如说电
梯电机。
这种重要部件不单说爱护要严密,就机器本身的使用策略都
要有相应的硬性制度规定。
特种行业的电机爱护了解不多。
一般应用场合常见的电机爱护是两种。
一是过载爱护,二是漏电爱护。
至于接线。
过热爱护是通过监测电路有无连续大电流信号来爱护电机的,所以要串联。
漏保是通过监测电路中进出各线的电流几和数值相
加是否为零来实现爱护的,所以也要串联。
电机常用的爱护器除接地爱护外还有相序爱护器空气开关三大组主
要作用用于电机接地防止人触电序缺相爱护器作用防止电机缺相烧
坏与相序ABC消失乱序从尔转变电机转向引起事故原理:接地原理:把漏电电流直接导向大地爱护人不触电相序爱护器原理:利用正确回
路原理接错不运行原理来爱护电机的接线方式:串入式接法。
电机综合保护器简介电机在各行各业的应用中起到了至关重要的作用。
为了确保电机的正常运行和延长其使用寿命,需要使用电机综合保护器来监测电机的工作状态并采取相应的保护措施。
本文将介绍电机综合保护器的功能、工作原理以及应用场景。
功能电机综合保护器是一种用于监测和保护电机的装置,具有以下主要功能:1.过载保护:当电机的负载超过额定值时,电机综合保护器将自动切断电源,防止电机过热损坏。
2.短路保护:当电机出现短路故障时,电机综合保护器将快速切断电源,并发出警报信号,以避免火灾等事故的发生。
3.过压保护:当电机电压超过额定范围时,电机综合保护器将切断电源,以防止电机由于电压过高而损坏。
4.欠压保护:当电机电压低于额定范围时,电机综合保护器将切断电源,以防止电机由于电压过低而无法正常运行。
5.缺相保护:当电机缺少一个或多个相时,电机综合保护器将切断电源,以避免电机因相序错乱而损坏。
6.远程监控:电机综合保护器可以通过网络连接到监控系统,实现对电机的远程监控和故障诊断。
工作原理电机综合保护器通过感应电机的电流、电压和温度等参数来判断电机的工作状态,并根据设定的保护参数进行相应的动作。
其工作原理如下:1.电流监测:电机综合保护器通过感应电机的电流,实时监测电机的负载情况。
当电机的负载超过额定值时,电机综合保护器将切断电源,以防止电机过载损坏。
2.电压监测:电机综合保护器通过感应电机的电压,监测电机的电压是否在额定范围内。
当电机的电压超过或低于额定范围时,电机综合保护器将及时切断电源,以避免电机因电压过高或过低而损坏。
3.温度监测:电机综合保护器通过感应电机的温度,实时监测电机的工作温度。
当电机的温度超过设定的阈值时,电机综合保护器将切断电源,以防止电机过热损坏。
4.相序监测:电机综合保护器通过感应电机的相序,判断电机是否存在相序错乱的情况。
当电机缺少一个或多个相时,电机综合保护器将切断电源,以避免电机由于相序错乱而损坏。
新型电动机综合保护器在电站脱硫系统的应用1. 引言1.1 背景介绍电动机在电站中是非常重要的设备,用于驱动各种设备和机械运转。
而脱硫系统是电站环保设备中的重要组成部分,用于减少燃煤电厂排放的二氧化硫,保护环境和人类健康。
然而,电动机在脱硫系统中的运行常常受到各种因素的影响,导致设备损坏、停机等问题频繁发生。
为了解决这一问题,新型电动机综合保护器应运而生。
该保护器结合了多种保护功能,可以对电动机进行全方位的监测和保护,确保电动机在工作过程中稳定可靠。
在脱硫系统中应用新型电动机综合保护器,可以有效提高设备的运行效率和稳定性,降低因故障导致的损失。
通过引入新型电动机综合保护器,可以实现电动机在脱硫系统中的智能化运行管理,提高设备的可靠性和安全性,降低维护成本和人力成本。
因此,新型电动机综合保护器在电站脱硫系统中具有重要的应用前景和价值。
1.2 研究意义通过对新型电动机综合保护器在脱硫系统中的应用进行深入研究,不仅可以推动保护器技术的发展和完善,还可以为电站脱硫系统的运行提供更加有效的监测和保护手段。
结合实际案例分析保护器在脱硫系统中的功能和优势,可以为电站的管理和运维提供更加科学的依据,提高脱硫系统的运行效果,实现更高水平的环保效果和经济效益。
本研究具有十分重要的实际意义和推广价值。
2. 正文2.1 新型电动机综合保护器的特点新型电动机综合保护器是一种集电动机故障保护、监测和诊断功能于一体的智能保护装置。
其主要特点包括以下几点:1. 多功能集成:新型电动机综合保护器集成了电流保护、短路保护、过载保护、欠载保护、过压保护、欠压保护、过热保护等多种功能,实现了全方位的电动机保护。
2. 实时监测:保护器能够实时监测电动机的运行状态,包括电流、电压、温度等参数,及时发现异常情况并进行报警。
3. 自动诊断:通过内部算法和智能诊断功能,保护器可以对电动机进行自动诊断,判断故障原因和位置,提供精准的故障诊断结果。
4. 可编程参数:用户可以根据实际情况对保护器的保护参数进行调整和设定,保证电动机在不同工况下的安全运行。
新型电动机综合保护器在电站脱硫系统的应用随着环保意识的增强和技术的不断进步,新型电动机综合保护器在电站脱硫系统中的应用越来越受到重视。
脱硫系统是电站重要的环保设施,对于保护环境和减少大气污染有着重要的作用。
在电站脱硫系统中,电动机是至关重要的设备,而新型电动机综合保护器的应用可以有效地保护电动机并提高系统的稳定性和安全性。
本文将重点介绍新型电动机综合保护器在电站脱硫系统中的应用及其优势。
一、新型电动机综合保护器简介新型电动机综合保护器是一种应用先进的电气保护技术和智能控制技术,集合了过载、欠载、短路、接地故障等多种电气保护功能于一体的保护装置。
它可以对电动机进行全面的监测和保护,当电动机出现异常情况时,可以及时地切断电源,避免因故障引起设备损坏或安全事故的发生。
新型电动机综合保护器还具有自检功能,能够检测设备的运行状态,并通过智能控制系统进行自动调节,保证设备的正常运行和稳定性。
1. 过载保护在电站脱硫系统中,由于输送机、破碎机、磨粉机等设备的工作环境较为恶劣,设备的负荷往往比较大,容易出现过载的情况。
而新型电动机综合保护器具有过载保护功能,可以通过实时监测电动机的电流和温度等数据,一旦电动机出现过载情况,立即切断电源,避免因过载而导致电动机损坏。
这对于保护电动机和提高设备的使用寿命具有重要意义。
在电站脱硫系统中,有时由于生产需要,设备需要调整工作负荷,此时往往容易出现欠载的情况。
欠载情况会导致电动机运行不稳定,增加设备的损耗,甚至造成设备的损坏。
新型电动机综合保护器可以通过智能控制系统实时监测设备的工作负荷,一旦出现欠载情况,可以通过调节电动机的运行参数,保证设备的稳定运行,避免因欠载而引起的不良影响。
3. 短路保护4. 自检功能新型电动机综合保护器还具有自检功能,能够对设备进行自动检测,包括电动机的绝缘状况、接线情况、温度情况等,保证设备的正常运行和稳定性。
通过智能控制系统,可以对设备进行自动调节,避免人为操作引起的故障,提高系统的稳定性和安全性。
新型电动机综合保护器在电站脱硫系统的应用随着现代化工业的高速发展,对能源的需求量急剧增加。
为了满足工业、生活等多种场合的用电要求,电站的建设已成为了最为重要的能源供应方式之一。
同时,我国大力推行绿色能源政策,开展了大规模的脱硫技术改造工程。
在这种背景下,电站脱硫系统的安全运行显得尤为重要。
为了保障设备的安全运行,新型电动机综合保护器的应用在电站脱硫系统中显得越来越重要。
新型电动机综合保护器是一种针对电动机安全运行而设计的智能保护设备。
它能够监测电动机的电流、电压、功率因数、温度等多种参数,并对电机工作状态实时监控。
在发现电动机存在异常情况时,综合保护器能够及时发出警报信号,并及时采取措施停机保护,防止设备故障的发生。
1.电动机过载保护电动机的过载问题一直是一个比较严重的设备故障问题。
而电站脱硫系统中的电动机常常因为脱硫剂流量不足而出现过载现象。
这时,综合保护器能够监测到电动机的过载情况,并及时发出警报信号,通知相关人员采取必要的措施,如增加脱硫剂流量、降低电动机负载等。
2.温度保护在电站脱硫系统中,电动机的温度非常容易升高,从而导致设备故障的发生。
而新型电动机综合保护器能够实时监测电动机内部的温度情况,并在电机发热过度时及时发出警报信号。
此外,随着技术不断发展,新型电动机综合保护器还能够通过利用蓝牙或Wi-Fi等传输技术,将电动机温度信息上传到云端,方便管理人员实时监测设备的工作状态。
3.断路保护在运行过程中,电机很容易出现断路现象,这时电机会停止工作,从而影响电站的正常运转。
而在新型电动机综合保护器的帮助下,这些问题都能够得到有效的解决。
在电动机出现断路现象时,保护器能够及时发出警报信号,并对电机实施断路保护,有效保护设备的安全运转。
最后,新型电动机综合保护器的应用可以极大地提升电站脱硫系统的安全性,有助于全面提升设备的运行效率和生产质量。
因此,在今后的工作中,需要进一步加大对电动机综合保护器的应用推广力度,为电站建设和运营提供更加优质的服务。
GDH型电机保护器
孟桂荣
【期刊名称】《电世界》
【年(卷),期】2004(45)2
【摘要】GDH型电机保护器在三相电网中作为保护电机之用。
【总页数】1页(P15)
【作者】孟桂荣
【作者单位】华鲁恒升化工股份有限公司,山东德州市
【正文语种】中文
【相关文献】
1.基于ATmega16L单片机的智能型电机保护器的设计 [J], 崔陆军;陈幼平;张冈;陈昀浩
2.一种新颖电压取样型电机保护器的研究 [J], 钱金川;朱守敏
3.3株人源猪链球菌2型湖南株cps2J、gdh、ef基因进化分析 [J], 欧新华;张如胜;苏良;杨柳青;肖姗;姚栋;宋克云;孙边成
4.基于AVR单片机的矿用智能型电机保护器的研制 [J], 余道洋;张传伟;郭卫
5.基于MSP430F247的智能型电机保护器设计 [J], 张天瑜
因版权原因,仅展示原文概要,查看原文内容请购买。
GDH-30型数显智能化电动机保护器
在无人给水站的应用
摘要:无人给水站均位于邯长线偏远站区,遇有潜水电动机故障,需要及时判断故障原因,尽快进行故障处理;并能实现一定的自动恢复功能。
而GDH-30型数显智能化保护器,是数显式、智能化电动机保护器,摆脱传统电机保护器单一保护,实现故障预报警功能,准确显示故障类别,提供给维修人员故障原因,减少前往现场次数,达到缩短故障处理时间的目的。
同时,对于一些暂时性干扰因素引起的故障,能够实现自动恢复,保证了无人给水站设备运行质量,降低了设备运行成本。
关键词:智能化电动机保护器无人给水站
电动机保护器在整个控制系统中举足轻重,是对整套设备控制最关键的,也是最后一个环节。
如果它失去功效,电动机就会发生烧毁,直接影响整个站区的供水,从而影响铁路运输。
下面,通过与传统电动机保护器的对比,来阐述推广使用GDH-30型数显智能化保护器的必要性。
同时,结合工作实际,完善该设备的设定值,更加科学、合理地使用,使用其发挥真正意义上的保护电动机的功能。
一、传统电动机保护器
2004年1月,在邯长线进行给水站配电柜安装时,采用的电动机保护器是热继电器,其原理是由流入热元件的电流产生热量,使有不同膨胀系数的双金属片发生形变,当形变达到一定距离时,就推动连杆动作,使控制电路断开,从而使接触器失电,主电路断开,实现电动机的过载保护。
热继电器作为电动机的过载保护元件,曾经以其体积小,结构简单、成本低等优点得到了广泛应用。
但经过六年的运行,发现它存在以下缺点:
1、保护项目单一。
它只能进行过流保护,当电动机发生故障时,超过设定的热继值时,断开控制回路来保护电动机。
而当井下水位下降时,电动机发生欠流,则不会动作。
如果运行时间较长,可能烧损电机。
邯长线近几年,发展钢铁业较快,造成许多站区井下水位下降。
经统计,每年有6~7处出现电动机因欠流故障而被烧损。
2、受环境因素较大。
无人给水站均位于高处无遮荫地区,夏季炎热时,室内温度达到42℃。
热继电器因天气温度较高时,有时会自己断开。
经常是接到停水故障报告,到现场测试电动机绝缘符合要求,只要按一下热继器的恢复键,就能使电动机正常运行,浪费了大量的人力、财力。
3、故障源敏感。
无人给水站,没有人值守,只有维修人员按周期进行中修时,才对其进行检修。
而有时发生暂时电源故障,相序继电器没有及时反应时,热继电器就会自动
断开,导致控制中断。
邯长线,有些站区使用农电,经常性停、送电,使得热继电器时有断开,致使站区停水。
统计工区的综合故障率,因电动机保护器原因引起的故障率达到30%。
因此,从2010年1月起,陆续在20个无人给水站安装使用了新型电动机保护器--GDH-30型数显智能化电动机保护器,来解决存在的问题。
二、GDH-30型数显智能化电动机保护器
GDH-30型数显智能化电动机保护器,通过自身的电流互感器对电动机的工作状态实时跟踪采样,动态的监测电动机的运行状况,及时有效的实施保护措施。
1、特点
显示直观。
正常运行时所显示的信息,用于监视电动机的运行状态,包括三相电流、峰值电流、当前三相电流不平衡度及启动时间。
发生故障时,两个窗口分别显示故障代码和显示参数,包括三相的缺相、不平衡度超出设定值、欠流、三相堵转电流及三相过流,可以清楚判断出电动机的故障原因。
站区停水后,一般是水道工区先到达现场,排除管道故障后,仍不能供水,则要通知检修工区。
检修工区离站区较远,经过询问水道工区故障现象后,很容易判断故障原因,能够更快、更准地备齐料具,前往故障地点,进行应急抢修。
控制精度高。
采用数字化控制,设定时间精确到秒,设定各种功能电流精确到个位数,从而保证了各个显示及保护
的精度。
保护功能齐全。
启动时间保护、堵转保护、过电流保护、欠电流保护、三相不平衡保护、缺相保护、故障预报警及定时恢复保护功能达到八项,从外部电源质量到电动机运行状态进行实时监控与控制。
性能可能。
只要可靠接地,就能避免被雷击而损坏。
经过四年的使用,在工区所辖20个无人给水站未发生因GDH-30型数显智能化电动机保护器原因而引起烧损电动机的故障。
2、连接方式
该电动机保护器在工区所辖无人给水站的应用,根据控制继电器种类不同,采用两种连接方式。
控制继电器为JZ7-44型继电器时,需要把该保护器的常闭接点串入控制电路中。
当有故障时,它的常闭接点断开,主控电路断开,起到保护电动机的作用。
控制继电器为EASY-618型继电器时,需要把该保护器的常开接点并入控制继电器输入端。
当有故障时,该保护器的常开接点闭合,控制继电器输入故障,输出端控制交流接触器的线圈断开,起到保护电动机的作用。
3、功能设定
结合实际运用,制定了适合现场的设定数值,与其厂家规定有些差异,主要体现在过流与欠流的设定值。
厂家规定过流设定值为额定电流的100%~110%,欠流设定值为额定电
流的30%~50%。
而实际运用中,按规定值设定容易造成电机保护器不能发挥作用。
下面以徘徊北给水站功率为5.5KW的潜水电动机(额定电流为13.7 A)为例,详细说明其各参数设定值。
(1)、CT一次电流
即是电流互感器的一次电流,使用电流表为30A,电流互感器为30/5,因此此处设定值为30。
(2)、过流时间、欠流时间、堵转时间和启动时间
实际运行中所有的无人给水站均把这些参数设定为10秒,一方面能够满足设备的正常使用,另一方面给作业人员统一设定值,保证同型号设备的统一性,方便维修。
(3)堵转电流
厂家规定为额定电流的3~5倍,实际设定为额定电流的5倍。
设定的原因为,无人给水站所选用的潜水电动机多为15KW以下,若设定过小,就会产生实际堵转电流超出设定值而发生故障。
因此,此台电动机的堵转电流设定为68A。
(4)、欠电流
按规定宜设为4~6A,采用这个范围值后,发现电动机很难达到这个范围,除非电动机出现故障。
所以,实际设定要比运行电流小5个电流,实际运行中电流为12A,则它的欠电流设定值为7A。
曾经在2012年7月4日,该给水站发生这样的故障,由于水位下降,电动机运行功率降低,运行
电流最低达到7A,电动机保器启用欠电流保护功能,及时切断主电路,显示窗口显示代码为17,故障内容为欠流。
工区及时进行了加管,即延长吸水深度,设备恢复正常使用,真正保护了电动机。
(5)过电流
按规定宜设为13~15A。
实际运行中电流已经达到12A,峰值电流达到13A超出了规定值,就启用保护功能,中断设备运行。
实际运用中设定值要比运行电流大5A,因此设定值为17A。
(6)自动恢复
通常,有可能因电源的问题,而出现暂时的故障,并非电动机本身故障。
这时就需要一定的自动恢复功能,以避免无人值守而不能恢复所带来的故障。
一般,把自动恢复时间设定为3600秒,在这个时间范围内,即使进行倒闸,也能自动恢复。
2011年9月15日,东阳关给水站由于使用农电,电压不稳,站区人员汇报是否进行故障处理,工区根据保护器的功能设定,告知站区人员,一小时后设备就能恢复使用。
后经确认,该站区未发生停水故障。
4、使用后的效果
在20个无人给水站使用智能化电动机保护器四年以来,电动机方面故障率降低至5%,降低了25个百分点,有效保护了电动机,真正成为了无人给水站电动机的“保护者”。
5、使用注意事项
无人给水站多处于空旷地区,夏天容易被雷击。
在安装使用智能化电动机保护器时,必须安装良好的接地线。
2011年8月27日,在义井给水站该设备被雷击,但由于电动机保护器外部损坏时,会把故障信号传给控制继电器,电动机电源被切断。
后来,安装接地线后,未再发生类似故障。
三、结论
智能化电动机保护器无论从缩短故障处理时间,还是从保护电动机来说,都发挥了其保护作用,是值得推广应用的。
随着铁路的大发展,智能化、自动化进程会越来越快,智能化电动机保护器给我们提供了学习的基础,成为应用的典范、推广的理由。
我将继续学习,掌握更多的知识,来为铁路建设做出自己的贡献。
作者:刘海军。