铁路信号电缆 综合护套信号电缆
- 格式:doc
- 大小:40.00 KB
- 文档页数:5
信号电缆型号的识别1.信号电缆按护套类型包括塑料护套(PTY03、 PTY23)、综合护套(PTYA23、PTYA22)、铝护套(PTYL23、PTYL22)信号电缆;2.信号数字电缆分为塑料护套(SPTYW03、SPTYW23)、综合护套(SPTYWA23)铝护套(SPTYWL23)、内屏蔽(SPTYWP03或SPTYWP23、SPTYWPA23、SPTYWPL23)数字信号电缆。
SP-数字信号电缆T-铁路YW-皮-泡-皮物理发泡聚乙烯绝缘P-内屏蔽L-铝护套A-综合护套23-双钢带铠装聚乙烯外护套03-聚乙烯外护套铁路信号电缆虽然满足铁路信号的基本要求,但是其传输性能和可靠性不能适应新技术的发展。
信号电缆没有规定通信技术指标,不能满足计算机联锁、微机监测、调度集中和调度监督的传输要求。
另外信号电缆电容指标偏大,无法与载频较高的轨道电路配套使用。
大功率的交流转辙机(S700L 、ZYJ7)需进一步提高电缆传输强电的安全性能。
信号电缆没有串音防护指标,用它同缆传输信号电灯、道岔控制、多信息载频、计轴信息和工作电话时从在相互之间的干扰。
新型的铁路信号数字电缆可以实现信号通信兼容,强电、弱点共缆传输。
铁路数字信号电缆内由有绝缘单线、四线组绞合、内屏蔽通信四线组单元组合。
绝缘单线采用内皮层、中间发泡层、外皮层三层一次工挤在铜导线上。
四线组采用高速精密星绞综合工艺,电容耦合系数达到最小值。
通信四线组单元采用复合铜带纵包实现电磁屏蔽。
并在成缆工序中合理设计各四线组绞合节距地匹配,降低组间直接系统性耦合,一降低串音。
与铁路信号电缆相比,铁路数字信号电缆通过以上结构设计和工艺措施,工作电容指标由50nF/km降低到29nF/km,电容耦合系数K1平均值由141pF/km降低到81pF/km,等同于长途对称通信电缆指标,其它指标也基本达到了通信电缆指标。
(注:专业文档是经验性极强的领域,无法思考和涵盖全面,素材和资料部分来自网络,供参考。
铁路信号电缆施工工艺标准规定铁路信号电缆施工工艺规定第一章总则第一条为了规范在广铁(集团)公司管内的铁路信号电缆施工,从源头预防信号设备故障,特制定本规定。
第二章铁路信号电缆使用规定第二条ZPW—2000系列自动闭塞轨道区段以及2000系列的站内电码化设备采用铁路数字信号电缆,计轴设备、应答器使用专用数字信号电缆,其它设备应采用综合护套或铝护套信号电缆等非数字信号电缆。
第三条电化区段主干信号电缆应采用铝护套信号电缆,电化区段与非电化区段连接的站(场)联电缆应采用铝护套信号电缆。
第四条ZPW—2000系列采用的铁路内屏蔽数字信号电缆,应遵循以下使用原则1.两个频率相同的发送与接收不能采用同一根电缆。
2.两个频率相同发送(接收)不能设置在同一屏蔽四线组内。
3.电缆中有两个及其以上的相同频率的发送或接收时,该电缆需采用内屏蔽电缆。
4.电缆中各发送、各接收频率均不相同时,可采用非内屏蔽电缆,但线对必须按4线组对角线成对使用。
5.内屏蔽电缆有2对以上的备用芯线时,必须有一个完整的内屏蔽4芯组。
第五条轨道电路发送、接收电缆应成对使用。
第三章铁路信号电缆径路选择原则第六条铁路信号电缆敷设前,由施工单位会同工务段、电务段、通信段等设备管理单位配合人员进行现场踏勘,共同确认敷设径路。
第七条两设备间距离最短,通过股道及障碍物最少,利于施工及维修方便。
第八条避开线路和其他建筑物的改、扩建处。
第九条避免在道岔的岔尖、辙岔心和钢轨接头处穿越股道。
第十条避免通过碱、酸、盐性等有化学腐蚀物质的地带,各种管道径路复杂地带。
第十一条避免通过土壤松软容易塌陷的地带,以及坚石、池沼、污水坑等处。
第十二条电缆径路与铁路平行时,距最近轨底边缘的距离,在线路外侧L为2m。
如路基宽度不够时,在保证轨底边缘与电缆间斜面距离不小于2m的情况下,L可减至不小于1.7m。
在线路间,L为1.6m。
若线路间距为4.5m,此项距离L可减至不小于1.5m。
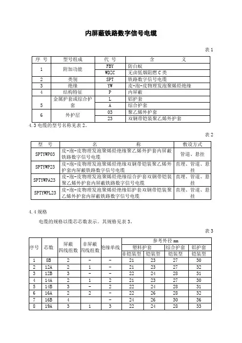
内屏蔽铁路数字信号电缆表1表24.4 规格电缆的规格以缆芯芯数表示。
其规格见表3。
表35.技术要求及试验方法5.2.3 从成品电缆上取下的绝缘的机械物理性能符合表4的规定。
表45.8.2 非阻燃型电缆外护套的机械物理性能应符合表5的规定。
5.9电缆的机械物理性能除符合5.8条的规定外,应进行低温试验,试验温度为-15℃±2 ℃,技术要求和试验方法符合GB/T2951.4。
5.10电缆电气性能及试验方法(见表6)注:表的符号〔〕内数据为A型电缆非屏蔽四线组允许值(或允许误差范围)。
10. 电缆A 端组序、线序排列示意图19B (4×4P+3)21A (3×4P+2×4+1)21B (5×4P+1)24A (4×4P+2×4)16A (2×4P+2×4)16B (4×4P )14 B (3×4 P+2)12 A (2×4 P+1×4)8 B (2×4 P )14 A (2×4 P+1×4+2)12 B (3×4 P )24B (6×4P )28A (4×4P+3×4)28B (7×4P ) 30A (4×4P+3×4+2) 42A (5×4P+5×4+2) 44A (6×4P+5×4) 48A (6×4P+6×4)33A (4×4P+4×4+1)37A (4×4P+5×4+1) 30B (7×4P+2)注释:11.电缆截面示意图举例SPTYWPL23 21A 内屏蔽铁路数字信号电缆A 端截面示意图SPTYWPA23 21A 内屏蔽铁路数字信号电缆A 端截面示意图表示为色标为红、绿、白的皮-泡-皮绝缘线芯;表示扎丝色标为红、绿、白、蓝、红蓝的四线组。
铁路信号电缆施工工艺规定第一章总则第一条为了规范在广铁(集团)公司管内的铁路信号电缆施工,从源头预防信号设备故障,特制定本规定。
第二章铁路信号电缆使用规定第二条 ZPW—2000系列自动闭塞轨道区段以及2000系列的站内电码化设备采用铁路数字信号电缆,计轴设备、应答器使用专用数字信号电缆,其它设备应采用综合护套或铝护套信号电缆等非数字信号电缆。
第三条电化区段主干信号电缆应采用铝护套信号电缆,电化区段与非电化区段连接的站(场)联电缆应采用铝护套信号电缆。
第四条 ZPW—2000系列采用的铁路内屏蔽数字信号电缆,应遵循以下使用原则1.两个频率相同的发送与接收不能采用同一根电缆。
2.两个频率相同发送(接收)不能设置在同一屏蔽四线组内。
3.电缆中有两个及其以上的相同频率的发送或接收时,该电缆需采用内屏蔽电缆。
4.电缆中各发送、各接收频率均不相同时,可采用非内屏蔽电缆,但线对必须按4线组对角线成对使用。
5.内屏蔽电缆有2对以上的备用芯线时,必须有一个完整的内屏蔽4芯组。
第五条轨道电路发送、接收电缆应成对使用。
第三章铁路信号电缆径路选择原则第六条铁路信号电缆敷设前,由施工单位会同工务段、电务段、通信段等设备管理单位配合人员进行现场踏勘,共同确认敷设径路。
第七条两设备间距离最短,通过股道及障碍物最少,利于施工及维修方便。
第八条避开线路和其他建筑物的改、扩建处。
第九条避免在道岔的岔尖、辙岔心和钢轨接头处穿越股道。
第十条避免通过碱、酸、盐性等有化学腐蚀物质的地带,各种管道径路复杂地带。
第十一条避免通过土壤松软容易塌陷的地带,以及坚石、池沼、污水坑等处。
第十二条电缆径路与铁路平行时,距最近轨底边缘的距离,在线路外侧L为2m。
如路基宽度不够时,在保证轨底边缘与电缆间斜面距离不小于2m的情况下,L可减至不小于1.7m。
在线路间,L为1.6m。
若线路间距为4.5m,此项距离L可减至不小于1.5m。
距铁路边排水沟边沿不小于1000mm。
信号电缆技术规格书一、数字信号电缆技术规格书1 适用范围1.1本技术规格书适用于铁路数字信号电缆。
1.2 电缆应用范围本产品适用于铁路信号系统中有关设备和控制装置之间的联接,可实现1MHz(模拟信号)、2Mbit/s(数字信号)及额定电压交流750V或直流1100V及以下系统控制信息及电能传输。
可在铁路电气化和非电气化区段使用。
2 工作条件2.1 电缆的使用环境温度为-40℃~+60℃,敷设的环境温度不低于-10℃。
2.2 电缆导体的长期允许工作温度不超过+70℃。
2.3 电缆的允许弯曲半径不小于电缆外径的15倍。
3 电缆型号、名称及规格3.1电缆型号: SPTYWA23 SPTYWL233.2电缆名称:皮-泡-皮物理发泡聚乙烯绝缘综合护套(铝护套)双钢带铠装聚乙烯外护套铁路数字信号电缆。
4 技术要求与试验方法4.1 导体4.1.1导体采用符合GB/T3953规定的TR型软圆铜线,导体的标称直径为1.0mm,试验方法符合GB/T4909.2规定。
4.1.2导体允许接头,每根芯线接头数量不大于2个/km,电缆所有芯线相邻接头间的距离大于300mm,接头处的抗张强度应不小于相邻段相同长度无接头导体的90%,试验方法符合GB/T 4909.3的规定。
4.1.3无接头的导体断裂伸长率≥20%,有接头导体断裂伸长率≥15%,试验方法符合GB/T 4909.3的规定。
4.1.4导体的卷绕试验,卷绕试验方法为一次卷绕,试棒直径等于试件的标称直径。
每个试件的试验结果,试件试验部分的表面无裂纹。
试验方法符合GB/T4909.7的规定。
4.2 绝缘4.2.1 绝缘为聚乙烯绝缘结构。
泡孔分布均匀,气泡间应互不连通,绝缘厚度满足本技术建议书产品性能的要求。
4.2.2 绝缘具有完整性,其试验方法符合GB/T 3048.9的规定,试验电压不低于交流2500V。
4.2.3绝缘线芯制成红、绿、白、蓝四种颜色。
4.2.4从成品电缆上取下的绝缘机械物理性能应符合表1的规定。
铁路信号电缆的标准通常由国家标准或企业标准来规定。
具体的标准内容可能会涵盖以下几个方面:
结构组成:铁路信号电缆一般由导体、绝缘层、屏蔽层和护套等组成。
其中,导体应采用铜线,绝缘层应采用优质PVC或PE材料,屏蔽层应采用铜带或铜网织物,并应确保接地良好。
护套应采用阻燃、耐磨损、耐老化等性能优良的材料。
电气性能:铁路信号电缆的电气性能应满足相关标准要求,如直流电阻、绝缘电阻、电容耦合系数等指标。
在满足基本通信传输功能的同时,还应具备传输模拟信号(如1MHz)、数字信号(如2Mbit/s)以及交流750V或直流1100V电力的功能。
使用环境:铁路信号电缆的使用环境应满足一定的条件。
例如,电缆的导体长期工作温度通常不超过70℃,使用环境的温度为-40℃~60℃,敷设时的环境温度应不低于-10℃。
同时,电缆敷设时的弯曲半径也有一定的要求,如非铠装电缆的弯曲半径应不小于电缆外径的10倍。
传输衰减和阻抗:铁路信号电缆的传输衰减和阻抗等通信传输指标也是标准中重要的一部分。
这些指标会直接影响信号的传输质量和距离。
安全可靠性:铁路信号电缆还应满足安全可靠性的要求,如具备一定的防火、防水、防老化等性能,能够满足长时间的使用需求。
总的来说,铁路信号电缆的标准是一个综合性的规范,它不仅规定了电缆的结构和电气性能,还对电缆的使用环境、传输衰减和阻抗、安全可靠性等方面作出了详细的规定。
车站与区间信号电缆型号及测试安装施工工艺标准一、电缆型号(一)信号电缆型号1. 信号电缆的导电芯线应采用标称直径为1.0mm的软铜线,其允许工作电压不得低于工频500V或直流1000V。
2. 集中联锁和自动闭塞区间的信号电缆,应采用综合护套、铝护套和数字信号电缆。
有特殊要求的设备,如计轴设备、应答器等设备应采用专用数字信号电缆。
(1)信号电缆按护套类型包括塑料护套(PTY03、PTY23等)、综合护套(PTYA23、PTYA22)、铝护套(PTYL23、PTYL22)信号电缆,电缆规格用电缆芯数表示分为:4、6、8、9、12、14、16、19、21、24、28、30、33、37、42、44、48、52、56、61。
(2)铁路数字信号电缆分为塑料护套(SPTYW03或SPTYW23)、综合护套(SPTYWA23)、铝护套(SPTYWL23)、内屏蔽(SPTYWP03或SPTYWP23、SPTY-WPA23、SPTYWPL23)数字电缆。
(二) 信号电缆使用范围1. 集中联锁和自动闭塞区间的信号电缆,应采用综合护套、铝护套、数字信号电缆。
2. 电化区段主干信号电缆应采用铝护套信号电缆,电化区段与非电化区段连接的站(场)联电缆应采用铝护套信号电缆。
3. ZPW-2000系列自动闭塞轨道区段以及2000系列的站内电码化设备采用铁路数字信号电缆,计轴设备、应答器使用专用数字信号电缆,其它设备应采用综合护套或铝护套信号电缆等非数字信号电缆。
4.ZPW-2000系列采用的铁路内屏蔽数字信号电缆,应遵循以下使用原则:(1)两个频率相同的发送与接收不能采用同一根电缆。
(2)两个频率相同发送(接收)不能设置在同一屏蔽四线组内。
(3) 电缆中有两个及其以上的相同频率的发送或接收时,该电缆需采用内屏蔽电缆。
(4)电缆中各发送、各接收频率均不相同时,可采用非内屏蔽电缆,但线对必须按4线组对角线成对使用。
(5)内屏蔽电缆有2对以上的备用芯线时,必须有一个完整的内屏蔽4芯组。
铁路信号电缆施工中的防护摘要:随着经济和交通行业的快速发展,铁路信号电缆工程施工是铁路信号施工的重要组成部分,按照施工工艺和施工标准对信号电缆进行单盘测试、电缆径路、开挖缆沟、敷设、接续、回填、测试试验等环节的防护工作是整个施工中的重点。
由于铁路信号电缆施工过程复杂、难度大,做好对上述方面的施工防护工作是铁路行车安全的重要保障。
本文简述铁路信号电缆在施工过程中着力解决的重点防护内容,存在的问题,现场突发典型故障案例,并就如何防范电缆故障制定应急处置方案。
关键词:铁路;信号电缆;电缆敷设;接续;防护引言信号电缆是连接各种信号设备,实现联锁功能和信息传递的重要通道,是信号联锁设备的重要组成部分。
而做好信号电缆防护工作是整个施工顺利进行的前提,是确保施工进程全面完成的关键。
信号电缆如果发生断线或混线故障,将直接造成设备故障,电缆抢修难度系数大,导致无法正常行车。
为加强信号电缆施工中的安全防护管控,强化现场各项施工防护,关键环节、重点部位作业的安全控制,增强安全意识,有效防范安全隐患,特别对信号电缆的防护工作提出了更严格的要求。
施工改造过程中,最典型的弊端就是在信号电缆径路排查、敷设、接续、管理、监护工作不到位,造成电缆损伤影响施工质量,埋下故障隐患。
下面对信号电缆在施工过程中的防护问题进行简单论述。
1铁路信号电缆的防护1.1铁路信号电缆分类铁路信号电缆最为常用的是铁路内屏蔽数字信号电缆,它是在铁路数字信号电缆SPT的基础上研制而成。
按照其类型总体上主要分为铁路综合护套信号电缆、铁路铝护套信号电缆、铁路数字信号电缆、铁路内屏蔽数字信号电缆、铁路计轴信号电缆等。
石家庄电务车间管内平哲段所使用的信号电缆主要是内屏蔽数字信号电缆和普通信号电缆。
1.2内屏蔽数字信号电缆结构内屏蔽数字信号电缆由外护套、铠装层(钢带)、内衬层、铝护套、隔热层、包带层、内屏蔽层、绝缘单线和屏蔽四线组等9部分组成,铁路内屏蔽数字信号电缆与普通信号电缆在结构上的区别主要在电缆内部,铁路内屏蔽数字信号电缆中的内屏蔽四线组采用星型结构,由4根不同颜色的绝缘芯线绞合而成。
铁路信号电缆说明1、电缆用途本产品适用于额定电压交流750V或直流1100V铁路信号系统轨道电路、列控自动装置和超速防护系统地面设备、计轴、车站电码化、微机联锁、计算机监测、调度集中、调度监督、大功率电动转辙机等有关信号控制装置和设备之间传输控制信息,监测信息和电能,可做为DMIS底层系统数字信息和业务电话的传输通道。
当用于ZPW—2000、UM71无绝缘轨道电路自动闭塞时,传输距离可达10km。
其中内屏蔽铁路数字信号电缆,对传输四线组进行了单独屏蔽(分A型、B型,结构及电缆组序排列见示意图),因而提高了电缆近端串音衰减,有效解决了在同根电缆内传输相同频率的铁路信号信息时,各传输线组之间的干扰防卫问题。
达到信号系统及设备之间,同缆同数量级电平的同频信息及最高2Mbit/s数字信息传输。
同时可在铁路电气化和非电气化区段使用。
本电缆除基本型外还有阻燃型、防白蚁型、耐寒型、高屏蔽型等用于特殊环境的产品。
在电缆制造工艺方面,电缆主要原材料选用与IEC国际标准规定基本一致。
绝缘导电线芯采用具有国际先进水平的皮-泡-皮物理发泡三层共挤技术。
2、电缆使用特性2.1 电缆导体长期工作温度不超过70℃;Use of the cableThe product is suitable for signal system track circuit for railway with rated voltage AC 750V or DC 1100V, train controlling automatic equipment and ground equipment of super-speed guarding system, axle counting system, station code, microcomputer interlocking, microcomputer monitoring system, and transmitting controlling information, monitoring information or power between signal equipment and control equipment such as some high-power electro-motive switch. The cable can be served as communication channel for DMIS skeleton information, business telephone or local communication.The cable is suitable for ZPW-2000 and UM71 non-insulated rail circuit automatic blocking system, can meet the requirement of 10km transmission. Inner screen digital signal cable for railway, make separated shielding for transmit quad group (divided into A and B type, see the cable group's arrange the sketch map in structure), so increased near-end cross-talk attenuation of cable, effectively solved interference and defend problem in transmit line groups while transmit the railway signal information of the same frequency with the one cable. It has the transmit ability of same frequency of same level in one cable and transmit up to 2Mbit/s digital information between signal system and equipment. It can be used in section with electrifiedThere are flame-retardant, anti-termite, cold-resistant and high screening types cables for special environmentIn manufacturing processing of the cable, the exertion of cable main material stipulates with international standards, such as IEC. Insulating core adopt with international state-of –the arts physical foamed skin-foam-skin 3-layer coating co-extruded technology.Operating characteristicsThe long-term working temperature of conductor is not more than 70℃;2.2电缆使用环境温度为-40℃~60℃;2.3电缆敷设时的环境温度应不低于-10℃;2.4敷设时的弯曲半径:塑料护套、综合护套、铝护套铁路数字信号电缆非铠装电缆应不小于电缆外径的10倍;铠装电缆应不小于电缆外径的15倍;内屏蔽铁路数字信号电缆应不小于电缆外径的20倍;2.5电缆机械强度高、防腐蚀、耐寒性能好,抗冲击力强;2.6电缆屏蔽线组具有良好的屏蔽性能,可提高线组间的抗干扰能力。
铁路信号电缆产品介绍:适用范围:适用于额定电压交流500V或直流1000V及以下传输铁路信号、音频信号或某些自动装置用固定敷设的各种电缆。
产品特点:综合护套铁路信号电缆用于铁路电气化区段的强电干扰地区,理想屏蔽系数不大于0.8。
铝护套铁路信号电缆适用于铁路电气化区段的强电干扰地区,电缆理想屏蔽系数不大于0.2。
本电缆除基本型外还有阻燃型、防白蚁型、耐寒型、防腐耐寒型等用于特殊环境的产品。
使用特性:电缆的使用温度为-40~60℃。
电缆导体的长期允许工作温度应不超过70℃。
电缆敷设环境温度为:聚氯乙烯外护套电缆应不低于0℃;聚乙烯外护套电缆应不低于-10℃。
电缆的允许弯曲半径:非铠装电缆应不小于电缆外径的10倍;铠装电缆应不小于电缆外径的15倍。
产品型号名称及规格型号名称简称规格PTYV或(PTY02)PTYY或(PTY03)PTY22 PTY23 聚乙烯绝缘聚氯乙烯外护套铁路信号电缆聚乙烯绝缘聚乙烯外护套铁路信号电缆聚乙烯绝缘钢带铠装聚氯乙烯外护套铁路信号电缆聚乙烯绝缘钢带铠装聚乙烯外护套铁路信号电缆塑料护套铁路信号电缆(4~61)芯PTYA22 PTYA23 聚乙烯绝缘综合护套钢带铠装聚氯乙烯外护套铁路信号电缆聚乙烯绝缘综合护套钢带铠装聚乙烯外护套铁路信号电缆综合护套铁路信号电缆PTYL22 PTYL23 聚乙烯绝缘铝护套钢带铠装聚氯乙烯外护套铁路信号电缆聚乙烯绝缘铝护套钢带铠装聚乙烯外护套铁路信号电缆铝护套铁路信号电缆电缆截面示意图铁路数字信号电缆产品介绍:适用范围:适用于额定电压交流750V或直流1100V铁路信号系统轨道电路、列控自动装置和超速防护系统地面设备、车站电码化、微机联锁、计算机监控、调度集中、调度监督、大功率电动转辙机等有关信号控制装置和设备之间传输控制信息,监测信息和电能,可做为DMIS底层系统数字信息和业务电话的传输通道。
可实现1MHz(模拟信号)、2Mbit/s(数字信号)、额定电压交流750V或直流1100V及以下系统控制信息与电能的传输。
铁路信号电缆技术标准-铁道部部标中华人民共和国铁道部部标准TB 1472-83综合护套、铝护套信号电缆技术条件本标准适用于交流额定电压500V直流电压1000V及以下的室外固定敷设电缆。
1 引言1.1 适用的温度条件1.1.1 线芯的长期允许工作温度应不超过70?。
1.1.2 电缆在温度–40,60?时使用。
1.1.3 普通护套在环境温度不低于–5?耐寒护套不低于–10?的条件下敷设时无须预热。
1.2 屏蔽作用1.2.1 综合护套、铝护套均有屏蔽作用。
均适用于经过计算需要设置屏蔽电缆的电气化区段。
1.2.2 综合护套带铠装的电缆,当护套上的感应电压为35,200V,km时,电缆的屏蔽系数,小于或等于0.8。
1.2.3 铝护套带铠装的电缆,当护套上的感应电压为35,200V,km时,电缆的理想屏系数,小于或等于0.3。
1.3 弯曲半径敷设时的弯曲半径不小于电缆外径的15倍。
1.4 适用的频率范围1.4.1 综合扭绞的扭绞线对适用于音频范围以内的设备,也可用于一般的工频以下或直流设备。
1.4.2 普通型结构适用于工频以下或直流设备。
2 品种规格2.1 综合护套信号电缆2.1.1 综合护套普通型信号电缆的型号如表1所示:中华人民共和国铁道部1983—03—05发布 1983—10—01实施1TB 1472—83表1型号名称敷设条件规格聚乙烯绝缘、综合护套、聚敷设在槽、管中能承受一般3、4、5、7、9、12、14、16、PYAV 氯乙烯外护套信号电缆的机械外力 19、21、24聚乙烯绝缘、综合护套、耐27、30、33、37、42、44、48、同上,适用于寒冷地区 PYAVH 寒聚氯乙烯外护套信号电缆 52、56、61聚乙烯绝缘、综合护套、内敷设在土壤及槽、管中能承 PYAV29 钢带铠装、聚氯乙烯外套信号受较大的外力电缆聚乙烯绝缘、综合护套、内 PYAVH29 同上,适用于寒冷地区钢带铠装、耐寒聚氯乙烯外护套信号电缆2.1.2 综合护套综合扭绞信号电缆的型号如表2所示:表2型号名称敷设条件规格4(1×4)6(3×2) 聚乙烯绝缘、综合扭绞、综合护敷设在槽、管中能承PZYAV 8(4×2) 套、聚氯乙烯外护套信号电缆受一般的机械外力9(4×2,1)12(3×4)14(3×4,2)16(4×4) 聚乙烯绝缘、综合扭绞、综合护同上,适用于寒冷地PZYAVH19(4×4,3) 套、耐寒聚氯乙烯外护套信号电缆区21(4×4,5)24(5×4,1×2,2)28(7×4)30(7×4,2) 聚乙烯绝缘、综合扭绞、综合护敷设在土壤及槽、管PZYAV29 33(7×4×5) 套、内钢带铠装、聚氯乙烯外护套中能承受较大的机械37(7×4,3×2,3) 信号电缆外力42(7×4,4×2,6)44(7×4,4×2,8)48(12×4) 聚乙烯绝缘、综合扭绞、综合护同上,适用于寒冷地PZYAVH2952(12×4,4) 套、内钢带铠装、耐寒聚氯乙烯外区56(14×4) 护套信号电缆61(14×4,5) 2.2 铝护套信号电缆2.2.1 铝护套普通型信号电缆型号如表3如示:2TB 1472—83表3型号名称敷设条件规格聚乙烯绝缘、铝护套、聚氯乙敷设在土壤及槽、管中能承3、4、5、7、9、12、 PYLV 烯外护套信号电缆受一般的机械外力 14、16、19、21、24、聚乙烯绝缘、铝护套、耐寒聚27、30、33、37、45、同上,适用于寒冷地区PYLVH 氯乙烯外护套信号电缆 44、48、52、56、61聚乙烯绝缘、铝护套、钢带铠敷设在土壤及槽、管中能承装二级外护层、聚氯乙烯外护套受较大的机械外力 PYLV22信号电缆聚乙烯绝缘、铝护套、钢带铠同上,适用于寒冷地区装二级外护层、耐寒聚氯乙烯外PYLVH22护套信号电缆2.2.2 铝护套综合扭绞信号电缆的型号如表4所示:表4型号名称敷设条件格规4(1×4) 6(3×2) 聚乙烯绝缘、综合扭绞、铝护套、敷设在土壤及槽、管中PZYLV 8(4×2) 聚氯乙烯外护套信号电缆能承受一般的机械外力9(4×2,11) 12(3×4)14(3×4,2) 16(4×4) 聚乙烯绝缘、综合扭绞、铝护套、PZYLVH 同上,适用于寒冷地区19(4×4,3) 耐寒聚氯乙烯外护套信号电缆21(4×4,5) 24(5×4,1×2,2)28(7×4)聚乙烯绝缘、综合扭绞、铝护套、30(7×4,2) 敷设在土壤及槽、管中PZYLV 钢带铠装二级外护层、聚氯乙烯外33(7×4,5) 22能承受较大的机械外力护套信号电缆37(7×4,3×2,3)42(7×4,4×2,6)44(7×4,4×2,8) 聚乙烯绝缘、综合扭绞、铝护套、48(12×4) PZYLVH 钢带铠装二级外护层、耐寒聚氯乙同上,适用于寒冷地区52(12×4,4) 22 烯外护套信号电缆56(14×4)61(14×4,5)2.3 型号的编制原则及意义以一机部的电缆型号编制为原则,并参考通信电缆的型号进行编制。
中华人民共和国铁道行业标准
TB/T 2476.3-93 铁路信号电缆综合护套信号电缆
1 主题内容与适用范围
本标准规定了综合护套铁路信号电缆(以下简称电缆)的使用特性、型号规格、技术要求与试验方法、检验规则。
本标准适用与额定电压交流500V或直流1000V及以下,固定敷设的综合护套铁路信号电缆。
本标准应与TB/T 2476.1一起使用。
2 引用标准
GB 3048.10 电线电缆挤出防蚀护套火花试验方法
GB 2951.3 电线电缆护套厚度测量方法
GB 5441.9 通信电缆试验方法工频条件下理想屏蔽系数试验
3 使用特性
3.1 电缆具有屏蔽作用,可用于需要设置屏蔽电缆的电气化区段。
3.2 电缆的弯曲半径应不小于电缆外径的15倍。
4 型号规格
4.1电缆的型号及名称表1
4.2 电缆的规格及参考外径如表2
中华人民共和国铁道部1993-12-18批准 1994-07-01实施
1
TB/T 2476.3-93
5 技术要求与试验方法
5.1 综合护套
5.1.1 铝带
5.1.1.1 综合护套用铝带的标称厚度为0.2mm。
铝带至少有一面涂复聚合物簿膜,铝带纵包复叠部分宽度应不小于6mm,小直径(9.5mm及以下)电缆的纵包重叠部分宽度应不小于铝带圆周的20%。
5.1.1.2 铝带应连续。
铝带连续性的试验方法采用电铃或指示灯进行导通试验。
5.1.2 聚乙烯套
5.1.2.1 聚乙烯套应粘附在铝带的聚合物薄膜上,铝带与聚乙烯套之间的剥离强度应不小于0.8N /mm。
其试验方法见附录A(补充件)。
5.1.2.2 聚乙烯套应具备完整性。
其试验方法应符合GB 3048.10规定,电压有效值至少为1.5mm。
其试验方法应符合GB 2951.3规定。
5.2 理想屏蔽系数
电缆理想屏蔽系数应不大于0.8,基中9芯及以下电缆护套上的感应电压为50~200V/km,12芯及以上电缆护套上的感应电压为35~200Vkm。
其试验方法应符合GB 5441.9
规定。
2
TB/T 2476.3-93
5.3电缆的其余技术要求与试验方法应符合TB/T 247
6.1规定。
6 检验规则
电缆应按表3规定的试验类型进行试验
3
TB/T 2476.3-93
附录A
铝带与聚乙烯套之间剥离强度的试验方法
(补充件)
本试验方法适用于测定综合护套中铝带与聚乙烯套之间的剥离强度。
A1 试验设备
a. 拉力机;
b. 冲头。
A2 试样制备
用冲头在电缆的纵向护套上冲取长150mm、宽15mm的长方形试片3只,每只试片应不包含铝带的重叠部分。
A3 试验程序
a. 从试片的一端分离出约50mm长的铝带;
b. 将分离出的铝带卡在拉力机的上头中,聚乙烯套部分卡在下卡头中;
c. 将拉力机的卡头以100±5mm/min的速度进行分离,每隔8s记录一次显示的分离力,记录次数应不小于7次。
三只试片分别按上述程序进行试验。
A4 试验结果
将记录的数据舍去第一个和最后一个,取分离的中间数据进行平均,再除以试片的宽度,即得试片的剥离强度。
三只试片的计算结果的平均值即为铝带与聚乙烯套之间的剥离强度,其单位是N/mm。
附加说明:
本标准由中国铁路通信信号总公司西安器材研究所提出、归口。
本标准主要起草人 、宋建朝、许明生。
4。