数字超声波探伤仪焊缝探伤实例DAC曲线绘制探伤步骤
- 格式:docx
- 大小:43.79 KB
- 文档页数:5
焊缝超声波检测时DAC曲线的制作与应用欧阳引擎(2021.01.01)摘要在超声波检测时,为了避免漏检,超声检测人员通常用较高的灵敏度(二次波或三次波的灵敏度)作为扫查灵敏度。
当在扫查过程中发现缺陷时,根据缺陷波距一次波、二次波(三次波)的水平位置远近选用水平差值最小的波次的灵敏度对缺陷进行定量。
因此在超声波检测时应用DAC曲线,不仅可灵敏的监测出缺陷的位置所在,而且简单方便。
本文分析了超声波检测在检测时对检测结果的分析,应用DAC曲线和DAC曲线的多种制作方法,并对比分析了各种DAC曲线的制作方法优缺点如:直线连接法;最小二乘拟合法;拉格朗日拟合曲线法等,并且还介绍了增益型波检测DAC曲线与衰减型检测DAC曲线。
DAC曲线在实际工程中的应用很是广泛。
其中本文以TC4大直径钛合金棒材超声波探伤为例证明DAC曲线可以对保证准确的灵敏度及建立曲线进行声程补偿,可有效解决材料探伤杂波较高的问题,保证大直径棒材的有效检测,以保证探伤结果的准确性、可靠性。
关键词超声波检测;DAC曲线;缺陷定量;评定依据Production and Application of DAC Curve inUltrasonic Testing of WeldsAbstractIn ultrasonic testing, in order to avoid detection, ultrasonic testing personnel usually with high sensitivity (sensitivity of two times wave or three times the wave ) as the scanning sensitivity. When the find defects during scanning process, according to the distance of defect wave from a wave, the two wave (the three wave) level location select the least level difference between wave sensitivity as the quantify defects. The application of DAC curve in ultrasonic testing, not only can sensitively detect the location of defects,but also be simple and convenient. This paper analyzed the ultrasonic testing in the detection of the analysis on the test results, making a wide variety of applications of DAC curve and DAC curve, and analyzed the advantages and disadvantages of various methods of DAC curve analysis such as: linear connection method; least squares fitting; Lagrange fitting curve method, and also introduces the gain wave detection of DAC curve and DAC curve of attenuation measurement. Application of DAC curve in engineering practice is very extensive. Which based on the TC4 large diameter titanium alloy bars-ultrasonic testing as an example to demonstrate that DAC curve can be used for acoustic sensitivity to ensure the accuracy of compensation and establishment of curve, which can effectively solve the problem of high material testing noise, ensure theeffective detection of large diameter bars, in order to guarantee the accuracy, reliability of testing results. Keywords Ultrasonic testing; DAC curve; Defect quantitative; Assessment basis目录摘要IAbstractII第1章绪论- 1 -1.1 课题背景- 1 -1.2 超声波检测时应用曲线- 2 -1.2.1 焊缝超声波检测时DAC曲线- 2 -1.2.2 焊缝超声波检测时A VG曲线- 3 -1.3 我国超声波检测时曲线的现状及发展- 7 -1.4 本文主要研究内容- 7 -第2章超声波检测DAC曲线的制作- 9 -2.1 DAC曲线分类- 9 -2.1.1 dB-S曲线(实测DAC曲线)- 10 -2.1.2 DAC面板- 10 -2.2 各种绘制方法在标准中的使用- 11 -2.2.1 直接连线法- 11 -2.2.2 最小二乘法曲线拟合- 12 -2.2.3 拉格朗日插值法- 13 -2.2.4 结论- 15 -2.3 衰减型和增益型探伤DAC曲线绘制- 15 -2.3.1 衰减型DAC曲线的绘制- 15 -2.3.2 增益型数字超声探伤仪DAC曲线的绘制- 19 -2.4 绘制DAC曲线注意事项- 20 -2.5 本章小结- 21 -第3章DAC曲线在大直径钛合金棒材超声检测中的应用- 22 -3.1 简介- 22 -3.2 探伤原理- 22 -3.3 探伤工艺的选择- 23 -3.3.1 探伤仪- 23 -3.3.2 探头- 23 -3.3.3 对比试块- 24 -3.3.4 扫查- 25 -3.4 试验过程- 25 -3.4.1 前期试验- 25 -3.4.2 不同探头对比试验- 26 -3.4.3 DAC曲线试验- 28 -3.4.4 实验结果- 29 -3.5 本章小结- 29 -结论- 30 -致谢- 31 -参考文献- 32 -附录- 33 -第1章绪论1.1课题背景无损检测即NDT(Non-destructive testing),就是利用声、光、磁和电等特性,在不损害或不影响被检对象使用性能的前提下,检测被检对象中是否存在缺陷或不均匀性,给出缺陷的大小、位置、性质和数量等信息,进而判定被检对象所处技术状态(如合格与否、剩余寿命等)的所有技术手段的总称。
焊缝超声波检测时DAC曲线的制作与应用摘要在超声波检测时,为了避免漏检,超声检测人员通常用较高的灵敏度(二次波或三次波的灵敏度)作为扫查灵敏度。
当在扫查过程中发现缺陷时,根据缺陷波距一次波、二次波(三次波)的水平位置远近选用水平差值最小的波次的灵敏度对缺陷进行定量。
因此在超声波检测时应用DAC曲线,不仅可灵敏的监测出缺陷的位置所在,而且简单方便。
本文分析了超声波检测在检测时对检测结果的分析,应用DAC曲线和DAC曲线的多种制作方法,并对比分析了各种DAC曲线的制作方法优缺点如:直线连接法;最小二乘拟合法;拉格朗日拟合曲线法等,并且还介绍了增益型波检测DAC曲线与衰减型检测DAC曲线。
DAC曲线在实际工程中的应用很是广泛。
其中本文以TC4大直径钛合金棒材超声波探伤为例证明DAC曲线可以对保证准确的灵敏度及建立曲线进行声程补偿,可有效解决材料探伤杂波较高的问题,保证大直径棒材的有效检测,以保证探伤结果的准确性、可靠性。
关键词超声波检测;DAC曲线;缺陷定量;评定依据Production and Application of DAC Curve inUltrasonic Testing of WeldsAbstractIn ultrasonic testing, in order to avoid detection, ultrasonic testing personnel usually with high sensitivity (sensitivity of two times wave or three times the wave ) as the scanning sensitivity. When the find defects during scanning process, according to the distance of defect wave from a wave, the two wave (the three wave) level location select the least level difference between wave sensitivity as the quantify defects. The application of DAC curve in ultrasonic testing, not only can sensitively detect the location of defects,but also be simple and convenient.This paper analyzed the ultrasonic testing in the detection of the analysis on the test results, making a wide variety of applications of DAC curve and DAC curve, and analyzed the advantages and disadvantages of various methods of DAC curve analysis such as: linear connection method; least squares fitting; Lagrange fitting curve method, and also introduces the gain wave detection of DAC curve and DAC curve of attenuation measurement.Application of DAC curve in engineering practice is very extensive. Which based on the TC4 large diameter titanium alloy bars-ultrasonic testing as an example to demonstrate that DAC curve can be used for acoustic sensitivity to ensure the accuracy of compensation and establishment of curve, which can effectively solve the problem of high material testing noise, ensure the effective detection of large diameter bars, in order to guarantee the accuracy, reliability of testing results.Keywords Ultrasonic testing; DAC curve; Defect quantitative; Assessment basis目录摘要 (I)Abstract (II)第1章绪论................................................................................................... - 1 -1.1 课题背景............................................................................................ - 1 -1.2 超声波检测时应用曲线.................................................................... - 2 -1.2.1 焊缝超声波检测时DAC曲线 ............................................... - 2 -1.2.2 焊缝超声波检测时A VG曲线................................................ - 3 -1.3 我国超声波检测时曲线的现状及发展............................................ - 6 -1.4 本文主要研究容................................................................................ - 6 - 第2章超声波检测DAC曲线的制作 ........................................................ - 7 -2.1 DAC曲线分类 ................................................................................... - 7 -2.1.1 dB-S曲线(实测DAC曲线) ............................................... - 7 -2.1.2 DAC面板 ................................................................................. - 8 -2.2 各种绘制方法在标准中的使用........................................................ - 8 -2.2.1 直接连线法.............................................................................. - 9 -2.2.2 最小二乘法曲线拟合.............................................................. - 9 -2.2.3 拉格朗日插值法.................................................................... - 10 -2.2.4 结论........................................................................................ - 12 -2.3 衰减型和增益型探伤DAC曲线绘制 ........................................... - 12 -2.3.1 衰减型DAC曲线的绘制 ..................................................... - 12 -2.3.2 增益型数字超声探伤仪DAC曲线的绘制 ......................... - 16 -2.4 绘制DAC曲线注意事项 ............................................................... - 17 -2.5 本章小结.......................................................................................... - 18 - 第3章DAC曲线在大直径钛合金棒材超声检测中的应用 ................... - 19 -3.1 简介.................................................................................................. - 19 -3.2 探伤原理.......................................................................................... - 19 -3.3 探伤工艺的选择.............................................................................. - 20 -3.3.1 探伤仪.................................................................................... - 20 -3.3.2 探头........................................................................................ - 20 -3.3.3 对比试块................................................................................ - 20 -3.3.4 扫查........................................................................................ - 22 -3.4 试验过程.......................................................................................... - 22 -3.4.1 前期试验................................................................................ - 22 -3.4.2 不同探头对比试验................................................................ - 22 -3.4.3 DAC曲线试验 ....................................................................... - 24 -3.4.4 实验结果................................................................................ - 25 -3.5 本章小结.......................................................................................... - 25 - 结论............................................................................................................... - 25 - 致................................................................................................................... - 26 - 参考文献....................................................................................................... - 27 - 附录............................................................................................................... - 28 -第1章绪论1.1课题背景无损检测即NDT(Non-destructive testing),就是利用声、光、磁和电等特性,在不损害或不影响被检对象使用性能的前提下,检测被检对象中是否存在缺陷或不均匀性,给出缺陷的大小、位置、性质和数量等信息,进而判定被检对象所处技术状态(如合格与否、剩余寿命等)的所有技术手段的总称。
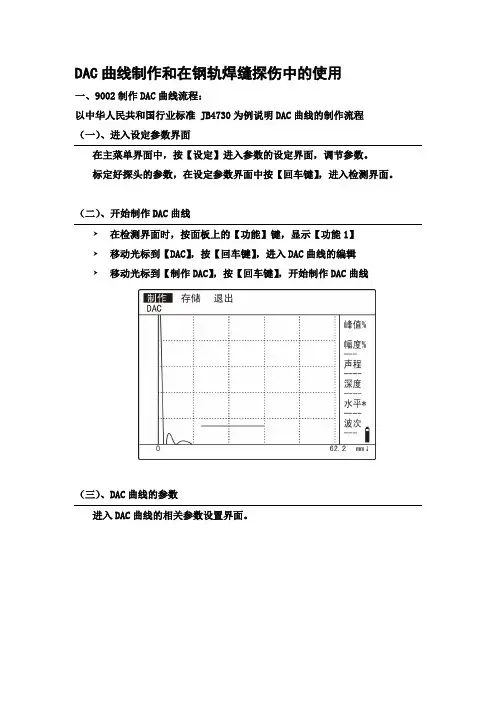
DAC曲线制作和在钢轨焊缝探伤中的使用一、9002制作DAC曲线流程:以中华人民共和国行业标准 JB4730为例说明DAC曲线的制作流程(一)、进入设定参数界面在主菜单界面中,按【设定】进入参数的设定界面,调节参数。
标定好探头的参数,在设定参数界面中按【回车键】,进入检测界面。
(二)、开始制作DAC曲线⑥在检测界面时,按面板上的【功能】键,显示【功能1】⑥移动光标到【DAC】,按【回车键】,进入DAC曲线的编辑⑥移动光标到【制作DAC】,按【回车键】,开始制作DAC曲线(三)、DAC曲线的参数进入DAC曲线的相关参数设置界面。
按照探伤工艺调节DAC曲线参数,上图以中华人民共和国行业标准JB4730为例设置。
(四)、记录试块人工伤的反射波的峰值点耦合探头到试块CSK-IIIA上去,先测量10MM深短横孔的反射波:⑥前后移动探头,找到10mm深孔的最高反射波;调节【衰减】,将波高调到90%-80%左右。
⑥移动光标到【A门位】,使用万用旋钮调节【A门位】,锁住反射回波,按面板上的【回车键】,则第一点(10mm深Φ1*6短横孔)记录下来了。
⑥从现在开始,直到60mm深的横孔记录完。
只能调节【A门位】。
⑥耦合探头到试块CSK-IIIA上去,测量20MM深短横孔的反射波。
前后移动探头,找到该孔的最高反射回波。
移动光标到【A门位】,使用万用旋钮调节【A门位】,锁住反射回波。
⑥按面板上的【回车键】,记录第二点(20mm深Φ1*6短横孔)⑥以此类推,记录第三点、第四点、第五点、第六点(分别为30mm、40mm、50mm、60mm 深的Φ1*6短横孔)⑥待第六点记录完后,将光标从【A门位】上移出(到任意位置),按仪器面板上的【下页键】,则三条DAC曲线全部显示出来。
⑥可改变补偿值,补偿耦合损失(本实例不用补偿)。
⑥DAC曲线制作好后,如果改变仪器的参数,如衰减、范围、移位等,仪器会提示“参数已改动请按下页键”,操作后,DAC曲线会相应的变化。
超声波探伤仪DAC曲线的制作过程超声波探伤仪DAC曲线的概念:DAC既距离幅度曲线,由于相同大小的缺陷,因声程不同,回波幅度也不相同。
超声检测时如需根据缺陷的回波幅度来判定缺陷是否有害,必须按不同的声程对回波幅度进行调整,通常用标准里指定的试块来制作距离-波幅曲线,DAC曲线的制作必须在检测仪器--探头自动校准之后进行。
以下曲线的制作是以11345-B级为标准:第一步;选择DAC功能组,选择设置菜单,将显示状态功能设置为“开启”状态。
第二步;选择标定菜单,将斜探头放置RB-3试块上,在表面10MM?○3通孔进行检测,最高反射回波,选择A门起始功能,调节A门起始和A门宽度,使反射回波位于闸门内,(回波必须在屏幕显示的范围内,一般为满屏的80%),然后选择保存标定功能,顺时针旋转拨轮,保存标定值由0自动改为1,第三步;用斜探头在RB-3试块上找距表面20MM?3通孔的最高反射回波,选择A门起始功能,用拨轮调节起始门位套住该反射回波,选择保存标定功能,顺时针旋转拨轮,保存标定值由1自动改为2,如果标定值有误,按保存标定功能逆时针旋转拨轮,重新保存标定点第四步;;用斜探头在RB-3试块上找距表面30MM?3通孔的最高反射回波,选择A门起始功能,用拨轮调节起始门位套住该反射回波,选择保存标定功能,顺时针旋转拨轮,保存标定值由2自动改为3,如果标定值有误,按保存标定功能逆时针旋转拨轮,重新保存标定点第五步;在标定点标定完成之后,,在对比试块上检查以显示的DAC曲线是否准确,如果标定点与以绘制成形的DAC曲线有误差,选择修正菜单第六步;补偿-选择补偿菜单,如被测工件和对比试块的材料衰减值有差别时,请计算出材料衰减值并输入材料衰减功能中表面补偿功能是指被测工件与对比试块的表面粗糙度及曲率有差别时,请计算得出表面补偿值并输入表面补偿功能中第七步:评估,在判废线1中输入-4DB,在定量线中输入-10DB在评定线中输入-16DB由于本探伤仪支持JIS标准的曲线制作,DAC曲线初始为五条。
数字式超声波探伤仪DAC曲线的快速准确制作
李强;杨克立
【期刊名称】《成组技术与生产现代化》
【年(卷),期】2014(031)001
【摘要】介绍了数字式超声波探伤技术中斜探头参数校准的方法.通过参数准确校准,快速准确制作DAC曲线(距离-波幅曲线),并且将DAC曲线应用于焊缝探伤实例.通过实践检验,该曲线能够满足无损检测工作的要求.
【总页数】3页(P56-58)
【作者】李强;杨克立
【作者单位】中原工学院工训中心,河南郑州450007;中原工学院工训中心,河南郑州450007
【正文语种】中文
【中图分类】TH878.2
【相关文献】
1.焊缝超声波检测时DAC曲线的制作与应用 [J], 范雪峰;卢卫平;戴树亭;张道峰;刘常庆;曹书林
2.衰减型与增益型超声波探伤仪DAC曲线的绘制 [J], 彭国平;李洪刚;刘菊光
3.增益型超声波探伤仪距离-波幅曲线的制作 [J], 李明;侯跃民;王会友
4.定量分析中用标准曲线制作控制图以保证分析结果的准确度 [J], 李永兴
5.超声波探伤中快速制作DAC曲线方法 [J], 郝光香;徐京明;王为
因版权原因,仅展示原文概要,查看原文内容请购买。
DAC 曲线的制作与探伤标准的自定义输入步骤
一.制作DAC 曲线
①:按【DAC 】键,启动DAC 菜单。
②:如图3所示,将探头放在CSK-3A 试块①的位置,左右移动探头找到深为10mm 孔的最高 回波,此波不能超过满屏高度,用A 闸门套住此波,按【F3】键,使标定点增加为“1”; ③:如图3所示, 将探头放在CSK-3A 试块②的位置,左右移动探头找到深为20mm 孔的最高 回波,此波不能超过满屏高度,用A 闸门套住此波,按【F3】键,使标定点增加为“2”;
(图3:DAC 曲线制作)
二.偏置设置(探伤标准的输入):
按【F5
按【F2,旋转旋钮调节评定线的值,比如设为 -16db
按【F3,旋转旋钮调节定量线的值,比如设为 -10db
按【F4,旋转旋钮调节判废线的值,比如设为
-4db
三.设置表面补偿和评估曲线
按【F5】键,进入第四页
按【F2,旋转旋钮设定工件表面补偿值,一般设为+4db
按【F5,旋转旋钮,一般设定为评定线
四.保存通道
按【通道】键,旋转旋钮选择一个空的通道号,按【F3】保存通道
此时,校准的参数和DAC 曲线均保存在了通道里。
【注:由于试块种类繁多,使用方法也较多,以上方法较为常用,仅供选择使用】 103020②
CSK-3A。
焊缝超声检测实验1DAC曲线的制作一、实验目的1、理解DAC距离波幅曲线和曲线中各个部分的意义。
2、掌握利用相关试块制作DAC曲线的方法。
二、概述DAC距离波幅曲线是描述某一确定反射体回波高度随距离变化的关系曲线。
DAC曲线以横坐标表示距离(斜探头通常表示深度,横探头通常表示声程),纵坐标表示规则反射体波幅,DAC曲线可以使不同声程处的回波都有自己的灵敏依据而且简化了超声人员的操作过程。
三、实验用品1、仪器:CTS-8008型2、探头:据实际情况选择3、试块:CSK-ⅠA、CSK-ⅢA4、耦合剂:机油四、实验步骤1、用数据线连接好探头和仪器,打开CTS-8008仪器,选择通道。
进入DAC制作界面,选择“曲线参数”进入曲线参数设定,分别输入按标准规定的评定线、定量线、及判废线dB 值。
2、将探头平稳耦合放置在CSK-IIIA试块上,对准第一个基准孔(埋深10mm的短横孔),移动探头找到最高回波。
用调节旋钮移动闸门1套住埋深10mm短横孔最高回波,调整回波幅度达到80%满垂直刻度,选择“确定”,在波尖出现一条横直线,完成第一个基准点的制作。
3、重复(4)的过程,依次找到埋深20mm、30mm、40mm的短横孔最大回波,逐次用闸门套住回波,逐次选择“确定”,从第1测量点开始的横直线将逐点下拐连接第2、3、4个测量点的波尖(注意后面的制作不要使用自动增益功能,也不能再调节增益,因为幅度不用再调节。
选择“完成”仪器自动生成按设定曲线参数的三条DAC曲线。
4、生成DAC曲线后,按快捷键的“保存”键进入数据保存界面,根据界面内容对应项完成存储操作。
五、注意事项1、制作DAC曲线前,需对探头延时、K值进行标定,否则所制作DAC曲线可能错误。
2、制作DAC曲线时的探头应与实际探伤时用的探头一致,且探头移动的压力和使用的耦合剂,应与实际检测时相同。
六、问题进行焊缝探伤前,怎样选择所需的斜探头型号?1、探头K值的选择应从以下三个方面考虑:(1)使声束能扫查到整个焊缝截面;(2)使声束中心线尽量与主要危险性缺陷垂直;(3)保证有足够的探伤灵敏度。
超声波探伤仪操作步骤公司标准化编码 [QQX96QT-XQQB89Q8-NQQJ6Q8-MQM9N]步骤一:校准(显示区只显示A扫图像)(1)声速校准(可同时计算出楔块延时和前沿距离)1 、直探头(以厚度校准为例)①范围:根据工件的厚度确定。
将一起检测范围调节到大于工件厚度的2倍。
②声速:5950m/s。
③探头角度:0度。
④增益:调节选择适当的增益。
⑤输入参考点1和参考点2的值。
(如下图,参考点1的值为100,参考点2的值为200)⑥移动闸门A,套住第一次底波,按压校准键,则回波1已校准。
⑦移动闸门A,套住第二次底波,按压校准键,则回波2已校准。
(计算公式:v=(s2−s1)t)同时可计算出楔块延时:t delay=s2v −2(s2−s1)v2、斜探头(以半径校准为例)①范围:根据工件的厚度确定。
如上图,将扫描范围调节到大于100mm。
②声速:5950m/s。
(是否按横波和纵波)③探头角度:先输入角度参考值,稍后在校正,角度在这里没有影响。
④增益:调节选择适当的增益。
⑤移动探头,找到R100圆弧面的最高反射波,输入参考点1和参考点2的值。
(如上图,参考点1的值为50,参考点2的值为100)。
平移探头到试块带R50圆弧面的一侧,使得R50圆弧面的反射波具有一定高度。
移动闸门A,选中R50圆弧面回波,按压校准键,则回波1已校准。
移动闸门A,选中R100圆弧面回波,按压校准键,则回波2已校准。
(计算公式:v =(s 2−s 1)t)同时可计算出楔块延时:t delay =s 2v−2(s 2−s 1)v找到R100圆弧面的最高反射波,则前沿距离x=100-L 。
(2)斜探头角度(K 值)校准现在范围已调整好,声速及楔块延时已校准。
① 进入K 值校准菜单② 输入孔深:(如下图,30mm ) ③ 输入孔径:(如下图,50mm )④ 增益:调节选择适当的增益。
⑤ 移动探头,找到?50mm 圆孔最高反射波。
DAC曲线制作和在钢轨焊缝探伤中的使用一、9002制作DAC曲线流程:以中华人民共和国行业标准 JB4730为例说明DAC曲线的制作流程(一)、进入设定参数界面在主菜单界面中,按【设定】进入参数的设定界面,调节参数。
标定好探头的参数,在设定参数界面中按【回车键】,进入检测界面。
(二)、开始制作DAC曲线⑥在检测界面时,按面板上的【功能】键,显示【功能1】⑥移动光标到【DAC】,按【回车键】,进入DAC曲线的编辑⑥移动光标到【制作DAC】,按【回车键】,开始制作DAC曲线(三)、DAC曲线的参数进入DAC曲线的相关参数设置界面。
按照探伤工艺调节DAC曲线参数,上图以中华人民共和国行业标准JB4730为例设置。
(四)、记录试块人工伤的反射波的峰值点耦合探头到试块CSK-IIIA上去,先测量10MM深短横孔的反射波:⑥前后移动探头,找到10mm深孔的最高反射波;调节【衰减】,将波高调到90%-80%左右。
⑥移动光标到【A门位】,使用万用旋钮调节【A门位】,锁住反射回波,按面板上的【回车键】,则第一点(10mm深Φ1*6短横孔)记录下来了。
⑥从现在开始,直到60mm深的横孔记录完。
只能调节【A门位】。
⑥耦合探头到试块CSK-IIIA上去,测量20MM深短横孔的反射波。
前后移动探头,找到该孔的最高反射回波。
移动光标到【A门位】,使用万用旋钮调节【A门位】,锁住反射回波。
⑥按面板上的【回车键】,记录第二点(20mm深Φ1*6短横孔)⑥以此类推,记录第三点、第四点、第五点、第六点(分别为30mm、40mm、50mm、60mm 深的Φ1*6短横孔)⑥待第六点记录完后,将光标从【A门位】上移出(到任意位置),按仪器面板上的【下页键】,则三条DAC曲线全部显示出来。
⑥可改变补偿值,补偿耦合损失(本实例不用补偿)。
⑥DAC曲线制作好后,如果改变仪器的参数,如衰减、范围、移位等,仪器会提示“参数已改动请按下页键”,操作后,DAC曲线会相应的变化。
焊缝超声波探伤操作步骤一、探头前沿长度的测量。
将探头放置在CSK—ⅠA试块上,将入射点对准R100处,找出反射波达到最高时探头到R100端部的距离。
然后用其所长100减去此段距离。
此时所得的数据就是探头的前沿距离。
按此方法连测三次,求出平均值。
二、测量探头的K值利用CSK—ⅠA试块上的φ50孔的反射角测出并用反三角函数计算出K值。
将探头对准试块上φ50横孔,找到最高回波:则有K=tgβ=(L+l-35)/30。
三、扫描速度的调节1、水平调节法:将探头对准R50、R100,调节仪器使B1、B2分别对准不平刻度,此时计算出l1、l2。
l1=KR50/ ,l2= KR100/将计算出的数据在示波屏上将B1和B2调至相对应的位置,此时水平距离扫描速度为1:1。
2、深度调节法利用CSK-ⅠA试块调节,先计算R50、R100圆弧反射波B1、B2对应的纵深d1、d2:d1=R50/ ,d2= R100/,然后调节仪器使B1、B2分别对准水平刻度值d1、d2。
如K=2时,经计算d1=22.4mm、d2=44.8mm。
调节仪器使B1、B2分别对准22.4和平共处44.8,这时深度1:1就调节好了。
四、距离——波幅曲线的绘制1、将探头置于CSK-ⅢA试块上,衰减48dB,调增益使深度为10mm的φ1×6孔的最高回波达基准60%,记录此时的衰减器读数和孔深,然后分别探测其它不同深度的φ1×6孔,增益不动,调节衰减器将各孔的最高回波调至60%高,记下相应的dB值和孔深填入表中。
2、以孔深为横坐标,以分贝值为纵坐标,在坐标纸上描点绘出定量线、判废线和评定线,标出Ⅰ区、Ⅱ区、Ⅲ区,并注明所用探头的频率、晶片尺寸和K值。
3、现以T=30mm举例说明50403020101020304050D BM m五、 调节探伤灵敏度调节探伤灵敏度时,探伤灵敏度不得低于评定线,一般以2倍的壁厚处所对应的评定线dB 值,也就是说在工件60mm 处评定线所对应的分贝值。
数字超声波探伤仪焊缝探伤实例/DAC曲线绘制探伤步骤:一、探伤前的准备工作1. 数字式超声探伤仪目前市面上的探伤仪大都是数字机,数字机显示的是数字化的波形,具有检测速度快、精度高、可靠性高和稳定性好等特点。
1983年德国KK公司推出了世界第一台数字超声探伤仪,采用Z80作中央处理器,但其重达10公斤,体积很大,应用时需要车载、用户爬到很高的地方来操作,不太适用于野外作业。
1986年后,工业化国家的超声探伤仪得到了迅猛发展,现代数字式超声探伤仪趋向小型化和图像化方向,如国内也已推出的掌上型探伤仪,还有具有强大图像处理功能的TOFD探伤仪。
这里选用的是市场上的一般的数字探伤仪。
2.横波斜探头: 5M13×13K23.标准试块:CSK-IB 、CSK-3A4.30mm厚钢板的对接焊缝5.DAC参数:(1)DAC点数:d=5、10、15、20(mm)的4点(2)判废线偏移量:+5dB (3)定量线偏移量:-3dB (4)评定线偏移量:-9dB 6.耦合剂(如:机油、水、凡士林等)二.探测面的选择焊缝一侧三.开机1.将探头和超声探伤仪连接2.开启面板开关,开机自检,约5秒钟进入探伤界面。
(1)按键,使屏幕下方显示“基本”、“收发”、“闸门”、“通道”、“探头”五个功能主菜单。
(2)按“F1”键,进入“基本”功能组,将“基本”功能内的“探测范围”调为“150”,将“材料声速”调为“3230”,将“脉冲移位”调为“0.0,将“探头零点”调为“0.00”。
(3)按下F2键,进入“收发”功能组,将“收发”功能内的“探头方式”调为“单晶”,将“回波抑制”调为“0%”。
(4)按下F3键,进入“闸门”功能组,将“闸门报警”调为“关”,将“闸门宽度”调为“20.0”,将“闸门高度”调为“50%”。
(此条内容的调整可根据使用者的习惯而定)。
(5)按下F4键,进入“通道”功能组,将“探伤通道”调为所需的未存储曲线的通道,如“No.1”,此时“设置调出”、“设置保存”和“设置删除”均默认显示为“关”。
欧能达系列数字式超声波探伤仪基本操作一,开机。
按【电源】1秒指示灯松开。
二,看工件,选择合适探头。
目的是超声波所发射方向要与缺陷方向相交叉(相切)如:1.单晶直探头——用来检测被检测厚度>30mm以上工件(锻件、圆棒、中厚板等)2.双晶直探头——用来检测被检测厚度>1m----50mm左右工件(薄板、薄铸件等)3.斜探头——用来检测焊缝,焊缝熔深>2.5mm以上(钢板焊缝)三,打开预先保存通道。
打开通道步骤:按【返回】3次→左上角红色箭头3次→按【+】或【—】→按【打开通道】→【返回】四,设置【声程】1.用直探头时【声程】大于被检厚度,注意不要让始波不要超过第一格。
——按【声程】(vj=0、10、20、50、100四档循环)→“数字”→【回车】2.用斜探头时,【声程】设置为母材厚度2倍或以上即可。
五,调整【增益】1.用直探头时,先把探头放在工件上用手稳住,按【增益】(vj=0.1、1、2、6四档循环)→【+】或【—】(使杂波高出水平线即可)。
也可用公式直接算出2.用斜探头时,做DAC曲线时dB值为准六,【定量】——冻结当前屏幕,按【+】(后移)或【—】(前移)移动黄色光标(黄点)到所要缺陷波顶端,此时S a值就是该缺陷波位置。
再按【定量】1次恢复采集七,【退格】——为删除八,【回车】——为确定九,【返回】——为返回上一菜单十,【输入法】——为输入大小写字母,保存波形数据的文件名需要字母时用十一,【Sa】――距离【Xa】――水平【Ya】――深度【幅a】――红色波的高度【RLa】――缺陷当量值或缺陷dB值一、纵波直探头调校(A VG【DGS】曲线制作快捷步骤)1.开机后按【超声探伤】→按【探伤调节】→按【通道选择】→按【通道号】→按“+”或“—”→按【打开通道】→【返回】2.按【探头参数】键,将【探头类型】用【+】/ 【—】键调整为直探头。
(注:探头类型改成直探头后,【探头K值】和【探头角度】自动默认为0)→按【返回】3.按【声速设定】,选择【钢直声速】,5900m/s按【返回】。
无损检测dac曲线制作流程下载温馨提示:该文档是我店铺精心编制而成,希望大家下载以后,能够帮助大家解决实际的问题。
文档下载后可定制随意修改,请根据实际需要进行相应的调整和使用,谢谢!并且,本店铺为大家提供各种各样类型的实用资料,如教育随笔、日记赏析、句子摘抄、古诗大全、经典美文、话题作文、工作总结、词语解析、文案摘录、其他资料等等,如想了解不同资料格式和写法,敬请关注!Download tips: This document is carefully compiled by theeditor. I hope that after you download them,they can help yousolve practical problems. The document can be customized andmodified after downloading,please adjust and use it according toactual needs, thank you!In addition, our shop provides you with various types ofpractical materials,such as educational essays, diaryappreciation,sentence excerpts,ancient poems,classic articles,topic composition,work summary,word parsing,copy excerpts,other materials and so on,want to know different data formats andwriting methods,please pay attention!1. 选择合适的探头和仪器:根据被检测材料的特性和检测要求,选择合适的探头和无损检测仪器。
欧能达系列数字式超声波探伤仪基本操作欧能达系列数字式超声波探伤仪基本操作⼀、横波斜探头调校与应⽤1.斜探头⼊射零点快捷调校准备⼯作:电源键开机,进⼊超声探伤后;1)按【探伤调节】→【探头参数】键,将【探头类型】⽤“+”/ “—”键调整为斜探头;并按照探头上的标⽰依次将【晶⽚尺⼨】(乘号⽤⼩数点代替)、【探头频率】、【探头K值】或【探头⾓度】设置正确,将探头与仪器连接好。
2)按【探伤调节】→【声速设定】,选择【钢斜声速】,3240m/s3)按【探伤调节】→【零点调节】,将【⼀次声程】设置为“50mm”,检查【声速】是否为:3240m/s;4)将斜探头放置在CSK-IA试块的R50和R100的圆⼼处,⾸先在靠R50弧⾯⼀侧⽔平⽅向移动探头寻找最⾼反射回波,找到R50最⾼波后就稳住探头,然后按【探伤调节】→【零点偏移】→【零点测试】键,等待仪器⾃动调整增益将最⾼波调整到80%(如果反射波⽐较低,调节增益让反射波波幅达到20%以上),按照屏幕提⽰:按【回车】键;5)【回车】确认后在靠R100弧⾯⼀侧⽔平⽅向移动探头寻找最⾼反射回波,按照屏幕提⽰:按【回车】键,测试完毕后,屏幕的系统区会显⽰“测量成功”或“测量失败”;6)测量结束后,探头稳住不动,请⽤钢尺测量探头前端到CSK-IA试块R100端边的距离X,然后⽤100-X所得到的数值就是探头的前沿值,进⼊【探伤调节】→【零点调节】→【探头前沿】将探头前沿值改为实测数值。
2、斜探头K值测试(以K2.0为例)1)按【探伤调节】→【K值测试】,将【孔中⼼距】设置为30mm,【反射直径】设置为50mm,【标称K值】设置为2.0;2)将探头标K2.0刻槽靠向?50⼀侧,前后移动探头找出孔波最⾼波,稳住探头,等待仪器⾃动调整增益将最⾼波调整到80%,按屏幕提⽰:【回车】键K值测试完毕,并在左边的数字显⽰区⾃动刷新实际测量的K值。
注:K值⼩于2.0的探头(⽐如K1.0,K1.5的探头),测试K值时需要将CSK-IA试块上下翻转过来测试K值,此时就需要将【孔中⼼距】设置为70mm,【反射直径】设置为50mm3、CSK-IIIA试块上制作距离—波幅曲线(DAC)1)⾸先参照探伤标准,⽐如JB/T4730.3-2005标准,检测15mm~46mm的焊缝为例,即判废:﹢5、定量:-3、评定:-9、表⾯补偿按+4dB,进⼊【DAC曲线】,分别将【DAC补偿】设置为4.0,【判废偏移】设置为+5dB,【定量偏移】设置为-3dB,【测长偏移】设置为-9dB,2)按【DAC曲线】→【⼿⼯新建】开始制作新的DAC曲线,将探头对准CSK-IIIA试块上10mm的孔深,仪器⾃动调整增益和声程,稳住探头找到10mm孔深的最⾼波,按照屏幕提⽰(如果反射波⽐较低,适当调节增益):,【回车】键选定第⼀个点后,仪器会根据第⼀点的深度⾃动调整声程,此时只需要继续移动探头,找到下⼀点的最⾼波,并按照屏幕提⽰依次将(10mm、30mm、50mm……)的波形确认即可。
焊缝探伤步骤a)准备工作准备探伤仪、探头、探头线、试块、耦合剂等b)校准探伤仪和探头校准4个参数:前沿、K值、声速、零点c)制作DAC曲线制作DAC曲线、设置偏置、表面补偿d)开始探伤找出焊缝缺陷并确定位置、长度e)出具探伤报告根据标准出具探伤报告1、准备工作超声波探伤仪Q9-Q9探头线2.5P 13X13 K2斜探头CSK-IA试块CSK-IIIA试块钢板尺、耦合剂2、校准探伤仪和探头① 按参数键,打开参数列表② 旋转旋钮,选择探头类型。
旋转旋钮,选择斜探头(默认直探头),按确认键。
按参数键,退出参数列表。
③ 按校准键,打开校准菜单,左右移动探头,找到R50和R100圆弧面的最高波④ 按两次F5键,材料声速和探头零点自动调校完成。
如果认为第一次调校结果不准,可再次左右移动探头,找准最高波后再次按F5键重新调校。
⑤ 保持探头不动,用直尺量出斜探头最前端到R100圆弧弧顶的距离为87.⑥ 按F3键,旋转旋钮输入前沿值13【100-87=13】⑦ 按“K值校准” 键,将斜探头放在直径50mm圆孔一侧,左右平行移动探头,直至找出直径50mm圆孔的最高波,按两次F3键,K值校准完成.3、制作DAC曲线① 按DAC键,启动DAC菜单,将探头放在CSK-3A试块10mm孔深处,移动探头找到深为10mm孔的最高回波。
② 由于现在波形较低,按自动增益键,调整波高达到屏高的80%③ 继续移动探头,找到最高波。
目前波形太高,再次按自动增益键,调整波高达到屏高的80%④ 继续移动探头,找到深为10mm孔的最高回波⑤ 连续按两次F3键,使标定点增加1【默认0】⑥ 将斜探头放在CSK-3A试块30mm孔深处,移动探头找到深为30mm 孔的最高回波⑧ 此时已添加了2个标定点,DAC曲线已自动绘制在屏幕上。
通常情况下,至少需要添加3个标定点,下面开始添加第3个标定点。
⑨ 将斜探头放在CSK-3A试块50mm孔深处。
⑩ 旋转旋钮,使闸门只套住50mm孔深的波形按F5键,进入第三页,找到判废线、定量线、评定线设置项按F4键,选择判废线,旋转旋钮,调整判废线为-4Db按F3键,选择定量线,旋转旋钮,调整定量限为-10Db按F2键,选择评定线,旋转旋钮,调整评定线为-16Db按F5键,进入DAC第四页按F2键,选择表面补偿,旋转旋钮,设定表面补偿值,一般设为+4Db现在DAC曲线已经制作完成。
CTS-1002型数字超声探伤仪按下电源开关,上方红色指示灯亮,显示屏幕出现开机自检界面,提示[按F1~F4键进入],按F1~F4中任意键,显示屏幕进入常规探伤显示界面:横波斜探头检测钢板对接焊缝范例普通低碳钢板t=20mm,手工电弧焊,V坡口,2.5P13x13K2斜探头。
1. 探伤条件参数设置:首先按主菜单键,显示屏幕进入半屏参数设置界面:按对应“探头-工件”的菜单键“F3”,显示屏幕进入:按左右键移动选择参数项,按上下键选择参数:探头类型:斜探头;晶片频率及尺寸:2.5P13x13(按实际使用探头规格);延时:待实测;K值:2.0/63.4°(名义值,后面要进行实测);表面补偿(根据实际工件情况实测或凭经验确定,例如这里采用3dB);前沿距离:待实测值;材料:实际检测工件材料选定后,后面的声速值即为仪器内置该材料的声速值,这里选“钢”,声速3230m/s(需要精确测定工件厚度及缺陷埋藏深度时应对被检材料的声速进行实际测定);厚度:被检焊缝的母材厚度,这里是20mm。
2.材料的横波速度测量不同材料具有不同声速,声速是数字式超声探伤仪对缺陷定位计算的重要依据,直接影响缺陷定位精确度。
仪器已经设置了相当多的常用材料的标准声速,当需要知道被检材料准确的横波声速,以保证横波探伤中对缺陷进行精确定位时,可用斜探头在用被检材料特制的半圆试块或用该材料制作的CSK-1型试块上进行实际测量。
在条件参数设置好后,按主菜单键,显示屏幕进入标定显示界面:按对应“声速”的菜单键“F1”键,显示屏幕进入测量声速显示界面:按对应“参数”的菜单键“F1”键,显示屏幕进入测量声速的参数调节显示界面:按左右键移动光标选择参数项,按上下键选择参数:探头类型:斜探头;延时(待实测值);前沿距离(待实测值);声速(待测,可暂按仪器内置该材料的通用声速值);试块(CSK-I,注意:这里的试块材料是待测材料);基准量(50mm,是R50和R100之间的声程差);标称K值(探头标称值);圆孔直径(无需调整);圆孔深度(无需调整)。
数字超声波探伤仪焊缝探伤实例/DAC曲线绘制
探伤步骤:
一、探伤前的准备工作
1. 数字式超声探伤仪
目前市面上的探伤仪大都是数字机,数字机显示的是数字化的波形,具有检测速度快、精度高、可靠性高和稳定性好等特点。
1983年德国KK公司推出了世界第一台数字超
声探伤仪,采用Z80作中央处理器,但其重达10公斤,体积很大,应用时需要车载、用户爬到很高的地方来操作,不太适用于野外作业。
1986年后,工业化国家的超声探伤仪得到了迅猛发展,现代数字式超声探伤仪趋向小型化和图像化方向,如国内也已
推出的掌上型探伤仪,还有具有强大图像处理功能的TOFD探伤仪。
这里选用的是市
场上的一般的数字探伤仪。
2.横波斜探头: 5M13×13K2
3.标准试块:CSK-IB 、CSK-3A
4.30mm厚钢板的对接焊缝
5.DAC参数:(1)DAC点数:d=5、10、15、20(mm)的4点(2)判废线偏移量:+5dB (3)定量线偏移量:-3dB (4)评定线偏移量:-9dB 6.耦合剂(如:机油、水、凡士林等)
二.探测面的选择焊缝一侧
三.开机
1.将探头和超声探伤仪连接
2.开启面板开关,开机自检,约5秒钟进入探伤界面。
(1)按键,使屏幕下方显示“基本”、“收发”、“闸门”、“通道”、“探头”五个功能主菜单。
(2)按“F1”键,进入“基本”功能组,将“基本”功能内的“探测范围”调为“150”,将“材料声速”调为“3230”,将“脉冲移位”调为“0.0,将“探头零点”调为“0.00”。
(3)按下F2键,进入“收发”功能组,将“收发”功能内的“探头方式”调为“单晶”,将“回波抑制”调为“0%”。
(4)按下F3键,进入“闸门”功能组,将“闸门报警”调为“关”,将“闸门宽度”调为“20.0”,将“闸门高度”调为“50%”。
(此条内容的调整可根据使用者的习惯而定)。
(5)按下F4键,进入“通道”功能组,将“探伤通道”调为所需的未存储曲线的通道,如“No.1”,此时
“设置调出”、“设置保存”和“设置删除”均默认显示为“关”。
(6)按下F5键,进入“探头”
功能组,将“探头K值”调为“0.00”,将“工件厚度”调为“50.0”,将“探头前沿”调为“0.00”,将“标度方式”为“声程”。
(7)按一下键,使屏幕下方显示“增益”、“DAC1”、
“ DAC2”“AVG1”“AVG2”五个功能主菜单。
(8)按下F1键,进入“增益”功能组,将全部
内容均调为“关”。
9)按下F2键,进入“DAC1”功能组,将“DAC曲线”调为“开”,将“DAC标定点”调为“0”,将“显示标定”调为“开”。
此时对应F3键的“DAC2”、对应F4键
的“AVG1”和对应F5键的“AVG2”三个菜单均不需做任何设置;如果此时再按一下键,
屏幕下方显示“B扫描”、“ 屏保”、“存储”、“ 设置”“高级”五个功能主菜单,用传统方法校准斜探头,这五个菜单也均不需做任何设置。
注:进入各项功能后利用“方向键”,将亮条移动到所需调整的项,利用“+”或“-”键调整数值。
基本设置调整完毕。
四.校准
1.输入材料声速:3230m/s
2. 探头前沿校准
(1)如图1所示,将探头放在CSK-1B标准试块的0位上(2)前后移动探头,使试块
R100圆弧面的回波幅度最高,回波幅度不要超出屏幕,否则需要减小增益。
(3)当
回波幅度达到最高时,保持探头不动,在与试块“0”刻度对应的探头侧面作好标记,这点就是波束的入射点,从探头刻度尺上直接读出试块“0”刻度所对应的刻度值,即为探头的前沿值。
(或用刻度尺测量图1所示L值,前沿x=100-L。
),将探头前沿值输
入“探头”功能内的“探头前沿”中,探头前沿测定完毕。
3.探头零点的校准
按图1的方法放置探头,用闸门套住最高波,调整探头零点此时,保持探头位置不动,用闸门套住R100圆弧的反射波,调整基本功能组中的“探头零点”的数值,直到声程
S=100为止,“探头零点”调整完毕。
4.探头K值校准(折射角的校准)
由于被测物的材质和楔块的磨损会使探头的实际K值与标称值有一些误差。
因此需要
测定探头的实际K值。
校准步骤如下:(1)如图2将探头放在CSK-1A标准试块的
适当的角度标记上。
(2)前后移动探头,找到试块边上大圆孔的回波波峰时,保持探头不动。
(3)在试块上读出入射点与试块上对齐的K值,这个角度为探头的实际K值,(或者通过计算斜率校准,见下图2),将此值输入“探头”功能组中的“K值”。
五.制作DAC曲线
用CSK-3A试块制作DAC曲线
(1)移动探头找到孔深为10mm(①)的最高回波,并将A闸门套住此波,按“+”键,
使标定点增加为“1”;(2)移动探头找到孔深为20mm(②)的最高回波,并将A闸门套住此波,按“+”键,使标定点增加为“2”;此时已添加了2个标定点,DAC曲线已经生成。
根据探伤需要,可以继续找到孔深为30(③)、40、50mm等反射体的最高回波,使标定点增加为3、4、5;
(3) 输入标准和补偿在DAC2菜单上,将判费线偏移量设置为+5dB,定量线偏移量设置为-3dB,评定线偏移量设置为-9dB。
六.现场探伤
1.开机后,选择通道号,调出DAC曲线,将标度方式设置为深度(或水平),设置表面补偿dB数(一般输入补偿2~4dB)。
2.将“探头”功能中的“工件厚度”调为板厚的2倍,以保证屏幕能显示探头的二次波扫查波形,避免漏检。
3.探伤时一般是使探头垂直焊口走向并沿焊口走向做锯齿型扫查(即探头运动轨迹为锯齿型); 4.探头沿焊口走向(前后)移动的距离:0~100mm (如:下图)计算方法:起点(位置
2):0 终点(位置2):S=2KT=2×2×25=100mm (其中K表示探头斜率,T表示工件厚度) 5. 探头沿焊口走向(左右)移动的速度:≤1.5 米/分
七.存储探伤波形和数据将探伤波形和数据存储到相应组号。
八.将数字式探伤仪与计算机连接,将探伤波形和数据上传到计算机,生成探伤报告。