桶装无醇消毒湿巾生产工艺规程
- 格式:doc
- 大小:150.00 KB
- 文档页数:7
湿巾生产工艺流程
《湿巾生产工艺流程》
湿巾是一种方便实用的生活用品,广泛应用于婴儿护理、个人清洁、家庭清洁等领域。
湿巾的生产工艺流程一般包括原料准备、湿巾生产、包装等多个环节。
下面就来简要介绍一下湿巾的生产工艺流程。
首先是原料准备。
湿巾的主要原料是无纺布、纤维素、吸水材料、防腐剂等。
这些原料需要经过洁净加工,确保质量可靠,以保证制成的湿巾安全卫生。
在原料准备环节,还需要采购包装材料、添加剂等。
接下来是湿巾生产环节。
首先是将原料送入混料机进行搅拌混合,经过一定的工艺加工,形成湿巾需要的组成材料。
然后将混合后的材料送入湿巾生产线,经过折叠、切割、折叠、包装等多道工序,最终制成成品湿巾。
最后是包装环节。
经过生产线加工出来的湿巾需要进行包装,通常是采用自动包装机进行包装,这样既保证了湿巾的卫生安全,也能提高包装效率。
包装后的湿巾需要进行灭菌处理,然后送入成品库存。
总的来说,湿巾的生产工艺流程经过原料准备、生产、包装等多个环节,需要严格控制每一个环节的质量,确保生产的湿巾安全卫生。
湿巾生产工艺流程的完善,不仅能够提高生产效率,还能够保证湿巾质量,满足用户的需求。
第1篇一、目的为确保湿巾产品的安全、卫生、有效,提高工作效率,特制定本规程。
二、适用范围本规程适用于公司生产、销售、使用湿巾产品的所有相关人员。
三、操作流程1. 准备工作(1)检查生产车间环境,确保符合卫生要求。
(2)检查设备、工具是否完好,操作人员着装整齐。
(3)了解生产任务,明确操作要求。
2. 生产过程(1)将湿巾原料按比例倒入配料桶中,搅拌均匀。
(2)将搅拌均匀的原料倒入灌装机,进行定量灌装。
(3)将灌装好的湿巾送入包装机,进行包装。
(4)检查包装好的湿巾,确保包装完好无损。
(5)将合格产品送入检验区,进行抽样检验。
3. 检验过程(1)检验员按照检验标准,对湿巾产品进行外观、气味、活性成分含量等项目检验。
(2)对不合格产品进行记录,并报告生产部门。
4. 储存与运输(1)将合格产品送入仓库,按照类别、规格、批号等进行分类存放。
(2)保持仓库通风、干燥,避免阳光直射。
(3)运输过程中,确保产品包装完好,避免损坏。
5. 清洁与消毒(1)生产设备、工具使用后,及时进行清洗、消毒。
(2)生产车间定期进行清洁、消毒,确保环境卫生。
四、注意事项1. 操作人员应严格按照规程操作,不得擅自更改。
2. 严禁在生产过程中使用不合格的原材料。
3. 严禁在生产过程中出现交叉污染。
4. 定期对操作人员进行培训,提高操作技能。
5. 严格执行检验制度,确保产品质量。
五、附则1. 本规程由生产部门负责解释。
2. 本规程自发布之日起实施。
3. 本规程如有变更,以最新版本为准。
第2篇一、目的为确保湿巾产品的使用安全、卫生,规范操作流程,提高工作效率,特制定本规程。
二、适用范围本规程适用于公司所有湿巾产品的生产、储存、运输、销售及售后服务环节。
三、操作流程1. 生产环节(1)原材料检验:生产前,对原材料进行严格检验,确保符合国家相关标准。
(2)生产线操作:操作人员需经过专业培训,熟悉设备操作流程。
生产过程中,严格按照工艺要求进行操作。
湿巾生产工艺及流程湿巾产品是以无纺布为主要材料,经过一系列加工工艺制成的一种用于日常清洁的产品。
下面将介绍湿巾的生产工艺及流程。
1.原料准备:首先需要准备湿巾的主要原料,即无纺布。
无纺布是一种通过纤维的纺织过程制成,具有良好的透气性、耐磨性和防水性能。
其他原料还包括水、植物提取物、防腐剂等。
2.材料混合:根据产品配方,将无纺布、水、植物提取物等原料进行混合。
混合均匀后,经过一系列工艺处理,形成湿巾的基本原料。
3.切割与造型:将混合好的原料送入湿巾生产线中,经过切割机进行切割。
切割出来的湿巾可以根据需要进行造型处理,例如直线、波浪线、齿形等,以提高产品的美观。
4.包装:将切割好的湿巾送入包装机中进行包装。
湿巾可以采用单片包装或多片包装,根据市场需求来确定。
包装材料通常是聚酯薄膜、铝箔纸等,以保证湿巾的湿度和卫生。
5.封口与灭菌:包装完毕的湿巾需要进行封口处理,以防止湿巾受潮。
封口方法可以是热封、冷封等。
同时,湿巾还需要进行灭菌处理,以确保产品的卫生安全。
6.检测与质量控制:生产过程中需要对湿巾进行各种检测,包括湿度、PH值、抗拉强度等。
只有通过质量控制,可以确保生产出符合规定标准的高质量湿巾。
7.包装与成品:通过自动包装机将检测合格的湿巾进行包装,并进行最终的印刷、贴标、烘干等处理。
然后进行成品入库,待销售。
总结:湿巾的生产工艺及流程包括原料准备、材料混合、切割与造型、包装、封口与灭菌、检测与质量控制以及包装与成品等环节。
通过合理的生产流程,可以生产出优质、卫生的湿巾产品。
酒精湿巾生产作业指导书
产品简介
酒精湿巾是一种新型的消毒清洁用品,主要由优质棉纸、纯净水和酒精组成。
其具有方便、快捷、卫生等优点,广泛用于家庭、旅游、医疗机构等场所。
作业操作步骤
1. 原材料准备
准备好优质棉纸、纯净水和酒精等原材料,按比例进行混合。
2. 打印设计
按照客户需求,设计并打印出产品的外包装。
3. 切割制造
将混合后的原材料放入自动化设备中进行切割制造。
4. 包装封装
将制造好的湿巾放入包装袋中,并进行封口处理。
5. 质检验收
对制造好的湿巾进行质量检验,合格后进行包装。
安全操作要点
- 操作人员必须穿戴齐全,并戴上口罩、手套等防护用具。
- 原料必须存放在阴凉、干燥处,避免阳光直射。
- 自动化设备需要定期进行维护检修,确保设备的正常运行。
- 操作过程中,注意防火、防爆等安全事项。
清洁卫生措施
- 操作场所需要保持干净、整洁,不得存放杂物。
- 操作人员需经常清洁、消毒手部,保证操作的卫生。
- 操作过程中,需要注意垃圾分类、垃圾清理等卫生措施。
以上就是酒精湿巾生产作业指导书的内容,希望能对您的生产操作有所帮助。
湿纸巾生产工艺湿纸巾是一种方便实用的清洁产品,广泛应用于日常生活和各个行业。
下面将介绍湿纸巾的生产工艺。
湿纸巾的生产工艺主要包括纸张制备、润湿液配制、纸张加工和包装等环节。
首先,在纸张制备环节,湿纸巾通常采用韧性好、透气性强的无纺布作为基材,也有一些湿纸巾采用纸浆纸张。
无纺布湿纸巾在制备过程中,先将纤维素纳米颗粒与纤维素混合,经过纳米技术的加工,使得纤维素均匀分布在纤维中。
然后,借助纤维素的亲水性和透湿性,将浆料转化为湿布。
湿布经过压榨、定形、干燥等处理,最后得到成品湿纸巾。
润湿液配制是湿纸巾生产过程中的重要环节。
润湿液是用于湿纸巾清洁的液体,也是湿纸巾的灵魂所在。
润湿液的配方通常由水、甘油、防腐剂等多种成分组合而成。
在配制过程中,需要控制好各种成分的比例和添加顺序,确保湿纸巾具有良好的湿润性和保湿性,且符合卫生标准。
纸张加工环节是湿纸巾生产过程中的核心环节。
在这个环节中,湿纸巾的基材与润湿液进行联合处理,使得湿纸巾充分吸湿。
通常,湿纸巾的加工主要包括纸张裁切、涂布和叠层等步骤。
首先,将纸张按照设定的尺寸进行裁切。
然后,通过涂布机将润湿液均匀地涂布在纸张上。
最后,将涂布好的纸张进行叠层,形成湿巾堆叠。
包装环节是湿纸巾生产的最后一道工序。
在这个环节中,将湿纸巾进行包装,保证其产品质量和卫生。
通常,湿纸巾的包装形式有袋装、盒装和罐装等。
袋装通常采用塑料袋或铝箔袋,盒装通常采用纸盒或塑料盒,罐装通常采用塑料罐。
湿纸巾的包装过程需要控制好包装速度和包装密封度,避免湿纸巾受到污染或变干。
综上所述,湿纸巾的生产工艺包括纸张制备、润湿液配制、纸张加工和包装等环节。
这些环节需要严格控制操作参数,确保湿纸巾的质量和卫生。
随着科技的进步和市场需求的扩大,湿纸巾的生产工艺也在不断创新和改进,为人们提供更加高品质的产品。
湿巾生产工艺作业指导书一、概述湿巾是一种方便携带、具有清洁和消毒作用的产品。
其生产工艺包括原料选择、配方设计、设备配置、生产过程控制等环节。
本指导书旨在对湿巾生产工艺进行介绍和指导,帮助工作人员正确进行湿巾生产工艺操作,保证产品质量和安全性。
二、原料选择1.非织造布:湿巾的主要材料是非织造布,其选择应考虑材质、质量和吸水性能。
常用的材料有无纺布、纺粘布等。
2.清洁液:清洁液是湿巾中的清洁成分,其选择应根据产品的用途和对皮肤的刺激性进行评估。
常用的清洁液包括化妆水、洗面奶等。
3.防腐剂:湿巾使用过程中可能受到细菌污染,防腐剂的添加可以有效延长湿巾的保存期限。
常用的防腐剂有苯甲酸和对羟基苯甲酸酯等。
三、配方设计1.根据产品需求,确定非织造布的材质和规格。
2.根据产品用途和消费者的需求,确定清洁液的配方。
考虑到不同肤质的适用性,可以根据需要添加保湿剂、抗敏剂等。
3.根据防腐剂的使用剂量和效果,合理确定配方中防腐剂的添加量。
四、设备配置湿巾生产需要一系列的设备来完成生产过程,主要包括非织造布生产设备、湿巾制作设备和包装设备。
根据公司规模和生产要求,确定投资预算和设备配置方案。
确保设备的质量和性能符合生产要求。
五、生产过程控制1.非织造布生产将选定的原材料送入非织造布生产设备,并根据设备要求进行操作,确保生产出符合规格的非织造布。
2.清洁液配制按照配方,将清洁液的各种成分按比例加入到配制容器中,搅拌均匀,确保配制出符合要求的清洁液。
3.湿巾制作将制作好的非织造布和清洁液送入湿巾制作设备,进行切割、打包等操作,制作成湿巾产品。
4.包装将制作好的湿巾产品进行包装,包装过程要保持清洁和卫生。
5.质量控制每个环节都要注意产品质量控制,根据产品要求进行抽检和品质评估,确保产品达到质量标准。
六、安全措施1.操作人员应穿戴符合要求的工作服和手套,确保工作环境的清洁和卫生。
2.操作过程中要注意防止非织造布和清洁液的污染和交叉污染。
湿巾生产工艺流程图湿巾是一种方便携带、使用便捷的清洁用品,广泛应用于日常生活中的个人清洁、婴儿护理、家庭清洁等领域。
湿巾的生产工艺流程通常包括原料准备、纸张加工、配方调制、涂布、切割、包装等环节。
一、原料准备湿巾的主要原料包括纸张、液体配方、添加剂等。
首先需要准备纸张,纸张的选择对产品的质量和手感有直接影响。
常用的纸张有无纺布、纤维纸等。
此外,还需要配制液体配方,液体配方的配制需要考虑湿巾的清洁性、湿润度、稳定性等指标。
根据不同用途的湿巾,可以添加不同的配方成分,如抗菌剂、美白剂、保湿剂等。
二、纸张加工在纸张加工环节中,需要对选好的纸张进行初步的处理。
首先,将纸张进行分切,根据产品规格切割成对应大小的纸张片。
然后,将纸张进行热处理,以提高纸张的温和度和柔软度。
同时,还可以加工纸张的表面,如去除毛刺、进行压花等,以增加产品的触感和美观度。
三、配方调制在配方调制环节中,根据产品的用途和需求,准确配比液体配方,将各种添加剂按照一定比例混合,以达到产品质量的要求。
同时,需要进行液体配方的调试和测试,在确保配方稳定性和有效性的基础上进行后续的加工。
四、涂布涂布是湿巾生产中的关键环节,通过将液体配方均匀地涂布在纸张上,使纸张完全吸收液体,达到湿润的效果。
涂布方式有多种,常用的包括滚涂、丝网涂、喷涂等。
选用合适的涂布方式和设备,可以提高涂布的均匀性和产品的性能。
五、切割切割环节中,将经过涂布的纸张切割成适合产品规格的小片。
切割方式有多种,如冲裁切割、旋转切割等。
在切割过程中,需要保证切割的准确性和稳定性,以确保产品的质量和一致性。
六、包装在包装环节中,将切割好的湿巾进行包装,以确保产品的卫生和使用便捷度。
包装方式有多种,常见的有单片包装、多片包装、连续包装等。
同时,还需要对产品进行质量检测和包装外观检查,确保产品的质量和外观符合要求。
七、质量检测在生产过程中,需要对产品进行质量检测,确保产品符合相关标准和要求。
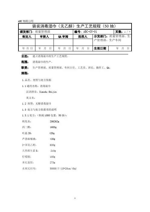
目的:建立消毒湿巾的生产工艺规程。
范围:消毒湿巾的生产。
职责:生产管理部、质量管理部、车间主任、工艺员、班长、操作工、QA。
规程:1.品名、剂型与处方依据1.1通用名称:消毒湿巾汉语拼音:Xiaodu Shijin英文名:1.2 剂型:无醇消毒湿巾1.3 处方与处方依据项的说明1.3.1处方:(制成1000包量,50抽):纯化水: 206262g丙二醇: 1680g吐温20: 420g芦荟浓缩液: 420g2-苯氧乙醇: 630g天然维生素E: 210g柠檬酸: 105g苯扎氯铵: 273g水刺无纺布: 50000片(15*20cm/40g)2.工艺流程示意图:检验 →→ →→ ← → →→ ← ← →↓↓ ↓ ←成品检验3. 生产工艺操作要求、工艺技术参数:3.1配制均质:按“配制岗位标准操作规程”规定,往配料罐中投入处方量的水乙醇,搅拌10~15分钟,使之完全均匀即完成配制工序。
3.2药液检验:检验室按 “中间产品取样操作规程”规定,抽取配制好的原液检验,检验合格后,发放“中间产品合格证”。
3.3上料:操作工按“湿巾成型机操作规程”进行上料,上料后能进行自动转入即完成该工序。
3.4 湿巾加药:操作工按“袋装湿巾成型机操作规程”规定,使湿巾在成型机药仓中通过,即完成加药工序。
3.5 裁切成型:操作工按“湿巾成型机操作规程”规定,使湿巾裁切成规定的格式及尺寸,即完成裁切成型工序。
3.6装袋:操作工按“湿巾成型机操作规程”规定,将湿巾装入包装袋中,50PCS/袋。
3.7封口:操作工按“湿巾成型机操作规程”规定,将装袋后的产品通过封口机进行自动封口。
3.8喷码:操作工按“喷码标准操作规程”规定,喷上客户要去的标识码即完成该工序。
3.8检爆漏:操作工按“检漏爆标准操作规程”规定,将包装后的成品进行人工检验,剔除不合格品。
3.7内包清洁:操作工按“成品标准操作规程”规定,将成品进行内包清洁。
3.7入箱包装:车间接到生产管理部下达的批包装指令后,将检验合格的中间产品送入包装间,按“包装岗位标准操作规程”进行包装。
湿巾生产工艺流程湿巾是一种方便、卫生的生活用品,广泛应用于婴儿、女性卫生、家居清洁等领域。
湿巾的生产工艺流程主要包括原材料准备、废水处理、纸巾生产、湿巾抽取、包装与质检等环节。
首先,原材料准备是湿巾生产的基础。
一般主要原材料包括纸质原材料、湿润剂、杀菌剂和香料等。
纸质原材料是湿巾的主要成分,通常采用优质纸浆作为原料。
湿润剂是湿巾起效的关键部分,通常是一种水溶性的物质,如甘油。
杀菌剂则是用来保证湿巾在使用过程中的卫生和安全性。
香料则为湿巾增添了一丝淡雅的清香。
其次,废水处理是湿巾生产过程中不可忽视的环节。
湿巾生产过程中会产生大量的废水,其中含有有机物和细菌等污染物。
为了确保废水不会对环境造成污染,在生产过程中需要设立废水处理系统。
废水处理系统通常采用物理-化学处理的方法,如沉淀、过滤、气浮等,以去除废水中的悬浮物和有机物,最终达到排放标准。
接下来是纸巾的生产环节。
首先,纸浆经过脱水、压榨等工艺处理,形成纸巾的纤维结构。
然后,将纸浆均匀地喷涂在流水线上,经过烘干、压制等工艺,形成纸巾的形状。
在纸巾的制作过程中,还需要控制纸巾的厚度、强度和柔软度等指标,以确保纸巾的品质。
接着是湿巾的抽取环节。
将纸巾切割成适当的大小,并在纸巾上喷涂湿润剂、杀菌剂和香料等。
这样,普通纸巾就成为了湿巾。
湿巾的抽取过程通常采用自动化设备完成,可以大大提高生产效率和产品质量。
最后是湿巾的包装与质检环节。
湿巾会被分装成小包装或大包装。
小包装通常采用塑料袋,大包装则采用复合材料袋。
包装的过程中,需要确保湿巾的密封性和保存性。
同时,还需要进行湿巾的质检,包括检查外观、尺寸、湿润度、杀菌效果等指标,以确保产品的质量和符合相关标准。
总的来说,湿巾的生产工艺流程主要包括原材料准备、废水处理、纸巾生产、湿巾抽取、包装与质检等环节。
通过严格的工艺控制和质量管理,可以生产出质量优良、卫生安全的湿巾产品。
卫生湿巾生产设备操作规程卫生湿巾生产设备操作规程1. 设备操作前的准备工作:(1) 检查设备的运行状态,包括设备的电源接线是否正常、仪表指示是否正常等。
(2) 根据生产计划准备好所需的原材料,包括湿巾原纸、药水等。
(3) 确保设备周围环境干净、整洁,清理残留物和废料。
(4) 穿戴好工作服和劳动防护用品,包括手套和口罩等。
2. 设备的操作步骤:(1) 打开主电源,根据设备的启动顺序依次打开设备的各个电源。
(2) 根据生产工艺要求调整设备的参数,包括湿巾的规格、包装方式等。
(3) 将原纸放入设备的送料部位,调整送料轮的位置和张力,确保原纸的平稳送料。
(4) 根据设备的生产能力调整设备的生产速度,保证设备的稳定运行。
(5) 在设备的药液喷雾部位添加适量的药液,确保药液的均匀喷涂在原纸上。
(6) 检查设备的各个部位是否正常运转,包括切纸刀、折叠部位等。
(7) 定时检查设备的运行状态,包括设备的温度、湿度等参数,及时调整。
(8) 如发生设备故障或异常情况,应立即停机并及时报修。
(9) 定期清洁设备的各个部位,包括喷雾头、送料轮、切纸刀等。
(10) 在操作结束后,将设备停机、切断电源,并进行设备的清洁和保养。
3. 安全注意事项:(1) 在操作设备时,应严格遵守操作规程,不得违章操作。
(2) 在操作设备过程中,应注意个人安全,避免手指、手臂等被设备夹伤。
(3) 如遇到设备故障或异常情况,应立即停机并及时报修。
(4) 在添加药液时,应注意药液的安全使用,避免吸入或接触药液。
(5) 定期检查设备的安全保护装置,包括急停按钮、安全门等。
(6) 不得私自修改设备的参数,如需调整应经过相关人员的批准。
(7) 卫生湿巾生产设备的操作要由受过专业培训的人员进行,不得让没有经验和资质的人员擅自操作。
(8) 操作结束后,要及时清洁设备,避免堆积杂物。
(9) 驾驶设备时,应保持专注,不能分散注意力。
(10) 严禁在设备周围吸烟或使用明火。
湿巾的规程与设备维修保养湿巾是一种常用的清洁产品,常用于擦拭面部、身体、家具等场合。
为了确保湿巾的安全和质量,制定湿巾的规程和进行设备维修保养非常重要。
以下是湿巾的规程和设备维修保养的主要内容。
1.原材料选择:选择符合卫生要求且质量可靠的原材料作为湿巾的制作材料,包括纸张、纤维素等。
同时,要确保原材料供应商的信誉和供应能力。
2.生产环境卫生:湿巾的生产环境必须保持整洁和卫生,定期进行清洁和消毒。
工作人员必须穿戴适当的工作服和手套,并进行良好的个人卫生,如勤洗手等。
3.生产工艺控制:湿巾的生产工艺必须符合标准操作规程,包括原材料的混合、制作、包装等环节。
每个环节必须严格控制时间、温度和湿度等参数,确保湿巾的质量和性能符合要求。
4.产品质量检验:对湿巾的生产过程进行抽样检测,检验项目包括外观、抗拉强度、湿润度、残留物等指标。
检验结果必须符合相关标准,否则必须采取相应的纠正措施。
5.产品包装与储存:湿巾的包装必须符合卫生要求,避免二次污染。
包装后的湿巾必须进行适当的储存,避免高温、潮湿和阳光直射等不利因素。
设备维修保养:1.设备定期检查:定期对湿巾生产设备进行检查,包括电气设备、传动装置、液压系统等。
检查内容包括设备的运行状态、紧固件的紧固程度、润滑油的使用情况等。
2.设备维护保养:根据设备的使用情况,进行定期维护保养工作。
包括清洁设备、更换易损件、润滑设备等,以确保设备的正常运行和延长使用寿命。
3.设备故障处理:及时处理设备故障,防止影响生产进程。
对于常见的故障,应建立相应的处理流程和记录,以便快速解决类似问题。
4.设备安全管理:确保设备操作人员按照操作规程进行操作,并采取有效的安全措施,避免事故和伤害的发生。
定期进行安全培训和演练,提高操作人员的安全意识和应急处理能力。
5.设备更新和升级:根据湿巾生产的需要和技术进步的要求,及时更新和升级设备。
采用更先进的设备可以提高生产效率和产品质量,降低生产成本。
第1篇一、前言为确保纸巾生产过程的标准化、规范化和高效化,提高产品质量和安全性,特制定本操作规程。
本规程适用于纸巾生产线的所有操作人员,所有操作人员必须严格按照本规程执行。
二、生产准备1. 确认原料:检查原料的合格证,确认原料的质量符合生产要求。
2. 设备检查:检查生产设备是否正常,包括压纹机、复卷机、分切机、包装机等。
3. 环境准备:确保生产车间清洁、通风,温度和湿度符合生产要求。
4. 人员准备:操作人员应经过专业培训,熟悉设备操作流程和安全注意事项。
三、生产过程1. 投料:将合格的原料按照生产配方投入压纹机。
2. 压纹:启动压纹机,使原料通过压纹辊,形成具有一定厚度的纸浆层。
3. 复卷:将压纹后的纸浆层通过复卷机进行复卷,形成卷状纸。
4. 分切:将卷状纸通过分切机进行分切,得到符合规格的纸巾。
5. 包装:将分切后的纸巾通过包装机进行包装,形成成品纸巾。
四、质量控制1. 原料检验:在生产过程中,对原料进行定期检验,确保原料质量符合要求。
2. 生产过程检验:在生产过程中,对纸浆层、卷状纸、分切纸和包装纸进行检验,确保产品质量。
3. 成品检验:对包装好的纸巾进行检验,确保外观、尺寸、重量等符合要求。
五、安全注意事项1. 操作人员应穿戴防护用品,如工作服、手套、口罩等。
2. 操作设备前,确保设备处于正常状态,无异常。
3. 操作过程中,严禁触摸设备运转部位,防止意外伤害。
4. 严禁在工作区域内吸烟、饮食,保持车间清洁。
六、生产记录1. 操作人员应做好生产记录,包括原料批次、设备运行时间、产品质量等信息。
2. 定期对生产记录进行整理、归档,以便追溯和查询。
七、制度更新1. 定期对操作规程进行审查和更新,确保其符合生产实际。
2. 当生产设备、工艺或质量标准发生变化时,应及时更新操作规程。
本规程自发布之日起实施,如有未尽事宜,由生产部门负责解释。
第2篇一、前言为确保纸巾生产过程的安全、高效和产品质量的稳定,特制定本标准操作规程。
卫生湿巾生产工艺
卫生湿巾的生产工艺可以分为以下几个步骤:
1. 原料准备:选择合适的原材料,如纸浆、纤维素等,保证其质量符合卫生标准。
将原料进行清洗、漂白等处理,确保其卫生性。
2. 制浆:将经过处理的纸浆放入制浆机中,加入适量的水进行搅拌和打浆,使纸浆变得均匀细腻。
3. 配方调制:按照一定比例将纸浆、水、植物精华和其他添加剂等混合在一起,制成湿巾所需要的液体。
4. 脱水:将调制好的液体通过特殊的设备进行脱水,使其变为湿润但不含过多水分的状态。
5. 包装:将脱水后的湿润纸浆经过一系列的工艺流程,如分切、叠排、折叠等,最后塞入封装袋中,并进行密封。
6. 温湿度控制:在生产过程中,要控制好环境的温度和湿度,保证生产场所的卫生和湿巾质量。
7. 严格质检:对生产出的湿巾进行质量检测,确保其符合相关的卫生标准和要求。
8. 包装成品:将质检合格的湿巾进行整理、堆码,并进行外包装,标注产品信息和使用说明。
9. 成品入库:将包装好的湿巾按照规定的标准进行分类、计数,然后送入仓库进行储存和保管。
以上是卫生湿巾的大致生产工艺,不同厂家可能会有一些细微的差别,但总体来说,通过以上步骤,就可以生产出符合安全卫生要求的卫生湿巾产品。
•目的:为了保证产品质量,满足客户的品质要求,加强产品的各环节管制•范围:换棉、折叠、加液作业指导•职责:换棉人员负责换棉作业QC负责监督四.内容4.1换棉4.1.1上棉区域必须保持地面洁净、干燥、消毒。
4.1.2进入上棉区域的人员必须戴好口罩,工作时必须戴一次性手套进行操作;4.1.2工作过程中,所用设备、电子秤及工作台面须进行清洁、消毒.4.1.3检查物料是否为当时所需生产的物料,规格是否符合要求。
4.1.4把水刺布(无纺布)等材料放在卷架上;4.2折叠4.2.1折叠区域必须保持地面洁净、干燥,降低空气湿度。
4.2.2折叠区域设备、器具表面不得有积尘、污物。
4.2.3工作过程中,所用设备、电子秤及工作台面须进行清洁、消毒;4.2.4开机人员根据技术文件的要求,调节折叠方式及尺寸;4.2.5开机人员调试完以后通知QC进行首检;4.3 加液4.3.1开机人员根据技术文件的要求,调节加液管压力及控制阀门;4.3.2开机人员调整以后连续对5包产品进行全检,产品重量达到技术文件要求,并无干棉和脏污后通知QC4.3.2 QC在接到开机人员的通知以后按照技术文件的要求进行首检;4.4 切割、堆叠4.4.1开机人员按照技术文件的要求调整切刀距离和堆叠次数,并自行进行首检,检验合格以后通知QC进行首检4.4.2 QC按照规定要求的数量认真点数,数量要求准确无误,并叠放整齐。
4.4.3 QC将点好数的棉放于电子秤上秤重,连续称量5包,5包全部合格方可放行。
4.4.4如发现无纺布尺寸、数量、重量有问题或受到污染应及时通知开机人员,开机人员立即对机器进行调整。
4.4注意事项4.4.1不能直接用手接触棉和袋口。
4.4.2操作人员要注意保持手部的卫生,尽量避免触及污染物和身体其他部位,否则必须重新洗手消毒。
消毒湿巾生产工艺流程下载温馨提示:该文档是我店铺精心编制而成,希望大家下载以后,能够帮助大家解决实际的问题。
文档下载后可定制随意修改,请根据实际需要进行相应的调整和使用,谢谢!并且,本店铺为大家提供各种各样类型的实用资料,如教育随笔、日记赏析、句子摘抄、古诗大全、经典美文、话题作文、工作总结、词语解析、文案摘录、其他资料等等,如想了解不同资料格式和写法,敬请关注!Download tips: This document is carefully compiled by theeditor. I hope that after you download them,they can help yousolve practical problems. The document can be customized andmodified after downloading,please adjust and use it according toactual needs, thank you!In addition, our shop provides you with various types ofpractical materials,such as educational essays, diaryappreciation,sentence excerpts,ancient poems,classic articles,topic composition,work summary,word parsing,copy excerpts,other materials and so on,want to know different data formats andwriting methods,please pay attention!1. 原材料准备:无纺布,选择适合生产消毒湿巾的无纺布材质,如聚酯纤维、聚丙烯等。
湿巾厂车间生产规章制度第一章总则第一条为了规范湿巾厂车间生产工作,提高生产效率,保障员工安全,特制定本规章制度。
第二条本规章制度适用于湿巾厂车间生产工作人员,包括生产管理人员、生产操作人员等。
第三条本规章制度的执行机构为湿巾厂生产管理部门,监督机构为湿巾厂安全管理部门。
第四条本规章制度内容包括生产准备、生产作业、生产质量、生产安全等方面的规定。
第二章生产准备第五条生产准备工作包括设备检查、物料准备、生产场地清洁等。
第六条设备检查应由专职维修人员进行,确保设备安全正常运转。
第七条物料准备应根据生产计划和订单要求提前准备,确保生产顺利进行。
第八条生产场地清洁由生产操作人员负责,保持生产环境整洁。
第三章生产作业第九条生产作业必须按照生产作业指导书进行,不得擅自改动。
第十条生产操作人员必须经过培训合格后方可上岗,未经培训不得擅自操作设备。
第十一条生产过程中如有异常情况应及时报告生产管理人员,保证生产安全。
第十二条生产作业结束后,应进行设备清洁、物料清点等工作,保持生产场地整洁。
第四章生产质量第十三条生产质量是湿巾厂生产工作的核心,质量问题影响公司声誉和产品销售。
第十四条生产操作人员应按照质量标准要求操作,不得出现质量问题。
第十五条生产管理人员应加强质量控制,及时发现并解决质量问题。
第十六条如发现产品质量问题,应立即停止生产并报告生产管理人员,进行质量审核和追踪处理。
第五章生产安全第十七条生产安全是湿巾厂生产工作的基础,安全事故会造成不可预料的损失。
第十八条生产操作人员应按照操作规程进行操作,不得擅自违规操作。
第十九条生产操作人员应穿着工作服、佩戴安全帽、手套等防护用具,确保人身安全。
第二十条如发生生产安全事故,应立即停止生产并进行事故处理,隐患排查和整改。
第六章附则第二十一条本规章制度由湿巾厂生产管理部门负责解释,并对执行结果进行检查。
第二十二条本规章制度自发布之日起生效,如有更新版本应及时通知并执行。
目的:建立消毒湿巾的生产工艺规程。
范围:消毒湿巾的生产。
职责:生产管理部、质量管理部、车间主任、工艺员、班长、操作工、QA。
规程:
1.品名、剂型与处方依据
1.1通用名称:消毒湿巾
汉语拼音:Xiaodu Shijin
英文名:
1.2 剂型:湿巾
1.3 处方与处方依据项的说明
1.3.1处方:(制成1000桶量,200抽):
纯化水: 98.22
丙二醇: 0.8
吐温20: 0.2
芦荟浓缩液: 0.2
2-苯氧乙醇: 0.3
天然维生素E: 0.1
柠檬酸: 0.05
苯扎氯铵: 0.13
水刺无纺布: 200000片(15*20cm/40g)
2.工艺流程示意图:
检验 →
→ →→ ← → →→ ← ←→→→
↓
↓ ← ↓ →
成品检验
3. 生产工艺操作要求、工艺技术参数:
3.1配制均质:按“配制岗位标准操作规程”规定,往配料罐中投入处方量的水、吐温20、
2-苯氧乙醇、苯扎氯铵、柠檬酸、天然维生素E 、丙二醇,搅拌10~15分钟,使之完全均匀即完成配制工序。
3.2药液检验:检验室按“中间产品取样操作规程”规定,抽取配制好的原液检验,检验合
格后,发放“中间产品合格证”。
3.3上料:操作工按“湿巾成型机操作规程”进行上料,上料后能进行自动转入即完成该工
序。
3.4 湿巾加药:操作工按“湿巾成型机操作规程”规定,使湿巾在成型机药仓中通过,即完
成加药工序。
3.5 裁切成型:操作工按“湿巾成型机操作规程”规定,使湿巾裁切成规定的格式及尺寸,
即完成裁切成型工序。
3.6装袋:操作工按“湿巾成型机操作规程”规定,将湿巾装入包装袋中,50PCS/袋。
3.7封口:操作工按“湿巾成型机操作规程”规定,将装袋后的产品通过封口机进行自动封
口。
3.8喷码:操作工按“喷码标准操作规程”规定,喷上客户要去的标识码即完成该工序。
3.8检爆漏:操作工按“检漏爆标准操作规程”规定,将包装后的成品进行人工检验,剔除
不合格品。
3.7内包清洁:操作工按“成品标准操作规程”规定,将成品进行内包清洁。
3.7入箱包装:车间接到生产管理部下达的批包装指令后,将检验合格的中间产品送入包装
间,按“包装岗位标准操作规程”进行包装。
包装完毕后,置于待检区,由取样员取样送检验室进行检验,合格后,入库。
4.物料质量标准:
4.1 原辅料质量标准
4.3包装规格:
5.药液、中间产品、成品的质量标准:
中间产品的贮存注意事项:温度:18~26℃,相对湿度:45~65%,避光保存。
特殊注意点:
*药液应在避光生产环境下配制;
7.设备、技术安全、工艺卫生及劳动保护7.1设备一览表
7.2 技术安全、劳动保护及工艺卫生
7.2.1技术安全、劳动保护
7.2.2工艺卫生:
7.2.2.1一般生产区工艺卫生:
7.2.2.2洁净区工艺卫生:
8.消耗定额:(制成1000袋量):8.1原辅料消耗定额表:
8.2包装材料消耗定额表:
9.物料平衡计算:
10.贮存条件:遮光,密封,在干燥处保存。
11.产品有效期:1年
12.化妆品类别:清洁类。
13.附录:产品的标签、说明书、彩盒的式样。