最新厂区沥青摊铺施工方案(修订版)
- 格式:doc
- 大小:58.50 KB
- 文档页数:8
2024年沥青摊铺作业专项安全方案沥青摊铺作业是道路建设的关键环节之一,也是一个具有一定危险性的工作。
为了保障施工人员的生命安全和财产安全,需要制定一项专项安全方案。
以下是一个2024年沥青摊铺作业专项安全方案的范例,供参考:一、安全管理组织机构:1. 设立安全管理部门,负责协调、组织和实施安全管理工作。
2. 建立相关报告制度,要求各级管理人员及时上报施工安全状况。
二、人员培训:1. 对参与摊铺作业的人员进行必要的安全培训,包括安全操作规程、紧急救援知识、个人防护用品的正确使用等。
2. 定期组织安全知识培训和演练,提高员工的安全意识和应急处理能力。
三、作业前准备:1. 制定详细的作业方案和施工计划,明确摊铺工艺和作业要求。
2. 质量检验及设备调试合格后,方可开始作业。
四、个人防护:1. 配备并强制使用个人防护装备,包括安全帽、防滑鞋、防护眼镜、防护服等。
2. 提供适量的防晒用品,防止阳光辐射对作业人员的损害。
五、机械设备安全:1. 严格按照操作规程操作机械设备,确保设备安全可靠。
2. 定期检查机械设备的维护保养情况,发现问题及时处理。
六、道路交通安全:1. 设置合理的交通指示标志,确保交通秩序。
2. 划定作业区域,并设置明显的警示标志,禁止外人进入作业区域。
七、现场施工安全:1. 设置消防器材,并实行定期检查和维护,确保消防设施的正常工作。
2. 建立报警机制,设立专门的应急救援队伍,配备必要的急救器械。
八、环境保护:1. 通过合理的沥青储存和使用,减少对环境的污染。
2. 定期清除施工现场的垃圾和废弃物,保持环境整洁。
九、夜间作业安全:1. 夜间作业时,设置充足的照明设备,确保施工区域的可视性。
2. 保持良好的交通秩序,设置警示标志,提醒过往车辆减速慢行。
以上是一个沥青摊铺作业专项安全方案的范例,具体执行要根据实际情况进行调整。
在制定和实施方案的过程中,应充分考虑施工环境、设备状况和人员素质等因素,确保施工过程的安全性和有效性。
沥青摊铺施工方案沥青摊铺施工是道路建设中的重要环节之一,施工方案的制定直接影响到工程质量和进度。
下面是一份沥青摊铺施工方案,供参考:施工准备:1. 提前与相关部门沟通,确保施工地点畅通无阻。
2. 检查施工设备和工具的完好性,确保各项设备能正常工作。
3. 准备好所需的材料,包括沥青、稳定剂、沥青储罐、铺路机等。
施工过程:1. 清理施工面:移除施工区域内的杂物和浮尘,确保施工面平整干净。
2. 喷洒稳定剂:根据设计要求,均匀喷洒稳定剂于施工面上,以增加沥青层与基层的黏结力。
3. 处理缺陷:对基层松软、漏水和损坏等缺陷进行修复,以确保施工质量。
4. 沥青浇铺:在施工面上进行沥青浇铺,确保沥青层的均匀厚度和平整度。
5. 摊铺和压实:使用铺路机将沥青均匀摊铺在施工面上,然后使用压路机或振动压路机对沥青层进行密实,以确保沥青层的稳定性。
6. 补正和调整:在摊铺和压实过程中,及时发现和处理沥青层的不平整和缺陷,进行补正和调整。
7. 压实完成:经过适当的压实和调整后,确认沥青层的稳定性和平整度达到要求后,即可完成沥青摊铺施工。
施工注意事项:1. 施工过程中,必须保证施工速度恒定,避免出现急停急启,以免造成施工面的不均匀和缺陷。
2. 摊铺时,应始终保持沥青温度在施工要求范围内,避免过热或过冷对施工质量的影响。
3. 摊铺机和压路机的操作人员需要熟悉设备的操作流程和技术要求,严格按照操作规程进行作业。
4. 施工现场应设置明显的安全标识和隔离设施,确保施工人员和行人的安全。
施工质量控制:1. 施工过程中,定期对施工面进行质量检查,检查施工面的平整度、密实度和厚度等指标是否符合要求。
2. 对出现的不合格情况及时采取措施进行整改,确保施工质量达到设计要求。
3. 完工后进行验收,检查施工面的质量是否满足工程要求,并做好施工记录。
通过以上方案,可以使沥青摊铺施工过程有序、高效,并确保所建道路的质量达标,为公众提供更好的交通条件。
第1篇一、工程概况本项目为某城市主干道沥青路面施工,全长2.5公里,路面宽度为40米,采用四车道设计。
本工程沥青面层结构为:下面层为4cmAC-13,上面层为6cmAC-16。
为确保沥青路面施工质量,特制定本施工方案。
二、施工准备1. 人员组织:成立沥青路面施工领导小组,负责施工过程中的组织协调和监督管理。
2. 施工设备:准备足够的沥青混凝土摊铺机、压路机、洒水车、装载机等设备,确保施工顺利进行。
3. 施工材料:提前采购沥青混凝土、矿料、砂石等原材料,并确保材料质量符合规范要求。
4. 施工场地:确保施工场地平整、排水畅通,并对施工区域进行围挡,设置警示标志。
三、施工工艺1. 沥青混凝土拌和:按照设计要求,在拌和站进行沥青混凝土拌和,确保拌和均匀,符合规范要求。
2. 摊铺:采用沥青混凝土摊铺机进行摊铺,确保摊铺厚度均匀,平整度符合规范要求。
3. 碾压:摊铺完成后,采用压路机进行碾压,直至达到密实度要求。
4. 接缝处理:对路面接缝进行处理,确保接缝平顺,无渗水现象。
5. 铺设路面标线:根据设计要求,进行路面标线铺设,确保标线清晰、规范。
四、质量控制1. 材料质量:对原材料进行严格检验,确保符合规范要求。
2. 拌和:严格控制拌和时间,确保沥青混凝土拌和均匀。
3. 摊铺:确保摊铺厚度均匀,平整度符合规范要求。
4. 碾压:严格控制碾压遍数,确保路面密实度符合规范要求。
5. 接缝处理:确保接缝平顺,无渗水现象。
6. 铺设路面标线:确保标线清晰、规范。
五、安全文明施工1. 施工现场设置安全警示标志,确保施工人员安全。
2. 施工人员佩戴安全帽、安全带等防护用品。
3. 施工过程中,确保现场清洁,减少扬尘污染。
4. 施工结束后,及时清理现场,恢复路面原状。
六、进度安排1. 施工准备:10天2. 沥青混凝土拌和:5天3. 摊铺:15天4. 碾压:10天5. 接缝处理:3天6. 铺设路面标线:2天总计:45天通过以上施工方案的实施,确保沥青路面施工质量,按时完成施工任务。
厂区沥青道路施工方案1. 引言本文档描述了厂区沥青道路的施工方案。
厂区沥青道路的建设对于提升厂区内道路的承载能力、提高交通效率以及提升企业形象有重要意义。
施工方案包括材料选用、施工流程、质量控制等方面,以确保道路建设的稳定性和可靠性。
2. 材料选用2.1 沥青混合料沥青混合料是建设厂区道路的关键材料之一。
我们建议选用高质量的沥青混合料,具有良好的耐久性和抗变形能力。
沥青混合料的选用应符合国家标准,并通过相关测试和认证。
2.2 砂石料砂石料用于道路基层的填充和压实,对道路的稳定性和承载能力有重要影响。
建议选用颗粒大小均匀、强度高的砂石料,并进行充分的试验和检测。
2.3 道路基层加固材料为了增加道路的承载能力和稳定性,需要使用道路基层加固材料。
常见的道路基层加固材料包括碎石、碎石混凝土等。
根据实际情况选择材料,并确保其符合相关的标准要求。
3. 施工流程道路施工流程主要包括以下几个步骤:3.1 设计和规划在施工前,需要进行道路设计和规划。
设计包括道路的宽度、坡度、弯道半径等方面的确定,规划包括道路的走向和交叉口的设置等方面。
3.2 现场准备工作现场准备工作包括清理和平整施工区域、准确测量和标定施工线路等。
确保现场准备工作完善,可以为后续的施工提供良好的条件。
3.3 路基施工道路建设的第一步是路基施工。
首先需要进行路基开挖和土方平整,然后进行砂石料填充和压实,最后铺设道路基层加固材料。
3.4 沥青铺设在道路基层加固材料铺设完成后,进行沥青铺设。
沥青铺设应根据设计要求进行,确保道路的平整度和坡度符合要求。
3.5 沥青摊铺在沥青铺设完成后,需要进行沥青摊铺。
摊铺沥青需要使用专用的机械设备,根据设计要求进行摊铺厚度的控制。
3.6 覆盖面层沥青摊铺完成后,需要进行覆盖面层的施工。
覆盖面层可以根据需要选用不同的材料,如沥青混合料、沥青混凝土等。
3.7 道路标线在道路建设的最后阶段,需要进行道路标线的施工。
道路标线的施工应符合相关标准,确保交通安全和引导效果。
第1篇一、工程概况本工程为某市新建道路沥青路面工程,道路全长10公里,道路宽度为40米,设计车速为60公里/小时。
路面结构为:基层、底基层、沥青面层。
沥青面层采用沥青混凝土,厚度为6厘米。
二、施工准备1. 人员准备- 组建专业的施工队伍,包括项目经理、技术负责人、施工员、质量员、安全员等。
- 对施工人员进行技术培训和安全教育。
2. 材料准备- 沥青混凝土:选用符合国家标准的沥青混凝土,确保其质量符合设计要求。
- 集料:碎石、石粉等集料应经过严格筛选,确保粒径符合要求。
- 水泥、石灰等:用于基层、底基层的稳定材料。
- 施工设备:摊铺机、压路机、装载机、拌合楼、运输车辆等。
3. 机械设备准备- 摊铺机:选用性能稳定、精度高的摊铺机。
- 压路机:选用振动压路机和钢轮压路机。
- 装载机和运输车辆:用于材料的运输。
4. 施工场地准备- 施工场地应平整、坚实,满足摊铺和压实的需要。
- 设置排水设施,确保施工过程中的排水畅通。
5. 施工图纸和技术文件准备- 熟悉施工图纸,明确施工要求和工艺流程。
- 准备相关技术文件,如施工方案、施工记录、质量检验报告等。
三、施工工艺流程1. 基层施工- 清理基层:清除基层表面的杂物、杂草、积水等。
- 摊铺基层材料:采用拌合楼将水泥、石灰等材料与集料拌合均匀,然后进行摊铺。
- 压实基层:采用振动压路机和钢轮压路机对基层进行压实。
2. 底基层施工- 清理基层:与基层施工相同。
- 摊铺底基层材料:采用拌合楼将水泥、石灰等材料与集料拌合均匀,然后进行摊铺。
- 压实底基层:与基层施工相同。
3. 沥青面层施工- 摊铺沥青混凝土:采用摊铺机将沥青混凝土均匀摊铺在底基层上。
- 摊铺后检查:检查沥青混凝土的厚度、平整度、宽度等是否符合要求。
- 碾压沥青混凝土:采用振动压路机和钢轮压路机对沥青混凝土进行碾压,确保其密实度。
4. 接缝处理- 在沥青面层接缝处,采用切割机进行切割,确保接缝整齐。
- 用热沥青或冷沥青进行接缝处理,确保接缝处的密实性。
沥青摊铺施工方案一、引言沥青摊铺施工是一个复杂而精密的过程,涉及许多技术和工艺的应用。
在道路建设和维护中,沥青摊铺施工起着至关重要的作用。
本文将以此为主题,介绍沥青摊铺施工的方案和流程。
二、材料准备沥青摊铺施工前,必须进行充分的材料准备。
首先,通过实地勘测,确定所需道路长度和宽度。
然后,在选购沥青材料时,要确保其符合相关标准规定,以保证施工质量的可靠性和稳定性。
此外,必须准备好路面辅助材料,如防水胶带、钢筋网等。
三、前期准备在沥青摊铺施工前,必须进行一系列前期准备工作。
首先,对待修复的道路进行彻底清理,去除所有的杂物和污垢。
然后,根据所需施工标高,进行路面的修复和调整,以确保整个道路达到施工要求。
此外,还需检查道路排水系统是否完善,以防止日后出现排水问题。
四、基础处理良好的基础处理是沥青摊铺施工成功的关键。
首先,要对道路基础进行打浆,将粉尘和杂质清除干净。
随后,对于基础土进行平整,确保道路的平整度和均匀度。
在此过程中,还需要进行各种检测和试验,以确保基础层的稳定性和强度。
五、沥青混合料施工沥青摊铺施工的核心环节就是沥青混合料的施工。
首先,要将沥青混合料运输到施工现场,确保其温度在适宜范围内。
然后,在摊铺前需要进行摊铺机的调试,以确保其正常工作。
接下来,进行沥青混合料的摊铺,保证其均匀分布,并进行滚压,以提高沥青混合料的密实度和稳定性。
六、辅助施工工艺在沥青摊铺施工中,还需要进行一些辅助的工艺。
例如,可以使用热熔胶将摊铺接缝处紧密粘合,以防止水分渗入,从而延长道路使用寿命。
此外,还可以对沥青摊铺施工所在道路进行划线和标识,以增加道路的可用性和安全性。
七、施工质量控制沥青摊铺施工方案的成功与否,直接关系到道路使用寿命以及行车安全。
因此,在施工过程中,必须严格控制施工质量。
首先,要进行现场勘测和测量,以确保施工符合设计要求。
然后,通过进行抽样检测和试验,对沥青混合料的质量进行评估和控制。
同时,还需注意施工现场的管控,确保施工过程中的安全性和规范性。
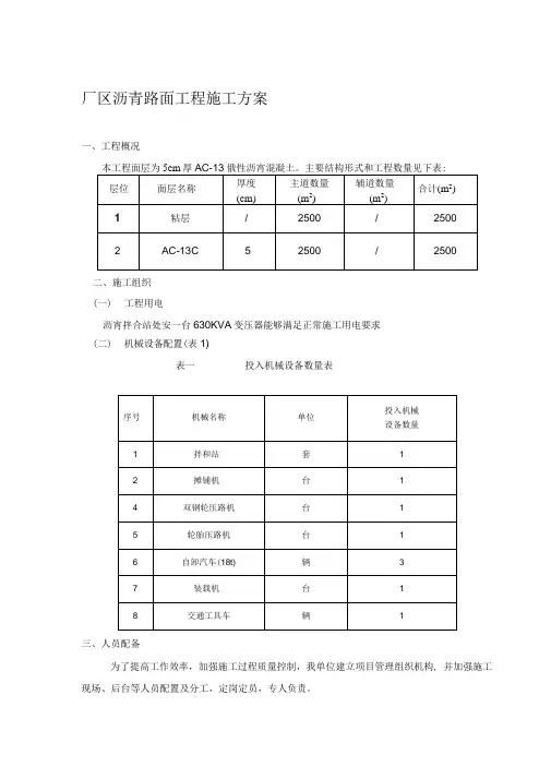
目录一、工程概况 (1)二、施工人员、机械计划 (2)三、施工方案 (4)四、质量保证措施 (13)五、安全保证措施 (17)六、文明施工保证措施 (19)沥青混凝土路面施工方案一、工程概况厂内道路的路面宽度根据厂区的交通量及重要性确定,厂内道路分为主要道路及次要道路。
其中主要道路面积:64925平方米,次要道路面积:30485平方米,厂前道路面积:18520平方米。
1. 车行道主要道路路面结构及厚度上面层: 细粒改性沥青混凝土AC-13C 厚4cm中面层: 中粒沥青混凝土AC-20C 厚5cm下面层: 沥青碎石AM-25 厚8cm稀浆封层: 厚0.6cm2. 车行道次要道路路面结构及厚度上面层: 细粒改性沥青混凝土AC-13C 厚4cm下面层: 中粒沥青混凝土AC-20C 厚6cm稀浆封层: 厚0.6cm2、沥青混凝土采用商品沥青混凝土。
3、在施工中投入1台摊铺机进行摊铺作业,并配置压路机及其它相应机械设备。
4、为确保本路段的交通畅通,保证施工质量,综合考虑投入设备的能力和远途运输、施工现场的情况,本着宁慢莫快的原则,合理安排进度。
二、施工人员、机械计划1、管理人员结构2、拟投入主要机械、机具设备三、施工方案1、沥青混凝土路面施工流程图⑴、总体施工流程(2)、分层施工流程图2、施工准备⑴、施工前应对各种材料进行调查试验,经选择确定的材料在施工过程中应保持稳定,不得随意变更。
⑵、施工前对各种施工机具应作全面检查,并经调试证明处于性能良好状态,机械数量足够,施工能力配套,重要机械宜有备用设备。
3、配合比设计⑴、用工程实际使用的材料计算各种材料的用量比例,配合成符合设计及规范要求规定的矿料级配,进行马歇尔试验,确定最佳沥青用量。
以此矿料级配及沥青用量作为目标配合比,供拌和机确定各冷料仓的供料比例、进料速度及试拌使用。
⑵、从二次筛分后进入各热料仓的材料取样进行筛分,以确定各热料仓的材料比例,供拌和机控制室使用。
厂区沥青路面工程施工方案一、工程概况二、施工组织(一)工程用电沥宵拌合站处安一台630KVA变压器能够满足正常施工用电要求(二)机械设备配置(表1)表一投入机械设备数量表三、人员配备为了提高工作效率,加强施工过程质量控制,我单位建立项目管理组织机构, 并加强施工现场、后台等人员配置及分工,定岗定员,专人负责。
现场人员配置:现场工长1名,施工现场管理人员1名,质检工程帅1名,测量工程帅1名,试验工程帅1名,试验员1名,测工2名,机手5名,普工6名(, 摊铺机前后平料4人,碾压辅助2人)运输车队:队长1名,司机3名,运输车辅助工人2人拌和站人员配置:站长1名,拌和站操作手3人,装载机机手1名。
四、沥宵路面施工工艺施工工序:准备工作 T拌和T运输T摊铺T碾压(一)准备工作1、下承层检查及工作面活扫下承层,用于沥宵路面施工前准备好工作面。
2、测量放样:成立专门测量组,负责路面的平面控制及高程厚度检测。
3、生产配合比的确定热拌沥宵混合料配合比设计分三阶段进行:目标配合比设计、生产配合比设计、生产配合比验证。
采用马歇尔试验配合比设计方法,确定沥宵混合料的材料品种及配合比、矿料级配、最佳沥宵用量。
在拌制沥宵混合料和摊铺沥宵混合料之前,根据确定的配合比进行试拌。
试拌时对所有的各种矿料和沥宵应严格计量,通过试拌和抽样检验确定适宜的沥宵用量,拌和时间,矿料和沥宵加热温度,以及沥宵混合料出厂的温度。
对试拌的沥宵混合料进行试验之后,选定最佳的生产配合比。
(二)混合料拌和拌和站按调配好的生产配合比进行拌和。
沥宵混合料的拌和采用LBP-3000LB型间歇式沥宵拌合站,试验段每盘拌料2500kg,集料采用ZL-50装载机上料。
为了保证拌制的沥宵混合料能满足施工规范的要求,在开机前必须对拌和设备进行一次全面细致的检查,注意联接的紧固情况,检查搅拌器内有无积存余料,冷料运输器是否运转正常和有无跑偏现象,仔细检查沥宵管道各个接头,尤其是沥宵计量设备计量是否准确,严禁吸沥宵管有漏气现象,检查电气系统,对于机械运转部分,还要检查传动链的张紧度等情况。
沥青摊铺施工方案一、工程分部概况:本标段路面工程涉及到主路、匝道、地方路以及五环加宽路段。
下面层沥青砼工程数量为6549m。
二、工程分项施工部署(一)施工准备1、技术准备沥青砼路面施工必须成立施工组织机构,使施工准备、摊铺、压实、质检、后勤设备保障等全过程处于受控状态。
2、施工测量准备:(1)测量控制原则认真对业主提供的测量数据进行复测,若在复测中发现有超出容许范围的误差,重新进行复测,直至无误为止。
利用业主所提供的控制点和资料,在现况路面进行控制适当加密,在没有控制点的施工区,新做测量控制网,其所作测量控制网点的原则与加密点原则相同,均应满足设计要求。
(2)控制点检测与横断面复核开工前,对平面、高程控制网点进行复测验线。
利用全站仪对导线点进行检测,配合自动安平水准仪及双面尺进行测量,将检测结果,及时上报监理工程师审批。
附件三:控制点标高一览表附件四:控制点坐标一览表3、材料准备及请求热拌沥青混合料符合《公路沥青路面施工技术规范》(JTJ032)的有关划定。
附表五:工程材料准备一览表4、机械、设备及人员准备根据现有允许施工区域,本分项工程拟投入主要人员40人,机器设备准备详见附表六:机械设备准备情况一览表3XXX1页共15页同时配置测量仪器如下:水准仪2台,全站仪1台,钢尺2把。
检测设备以下:3m直尺、测平车、数显测温计及钻心计心情。
5、作业条件(1)沥青砼下面层必须在基层验收合格并清扫干净、喷洒乳化沥青24h后方可进行施工。
(2)沥青砼下面层施工应在路缘石安装完成并经监理验收合格后进行。
路缘石与沥青混合料接触面应涂刷粘结油。
(3)施工前对各种施工机械做全面检查,经调试证明性能处于良好状态,机械数量足够,施工能力配套,重要机械宜有备用设备。
三、工程分项施工工艺沥青砼施工工艺流程图以下:XXX2页共15页丈量放线沥青混合料运输摊铺温度、外观检测取样试验静压(初压)虚厚、高程检测温度检测振动碾压(复压)温度、压实度检查静压(终压)平整度、标高检查接缝处理质量检查交工验收1、丈量放线(1)平面测量时,应定出该层的中心和边线桩位。
厂区道路沥青面层施工技术方案及措施下载提示:该文档是本店铺精心编制而成的,希望大家下载后,能够帮助大家解决实际问题。
文档下载后可定制修改,请根据实际需要进行调整和使用,谢谢!本店铺为大家提供各种类型的实用资料,如教育随笔、日记赏析、句子摘抄、古诗大全、经典美文、话题作文、工作总结、词语解析、文案摘录、其他资料等等,想了解不同资料格式和写法,敬请关注!Download tips: This document is carefully compiled by this editor. I hope that after you download it, it can help you solve practical problems. The document can be customized and modified after downloading, please adjust and use it according to actual needs, thank you! In addition, this shop provides you with various types of practical materials, such as educational essays, diary appreciation, sentence excerpts, ancient poems, classic articles, topic composition, work summary, word parsing, copy excerpts, other materials and so on, want to know different data formats and writing methods, please pay attention!Certainly! Here's a demonstration article structured with clear sections and subsections, focusing on the topic "厂区道路沥青面层施工技术方案及措施" (Asphalt Pavement Construction Techniques and Measures for Factory Roads):厂区道路沥青面层施工技术方案及措施。
第1篇一、工程概况本工程为某道路沥青混凝土路面施工,全长5公里,路面宽度为30米,采用沥青混凝土路面结构,设计厚度为6厘米。
施工内容包括基层处理、沥青混凝土摊铺、路面病害处理、路面养护等。
二、施工准备1. 施工组织设计(1)施工队伍:成立沥青混凝土路面施工项目部,下设工程管理、施工技术、质量检测、材料供应、安全环保等职能小组。
(2)施工设备:根据工程需求,配备沥青混凝土搅拌站、沥青混凝土摊铺机、压路机、装载机、运输车辆等设备。
(3)施工材料:选用符合国家标准的沥青混凝土、砂石料、水泥等原材料。
2. 施工场地准备(1)施工现场应平整、坚实,满足施工要求。
(2)施工现场应设置排水沟、沉淀池等排水设施。
(3)施工现场应设置材料堆场、设备停放场、办公区等。
3. 施工技术准备(1)熟悉施工图纸,明确施工要求。
(2)编制施工方案,制定施工技术措施。
(3)组织施工人员培训,提高施工技能。
三、施工工艺流程1. 基层处理(1)清理基层:将基层上的杂物、松散材料清理干净。
(2)洒水湿润:对基层进行洒水湿润,提高基层的稳定性。
(3)铺设隔离层:根据设计要求,铺设隔离层。
2. 沥青混凝土拌合(1)按照配合比计算,准确称量沥青、石料、矿粉等原材料。
(2)将原材料投入沥青混凝土搅拌站,进行拌合。
(3)拌合时间控制在规定范围内,确保拌合均匀。
3. 沥青混凝土运输(1)采用运输车辆运输沥青混凝土,确保运输过程中的温度和稳定性。
(2)运输过程中,避免沥青混凝土受到污染。
4. 沥青混凝土摊铺(1)根据施工图纸,确定摊铺起点。
(2)调整摊铺机,确保摊铺厚度均匀。
(3)采用“梯队作业法”进行摊铺,提高施工效率。
(4)摊铺过程中,确保沥青混凝土的温度和均匀性。
5. 沥青混凝土碾压(1)采用振动压路机进行初压,确保沥青混凝土密实。
(2)采用静压路机进行复压,提高路面平整度。
(3)碾压过程中,注意避免损坏路面结构。
6. 路面病害处理(1)对路面病害进行排查,确定病害类型。
厂区沥青道路施工方案1. 引言在现代工业生产中,厂区内的道路网络是实现物资流动和车辆运输的重要基础设施,沥青道路具有结构牢固、耐久性高、施工周期短等优点,因此成为厂区道路建设的首选材料。
本文将针对厂区沥青道路的施工方案进行详细的介绍。
2. 施工准备工作在进行厂区沥青道路施工之前,需要进行一系列的准备工作,确保施工过程能够顺利进行。
具体的准备工作包括:2.1. 设计和规划在进行施工前,需要根据厂区的交通流量、道路使用规模等因素进行道路设计和规划,确保道路的合理布局和设计。
设计和规划的内容包括道路宽度、弯道半径、坡度等,以及交通标志和标线的设置等。
2.2. 材料准备进行沥青道路施工需要准备一系列的材料,包括沥青、矿料、级配石等。
这些材料需要进行品质检验,确保其符合相关标准要求。
此外,还需要准备施工机械设备,如摊铺机、压路机等。
2.3. 环境保护在施工前需遵守环境保护要求,设置施工围栏、喷洒防尘剂等,减少施工过程中对环境的影响,确保施工过程符合环保要求。
3. 施工步骤3.1. 基础处理在进行沥青道路施工之前,需要对基础进行处理,确保道路的稳固性。
基础处理包括清理场地、探查地下设施、挖掘土方等工作。
3.2. 沥青摊铺在基础处理完成后,进行沥青道路的摊铺。
具体步骤如下:•选择合适的沥青混合料,根据设计要求进行拌和。
•使用摊铺机将沥青混合料平均摊铺在基层上,并进行初步压实。
•对摊铺的沥青进行均匀加热,使其达到适当的温度。
•使用铺盖料将加热的沥青进行覆盖,保持沥青温度在施工要求范围内。
•使用压路机进行沥青道路的最终压实,确保道路表面平整牢固。
3.3. 沥青面层处理在沥青摊铺完成后,需要对沥青面层进行处理,提高道路的平整度和防滑性。
具体处理包括:•进行平整度检测,对不平整的地方进行修补。
•在道路表面喷洒沥青乳液,增加道路的防水性和耐久性。
•根据需要,在道路上进行符合标准的道路标线绘制,提高交通安全性。
4. 健康与安全措施在沥青道路施工过程中,必须严格遵守相关的健康与安全措施,以确保施工人员的安全和道路质量的达标。
精心整理沥青路面摊铺工程施工方案(一)准备材料1﹑包括采购﹑运输和储存等环节。
因为原材料的优劣对工程质量的影响甚大,不合格的原材料不可能生产出合格的产品。
因此,必须按(规范)的有2(二)1沥青混合料宜在拌合场制备。
在拌制一种新配合比的混合料之前,或生产中断了一段时间后,应根据室内配合比进行试拌。
通过试拌及抽样试验确定施工质量控制指标。
①对间歇式拌合设备,应确定每盘热料仓的配合比。
对连续式拌合设备,对不能保证均匀进料和连续计量或矿粉损失较多的连续式拌合设备,不得用于沥青混泥土混合料的拌制,应确定各种矿料送料口的大小及沥青和矿料的进料速度。
沥青混合料应按设计沥青用量进行试拌,试拌后取样进行马歇尔试验,并将其实验值与室内配合比试验结果进行比较,验证设计沥青用量的合理性,必要时可做适当调整。
23水为于1304(三)沥青面层摊铺及碾压施工要求:1﹑沥青混合料摊铺施工:沥青面层应整幅路面同时摊铺以减少纵向施工接缝。
采用两台摊铺机联合摊铺时应以梯形交错排列方式连续施工,前后两台摊铺机的轨迹应重叠5-10cm。
外形不规则的路面﹑街坊路口等路段沥青可采用小型摊铺机或人工摊铺。
雨天﹑路面积水及气温低于10℃均不得摊铺沥青混合料。
2﹑沥青混合料压实:沥青混合料压实应按初压﹑复压﹑终压(包括成型)三个阶段进行,压路机的碾压速度应满足下表要求:﹑沥混合接缝理:纵缝处---当用两当下层质量不符合要求,或未按规定洒布透层﹑粘层﹑铺筑下封层时,不得铺筑沥青面层。
2﹑热拌沥青混合料应采用机械摊铺。
3﹑摊铺机在开始受料前应在料斗内刷少量防止粘料用的柴油。
4﹑摊铺机自动找平时,中﹑下面层宜采用一侧钢丝绳引导的高程控制方式。
表面层宜采用摊铺层前后保持相同高差的雪橇式摊铺厚度控制方式。
经摊铺机初步压实的摊铺层应符合平整度﹑横坡的规定要求。
5﹑用机械摊铺的混合料,不应用人工反复修整。
当出现下列情况时,可用人工作局部找补或更换混合料;abcd;e;f;612生产率决定。
厂区沥青摊铺施工方案一、前期准备工作:在进行沥青摊铺施工前,需要进行一系列的前期准备工作,包括设计施工方案、确定施工时间和施工进度、采购所需材料和设备、准备施工人员以及确保工地安全。
1.1设计施工方案:根据现场实际情况,确定施工的具体方案。
主要包括施工路线、施工工艺、施工时间等。
1.2确定施工时间和施工进度:根据工地的具体情况和项目要求,确定施工的时间和进度,制定详细的时间表和施工计划。
1.3采购材料和设备:根据工程设计要求,确定所需采购的材料和设备清单,并进行采购,确保施工所需材料和设备的及时供应。
1.4准备施工人员:根据施工方案和项目要求,确定所需的施工人员数量和技能要求,进行人员招聘和培训,确保具备施工能力的人员参与。
1.5确保工地安全:在施工前,对工地进行安全检查和隐患排查,落实各种安全措施,确保施工过程中的安全性。
二、施工准备工作:施工前需要进行一系列的准备工作,包括仪器设备的校验和调试、施工路线的划定和标记、施工区域的清理等。
2.1仪器设备校验和调试:对施工所需的仪器设备进行校验和调试,确保其正常运行,并进行相应的维护工作。
2.2施工路线的划定和标记:根据施工方案,对施工路线进行划定和标记,确保施工顺利进行。
2.3施工区域的清理:对施工区域进行清理,清除杂物和障碍物,保证施工区域的整洁有序。
三、施工过程:进行沥青摊铺施工时,需要按照以下步骤逐步进行:底基处理、摊铺预热、铺筛级、铺面厚度控制、压实工作等。
3.1底基处理:对施工区域的底基进行处理,包括清理、修补和调整,确保底基的平整和稳固。
3.2摊铺预热:对沥青材料进行预热处理,提高沥青的流动性和粘附性,便于摊铺和压实。
3.3铺筛级:根据设计要求,铺设沥青筛级,确保路面的平整和均匀。
3.4铺面厚度控制:根据设计要求和施工方案,进行沥青摊铺,控制沥青的厚度和均匀度。
3.5压实工作:在摊铺完毕后,使用压路机进行压实作业,确保沥青的密实度和稳定性,提高路面的耐久性。
2024年沥青摊铺作业专项安全方案
,如下:
一、作业前准备工作
在进行沥青摊铺作业前,首先要确保所有作业人员都穿着符合安全标准的工作服和鞋子,并配备相应的安全帽、手套和耳塞。
接着,对施工现场进行全面安全检查,包括检查设备的运行状况、作业区域是否清洁整洁、是否存在潜在的危险源等。
确保施工现场符合安全标准后,方可进行后续作业。
二、沥青摊铺作业操作流程
1. 将沥青材料加热至指定温度,并确保搅拌均匀。
2. 将加热后的沥青倒入摊铺机中,按照设计要求进行铺着。
3. 摊铺完成后立即对铺面进行压实,确保沥青层厚度均匀。
4. 在作业过程中,密切关注设备运行状况,及时发现并处理异常情况。
5. 结束作业后,清理施工现场,确保环境整洁。
三、安全注意事项
1. 注意防范高温灼伤,避免接触加热后的沥青。
2. 遵守作业区域内的交通指示和信号,确保作业区域安全。
3. 严格控制作业人员和设备的数量,避免造成作业混乱和安全隐患。
4. 避免在高风、雨雪等恶劣天气条件下进行作业,确保施工质量和人员安全。
四、紧急应对措施
1. 如发生意外事故,立即停机处理,及时拨打紧急救援电话。
2. 对于突发情况,作业人员应保持冷静,按照规定流程进行紧急处理。
3. 确保紧急逃生通道畅通,及时疏散作业区域内的所有人员。
通过以上安全方案的实施,可以有效确保沥青摊铺作业过程中的安全,减少事故发生的概率,保障作业人员和现场设备的安全。
摊铺沥青施工方案一、项目概述本项目是指在道路、停车场、人行道等路面施工过程中,使用沥青作为材料进行摊铺,以提供一个平整、耐用的路面。
摊铺沥青的施工过程需要注意工期、施工时间、材料选择、施工方法等方面。
二、施工准备工作1. 编制施工方案:根据工程要求和设计要求,确定施工方案,包括施工路线、施工工序、施工方法等。
2. 准备施工材料:根据工程设计和计划,采购所需的沥青、砂石、水泥、膨胀剂等施工材料。
3. 准备施工设备:包括摊铺机、压路机、振动器、水泵等施工设备,确保设备的正常运转。
4. 搭建临时施工场地:根据施工需要,搭建临时施工场地,包括材料堆放区、设备存放区等。
5. 安排施工人员:根据施工计划,安排施工人员,包括施工负责人、操作工、施工工人等。
三、施工流程1. 路面准备:清理施工现场,清除杂物、灰尘等,确保施工地面平整、清洁。
2. 基层处理:根据设计要求,在路面基层上进行必要的处理,包括修补裂缝、填补凹坑等。
3. 沥青砂浆制备:根据设计要求,将沥青、砂石、水泥等按一定比例混合制成沥青砂浆。
4. 摊铺沥青:将沥青砂浆倒入摊铺机中,调整摊铺机的工作参数,按设计要求进行沥青的摊铺。
5. 振实沥青:使用振动器对铺设的沥青进行振实,确保路面的密实度和平整度。
6. 压实路面:使用压路机对铺设的沥青进行压实,确保路面的稳定性和耐久性。
7. 撒盖石层:在压实的沥青路面上撒盖石层,防止车辆碾压导致路面凹陷。
8. 沥青路面养护:对新铺设的沥青路面进行养护,包括喷洒油脂、喷洒防水剂等。
四、施工注意事项1. 确保施工材料的质量,使用符合标准的沥青、砂石等材料。
2. 控制施工的时间,避免在恶劣天气条件下施工,如雨天、大风天等。
3. 施工过程中要保持施工现场的整洁,及时清理施工废料和垃圾。
4. 施工过程中要注意安全,佩戴安全帽、安全鞋等防护用品,遵循施工现场安全规定。
5. 施工过程中要注意施工质量,保证沥青摊铺的平整度和密实度。
厂区沥青路面修补施工方案1. 引言厂区沥青路面作为交通主干道,其质量和维护对于保证厂区内交通安全至关重要。
然而,由于长期使用和外部环境因素的影响,沥青路面可能会出现损坏和破坏,需要进行修补施工。
本文档旨在提供一种厂区沥青路面修补施工方案,确保施工质量和工期的控制。
2. 施工前的准备工作在进行沥青路面修补施工前,需要进行以下准备工作:2.1 施工人员和设备准备施工人员:确保施工人员具备相关的技能和经验,熟悉施工流程和安全注意事项。
施工设备:准备合适的施工设备,包括挖掘机、压路机、打桩机等。
2.2 施工材料准备沥青混合料:根据实际需要,准备适量的沥青混合料,保证施工过程中的连续供应。
辅助材料:准备辅助材料,包括路缘石、钢筋等,用于修补工程的辅助作用。
2.3 施工计划制定根据实际情况,制定施工计划,包括施工时间安排、工作区域划分、施工顺序等。
3. 施工步骤3.1 损坏路面的清理首先,对损坏的路面进行清理。
清理工作主要包括以下几个步骤:1.清除浮渣:使用挖掘机等工具清除路面上的浮渣,确保施工基础平整干净。
2.清理碎块和松散沥青:将损坏的碎块和松散的沥青清除干净,以便后续修补施工。
3.2 路面修补在进行路面修补前,需要根据损坏程度和范围,选择合适的修补方法,例如:1.针对小面积坑洞和裂缝,可以使用冷补料进行修补。
先将坑洞和裂缝拓宽,然后按照冷补料的说明进行施工。
2.针对大面积损坏,需要进行局部切割和拆除。
使用挖掘机等工具将损坏区域切割并拆除,然后重新铺设沥青混合料。
3.3 确定路面高程和线型在施工过程中,需要根据设计要求和实际情况,确定修补路面的高程和线型。
在铺设沥青混合料前,可以使用激光级测仪或水平仪等工具进行高程和线型的调整。
3.4 沥青混合料的铺设在确定了路面高程和线型后,开始进行沥青混合料的铺设。
铺设工作包括以下几个步骤:1.加热沥青混合料:将准备好的沥青混合料加热至适宜的温度,保证其流动性和粘结性。
厂区沥青路面工程施工方案一、工程概况二、施工组织(一)工程用电沥青拌合站处安一台630KV A变压器能够满足正常施工用电要求。
(二)机械设备配置(表1)表一投入机械设备数量表三、人员配备为了提高工作效率,加强施工过程质量控制,我单位建立项目管理组织机构,并加强施工现场、后台等人员配置及分工,定岗定员,专人负责。
现场人员配置:现场工长1名,施工现场管理人员1名,质检工程师1名,测量工程师1名,试验工程师1名,试验员1名,测工2名,机手5名,普工6名(,摊铺机前后平料4人,碾压辅助2人)运输车队:队长1名,司机3名,运输车辅助工人2人拌和站人员配置:站长1名,拌和站操作手3人,装载机机手1名。
四、沥青路面施工工艺施工工序:准备工作→拌和→运输→摊铺→碾压(一)准备工作1、下承层检查及工作面清扫下承层,用于沥青路面施工前准备好工作面。
2、测量放样:成立专门测量组,负责路面的平面控制及高程厚度检测。
3、生产配合比的确定热拌沥青混合料配合比设计分三阶段进行:目标配合比设计、生产配合比设计、生产配合比验证。
采用马歇尔试验配合比设计方法,确定沥青混合料的材料品种及配合比、矿料级配、最佳沥青用量。
在拌制沥青混合料和摊铺沥青混合料之前,根据确定的配合比进行试拌。
试拌时对所有的各种矿料和沥青应严格计量, 通过试拌和抽样检验确定适宜的沥青用量,拌和时间, 矿料和沥青加热温度,以及沥青混合料出厂的温度。
对试拌的沥青混合料进行试验之后,选定最佳的生产配合比。
(二)混合料拌和拌和站按调配好的生产配合比进行拌和。
沥青混合料的拌和采用LBP-3000LB型间歇式沥青拌合站,试验段每盘拌料2500kg,集料采用ZL-50装载机上料。
为了保证拌制的沥青混合料能满足施工规范的要求, 在开机前必须对拌和设备进行一次全面细致的检查,注意联接的紧固情况,检查搅拌器内有无积存余料, 冷料运输器是否运转正常和有无跑偏现象,仔细检查沥青管道各个接头,尤其是沥青计量设备计量是否准确,严禁吸沥青管有漏气现象,检查电气系统, 对于机械运转部分,还要检查传动链的张紧度等情况。
以确保设备运转正常, 拌制的沥青混合料符合规范要求。
拌和时主要控制以下几个参数:1. 沥青温度控制;面层160~165℃。
2. 矿料温度控制在;上面层190~220℃。
3. 沥青混合料出料温度上面层170~185℃,废弃温度195℃。
4. 集料干拌7s、湿拌不小于38s、每盘料生产周期50s。
为使沥青混合料拌和均匀, 在拌制时我部将严格按照各类沥青混合料的拌制温度控制沥青和所用石料的加热温度与拌和温度。
保证经过拌和后的混合料均匀一致,无花白、结块现象。
注:沥青混合料的施工温度采用金属探测针的插入数显温度计测量。
表面温度可采用表面接触式温度计测定。
当采用红外温度计测量表面温度时,应进行标定。
(三)混合料的运输1、生产的沥青混合料成品应及时运往施工现场。
根据施工的具体位置和现场的实际情况,以及我部的拌合能力、摊铺能力,混合料运距,所需混合料的种类和数量等,我部采用3部18T以上的自卸汽车运送沥青混合料。
2、应采用干净的自卸槽斗车辆运送混合料,车槽内不得沾有有机物质。
为防止尘埃污染和热量过分损失,运输车都必须用篷布覆盖,以对混合料进行保温防雨和避免混合料受污染在槽四角应密封坚固。
3、对沥青混合料检测其出厂温度和运到现场温度。
在装料前,先在底板上均匀地涂上一层1:3的油水隔离剂,防止混合料粘到运输车辆底板上.拌合机向运料车放料时,运料车应前后移动,分几堆装料,以减少粗集料的离析现象,同时运料车的运输能力和摊铺能力有所富余。
4、对运到施工现场的混合料已发生冷却离析、结块或被雨淋湿以及在运料车辆卸料时滞留在车上的混合料,以及低于规定铺筑温度的混合料都应废弃。
连续摊铺过程中,运料车应在摊铺机前10-30cm处停住,不得撞击摊铺机。
卸料过程中转运车应挂空档,由摊铺机推动前进。
对运至铺筑现场的沥青混合料的温度每车均要检测记录,并满足温度控制要求。
5、除非运来的材料可以在白天铺完并能压实,或者在铺筑现场备有足够和可靠的照明设施,当天或当班不能完成压实的混合料不得运往现场。
否则,多余的混合料不得再用于本工程。
(四)混合料的摊铺1、铺筑时必须将基层清理干净,并喷洒粘层油。
2、摊铺前应在所有接触面上均匀地刷上一薄层热沥青结合料(或用适当溶剂溶解的粘稠沥青或稀释沥青)。
涂刷时不得污染周围的非涂刷区,或采取履盖措施防止污染。
3、运料应尽快地不间断地卸进摊铺机,并立刻进行摊铺,不得延误。
向摊铺机输送材料的速率应与摊铺机连续不断工作的吞吐能力相致,并应尽一切可能使摊铺机连续作业。
如果发生暂时性断料,则摊铺机尚应继续保持运转。
4、摊铺机的行驶速度和操作方法应及时调整,以保证混合料平整而均匀地铺在整个摊铺宽度上,不产生拖痕、断层和离析。
(五)混合料的碾压沥青混合料摊铺整平之后,由专人负责测量混合料温度以决定是否压实。
初压应在混合料不产生推移、开裂等情况下尽量在摊铺后较高温度下进行。
压实的目的是提高沥青混合料的强度,稳定性及抗疲劳特性。
沥青混合料的压实按初压、复压、终压三个阶段进行。
碾压说明:摊铺机后面紧跟光轮压路机和胶轮压路机全断面碾压,为保证接缝处的压实,所有压路机第一次碾压时先跨中缝碾压,然后再从低处往高处进行碾压,所有压路机紧跟,不能停机,缓起慢停,紧跟慢压,每次得重叠50㎝。
具体列表说明如下(表4):表四碾压方案及碾压速度、温度碾压注意事项:1、严格控制碾压温度,快速完成初压,避免低温引起推移。
2、碾压时,压路机成梯形断面向前推进,每次折返点随着摊铺机前进而推进。
路缘石边缘部份用小压路机先碾压后再进行。
3、不同阶段的压实段停机时不能在同一断面上,本压实阶段应比上一阶段后移5m,规范压实顺序、控制碾压温度,严禁压路机在高温区段转弯,严禁压路机在尚未降温至50℃以下的新铺层上暂时停机,压路机较长时间停机或加水均停至冷却路段,设置专人用3米直尺全碾压过程跟测平整度。
对3米直尺检测大于5mm的地段用光轮压路机进行局部加振以消除凸点。
特别要注意的是在当天碾压的尚未冷却的沥青混合料面层上,•不得停放任何机械设备或车辆,不得散落矿料、油料等杂物。
(六)施工缝处理纵缝施工:纵缝应采用热接缝,•施工应将已铺的混合料留下10-20cm宽暂不碾压,•作为后摊铺部分的高程基准面,再后作跨缝碾压以消除缝迹,当日先后修筑的两个车道,摊铺宽度应与已铺车道重叠3-5cm。
不在同一天铺筑的相邻车道,在摊铺新料之前,应对原路面边缘加以修理,要求边缘切齐,缝边保持垂直,并涂刷一层粘层沥青后方可摊铺新料。
纵缝在摊铺之后立即碾压,让压路机大部分压在已铺好的路面上,仅让10-15cm 的宽度压在新铺的车道上,然后逐渐移动跨过纵缝,•双层式沥青路面上下层的接缝相互错开20-30cm,做成台阶式衔接。
五、试验检测(一)现场摊铺温度、厚度检测,试验段成型后进行纵断高程、横坡、宽度、松铺系数、压实度等规范技术指标的检测工作,整理出质检资料报监理。
(二)实验室现场取样回来,按混合料试验规格做马歇尔等常规试验,提交试验报告。
(三)试验段的检测频率及方法。
(见表5)表五试验检测频率及办法六、质量控制1、明确本工程总目标设计“优良工程”和各自目标、职责、义务、权力,加强质量意识教育、质量终身负责制的重要性。
分工负责、责任到人。
2、开工前,要求把本工程所使用的检验、测量和试验设备按ISO9001:2000质量体系规定进行检定、校核、确保仪器精密度,施工中应定期或在重要工序施工前对检测仪器进行校核,避免在超常规条件下使用而影响工程精度、质量。
同时加强对技术人员培训,操作人员必须持证上岗作业。
3、积极推广全面质量管理办法,以工程中容易产生的质量通病及施工中技术难题为课题,探讨解决办法,确保工程不留隐患。
4、建立奖罚制度,对精心组织、精心施工、质量达标的先进班组和个人实行奖励;反之,对完成的工程质量低劣、重复出现质量问题和重大质量事故的班组和个人,视情节轻重对其进行行政和经济处罚或调离工作岗位。
5、加强施工过程的全面质量管理(1)施工中严格按照《施工组织设计》编写的内容进行施工(2)加强工序质量控制各工序施工结束后,由项目部施工队质检人员检验合格后,方可进行下道工序施工。
(3)对容易产生质量隐患、质量通病的点位,要求根据现场实际情况,采取补救处理措施,及时发现并解决施工中遇到的问题、难题,确保每个环节、部位、工序均符合设计及规定要求。
项目部质检、安全人员每天对工程施工进行验收、评定及时收集工程施工信息,动态总结经验,改正不足,对经常发生的问题提出纠正和预防措施、办法,不断改进、完善施工工艺。
6、加强材料质量管理严格控制原材料、半成品的质量。
施工中所用的沥青要具有相应的质量证明书,还须按规范要求进行抽检试验,合格后方可使用,对经试验达不到设计要求的原材料或作降级使用或作退货处理。
原材料、半成品的堆放应符合现场要求,分类分规格堆放,并挂上标识牌,以防误用。
七、安全生产1、成立安保领导小组,建立健全各施工班组安全生产责任制,责任落实到人。
经济承包有明确的安全指标和包括奖惩办法在内的保证措施。
项目部、各班组之间签订安全生产协议书。
项目部民工作业队之间签订劳务合同的同时签订安全生产合同。
2、对进场施工管理人员、机械驾驶员、民工施工队工人,进场前进行安全知识培训、安全技术教育。
提高安全意识,做到“安全第一、预防为主”。
3、分部分项进行工程安全技术交底,严格执行安全技术操作规程,严禁违章指挥,违章作业。
4、特种作业人员持证上岗,所有施工技术人员特殊工种、工人一律持证上岗。
特种作业人员必须经培训考核合格后持证上岗,操作必须按期复验,不得超期使用,名册齐全。
5、加强安全标志、标语和其它交通管理设施的设置明显醒目,以保证过往车辆及行人安全。
6、严格执行安全检查制度。
有时间、有要求、明确重点部位,安检有记录,发现问题隐患应及时整改,做到定人、定时、定措施。
八、文明施工(1)现场布置1、施工现场实行封闭管理施工区周围道路路口处设置警示标志。
2、讲究环境卫生,建筑垃圾、生活垃圾集中堆放、集中运输。
3、施工结束后各种废渣或污染源要清理干净。
九、环保措施(1)施工现场控制噪音和灭尘1、施工现场临时通道干燥易造成尘土飞扬,造成环境污染。
因此应注意用洒水车对道路、临时通道洒水灭尘,保护环境,净化空气,并保持施工通道畅通。
2、车辆通过村镇居民区、闹市时,减速行驶,严禁鸣笛扰民。
(2)对有污染性的沥青施工要求1、沥青熟料运输注意采取覆盖措施,沿途不得洒落。
2、沥青粘层油杜绝跑、冒、滴、漏造成环境污染现象。
3、沥青摊铺余料、切割直边时切下的沥青块料,应集中收回处理,不得随意倾倒,污染农田、水源。