塔里木油田钻井数据手册
- 格式:docx
- 大小:42.82 KB
- 文档页数:6
第一章:基本数据1.1 常用钻具数据1.1.1 塔里木常用钻杆数据表6-1-1 塔里木常用钻杆数据1.1.2 推荐钻杆上扣扭矩表6-1-2 推荐钻杆上扣扭矩1.1.3 塔里木常用钻铤数据表6-1-3 塔里木常用钻铤数据1.1.4 推荐钻铤上扣扭矩1.1.5 塔里木油田常用钻具稳定器表6-1-5 塔里木油田常用钻具稳定器规格与扣型1.1.6 塔里木常用加重钻杆数据1.1.7 塔里木常用方钻杆数据1.1.8 常用接头丝扣数据表6-1-9 石油钻具接头螺纹尺寸表6-1-10 石油钻具接头螺纹正常磨损允许量单位:mm1.1.9 石油钻具接头螺纹名称与现场叫法对照表1.1.10 塔里木油田钻具分级方法表6-1-13 钻杆分级标记表6-1-14 钻杆接头允许最小长度单位:mm表6-1-15 钻杆接头分级数据表6-1-19 钻杆允许直线度(SY/T5369-94)表6-1-20 钻铤允许直线度(SY/T 5369-94)表6-1-21 方钻杆允许直线度(SY/T5369-94)表6-1-22 方钻杆与方补心间隙(SY/T5369-94)1.1.11 螺杆钻具技术参数螺杆钻具命名方式:例:C 5 LZ 172 * 7.0 Ⅱ-D K W F G其中“C”表示:马达形式(C-长马达、D-短马达、K-空气或泡沫马达省略-常规马达)“5”表示:转子头数“LZ”表示:螺杆钻具产品代号“172”表示:螺杆钻具规格(外径,mm)“7.0”表示:允许使用的转子水眼压降(MPa)“II”表示:产品改进次数“D”表示:弯钻具弯角形式:D-单弯(弯接头或弯壳体)P-大偏移距同向双弯(弯接头+单弯壳体)T-同向双弯S-异向双弯(DTU)J-铰接钻具K-可调弯壳体无-直钻具“K”表示:K-可调弯壳体钻具结构形式省略-固定弯壳体钻具结构形式“W”表示:稳定器(W-传动轴壳体带稳定器;省略-不带稳定器)“F”表示:转子中空分流(F-转子中空分流;省略-转子非中空)“G”表示:钻具耐温特性(G-耐温150℃;省略-耐温120℃)1.1.12 Q10Y-M液气大钳扭矩表6-1-26 Q10Y-M液气大钳扭矩表1.2 油管及套管数据1.2.1 API 油管基本数据 API 油管数据见表6-1-27。
使用手册5″×18°非标钻杆使用规程为了适应塔里木钻井的需要,由塔里木油田、西南石油学院等共同开发研制设计,由宝钢、渤海能克钻杆公司生产的5″×9.65mm非标钻杆,现已在塔里木油田通过验收,即将投入试用。
非标钻杆主要特点是优化了过渡带的结构,提高了钻杆防刺漏性能,同时加大了接头水眼尺寸,使水马力能得到充分利用,提高机械钻速。
本手册根据非标钻杆的特性,提供了其性能参数和使用规程以及与普通钻杆的对比说明。
1.非标钻杆几何尺寸图 1 5"×18°非标钻杆结构图2.非标钻杆的性能参数表 1 5"非标钻杆规范性能表 2 5"非标钻杆接头18°斜坡承载能力3.非标钻杆与普通钻杆的比较非标钻杆和普通钻杆相比,主要不同点有:连接螺纹NC52T,接头外径172mm,公接头内径88.9mm,母接头内径为100mm,管体内径106.2mm,其它具体详见下表。
表 2 非标钻杆与普通钻杆的基本参数对照4.非标钻杆现场使用规程为了能在现场得到更好的试用效果、以及将来对效果的评价,我们将对这批钻杆进行跟踪管理,及时收集现场使用资料,望井队密切配合。
非标钻杆的现场使用与管理请遵守以下条例:(1)钻杆到井后,井队应核对每车钻杆的数量,查看护丝是否齐全;(2)从车上卸货后,请将钻杆按内螺纹端朝向钻台方向整齐排列在管架台上,并将护丝戴好,叠放层数不超过4层,层与层之间用垫杠隔离,垫杠上下对齐。
(3)钻杆护丝卸下后应妥善保管,避免摔坏或丢失;(4)钻杆上钻台前螺纹要用清洁溶剂油清洗干净;(5)上下钻台戴好护丝,避免碰坏螺纹;(6)钻杆下井前,其螺纹及台肩部分请涂敷合格的螺纹脂,使用过程中,请注意将螺纹脂加盖存放,避免落进沙粒、泥浆等杂物磨损螺纹;(7)接单根时请注意平稳提放,防止钻杆丝扣的碰伤;(8)上扣时把握好钻杆紧扣扭矩,使用调整好参数的液压大钳,每隔5天校对一次液压大钳压力。
塔里木常用钻井数据一、引言钻井是石油勘探开发过程中的重要环节,通过钻井可以获取地下石油资源的相关数据。
塔里木盆地作为中国重要的油气资源区之一,其钻井数据对于石油勘探开发具有重要意义。
本文将介绍塔里木常用钻井数据的标准格式,包括钻井井号、钻井深度、岩性描述、地层压力、井身直径、钻井液性质等内容。
二、塔里木常用钻井数据的标准格式1. 钻井井号:钻井井号是钻井过程中对不同井口的标识,通常由字母和数字组成。
例如,TLM-001代表塔里木盆地的第一口钻井井口。
2. 钻井深度:钻井深度是指从地表起始点到钻井井底的垂直距离,通常以米为单位。
例如,钻井深度为5000米表示从地表起始点到钻井井底的垂直距离为5000米。
3. 岩性描述:岩性描述是对钻井过程中遇到的地层岩石的性质进行描述。
常见的岩性描述包括砂岩、页岩、泥岩、石灰岩等。
例如,岩性描述为砂岩表示在钻井过程中遇到了砂岩地层。
4. 地层压力:地层压力是指地下地层岩石对钻井井壁施加的压力。
通常以帕斯卡(Pa)为单位。
例如,地层压力为10兆帕表示地下地层岩石对钻井井壁施加的压力为10兆帕。
5. 井身直径:井身直径是指钻井过程中井筒的直径大小。
通常以英寸(inch)为单位。
例如,井身直径为8英寸表示钻井井筒的直径为8英寸。
6. 钻井液性质:钻井液是在钻井过程中用于冷却钻头、控制井底压力和悬浮钻屑的液体。
钻井液的性质包括密度、黏度、过滤损失等。
例如,钻井液密度为1.2克/立方厘米,黏度为50厘帕·秒表示钻井液的密度为1.2克/立方厘米,黏度为50厘帕·秒。
三、塔里木常用钻井数据的应用1. 钻井井号的应用:通过钻井井号可以对不同井口进行标识和管理,方便对钻井过程进行追踪和监控。
2. 钻井深度的应用:钻井深度是评估石油资源储量和勘探开发进展的重要指标。
通过钻井深度可以了解地下地层的分布情况,为石油勘探开发提供重要参考。
3. 岩性描述的应用:岩性描述可以帮助石油勘探人员了解地下地层的岩石性质,为确定油气储层的分布和评价储层的质量提供依据。
塔里木油田常用钻具技术参数查询
(钻井队版)2013-717修改
1、钻杆技术参数
表1 钻杆工作参数
表2 钻杆强度
表4 常用钻杆分级规定
注:1.塔里木油田范围内三级钻杆停用,分级管体壁厚比行标提高3-5个百分点;
2.*表示非标,目前塔里木油田所用的4 "、41/2"、5″、51/2"钻杆均有采用非标制造。
2、铝合金钻杆
表5 铝合金钻杆技术参数
3、方钻杆
表6 方钻杆规范
4、钻铤
表7 钻铤规范
注:螺旋钻铤开排减少4%,闭排=内体积+开排×96%
5、加重钻杆
表8加重钻杆规格尺寸
6、扶正器
表 9 稳定器基本尺寸mm
7、紧扣扭矩
推荐紧扣扭矩
二、其他说明:
1、上表中推荐的钻具螺纹紧扣扭矩单位为KN· m;
2、如液压动力钳配备有KN·m单位的仪表,应该按照KN·m推荐数值紧扣;如液压动力钳未配备有KN·m单位的仪表,可参照Mpa单位紧扣;
3、本体尺寸7"及以下规格钻具严禁使用无任何指示仪表(扭矩、压力)的液压动力钳上卸扣,本体尺寸7"以上钻具应使用带扭矩指示的猫头紧扣;
4、严禁使用未经检验校检的液压动力钳紧扣;
3、液压动力钳扭矩KN.m与压力Mpa单位对照关系:
(1)ZQ100型液压钻杆动力钳KN.m与Mpa对照关系约为6:1;
(2)XQ140 /12YA型油管液压动力钳KN.m与Mpa对照关系为1:1。
8、钻杆扭转圈数
表11 常用钻杆扭转圈数。
钻井数据⼿册三、API套管规范3四、环容数据表五、处理卡钻事故⼯具(四)超级震击器规格七、定向井⼯艺(⼀)、定向井分类:a、按段制分:常规定向井可分为⼆、三、四、五段。
b、按井眼轴线形状分:两维定向井、三维定向井。
c、按井斜⾓分:低斜度定向井:设计最⼤井斜⾓不超过15度中斜度定向井:设计最⼤井斜⾓不超过15度⾄45度之间,⼤斜度定向井:设计最⼤井斜⾓在46度⾄85度之间,⽔平井:设计最⼤井斜⾓在86度⾄120度之间,并沿⽔平⽅向钻进⼀定长度的井。
根据造斜井段的曲率半径⼜可细分为长、中、中短、短四种曲率半径的⽔平井。
(⼆)⼤港螺杆常规钻具规格及性能参数表⼋、API钻具技术参数九、现场常⽤计算公式(⼀)钻井液循环⼀周所需时间T=(V井—V柱)/60×QV井——井筒容积,升;V 柱——钻柱体积,升; Q ——钻井液排量,升/秒;T ——循环⼀周的时间,分。
(⼆)配制1m 3⽔泥浆需要的⼲⽔泥量 T=ρc x(ρS —1)/(ρc —1)ρc ——⼲灰密度,g/cm 3;ρS ——⽔泥浆密度,g/cm 3。
(三)配制1m 3⽔泥浆需要的⽔量V=(ρc —ρS )/(ρc —1)(四)稀释公式Q 1=Q O ×(1—Z/X)Q 1——清⽔⽤量,吨;Q O ——已配制的酸液量,吨; X ——已配制的酸浓度; Z ——施⼯需要酸液量。
(五)注解卡浆最⾼压⼒计算:p (Max)=P(单泵压⼒)+0.01(r 泥浆-r 解卡剂)×解卡剂⾼度(六)卡点计算:L=K(e/p)L ——卡点深度,⽶E ——钻杆连续提升时平均伸长,厘⽶P ——钻杆连续提升时平均拉⼒,吨 K ——计算系数(七)动态起压时间计算:设管内外压⼒平衡时,管内泥浆液柱⾼度为H im+-+-=VCC C Hc m c i im P H ρρ001001 QH C T im i ?=式中 H im —管内泥浆液柱⾼度,m ;H —套管下深,m ;C i —套管内每⽶容积,m 3/m ;C o —平均环空每⽶容积,m 3/m ;ρc —⽔泥浆密度,g/cm 3;ρm —泥浆密度,g/cm 3;V c —注⽔泥浆量,m 3;Q —顶替排量,m 3/min ; T —起压时间,min ; Δp —循环压耗,MPa ;循环压耗Δp 采⽤经验公式:(当Δp=0时,计算结果为静态起压时间)当套管下深<1000m 时: Δp=0.0981(0.01H)+0.8(MPa )当套管下深5000m >H >1000m 时: Δp=0.0981(0.01H)+1.6(MPa )(⼋)环空液柱压⼒当量密度(ρm )的计算:设井深为H ;环空中前置液的⾼度为H 前;前置液的密度为ρ前;⽔泥浆的⾼度为H ⽔泥;⽔泥浆的密度为ρ⽔泥;泥浆的密度为ρ泥浆;则()H H H H H Hm前泥浆泥浆前前⽔泥⽔泥--+?+?=ρρρρ注:ρρ为地层破裂压⼒当量密度ρ0为地层孔隙压⼒当量密度在固井设计过程中ρm 应满⾜:ρP >ρm >ρo(九)套管在⾃重作⽤下的伸长:△L=(7.854—r 泥)/4 xL 2x10-7r 泥—泥浆⽐重△L —⾃重伸长,⽶ L —套管原有长度,⽶⼗、钻头系列(⼆)、钻头附加结构特征代号:代号附加结构特征C 中⼼喷嘴。
第一章:基本数据1.1 常用钻具数据1.1.1 塔里木常用钻杆数据表6-1-1 塔里木常用钻杆数据1.1.2 推荐钻杆上扣扭矩表6-1-2 推荐钻杆上扣扭矩1.1.3 塔里木常用钻铤数据表6-1-3 塔里木常用钻铤数据1.1.4 推荐钻铤上扣扭矩1.1.5 塔里木油田常用钻具稳定器表6-1-5 塔里木油田常用钻具稳定器规格与扣型1.1.6 塔里木常用加重钻杆数据1.1.7 塔里木常用方钻杆数据1.1.8 常用接头丝扣数据表6-1-9 石油钻具接头螺纹尺寸表6-1-10 石油钻具接头螺纹正常磨损允许量单位:mm1.1.9 石油钻具接头螺纹名称与现场叫法对照表1.1.10 塔里木油田钻具分级方法表6-1-13 钻杆分级标记表6-1-14 钻杆接头允许最小长度单位:mm表6-1-15 钻杆接头分级数据表6-1-19 钻杆允许直线度(SY/T5369-94)表6-1-20 钻铤允许直线度(SY/T 5369-94)表6-1-21 方钻杆允许直线度(SY/T5369-94)表6-1-22 方钻杆与方补心间隙(SY/T5369-94)1.1.11 螺杆钻具技术参数螺杆钻具命名方式:例:C 5 LZ 172 * 7.0 Ⅱ-D K W F G其中“C”表示:马达形式(C-长马达、D-短马达、K-空气或泡沫马达省略-常规马达)“5”表示:转子头数“LZ”表示:螺杆钻具产品代号“172”表示:螺杆钻具规格(外径,mm)“7.0”表示:允许使用的转子水眼压降(MPa)“II”表示:产品改进次数“D”表示:弯钻具弯角形式:D-单弯(弯接头或弯壳体)P-大偏移距同向双弯(弯接头+单弯壳体)T-同向双弯S-异向双弯(DTU)J-铰接钻具K-可调弯壳体无-直钻具“K”表示:K-可调弯壳体钻具结构形式省略-固定弯壳体钻具结构形式“W”表示:稳定器(W-传动轴壳体带稳定器;省略-不带稳定器)“F”表示:转子中空分流(F-转子中空分流;省略-转子非中空)“G”表示:钻具耐温特性(G-耐温150℃;省略-耐温120℃)1.1.12 Q10Y-M液气大钳扭矩表6-1-26 Q10Y-M液气大钳扭矩表1.2 油管及套管数据1.2.1 API 油管基本数据 API 油管数据见表6-1-27。
油田井下作业必备技术数据实用手册引言油田井下作业是石油勘探与开发的重要环节,涉及到复杂的技术和数据。
为了提高作业效率和安全性,必须掌握一系列的技术数据。
本手册旨在为从事油田井下作业的工程师和技术人员提供必备的技术数据参考,帮助他们更好地完成井下作业任务。
一、井下作业工具及设备1. 钻井工具:包括钻头、钻柱、钻杆等,以及配套使用的钻具接头等。
2. 下套管工具:用于安装和回收套管的工具,如套管夹、套管钳等。
3. 测井工具:用于测量地下油气层的性质和井筒的物理参数,如电阻率测井仪、声波测井仪等。
4. 压裂工具:用于进行压裂作业,如压裂管、阻流器等。
5. 固井工具:用于固定井眼壁,封堵井眼间隙,如固井泥浆、固井胶等。
6. 注水工具:用于注入水以维持油井压力,如注水管、水泵等。
二、井下作业常用技术数据1. 井深数据:包括井身总深度、井口标高、井眼内径等。
2. 钻柱参数:包括钻杆规格、钻柱长度、钻杆数目等。
3. 钻头参数:包括钻头稳定器直径、钻头类型、钻头型号等。
4. 下套管参数:包括套管规格、套管长度、套管材质等。
5. 测井参数:包括测井仪器类型、测井测量点数、测井深度范围等。
6. 压裂参数:包括压裂管直径、压裂液配方、压裂压力等。
7. 固井参数:包括固井泥浆密度、固井胶用量、固井温度等。
8. 注水参数:包括注水量、注水泵功率、注水压力等。
三、技术数据的应用1. 设计井下作业方案:根据井深数据、钻柱参数、钻头参数等,结合具体的井下作业要求,合理设计井下作业方案。
2. 选择合适的设备和工具:根据井下作业的需求和技术数据,选择适合的钻具、下套管工具、测井工具等。
3. 控制井下作业参数:通过掌握井深数据、压裂参数、固井参数等,实时监控和调整井下作业参数,确保作业的顺利进行。
4. 评估井下作业效果:根据井下作业的技术数据和实际效果,评估作业的效果,为后续工作提供参考。
结论油田井下作业必备技术数据是进行油田井下作业的关键参考,能够有效指导和优化井下作业的过程和效果。
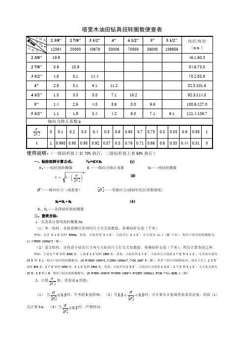
塔里木油田钻具扭转圈数便查表使用说明:(一级钻杆按上表70%执行,二级钻杆按上表60%执行)一、钻柱扭转计算公式: N K =K×N O (1)N k -—钻柱扭转圈数 K -—轴向力修正系数 N O -—纯扭转圈数2][1⎟⎟⎠⎞⎜⎜⎝⎛−=σσk (2)σ——轴向应力(或悬重) ][σ——屈服应力(或钻杆抗拉屈服强度)N O =N 1﹢N 2 (3)N 1、N 2-—各段钻杆扭转圈数二、查表方法:1、先查表计算纯扭转圈数No(1)单一钻杆,直接查横行竖列同尺寸交叉处数值,再乘钻杆长度(千米)例如:全井 3 1/2"钻杆5000m,查表:小钻具列 3 1/2",大钻具行 3 1/2",交叉处为14.4(圈/千米),则井口钻具扭转圈数为:14.4*5000/1000=72(圈)。
(2)复合钻柱,分段查小钻具尺寸列与大钻具尺寸行交叉处数值,再乘钻杆长度(千米),然后计算各段之和。
例如:下部2 7/8"钻杆3000米,上部3 1/2"钻杆2500米,查表:小钻具列2 7/8",大钻具行分别查2 7/8"和3 1/2",交叉处分别为15.9和8.1,则井口钻具扭转圈数为:15.9*3000/1000+8.1*2500/1000=47.7+20.2=67.9(圈)。
若有三段不同规格钻具,如从下至上2 3/8"钻杆600米,2 7/8"钻杆3000米,3 1/2"钻杆2500米,查表:小钻具列2 3/8",大钻具行分别查2 3/8"、2 7/8"和3 1/2",交叉处分别为19.9、8.9和4.6,则井口钻具扭转圈数为:19.9*600/1000+8.9*3000/1000+4.6*2500/1000=11.9+26.7+11.5=50.1(圈)2、计算][σσ值,查表求k 的值: (1) 当5.0][≤σσ时,不考虑K 值影响; (2)当8.0][5.0<<σσ时,可计算出k 值或查表求其近值,再按(1)式计算N k。
附录 B(规范性附录)原始记录封面格式原始记录封面格式见图B.1单位:mm注:记录名称用黑体字,其余文字为宋体字,数字为Times new roman,所有文字居中排列。
图B.1 原始记录封面格式附录 C(规范性附录)原始记录格式原始记录格式见表C.1~C.15。
表C.1 录井综合记录填写人:审核人:第页表C.2 岩屑描述记录描述人:审核人:第页表C.3 钻井取心描述记录第筒:取心井段m~ m,进尺m,岩心长m,收获率%,层位:含油气情况:饱含油:m,富含油:m,油浸:m,含水油浸:m,油斑:m,含水油斑:m,油迹:m,含水油迹:m,荧光:m,含水荧光:m,含气:m,含水含气:m,累计含油气岩心长度:m。
描述人:审核人:第页表C.4 井壁取心描述记录取心时间:作业单位:取心方式:设计颗,实取颗,成功率%;完整颗,不完整颗。
描述人:审核人:第页表C.5-1 热解分析记录(烃源岩)仪器型号:审核人:第页表C.5-2 热解分析记录(储集岩-三峰分析法)仪器型号:审核人:第页表C.5-3 热解分析记录(储集岩-五峰分析法)仪器型号:审核人:第页表C.6 非碎屑岩岩心缝洞统计表填表人:审核人:第页表C.7 地层压力监测数据表填表人:审核人:第页表C.8 三维定量荧光分析记录仪器型号:审核人:第页表C.9 碳酸盐含量分析记录审核人:第页表C.10 泥(页)岩密度分析记录表审核人:第页表C.11 钻井液热真空蒸馏气分析记录审核人:第页表C.12 后效气检测记录审核人:第页表C.13-1 套管记录记录人:审核人:第页表C.13-2 套管记录扉页格式第页填写说明:字体:采用四号字,“套管数据”用黑体,其余用宋体。
规格:框线代表A4纸范围:297mm×210mm(不另加框线)。
类型:填写表层套管、技术套管(包括尾管、回接管)、油层套管(包括尾管、筛管、回接管)三大类。
如下多层技术套管,可填写技术套管(一)、技术套管(二)……等,如第三层技术套管为尾管,其类型可填为:技术套管(三)—尾管,其后回接管可填为:技术套管(三)—回接管;油层套管多于一层的也可参照多层技术套管格式填写。
塔里木油田常用钻具技术参数查询
(钻井队版)2013-717修改
1、钻杆技术参数
表1 钻杆工作参数
表2 钻杆强度
表3 钻杆接头尺寸和扣型
表4 常用钻杆分级规定
注:1.塔里木油田范围内三级钻杆停用,分级管体壁厚比行标提高3-5个百分点;
2.*表示非标,目前塔里木油田所用的4 "、41/2"、5″、51/2"钻杆均有采用非标制造。
2、铝合金钻杆
表5铝合金钻杆技术参数
3、方钻杆
表6 方钻杆规范
4、钻铤
表7 钻铤规范
注:螺旋钻铤开排减少4%,闭排=内体积+开排×96%
5、加重钻杆
表8加重钻杆规格尺寸
6、扶正器
表9 稳定器基本尺寸mm
7、紧扣扭矩
推荐紧扣扭矩
二、其他说明:
1、上表中推荐的钻具螺纹紧扣扭矩单位为KN· m;
2、如液压动力钳配备有KN·m单位的仪表,应该按照KN·m推荐数值紧扣;如液压动力钳未配备有KN·m单位的仪表,可参照Mpa单位紧扣;
3、本体尺寸7"及以下规格钻具严禁使用无任何指示仪表(扭矩、压力)的液压动力钳上卸扣,本体尺寸7"以上钻具应使用带扭矩指示的猫头紧扣;
4、严禁使用未经检验校检的液压动力钳紧扣;
3、液压动力钳扭矩KN.m与压力Mpa单位对照关系:
(1)ZQ100型液压钻杆动力钳KN.m与Mpa对照关系约为6:1;
(2)XQ140 /12YA型油管液压动力钳KN.m与Mpa对照关系为1:1。
8、钻杆扭转圈数
表11 常用钻杆扭转圈数。
井下作业实用数据手册【实用版】目录一、井下作业实用数据手册概述二、手册的内容特点三、作者介绍四、出版信息五、手册的价值和使用建议正文一、井下作业实用数据手册概述《井下作业实用数据手册》是一本针对石油行业井下作业领域的工具书,旨在为从事井下作业的工程师、技术人员及其他相关人员提供实用的数据参考。
该手册由白玉和王俊亮编著,于 2007 年由石油工业出版社出版。
二、手册的内容特点《井下作业实用数据手册》内容丰富,主要包括以下几个方面:1.井下作业基本概念和原理:手册介绍了井下作业的基本概念、原理和相关术语,为读者提供了基本的理论知识。
2.井下作业设备与工具:手册详细介绍了井下作业中常用的设备和工具,包括钻头、钻杆、钻机、泵等,并对其性能参数进行了详细列举。
3.井下作业技术参数:手册提供了井下作业中涉及的各种技术参数,如钻井液性能、钻井速度、钻压等,帮助读者更好地掌握井下作业的技术要求。
4.井下作业安全规程:手册梳理了井下作业中的安全规程和措施,提醒读者在实际操作中注意安全。
5.井下作业案例分析:手册选取了典型的井下作业案例,对施工过程、技术难点、解决方案等进行了详细分析,为读者提供了实践参考。
三、作者介绍《井下作业实用数据手册》的作者是白玉和王俊亮。
白玉具有丰富的石油行业经验,曾参与多个井下作业项目;王俊亮则是一位资深的钻井技术专家,在钻井领域有着深厚的研究基础。
四、出版信息书名:井下作业实用数据手册作者:白玉,王俊亮出版社:石油工业出版社出版日期:2007 年定价:未提供五、手册的价值和使用建议《井下作业实用数据手册》是一本极具价值的参考书,可供石油行业从事井下作业的工程师、技术人员及其他相关人员使用。
在实际工作中,读者可以根据需要查阅相关内容,以解决实际问题。
同时,手册也可以作为培训教材,帮助新入行的人员快速掌握井下作业的知识和技能。
使用建议:在阅读手册时,建议读者结合实际工作场景,深入理解井下作业的原理和方法。
塔里木油田常用钻具技术参数查询(钻井队版)2013-717修改1、钻杆技术参数表1 钻杆工作参数表2 钻杆强度表3 钻杆接头尺寸和扣型″″17 /″″/ 5 非标 54 55 ″″″″″非标″31177公称尺寸 2 2 3 /4 / / / 2 /2888822.表4 常用钻杆分级规定金 1168720 4060 42 60130 3553 28140 996 D16T 147注:1.塔里木油田范围内三级钻杆停用,分级管体壁厚比行标提高3-5个百分点;11/钻杆均有采用非标制造。
、5″、42.*表示非标,目前塔里木油田所用的?、5/222、铝合金钻杆表5 铝合金钻杆技术参数、方钻杆3.6 方钻杆规范表 4、钻铤钻铤规范表796%开排×内体积,闭排注:螺旋钻铤开排减少4%=+、加重钻杆5.表8加重钻杆规格尺寸6、扶正器7、紧扣扭矩推荐紧扣扭矩二、其他说明:1、上表中推荐的钻具螺纹紧扣扭矩单位为KN· m;2、如液压动力钳配备有KN·m单位的仪表,应该按照KN·m推荐数值紧扣;如液压动力钳未配备有KN·m单位的仪表,可参照Mpa单位紧扣;3、本体尺寸尷及以下规格钻具严禁使用无任何指示仪表(扭矩、压力)的液压动力钳上卸扣,本体尺寸尷以上钻具应使用带扭矩指示的猫头紧扣;4、严禁使用未经检验校检的液压动力钳紧扣;3、液压动力钳扭矩与压力Mpa单位对照关系:(1)ZQ100型液压钻杆动力钳与Mpa对照关系约为6:1;(2)XQ140 /12YA型油管液压动力钳与Mpa对照关系为1:1。
8、钻杆扭转圈数常用钻杆扭转圈数11 表.。
塔里木油田钻井井控实施细则为进一步贯彻集团公司《石油与天然气钻井井控规定》,有利于塔里木油田井控工作的开展,杜绝井喷失控事故的发生,特制订本细则。
一、总则第一条井控技术是保证石油天然气钻井安全的关键技术。
做好井控工作,有利于发现和保护油气层,有效地防止井喷、井喷失控及着火事故的发生。
第二条井喷失控是钻井工程中性质严重、损失巨大的灾难性事故。
一旦发生井喷失控,将打乱正常的生产秩序,使油气资源受到严重破坏,造成环境污染,还易酿成火灾、人员伤亡、设备损坏甚至油气井报废。
第三条井控工作是一项系统工程。
塔里木油田的勘探、开发、钻井、技术监督、安全、环保、物资、装备、培训以及钻井承包商和相关服务单位,必须高度重视,各项工作必须有组织地协调进行。
第四条本细则包括井控设计、井控装备、钻开油气层前的准备工作、钻开油气层和井控作业、防火防爆防H2S措施和井喷失控的处理、井控技术培训以及井控九项管理制度等十个方面。
第五条本细则适用于塔里木油田钻井井控工作。
二、井控设计第六条井控设计是钻井、地质工程设计中的重要组成部分。
钻井生产应先设计后施工,坚持无设计不能施工的原则。
井控设计主要包括以下内容:1.对井场周围2km范围(以井口为中心、2km为半径)内的居民住宅、学校、厂矿(包括开采地下资源的矿业单位)进行勘查并在钻井地质设计中标注说明。
特别需标注清楚诸如煤矿等采掘矿井坑道的分布、走向、长度和离地表深度,在钻井工程设计中明确相应的井控措施。
2.油气井井口距高压线及其它永久性设施应不小于75m;距民宅应不小于100m;距学校、医院和大型油库等人口密集性、高危性场所应不小于500m。
3. 钻井地质设计提供全井段的地层孔隙压力梯度、地层破裂压力梯度预测曲线、地层坍塌压力曲线,生产井分层动态压力以及浅气层、邻井资料及周围注气注水情况,提供含硫地层及其深度和预计H2S含量。
4.满足井控要求的钻前工程及合理的井场布局。
井场布局应满足放喷管线的安装需要,放喷管线应接到放喷池;一般不允许道路从后场进入;含H2S地区井场布局应考虑H2S防护的需要。