脉冲除尘器说明书
- 格式:doc
- 大小:136.00 KB
- 文档页数:6
脉冲除尘器使用说明
一、启动
1.打开电源开关至ON,电源指示红灯亮,风机OFF待机红灯亮。
2确定逆欠相指示灯不亮,故障指示灯不亮,电压表指示为380伏。
3.按下风机开关ON,下料转换开关开至自动,绿灯亮,十五秒钟内启动完成,运行
指示绿灯亮,机器处于自动运转状态.
二、关机
1.按下风机开关OFF,运行指示绿灯熄灭,OFF待机红灯亮。
2.关闭电源开关至OFF,电源指示灯熄灭,关闭逆洗开关.
三、注意事项
1.连续启动不可超过两次。
2.启动十五秒钟后,运转指示绿灯不亮,须关机重新启动或报告上级处理。
3.启动后,检查电流表指示小于马达额定电流,有无异常声音。
4.检查集尘机三点组合、气压表气压是否正常,是否有间隔的排气声
5.集尘机储气罐气压压力是否正常,集尘机之储气罐每天排水一次。
四、脉冲集尘机保养与维护
以下规则,每星期维护一次:
1.风机轴承注油口加注优质润滑脂(如马达传动方式是直接式则可省略)。
2.打开风机检查盖,清理机内杂物,清除叶轮上的污垢,以确保叶轮平衡工作。
3.传动带是否松动(如马达传动方式是直接式则可省略),风机螺丝有无松动现象。
4.电动机必须保持清洁。
5.压差表压力差是否太大,如果太大则应即时检查集尘机内部及布袋是否有堵塞,
如有则清理之。
1。
DMC脉冲型布袋除尘器说明书泊头市蓝天环境保护设备制造有限责任企业DMC脉冲型布袋除尘器阐明书一、概述DMC型脉冲单机布袋除尘器是我企业消化吸取国外同类产品先进技术经改善后设计而成旳小型布袋除尘器,该类除尘器是采用高压(0.4-0.6MPa)大流量脉冲阀逐条滤袋喷吹清灰旳技术,与国内其他单机相比,具有清灰动能大,清灰效率高旳特点。
并且体积小,重量轻构造简单紧凑、安装轻易、维护以便(外滤式),广泛用于建材、冶金、矿山、煤炭、非金属矿超细粉加工等行业旳含尘气体净化处理系统,是环境保护除尘旳理想设备。
二、工作原理含尘空气由进风口进入除尘器箱体内,细小粉尘由于滤袋旳多种效应作用,被阻滞在滤袋外壁。
净化后旳气体通过滤袋经文式管从上箱体出风口排出。
伴随使用时间旳增长,滤袋表面吸附旳粉尘增多,滤袋旳透气性减弱,使除尘器阻力不停增大。
为保证除尘器内部旳阻力控制在限定旳范围之内,由脉冲控制仪发出信号,循序打开电磁脉冲阀,使气包内旳压缩空气由喷吹管各喷孔喷射到对应旳文式管(称为一次风),压缩空气通过文氏管加速产生旳引射力诱导周围旳清洁空气(称为二次风,相称于高压气流体积旳5-7倍)高速喷入滤袋,使滤袋以100m/s2旳加速度瞬间急剧鼓胀,由于反向脉冲气流旳冲击作用很快消失,滤袋又急剧收缩,这样产生旳振荡将贴附在滤袋过滤面上旳粉尘剥离下来。
落下旳灰尘经排尘系统排出。
三、构造及性能该除尘器构造采用原则模块设计,其基本构造由三大部分构成。
其中包括:1. 箱体:包括袋室、净气室、多孔板、滤袋、骨架、检修门。
2.喷吹系统:包括脉冲控制仪、电磁脉冲阀、喷吹管、气包。
3.进气排灰部分有两种形式:一种为标准带灰斗式,另一种为敞开法兰式。
DMC脉冲袋式除尘器目前有24袋和36袋两种基本形式。
根据处理气量旳不一样可以组合成多种处理气量旳除尘设备,如、24袋、36袋、48袋、60袋、96袋120袋……等。
为顾客选型提供了非常以便旳条件。
脉冲除尘器操作说明书脉冲除尘器操作说明书篇一:脉冲除尘器使用说明书脉冲袋式除尘器使用说明书一、ML-15脉冲反吹式除尘器是针对水泥搅拌站、钢厂、火力发电厂灰库、沥青搅拌站专门设计的高效净化专用设备,它采用了先进的清灰技术,具有气体处理能力大,净化效果好,结构简单,工作可靠,维修量小等优点。
在结构设计上已考虑到了其布置特点,由于产品密封性好,故可露天布置。
图片已关闭显示,点此查看三、工作原理含尘气体由进风口进入除尘器箱体内,细小尘粒由于滤袋的多种效应作用,被滞阻在滤袋外壁。
净化后的气体通过滤袋上箱体出风口排出。
随着使用时间的增长,滤袋表面吸附的粉尘增多,滤袋的透气性减弱,使除尘器阻力不断增大。
为保证除尘器的阻力控制在限定的范围之内,由脉冲控制仪发出信号,循序打开电磁脉冲阀,使气包内的压缩空气由喷吹管各喷孔喷射到滤袋(称为一次风),造成滤袋间急剧膨胀,由于反向脉冲气流的冲击作用很快消失,滤筒又急剧收缩,这样使积附在滤袋外壁上的粉尘被清除。
落下的灰尘进入灰库。
由于清灰是轮流向几组滤袋分别进行,并不切断需要处理的含尘空气,所以在清灰过程中,除尘器的处理能力不变。
喷吹系统简况:喷吹系统的组成,脉冲阀A端接压缩空气气包,B端接喷吹管,脉冲阀背压式控制阀、控制动作由控制仪发出指令。
在控制仪无信号输出时,控制阀的活动铁芯封住排气口,脉冲阀处于关闭状态。
当控制仪发出信号时,控制阀将脉冲背压室与大气相通,脉冲阀开启,压缩空气由气包通过脉冲阀经喷吹管小孔喷进滤袋,造成滤袋内瞬时正压,实现清灰。
四、主要配件1.脉冲控制仪脉冲控制仪是电脉冲除尘器的主要控制装置。
它输出的信号控制电磁脉冲阀,喷吹的压缩空气对滤袋循序清灰,使除尘器的阻力保持在设定的范围内,以保证除尘器的处理能力和除尘效率。
(连接方法,请参考脉冲控制仪使用说明书)五、安装过程1、除尘器设备起吊时,应注意避免碰损箱体及配件。
灌顶孔径必须小于除尘器。
并焊接在储灰灌顶。
除尘器使用说明书目录1.概述 (3)2.功能 (3)3.设置及调整 (3)4.操作 (4)5.注意事项 (6)6.故障及排除 (7)7、安装及装配图 (7)8、控制器 (7)一、概述●广州宏达设计旳脉冲式布袋除尘器特点:●脉冲喷吹清灰系统, 采用宁波可尔可旳控制仪及脉冲阀门除尘器体构造, 采用原则模板焊接, 整体构造, 强度牢固, 组装维修以便二、功能●脉冲清灰采用时序控制器MCY系列控制阀门KEK系列, 喷吹清灰频率及喷吹间隔可手/自动设置具差压显示和差压远程信号, 压差值范围为:0~5000PA三、设置及调整1)、膜片阀旳动作时间, 出厂设定在0.15秒~0.25秒之间, 当调试完毕后一般不需要再调整。
如有特殊状况需要, 请专业人员进行调整。
2)、膜片阀旳动作间隔时间, 由厂商依运转特性经验先假设设定(一般值约60S~120S)初值, 试车运转时, 依实际运转状况, 调整最合适之时间值。
3)、气包压力表使用时要调整压力至0.3~0.4Mbar, 依实际运转状况, 调整最合适之压力值。
4)、差压变送器4-20mmADC输出, 需设置4个功能点: 1200Pa关注点, 1800Pa调整点, Pa报警更换点, 2500Pa必须停机检查;运转后如有下列状况请调整:1)当压损超过1800Pa时(请先确认除尘系统与否正常运转状况下)请渐进调整, 缩短时间120~115~110~105 ······, 或调整喷气压力(0.2Mbar~0.5Mbar), 观测压损与否减少(可视情形调整压差1000~1500Pa之间);2)、当调整时间及喷气压力无法使压损低于Pa时表达滤袋须考虑更换;3)、当无法使压损低于2500Pa时, 则表达滤袋须立即更换。
否则会导致滤袋破损, 导致污染排放。
四、操作● 4.1.操作前之确认●滤袋固定与否完整;●本体内异物与否清除;●顶部上盖与否封闭;●压缩空气与否正常;●空气滤清器排水。
脉冲袋式除尘器操作手册一、设备简介脉冲袋式除尘器是一种高效、可靠的除尘设备,广泛应用于工业粉尘治理领域。
该设备通过过滤袋将含尘气体中的粉尘颗粒捕集,达到净化空气的目的。
二、工作原理脉冲袋式除尘器的工作原理可以分为以下几个步骤:1.含尘气体进入除尘器后,通过滤袋的过滤作用,粉尘颗粒被阻留在滤袋表面。
净化后的气体从滤袋中排出,达到除尘效果。
2.随着粉尘在滤袋表面不断积累,滤袋的阻力和压差逐渐增加。
当压差达到预设值时,需要进行清灰操作。
3.清灰系统开始工作,通过脉冲阀向滤袋内喷入高压空气,使滤袋产生振动和冲击,使附着在滤袋表面的粉尘脱落。
落下的粉尘通过排灰口排出。
三、操作步骤1.开机前检查:检查除尘器各部件是否完好,检查电气线路是否正常,确保设备处于安全状态。
2.启动操作:启动除尘器主电机,观察设备运行是否正常。
检查各阀门是否处于正确位置,确保含尘气体能够顺利进入除尘器。
3.运行监控:在除尘器运行过程中,要定期检查设备的运行状况,如压差、进出口温度等参数。
如发现异常情况,应及时处理。
4.停机操作:在停机前,先关闭进气阀门,将除尘器内的粉尘排出。
然后关闭主电机,断开电源。
四、维护与保养1.定期检查:定期对除尘器进行检查,包括滤袋、脉冲阀、排灰口等部位,确保设备处于良好状态。
2.清洁保养:定期对除尘器进行清洁保养,包括清除滤袋上的粉尘、清洗进气口和排气口等。
同时,保持设备内部的干燥和清洁。
3.更换滤袋:当滤袋磨损严重或破损时,应及时更换。
更换滤袋时,应选择与原型号相同或相近的滤袋,以保证设备的正常运行。
4.检查电气线路:定期检查除尘器的电气线路是否正常,如有破损或老化现象应及时处理。
5.记录与报告:对设备的运行状况进行记录,包括运行时间、压差、进出口温度等参数。
如发现异常情况,应及时报告并处理。
五、安全注意事项1.在操作过程中,应避免对设备进行过度负压操作,以免损坏设备或影响除尘效果。
2.在清理粉尘时,应使用适当的工具和防护措施,防止粉尘飞扬或对人员造成伤害。
APWM系列脉冲袋式除尘机组MAI CHONG DAI SHI CHU CHEN JI ZHU安装使用维护保养说明书一、概述:APWM型脉冲袋式除尘机组是在我公司生产的MC型喷吹脉冲除尘机组的基础上引进国外先进技术改制而成,它具有操作简单、净化效率高、处理气体能力大、性能稳定、维修工作量小等优点,广泛应用于电力、冶金、化工、机械、建材等行业。
二、技术性能:本除尘机组由进气室、排灰室、过滤室、净气室、风机、及喷吹清灰装置等部分组成。
本除尘机组工作原理为:当含尘气体经过风口进入过滤室自外向内通过滤袋,粉尘被阻留在滤袋的外表面,净气进入袋内和净气室从出风口排入大气。
当滤袋表面的粉尘不断增加,导致设备阻力升到设定值时,微差压控制器有信号输出,控制仪便发出信号使喷吹系统工作。
压缩空气经输出管喷出,以音速由引射器向下喷射,在引射器的上部形成一定的真空,净气室内的部分空气被诱导进来(称为二次气流),将粘附在滤袋外及纤维间的粉尘吹落下来,使滤袋得到清扫。
清离的粉尘落至排灰口排出,喷吹结束后滤袋又处于过滤状态。
四、除尘机组外形尺寸和基础尺寸:1、APWM-50A型脉冲袋式除尘机组外形图(装配型式一)见附图一。
2、APWM-50A型脉冲袋式除尘机组外形图(装配型式二)见附图二。
五、电控柜外形尺寸及其接线图:1、APWM-50A型脉冲袋式除尘机组电器原理图见附图三。
2、APWM-50A型脉冲袋式除尘机组端子图见附图四。
六、安装与调试1、安装(1)APWM型脉冲袋式除尘机组的安排顺序如下:(1)除尘器基础(2)底部钢结构(3)灰斗(4)箱体(5)输灰系统(7)清灰装置及其气包(8)压差系统(9)油漆(10)滤袋(11)袋笼。
(2)APWM型脉冲袋式除尘机组的安装需符合《袋式除尘器安装技术要求与验收规范》(JB/T8471-96)2、安装注意事项(1)安装前请先仔细阅读本说明书及提供的图纸资料,并按发货(箱、件)清单检查零部件的数量及质量,如有问题应及时处理或与我公司联系。
DMC型脉冲单机袋式除尘器用户手册一.概述在整个水泥生产过程中,主要的污染源均有专用的除尘设备,但生产线上的许多局部尘源至今还没有合适的除尘设备,最近几年中、小水泥厂节能技术改造工程,老厂改造和新建水泥厂都涉及到局部尘源(如破碎、皮带机转运处、库顶、库底、散装等处)除尘问题,无合适的除尘设备可供选用。
水泥生产局部尘源点多面广,直接影响工人操作和设备的维护,浪费原、燃材料,因此,单机袋式除尘机组是专为水泥厂库顶、库底、皮带输送等局部尘源的除尘而设计的。
也可以用于其它行业的局部尘源除尘。
它具有体积小,处理风量适中,结构紧凑,使用方便可靠等优点。
早在二十世纪八十年代初(在引进美国FUI1er技术之前),对国内各水泥厂的局部尘源进行了大量的调查,并对国内水泥行业使用的单机除尘机组所存在的问题进行了研究。
许多水泥厂的库顶、皮带机转运点、库底等处采用HD、P1.11C›1Y>FC1/D、1D等型号的单机除尘机组,这些机组主要特点为体积小,单位体积处理风量大,过滤风速高,结构紧凑,但不适用于水泥行业处理高浓度含尘废气,清灰机构故障率高。
DMC系列脉冲喷吹单机袋式除尘器是在借鉴国内外先进的除尘技术一PUISe-Jet”(脉冲一射流)袋式除尘器的基础上,设计出的又一新型单机袋式除尘器。
该单机袋式除尘器清灰能力强,特别适用于分散的小风量扬尘点的除尘,选型和工艺布置比较简单,可直接处理高浓度含尘废气,提高了机组的适应能力。
作为一级局部尘源除尘设备,可广泛用于水泥输送设备(如皮带输送机、提升机、输送斜槽、链板机、拉链机等处的局部尘源)转运点及各种库(如均化库、水泥库顶、库底)。
DMC系列脉冲喷吹单机袋式除尘器除具备其它单机除尘机组的优点外,还具有以下优点:1、在线清灰(与摇动式单机除尘机组相比,无需停风机清灰);2、造价低廉;3、用途更加广泛。
对于连续工作场合如:皮带输送转运点、库顶、库底、小型磨机、破碎机、提升机等,特别是对于安装空间小,没有换袋空间的场合,DMC系列脉冲喷吹单机袋式除尘器是用户更加理想的选择。
FCMC系列分室脉冲布袋除尘器安装使用说明书无锡晟锋环保设备有限公司目录一、概述 (1)二、基础设计及复测 (5)三、除尘器的安装 (5)四、风机及非标连接 (9)五、保温及涂漆 (10)六、电气控制及操作方法 (11)七、调试及运行的维护保养 (12)一、概述FCMC系列分室脉冲袋式除尘器结合我国实情研制开发的新型高效袋式除尘设备,它集分室反吹和脉冲喷吹袋式除尘器的优点为一体,克服了分室反吹的清灰动能不足,喷吹脉冲的清灰与过滤同时进行的缺陷,扩大了袋式除尘设备的应用范围。
该产品集国内外同类产品的优点,结合我司环保专利技术,有效地提高了分室脉冲袋除尘器的除尘效率及运行可靠性,延长了滤袋的使用寿命,降低了操作人员的劳动强度,成为企业保护环境的最佳伙伴。
FCMC系列分室脉冲袋式除尘器正以其卓越的性能服务于铸造、冶金、机械、电力、建材、矿山、水泥、化工等各行各业,为消除粉尘污染,维护企业形象,保护环境正日益发挥其独特的作用。
1、FCMC系列除尘器的产品特点(1)适应高浓度除尘。
如O-Sepa选粉机,其粉磨系统气体含尘浓度高达3,FCMC1000g/Nm型分室脉冲袋式除尘器可直接进行处理,无需设置如旋风除尘器等一级除尘器设备。
(2)采用“滤袋自锁密封装置”专利技术,提高了设备与滤袋间的密封性,提高了除尘效率。
(3)采用分室结构,从而降低了设备的局部阻损,并免除了安装滤袋不方便等问题。
(4)电磁脉冲阀采用双膜片结构,具有控制灵敏,效率高,寿命长等优点。
2、结构及工作原理(1)结构FCMC型分室脉冲袋式除尘器主要由底部钢结构、灰斗、上箱体、箱体、进出风口、滤袋、清灰装置、电气控制等几部分组成。
另外还可根据实际情况在灰斗外壁配置仓壁振动器、灰斗落料口配置卸灰阀或螺旋输送机等卸灰装置。
(2)工作原理过滤原理:含尘气体由进风口进入,经过灰斗时,气体中部分大颗粒粉尘受惯性力和重力作用被分离出来,直接落入灰斗底部。
含尘气体通过灰斗后进入中箱体的滤袋过滤区,气体穿过滤袋,粉尘被阻留在滤袋外表面,净化后的气体经滤袋口进入上箱体后,再由出风口排出。
HMC型脉冲单机除尘器使用说明书山西博威环保科技工程咨询有限公司原平市众信锅炉除尘器制造厂一、概述HMC型脉冲除尘器是消化吸收国内外同类产品的优点,结合实际运行的实践,经过多次改进。
设计而成的小型袋式除尘器。
除尘器采用脉冲喷吹清灰的方式,具有清灰效果好,净化效率高,处理风量大,滤袋寿命长,维修工作量小,运行安全可靠、等优点,被广泛运用于冶金、建材、机械、化工、矿山等各种行业,承担非纤维性粉尘的除尘净化与物料的回收。
二、HMC型脉冲除尘器结构与工作原理1、结构HMC型脉冲除尘器主要由过滤室、滤袋、净气室、灰斗、翻板阀,脉冲喷吹清灰装置、电控箱等部分组成。
箱体全部采用焊接钢结构。
检修门用泡沫橡胶条密封。
2、工作原理含尘气体进入灰斗(或下部敞开式法兰),部分较大的尘粒,因为惯性碰撞,自然沉降等作用,直接落到灰斗或灰仓内。
其余尘粒随气流上升进入过滤室,经滤袋过滤后,粉尘阻于滤袋表面,清洁空气经滤袋内从滤袋口进入净气室,有风机排入大气。
当滤袋表面的粉尘不断增加,程控仪开始工作,逐个开启脉冲阀,开启的脉冲阀使压缩空气通过喷吹口向滤袋内进行喷吹,使滤袋突然膨胀,在压缩空气气流的作用下,附着于滤袋表面的粉尘迅速脱离滤袋落入灰斗(或灰仓),脉冲阀没有开启的其他各排滤袋仍正常进行过滤。
三、HMC型脉冲除尘器的选型1、型号说明型号:HMC-48-A(B)H-------------单机除尘器MC------------脉冲喷吹48-------------滤袋数量A------------带灰斗和翻板阀B------------法兰式,无灰斗和翻板阀2、过滤风速的确定原则过滤风速指通过滤袋滤料的烟气速度。
过滤风速的选定需考虑下述各项因素:粉尘的浓度、粒度分布、粘附性、湿度、清灰方式等。
过滤风速的确定,又对过滤面积、除尘器大小、除尘器的阻力,滤料的寿命、清灰效果等产生影响。
本除尘器过滤风速选取1.2/min左右。
3、过滤面积的确定计算公式:A=Q/60V式中:A------过滤面积;m;Q-------除尘器的过滤风量;m3/h;V-------过滤风量;m/min;4、滤袋滤料的选用原则滤袋滤料的选用量需考虑以下因素的影响:入口浓度、气体温度、湿度、气体及粉尘的可燃性等等。
脉冲袋式除尘器操作手册脉冲袋式除尘器是一种常见的工业除尘设备,用于清除空气中的粉尘和颗粒物。
它采用了一种脉冲喷吹清灰技术,通过气压脉冲喷吹方式清理袋滤器上的粉尘,从而保持除尘器的高效工作状态。
本操作手册将详细介绍脉冲袋式除尘器的操作步骤和注意事项。
一、除尘器的操作步骤1. 准备工作在操作脉冲袋式除尘器之前,需要确保设备连接正确、电源接通并处于正常工作状态。
检查排放系统是否正常,确保排放管道与除尘器连接无误。
2. 启动设备按下主电源开关,待除尘器启动后,观察指示灯是否亮起。
如果指示灯正常,则表示设备已成功启动。
3. 调整工作参数根据实际工作需求,调整除尘器的工作参数。
包括调节进风阀门、设置清灰周期和调整压缩空气压力等。
4. 观察运行状态观察袋滤器的进风压力、出风温度和排放浓度等参数,确保设备正常工作。
如果发现异常情况,应立即停止设备并进行排查。
5. 定期清理灰斗根据生产运行时间或灰斗灰积的情况,定期清理灰斗。
清理时,需首先切断电源,并采取相应的防护措施,避免粉尘对操作人员的危害。
6. 关闭设备在结束使用脉冲袋式除尘器之前,应先关闭主电源开关,确保设备安全停机。
然后检查所有工作部件,确认无异常情况后才能离开现场。
二、注意事项1. 安全操作在操作脉冲袋式除尘器时,应注意个人安全。
操作人员应戴好防护帽和口罩,并穿戴防尘服和防滑鞋。
操作前请确保设备停止运行,并切断电源。
2. 周期检查定期对除尘器进行检查和保养,保证设备的正常运行。
检查包括清洁袋滤器、更换磨损零部件和调整工作参数等。
如发现故障或异常,应及时处理。
3. 清灰操作定期进行清灰操作,以保持除尘器的高效工作状态。
清灰时应先切断电源,并确保喷吹气源正常。
使用合适的清灰周期和压缩空气压力,避免对设备造成损害。
4. 粉尘处理在清理灰斗时,应采取防护措施避免粉尘扬散。
应选择合适的处理方式,将清理的粉尘妥善处置,不得随意抛弃或排放,以防环境污染。
5. 异常情况处理如果发现设备运行异常或出现故障,应立即停止设备,并按照设备维修手册进行排查和处理。
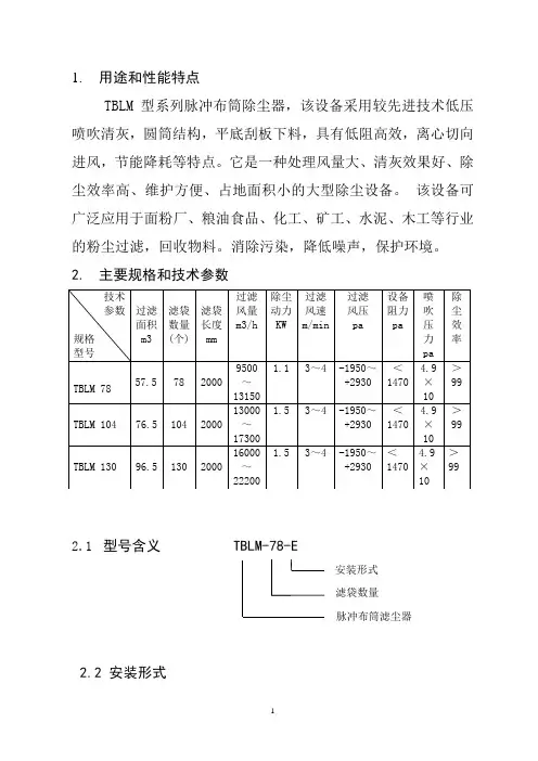
1. 用途和性能特点TBLM 型系列脉冲布筒除尘器,该设备采用较先进技术低压喷吹清灰,圆筒结构,平底刮板下料,具有低阻高效,离心切向进风,节能降耗等特点。
它是一种处理风量大、清灰效果好、除尘效率高、维护方便、占地面积小的大型除尘设备。
该设备可广泛应用于面粉厂、粮油食品、化工、矿工、水泥、木工等行业的粉尘过滤,回收物料。
消除污染,降低噪声,保护环境。
2. 主要规格和技术参数2.1 型号含义 TBLM-78-E2.2 安装形式安装形式 滤袋数量 脉冲布筒滤尘器3.主要结构和工作原理3.1主要结构3.2外形尺寸见下表系列脉冲布筒除尘器主要有上箱体(出口、分配气箱)、中箱体(进气口、中节)、底座(清灰斗)、滤袋、喷吹装置等部分组成。
详见结构图。
3.3工作原理含尘气体从中箱体进风口送入,在气体导流装置的导流下,大颗粒的粉尘被分离,直接落入灰斗。
而较细小的粉尘均匀地进入中箱体而吸附在滤袋的外表面上,洁净气体进入上箱体的各分配器阀,通过排气管排入大气。
随着过滤工况的进行,滤袋上的粉尘越积越多,当设备阻力达到限定值时,有脉冲控制器按差压设定值或清灰时间设定自动关闭,按设定程序打开电控脉部,进行喷吹,利用压缩空气间使滤袋内压力聚增,将滤袋上的粉尘进行抖落至灰斗中,由排灰机构排出。
4.调运安装和调试4.1设备需在运输过程中,不得长期漏天放置,以免锈蚀变形,影响使用寿命。
用户在吊运设备时,钢丝绳索不得与设备的油漆表面及把手接触,接触处应垫上麻袋等软物,避免损伤油漆和机件。
4.2 设备安装前应对基础校队,合格后才能进行安装。
一般由下至上,先把下部的支腿,灰斗安装妥当,再吊装中箱体、上箱体,然后安装气包、配管及电器信号系统。
以确保安装质量。
4.3 安装压缩空气管路时,管道内除去污物防止管道堵塞,安装后清洗管道再进行试压,将压力调至规定值。
4.4 对传动机构要进行专门检查,传动前要向减速机箱内注入润滑油,使机件正常工作。
脉冲袋式除尘器操作手册脉冲袋式除尘器是一种常用的环保设备,广泛应用于工业生产中的粉尘处理。
本操作手册将详细介绍脉冲袋式除尘器的使用方法和注意事项,帮助您正确操作并维护设备,以确保其高效正常地工作。
一、工作原理脉冲袋式除尘器的工作原理是利用气流和滤袋的作用对粉尘进行过滤和清洁。
设备主要由进气口、滤袋室、脉冲清灰系统等组成。
工作时,粉尘通过进气口进入滤袋室,而清洁气流则从滤袋室顶部流出,完成过滤的同时,脉冲清灰系统将堵塞的滤袋进行周期性的清灰。
二、操作步骤1. 设备准备(1)检查电源线和气源线是否连接正常;(2)确保设备周围环境干燥、清洁,并保持良好通风;(3)检查滤袋是否完整,如有破损或老化需要及时更换;(4)检查脉冲清灰系统是否正常工作,如有异常需要及时修理。
2. 设备启动(1)按下电源开关,启动设备;(2)打开进气阀门,使气流进入滤袋室;(3)调节进气量,使之适应工作要求。
3. 设备运行(1)观察滤袋室内压力表的指示,当压力升高到设定值时,自动启动脉冲清灰系统;(2)定期检查滤袋的清洁度,如有需要,可手动启动脉冲清灰系统进行清灰;(3)注意观察设备运行是否正常,如有异常情况及时停机检修。
4. 设备停止(1)关闭进气阀门;(2)停止脉冲清灰系统;(3)按下电源开关,关闭设备。
三、注意事项1. 定期维护(1)定期清洁滤袋和滤袋室内的积尘,避免堵塞影响设备工作效果;(2)定期检查并更换破损或老化的滤袋、密封件等零部件。
2. 安全操作(1)操作前请确认设备与电源、气源的连接是否正确,避免出现安全隐患;(2)禁止将无关物品投入滤袋室内,以免造成设备故障或事故;(3)操作时应佩戴防护手套、口罩等个人防护用品,确保操作人员安全。
3. 故障处理(1)定期检查设备运行状态,如发现异常要及时查找故障原因并进行修理;(2)如遇到严重故障无法处理,请及时联系专业维修人员进行维修。
四、总结本操作手册简要介绍了脉冲袋式除尘器的操作方法和注意事项。
脉冲除尘器操作手册1.简介脉冲除尘器是一种用于清除空气中颗粒物的装置。
本操作手册旨在提供脉冲除尘器的操作指南,确保正确使用和有效清洁。
2.安全须知在操作脉冲除尘器之前,请务必阅读以下安全须知:使用脉冲除尘器时,必须戴上适当的个人防护设备,如手套和眼镜。
在操作过程中,严禁将手指或其他物体伸入脉冲除尘器中的运动部件。
使用脉冲除尘器时,应确保周围环境没有明火或易燃物。
若发现脉冲除尘器存在故障或异常,请立即停止使用并与维修人员联系。
3.操作步骤按照以下步骤正确操作脉冲除尘器:1.打开脉冲除尘器的控制面板,并将其调至合适的工作模式。
2.确保脉冲除尘器接通电源,并注意确认电源电压与设备要求相符。
3.检查脉冲除尘器的滤芯是否清洁,如发现灰尘较多,应及时清理或更换。
4.确保脉冲除尘器的进气口通畅无阻,并连接好适当的管道。
5.开始脉冲除尘器的工作,可根据需要调节风速和脉冲清洁频率。
6.在脉冲除尘器工作一段时间后,关机前应先关闭脉冲清洁功能,并等待脉冲除尘器完全停止工作后再切断电源。
4.常见问题解答以下是一些常见问题的解答:问:脉冲除尘器在工作过程中发出异常声音怎么办?答:首先停止使用脉冲除尘器,检查是否有异物进入或部件松动,如无异常情况仍需维修。
问:脉冲除尘器工作效果变差怎么办?答:可能是滤芯过脏,需要清理或更换滤芯。
问:脉冲除尘器需要定期维护吗?答:是的,脉冲除尘器需要定期清理滤芯以保持其正常工作效果。
5.其他注意事项在操作过程中,应按照操作手册指示进行操作,遵守相关安全规定。
若非专业人士,请勿随意拆装脉冲除尘器的零部件,以免引起故障。
如需维修或更换配件,请联系指定厂家或维修人员。
以上就是脉冲除尘器的操作手册,请在使用前仔细阅读并按照指示进行操作。
DMCX系列脉冲袋式除尘器说明书威海万豪环保设备有限公司DMCX系列脉冲袋式除尘器一、概述:DMCX系列脉冲袋式除尘器是我厂根据市场需要设计的一种新型除尘器,主要用于中等风量要求,采用分段制作,现场组装,方便运输,组装简单能够确保安装质量。
它具有运行阻力低,除尘效率高、运行稳定、性能可靠、结构紧凑、占地面积小、维修使用方便等特点,可广泛应用于冶金、机械、化工、电力、建材等行业的除尘系统中。
二、构造及工作原理(一)构造:DMCX系列除尘器由上箱体、灰斗,卸灰阀和喷吹清灰系统组成。
上箱体由花板上下分为净气室和袋室两部分,净气室在上部包括出风口和顶部检修门;脉冲喷吹系统的喷吹管也是安装在净气室;滤袋安装在花板上内部由滤袋框架支撑;灰斗由灰斗、进风口及检查门组成;喷吹系统包括控制仪表、控制阀、脉冲阀喷吹管和气包。
(二)工作原理:含尘气体由进风口进入灰斗,其中粗颗粒的粉尘因风速降低直接沉降落入灰斗,细小粉尘随气流进入袋室,经过滤袋过滤后形成粉尘层附着在滤袋的外壁,净化后的气体进入净气室,经出风口排出。
随着过滤时间增加而积附在滤袋上的粉尘越来越多,增加滤袋阻力,可使处理风量逐渐减少。
为正常工作,要控制阻力在一定范围内(1200~1500Pa)必须对滤袋进行清灰,清灰时由脉冲控制仪按顺序触发各控制阀开启脉冲阀,气包内的压缩空气瞬时地经脉冲阀由喷吹管的喷吹孔高速喷出,同时诱导周边净气进入滤袋,滤袋瞬间急剧膨胀,使积附在滤袋表面的粉尘层脱落,滤袋恢复过滤能力。
脱落的粉尘落入灰斗,经过设定的时间定时由排灰阀排出。
如此使积附在滤袋上的粉尘周期地脉冲喷吹清灰,使净化气体正常通过,保证除尘系统运行。
(三)喷吹系统喷吹系统是脉冲袋式除尘器的关键部分,直接影响除尘器的运行。
喷吹系统的运行由脉冲控制仪控制,脉冲控制仪无信号输出时,控制阀的排气口关闭,脉冲阀喷吹口处于关闭状态;当控制仪发出信号时,控制阀排气口被打开将脉冲阀背压室的气体泄掉,压力降低,膜片两面产生压差致使膜片产生位移将脉冲阀喷吹口打开,此时压缩空气从气包通过脉冲阀经喷吹管小孔喷吹进入滤袋(为一次风),同时诱导了数倍于一次风的周围空气(称二次风),造成滤袋内瞬间正压,滤袋膨胀抖动,使外壁的粉尘脱落实现清灰。
YGWM型脉冲布袋除尘器
使
用
说
明
书
江苏宇刚机械设备制造有限公司
目录
一、脉冲布袋除尘器的安装1
二、脉冲布袋除尘器的调试 1
三、ZYWM脉冲布袋除尘器运行操作规程 2 (一)就地操作2(二)远程控制2(三)注意事项 2 四、ZYMC脉冲布袋除尘器的维护、保养3
一、脉冲布袋除尘器的安装
1、按设备基础图样施工,做好设备安装的混凝土基础。
2、待基础混凝土达到标准强度后,按下列步骤安装好除尘器。
执行标准《袋式除尘器安装技术要求与验收规范》
①除尘器基础
②下箱体
③上箱体
④风机、电机
⑤清灰装置
⑥气包电磁阀
⑦滤笼、滤袋
⑧连接电源
⑨密封检查、安装质量检查
二、脉冲布袋除尘器的调试
1、做好设备空负荷运行调试前准备工作。
2、按下列步骤进行调试:
⑴、调整清灰控制器,确保电磁脉冲阀动作顺序正确,清灰各单元顺序正确。
⑵、检查电磁脉冲阀和电控部分伏数(24V或220V),
⑶、检查设备上密封件有无松动或脱落。
⑷、喷吹用压缩空气压力应保持在5~7㎏/cm2 。
⑸、检查设备上电机及机械传动部分运转是否正常。
⑹、检查设备上袋笼和滤袋安装是否牢固。
⑺、进行设备空负荷运行调试,要求各部分运转正常。
⑻、进行设备带负荷运行调试。
要求各部分运转正常,并根据设备运行阻力的变化调整清灰周期(阻值法或定时法)。
三、ZYWM脉冲布袋除尘器运行操作规程
(一)就地操作
合上电源开关QF,电源指示灯亮,将就地远程切换开关切换至就地位置(即将切换开关左旋到底),按风机启动钮,风机起动运行,观察风机转向是否正确,待风机转向正常后,即可投入正常除尘工作,过一段时间如需清灰和出灰(如带空压机的先开空压机后清灰),则按“清灰启动”纽,脉冲阀分别打开清灰,螺旋机、排灰阀也同时工作,如需结束清灰工作,则按“清灰停止”钮,若最终停止除尘工作,则按“风机停止”钮即可。
(二)远程控制
将就地远程切换开关切换至程控位置(即将切换开关右旋到底),远程启动机组短干接点HJ送达,风机运行(如带空压机,空压机同时运行),只要风机转向正确,即可投入正常除尘,此时实行定时清灰控制,即除尘运行一段时间(约1~2小时可调),清灰控制自动投入,投入后螺旋机、排灰阀都自动工作 (约2分钟可调),工作一段时间后,自动停止清灰,然后再进入下一个自动除尘、清灰,排灰的循环,直
到远程停止机组短干接点TJ送达, 机组停止。
(三)注意事项:
1、除尘器机组实现在线清灰控制;
2、机组定时清灰间隔时间和在线清灰的时间由时间继电器(可
调)自动执行;
3、清灰前要注意打开空压机和设备气包上阀门,要有气源和
压力。
四、ZYWM脉冲布袋除尘器的维护、保养
1、根据除尘机组的吸尘量确定定期排灰维护保养时间。
2、根据空气气包的积水情况确定定期排放积水。
3、经常检查除尘器脉冲清灰系统是否正常工作,如不正
常,则着重检查脉冲阀膜片损失,电磁脉冲阀有否失灵,并及
时更换。
滤袋应及时清洗,定时更换。
4、根据设备阻力变化波动定期检查设备运行是否正常。
5、根据易损件清单经常检查易损件使用情况。
6、定期对设备的润滑部件补充油脂,减速机六个月换一
次润滑油,轴承润滑点每周补充一次。
7、注重检查电控箱的密封程度是否完好,防止进水进尘,
经常清理电控箱内积尘。