无损检测委托单及单线图
- 格式:pdf
- 大小:340.89 KB
- 文档页数:12
无损检测委托单工程名称:湖南华电常德一期2*660MW项目烟气脱硫工程委托单号: PT-1#-001委托人:签收人:无损检测委托单工程名称:湖南华电常德一期2*660MW项目烟气脱硫工程委托单号: PT-1#-002委托人:签收人:无损检测委托单工程名称:湖南华电常德一期2*660MW项目烟气脱硫工程委托单号: PT-1#-003委托人:签收人:无损检测委托单工程名称:湖南华电常德一期2*660MW项目烟气脱硫工程委托单号: PT-1#-004委托人:签收人:无损检测委托单工程名称:湖南华电常德一期2*660MW项目烟气脱硫工程委托单号: PT-1#-005委托人:签收人:无损检测委托单工程名称:湖南华电常德一期2*660MW项目烟气脱硫工程委托单号: PT-1#-006委托人:签收人:无损检测委托单工程名称:湖南华电常德一期2*660MW项目烟气脱硫工程委托单号: PT-1#-007 委托单位:福建龙净环保有限公司委托日期:2015年月日委托人:签收人:无损检测委托单工程名称:湖南华电常德一期2*660MW项目烟气脱硫工程委托单号: PT-1#-008 委托单位:福建龙净环保有限公司委托日期:2015年月日委托人:签收人:无损检测委托单工程名称:湖南华电常德一期2*660MW项目烟气脱硫工程委托单号: PT-1#-009 委托单位:福建龙净环保有限公司委托日期:2015年月日委托人:签收人:无损检测委托单工程名称:湖南华电常德一期2*660MW项目烟气脱硫工程委托单号: PT-1#-010 委托单位:福建龙净环保有限公司委托日期:2015年月日委托人:签收人:无损检测委托单工程名称:湖南华电常德一期2*660MW项目烟气脱硫工程委托单号: PT-1#-011委托单位:福建龙净环保有限公司委托日期:2015年月日委托人:签收人:无损检测委托单工程名称:湖南华电常德一期2*660MW项目烟气脱硫工程委托单号: PT-1#-012委托单位:福建龙净环保有限公司委托日期:2015年月日委托人:签收人:无损检测委托单工程名称:湖南华电常德一期2*660MW项目烟气脱硫工程委托单号: PT-1#-013委托人:签收人:无损检测委托单工程名称:湖南华电常德一期2*660MW项目烟气脱硫工程委托单号: PT-1#-014委托人:签收人:无损检测委托单工程名称:湖南华电常德一期2*660MW项目烟气脱硫工程委托单号: PT-1#-015委托人:签收人:无损检测委托单工程名称:湖南华电常德一期2*660MW 项目烟气脱硫工程 委托单号: PT-1#-016委托人:签收人:无损检测委托单工程名称:湖南华电常德一期2*660MW 项目烟气脱硫工程 委托单号: PT-1#-017委托人:签收人:无损检测委托单工程名称:湖南华电常德一期2*660MW项目烟气脱硫工程委托单号: PT-1#-018委托人:签收人:。
中核华誉钢结构管理部焊化室页数:1/1无损检验委托单委托编号: GJG-YJUT-001工程名称阳江核电焊接 H型钢质量方案号/工件名称焊接 H型钢检验部位角焊缝检验数量1材料规格Q235B厚度腹板检验方法UTSAW δ =14mm焊接方法坡口形式V 形外表状态良好检验比例UT— 10 0%检验等级Ⅰ 级验收标准GB11345说明:检验部位编号焊工号检测长度mm检验部位编号焊工号检测长度mm GL18-1GJG-00112000委托单位:中核华誉钢结构管理部收件单位:华兴工程检测委托人:收件人:日期:日期:中核华誉钢结构管理部焊化室页数:1/1无损检验委托单委托编号: GJG-YJUT-002工程名称阳江核电焊接 H型钢质量方案号/工件名称焊接 H型钢检验部位角焊缝检验数量1材料规格Q345B厚度腹板检验方法UTSAW δ =14mm焊接方法坡口形式V 形外表状态良好检验比例UT— 10 0%检验等级Ⅰ 级验收标准GB11345说明:检验部位编号焊工号检测长度mm检验部位编号焊工号检测长度mm GL24-1GJG-0019000委托单位:中核华誉钢结构管理部收件单位:华兴工程检测委托人:收件人:日期:日期:中核华誉钢结构工程管理部焊化室页数:1/1无损检验委托单委托编号: GJG-YJUT-003工程名称阳江核电焊接 H型钢质量方案号/工件名称焊接 H型钢检验部位角焊缝检验数量 1 根材料规格Q345B厚度腹板δ =16mm检验方法UT翼缘δ =30mm焊接方法SAW坡口形式K 形外表状态良好检验比例UT— 10 0%检验等级Ⅰ 级验收标准GB11345说明:检验部位编号焊工号检测长度mm检验部位编号焊工号检测长度mm GL22-1GJG-0019000委托单位:中核华誉钢结构管理部收件单位:华兴工程检测委托人:收件人:日期: 2021-11-12日期:2021-11-12中核华誉钢结构工程管理部焊化室页数:1/1无损检验委托单委托编号: GJG-YJUT-004工程名称阳江核电焊接 H型钢质量方案号/工件名称焊接 H型钢检验部位角焊缝检验数量 3 根材料规格Q235B厚度腹板δ =16mm检验方法UT翼缘δ =30mm焊接方法SAW坡口形式K 形外表状态良好检验比例UT— 10 0%检验等级Ⅰ 级验收标准GB11345说明:检验部位编号焊工号检测长度 mm检验部位编号焊工号检测长度 mm GL19-2GJG-0019000GL19-3GJG-0019000GL19-4GJG-0019000委托单位:中核华誉钢结构工程管理部收件单位:华兴工程检测委托人:收件人:日期: 2021-11-12日期:2021-11-12中核华誉钢结构工程管理部焊化室页数:1/1无损检验委托单委托编号: GJG-YJUT-005工程名称阳江核电焊接 H型钢质量方案号/工件名称焊接 H型钢检验部位角焊缝检验数量 1 根材料规格Q235B厚度腹板δ =14mm检验方法UT翼缘δ =28mm焊接方法SAW坡口形式V 形外表状态良好检验比例UT— 10 0%检验等级Ⅰ 级验收标准GB11345说明:检验部位编号焊工号检测长度mm检验部位编号焊工号检测长度mm GL17-1GJG-0019000委托单位:中核华誉钢结构工程管理部收件单位:华兴工程检测委托人:收件人:日期: 2021-11-16日期:2021-11-16中核华誉钢结构管理部焊化室页数:1/1无损检验委托单委托编号: GJG-YJUT-006工程名称阳江核电焊接 H型钢质量方案号/工件名称焊接 H型钢检验部位角焊缝检验数量1材料规格Q345B厚度腹板δ =14mm检验方法UT翼缘δ =25mm焊接方法SAW坡口形式V 形外表状态良好检验比例UT— 10 0%检验等级Ⅰ 级验收标准GB11345说明:检验部位编号焊工号检测长度mm检验部位编号焊工号检测长度mm GL24-2GJG-0019000委托单位:中核华誉钢结构管理部委托人:日期: 2021-11-12收件单位:华兴工程检测收件人:日期: 2021-11-12中核华誉钢结构管理部焊化室页数:1/1无损检验委托单委托编号: GJG-YJUT-007工程名称阳江核电焊接 H型钢质量方案号/工件名称焊接 H型钢检验部位角焊缝检验数量3材料规格Q345C厚度腹板δ =12mm检验方法UT翼缘δ =20mm焊接方法SAW坡口形式V 形外表状态良好检验比例UT— 10 0%检验等级Ⅰ 级验收标准GB11345说明:检验部位编号焊工号检测长度 mm检验部位编号焊工号检测长度 mm GL12-1GJG-0018000GL12-2GJG-0018000GL12-3GJG-0018000委托单位:中核华誉钢结构管理部委托人:日期: 2021-11-15收件单位:华兴工程检测收件人:日期: 2021-11-15中核华誉钢结构管理部焊化室页数:1/1无损检验委托单委托编号: GJG-YJUT-008工程名称阳江核电焊接 H型钢质量方案号/工件名称焊接 H型钢检验部位角焊缝检验数量1材料规格Q235B厚度腹板δ =14mm检验方法UT翼缘δ =28mm焊接方法SAW坡口形式V 形外表状态良好检验比例UT— 10 0%检验等级Ⅰ 级验收标准GB11345说明:检验部位编号焊工号检测长度mm检验部位编号焊工号检测长度mm GL17-2GJG-0019000/委托单位:中核华誉钢结构管理部收件单位:华兴工程检测委托人:收件人:日期: 2021-11-17日期:2021-11-17中核华誉钢结构管理部焊化室页数:1/1无损检验委托单委托编号: GJG-YJUT-009工程名称阳江核电焊接 H型钢质量方案号/工件名称焊接 H型钢检验部位角焊缝检验数量2材料规格Q345B厚度腹板δ =16mm检验方法UT翼缘δ =30mm焊接方法SAW坡口形式K形外表状态良好检验比例UT—100%检验等级Ⅰ级验收标准GB11345说明:检验部位编号焊工号检测长度 mm检验部位编号焊工号检测长度 mm GL22-2GJG-0019000GL22-3GJG-0019000/委托单位:中核华誉钢结构管理部收件单位:华兴工程检测委托人:收件人:日期: 2021-11-17日期:2021-11-17中核华誉钢结构管理部焊化室页数:1/1无损检验委托单委托编号: GJG-YJUT-0010工程名称阳江核电焊接 H型钢质量方案号/工件名称焊接 H型钢检验部位角焊缝检验数量2材料规格Q345B厚度腹板δ =16mm检验方法UT翼缘δ =30mm焊接方法SAW坡口形式K形外表状态良好检验比例UT—100%检验等级Ⅰ级验收标准GB11345说明:检验部位编号焊工号检测长度 mm检验部位编号焊工号检测长度 mm GL25-1GJG-0019000GL25-2GJG-0019000/委托单位:中核华誉钢结构管理部委托人:日期: 2021-11-17收件单位:华兴工程检测收件人:日期: 2021-11-17中核华誉钢结构管理部焊化室页数:1/1无损检验工程名称阳江核电焊接工件名称焊接 H 型钢委托单委托编号:H型钢质量方案号检验部位角焊缝检验数量GJG-YJUT-011/材料规格Q235B厚度腹板δ =14mm检验方法UT翼缘δ =25mm焊接方法SAW坡口形式V 形外表状态良好检验比例UT—100%检验等级Ⅰ级验收标准GB11345说明:检验部位编号焊工号检测长度mm检验部位编号焊工号检测长度mm GL18-2GJG-00112000/委托单位:中核华誉钢结构管理部委托人:日期: 2021-11-17收件单位:华兴工程检测收件人:日期: 2021-11-17中核华誉钢结构管理部焊化室页数:1/1无损检验委托单委托编号:GJG-YJUT-012工程名称阳江核电焊接 H型钢质量方案号/工件名称焊接 H型钢检验部位角焊缝检验数量3材料规格Q345B厚度腹板δ =14mm检验方法UT翼缘δ =25mm焊接方法SAW坡口形式V 形外表状态良好检验比例UT— 10 0%检验等级Ⅰ 级验收标准GB11345说明:检验部位编号焊工号检测长度 mm检验部位编号焊工号检测长度 mm GL24-3GJG-0019000GL24-4GJG-0019000GL24-5GJG-0019000委托单位:中核华誉钢结构管理部收件单位:华兴工程检测委托人:收件人:日期: 2021-11-29日期:2021-11-29中核华誉钢结构管理部焊化室页数:1/1无损检验委托单委托编号: GJG-YJUT-013工程名称阳江核电焊接 H型钢质量方案号/工件名称焊接 H型钢检验部位角焊缝检验数量1材料规格Q345B厚度腹板δ =16mm检验方法UT翼缘δ =30mm焊接方法SAW坡口形式K 形外表状态良好检验比例UT— 10 0%检验等级Ⅰ 级验收标准GB11345说明:检验部位编号焊工号检测长度mm检验部位编号焊工号检测长度mm GL22-4GJG-0019000/委托单位:中核华誉钢结构管理部收件单位:华兴工程检测委托人:收件人:日期: 2021-11-29日期:2021-11-29中核华誉钢结构管理部焊化室页数:1/1无损检验委托单委托编号:GJG-YJUT-014工程名称阳江核电焊接 H型钢质量方案号/工件名称焊接 H型钢检验部位角焊缝检验数量1材料规格Q235B厚度腹板δ =14mm检验方法UT翼缘δ =25mm焊接方法SAW坡口形式V 形外表状态良好检验比例UT— 10 0%检验等级Ⅰ 级验收标准GB11345说明:检验部位编号焊工号检测长度mm检验部位编号焊工号检测长度mm GL18-3GJG-00112000/委托单位:中核华誉钢结构管理部收件单位:华兴工程检测委托人:收件人:日期: 2021-11-29日期:2021-11-29中核华誉钢结构管理部焊化室页数:1/1无损检验委托单委托编号: GJG-YJUT-015工程名称阳江核电焊接 H型钢质量方案号/工件名称焊接 H型钢检验部位角焊缝检验数量2材料规格Q235B厚度腹板δ =16mm检验方法UT翼缘δ =30mm焊接方法SAW坡口形式K 形外表状态良好检验比例UT— 10 0%检验等级Ⅰ 级验收标准GB11345说明:检验部位编号焊工号检测长度 mm检验部位编号焊工号检测长度 mm GL19-1GJG-0019000GL19-5GJG-0019000委托单位:中核华誉钢结构管理部收件单位:华兴工程检测委托人:收件人:日期: 2021-11-29日期:2021-11-29中核华誉钢结构管理部焊化室页数:1/1无损检验委托单委托编号: GJG-YJUT-016工程名称阳江核电焊接 H型钢质量方案号/工件名称焊接 H型钢检验部位角焊缝检验数量1材料规格Q345B厚度腹板δ =14mm检验方法UT翼缘δ =25mm焊接方法SAW坡口形式V 形外表状态良好检验比例UT— 10 0%检验等级Ⅰ 级验收标准GB11345说明:检验部位编号焊工号检测长度mm检验部位编号焊工号检测长度mm GL24-6GJG-0019000委托单位:中核华誉钢结构管理部收件单位:华兴工程检测委托人:收件人:中核华誉钢结构管理部焊化室页数:1/1无损检验委托单委托编号: GJG-YJUT-017工程名称阳江核电焊接 H型钢质量方案号/工件名称焊接 H型钢检验部位角焊缝检验数量1材料规格Q235B厚度腹板δ =14mm检验方法UT翼缘δ =25mm焊接方法SAW坡口形式V 形外表状态良好检验比例UT— 10 0%检验等级Ⅰ 级验收标准GB11345说明:检验部位编号焊工号检测长度mm检验部位编号焊工号检测长度mm GL18-4GJG-00112000委托单位:中核华誉钢结构管理部收件单位:华兴工程检测委托人:收件人:中核华誉钢结构工程管理部焊化室页数:1/1无损检验委托单委托编号: GJG-YJUT-018工程名称阳江核电焊接 H型钢质量方案号/工件名称板对接检验部位板对接焊缝检验数量1材料规格Q235B厚度δ =10mm检验方法UT焊接方法SAW坡口形式I 形外表状态良好检验比例UT— 10 0%检验等级Ⅰ 级验收标准GB11345说明:检验部位编号焊工号检测长度mm检验部位编号焊工号检测长度mm BDJ-10-001GJG-0022300委托单位:中核华誉钢结构工程管理部收件单位:华兴工程检测委托人:收件人:日期: 2021-12-06日期:2021-12-06中核华誉钢结构工程管理部焊化室页数:1/1无损检验委托单委托编号: GJG-YJUT-019工程名称阳江核电焊接 H型钢质量方案号/工件名称板对接检验部位板对接焊缝检验数量2材料规格Q235B厚度δ =18mm检验方法UT焊接方法SAW坡口形式V 形外表状态良好检验比例UT— 10 0%检验等级Ⅰ 级验收标准GB11345说明:检验部位编号焊工号检测长度mm检验部位编号焊工号检测长度mm BDJ-18-001GJG-0021000BDJ-18-002GJG-0022200委托单位:中核华誉钢结构工程管理部收件单位:华兴工程检测委托人:收件人:日期: 2021-12-06日期:2021-12-06中核华誉钢结构工程管理部焊化室页数:1/1无损检验委托单委托编号:GJG-YJUT-020工程名称阳江核电焊接 H型钢质量方案号/工件名称板对接检验部位板对接焊缝检验数量1材料规格Q235B厚度δ =20mm检验方法UT焊接方法SAW坡口形式V 形外表状态良好检验比例UT— 10 0%检验等级Ⅰ 级验收标准GB11345说明:检验部位编号焊工号检测长度mm检验部位编号焊工号检测长度mmBDJ-20-001GJG-002700委托单位:中核华誉钢结构工程管理部委托人:日期: 2021-12-06收件单位:华兴工程检测收件人:日期: 2021-12-06中核华誉钢结构工程管理部焊化室页数:1/1无损检验委托单委托编号: GJG-YJUT-021工程名称阳江核电焊接 H型钢检测依据YB3301 -2005工件名称板对接检验部位板对接焊缝检验数量1材料规格Q345B厚度δ =10mm检验方法UT焊接方法SAW坡口形式I 形外表状态良好检验比例UT— 10 0%检验等级Ⅰ 级验收标准GB11345说明:检验部位编号焊工号检测长度mm检验部位编号焊工号检测长度mm BDJ-10-002GJG-002200委托单位:中核华誉钢结构工程管理部收件单位:华兴工程检测委托人:收件人:日期: 2021-12-13日期:2021-12-13。
无损检测委托书无损检测委托书1. 委托人信息委托人姓名:公司名称(如适用):联系地址:方式号码:电子2. 委托内容检测项目:无损检测被检测设备/部件类型:被检测设备/部件规格/型号:检测标准/要求:3. 委托理由请在此处详细描述委托检测的理由和目的,例如:我方将要采购一批新的设备/部件,为确保其质量和安全性,希望委托您的机构对相关设备/部件进行无损检测,以保证其符合相关标准要求并排除潜在的安全隐患。
4. 检测要求请在此处详细列出对无损检测的具体要求,例如:检测方法要求:检测设备要求:检测报告要求:其他特殊要求(如有):5. 检测时间和地点检测时间要求:检测地点要求:6. 费用和支付方式检测费用金额:支付方式(通过银行转账/现金支付/其他方式):发票要求/抬头:7. 知情同意请在此处声明委托人已经对以上委托内容进行了充分了解,并同意机构进行无损检测,同时同意支付相关费用。
如有需要,请在下方签名以示确认:委托人签名:_____________________日期:_____________________8. 拒绝委托和责任限制请在此处声明机构有权拒绝委托,并对可能存在的误诊、漏检等情况进行责任限制说明,例如:本机构有权基于安全和其他因素拒绝接受委托,并对可能存在的误诊、漏检、检测结果不准确等情况进行责任限制。
9. 其他事项请在此处列出其他需要说明的事项(如需保密等)。
以上所述即为委托人对无损检测的委托内容和要求的确认,如有任何疑问,请及时与委托人联系。
该委托书一式两份,双方各持一份,具有相同法律效力。
--注:此委托书仅为范本,具体内容可以根据实际情况进行修改和调整。
无损检测委托单(焊接接头)委托单编号:委托日期:XX年XX月XX日无损检测委托单(续页)(焊接接头)委托单编号:委托日期:年月日无损检测委托单(其他部件)委托单编号:委托日期:年月日3、FHJC/JWT-001~002-2016无损检测委托单(焊接接头)填写说明及要求无损检测委托单一般要求说明:无损检测委托单编号一般分二节,第一节为检测部件类别(焊接接头H、其他部件Q)+无损检测方法的英文首字母(射线检测为R、超声波检测为U、磁粉检测为M、渗透检测为P、涡流检测为E)+W+机组号(或年份),第二节为该委托单的机组(或年度)数字流水号,流水号为三位,不足三位时用‘0’补齐。
如某项目#5机组的第2份焊接接头射线检测委托单的编号为:HRW05-002;某项目#5机组的第3份焊接接头超声波检测委托单的编号为:HUW05-002。
委托单有续页的,编号时主页与续页为同一编号。
不合格项须重新委托检测,编号时在原委托单编号的流水号后加“R1、R2或R3”以示区别返修次数来跟踪。
1.FHJC/JWT-001-002-2016无损检测委托单(焊接接头)填写说明及要求1)委托单编号:按照无损检测委托单一般要求说明进行填写。
2)委托日期:根据委托实际日期填写。
3)项目名称:和工程竣工资料对应的项目名称一致,应写全称。
4)委托单位:填写需要检测的委托部门,应写全称,如焊接工程公司。
5)部件名称:根据委托的部件填写,如#1机组联轴器螺栓。
6)部件编号:一般为委托部件的系统代号或图纸号7)温度、压力:委托部件的温度压力,无法核实是否具有温度或压力,则填“/”。
8)接头类型:焊接接头的类别等级,一般为Ⅰ、Ⅱ、Ⅲ级,根据实际情况由委托方核实填写。
9)焊接方法:应规范统一,例如:全氩弧焊(GTAW)、电焊(SMAW)、氩弧焊+电焊(GTAW+SMAW)10)坡口形式:一般为V型、U型或X型等11)热处理状态:填写是否进行热处理,一般填写热处理后或者“/”。
无损检测委托单施工单位:**有限责任公司工程单元(工号) :211H委托编号:无损检测管道单线(设备探伤部位) 图核承压设备无损检验人员考试试题2006年9月电力行业民用核承压设备无损检验人员核安全知识理论考试试卷得分评卷人是非题(在括号内,正确的打"○",错误的打"×",每题1分,共30分)法规部分沸水堆是目前世界范围内存在数量最多的核电堆型。
(×)核岛是一个将核能转变为热能的场所。
(○)重水堆使用重水作慢化剂,提高了中子利用率,因此可直接利用天然铀作燃料。
(○)两个不同安全等级的系统的接口,其安全等级应属于相连系统中较低的安全等级。
(×)对于不同安全等级的设备,其设计、制造、检验和质量控制的要求是不同的。
(○)压水反应堆用高浓集铀作核燃料,并用轻水作慢化剂和冷却剂。
(○)压水堆核电厂反应堆冷却剂系统的平均温度为350℃。
(×)蒸汽发生器是将一回路冷却剂从反应堆获得的热能传给二回路工质(使其变为蒸汽)的热交换设备。
(○)设备安全分级的目的是为制定一套分级的设计、建造和质量控制要求提供基础。
(○)如设备抗震类别为I级,其结构设计应能承受安全停堆地震(SSE) 所引起的载荷。
(○)在轻水反应堆中,通常采用水或石墨作慢化剂,就安全性而言,采用石墨作慢化剂更有利。
(×)稳压器的作用是补偿一回路冷却水温度变化引起回路水容积的变化和调节一回路系统冷却剂的工作压力。
(○)现代核电站普遍采用气罐式稳压器。
(×)压水堆核电站的主泵多为卧式多级离心泵。
(×)天然铀中所含易裂变材料U235的量不高,仅仅7%。
(×)放射性污染防治法的制定目的在于防治放射性污染,保护环境,保障人体健康,促进核能、核技术的开发与和平利用。
(○)"核电厂核事故应急管理条例"适用于可能或者已经引起放射性物质释放、造成重大辐射后果的核电厂核事故应急管理工作。
无损检测委托单(焊接接头)委托单编号:委托日期:XX年XX月XX日无损检测委托单(续页)(焊接接头)委托单编号:委托日期:年月日无损检测委托单(其他部件)委托单编号:委托日期:年月日3、FHJC/JWT-001~002-2016无损检测委托单(焊接接头)填写说明及要求无损检测委托单一般要求说明:无损检测委托单编号一般分二节,第一节为检测部件类别(焊接接头H、其他部件Q)+无损检测方法的英文首字母(射线检测为R、超声波检测为U、磁粉检测为M、渗透检测为P、涡流检测为E)+W+机组号(或年份),第二节为该委托单的机组(或年度)数字流水号,流水号为三位,不足三位时用‘0’补齐。
如某项目#5机组的第2份焊接接头射线检测委托单的编号为:HRW05-002;某项目#5机组的第3份焊接接头超声波检测委托单的编号为:HUW05-002。
委托单有续页的,编号时主页与续页为同一编号。
不合格项须重新委托检测,编号时在原委托单编号的流水号后加“R1、R2或R3”以示区别返修次数来跟踪。
1.FHJC/JWT-001-002-2016无损检测委托单(焊接接头)填写说明及要求1)委托单编号:按照无损检测委托单一般要求说明进行填写。
2)委托日期:根据委托实际日期填写。
3)项目名称:和工程竣工资料对应的项目名称一致,应写全称。
4)委托单位:填写需要检测的委托部门,应写全称,如焊接工程公司。
5)部件名称:根据委托的部件填写,如#1机组联轴器螺栓。
6)部件编号:一般为委托部件的系统代号或图纸号7)温度、压力:委托部件的温度压力,无法核实是否具有温度或压力,则填“/”。
8)接头类型:焊接接头的类别等级,一般为Ⅰ、Ⅱ、Ⅲ级,根据实际情况由委托方核实填写。
9)焊接方法:应规范统一,例如:全氩弧焊(GTAW)、电焊(SMAW)、氩弧焊+电焊(GTAW+SMAW)10)坡口形式:一般为V型、U型或X型等11)热处理状态:填写是否进行热处理,一般填写热处理后或者“/”。
钢结构无损检测委托单委托单位:(填写委托单位名称、地址、联系人、电话等)受委托单位:(填写受委托单位名称、地址、联系人、电话等)一、委托事项:根据委托单位的要求,受委托单位将进行钢结构无损检测工作,以评估钢结构的完整性、安全性和可靠性。
二、工作要求:1. 受委托单位应根据相关技术标准和规范进行无损检测工作,并按要求完成检测报告。
2. 受委托单位应派遣具备相应资质和经验的工程师或技术人员参与检测工作。
3. 受委托单位应提供先进的无损检测设备和工具,确保检测结果的准确性和可靠性。
4. 受委托单位应按时完成检测工作,并及时向委托单位提交检测报告。
三、工作内容:1. 检测范围:(填写具体的检测范围,如钢结构梁、柱、框架等)2. 检测方法:(填写具体的无损检测方法,如超声波检测、磁粉检测等)3. 检测要求:(填写具体的检测要求,如检测标准、检测难点等)四、费用及支付方式:1. 检测费用:(填写具体的费用标准,包括检测费、工程师派遣费、设备费等)2. 支付方式:(填写具体的支付方式,如银行转账、现金支付等)3. 发票要求:(填写具体的发票要求,如增值税普通发票或增值税专用发票)五、保密条款:1. 受委托单位应严格保守委托单位的商业秘密和技术资料,不得泄露给任何第三方。
2. 受委托单位应对检测结果和相关信息保密,未经委托单位的书面同意,不得公开或提供给他人。
六、风险责任:1. 受委托单位应按照相关法律法规和技术标准进行无损检测工作,但不对由于委托单位提供的不准确或不完整的信息导致的任何后果承担责任。
2. 委托单位应按照受委托单位的要求提供相关资料和信息,并确保其准确性和完整性,否则由此导致的检测结果不准确或遗漏,委托单位应自行承担责任。
七、其它事项:(此部分可根据具体情况填写,如工作时间、工作环境、工作安全要求等)请双方在本委托单上签字确认,并分别保留一份作为备案。
委托单位(盖章):受委托单位(盖章):签字:签字:日期:日期:。
河北省电力建设第一工程公司
无损检测委托单
委托单位:山东正泰工业设备安装有限公司委托日期:2013年04月21日编号:TJBT-1AFT-T-001
委托人:接收人:
河北省电力建设第一工程公司金属试验室
无损检测结果通知单
河北省电力建设第一工程公司
无损检测委托单
委托单位:山东正泰工业设备安装有限公司委托日期:2013年04月23日编号:TJBT-1AFT-T-002
委托人:接收人:
河北省电力建设第一工程公司金属试验室
无损检测结果通知单
无损检测委托单
委托单位:山东正泰工业设备安装有限公司委托日期:2013年04月25日编号:TJBT-1AFT-T-003
委托人:接收人:
河北省电力建设第一工程公司金属试验室
无损检测结果通知单
通知单位:金属实验室通知日期:年月日编号:TJBT-1TL-T-003
无损检测委托单
委托单位:山东正泰工业设备安装有限公司委托日期:2013年04月27日编号:TJBT-1AFT-T-004
委托人:接收人:
河北省电力建设第一工程公司金属试验室
无损检测结果通知单
通知单位:金属实验室通知日期:年月日编号:TJBT-1AFT-T-004
无损检测委托单
委托单位:山东正泰工业设备安装有限公司委托日期:2013年04月29日编号:TJBT-1AFT-T-005
委托人:接收人:
河北省电力建设第一工程公司金属试验室
无损检测结果通知单
通知单位:金属实验室通知日期:年月日编号:TJBT-1AFT-T-005。
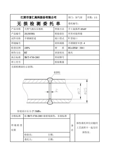
江阴市富仁高科股份有限公司部门:加气部页数:1/1 无损检测委托单委托编号:
产品名称天然气液压压缩机焊接方法手工氩弧焊GTAW
产品编号201305001 检验部位环形对接焊缝
试件名称不锈钢管道坡口型式V型坡口
焊缝编号材料规格不锈钢管Φ25×4
检查比例100% 材质0Cr18Ni9(304)
探伤方法RT 表面状况抛光
执行标准JB/T 4730-2005 焊材牌号
焊工代号检验数量
无损检测部位示意图:
管道设计压力27.5MPa。
合格标准按JB/T 4730-2005做射线探伤,Ⅱ级标准
备注探伤委托单位应随同工艺流转卡一起交付
探伤室。
焊缝检查
结果
检验员:日期:
委托人:日期:。
工程编号:14008江苏天力建设集团有限公司 NO:1 Array
委托人:纪洪林受委托人:
H7检测方法100%TIG 坡口形式JB4730-2005Ⅱ级委托日期2014.01.24序号
规格及厚度材质数量备 注1
Ф57*3.5S3040842
Ф57*3.5S3040843
Ф57*3.5S3040874
Ф57*3.5S3040865Ф57*3.5
S304087Ф45*3.0S30408
11Ф32*3.0S30409
67Ф45*3.0S30408
28Ф45*3.0S30408
69Ф32*3.0S30408
610
Ф32*3.0S304081311
1272
6LNGL0106/072-11、13-15LNGV0105/06委托人:纪洪林
受委托人: 焊接方式
使用标准V形要求完工日期焊口位置
山东聊城开发区辽河路公交三公司院内施照时间19:00~24:00
下列焊缝经检查,外观质量已符合验收标准,由德州宏宇无损检测有限公司安排无损检测项 目焊口号LNGV0102LNGV0103工程编号:14008委托单位
天力项 目新捷燃气LNG加气站装 置管道江苏天力建设集团有限公司 NO:2
工 号
检测比例RT 2-7LNGL01052-82-7合格等级
2014.01.22LNGL01012-52-10、15、1611-13、17-19LNGV01012-3LNGL01022-5LNGL01032-8LNGL01042-7。