无损检测记录管理制度.doc
- 格式:doc
- 大小:25.00 KB
- 文档页数:6
无损检测管理制度
1.本制度适用压力容器的射线、超声、磁粉、渗透无损检测工作,无损检测工作必须严格按有关技术规范标准进行。
2.每台压力容器无损检测比例和合格标准应严格按《规程》和GB150标准执行,如产品图样上有特殊要求,还必须按图样要求进行。
3.无损检测必须由持有相应专业有效证件人员操作,无损检测报告应由具有相应专业Ⅱ级或以上资格的人员评定出具,并在报告相应栏目内签写姓名、资格及日期,产品的无损检测报告应经无损检测责任工程师审核签发。
4.压力容器无损检测,应首先编制检测编号,并在检测部位打上(或写上)相应标记,做好无损检测记录、检测部位图。
5.压力容器的全部无损检测资料(包括底片),质控部保存一年,一年后转公司档案室。
6.检测中发现超标缺陷时应及时发出返修通知单交检验员,检测人员负责标明缺陷的准确部位。
7.所用设备、仪器必须专人管理,定期进行校验。
无损检测规章制度范本第一章总则第一条为了规范无损检测工作,确保检测质量,提高工程质量,根据国家相关法律法规和标准,结合公司实际情况,制定本制度。
第二条本制度适用于公司承担的无损检测项目,包括射线检测、超声波检测、磁粉检测、渗透检测等。
第三条无损检测工作应遵循客观公正、准确可靠、安全高效的原则。
第四条公司应建立健全无损检测组织机构,明确职责分工,配备相应的专业技术人员和设备,确保无损检测工作的正常开展。
第二章检测组织和人员第五条公司应设立无损检测部门,负责组织和管理无损检测工作。
第六条无损检测部门应具备以下条件:(一)具有相应的专业技术人员,其中中级及以上职称人员不少于10%;(二)具备与检测项目相适应的设备和技术条件;(三)具有健全的管理制度和工作规程;(四)具备完善的检测报告编制和审核制度。
第七条无损检测人员应具备以下条件:(一)取得相应的无损检测资格证书;(二)具备相关专业学历和工作经验;(三)定期参加业务培训和技能考核,保持专业水平。
第三章检测流程和质量控制第八条无损检测工作应按照以下流程进行:(一)接受检测任务,明确检测目的和要求;(二)编制检测方案,包括检测方法、设备、人员、时间等;(三)实施检测,做好检测记录;(四)评片和报告编制,确保检测结果准确可靠;(五)检测资料归档,便于查询和追溯。
第九条无损检测质量控制应包括以下内容:(一)检测设备的校准和检定,确保设备准确可靠;(二)检测环境的控制,保证检测条件符合要求;(三)检测过程的监控,确保检测操作规范;(四)检测结果的评定,保证检测报告真实、准确、完整。
第四章安全与环保第十条无损检测工作应严格遵守国家安全生产法律法规,确保人员和设备安全。
第十一条无损检测人员应具备安全意识,严格执行安全操作规程,佩戴个人防护用品。
第十二条无损检测设备应定期进行检查、维护,确保设备处于良好状态。
第十三条无损检测工作应遵循环保原则,减少对环境的影响。
第五章检测费用和保密第十四条无损检测费用应按照公司相关规定和客户要求进行计算,合理收费。
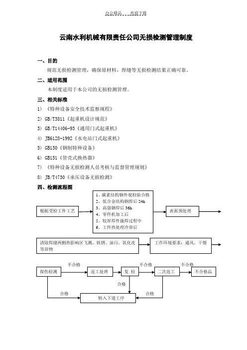
云南水利机械有限责任公司无损检测管理制度一、目的规范无损检测管理,确保原材料、焊缝等无损检测结果正确可靠。
二、适用范围本制度适用于本公司的无损检测管理。
三、相关标准1)《特种设备安全技术监察规程》2)GB/T3811《起重机设计规范》3)GB/T14406-93《通用门式起重机》4)JB6128-1992《水电站门式起重机》5)GB150《钢制特种设备》6)GB151《管壳式换热器》7)《特种设备无损检测人员考核与监督管理规则》8)JB/T4730《承压设备无损检测》五、职责5.1无损检测责任工程师负责本公司的无损检测质量控制工作,并定期向质量保证工程师汇报工作。
具体职责见各级人员岗位责任制。
5.2无损检测检验人员负责本检测任务的完成并保证检测质量,对本检测工作做好原始记录,绘制布片图,并对其准确性和拍片位置的正确性负责。
5.3其他人员职责见各级人员岗位责任制。
六、程序方法6.1无损检测方法6.1.1本单位采用的无损检测方法有射线检测、超声检测、磁粉检测、渗透检测和超声波测厚。
6.1.2检测方法、合格级别、检测部位等由检验员在无损检测委托单中加以明确。
6.1.3无损检测人员编制无损检测工艺卡后,无损检测责任工程师进行审核,并对其正确性负责。
6.2检测人员资格6.2.1凡从事特种设备及零部件检测的人员,都必须经过培训,并按照“特种设备无损检测人员资格考核规则”进行考核鉴定,取得合格证后才能持证上岗。
6.2.2无损检测人员按技术等级分1、2、3级(由底到高),取得不同无损检测方法的各级无损检验人员,只能从事与该等级、类别相应的无损检测工作。
6.2.3无损检测操作人员应熟练掌握无损检测技术;无损检测报告签发人员必须具有2级或3级资格,并且每四年进行一次重新考核和资格确认。
6.2.4射线检测人员还必须取得《放射工作人员证》。
6.2.5无损检测人员的培训考核计划由质量管理部部长按工作需要提出,报公司主管领导审核后,由行政人事部根据国家相关部门的培训日程安排培训取证。
无损检测管理制度模板一、目的为了确保无损检测工作的准确性和有效性,提高产品质量,保障安全生产,特制定本管理制度。
二、适用范围本制度适用于公司所有涉及无损检测的部门和个人。
三、职责与权限1. 无损检测部门负责本制度的实施和监督。
2. 无损检测人员需遵守本制度,并按照规定执行检测工作。
3. 质量管理部门负责对无损检测结果进行审核和记录。
四、无损检测人员资格1. 无损检测人员必须经过专业培训,并取得相应的资格证书。
2. 定期参加复训和知识更新,以保证检测技术与时俱进。
五、无损检测设备管理1. 所有无损检测设备必须定期校准和维护,确保其性能稳定。
2. 设备使用前应进行功能检查,使用后进行清洁和保养。
六、无损检测程序1. 检测前,明确检测目的、范围和方法。
2. 严格按照操作规程进行检测,并对检测过程进行记录。
3. 检测结果应由两名以上检测人员共同确认。
七、检测结果处理1. 检测结果应详细记录,并由质量管理部门审核。
2. 对于检测不合格的产品,应立即进行隔离,并采取相应的纠正措施。
八、记录与档案管理1. 无损检测的所有记录应详细、准确,并保存至少五年。
2. 建立无损检测档案,包括检测报告、设备校准记录等。
九、安全与环保1. 无损检测过程中应遵守安全操作规程,确保人员安全。
2. 检测设备使用应符合环保要求,避免对环境造成污染。
十、持续改进1. 定期对无损检测管理制度进行评审和更新。
2. 鼓励员工提出改进建议,不断优化检测流程和方法。
十一、附则1. 本制度自发布之日起生效,由无损检测部门负责解释。
2. 对违反本制度的行为,将根据情节轻重采取相应的纪律处分。
请根据实际情况调整上述内容,确保其符合公司的具体情况和法律法规要求。
无损检测管理制度范文无损检测管理制度第一章总则第一条为了规范和统一无损检测工作,加强质量管理,确保无损检测工作的准确性和高效性,制定本制度。
第二条本制度适用于本单位内进行的无损检测工作,包括无损检测人员的资格认证、设备和材料的管理、工作程序的制定与执行、质量控制和记录归档等方面。
第三条无损检测工作必须坚持“安全、准确、高效、合规”的原则,保证无损检测工作的顺利进行。
第二章无损检测人员的资格认证第四条无损检测人员应持有相关职业资格证书,并定期进行技术培训和考核,确保其专业能力。
第五条无损检测人员应具备以下基本条件:1. 具备良好的职业道德和职业操守;2. 具有无损检测相关专业知识和技能;3. 具备一定的工作经验;4. 熟练掌握无损检测设备操作和维护知识;5. 具备较强的分析和判断能力。
第六条无损检测人员应参加相关培训,提高其业务水平和技能,并根据需要参加相关考试,取得相应证书。
第三章设备和材料的管理第七条本单位无损检测设备和材料应进行定期的检验和维护,以确保其正常运行。
第八条无损检测设备和材料的购置、验收、保管和管理应符合国家相关标准和规定。
第九条无损检测设备和材料应进行严格的管理,包括记录设备和材料的编号、型号、规格、购置日期、维修和保养记录等,确保设备和材料的可追溯性。
第四章工作程序的制定与执行第十条本单位的无损检测工作应按照标准程序进行,确保检测结果的准确性和可靠性。
第十一条无损检测工作程序应包括以下内容:1. 检测的准备工作,包括设备的校验和标定、试样的准备等;2. 检测的实施,包括使用相应的无损检测方法和技术,进行检测工作;3. 检测结果的评定,包括对检测结果进行分析和判断,确定是否合格;4. 检测结果的报告,包括编制和提交检测报告。
第十二条无损检测人员应按照工作程序进行工作,不得随意改变检测方法和技术。
第五章质量控制和记录归档第十三条无损检测工作应进行质量控制,确保检测结果的可信度。
第十四条无损检测工作的质量控制应包括以下内容:1. 建立质量管理体系,制定相应的质量控制文件;2. 进行质量控制检查,检查无损检测工作的规范性和准确性;3. 进行质量控制分析,分析检测结果的准确性和可靠性。
无损检测过程管理制度一、总则为规范无损检测工作,确保检测质量,提高安全生产水平,根据相关法律法规和标准规定,制定本管理制度。
二、适用范围本制度适用于公司内部所有无损检测工作,包括但不限于设备、管道、构件等的无损检测工作。
三、组织架构1. 检测部门检测部门是公司无损检测工作的执行机构,负责组织和实施无损检测工作。
2. 管理部门管理部门负责监督和管理无损检测工作,确保检测质量。
3. 质量部门质量部门负责对无损检测结果进行评审,确保检测结果准确可靠。
四、工作流程1. 检测前准备(1)确定检测范围和要求;(2)编制检测方案;(3)选择合适的检测方法和设备;(4)对检测人员进行培训和考核。
2. 检测过程(1)按照检测方案进行检测;(2)记录检测数据;(3)对发现的缺陷进行评价,并提出处理建议;(4)及时通报检测结果。
3. 检测后处理(1)编制检测报告;(2)对检测结果进行审核;(3)对未通过检测的设备、构件进行处理;(4)及时更新设备、构件的检测记录。
五、质量管理1. 建立健全质量管理体系,确保无损检测质量;2. 定期对检测设备进行校准和维护;3. 对检测人员进行培训和考核,确保其技术能力和素质符合要求;4. 对检测结果进行复核和评审,确保检测结果准确可靠。
六、安全管理1. 遵守安全操作规程,确保无损检测过程中人员和设备的安全;2. 严格执行相关安全措施,防止事故发生;3. 对发现的安全隐患及时进行处理,确保人员安全。
七、设备管理1. 建立设备档案,记录设备的购置、维护、维修等情况;2. 对设备进行定期检查和维护,确保设备正常运行;3. 损坏和报废设备及时下线,并进行处理。
八、责任追究对违反本管理制度和造成损失的行为,将追究相关责任人的责任,确保无损检测工作的正常进行。
九、制度执行1. 每年对本管理制度进行一次评估和修订;2. 制度的执行人员应严格按照制度的要求执行,确保制度的有效实施。
十、附则本管理制度自发布之日起正式执行。
一、总则为规范无损检测工作,保障无损检测工作的质量和安全,保证设备运行的安全稳定,实现设备的经济效益和社会效益的最大化,制定本制度。
二、适用范围本制度适用于公司内所有无损检测工作,包括设备、管道、焊接、压力容器等相关无损检测工作。
三、管理机构1. 公司无损检测工作由技术部门负责统一管理,包括制定、修改、实施、监督和检查无损检测工作。
2. 技术部门负责无损检测工作的计划、组织、指导、检验等工作。
3. 技术部门设立无损检测管理人员,负责具体组织和实施无损检测工作。
四、无损检测人员要求1. 无损检测人员应具备国家相关职业资格证书,并通过公司内部的技能考核,能够胜任相应的无损检测工作。
2. 无损检测人员应积极参加相关培训,不定期接受进修政策,提升自己的技能和业务水平。
3. 无损检测人员应严格遵守公司相关管理制度和操作规程,不得违反相关操作规定。
4. 无损检测人员应具备责任心,保证无损检测工作的准确、及时、高效。
五、工作程序1. 无损检测前,应进行安全管理制度的宣传和技术交底,包括工作风险、安全事故应急措施等,并做好防火、防爆措施。
2. 无损检测应根据工作任务,制定相应的无损检测方案和技术要求,包括无损检测方法、仪器设备、检测位置等。
3. 无损检测实施前,应对无损检测仪器设备进行检查和校准,确保仪器设备的正常运行。
4. 无损检测人员应按照无损检测方案和技术要求,进行无损检测工作,并填写无损检测记录。
5. 无损检测工作完成后,应将无损检测结果和分析报告反馈到技术部门,做好相关档案记录。
1. 公司应建立相关的无损检测技术文件,包括无损检测方法、操作规程、技术说明、报告模板等。
2. 无损检测技术文件应定期检查和更新,保证技术文件的及时和准确。
3. 技术文件应按照规定存档,保证技术文件的完整和安全。
四、设备管理1. 公司应建立无损检测仪器设备档案,包括设备名称、型号、出厂日期、检定周期、使用单位等。
2. 无损检测仪器设备的管理应按照相关规定进行,包括定期保养、检查、校准等。
一、总则第一条为了规范无损检测档案管理工作,确保无损检测档案的完整、准确、安全,提高无损检测档案的管理水平,根据《中华人民共和国档案法》、《中华人民共和国档案法实施办法》等相关法律法规,结合本单位的实际情况,制定本制度。
第二条本制度适用于本单位所有无损检测档案的管理工作。
第三条无损检测档案管理应遵循以下原则:1. 集中统一管理原则;2. 完整性、准确性、安全性原则;3. 分类管理、分级保护原则;4. 便于利用、方便服务原则。
二、组织机构及职责第四条成立无损检测档案管理领导小组,负责无损检测档案管理工作的全面领导、监督和协调。
第五条无损检测档案管理领导小组下设无损检测档案管理办公室,负责无损检测档案的具体管理工作。
第六条无损检测档案管理办公室职责:1. 制定无损检测档案管理制度,并组织实施;2. 组织开展无损检测档案的收集、整理、归档、保管、鉴定、销毁等工作;3. 对无损检测档案进行分类、编号、编目,确保档案的完整性和准确性;4. 对无损检测档案进行数字化处理,提高档案的利用率;5. 定期对无损检测档案进行安全检查,确保档案安全;6. 向无损检测档案使用单位提供档案查询、借阅、复制等服务;7. 负责无损检测档案的统计、分析和上报工作。
三、档案收集与整理第七条无损检测档案的收集应遵循以下原则:1. 全面性原则:收集与无损检测工作相关的所有档案资料;2. 实用性原则:收集对无损检测工作有实际意义的档案资料;3. 适时性原则:及时收集无损检测档案,确保档案的时效性。
第八条无损检测档案的整理应遵循以下要求:1. 分类整理:根据无损检测档案的性质、内容、形成时间等进行分类整理;2. 编号排序:对整理好的无损检测档案进行编号,确保档案的有序性;3. 编目著录:对无损检测档案进行编目著录,包括档案名称、编号、形成时间、保管期限等;4. 档案盒标识:对档案盒进行标识,标明档案名称、编号、保管期限等信息。
四、档案保管与鉴定第九条无损检测档案的保管应遵循以下要求:1. 室内温度、湿度适宜,确保档案的安全;2. 档案柜应通风、防潮、防虫、防尘、防鼠、防盗;3. 定期对档案进行清洁、消毒,防止档案受损;4. 对重要档案实行双人保管,确保档案安全。
无损检测工作管理制度第一章总则第一条为规范和加强公司无损检测工作,保证产品质量,提高生产效率,确保人员安全,根据《非破坏检测管理条例》的相关规定,制定本管理制度。
第二条本制度适用于公司所有从事无损检测工作的人员。
第三条公司无损检测工作负责人为公司技术部主任,负责全面领导和管理无损检测工作。
第四条公司技术部负责具体实施公司无损检测工作,落实相关制度和要求。
第五条公司所有从事无损检测工作的人员必须严格遵守本制度,服从管理,保证工作质量和安全。
第六条公司无损检测工作应按照相关国家标准和要求进行,确保检测结果的准确性和可靠性。
第七条公司无损检测工作应遵守相关法律法规,确保检测过程和结果的合法性和规范性。
第八条公司无损检测工作应注重环境保护,采取措施减少对环境的影响。
第九条公司无损检测工作应保护人员的人身安全,做好相关防护措施,避免发生意外事件。
第十条公司无损检测工作应保护相关设备和工具,定期检修维护,确保设备和工具的正常运转。
第二章无损检测工作流程第十一条公司无损检测工作应按照以下流程进行:(一)委托---客户向公司提交无损检测委托,并提供相关资料;(二)接单---公司技术部确认委托内容,并安排相关人员进行无损检测;(三)检测---公司无损检测人员按照委托内容进行无损检测工作;(四)报告---公司技术部编制无损检测报告,并提交客户;(五)结算---客户确认无损检测报告,进行结算。
第十二条公司无损检测工作应按照相关的标准和规范进行,确保检测结果的准确性和可靠性。
第十三条公司无损检测人员应具备相关的专业知识和技能,确保检测工作的质量和效率。
第十四条公司无损检测工作应定期对设备和工具进行检查和维护,保证设备和工具的正常运转。
第三章无损检测工作安全管理第十五条公司无损检测工作应做好相关安全管理工作,确保人员的人身安全。
(一)无损检测人员应严格遵守安全操作规程,做好相关防护措施;(二)无损检测人员应进行安全培训,掌握相关的安全知识和技能;(三)无损检测人员应定期参加安全演练,提高应对突发事件的能力。
无损检测记录管理制度一、总则为规范无损检测记录的管理,确保无损检测记录真实、完整、可追溯,提高无损检测工作的质量和效率,特制定本管理制度。
二、适用范围本管理制度适用于公司内所有相关无损检测单位的无损检测工作记录管理。
三、工作责任1. 生产部门负责对检测过程中产生的无损检测记录进行统一管理,并保证其真实性和完整性。
2. 质量部门负责监督和审核无损检测记录的管理过程,确保其合规性和有效性。
3. 各部门负责人需对本单位的无损检测记录管理工作负责,并定期进行检查和评估。
四、记录管理流程1. 无损检测记录的生成(1)无损检测前,制定详细的检测计划和方案,确定检测方法和工艺。
(2)执行无损检测时,按照检测计划和方案进行检测操作,记录检测过程中的关键信息。
(3)根据检测结果编制无损检测报告,记录检测结果、分析和评定。
2. 无损检测记录的整理和归档(1)检测人员应当及时将检测过程中的记录整理成规范的检测报告。
(2)负责人员核对、审批检测报告,并签署确认。
(3)将完成的检测报告进行分类、编号、归档,并建立档案管理系统。
3. 无损检测记录的保密和共享(1)无损检测记录为公司内部资料,应当严格保密,不得外传。
(2)相同项目的无损检测记录可以在内部共享,但须经相关部门同意。
五、文件控制1. 部门负责人应当确保无损检测记录的相关文件齐全。
2. 检测记录必须在规定的时间内完成编制、审批和归档。
六、质量管理1. 质量部门定期对无损检测记录管理工作进行监督和检查,发现问题及时纠正。
2. 质量部门应当定期评估无损检测记录管理工作的有效性,并提出改进建议。
七、培训1. 公司应当定期组织无损检测记录管理知识的培训,提高相关人员的管理水平和技能。
2. 新员工入职时应接受无损检测记录管理规定的培训。
八、违规处理1. 对于违反无损检测记录管理规定的行为,公司将进行严肃处理,包括警告、记过等处罚。
2. 情节严重的,将给予撤职、开除处分。
九、附则1. 本管理制度自颁布之日起实施,同时废止以往有关无损检测记录管理的规定。
质量管理制度编制:审核;批准:1、目的1.1无损检测是确保管道质量的重要检验手段,为了规范无损检测的控制程序、内容和活动,保证和提高产品质量,特制定本制度。
1.2本制度规定了无损检测人员资格管理,无损检测工艺管理、无损检测设备、试剂的管理、无损检测实施的管理及无损检测报告资料的管理等控制环节的基本内容,明确了责任人员、职责范围和控制内容。
2. 适用范围本章适用于无损检测全过程的质量管理,本工程无损检测采用的检测方法为射线检测(RT)、超声波检测(UT)、渗透检测(PT)。
3. 职责3.1本项目部质量管理由项目部技术质量负责人管理,生产部、技术部予以配合。
3.2无损检测质量控制实行无损检测责任人员负责制,并接受技术负责人的监督检查。
4.工作程序和内容4.1无损检测质量组织结构图4.2质量要求4.2.1质量方针:科学准确优质高效持续发展用户满意----是全体员工信守的准则科学准确——严格按照标准、程序进行检测,保证数据准确;优质高效——服务热情,按期完成检测报告,客户满意;持续发展——持续改进质量管理体系的有效性;用户满意——用户满意是我们追求的永恒目标。
4.2.2质量目标射线检测底片质量合格率100%(对不合格的底片要及时补拍并达到合格);超声波检测准确率≥99%;检测比例符合率100%检测;指令执行率100%;射线检测评片准确率≥99.95%(明显的缺陷影象特征不得错评和漏评,否则监理有权建议对评片人员进行清退处理);检测报告准确率100%;标准规范执行率100%。
4.3无损检测人员资格管理4.3.1无损检测员应按国家质检总局的规定,经培训考核取得《中华人民共和国特种设备检测检验人员证》。
4.3.2无损检测人员资格证按国家质检总局《特种设备无损检测人员考核与监督管理规则》的规定分为射线检测、超声波检测、磁粉检测、渗透检测四种方法和Ⅰ、Ⅱ、Ⅲ三个级别。
4.3.3无损检测人员只能从事与其证书所注明的方法与级别相适应的无损检测工作,其中: Ⅰ级人员可在Ⅱ、Ⅲ级人员指导下进行无损检测工作,记录检测数据,整理检测资料.Ⅱ级人员可编制一般无损检测程序,按照无损检测工艺规程或在Ⅲ级人员指导下编写工艺卡,并按无损检测工艺独立进行检测操作,评定检测结果,签发检测报告。
无损检测质量管理制度无损检测质量管理制度一、管理体系1.1质量政策:本公司以“质量至上,用户至上”的方针作为质量管理制度的核心,建立质量管理体系,不断提高产品和服务质量,满足客户需求和期望,不断发展和壮大公司。
1.2 管理目标:保持零缺陷,追求卓越,为客户提供优质的产品和服务,并实现公司长期稳健发展。
1.3 组织机构:本公司设有技术管理组、生产管理组、销售管理组,分别负责公司的技术、生产、销售工作,并有专门的质量管理部门,负责管理公司的质量工作,形成了一套完整的管理体系。
1.4 质量目标:提高产品质量,升级技术水平,增强管理效能,降低成本;为客户提供更高质量的产品和服务;创造价值,提高市场竞争力。
二、质量管理规定2.1 计量器具的管理:本公司设有计量器具管理制度,所有计量器具必须使用统一的国家标准,定期定量检定,实现计量器具的精确可靠。
2.2 生产过程控制:本公司建立了严格的生产过程规定,确保每一个生产环节都严格按照制定的标准履行,以保证产品合格率。
2.3 检测过程控制:本公司建立了严格的检测过程控制规定,每个环节都必须按严格的规定履行,以确保产品检测合格率。
2.4 产品质量控制:本公司执行严格的产品质量检验及控制规定,完成产品质量自检;另有专门的验收工作原理保障产品质量。
三、质量管理体系3.1 计量器具管理体系:本公司建立计量器具管理档案,每一个计量器具都有详细的档案记录,以确保每一个计量器具的精确可靠。
3.2 生产过程管理体系:本公司建立生产过程管理档案,每一个生产环节都有详细的档案记录,并按规定审查、汇总,以确保每一个生产环节的良好运行。
3.3 检测过程管理体系:本公司建立检测过程管理档案,每一个检测环节都有详细的档案记录,以确保每一个检测环节严格按照规定履行。
3.4 产品质量管理体系:本公司建立产品质量管理档案,针对不同的产品建立质量标准,以确保产品质量的满足客户需求。
四、质量管理评估4.1 内部评审:本公司定期对质量管理体系进行内部评审,从技术、管理、服务等方面进行全面评估,并采取改善措施,制定行动计划,以不断提高质量管理水平。
无损检测管理制度一、目的和范围本制度旨在规范无损检测工作,确保检测结果的准确性和可靠性,适用于本公司所有涉及无损检测的部门和人员。
二、管理职责1. 质量管理部门负责制定和修订无损检测管理制度,监督制度的执行情况。
2. 无损检测工程师负责具体的检测操作,编写检测报告,并对检测结果负责。
3. 相关部门负责提供必要的支持和配合,确保无损检测工作的顺利进行。
三、设备和材料管理1. 无损检测设备必须定期进行校准和维护,确保其性能满足检测要求。
2. 检测材料应当妥善存放,防止受潮、污染或其他可能导致性能变化的情况。
3. 使用前后应对设备进行检查,确保其正常工作状态。
四、检测程序1. 根据检测对象和检测目的选择合适的无损检测方法。
2. 制定详细的检测计划,包括检测时间、地点、方法和标准等。
3. 在检测前对被检测对象进行表面清理,确保检测结果的准确性。
4. 检测过程中应严格按照操作规程执行,避免人为误差的产生。
五、质量控制1. 无损检测工作应遵循相应的国家或国际标准,确保检测质量。
2. 对于关键部件或关键检测项目,应实行双重或多重检测,以提高检测的可靠性。
3. 定期对无损检测人员进行培训和考核,提升其专业技能和责任意识。
六、记录和报告1. 无损检测的所有数据和结果应当实时记录,并保存在规定的期限内。
2. 检测报告应由有资质的工程师编写,内容应完整、准确、清晰。
3. 对于检测中发现的问题,应及时通报相关部门,并提出整改建议。
七、不合格品的处理1. 对于检测出的不合格品,应立即隔离并进行标记,防止其流入下一生产环节。
2. 根据不合格情况,决定是否进行返工、返修或报废处理。
3. 不合格品的处理结果应记录并归档,作为后续改进的依据。
八、持续改进1. 定期对无损检测管理制度进行评审和改进,以适应新的技术和市场需求。
2. 鼓励员工提出改进建议,持续提升无损检测的效率和质量。
无损检测规章制度无损检测规章制度是指对无损检测(Non-Destructive Testing,简称NDT)工作进行管理的一套规范和制度。
无损检测是一种利用物质的声学、热学、电磁学、光学等物理特性对物质进行检测的技术手段,其目的是在不破坏被检测物件的前提下,发现物件内部或外部的缺陷、病害、劣化等。
一、无损检测组织和管理1.组织设置:设立无损检测部门,负责无损检测的组织、管理和技术支持,包括人员配备、设备购买和维护等。
2.管理责任:制定无损检测的管理责任制度,明确各级管理人员的职责和权限,确保无损检测工作的高效进行。
二、无损检测人员的资格要求和培训管理1.资格认证:无损检测人员应具备相应的资格证书,包括相关的教育背景和培训经历。
2.培训计划:制定无损检测人员的培训计划,包括理论知识和实践技能的培训,定期进行培训和考核。
3.证书管理:对无损检测人员的证书进行管理,包括证书的登记、更新和维护等,确保证书的有效性和及时性。
三、无损检测设备和工具的管理1.设备购买:根据无损检测的需求,制定设备采购计划,选择适当的设备和工具,确保设备的质量和性能满足要求。
2.设备维护:建立设备维护制度,定期进行设备的检修和维护,确保设备的正常工作和准确性。
3.工具使用:规定工具的使用方法和操作规范,确保无损检测工作的准确和安全。
四、无损检测工作的程序和标准1.检测方案:根据被检测物件的要求和特点,制定相应的检测方案,包括检测方法、参数和步骤等。
2.检测报告:对检测结果进行准确记录,并制作检测报告,包括测试数据、结果分析和评价等。
3.质量控制:建立质量控制制度,确保无损检测的准确性和可靠性,包括对仪器设备的校准和检查,以及对人员的持续培训和评价。
五、无损检测的质量保证和监督体系1.质量保证:建立质量保证体系,确保无损检测的工作质量,包括对工作流程和程序的规范和监控。
2.监督管理:建立监督管理机制,定期检查和评估无损检测工作的质量和效果,及时发现和纠正问题。
无损检测质量管理制度一、目的和范围二、术语和定义1.无损检测:无损检测是指在不破坏被测对象完整性的前提下,利用物理量的变化或脉冲的传播规律对被测对象进行非破坏性检测的一种方法。
2.质量管理:质量管理是指按照既定的质量标准,通过采取一系列相应的措施和流程,对产品或服务进行规范、管理、控制和改进的过程。
三、无损检测质量管理要求1.无损检测人员必须具备相关的专业知识和技能,并持有相关的证书或资格;2.无损检测设备必须经过定期检校和维护,确保其工作正常和准确;3.无损检测操作必须符合相关的标准和规程,操作人员必须按照规程进行操作;4.无损检测结果必须及时准确地记录,并及时向相关部门和人员进行汇报;5.对于出现的异常情况或异常结果,必须立即采取相应的措施进行处理,并进行记录;6.对于无损检测过程中发现的问题,必须及时向相关部门提出改进意见,并跟踪改进措施的落实情况;7.无损检测结果的解读必须符合相关的标准和要求,结果报告必须准确简明,并及时提供给相关部门和人员。
四、无损检测质量管理措施1.建立相关的管理制度和流程,明确无损检测工作的职责和权限,确保工作的顺利进行;2.对无损检测人员进行培训和考核,保证其专业知识和技能的更新和提高;3.定期检验和校准无损检测设备,确保设备工作正常和准确;4.对无损检测操作进行标准化和规范化,制定详细的操作规程,并进行培训和考核;5.建立完善的记录和档案管理制度,对无损检测结果进行记录和归档,并留存相关的资料和报告;6.建立问题反馈和改进制度,对无损检测过程中出现的问题进行及时处理和改进;7.定期进行质量检查和评估,对无损检测工作的质量进行全面评估和分析,提出改进建议。
五、无损检测质量管理责任1.无损检测质量管理由质量部门负责,质量部门必须设立专门的质量管理岗位,并明确质量管理人员的职责和权限;2.无损检测人员必须严格按照质量管理制度的要求进行工作,并保证检测结果的准确性和可靠性;3.相关部门必须积极配合质量部门的工作,提供必要的支持和资源,确保质量管理工作的顺利进行;4.无损检测人员的上级领导必须对其工作进行监督和指导,确保其工作的质量和效果。
无损检测管理制度文件第一章总则为了规范和加强无损检测工作,提高无损检测质量和水平,保证设备和工程质量,特制定本制度。
第二章任务和职责无损检测部门的主要任务是:1. 组织和实施对设备、工程的无损检测,提供准确可靠的无损检测数据;2. 组织和实施无损检测人员的培训和考核工作;3. 组织和开展无损检测质量管理,确保无损检测的准确性和可靠性。
无损检测部门的主要职责是:1. 制定无损检测方案;2. 组织、部署和监督各类无损检测工作;3. 编制和管理无损检测技术文件和档案;4. 做好无损检测仪器设备的维护、保养和审核工作;5. 做好无损检测人员的培训和考核工作;6. 对无损检测工作质量进行检查和监督;7. 参与无损检测方案编制和评审。
第三章无损检测人员管理1. 无损检测人员的选拔(1)无损检测人员应具备与所从事的无损检测工作相适应的专业知识和技术能力,并且具有相关的职业资格证书;(2)无损检测人员应具有奋发进取的工作作风和团队合作精神,能够正确执行无损检测方案和技术标准。
2. 无损检测人员的培训和考核(1)无损检测人员应接受必要的培训,了解和掌握最新的无损检测技术;(2)无损检测人员应定期参加无损检测技术知识和操作技能的考核。
3. 无损检测人员的安全保护(1)无损检测人员应严格遵守安全操作规程,做好个人防护工作;(2)对无损检测人员在工作中发生的职业伤害事故,要给予及时救治和妥善处理。
第四章设备管理1. 无损检测设备的采购和验收(1)无损检测设备的采购应根据实际工作需要,选用性能稳定、质量可靠的产品;(2)对新购或调拨的无损检测设备应进行验收,确保其性能符合要求。
2. 无损检测设备的维护和保养(1)无损检测设备应按照规定的周期进行定期检查和保养;(2)对无损检测设备的维护保养工作要做好记录和追踪,确保设备的正常运转。
3. 无损检测设备的定期检验(1)无损检测设备应按照规定的周期进行定期检验,确保设备的工作性能和精度;(2)对无损检测设备的检验工作要做好记录和有效期管理。
无损检测规章制度范本下载第一章总则第一条为加强无损检测工作管理,提高无损检测工作效率和质量,制定本规章制度。
第二条本规章制度适用于公司内的无损检测工作,适用范围包括但不限于设备、管道、构件、焊缝、母材等的无损检测。
第三条公司应建立健全无损检测机构,配备合格的无损检测人员,并严格遵守国家有关规定。
第四条无损检测工作应遵循“预防为主,安全第一”的原则,确保无损检测工作的安全、准确和可靠。
第五条无损检测工作应按照《无损检测程序》执行,确保无损检测结果的准确性和真实性。
第二章无损检测机构第六条公司应设立专门的无损检测机构,配备符合国家标准要求的无损检测设备和仪器。
第七条无损检测机构应配备专业的无损检测人员,人员应具备相关专业技术资格证书,并定期进行培训和考核。
第八条无损检测机构应建立健全的管理制度,明确无损检测工作的职责分工和工作流程。
第三章无损检测人员第九条无损检测人员应按照国家规定的资格要求取得相应无损检测资格证书。
第十条无损检测人员应具备扎实的专业知识和技能,熟悉无损检测设备和方法。
第十一条无损检测人员应遵守无损检测工作的相关规定,严格执行无损检测程序。
第四章无损检测程序第十二条公司应按照国家有关标准和规定制定并执行《无损检测程序》,确保无损检测工作的规范化和标准化。
第十三条无损检测程序应包括但不限于无损检测方法、设备使用、工作流程、结果评定等内容。
第十四条无损检测程序应经过管理部门审核批准后执行,未经批准不得擅自更改。
第五章无损检测工作流程第十五条无损检测工作流程包括但不限于设备检测、焊缝检测、管道检测等内容,应细化明确每项工作的具体步骤和要求。
第十六条无损检测工作应按照程序要求进行,工作人员应严格遵守操作规程,确保无损检测结果的准确性和可靠性。
第十七条无损检测工作结束后应及时整理资料,编制检测报告,并核实报告内容的真实性和准确性。
第六章无损检测结果评定和处理第十八条无损检测结果应由专业无损检测人员进行评定,评定结果应真实准确。
06无损检测记录管理制度1
文件编号:NPIC-YR-ZD-06
版本:A
页数:共4 页
中国核动力研究设计院
压力容器制造质量保证体系管理制度
编写:____________________
校对:____________________
审核:____________________
批准:____________________
2006-04-08发布2006-05-10实施
中国核动力研究设计院质量管理体系管理制度
无损检测记录管理制度文件编号:NPIC-YR-ZD-06 版本:A
本页版次:0
页码:2/4
1 目的
对无损检测记录进行控制,为压力容器制造质量提供相应证据,确保产品
质量符合规定的要求。
2 范围
本制度适用于我院压力容器制造中无损检测质量记录的控制。
3 职责
3.1质保科负责无损检测报告档案的归口管理。
3.2无损检测责任工程师负责无损检测系统中相关记录的收集、整理。
4 工作程序
4.1 无损检测记录的分类
4.1.1射线检测记录包括“无损检测委托单”、“检测部位图”、“布片图”、“焊接射线检测工艺卡”、底片、“射线探伤质量评定记录”、“射线探伤质量通知单”、“焊缝射线探伤不合格品处理通知单”和“射线探伤报告”。
4.1.2超声波检测记录包括“无损检测委托单”、“检测部位图”、“焊缝超声检测工艺卡”、“超声波探伤报告”和超声波自动记录资料。
4.1.3磁粉检测记录包括“无损检测委托单”、“检测部位图”、“磁粉检测工艺卡”、照片和“磁粉探伤报告”。
4.1.4渗透检测记录包括“无损检测委托单”、“检测部位图”、“渗透检测工艺卡”、照片和“渗透探伤报告”。
4.2 记录的填写
4.2.1无损检测记录必须采用钢笔或圆珠笔填写,填写时字体应规范、清晰。
4.2.2无损检测记录填写时需按照相应记录表格要求的内容逐项填写,不能填写的项目应用“/”表示。
4.2.3 无损检测记录原则上不允许修改,当需修改时,应由记录人更改,并在适当位置签
上姓名和日期。
4.2.4检测报告应由具有特种设备无损检测专业II级及以上资格人员出具,经审核签字后生效。
4.2.5检测报告应逐项填写,要求字迹清楚,表达明确,用数字表达的检测项目应填写实测数据,计量单位均应采用法定计量单位。
4.2.6检测报告应采用规定的格式,报告的格式须经批准后方可使用,其内容应完整。
4.2.7原始记录的填写应保证真实性,透照条件的记录必须是实际操作的数据,不得抄抄录工艺卡上规定的数据,射线探伤质量评定记录和检测报告如实正确填写,原始记录和检测报告应具有一致性。
4.2.8检测部位图应清晰、准确地反映实际检测的方位(如射线照相位置编号、方向等)。
4.3 记录的收集、管理
4.3.1无损检测报告、评片记录及其它原始记录和工艺卡等资料由Ⅱ级人员收集汇总,按每台产品建立档案管理,并建立台账以便查询。
无损检测责任工
程师负责监督管理。
4.3.2无损检测原始记录每年年底由无损检测责任工程师交质保科归入产品制造质量档案统一存档保存。
4.3.3产品制造质量档案由质保科按以下编号要求,进行建档管理。
□□□□—□□□□—□□□□
∣∣∣
产品标记号出厂年代流水号
4.4 质量记录的保存
4.4.1无损检测记录应保存在适宜的环境中,以防止其丢失、损坏或变质;
4.4.2底片评定后应按编号理顺后用纸隔开,装入底片保存袋内,按检验编号顺序分捆包扎,存放于专用的档案柜内,将底片垂直置放于架子上,不得平放或堆叠,以防受压变形变质,室内的温度和湿度应保证底片长期存放不变形不变质,尤其要防止温度过高和湿度太大。
4.4.3无损检测档案和底片(包括原缺陷的底片)保存期限不得少于7年,7年后若用户需要可转交用户保管。
4.5 无损检测记录的查阅
4.5.1各相关部门人员需查阅无损检测记录时,需征求记录保管部门领导的同意,若需查阅产品质量档案时,须经质保工程师助理批准;
4.5.2无损检测记录原则上不得外借,若确因特殊情况需外借,则借阅人填写“文件调阅
单”,经质保工程师助理批准后借阅。
4.6 无损检测记录的销毁
对于超过保存期限的无损检测记录,由记录保管人填写“文件销毁清单”,经批准后,按要求进行销毁处理。
2009年注册咨询工程师考试各科目全解析
2009年度注册咨询工程师(投资)职业资格考试时间为4月17日,18日,19日。
注册咨询工程师考试科目为工程咨询概论、宏观经济政策与发展规划、工程项目组织与管理、项目决策分析与评价、现代咨询方法与实务五门。
相信很多考生已经开始复习了,如何在这几个月里复习好这五门课呢?前程根据老师多年的经验对这五个科目进行了分析,相信对大家的复习有所帮助。
《工程咨询概论》是注册咨询工程师(投资)考试的基础,是了解和掌握其他四个科目知识的前提。
《工程咨询概论》的重点是工程咨询服务的内容。
在考试中,题目主要是考查考生对文字内容的理解和记忆,考生在复习时要注意各个知识点的关联性,注重对细节内容的理解和记忆;此外,还要注意与其他四个科目之间的联系,这样既有助于考生对整个考试内容体系的把握,也有助于考生对本科目知识的掌握。
《宏观经济政策与发展规划》主要包括宏观经济政策和国家发展规划两部分内容。
宏观经济政策部分内容较多。
在这上面出计算题的几率相对较少,以
文字理解为主。
在复习中应注重对政策、指标的理解,把握好每个章节的逻辑关系。
《工程项目组织与管理》主要内容包括工程项目管理的基本理论、内容和方法,注重考查考生掌握这些知识的程度及考生运用这些知识解决实际问题的能力。
其中侧重对概念及定性知识的考查的内容有范围管理、人力资源管理、招投标管理、合同管理、质量管理、风险管理、工程项目管理的基本概念、各参与方对项目管理的特点和主要任务、工程项目管理的主要模式及工程项目综合管理等。
考生在复习时应结合工程项目的特点及实际应用程序来理解记忆。
进度管理和费用管理比较偏重定量计算,是这个科目的难点所在,应该在这上面多花点时间,多熟悉网络图以及各种计算方法。
《项目决策分析与评价》的内容始终围绕一个主题项目的决策。
要做出决策,就要对项目的各个方面做出判断,所以这个科目所涉及的知识面非常广,包括市场战略、市场营销、工程技术、财务分析、经济分析、概率分析、风险分析等。
在学习这些知识的同时,应当注意它们之间的联系,多归纳总结,综合运用。
这一科计算量比较大,一般有15—20道题左右。
在复习的时候必须全面阅读书本,准确把握各个概念,关键知识点、重点词语都要记牢。
《现代咨询方法与实务》为主观题,从概念到方法、从理论到案例,既要求考生具有宏观知识背景,又注重考察考生运用咨询方法,进行分析、论证、运算和判断的实际操作能力。
平时多做题多联系实际,将知识融会贯通,对照问题寻找方法,学会如何把所学知识应用到工程咨询实践中去。
这五门课的知识点都是紧密相连的,不能机械的分开复习,要懂得综合运用。
最后前程预祝广大参加09年咨询工程师考试的考生复习备考顺利!。