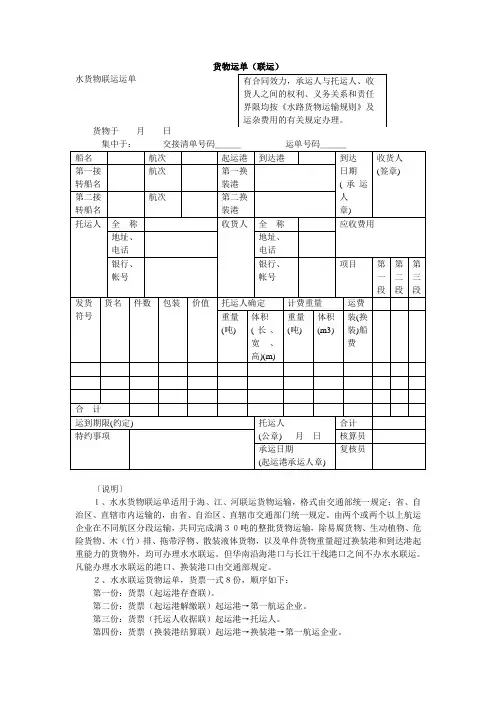
货物运单(联运)
- 格式:docx
- 大小:87.41 KB
- 文档页数:10
水水货物联运运单
本表经承运人签盖运输合同专用章后,具有月度运输合同效力,有关承运人与托运人,收货人之间的权利、义务关系和责任界限,按《水路货物运输规则》及运杂费用的有关规定办理。
货物于____月____日
集中于:____________ 交接清单号码________ 运单号码________
船名
航次
起运港
到达港
第一接转船名
航次
第一换装港
到达日期(承运人章)收货人(签章)
第二接转船名
航次
第二换装港
发货符号
货名
件数
优质文档在您身边/双击可除包装
价值
托运人确定
计费重量
等级
费率
金额
应收费用
重量吨
体积(长,宽高)m
重量(吨)。
货物运单(联运)
货物于月日
〔说明〕
1、水水货物联运单适用于海、江、河联运货物运输,格式由交通部统一规定;省、自治区、直辖市内运输的,由省、自治区、直辖市交通部门统一规定。
由两个或两个以上航运企业在不同航区分段运输,共同完成满30吨的整批货物运输,除易腐货物、生动植物、危险货物、木(竹)排、拖带浮物、散装液体货物,以及单件货物重量超过换装港和到达港起重能力的货物外,均可办理水水联运。
但华南沿海港口与长江干线港口之间不办水水联运。
凡能办理水水联运的港口、换装港口由交通部规定。
2、水水联运货物运单,货票一式8份,顺序如下:
第一份:货票(起运港存查联)。
第二份:货票(起运港解缴联)起运港→第一航运企业。
第三份:货票(托运人收据联)起运港→托运人。
第四份:货票(换装港结算联)起运港→换装港→第一航运企业。
第五份:货票(换装港解缴联)起运港→换装港→第二航运企业。
第六份:货票(收货人存查联)起运港→换装港。
第七份:货票(收货人存查联)起运港→换装港→到达港→收货人。
第八份:水水联运货物运单(提货凭证)起运港→换装港→到达港→收货人→到达港存。
每增加一个换装港,由起运港加抄3份。
3、货行运单联用厚纸印刷,货票各联用薄纸印刷,印刷颜色应有区别:解缴联、结算联为红色,收据联为绿色,其他各联为黑色。
4、要印固定号码。
5、到达港收费,另开收据。
6、规格:长21厘米,宽30厘米。
水水联运货物运单合同协议本合同是由以下各方订立的水水联运货物运单合同协议(以下简称“本合同”):甲方(承运人):(公司名称)地址:法定代表人:联系电话:乙方(托运人):地址:法定代表人:联系电话:鉴于双方本着平等互利的原则,就甲方承运乙方货物事宜达成协议,特订立本合同,以约定各项权益和责任。
一、货物信息1.1 货物名称:1.2 托运数量:1.3 货物重量:1.4 货物体积:1.5 发货地点:1.6 目的地点:二、费用及结算方式2.1 运费:乙方应按照双方协商确定的运费标准支付相应运费。
2.2 结算方式:乙方应在货物送达目的地后的(天数)内结清运费。
2.3 违约金:如乙方未按约定时间结算运费,应支付相应的违约金。
三、运输方式和时间3.1 运输方式:甲方将采取(车辆/船舶/飞机等)方式进行货物运输。
3.2 运输时间:双方协商确定货物的发货时间和预计到达时间。
3.3 责任承担:甲方应对货物运输期间的安全负责,如有货物损坏或丢失,应承担赔偿责任。
四、货物保险4.1 乙方可自行购买货物保险,保障运输途中的货物安全。
五、违约责任5.1 如乙方未按照约定时间将货物交付给甲方承运,甲方有权要求乙方支付相应的违约金。
5.2 如甲方未按时将货物运送到目的地且造成乙方损失,甲方应承担相应的赔偿责任。
六、争议解决6.1 本合同的解释和争议解决均适用中华人民共和国法律。
6.2 双方因本合同引起的任何纠纷应友好协商解决,若协商不成,应提交至约定管辖法院解决。
七、其他条款7.1 本合同自双方签字盖章之日起生效,有效期为(时间段)。
7.2 本合同一式两份,双方各执一份,具备同等法律效力。
甲方(承运人):乙方(托运人):日期:日期:。
国际铁路货物联运运单的填写运单正面未划粗线的各栏由发货人填写,现将发货人填写的各栏说明如下:第1栏,发货人及其通信地址填写发货人的名称及其通信地址。
发货人只能是一个自然人或法人。
由中国、朝鲜、越南发货时,准许填写这些国家规定的发货人及其通信地址的代号。
第2栏,合同号码填写出口单位和进口单位签订的供货合同号码。
第3栏,发站填写运价规程中所载发站全称。
第4栏,发货人的特别声明发货人可在该栏中填写自己的声明,例如关于对运单的修改及易腐货物的运送条件等。
第5栏,收货人及其通信地址注明收货人的名称及其通信地址,收货人只能是一个自然人或法人。
从国际货协参加路向未参加国际货协的铁路发货而由站长办理转发送时,则在该栏填写“站长”。
第6栏,对铁路无约束效力的记载发货人可以对该批货物做出记载,该项记载仅作为对收货人的通知,铁路不承担任何义务和责任。
第7栏,通过的国境站注明货物应通过的发送路和过境路的出口国境站。
如有可能从一个出口国境站通过邻国的几个进口国境站办理货物运送,则还应注明运送所要通过的进口国境站。
根据发货人注明的通过国境站确定经路。
第8栏,到达路和到站在斜线之前,应注明到达路的简称,在斜线之后,应用印刷体字母(中文用正楷粗体字)注明运价规程上到站的全称。
运往朝鲜的货物,还应注明到站的数字代号。
运往非货协国的货物而由站长办理转发时,记载国际货协参加路最后过境路的出口国境站,并在该站站名后记载:“由铁路继续办理转发送至﹍﹍铁路﹍﹍站”。
9-11栏的一般说明填写9-11栏事项时,可不受各栏间竖线的严格限制。
但是,有关货物事项的填写顺序,应严格符合各栏的排列次序。
第9栏,记号、标记、填写每件货物上的记号、标记和号码。
货物如装在集装箱内,则还要填写集装箱号码。
第10栏,包装种类填写包装的具体种类,如纸箱、木桶等,不能笼统地填“箱”、“桶”,如用集装箱运输,则记载集装箱。
第11栏,货物名称货物名称应按国际货协规定填写,或按发送路或发送路和到达路现行的国内运价规程品名表的规定填写,但需注明货物的状态和特征;两国间的货物运送,可按两国商定的直通运价规程品名表中的名称填写。
水水联运货物运单(示范文本GF--97--0407)本运单经承托人双方签章后,具有合同效力,承运人与托运人、收货人之间的权利、义务和责任界限适用于《水路货物运输规则》及运价、规费的有关规定。
月度运输合同编码:_________货物交接清单编码:___________编号:___________水水联运货物运单说明 1.水水联运货物运单一式八份,顺序如下:第一份(起运港第一程承运人或其代理人存查联)起运港第一程承运人或其代理人;收费后第二份(托运人收据联)起运港第一程承运人或其代理人托运人;----→第三份(第一程承运人解缴联)起运港第一程承运人或其代理人--第一程承运人;→第四份(换装港港口经营人结算联)起运港第一程承运人→第一程船舶--或其代理人--→→换装港港口经营人--第一程承运人;第五份(第二程承运人结算联)起运港第一程承运人或其第二换装港港口经营人--→→→代理人--第一程船舶--第一到达港港口第二程承运人或其代理人--程船舶--→→程承运人;第六份(到达港港口经营人存查联)起运港第一程承运人→换装港港口经营人--第一程船舶--或其代理人--→→到达港港口经营人;第二程船舶--→第七条(收货人存查联)起运港第一程承运人或其代理人第二程船舶→--第一程船舶--换装港港口经营人--→→→→到达港第二程承运人或其代理人--收货人;--第八份(提货凭证)起运港第一程承运人或其代理人--第二程航船--→第一程船舶--→换装港港口经营人--→到达港→收货人--到达港第二程承运人或其代理人--→→港口经营人--到达港第二程承运人或其代理人。
→每增加一个换装港,由起运港第一程承运人或其代理人加抄二份。
2.水水联运货物运单的抬头均印刷或填写第一程承运人名称。
3.水水联运货物运单第八份用厚纸印刷,其余七份用薄纸印刷;印刷墨色分别为:解缴联、结算联为红色,收据联为绿色,其他联为黑色。
4.要印固定号码或控制号码。
编号: ___________________水水联运货物运单(示范文本GF--97--042019)甲方:____________________乙方:____________________签订日期:____年____月____日本运单经承托人双方签章后,具有合同效力,承运人与托运人、收货人之间的权利、义务和责任界限适用于《水路货物运输规则》及运价、规费的有关规定。
月度运输合同编码:货物交接清单编码:编号:第一程船名或第一程承运人航次起运港到达港应收费用第二程船名或第二程承运人航次第一换装港第一程运费第三程船名或第三程承运人航次第二换装港第二程运费托运人全称收货人全称第三程运费地址、电话地址、电话第一换装港银行、帐号银行、帐号第二换装港发货符号货名件数包装价值(元)托运人确定计费重量重量吨体积长×宽×高立方米重量吨体积立方米总计大写核算员:收款章合计约定装船日期:月日约定运到期限:费用结算方式:复核员:特约事项装船日期:月日时至月日时止船舶签章收货人签章年月日托运人签章年月日承运人签章年月日运到时间:月日时止船舶签章水水联运货物运单说明1.水水联运货物运单一式八份,顺序如下:第一份(起运港第一程承运人或其代理人存查联)起运港第一程承运人或其代理人;收费后第二份(托运人收据联)起运港第一程承运人或其代理人----→托运人;第三份(第一程承运人解缴联)起运港第一程承运人或其代理人--→第一程承运人;第四份(换装港港口经营人结算联)起运港第一程承运人或其代理人--→第一程船舶--→换装港港口经营人--→第一程承运人;第五份(第二程承运人结算联)起运港第一程承运人或其代理人--→第一程船舶--→换装港港口经营人--→第二程船舶--→到达港港口第二程承运人或其代理人--→第一程承运人;第六份(到达港港口经营人存查联)起运港第一程承运人或其代理人--→第一程船舶--→换装港港口经营人--→第二程船舶--→到达港港口经营人;第七条(收货人存查联)起运港第一程承运人或其代理人--→第一程船舶--→换装港港口经营人--→第二程船舶--→到达港第二程承运人或其代理人--→收货人;第八份(提货凭证)起运港第一程承运人或其代理人--→第一程船舶--→换装港港口经营人--→第二程航船--→到达港第二程承运人或其代理人--→收货人--→到达港港口经营人--→到达港第二程承运人或其代理人。
水水联运货物运单新水水联运货物运单是指使用多种水上交通运输方式(如船只、汽船、货轮等)进行的货物运输方式。
水水联运货物运单新的提出,是为了提高货物运输的效率和安全性。
现在许多企业和物流公司都开始逐渐采用水水联运货物运单的方式来运输货物。
水水联运货物运单的优点使用水水联运货物运单的方式,可以带来以下几点优点。
减少货物运输成本水运是现在最为经济实用的交通运输方式之一。
使用水水联运货物运单的方式,可以采用多种水上交通运输方式,选择适合自己的货物的运输方式,不仅可以节省时间,而且可以显著降低货物运输成本。
强化货物运输的安全性使用水水联运货物运单可以加强货物运输的安全性。
在水上交通运输中,一般只要货物保持良好的包装和防潮措施,就可以保证货物运输的安全性。
同时,多种水上交通工具的运用也意味着,即使某一个网点出现任何问题,仍然可以通过其他网点进行货物的运输。
改善货物运输效率使用水水联运货物运单的方式,可以改善货物运输效率。
由于使用的交通工具种类多,且一般来说水上交通工具的装载量较大,因此可以较快地运输大量货物。
另外,在多种水上交通工具的选择和运用中,也可以有效地减少运输中的车辆调度和操作时间,从而改善货物运输效率。
水水联运货物运单新的应用水水联运货物运单新已经逐渐应用于许多不同领域的货物运输中,包括大型机械设备和高值商品等,特别是在国际贸易中,更是受到广泛的应用。
钢铁行业在钢铁行业中,使用水水联运货物运单的方式可以有效地降低成本,同时也能够在运输过程中保证钢铁制品的安全性,因此在钢铁行业中的应用较为广泛。
石油化工行业在石油化工行业中,一般运输的都是危险品,因此对于货物的安全性要求比较高。
在这种情况下,使用水水联运货物运单的方式既可以保证货物的安全性,又可以降低运输成本。
海鲜食品行业对于海鲜食品行业来说,使用水水联运货物运单的方式,可以将海产品快速从产地运到各地销售、加工,避免了鱼虾在运输过程中浸泡在自己的污水里,影响新鲜程度。
水陆联运货物运单水陆联运货物运单的重要性在现代物流运输中,水陆联运模式已经成为非常常见的一种运输方式,能够利用不同交通方式的优势,提高货物的运输效率和降低成本。
但是,在这种运输模式下,由于不同交通方式的转换以及货物的多次装卸,货物的安全运输和运输信息的准确性难以保证。
因此,水陆联运货物运单作为货物流转信息的载体和货物的重要证明文件,不仅是货物运输必需品,也是货物管理的重要工具,对于保证货物安全运输和运输美好体验至关重要。
本文将着重分析水陆联运货物运单的重要性。
一、完整的货物信息水陆联运货物运单能够记录货物的运输起点、目的地、中转地点及过境位置等信息,跨越不同交通方式,全程记录货物运输信息提供完整、详实、准确的货物信息,为货物追踪管理提供有力的保障。
二、避免货物丢失货物的水陆联运需要经过多个环节,当货物在中途发生意外,缺少运输记录,将难以追踪损失的情况,给物流运输企业和消费者带来不必要的损失和纠纷。
而货物运单则能够监督和控制货物的运输流向,显著减少货物丢失的概率。
三、保证货物安全水陆联运需要不同交通工具的协作,货物需在多个交通方式接续之间运输、装卸,因此存在交接风险,途中货物的安全情况也无法保证。
货物运单具有鲜明的证明作用,可依法客观记录货物的交付、装卸、运输等环节,为货物交接时能够快速发现和纠正异常情况提供保障。
四、提高管理效率传统上,物流运输对于货物信息的收集主要依靠货物的出入库单据,难以全程跟踪,信息收集周期长而且有误差。
货物运单的使用能够高效记录货物信息,为货物管理提供了更加直观、精确、快捷的信息,可以对物流运输过程进行实时监控和数据分析,提高运输效率和管理收益,提高经济效益和企业信用度。
五、规范交通运输秩序经营水陆联运的物流企业,尤其是包括海港、河口港口在内的物流企业,容易面临个别业务员舞弊、偷税等多种现象,给企业和整个行业造成经济损失,严重扰乱行业运行秩序。
而货物运单的使用可有效规范水陆联运的秩序,强化运输企业对于货物运输各个流程的规范监管。
水水货物联运运单我可以为您提供一篇关于水水货物联运运单的____字的文章,以下是一份示例:水水货物联运运单(二)一、承运人信息:1. 承运人名称:2. 承运人地址:3. 承运人电话:4. 承运人电子邮箱:二、始发地信息:1. 始发地名称:2. 始发地地址:3. 始发地联系人:4. 始发地联系电话:三、目的地信息:1. 目的地名称:2. 目的地地址:3. 目的地联系人:4. 目的地联系电话:四、货物信息:1. 货物名称:2. 货物包装等级:3. 货物数量:4. 货物重量:5. 货物体积:五、运费结算:1. 运费条款:2. 运费计算方式:六、托运人责任声明:1. 托运人确认所提供的运输信息准确无误,承担因提供虚假信息导致的一切责任。
2. 托运人承诺所托运的货物符合国家和地区的相应法律法规规定,承担因违反法律法规导致的一切责任。
3. 托运人同意按照约定的运输条件和运费支付方式结算运费。
4. 托运人同意按照约定的运输时限接收货物,如因托运人原因导致运输时限延误,托运人将承担相应责任。
七、收货人权利和责任:1. 收货人确认所提供的联系方式准确无误,承担因提供虚假信息导致的一切责任。
2. 收货人同意按照约定的运输条件和运费支付方式结算运费。
3. 收货人同意按照约定的运输时限提供收货地址,如因收货人原因导致运输时限延误,收货人将承担相应责任。
4. 收货人在收到货物时,应及时进行验收并确认货物数量和完好状况,如发现问题应及时与承运人联系并提供相关证据。
八、运输保险:1. 托运人可以选择购买运输保险,保险费用由托运人承担。
2. 如需购买运输保险,请在本运单上注明,并提供相应的保险信息。
九、其他约定事项:1. 有效期限:2. 其他特殊约定:以上是一份关于水水货物联运运单的示例,具体内容可以根据实际情况进行修改和完善。
在填写运单时,请确保信息的准确性和完整性,以确保货物能够安全、及时地运输到目的地。
同时,托运人和收货人也需要了解并遵守相关法律法规,承担相应的责任。
编号:水水货物联运运单甲方:乙方:签订日期:年月日合同签订注意事项一、甲乙双方应保证向对方提供的与履行合同有关的各项信息真实、有效。
二、甲乙双方签订本合同书时,凡需要双方协商约定的内容,经双方协商一致后填写在相应的空格内。
三、签订本合同书时,甲方应加盖公章;法定代表人或主要负责人应本人签字或盖章;乙方应加盖公章;法定代表人或主要负责人应本人签字或盖章。
四、甲乙双方约定的其他内容,合同的变更等内容在本合同内填写不下时,可另附纸。
五、本合同应使钢笔或签字笔填写,字迹清楚,文字简练、准确,不得涂改。
关键词:运单;水水;货物┌─────────────────┐│本表经承运人签盖运输合同专用章││后,具有月度运输合同效力,有关承运││人与托运人,收货人之间的权利、义务││关系和责任界限,按《水路货物运输规││则》及运杂费用的有关规定办理。
│└─────────────────┘货物于____月____日集中于:____________ 交接清单号码________ 运单号码___ _____┌──────┬───┬──┬──┬───┬───┬───┬─────┐│船名││航次││起运港││到达港││├──────┼───┼──┼──┼───┴─┬─┼───┴┬────┤│第一接转船名││航次││第一换装港││到达日期│收货人│├──────┼───┼──┼──┼─────┼─┤(承运人│(签章)││第二接转船名││航次││第二换装港││章)││├─┬─┬─┬┴┬─┬┴──┴─┬┴───┬─┼─┼─┬──┴────┤│发│││││托运人确定│计费重量││││应收费用││货│货│件│包│价├─┬───┼──┬─┤等│费│金├─┬─┬─┬─┤│符│名│数│装│值│重│体积│重量│体│级│率│额│项│第│第│第││号│││││量│(长、│(吨)│积││││目│一│二│三││││││││宽、高│││││││段│段│段│││││││吨│)m ││m3│││├─┼─┼─┼─┤│││││││││││││││││├─┼─┼─┴─┴─┴─┴───┴──┴─┴─┴─┴─┤运││││││││费││││├─┼─┼──────────────────────┼─┼─┼─┼─┤││││装││││├─┼─┼──────────────────────┤船││││││││费││││├─┼─┼──────────────────────┼─┼─┼─┼─┤││││││││├─┼─┼──────────────────────┼─┼─┼─┼─┤││││││││├─┴─┼──────────────────────┼─┼─┼─┼─┤│合计││││││├───┴────────────┬─────────┼─┼─┼─┼─┤│运到期限(或约定)│托运人│总││││├─┬──────────────┤(公章)月日│计│││││特│├─────────┼─┴─┼─┴─┤│约││承运日期│核算员│││事││├───┼───┤│项││起运港承运人章│复核员││└─┴──────────────┴─────────┴───┴───┘。
水水货物联运运单
水水物资联运运单
水水物资联运运单
本表经承运人签盖运输合同专用章
I后,具有月度运输合同效力,有关承运丨
I人与托运人,收货人之间的权利、义务 |
I关系和责任界限,按《水路物资运输规I
I则》及运杂费用的有关规定办理。
物资于____ 月____ 日
集中于:______________ 交接清单号码___________ 运单号码___________ 船名I 航次I 起运港I 到达港I
第一接转船名I I航次I I第一换装港I I到达日期I收货人I
1 I I 厂(承运人I (签章)
第二接转船名I I航次I I第二换装港I I 章)I
发I I I I托运人确定计费重量I I I I应收费用货货件包价I | K费
T金! I I I T
符名数装值重体积重量体级率额项第第第I
号I I I I量I长、I吨)积I I I目I 一二三I
宽、高I I I段I段I段
吨I )m I I m3 I I I I I I
I I I 船I I 1 I
合计I
运到期限(或约定)托运人总I I I I 1―I -------- (公章(——日计I I I I
特I I ------------ 1 1 -1 - 1r
约丨1承运日期1核算员丨事丨 1 1 1
项1 1起运港承运人章1复核员丨
水水物资联运运单
水水物资联运运单。
编号:_______________本资料为word版本,可以直接编辑和打印,感谢您的下载水水联运货物运单甲方:___________________乙方:___________________日期:___________________月度运输合同编码: 货物交接清单编码:1 1 --- 11第一程船名或1 用 11第一程承运人1 1________ 1 1 1 1航次111 1 1 1起运港11 1 1 1 I 1 1 1到达港1 1 1I 1 应收费11 1 n11第二程船名或1 1 I 1 1 1航次1 111第一 1111第一 1 1 11第一程承运人1 1 11 ________ I 1 1I 1 1换装港11I 1 1程运费1 ____ 1 1 1 H11第三程船名或1 1 I 1 1 1航次1 1 11第二 11 11第二1 1 11第一程承运人1 1 1 1 , , 11 1I 1 1换装港11 I 1 1程运费1 ____ 1 1 1 1H1托全称1 1 1收全称1 11第三1I 程运费II运I地址、I I货I地址、I I第一I I II I电话I I I电话I I换装港II人I银行、I I人I银行、I I第二II II I帐号I I I帐号I I换装港II发货I货I件I包I价值I 托运人确定I计费重量II II符号I名I数I装I (元)I I II重量I体积(长x I重量I体积II (吨)I 宽X 高m3) | (吨)|(m3) II I I I I I I I I I 总计II II——IIII——I——I -------- 1——I——I --HII I I I I I I I I I 大写II II——II——I——I ---------- 1——I——I --J II 合计I I I I I I I I I 收士I秋早II ---- 1—I—L「——L------------ 1—I - 1——I 核算员III约定装船日期:月日I约定运到期限:I费用结算方式:I I II——T ------- 1 ---------- 1--------- 1 ---- 1II特约I I III I I复核员I II事项I I II装船日期:月曰时至月曰时止I收货人签章I托运人签章I承运人签章I船舶签章II运到日期:月日时止I I III 船舶签章I 年月曰I 年月曰I 年月日II本运单经承托双方签章后,具有合同效力,承运人与托I运人、收货人之间的权利、义务关系和责任界限均按〈〈水II路货物运输规则》及运杂费用的有关规定办理。
水陆联运货物运单
水陆联运货物运单是指在货物运输过程中,采用水上运输与陆上运输相结合的方式进
行运输的货物运单。
水陆联运是一种多式联运的方式,通过水上运输和陆上运输的有
机结合,最大限度地发挥各种运输方式的优势,提高货物运输效率和降低运输成本。
水陆联运货物运单一般包括以下信息:
1. 发货人和收货人的基本信息:包括名称、地址、联系人和联系方式等。
2. 货物的基本信息:包括名称、数量、重量、体积、规格、包装方式等。
3. 运输方式和线路:包括水运的起运港口和目的港口,陆运的起运地点和目的地点等。
4. 运输工具和运输时间:包括船舶或航空器的名称和航班号,陆上交通工具的车牌号等,还包括预计的运输时间。
5. 运费和保险费:包括货物运输费用和货物保险费用等。
6. 其他特殊要求或约定:包括货物的特殊要求、负责的责任和义务等。
水陆联运货物运单一般由货物的承运人或物流公司提供,发货人和收货人都需要对运
单的准确性和完整性进行确认和签署,以确保货物的安全和顺利运输。
水水联运货物运单运单编号:____承运人〔甲方〕:____地址:____联络:____法定代表人:____托运人〔乙方〕:____地址:____联络:____法定代表人:____起运港:____目的港:____签订日期:____在双方本着互利共赢、诚信合作的原那么下,经友好协商,就水水联运货物运输事宜达成如下协议:第一条货物描绘1.1 货物名称:____1.2 包装形式:____1.3 件数/重量/体积:____1.4 特殊要求〔如有〕:____第二条运输条件2.1 起运日期:____2.2 预计到达日期:____2.3 运输方式:____2.4 货物装卸责任:____第三条费用及支付3.1 运输费用总额:元3.2 支付方式:3.3 支付时间:____第四条责任与义务4.1 甲方责任:确保货物平安、准时到达目的港,并提供必要的运输效劳。
4.2 乙方责任:按时支付运输费用,并提供准确的货物信息。
第五条风险与保险5.1 货物运输风险由____方承当。
5.2 货物保险由____方负责,并承当相应费用。
第六条货物验收与交付6.1 货物到达目的港后,乙方应在____小时内进展验收。
6.2 如货物有损,乙方应在验收后____小时内通知甲方。
第七条违约责任7.1 如甲方未能按时运输货物,应向乙方支付违约金,计算方式为____。
7.2 如乙方未能按时支付费用,应向甲方支付违约金,计算方式为____。
第八条争议解决8.1 双方在履行合同过程中如有争议,应友好协商解决。
8.2 协商不成时,可提交____仲裁委员会仲裁。
第九条其他约定9.1 本运单未尽事宜,双方可另行协商解决。
9.2 双方对本运单内容保密,未经对方同意,不得向第三方透露。
第十条运单生效10.1 本运单自双方受权代表签字盖章之日起生效。
10.2 本运单一式两份,甲乙双方各执一份,具有同等法律效力。
甲方〔盖章〕:____受权代表签字:____日期:____乙方〔盖章〕:____受权代表签字:____日期:____。
编号:YB-HT-005617
货物运单(联运)
Cargo waybill (intermodal)
甲方:
乙方:
签订日期:年月日
精品文档/ Word文档/ 文字可改
编订:YunBo Network
货物运单(联运)
┌───────────────┐
│本运单经承托双方签章后,具│
│有合同效力,承运人与托运人、收│
水水货物联运运单│货人之间的权利、义务关系和责任│
货物于月日│界限均按《水路货物运输规则》及│
│运杂费用的有关规定办理。
│
└───────
────────┘
集中于:交接清单号码_______ 运单号码________
┌──────┬─┬───┬─┬────┬───┬─┬────┬───┐
│船名││航次││起运港│到达港││││
├──────┼─┼───┼─┼───┬┴───┴─┤││
│第一接转船名││航次││第一换││到达日期│收货人│
│││││装港││││
├──────┼─┼───┼─┼───┼──────┤││
│第二接转船名││航次││第二换││
(承运人│(签章)│
│││││装港││章) ││
├─┬───┬┴─┴───┴┬┴┬──┴┬─────┼────┴───┤
││全称│││全称│││
│├───┼───────┤├───┼─────┤应收费用│
│托│地址、││收│地址、│││
│运│电话││货│电话│││
│人├───┼───────┤人├───┼─────┼──┬─┬─┬─┤
││银行、│││银行、││
│第│第│第│
││帐号│││帐号││项目│一│二│三│
││││││││段│段│段│
├─┴┬──┼──┬──┬─┴┬┴───┴┬────┼──┼─┼─┼─┤
││││││托运人确定│计费重量│运费││││
│││││├──┬──┼─┬──┼──┼─┼─┼─┤
│││││││体积│重││装( ││││
│发货│货名│件数│包装│价值││(长│量││换装││││
│符号│││││重量│、宽│( │体积│)
││││
││││││(吨)│、高│吨│(m3)│船费││││
│││││││) │) ││││││
│││││││(m) │││││││
├──┼──┼──┼──┼──┼──┼──┼─┼──┼──┼─┼─┼─┤
││││││││││││││
├──┼──┼──┼──┼──┼──┼──┼─┼──┼──┼─┼─┼─┤
││││││││││││││
├──┼──┼──┼──┼──┼──┼──┼─┼──┼
──┼─┼─┼─┤
││││││││││││││
├──┴──┼──┼──┼──┼──┼──┼─┼──┼──┼─┼─┼─┤
│合计││││││││││││
├─────┴──┴──┴──┴──┼──┴─┴──┼──┼─┴─┴─┤
│运到期限(约定) │托运人│合计││
├──┬──────────────┤├──┼─────┤
││││核算││
│││(公章) 月日│
员││
│特事│├───────┼──┼─────┤
│约项││承运日期│复核││
│││ (起运港承运│员││
│││人章) │
││
└──┴──────────────┴───────┴──┴─────┘
〔说明〕
1.水水货物联运单适用于海、江、河联运货物运输,格式由交通部统一规定;省、自治区、直辖市内运输的,由省、自治区、直辖市交通部门统一规定。
由两个或两个以上航运企业在不同航区分段运输,共同完成满30吨的整批货物运输,除易腐货
物、生动植物、危险货物、木(竹)排、拖带浮物、散装液体货物,以及单件货物重量超过换装港和到达港起重能力的货物外,均可办理水水联运。
但华南沿海港口与长江干线港口之间不办水水联运。
凡能办理水水联运的港口、换装港口由交通部规定。
2.水水联运货物运单,货票一式8份,顺序如下:
第一份:货票(起运港存查联)。
第二份:货票(起运港解缴联)起运港→第一航运企业。
第三份:货票(托运人收据联)起运港→托运人。
第四份:货票(换装港结算联)起运港→换装港→第一航运企业。
第五份:货票(换装港解缴联)起运港→换装港→第二航运企业。
第六份:货票(收货人存查联)起运港→换装港。
第七份:货票(收货人存查联)起运港→换装港→到达港→收货人。
第八份:水水联运货物运单(提货凭证)起运港→换装港→
到达港→收货人→到达港存。
每增加一个换装港,由起运港加抄3份。
3.货行运单联用厚纸印刷,货票各联用薄纸印刷,印刷颜色应有区别:解缴联、结算联为红色,收据联为绿色,其他各联为黑色。
4.要印固定号码。
5.到达港收费,另开收据。
6.规格:长21厘米,宽30厘米。
云博网络科技有限公司
Yunbo Network Technology Co., Ltd.。