CEMS工况调查表
- 格式:doc
- 大小:1.70 MB
- 文档页数:3
SEMA-04-JJC-Q015工业企业监测现场工况调查表(燃煤电厂)一、企业信息
企业名称
地址
联系人联系电话
二、基本情况
装机容量(MW)实际发电量(千瓦时)
燃煤消耗量(吨/年)燃煤平均含硫率(%)
脱硫装置处理工艺
发电煤耗(克/千瓦时)SO2实际去除率(%)
烟气处理量(万标立方米) 平均脱硫效率(%)
环保设施实际处理能力吨/日监测时段工况%
废水排放规律间歇□
连续□
排污口监测类型
自动□
手工□
自动监控装置是否联网是□ 否□
自动监控装置是否通过有效
性审核
是□ 否□
三、执行的排放标准和去向
排放标准名称和级别
排放口数量
污染物二氧化硫氮氧化物烟(粉)尘标准限值(mg/m3)
排放高度(米)
四、其它需要说明的情况
监测时间监测人员
监测/采样仪器型号编号
被测单位盖章:年月日
30。
水质在线监测设备售前工况调查表企业需求与工程情况调查人企业名称企业所在市县联系人联系电话项目性质□新建□技改是否防爆□否□是防爆级别______安装产品□COD □氨氮□总磷□流量□PH □总铬□六价铬□总镍□其他_________________________________________________________监测房□已建好□采样管孔□电源接入□室内有下水道□自来水接入□灭火器□空调安装□地线接入(接地电阻要求〈4Ω)□有避雷措施□附近无大功率电机站房内温度最低___度站房内温度最高___度供电情况□交流220V50Hz □五孔插座一个□独立空开注:没有避雷措施、没有地线原因导致设备硬件损坏不在保修范围内采样点□规律性排水 _____吨/小时□连续性排水_____吨/天□有明渠尺寸:□三角堰□矩形堰□巴歇尔槽□无明渠□可以改造成明渠□不可以改造采样点最低水深______米采样点水面与地平面落差_____米辅材选择(□PVC □PPR )规格:长度:□保温□深埋□自吸泵□潜水泵水质情况排放达标浓度___mg∕L;实际浓度范围___mg∕L;氯离子最大浓度___ mg/L 钙离子最大浓度____mg/L;最大浊度_____NTU;PH范围:□〈6□(6-8)□〉8企业生产工艺污水主要来源的生产工艺:污水处理工艺物化处理:□石灰中和□盐酸中和□絮凝沉淀□加氯□臭氧生化处理:□SBR □AO □AAO □氧化沟等□加氯□臭氧数据传输1、远程数据传输方式:□数采仪□其他_____2、本地传输协议_______3、数采仪需要在线设备提供信号类型:□RS232 □RS485 □4-20mA4、是否需要信号传输到企业中控:□否□是,传输距离______米审核人日期水质在线监测设备售前工况调查表填写说明一、如何填写“企业需求与工程情况"1、企业名称、地址:此项填写涉及到公司信息登入及发货需要;2、联系人、电话:此项填写人和电话应为用户本项目负责人及其联系电话(最好为手机);3、项目性质:填写此项主要是为了了解本醒目是新建还是技改项目,有利于公司根据项目性质进行系统设计及工程实施等;4、是否防爆:由于目前我们水污染源在线监测系统各水质分析仪、外购仪表、电气设备都不具备防爆功能,所以如果用户需要防爆,则需要系统设计部进行重新选型及设计;二、如何填写“安装产品":根据客户采购需求选择产品三、如何填写“监测房”本栏有10个选项及两个必填项目,选择项根据现场有无情况选择,填写项根据现场询问填写四、如何填写“供电情况”本栏提出设备运行时,对电源供电要求,根据安装产品及公共资源用电情况,确定电源接入电压及最大功率五、如何填写“采样点”?现场条件一栏中的3条必选项,根据选择内容确定3条必填项其中:规律性排水和连续性排水:确定企业排水方式,根据排水方式选择水质在线检测设备测量时间确定方式有明渠和无明渠:确定流量计的选型采样点的水深和落差:确定采样水泵及配水方式六、如何填写辅材选择:根据现场水质或客户需求选择辅材材质,并询问冬天环境温度确定是否保温及保温方式。
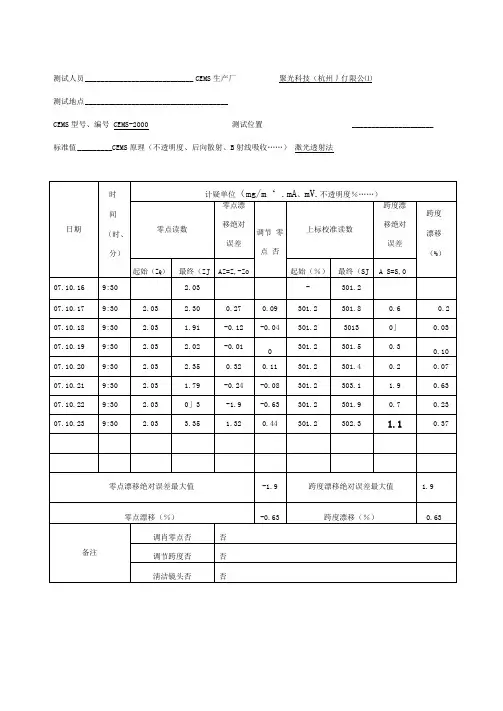
测试人员____________________________ CEMS生产厂聚光科技(杭州丿仃限公⑴测试地点_____________________________________CEMS型号、编号 CEMS-2000 测试位置_____________________ 标准值_________CEMS原理(不透明度、后向散射、B射线吸收……)激光透射法D-2 参比方法校验颗粒物CEMS 测试人员____________________________ CEMS生产厂聚光科技(杭州)有限公司测试地点________________________________ CEMS型号、编号CEMS-2000 CEMS原理激光透射法测试位置锅炉排放烟囱参比方法仪器生产厂青岛崂山应用电子型号、编号________________________________ 原理 ___________10.21 07:08-08:08 1 036 89 5753 154.7 88.9 60.4 灯| 08:26-09:26 2 044 116 859.2 135 77.6 53.6 灰白14:10-15:10 3 041 14 721.4 19.4 11.2 9.8 灰白15:16-16:16 4 040 23834.6 27.6 15.9 14.6 灰白10.22 07:36-08:36 1 037 269 1124.2 239.3 136.6 65.1 灰门08:39-09:39 2 035 245 927.2 264.2 150.9 77.1 灰1'」13:24-14:24 3 045 31 1147.4 34.7 19.8 13.4 灰门14:36-15:36 4 043 29 1241.8 3&9 22.2 12 灰门0.9632相关系数线性回归方程斜率 2.0102线性回归方程截距-0.2779宜信区间半宽 5.0%允许区间半宽17.7%♦系列1—线性(系列1)零点和跨度漂移检测测试人员 ____________________________ C EMS生产厂聚光科技(杭川仃限公山测试地点 _______________________CEMS型号、编号________________ 测试位置_______________ 标准气体生产厂上海汁量浓度1435mg/m3 校准器件已知响应值_________________________________________ 污染物名称________________________________________ CEMS原理紫外分光光谱法零点和跨度漂移检测测试人员 __________________________ CEMS生产厂聚光科技(杭州)有限公司测试地点 _________________________________CEMS型号、编号________________ 测试位宜_______________ 标准气体生产厂上海计量浓度407 mg/m3 校准器件已知响应值_______________________________________ 污染物名称______________________________________ CEMS原理__________零点和跨度漂移检测测试人员____________________________ C EMS生产厂聚光科技(杭川仃限公山测试地点_______________________________CEMS型号、编号________________ 测试位置________________ 标准气体生产厂上海汁量浓度________________________ 校准器件已知响应值_________________________ 污染物名称________________________________________ CEMS原理________________测试人员____________________________ CEMS生产厂聚光科技(杭州)有限公司测试地点_______________________________________CEMS型号、编号 CEMS-2000 测试位置__________________ CEMS原理___________ 染物名称SO2/NO/O2 计量单位 _______________________________测试人员____________________________ CEMS生产厂聚光科技(杭州)有限公司测试地点______________________________________CEMS型号、编号 CEMS-2000 测试位置__________________ CEMS原理______________ 污染物名称 S02 计量单位 ____________________ 参比方法仪器生产厂青岛崂山应用电子所一型号、编号3O12H 原理左电位电极法测试人员____________________________ C EMS生产厂聚光科技(杭州)有限公司测试地点_____________________________________CEMS型号、编号 CEMS-2000 测试位置__________________ CEMS原理______________ 污染物名称 NO 讣量单位____________________ 参比方法仪器生产厂青岛崂山应用电子所型号、编号3012H 原理立电位电极法测试人员____________________________ CEMS生产厂聚光科技(杭州)有限公司测试地点______________________________________CEMS型号、编号 CEMS-2000 测试位置__________________ CEMS原理______________ 污染物名称 02 计量单位________________参比方法仪器生产厂青岛崂山应用电子所型号、编号_____________________________ 原理电化学法D-6 速度场系数检测测试人员____________________________ CEMS生产厂聚光科技(杭州)有限公司测试地点______________________________________CEMS型号、编号 CEMS-2000 测试位置__________________ CEMS原理________________________________________________________________________ 参比方法计量单位_________________ CEMS计虽单位 _____________________测试人员 _______________________________________ C EMS 生产厂聚光科技(杭州)有限公司测试地点 ______ CEMS 型号、编号____________测试位置 锅炉排放烟闵 CEMS 原理______________________________参比方法仪器生产厂青岛崂山电子仪器总厂型号、编号—3O12H_原理钳金电阻法 参比方法计量单位 ______ CEMS 计量单位 ___________________________________________ r _________________________0 方法11 2 3 4 5 6 789R 6 3. 6 9 2. 6 3 •<1• 6 H 2.1 6 H 2.1 6 H 2.1 6H 3 3. 6 2 3. 6 8 2. 6 5 Z 6 413 •U 6 41* 2 3. 6 3 0 、? .5 4 8 -0. n R X手8 2. 6 6 3. 6 <1 g 41* <1 g 41* 7 2. 6 4 60. 41* 2 3. 6 5 5. 6 8 5. 6 4 5. 6 5 3. 6 <1 !•6 ^1* 4 .9 .7 3 H R 工手 60.1 4^ 3 9 5 9 & 5 8.1 5 3 57. 4^ 7 5. 5 9 •<1• 6 H3 60. H 7 & 5 H 8 57. H 9 6. 5 7 6. 5 .8 11 2 -0. 3 -0.4 -0. O n 工手n n 工手□初检温度示值误差检测D-8 湿度相对误差检测测试人员______________________________________ CEMS生产厂聚光科技(杭州)有限公司测试地点____________________ CEMS型号、编号____________测试位置锅炉排放烟囱CEMS原理 _______________________ 参比方法仪器生产厂HORIBA _____________________ 型号、编号_3012H_原理干湿氧法参比方法计量单位___________________________ CEMS计量单位______________ % ___________________。
CEMS 工况调查表用户及项目情况项目名称:客户名称:联系人:联系方式:测量项目选择:颗粒物:烟尘浓度□气态污染物 : SO 2□ NO X□ CO2□ CO□ O2□其他烟气参数:流速□温度□压力□湿度□(采样点处)烟气主要成分和参数的范围烟气参数典型值量程1. SO2 浓度mg/Nm32. NOx 浓度mg/Nm33. CO 浓度mg/Nm34. CO2 浓度mg/Nm35. O2 浓度mg/Nm36. 烟尘浓度mg/Nm37. 烟气温度℃8. 烟气压力Pa9. 烟气流速m/s10. 烟气湿度%11其它锅炉、燃料和工艺情况工厂主要产品:锅炉类型:燃煤锅炉□电炉□ 垃圾焚烧炉□熔炉□ 其它形式燃料成份(尽可能详细):燃料燃烧方式:炉堂里温:鼓(引)风机额定负荷:烟气处理工艺(或烟气来源):项目性质:新建□ 技改□ 其它是否防爆:是□ 否□ 防爆等级:安装点的工艺流程位置:安装形式:安装数量:套现场条件现场环境温度( ℃ ) :最高℃最低℃仪表风:有□无□压力Mpa:提供者:分析小屋:有□无□提供者:分析房空调:有□无□除尘方式:脱硫设备:有□无□方式:分析房电话:有□无□电源:有□无□电压:接地(不能和防雷接地网联网<4Ω):有□无□其它(平台、扶梯等):工艺说明:排放尾气中呈气态、固态、液态形式的特殊、腐蚀、聚合物质的成份、大致浓度等;这些排放物是如何产生的?(从产生排放物的工艺开始,整个产生排放物的过程中,添加了什么原料,起了什么反应?反应后生成了几种什么物质?各反应工况及条件怎样?比如温度、压力、风量、水等)安装点信息烟囱资料安装位置烟道资料安装位置安装点至分析房的距离:m最长电缆长度:平台:有□无□平台高度(离地面):m烟囱壁材质:砖□水泥□钢□烟囱出口直径:m烟囱底部直径:m烟囱高度:m烟囱监测点:内径mm外径mm烟囱壁厚 : m平台:有□无□平台高度(离地面):mm烟道外形:方形□矩形□圆形□烟道壁材质:砖□水泥□钢□烟道长度(直管段): mm烟道直径:mm 壁厚:mm烟道(横截面)尺寸:mm( 宽 ) × mm( 高 ) ×mm( 壁厚 ) 流量轴线:水平□垂直□斜线□m 伴热管长度:m现场烟囱或烟道与分析房的相互位置简图,烟囱或烟道上各法兰孔的位置简图:数据传输及其他要求CEMS与环保局远程数据传输方式:数据传输协议: 是否需连接DCS :是□否□采用何种方式连接:RS485□ 4-20mA □其他□客户对设备的特殊要求:制表人 / 制表日期:审核人/审核日期:。
附录A(资料性附录)CEMS日常巡检、校准和维护记录表运行维护单位根据系统类型和实际工作内容选取表单填写,表单内容不能覆盖全部工作内容时,可按情况对表单修改。
表A.1CEMS日常巡检记录表企业名称:巡检日期:年月日气态污染物监测单元生产商:气态污染物监测单元规格型号:颗粒物监测单元生产商:颗粒物监测单元规格型号:安装地点:维护单位:巡检开始时间:运行维护内容及处理说明项目内容维护情况备注维护预备查询日志(1)检查耗材(1)样品采集检查采样管路气密性检查(1)样品采集装置及伴热管线温度检查(1)采样监测孔和比对监测孔密封性检查(1)系统采样流量检查(1)反吹装置检查(1)预处理设备检查冷凝除湿设备温度检查(1)冷凝液收集和排放装置检查(1)预处理设备管路清理(1)过滤装置滤芯、滤膜检查(1)零空气预处理除尘、除水、除油、除烃功能检查(1)组分损失率(量)检查(3)气态污染物监测单元监测数据检查(1)烟气分析仪状态检查(1)(NMHC)分析图谱检查,包括保留时间、积分区域等(1)标气有效期、钢瓶压力检查(1)丙烷转化效率检查(5)烟气分析仪校准(2)全系统校准(4)系统校验(5)颗粒物监测单元检查监测数据检查(1)空压机、气路、空气过滤器检查(1)光学镜面清理、光路检查(3)射流风机、稀释风机检查(1)加热温度检查(1)等速跟踪吸引误差检查(1)校准(3)系统校验(5)烟气参数测量单元流速、流量、烟道压力、含氧量、温度、湿度测量数据(1)反吹管路、控制阀检查(1)探头检查(4)测量传感器检查(3)辅助设备检查尾气排放管路检查(1)反吹气检查(1)(稀释法)稀释气压力、真空度压力(1)(稀释法)吸附剂、干燥剂(1)氢气源管路检查(1)氢气纯度检查(1)站房环境检查门禁检查(1)室内温湿度检查(1)站房门窗的密封性检查(1)站房卫生检查(1)灭火、照明、空调等设施检查(1)视频监控单元缩放功能检查(1)球机角度、旋转功能检查(1)摄像头镜片检查(1)补光功能检查(1)数据控制系统检查数据一致性检查(1)传输网络检查(1)历史数据检查(1)参数检查(1)异常情况处理记录注1:正常请打“√”;不正常请打“×”并及时处理并做相应记录;不涉及打“/”;未检查则不用标识。
CEMS工况调查表用户及项目情况安装点信息填表人/填表日期:烟气连续自动监测系统现场要求为保证烟气在线监测设备正常运行,现场环境需具备以下要求:1、分析栈房:面积约9平米,位置与排放口采样点距离应小于50米,避开避雷针的地线。
室内顶部用防火材料吊顶、墙面刷白、地面铺瓷砖,室内吊顶后的高度不低于2.8米。
2、采样平台:建在烟囱高度的1/3处,应有通往平台的Z字形梯或者旋梯,梯宽0.7m,踏步高≤0.3m,护栏高0.7m。
采样口处绕烟囱一周安装监测平台,平台使用钢架结构支撑,并与烟道固定。
安装平台宽度≥1.3米,防护栏高度≥1.2米,平台的底面应使用防滑钢板。
3、仪表风要求:洁净无油无水的仪表风,两路,一路敷设至分析小屋,另一路分别敷设至采样平台,均以G1/4内螺纹球阀为终端,具体压力和流量如下(单套):客户有压缩气源,则要求压力:0.4~0.7MPa,流量:250L/min,加阀门,接头G1/4外螺纹,压力和流量要稳定。
4、穿线管:(2根镀锌管,直径分别是70mm、50mm,从烟囱平台进分析栈房,弯曲半径不小于0.5米)或者(走桥架:100mm*150mm,弯曲半径不小于0.5米)5、辅助:A.电源配电箱(AC220V±10% 50HZ/63A)、配电箱内空气开关5个、三孔插座1个(16A),空气开关承载最大功率分别为2个3KW、3个1.5KW;电源引入线应使用照明电源,严禁使用动力电源;电源进线应有浪涌保护器;电源应有明显标志,防止用户以外断电;在适当位置配置接地装置,接地电阻≤5欧,接地线应牢固,并有明显标志;各种电缆和管路应加保护管铺于地下或墙壁上固定;在电缆或管路的两端做上明显的标识;B.配备冷暖空调一台;C.通风、照明良好,门窗要求防盗;D.加装排气扇,强制室内气体循环;E.配备4公斤的灭火器两个;F.配备温湿度计及排水设施。
山西鑫华翔科技发展有限公司。
附录C(资料性附录)CEMS参数备案表表C.1参数备案表企业名称排污口名称设备制造商名称系统型号量程设定烟气流量参数设定参数范围单位皮托管系数SO2速度场系数NO X烟道截面积(m2)CO颗粒物参数设定HCl斜率CH4截距总烃其它参数设定非甲烷总烃当地大气压力(Pa)O2标准过量空气系数颗粒物其它情况说明烟气温度烟气压力流速/差压湿度附录D(资料性附录)CEMS运行维护质量检查记录表表D.1CEMS运行维护质量检查记录表项目检查内容是否符合备注监测数据与工况符合性抽查检查生产负荷变化与流量数据的相关性□是□否启停炉工况与辅助参数监测值的相关性□是□否治理设施调节与污染物监测值的相关性□是□否运行维护记录抽查现场巡检记录填写是否正确、规范、完整□是□否维修记录填写是否正确、规范、完整□是□否校准记录填写是否正确、规范、完整□是□否校验记录填写是否正确、规范、完整□是□否易耗品更换记录填写是否正确、规范、完整□是□否标准物质更换记录填写是否正确、规范、完整□是□否准确度抽查SO2CEMS均值:参比方法均值:准确度:最少数据对:6评价标准:本标准表2□是□否NO XCEMS均值:参比方法均值:准确度:最少数据对:6评价标准:本标准表2□是□否HClCEMS均值:参比方法均值:准确度:最少数据对:6评价标准:本标准表2□是□否COCEMS均值:参比方法均值:准确度:最少数据对:6评价标准:本标准表2□是□否项目检查内容是否符合备注非甲烷总烃CEMS均值:参比方法均值:准确度:最少数据对:6评价标准:本标准表2□是□否O2CEMS均值:参比方法均值:准确度:最少数据对:6评价标准:本标准表2□是□否颗粒物CEMS均值:参比方法均值:准确度:最少数据对:3评价标准:本标准表2□是□否温度CEMS均值:参比方法均值:准确度:最少数据对:3评价标准:本标准表2□是□否流速CEMS均值:参比方法均值:准确度:最少数据对:3评价标准:本标准表2□是□否湿度CEMS均值:参比方法均值:准确度:最少数据对:3评价标准:本标准表2□是□否示值误差抽查SO2标准物质标称值:显示浓度:示值误差:评价标准:本标准表4□是□否NO X标准物质标称值:显示浓度:示值误差:评价标准:本标准表4□是□否HCl标准物质标称值:显示浓度:示值误差:评价标准:本标准表4□是□否项目检查内容是否符合备注CO 标准物质标称值:显示浓度:示值误差:评价标准:本标准表4□是□否O2标准物质标称值:显示浓度:示值误差:评价标准:本标准表4□是□否站房及辅助设备抽查站房为CEMS独立使用□是□否门禁系统□是□否制度上墙与信息公示□是□否温度保持在(15~30)℃,相对湿度应≤60%□是□否环境卫生□是□否照明、空调、灭火器□是□否尾气排放管路应无堵塞、无漏气,排到站房外;当室外环境温度低于0℃时,尾气排放管路应启动加热或伴热装置□是□否反吹气应无水、无油、无杂质,压力应在(0.5~0.9)MPa□是□否NMHC监测单元氢气源连接管路应使用不锈钢材质□是□否NMHC监测单元氢气纯度至少达到99.99%□是□否参数抽查速度场系数与参数备案表一致□是□否皮托管系数与参数备案表一致□是□否颗粒物斜率、截距与参数备案表一致□是□否烟道截面积与参数备案表一致□是□否当地大气压与参数备案表一致□是□否量程与参数备案表一致□是□否标准过量空气系数或基准含氧量与参数备案表一致□是□否污染物量程设置合理性□是□否采样系统抽查采样探头温度□是□否采样管线温度及走向□是□否采样流量□是□否组分损失率(量)□是□否制冷器温度□是□否安装点位规范性抽查颗粒物和流速安装在距离弯头、阀门、变径上游2倍直径,下游4倍直径处□是□否项目检查内容是否符合备注气态污染物的位置安装在距离弯头、阀门、变径上游0.5倍直径,下游2倍直径处□是□否不受环境光线和电磁辐射的影响□是□否安装CEMS的工作区域应设置一个防水低压配电箱,内设漏电保护器、不少于2个10A插座,保证监测设备所需电力□是□否CEMS安装在总排气管上或每个烟道/管道上都安装CEMS□是□否采样平台及采样孔设置规范,符合标准HJ75要求□是□否运行维护质量管理内容抽查总体检查运维单位人力资源配备□是□否相关人员资格要求□是□否运行维护人员的人均维护监测点位(采样点位)应不多于8个,且不多于16套固定污染源烟气排放连续监测系统□是□否运行维护时间间隔不超过7d□是□否运行维护记录保存3年以上内部质量管理制度日常运行维护管理制度□是□否日常校验管理制度□是□否系统校准管理制度□是□否故障应急处理制度□是□否实验室管理制度□是□否档案管理□是□否报备制度配套实验室运行维护单位配套实验室人员管理体系□是□否运行维护单位配套实验室工作环境□是□否便携式仪器的数量□是□否便携式仪器的检定或校准□是□否实验室记录□是□否CEMS更换因设备故障原因造成数据传输有效率连续两个月低于国家考核标准□是□否设备故障经维护、维修后运行性能仍不稳定,CEMS系统不能满足本标表1、表2和表4技术指标要求□是□否项目检查内容是否符合备注备品备件具有完善的备件库,专人管理□是□否易损易耗品,库存量不低于月使用量的120%□是□否备机配备数据量不低于运行维护设备数量的5%□是□否备品备件的使用和增加填写备件出入库记录□是□否标准物质应使用有证国家一、二级标准气体,其扩展不确定度不超过2%,并在有效期内使用□是□否高压钢瓶标准气体的残压不低于0.5MPa□是□否更换标准物质后,填写标准物质更换记录表□是□否填表人:日期:审核人:日期:_________________________________。