烘干车间工艺课程设计
- 格式:doc
- 大小:1.09 MB
- 文档页数:24
目录❖第一章前言 (5)1.1课程设计背景 (5)1.2课程设计的依据 (5)1.2.1矿渣烘干机的原理及优点 (5)1.2.2矿渣烘干机的结构和型式 (6)1.2.3矿渣烘干机的加热方式及流程 (6)1.3烘干物料设备原理及其应用 (7)1.3.1物料的烘干 (7)1.3.2干燥设备分类及在水泥中应用 (8)1.4回转烘干机工艺流程流程型号及特性 (8)1.4.1矿渣烘干机的工艺流程 (8)1.4.2矿渣烘干机的型号及特性 (9)❖第二章矿渣烘干机的选型计算................错误!未定义书签。
2.1 烘干机的实际产量计算 (12)2.1.1烘干机的实际每小时产量计算 (12)2.1.1煤的选取及基准的转换(抚顺烟煤) (12)2.1.2计算空气需用量,烟气生成量,烟气成分 (13)2.1.3烟气的燃烧温度和密度 (14)2.2 物料平衡及热平衡计算 (15)2.2.1确定水的蒸发量 (15)2.2.2干燥介质用量 (15)2.2.3燃料消耗消耗量 (19)2.2.4废气生成量 (19)2.3烘干机的容积V及规格 (19)2.4电动机的功率复核 (20)2.5烘干机的热效率计算 (22)2.6废气出烘干机的流速 (22)2.7根据废气量及含尘量选型收尘设备和排风设备及管路布置 (23)2.7.1 收尘设备选型 (23)2.7.2选型依据 (23)2.8确定燃烧室及其附属设备 (24)2.8.1据工艺要求选择燃烧室的型式 (24)2.8.2计算炉篦面积 (24)2.8.3计算炉膛容积 (24)2.8.4计算炉膛高度 (24)2.8.5 燃烧室鼓风机鼓风量计算 (25)2.9确定烟囱选型计算 (25)2.9.1烟囱的高度 (35)2.9.2烟囱的直径 (35)❖第三章烟道阻力损失及烟囱计算 (26)3.1.1 摩擦阻力损失 (26)3.1.2 局部阻力损失 (27)3.1.3 几何压头的变化 (27)3.2 烟道计算 (27)3.2.1 烟气量 (28)3.2.2 烟气温度 (28)3.2.3 烟气流速与烟道断面 (29)3.2.4 烟道计算 (30)3.3 烟囱计算 (30)3.3.1 计算公式 (31)3.3.1.2 本课程设计 (33)3.3.1.3 确定烟囱选型 (34)3.3.1.3.1 烟囱高度 (34)❖第四章烘干机结构 (35)4.1 筒体部分 (35)4.2 内部扬料装置 (36)4.3 轮带 (36)4.4 支承装置 (26)4.4.1 托轮支承装置 (37)4.4.2 挡轮装置 (37)4.5 托轮与轴承的结构 (38)4.6 卸料罩壳的设计 (38)4.7 密封装置的设计 (39)4.7.1 密封装置的位置与要求 (39)4.7.2 密封结构 (40)4.8 传动装置 (40)4.9电动机选型及其特点 (41)4.9.1 电动机选型 (41)4.9.2 YCT系列电动机 (42)4.9.3减速机的设计 (42)❖第五章总结 (45)❖参考文献 (46)❖致谢信 (47)6吨/年矿渣烘干机的设计摘要:本课题设计的是6万吨/年矿渣回转烘干机,工业生产中,矿渣发挥着着重要的作用,尤其是一些重大型工厂。
一、教学目标1. 了解烘干机的基本原理和分类。
2. 掌握烘干机在食品加工中的应用及优势。
3. 学会使用烘干机进行食品烘干操作。
4. 理解烘干过程中的食品品质变化及影响因素。
5. 培养学生的实践操作能力和食品加工技能。
二、教学内容1. 烘干机的基本原理与分类2. 烘干机在食品加工中的应用3. 烘干机操作流程4. 烘干过程中的食品品质变化5. 影响烘干效果的因素三、教学对象食品加工专业学生、食品行业从业者、对食品烘干技术感兴趣的人员。
四、教学时间2课时(理论1课时,实践1课时)五、教学方法1. 讲授法:讲解烘干机的基本原理、分类、应用及操作流程。
2. 演示法:现场演示烘干机的操作过程。
3. 实践操作法:学生分组进行实际操作,教师指导。
4. 案例分析法:分析实际烘干案例,探讨烘干过程中的问题及解决方法。
六、教学步骤第一阶段:理论教学(1课时)1. 介绍烘干机的基本原理和分类,如热风烘干、真空烘干等。
2. 讲解烘干机在食品加工中的应用,如烘干谷物、水果、蔬菜、肉类等。
3. 分析烘干过程中的食品品质变化,如水分含量、营养成分、色泽等。
4. 讲解影响烘干效果的因素,如温度、湿度、风速等。
第二阶段:实践操作(1课时)1. 学生分组,每组一台烘干机。
2. 教师演示烘干机的操作流程,包括开机、设定温度、湿度、风速等参数。
3. 学生按照操作流程进行实际操作,教师巡回指导。
4. 学生记录烘干过程中的数据,如温度、湿度、烘干时间等。
5. 教师分析学生操作过程中出现的问题,提出改进措施。
七、教学评价1. 学生对烘干机基本原理和分类的掌握程度。
2. 学生操作烘干机的熟练程度。
3. 学生对烘干过程中食品品质变化的了解程度。
4. 学生对影响烘干效果因素的掌握程度。
八、教学总结通过本课程的学习,学生能够掌握烘干机的基本原理、操作流程以及食品烘干过程中的品质变化,为今后从事食品加工工作打下坚实基础。
在教学过程中,注重理论与实践相结合,提高学生的实践操作能力,培养食品加工技能。
烘干车间工艺设计首先,需要对产品进行分析,了解产品的特性和烘干要求。
例如,如果产品是湿热敏感的,则需要选择低温烘干的工艺;如果产品是散粉状的,则需要选择喷流烘干的工艺。
同时,需要了解产品的烘干要求,如烘干时间、温度和湿度等。
其次,根据产品的特性和烘干要求,确定烘干车间的工艺流程。
一般来说,烘干的工艺流程包括进料、烘干、冷却和出料等环节。
在进料环节,需要设计合适的输送设备,如皮带输送机或真空输送机,以确保产品能够顺利进入烘干设备。
在烘干环节,需要根据产品的特性选择合适的烘干设备,如烘箱、旋转烘干机或喷雾烘干机等。
在冷却环节,可以采用自然冷却或者冷却器等设备来降低产品的温度。
最后,在出料环节,需要设计合适的输送设备,以便将烘干好的产品送出烘干车间。
接下来,需要进行设备布局的设计。
设备布局的设计需要考虑到生产能力、工作流程和安全要求等因素。
首先,根据烘干车间的实际情况,确定合适的生产能力。
然后,根据生产能力确定烘干设备的数量和大小。
在设备布局的过程中,需要考虑到工作流程的顺序和方便性。
例如,可以将进料和出料设备放在车间的两端,烘干设备放在中间,以便产品的进出流程能够顺利进行。
此外,还需要合理安排设备之间的距离,以便操作人员能够方便地进行设备的操作和维护。
最后,在设备布局的过程中,需要考虑到安全要求,并设置相应的安全设施,如防护网、安全门和报警系统等。
最后,需要对烘干车间的工艺流程和设备布局进行评估和改进。
在烘干车间的运行过程中,可能会出现一些问题,如烘干效果不佳或者生产效率低下等。
针对这些问题,需要对工艺流程和设备布局进行评估,并采取相应的改进措施。
例如,可以调整烘干设备的温度和湿度,以提高烘干效果;或者增加设备的数量和尺寸,以提高生产效率。
总之,烘干车间的工艺设计是一个复杂的过程,需要考虑到产品的特性和烘干要求,确定工艺流程和设备布局,并在实际运行过程中进行评估和改进。
只有经过科学合理的设计,才能确保产品在烘干过程中能够达到预期的质量要求和生产效率。
柴火烘干机制作教学设计一、引言随着社会发展和科技进步,烘干技术在农业、食品加工等领域中的重要性日益凸显。
在一些资源匮乏或电力不稳定的地区,如农村农田、山区村庄等,采用柴火烘干机进行烘干是一种经济、实用的选择。
本文将介绍柴火烘干机的制作教学设计,帮助读者了解制作过程及材料。
二、制作前准备1.材料准备- 钢管:直径为10cm至15cm的钢管,长度为2m至3m之间;- 钢板:宽度为10cm至20cm,长度为2m至3m之间的钢板,厚度约为3mm;- 高温耐火材料:如耐火砖、高温胶等;- 安全阀、温度计、开关等;- 柴火和点火工具。
2.工具准备- 手电钻、电焊机及其相关配件;- 锯、刀、尺子等常用工具。
三、制作步骤1.制作燃烧室和燃烧台- 在钢管两端分别割出燃烧室和燃烧台的开口,根据具体材料和工具情况,开口大小可根据需要酌情调整;- 将钢板按照燃烧室和燃烧台的开口大小进行切割,焊接在钢管开口处,确保密封性。
2.制作热风流道- 在钢管上方割开一段,作为热风流道;- 内部可设置多条金属片,以增加热风流动的时间和效果。
3.制作烘干架- 钢管两端分别焊接好立柱,保证牢固稳定;- 在立柱上方水平固定数根横杆。
4.制作加热系统- 在燃烧室上方焊接一个进气孔与燃烧室相连;- 在燃烧室下方焊接一个烟道孔,与热风流道相连;- 将进气孔连接上安全阀,确保燃烧室内部压力适宜;- 在烟道孔部分连接上温度计,用于监测烘干温度;- 在燃烧室上方连接上点火装置,在确保安全的情况下进行点火。
5.完善细节- 对燃烧室和热风流道进行隔热处理,使用高温耐火材料包裹,以减少热量损失;- 在烘干室的侧面设置一个检修孔,便于进行设备的维修与清理。
四、使用注意事项1.安全操作- 制作时,确保自身安全,佩戴好防护用品;- 点火前仔细检查设备,确保无泄漏和其他安全隐患;- 操作时注意防火措施,禁止在机器附近放置易燃物品。
2.烘干物料选择- 需要烘干的物料应具有一定的湿度,否则烘干效果不佳;- 物料应进行充分清洁,避免影响烘干效果。
烘⼲车间⼯艺设计烘⼲车间⼯艺设计⽔泥⼯业热⼯设备课程设计说明书题⽬:10.00t/h烘⼲车间⼯艺设计学⽣姓名:X X学院:X X学院系别:X X X系专业:X X X X班级:X-X指导教师:X X⼆〇⼀X 年⽉摘要本课程设计主要是对烘⼲机的设计计算,烘⼲物质是矿渣,以顺流的烘⼲⽅式进⾏计算。
该烘⼲系统包含的主要设备有:回转烘⼲机、旋风收尘器、袋收尘器以及其它辅助设备—如提升机、带式输送机、排风机、⿎风机、螺旋输送机、料仓等。
设计的主要计算为热平衡的计算和物料平衡计算。
本课程设计主要是对烘⼲机车间的设计进⾏了详细的讲述。
通过原始资料及实际条件,主要进⾏了回转烘⼲机产量和⽔分蒸发量计算,烘⼲机的热效率;在燃烧室热平衡计算中,计算了空⽓量、烟⽓量、烟⽓组成以及收⼊热量和⽀出热量,因热量收⽀平衡从⽽计算出混合⽤冷空⽓量;燃烧室设计计算,计算了燃烧室的耗煤量及炉膛容积,喷嘴直径;除尘系统中说明了除尘分管的直径计算和废⽓的排放浓度和排放量计算,通过废⽓的排放量、温度和含尘浓度进⾏除尘系统及排风机实务选型以达到符合废⽓排放标准的要求。
通过对主要数据的计算,选择出符合要求的设备型号,达到节能环保的国际要求,同时⼜能够使公司利益最⼤化。
关键词:烘⼲机车间;烘⼲机;燃烧室;输送机;收尘器⽬录引⾔ (1)第⼀章原始数据及设计条件 (2)1.1设计技术条件、技术参数等 (2)第⼆章回转烘⼲机产量和⽔分蒸发量 (3)2.1回转烘⼲机产量 (3)2.2烘⼲机的⽔分蒸发量 (3)2.3 回转烘⼲机的操作⽅式 (3)2.4烘⼲机功率 (4)2.5物料在烘⼲机内的停留时间 (4)第三章燃烧室热平衡计算 (5)3.1⼲燥⽆灰基转化为收到基的计算 (5)3.2空⽓量、烟⽓量及烟⽓组成计算 (5)3.3热平衡计算 (6)3.3.1收到热量 (6)3.3.2⽀出热量 (6)第四章烘⼲机热平衡计算 (8)4.1收⼊热量 (8)4.2⽀出热量 (9)4.3烘⼲机的热耗和热效率 (10)第五章燃烧室设计计算 (11)5.1耗煤量计算 (11)5.2 燃烧室炉膛容积计算 (11)5.3喷煤嘴直径计算 (11)5.3.1空⽓⽤量 (12)5.3.2 ⼀次风⽤量及风速 (12)5.3.3喷煤嘴直径 (12)5.4燃烧室⿎风机选型 (12)5.4.1 要求⿎风量 (12)5.4.2 ⿎风机压⼒ (12)5.4.3 ⿎风机选型 (13)第六章除尘系统 (13)6.1 烘⼲机废⽓量 (13)6.2 除尘器选型计算 (13)6.2.1 旋风收尘器选型及阻⼒计算 (13) 6.2.2 袋式收尘器选型及阻⼒计算 (14) 6.2.3 除尘风管直径 (15)6.3 排风机选型 (16)6.3.1 进排风机风量 (16)6.3.2 除尘系统总阻⼒ (17)6.3.3 排风机选型 (17)6.4 废⽓排放浓度和排放量 (18)6.4.1 废⽓排放浓度 (18)6.4.2 废⽓的排放量 (18)结论 (19)参考⽂献 (19)烘⼲车间⼯艺流程图引⾔我国⽔泥产量已经连续⼗年居世界第⼀位。
学校代码:学号:水泥工业热工设备课程设计说明书题目:10.00t/h烘干车间工艺设计学生姓名:学院:学院系别:系专业:班级:指导教师:二〇一X 年月摘要本课程设计主要是对烘干机的设计计算,烘干物质是矿渣,以顺流的烘干方式进行计算。
该烘干系统包含的主要设备有:回转烘干机、旋风收尘器、袋收尘器以及其它辅助设备—如提升机、带式输送机、排风机、鼓风机、螺旋输送机、料仓等。
设计的主要计算为热平衡的计算和物料平衡计算。
本课程设计主要是对烘干机车间的设计进行了详细的讲述。
通过原始资料及实际条件,主要进行了回转烘干机产量和水分蒸发量计算,烘干机的热效率;在燃烧室热平衡计算中,计算了空气量、烟气量、烟气组成以及收入热量和支出热量,因热量收支平衡从而计算出混合用冷空气量;燃烧室设计计算,计算了燃烧室的耗煤量及炉膛容积,喷嘴直径;除尘系统中说明了除尘分管的直径计算和废气的排放浓度和排放量计算,通过废气的排放量、温度和含尘浓度进行除尘系统及排风机实务选型以达到符合废气排放标准的要求。
通过对主要数据的计算,选择出符合要求的设备型号,达到节能环保的国际要求,同时又能够使公司利益最大化。
关键词:烘干机车间;烘干机;燃烧室;输送机;收尘器目录引言 ................................................. 错误!未定义书签。
第一章原始数据及设计条件 .............................. 错误!未定义书签。
1.1设计技术条件、技术参数等........................ 错误!未定义书签。
第二章回转烘干机产量和水分蒸发量 . (3)2.1回转烘干机产量 (3)2.2烘干机的水分蒸发量 (3)2.3 回转烘干机的操作方式 (3)2.4烘干机功率 (4)2.5物料在烘干机内的停留时间 (4)第三章燃烧室热平衡计算 (5)3.1干燥无灰基转化为收到基的计算 (5)3.2空气量、烟气量及烟气组成计算 (5)3.3热平衡计算 (6)3.3.1收到热量 (6)3.3.2支出热量 (6)第四章烘干机热平衡计算 (8)4.1收入热量 (8)4.2支出热量 (9)4.3烘干机的热耗和热效率 (10)第五章燃烧室设计计算 (11)5.1耗煤量计算 (11)5.2 燃烧室炉膛容积计算 (11)5.3喷煤嘴直径计算 (11)5.3.1空气用量 (12)5.3.2 一次风用量及风速 (12)5.3.3喷煤嘴直径 (12)5.4燃烧室鼓风机选型 (12)5.4.1 要求鼓风量 (12)5.4.2 鼓风机压力 (12)5.4.3 鼓风机选型 (13)第六章除尘系统 (13)6.1 烘干机废气量 (13)6.2 除尘器选型计算 (13)6.2.1 旋风收尘器选型及阻力计算 (13)6.2.2 袋式收尘器选型及阻力计算 (14)6.2.3 除尘风管直径 (15)6.3 排风机选型 (16)6.3.1 进排风机风量 (16)6.3.2 除尘系统总阻力 (17)6.3.3 排风机选型 (17)6.4 废气排放浓度和排放量 (18)6.4.1 废气排放浓度 (18)6.4.2 废气的排放量 (18)结论 (19)参考文献 (19)烘干车间工艺流程图。
第一早前言 (5)1.1课程设计背景 (5)1.2课程设计的依据 (5)1.2.1矿渣烘干机的原理及优点 (5)1.2.2矿渣烘干机的结构和型式 (6)1.2.3矿渣烘干机的加热方式及流程 (6)1.3烘干物料设备原理及其应用 (7)1.3.1 物料的烘干 (7)1.3.2干燥设备分类及在水泥中应用 (8)1.4回转烘干机工艺流程流程型号及特性 (8)1.4.1矿渣烘干机的工艺流程 (8)1.4.2矿渣烘干机的型号及特性 (9)第二章矿渣烘干机的选型计算........ 错误!未定义书签。
2.1 烘干机的实际产量计算 (12)2.1.1烘干机的实际每小时产量计算 (12)2.1.1煤的选取及基准的转换(抚顺烟煤) (12)2.1.2计算空气需用量,烟气生成量,烟气成分 (13)2.1.3烟气的燃烧温度和密度 (14)2.2物料平衡及热平衡计算 (15)2.2.1确定水的蒸发量 (15)2.2.2干燥介质用量 (15)2.2.3燃料消耗消耗量 (19)2.2.4废气生成量 (19)2.3烘干机的容积V及规格 (19)2.4电动机的功率复核 (20)2.5烘干机的热效率计算 (22)2.6废气出烘干机的流速 (22)2.7根据废气量及含尘量选型收尘设备和排风设备及管路布置232.7.1 收尘设备选型 (23)2.7.2 选型依据 (23)2.8确定燃烧室及其附属设备 (24)2.8.1据工艺要求选择燃烧室的型式 (24)2.8.2计算炉篦面积 (24)2.8.3计算炉膛容积 (24)2.8.4计算炉膛高度 (24)2.8.5 燃烧室鼓风机鼓风量计算 (25)2.9确定烟囱选型计算 (26)2.9.1烟囱的高度 (35)2.9.2烟囱的直径 (35)第三章烟道阻力损失及烟囱计算 (26)3.1.1 摩擦阻力损失 (26)3.1.2 局部阻力损失 (27)3.1.3 几何压头的变化 (27)3.2烟道计算 (27)3.2.1 烟气量 (28)3.2.2 烟气温度 (28)3.2.3 烟气流速与烟道断面 (29)3.2.4 烟道计算 (30)3.3烟囱计算 (30)3.3.1 计算公式 (31)3.3.1.2 本课程设计 (33)3.3.1.3 确定烟囱选型 (34)3.3.1.3.1 烟囱高度 (34)第四章烘干机结构 (35)4.1 筒体部分 (35)4.2 内部扬料装置 (36)4.3 轮带 (36)4.4 支承装置 (26)4.4.1 托轮支承装置 (37)4.4.2 挡轮装置 (37)4.5 托轮与轴承的结构 (38)4.6 卸料罩壳的设计 (38)4.7 密封装置的设计 (39)4.7.1 密封装置的位置与要求 (39)4.7.2 密封结构 (40)4.8 传动装置 (40)4.9 电动机选型及其特点 (41)4.9.1 电动机选型 (41)4.9.2 YCT系列电动机 (42)4.9.3 减速机的设计 (42)第五章总结 (45)参考文献 (46)致谢信 (47)6吨/年矿渣烘干机的设计摘要:本课题设计的是6万吨/年矿渣回转烘干机,工业生产中,矿渣发挥着着重要的作用,尤其是一些重大型工厂。
矿渣烘干车间课程设计一、教学目标本课程旨在让学生了解和掌握矿渣烘干车间的相关知识,包括矿渣的性质、烘干工艺流程及其环保意义。
具体目标如下:1.知识目标:学生能熟练掌握矿渣烘干的基本原理、设备及其操作方法。
2.技能目标:学生能够运用所学知识分析和解决实际生产中的问题,提高烘干效率。
3.情感态度价值观目标:培养学生对环保产业的热爱,增强其社会责任感。
二、教学内容本课程的教学内容主要包括以下几个部分:1.矿渣的性质及其烘干需求:介绍矿渣的物理、化学性质,以及烘干的目的和意义。
2.烘干工艺流程:详细解析矿渣烘干车间的设备组成、工作原理及操作步骤。
3.烘干设备的选择与维护:讲解不同类型烘干设备的优缺点,以及设备的维护保养方法。
4.烘干过程的优化与环保:探讨如何提高烘干效率,减少能耗和污染。
三、教学方法为了提高教学效果,本课程将采用多种教学方法:1.讲授法:系统讲解矿渣烘干车间的相关知识,帮助学生建立完整的知识体系。
2.讨论法:学生针对实际问题进行讨论,培养其分析问题和解决问题的能力。
3.案例分析法:通过分析具体案例,使学生更好地理解和掌握烘干工艺及设备。
4.实验法:安排实地考察,使学生亲身体验矿渣烘干车间的生产过程,提高其实际操作能力。
四、教学资源为了支持本课程的教学,我们将准备以下教学资源:1.教材:选用权威、实用的教材,为学生提供系统、全面的知识体系。
2.参考书:提供相关领域的参考书籍,丰富学生的知识视野。
3.多媒体资料:制作精美的课件、视频等资料,提高学生的学习兴趣。
4.实验设备:确保实验室设备的完好和充足,为学生提供实践操作的机会。
五、教学评估本课程的评估方式包括以下几个方面:1.平时表现:考察学生在课堂上的参与程度、提问回答等情况,占总评的30%。
2.作业:完成布置的练习题和报告,占总评的20%。
3.考试:期末进行闭卷考试,占总评的50%。
评估方式力求客观、公正,全面反映学生的学习成果。
六、教学安排本课程的教学安排如下:1.教学进度:按照教材的章节顺序进行教学,确保学生掌握每个知识点。
年产50万吨矿粉烘干系统的课程设
计总论
课程设计总论
本课程设计的主题是建设一个年产50万吨矿粉烘干系统,旨在提高矿粉烘干
的效率,提高矿粉的质量,降低烘干成本,提高矿粉烘干系统的经济效益。
本课程设计的内容包括:矿粉烘干系统的设计、矿粉烘干系统的技术参数、矿
粉烘干系统的设备选择、矿粉烘干系统的操作流程、矿粉烘干系统的安全措施、矿粉烘干系统的维护保养、矿粉烘干系统的经济效益分析等。
本课程设计的目的是通过系统的设计,提高矿粉烘干系统的效率,提高矿粉的
质量,降低烘干成本,提高矿粉烘干系统的经济效益。
本课程设计的重点是矿粉烘干系统的设计,矿粉烘干系统的技术参数,矿粉烘
干系统的设备选择,矿粉烘干系统的操作流程,矿粉烘干系统的安全措施,矿粉烘干系统的维护保养,矿粉烘干系统的经济效益分析等。
本课程设计的方法是采用理论分析、实验研究、计算机模拟等方法,结合实际
情况,综合考虑矿粉烘干系统的设计、技术参数、设备选择、操作流程、安全措施、维护保养、经济效益分析等,以达到提高矿粉烘干系统的效率、提高矿粉的质量、降低烘干成本、提高矿粉烘干系统的经济效益的目的。
本课程设计的结果将为建设一个年产50万吨矿粉烘干系统提供参考,为矿粉
烘干系统的设计、技术参数、设备选择、操作流程、安全措施、维护保养、经济效益分析等提供有效的指导。
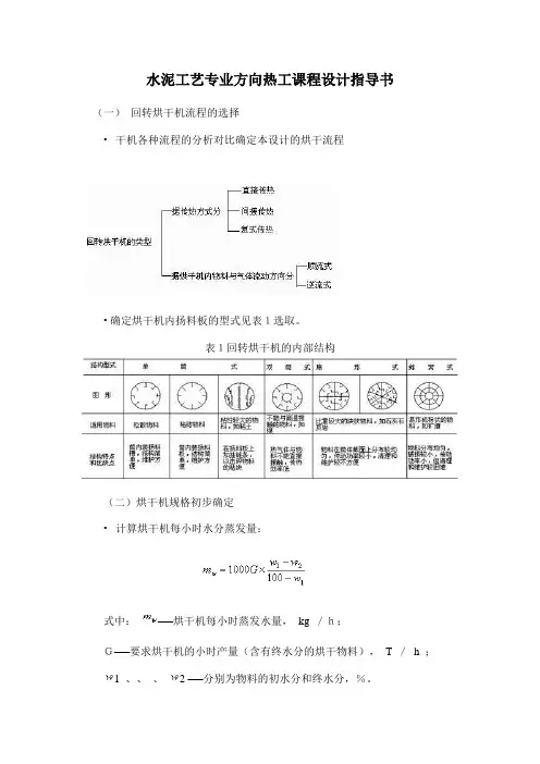
水泥工艺专业方向热工课程设计指导书(一)回转烘干机流程的选择•干机各种流程的分析对比确定本设计的烘干流程•确定烘干机内扬料板的型式见表1选取。
表1回转烘干机的内部结构(二)烘干机规格初步确定•计算烘干机每小时水分蒸发量:式中:──烘干机每小时蒸发水量,kg /h;G──要求烘干机的小时产量(含有终水分的烘干物料),T /h ;1 、、、2 ──分别为物料的初水分和终水分,%。
•计算烘干机的容积:V =式中:V──烘干机的容积,m 3 ;A──水分蒸发强度,kg /h. m 3 ,参见表2选用。
──同前。
表2几种回转烘干机水分蒸发强度A值(kg/m 3 .h )物料规格粘土 1 粘土 2 矿渣石灰石水分(% )A值水分(% )A值水分(% )A值水分(% )A值φ 1.5 × 12m 1015202522293336101520258.5384347101520253035404549522345612.316.520.524.426.5φ 2.2 × 12m 10152025222933361015202528.5384347101520253035404549522345610.515.317.222.825.5φ 2.4 × 18m 10152025152025301015202519.526323910152025303035373940234569.613.817.921.523.63、选取烘干机长径比(一般L/D=5-8),算出烘干机的直径和长度:V=πD 2 L式中:D──回转烘干机直经,m;L──回转烘干机长度,m。
根据D和L值,即可从烘干机标准产品系列中选定烘干机的规格。
(三)烘干机热平衡计算1、收入热量干燥介质带入热量:q 1 =L . c 1 . t 1 (KJ /kg-H 2 O )式中:L ──蒸发1kg 水干燥介质消耗量,Bm 3 /kg -H 2 O ;c 1 ──干燥介质的比热,KJ /Bm 3 ;t 1 ──进烘干机干燥介质温度,℃。
水泥工业热工设备课程设计说明书题目:10.00t/h烘干车间工艺设计学生姓名:学院:学院系别:系专业:班级:指导教师:二〇一X 年月摘要本课程设计主要是对烘干机的设计计算,烘干物质是矿渣,以顺流的烘干方式进行计算。
该烘干系统包含的主要设备有:回转烘干机、旋风收尘器、袋收尘器以及其它辅助设备—如提升机、带式输送机、排风机、鼓风机、螺旋输送机、料仓等。
设计的主要计算为热平衡的计算和物料平衡计算。
本课程设计主要是对烘干机车间的设计进行了详细的讲述。
通过原始资料及实际条件,主要进行了回转烘干机产量和水分蒸发量计算,烘干机的热效率;在燃烧室热平衡计算中,计算了空气量、烟气量、烟气组成以及收入热量和支出热量,因热量收支平衡从而计算出混合用冷空气量;燃烧室设计计算,计算了燃烧室的耗煤量及炉膛容积,喷嘴直径;除尘系统中说明了除尘分管的直径计算和废气的排放浓度和排放量计算,通过废气的排放量、温度和含尘浓度进行除尘系统及排风机实务选型以达到符合废气排放标准的要求。
通过对主要数据的计算,选择出符合要求的设备型号,达到节能环保的国际要求,同时又能够使公司利益最大化。
关键词:烘干机车间;烘干机;燃烧室;输送机;收尘器目录引言 ................................................. 错误!未定义书签。
第一章原始数据及设计条件 .............................. 错误!未定义书签。
1.1设计技术条件、技术参数等........................ 错误!未定义书签。
第二章回转烘干机产量和水分蒸发量 . (3)2.1回转烘干机产量 (3)2.2烘干机的水分蒸发量 (3)2.3 回转烘干机的操作方式 (3)2.4烘干机功率 (4)2.5物料在烘干机内的停留时间 (4)第三章燃烧室热平衡计算 (5)3.1干燥无灰基转化为收到基的计算 (5)3.2空气量、烟气量及烟气组成计算 (5)3.3热平衡计算 (6)3.3.1收到热量 (6)3.3.2支出热量 (6)第四章烘干机热平衡计算 (8)4.1收入热量 (8)4.2支出热量 (9)4.3烘干机的热耗和热效率 (10)第五章燃烧室设计计算 (11)5.1耗煤量计算 (11)5.2 燃烧室炉膛容积计算 (11)5.3喷煤嘴直径计算 (11)5.3.1空气用量 (12)5.3.2 一次风用量及风速 (12)5.3.3喷煤嘴直径 (12)5.4燃烧室鼓风机选型 (12)5.4.1 要求鼓风量 (12)5.4.2 鼓风机压力 (12)5.4.3 鼓风机选型 (13)第六章除尘系统 (13)6.1 烘干机废气量 (13)6.2 除尘器选型计算 (13)6.2.1 旋风收尘器选型及阻力计算 (13)6.2.2 袋式收尘器选型及阻力计算 (14)6.2.3 除尘风管直径 (15)6.3 排风机选型 (16)6.3.1 进排风机风量 (16)6.3.2 除尘系统总阻力 (17)6.3.3 排风机选型 (17)6.4 废气排放浓度和排放量 (18)6.4.1 废气排放浓度 (18)6.4.2 废气的排放量 (18)结论 (19)参考文献 (19)烘干车间工艺流程图引言我国水泥产量已经连续十年居世界第一位。
目录摘要 (1)英文摘要 (2)第一章前言 (3)1.任务来源 (3)2.设计依据 (3)3.工艺流程的选择 (15)4.气候条件 (16)5.环境要求 (16)第二章产量及燃料燃烧的有关计算 (17)1.烘干机的每小时产量 (17)2.燃料燃烧的有关计算 (17)2.1单位燃料燃烧的空气需用量 (17)2.2烟气生成量 (18)2.3燃烧温度 (19)第三章粘土烘干机的选型计算 (19)1.烘干机的物料平衡及热平衡计算 (20)1.1确定水的蒸发量 (20)1.2求 (20)1.3废气生成量 (21)2.选定蒸发强度A值,确定烘干机容积V及烘干机的规格(D×L) (22)3.电机拖动功率复核 (23)4.烘干机热效率的计算 (24)5.废气出烘干机的流速 (24)6.根据废气量及含尘量选型收尘设备和排风设备及管路布置 (24)6.1收尘设备选型 (24)6.2总的收尘效率 (25)6.3CLT/A型旋风收尘器原理和性能描述 (25)7.确定燃烧室及其附属设备 (25)7.1燃烧室的型式选择 (26)7.2计算炉篦面积 (26)7.3计算炉膛容积 (26)7.4计算炉膛高度 (26)7.5燃烧室鼓风机鼓风量计算 (26)第四章烟道阻力损失及烟囱计算 (27)1.烟道计算 (27)1.1烟气流速与烟道断面 (27)1.2烟道总阻力及烟气温度计算 (27)2.烟囱高度计算 (30)3.烟囱的直径 (32)3.1烟囱出口直径 (32)3.2烟囱底部直径 (32)第五章总结 (32)参考文献 (34)致谢 (35)3.5吨/年粘土烘干机的设计摘要:本课题设计的是3.5万吨/年粘土回转烘干机,粘土是生产水泥的主要原料,回转烘干机对粘土的烘干对水泥生产有重要的作用。
针对课题设计采用顺流式烘干机,回转烘干机内部装置选择抄板式,根据产量可以确定烘干器的规格。
物料从进料口进入烘干机,烟气从相同的方向进入烘干机,对物料进行烘干。
脱水烘干工程设计方案范本一、项目概况1.1 项目名称:脱水烘干工程设计1.2 项目背景:本项目是针对食品加工行业中需要对原料进行脱水和烘干处理的需求而设计的工程项目1.3 项目地点:本项目选址于工业园区,占地面积约1000平方米1.4 项目规模:设计生产能力为每小时脱水烘干原料1000公斤1.5 项目投资:预计总投资约500万元1.6 项目进度:本项目处于设计阶段二、工艺流程2.1 原料接收:原料从生产车间经过输送带进入到脱水烘干车间2.2 脱水处理:原料经过脱水设备,进行去除多余的水分,使原料达到所需的水分含量2.3 烘干处理:经过脱水处理后的原料送入烘干设备,进行烘干处理,使原料达到所需的干燥状态2.4 成品包装:烘干完成后的原料进行包装,以备出售或储存三、设备选择3.1 脱水设备:选择高效、节能的脱水设备,能够快速去除原料中多余的水分3.2 烘干设备:选择能够达到所需温度、湿度要求的烘干设备,具备快速、均匀烘干的能力3.3 输送设备:选择稳定、可靠的输送设备,能够将原料顺利地输送到每个工序四、主要工程4.1 厂房设计:根据生产工艺流程和设备布局设计厂房平面图,确保设备之间的合理布局和通风良好4.2 设备安装:为选购的脱水设备和烘干设备进行安装,确保设备正常运行和生产效率4.3 动力设备:为全套设备选择符合要求的动力设备,确保设备正常工作4.4 管道设施:设计消防、通风、照明等管道设施,确保厂房内环境安全、舒适4.5 信息化系统:设计数据采集及监控系统,实现远程操控和监视设备运行状态五、环保措施5.1 废水处理:设计完善的废水处理系统,使废水达到排放标准,减少对环境的影响5.2 废气处理:装设合适的废气处理设备,保证生产过程中产生的废气排放符合国家标准5.3 垃圾处理:规划设立垃圾分类处置点,确保对厂区内垃圾按要求进行分类处理六、运营管理6.1 人员培训:对厂区内操作人员进行相关的设备操作培训,规范作业行为,提高生产效率6.2 管理制度:建立厂区内的生产管理制度,规范员工操作行为,确保安全生产6.3 质量监控:建立完善的质量监控体系,对产品质量进行跟踪、监控,提升产品质量七、安全防护7.1 安全防护设施:增加安全通道和紧急逃生通道,设置紧急按钮、灭火器等设备7.2 安全培训:对员工进行生产安全培训,掌握相应的安全知识,提高安全生产意识7.3 安全巡检:定期进行设备、场地的安全巡检,确保设备安全稳定、场地无隐患八、项目效益8.1 经济效益:预计年产值达1000万元8.2 社会效益:为当地创造就业机会,促进当地经济发展8.3 环保效益:减少环境污染,保护当地生态环境总结:本项目是一个涉及到食品加工的脱水烘干工程设计方案,包括工艺流程、设备选择、主要工程、环保措施、运营管理、安全防护、项目效益等多个方面。
目录第一章课程设计目的、内容、要求 (1)1.1 设计目的 (1)1.2 设计内容 (1)1.3 设计要求 (1)1.3.1 组态软件工艺画面设计要求 (1)1.3.2 分析设计要求时主要考虑了以下几种情况 (2)第二章工控组态软件MCGS简介 (3)2.1 什么是MCGS组态软件 (3)2.2 MCGS的主要特点 (3)2.3 MCGS的构成 (4)2.4 MCGS组态软件的工作方式 (5)第三章粮食烘干机原理与要求分析 (7)3.1 粮食烘干机原理 (7)3.2 分析粮食烘干机电器控制系统工艺流程 (8)3.2.1手动操作 (8)3.2.2自动操作 (9)3.2.3分环节操作 (11)3.2.4报警系统 (15)3.2.5循环升降系统 (15)3.2.6工艺流程 (16)总结 (18)参考文献 (19)附录: (20)第一章课程设计目的、内容、要求1.1 设计目的(1)了解常用MCGS工控组态软件的主要特点及应用。
(2)掌握工控组态软件MCGS主要特点及应用。
(3)重点掌握 MCGS的画面组态、动画显示、流程控制等解决实际工程问题的方案和操作方法。
1.2 设计内容(1)设计题目总体设计方案本题目以MCGS为核心控制系统,采用组态软件进行模拟。
(2)应用工控组态软件MCGS进行工程CAD设计完成MCGS系统、传感器、提升机、开关等组成。
(3)系统的综合调试系统包括除杂、不出杂、烘干的功能。
(4)撰写课程设计论文设计内容要正确,概念要清楚,完成任务书所规定的内容附原理图及程序清单,文字要通顺,书写要工整。
(5)完成课程设计论文答辩。
1.3 设计要求1.3.1 组态软件工艺画面设计要求(1)用户图形界面生成:创建用户窗口。
(2)设置用户窗口属性:设置为启动窗口。
(3)创建编辑图形对象:插入元件并制作文字框图。
(4)制作用户动画界面:使用工具箱中的流动块。
(5)设计制作的工艺画面应布局合理、图形应形象逼真、文字应清晰简洁、流动滑块应生动形象。
稻谷烘干机课程设计一、课程目标知识目标:1. 学生能够理解稻谷烘干机的基本结构及其工作原理;2. 学生能够掌握稻谷烘干机操作流程中的关键参数,如温度、湿度控制;3. 学生能够了解稻谷烘干机在农业生产中的重要性及其对稻谷质量的影响。
技能目标:1. 学生能够运用所学知识,对稻谷烘干机进行正确的操作与维护;2. 学生能够分析并解决稻谷烘干过程中出现的一般性问题;3. 学生通过小组合作,设计出提高稻谷烘干效率的优化方案。
情感态度价值观目标:1. 学生培养对现代农业技术的兴趣,增强对农业机械化的认识;2. 学生树立科技创新意识,认识到科技在农业发展中的重要作用;3. 学生养成合作、探究的学习习惯,增强解决实际问题的自信心。
课程性质:本课程属于农业技术实践课程,结合课本知识,注重培养学生的动手操作能力和实际问题解决能力。
学生特点:学生处于初中年级,已具备一定的观察、分析和动手能力,对新鲜事物充满好奇心。
教学要求:结合学生特点,以实践操作为主,引导学生主动探究,将理论知识与实际应用相结合,提高学生的综合素养。
通过本课程的学习,期望学生能够达到上述具体的学习成果,为今后的学习和生活打下坚实基础。
二、教学内容本课程教学内容依据课程目标,紧密结合课本相关章节,具体如下:1. 稻谷烘干机结构及原理:- 稻谷烘干机的组成部分及其功能;- 烘干机工作原理,包括热风循环、热量传递等。
2. 稻谷烘干机的操作与维护:- 稻谷烘干机的操作流程,如开机、温度湿度设定、关机等;- 稻谷烘干机的维护与保养,包括日常清洁、设备检查、故障排除。
3. 稻谷烘干过程参数控制:- 稻谷烘干过程中关键参数(如温度、湿度)的设定与调整;- 参数控制对稻谷烘干质量和效率的影响。
4. 稻谷烘干效率优化:- 探讨影响稻谷烘干效率的因素;- 小组合作,设计优化方案,提高稻谷烘干效率。
教学内容安排与进度:第一课时:稻谷烘干机结构及原理;第二课时:稻谷烘干机的操作与维护;第三课时:稻谷烘干过程参数控制;第四课时:稻谷烘干效率优化。
干燥系统过程控制课程设计报告引言:干燥系统是工业生产过程中常用的一种工艺,其主要目的是将湿润的物料中的水分蒸发或除去,以达到提高产品质量和保证生产效率的目的。
干燥系统的过程控制是确保干燥过程稳定可靠运行的关键,本报告将对干燥系统过程控制进行课程设计分析与总结。
一、干燥系统的基本原理干燥系统通常由干燥设备、热源、风机、输送设备和控制系统等组成。
在干燥过程中,湿润的物料进入干燥设备,通过加热将水分蒸发或除去,然后通过风机将干燥后的物料排出。
二、干燥系统过程控制的目标干燥系统的过程控制主要目标是保持干燥设备的稳定运行,控制物料的干燥程度和干燥速度,以满足产品的质量要求和生产效率的提高。
同时,还需要考虑能源的节约和环保要求。
三、干燥系统过程控制的关键参数1. 温度控制:控制干燥设备的加热温度,保持在适宜的范围,以实现物料的快速、均匀干燥。
2. 湿度控制:监测物料的湿度,根据设定的目标湿度进行调节,确保物料达到预定的干燥程度。
3. 风速控制:调节风机的转速,控制风速,以提供足够的热量和气流,促进物料的干燥。
4. 输送速度控制:控制输送设备的速度,使物料在干燥设备中停留的时间适当,以实现充分干燥。
5. 能源消耗控制:优化能源利用,减少能源消耗,提高干燥系统的能效。
四、干燥系统过程控制的方法和技术1. 反馈控制:通过对干燥系统中关键参数的测量和监控,将其与设定值进行比较,通过调节控制器输出,实现对干燥过程的自动控制。
2. 前馈控制:根据干燥系统的特点和经验,预测干燥过程中可能出现的变化,提前对控制器进行调整,以提高系统的响应速度和稳定性。
3. 模型预测控制:建立干燥系统的数学模型,通过对模型进行优化计算和预测,确定最优的控制策略,以实现对干燥过程的精确控制。
4. 多变量控制:考虑干燥系统中多个参数之间的相互关系,通过综合调节和优化控制,提高系统的整体性能和稳定性。
五、干燥系统过程控制的应用案例以食品工业中的干燥系统为例,通过对干果的干燥过程进行控制,可以实现对产品质量和生产效率的提升。
水泥工业热工设备课程设计说明书题目:10.00t/h烘干车间工艺设计学生姓名:学院:学院系别:系专业:班级:指导教师:二〇一X 年月摘要本课程设计主要是对烘干机的设计计算,烘干物质是矿渣,以顺流的烘干方式进行计算。
该烘干系统包含的主要设备有:回转烘干机、旋风收尘器、袋收尘器以及其它辅助设备—如提升机、带式输送机、排风机、鼓风机、螺旋输送机、料仓等。
设计的主要计算为热平衡的计算和物料平衡计算。
本课程设计主要是对烘干机车间的设计进行了详细的讲述。
通过原始资料及实际条件,主要进行了回转烘干机产量和水分蒸发量计算,烘干机的热效率;在燃烧室热平衡计算中,计算了空气量、烟气量、烟气组成以及收入热量和支出热量,因热量收支平衡从而计算出混合用冷空气量;燃烧室设计计算,计算了燃烧室的耗煤量及炉膛容积,喷嘴直径;除尘系统中说明了除尘分管的直径计算和废气的排放浓度和排放量计算,通过废气的排放量、温度和含尘浓度进行除尘系统及排风机实务选型以达到符合废气排放标准的要求。
通过对主要数据的计算,选择出符合要求的设备型号,达到节能环保的国际要求,同时又能够使公司利益最大化。
关键词:烘干机车间;烘干机;燃烧室;输送机;收尘器目录引言 ................................................. 错误!未定义书签。
第一章原始数据及设计条件 .............................. 错误!未定义书签。
1.1设计技术条件、技术参数等........................ 错误!未定义书签。
第二章回转烘干机产量和水分蒸发量 . (3)2.1回转烘干机产量 (3)2.2烘干机的水分蒸发量 (3)2.3 回转烘干机的操作方式 (3)2.4烘干机功率 (4)2.5物料在烘干机内的停留时间 (4)第三章燃烧室热平衡计算 (5)3.1干燥无灰基转化为收到基的计算 (5)3.2空气量、烟气量及烟气组成计算 (5)3.3热平衡计算 (6)3.3.1收到热量 (6)3.3.2支出热量 (6)第四章烘干机热平衡计算 (8)4.1收入热量 (8)4.2支出热量 (9)4.3烘干机的热耗和热效率 (10)第五章燃烧室设计计算 (11)5.1耗煤量计算 (11)5.2 燃烧室炉膛容积计算 (11)5.3喷煤嘴直径计算 (11)5.3.1空气用量 (12)5.3.2 一次风用量及风速 (12)5.3.3喷煤嘴直径 (12)5.4燃烧室鼓风机选型 (12)5.4.1 要求鼓风量 (12)5.4.2 鼓风机压力 (12)5.4.3 鼓风机选型 (13)第六章除尘系统 (13)6.1 烘干机废气量 (13)6.2 除尘器选型计算 (13)6.2.1 旋风收尘器选型及阻力计算 (13)6.2.2 袋式收尘器选型及阻力计算 (14)6.2.3 除尘风管直径 (15)6.3 排风机选型 (16)6.3.1 进排风机风量 (16)6.3.2 除尘系统总阻力 (17)6.3.3 排风机选型 (17)6.4 废气排放浓度和排放量 (18)6.4.1 废气排放浓度 (18)6.4.2 废气的排放量 (18)结论 (19)参考文献 (19)烘干车间工艺流程图引言我国水泥产量已经连续十年居世界第一位。
随着十二五规划的即将编写和制定,我国水泥工业将会面临着更快更好的发展机遇。
同时随着国家对节能减排和环保要求力度的不断加大,我们必需进行水泥工业调整结构,实现水泥工业由“粗放型”向“集约型”的转变,必须在水泥工业的发展中加大采用新技术新设备的力度。
重点对产品质量低劣,环境污染,资源浪费的小型水泥厂实施停产改造或坚决关停,并加大水泥标准向国际标准靠拢的步伐,实现产品质量升级,产品结构调整的目的,争取在2020年以前率先完成国家对单位GDP能耗标准,真正做到水泥工业的现代化。
我国回转窑水泥厂的燃料基本上以煤为主,煤粉制备大多采用风扫煤磨系统。
本次新型干法水泥生产线的毕业设计,使我们进一步了解水泥厂工艺设计的基本内容和方法,为将来从事水泥厂设计打下了基础。
这个1.0kt/d熟料新型干法水泥生产线,采用先进的新型干法预分解窑工艺技术装备,国产低压高效率预热器和可控气流高效篦冷机。
整条生产线充分体现了“产品、质量、效益”的指导思想,可以大大降低能耗和投资,提高产品质量,降低成本,从而为公司的发展创造良好的条件,有明显的经济效益和社会效益。
可见,水泥是国民经济建设中不可缺少的建筑材料。
为了加速水泥工业的发展,减少能耗,提高质量,降低成本,改善环境,增加产量,不断提高经济效益,合理配置以新型干法水泥生产线为中心,大力推动水泥工业的发展现状。
第一章原始数据及设计条件1.1设计技术条件、技术参数等:1.烘干机类型:回转烘干机2.烘干物料:矿渣3.产量G=10(t/h)4.烘干机干燥方式:顺流式5.矿渣初水分:W=20%16.矿渣终水分:W=1%27.进烘干机烟气温度:t=800℃18.出烘干机烟气温度:t=120℃29.进料温度:t=20℃310.出料温度:t=110℃411.烘干机筒体表面温度:t=130℃f12.环境温度:t=20℃a13.大气压力:P=99992Pa14.燃烧室类型:煤粉燃烧室15.煤的热值:Q=27810(kJ/kg)net16.煤的工业分析:17.煤的元素分析:18.煤粉燃烧室热效率:η=0.9m19废气出烘干机含尘浓度为10g/N320.忽视空气中带入水汽第二章 回转烘干机产量和水分蒸发量2.1回转烘干机产量烘干机的产量通常按单位容积蒸发水分量指标进行计算)(121W -100W -W 1000AV G =或F G =)100W 1000AV 221W W --(]1[ (2-1) 式中:F G —回转烘干机的产量(按含有初水分1W 的湿物料计算) G —回转烘干机的产量(按含有终水分的湿物料计算)V —回转烘干机容积 3kg m h3m ;1W —物料的初水分,%2W —物料的终水分,%A —回转烘干机的单位容积蒸发强度 3kgm h查《硅酸盐工业热工基础》表6-4得 A=373kgm h。
h G t68.1220-1001-2010004.8137W -100W -W 1000AV ]1[121=⨯⨯==)()(h t 69.15)1100120(10004.8137W -100W -W 1000AV G ]1[221F =--⨯⨯==)(2.2烘干机的水分蒸发量[1]1211000()100201W 100012.680 3.011510020W W W G W -=--=⨯⨯=- t 水/h (2-2)由此可根据《硅酸盐工业热工基础》 表6-2选取电机型号为:Y225M-6 电机转速:3.2r/min 电机功率:P=30kw根据以上计算..F G G W 的值和烘干机产量的要求 G=10 t/h .选用烘干机规格2.418m φ⨯ 是正确的,符合要求。
2.3 回转烘干机操作方式选择根据初水分含量的高低及物料粘性选择顺流式或逆流式,还可以根据场地大小选择烘干物料五矿渣,初水分含量不太高,且矿物粘性不大选择顺流式烘干机。
2.4 烘干机功率3[1]m NKD L nγ= (2-3)式中:N —回转烘干机要求功率,KW ;D —回转烘干机直径,m; L —回转烘干机长度,m;m γ—烘干机物料堆积密度,3t/m ;查《新型干法水泥设计手册》776页表14-7可知,干的酸性粒状矿渣密度为0.6-0.8 3t m ,此处选3/625.0m t r m =。
n —电机转速,min /3r n =;K ——随烘干机负荷率而定的系数,此处选 K=0.069 选自《新型干法水泥设计手册》 表 5-4 115页kw n Lr KD N m 19.323625.0184.2069.033=⨯⨯⨯⨯==2.5 物料在烘干机内的停留时间[1]F Dnα=l (2-4) 式中:θ—物料休止角,40θ=o摘自《硅酸盐工业热工基础》表14-7得 P776F —烘干机内结构阻碍物料系数 2F =摘自《硅酸盐工业热工基础》α—烘干机倾斜角 tan %i α= 4i =摘自《硅酸盐工业热工基础》 表 5-1 P1121811.4572.29 2.4 3.2F Dn α===⨯⨯l min第三章 燃烧室热平衡计算3.1干燥无灰基转化为收到基的计算61.7100)5.3100(89.7100)M 100(A A ar d ar =-⨯=-=(3-1)38.7130.8010061.750.3100C 100A M 100C daf ar ar ar =⨯--=⨯--= (3-2)同理可得:42.510.68889.010.610061.75.3100100H )A M 100(H daf ar ar ar =⨯=⨯--=⨯--=31.106.118889.0O ar =⨯= 24.14.18889.0N ar =⨯=53.06.08889.0S ar =⨯=52.3946.448889.0V ar =⨯=3.2 空气量、烟气量及烟气组成计算基准:100kg 煤粉,列表计表 表3-1理论空气用量为472.74.22211000=⨯⨯=a V N 3m /kg 煤粉 实际空气用量为966.8472.72.1=⨯=a V N 3m /kg 煤粉理论烟气量为899.74.22100265.350=⨯=V N 3m /kg 煤粉 实际烟气量为394.94.2210094.41=⨯=V N 3m /kg 煤粉3.3 热平衡计算图:3-3-1燃烧室热平衡如图3-3-1 平衡范围:燃烧室 平衡基准:1kg 煤粉,0℃ 3.3.1收到热量(1)煤粉化学热:27810,==ar net DW Q q 粉kJ/kg 煤粉 (3-3)(2)煤粉量热为:煤粉煤煤煤粉kg kJ t C q /252026.111=⨯⨯=⨯⨯= (3-4)查资料《新型干法水泥工艺设计手册》知煤粉在20℃时平均比热c 煤=1.263kJ /Nm ⋅(℃) (3)空气显热为:设混合用冷空气量为3v Nm /kg 混煤粉煤粉)(混混混空气kg kJ V V t C V V q a a a /23292.2520296.1966.8()+=⨯⨯+=⨯+=查资料知:干空气在20℃时平均比热3a c 1.296(kJ /Nm )=⋅℃煤粉总收入热量混混空气煤粉粉kg kJ V V q q q DW /92.252806723292.252527810+=+++=++=3.3.2 支出热量(1)热烟气带出的热量计算如下:出燃烧室烟气温度为800℃,烟气总量=3V V Nm /kg +理煤粉 不同气体在800℃时平均比热见表3-2:摘自:《硅酸盐工业热工基础》 表:4-13煤粉(混混烟空混烟烟烟kg kJ V V t C V t VC q /110811278800385.1800)367.1093.7450.1314.0186.2004.0668.1650.0140.2333.1+=⨯⨯+⨯⨯+⨯+⨯+⨯+⨯=+=(2)燃烧室损失热量的计算如下: 燃烧室热效率:η=0.9煤粉)()(粉损kg kJ Q q DW /27819.0-127810-1=⨯=⨯=η (3-5)混混损烟总支出热量V V q q 1108140592781110811278+=++=+=(3)热量平衡 收入热量=支出热量混混V V 11081405992.2528067+=+得:煤粉混kg Nm V /945.123=烟气总量及烟气比热分别为:煤粉烟气总理混kg Nm V V /339.22945.12394.93=+=+=800℃时烟气的平均比热为)/(434.1800339.22945.121108112783C Nm kJ ο•=⨯⨯+=第四章 烘干机热平衡计算平衡范围:烘干机进料口到烘干机出料口 平衡基准:1kg 汽化水,0℃ 烘干机平衡示意图:4.1 收入热量:(1) 进烘干机热烟气带入热量:[1]111 1.4348001147.2q lc t ll l ==⨯⨯= kJ/kg 水 (4-1)式中:1q ——进烘干机热烟气带入热量,kJ/kg 水;l ——蒸发1kg/水需要的热气体量,3/Nm kg 水1t ——进烘干机烟气温度,℃1c ——进烘干机热气体平均比热,3/kJ Nm C ⋅︒(2)进烘干机湿物料带入热量:33222112100100100100t C t W C W C W W W q w w +⎥⎦⎤⎢⎣⎡+⎪⎭⎫ ⎝⎛---= (4-2) 1002010011[0.84() 4.1868]20 4.1868201001100100--=⨯⨯+⨯⨯+⨯- 157.29/kJ kg =水式中:2q ——进烘干机湿物料带入热量,kJ/kg 水; 1w ——进烘干机物料初水分,% 2w ——出烘干机物料终水分,% 2t ——进烘干机湿物料的温度,℃ w c ——水的比热,w c =4.1868/()kJ kg C ⋅︒c ——绝干物料的比热,/()kJ kg C ⋅︒,查资料知:20℃时c =0.84/()kJ kg C ⋅︒ (3) 总收入热量=1q +2q =(1147.2l +157.29)kJ/kg 水;4.2 支出热量120℃时不同气体的平均比热、废气量如表4-1(1)蒸发水分及水汽带走的热量:3q =2490+2[1]2H O c t (4-3)=2490+1.878⨯120 =2715.36/kJ kg 水式中: 3q ——蒸发水分及水汽带走的热量,/kJ kg 水2490——每千克水在0℃是变成水蒸气所需的汽化潜热,/kJ kg 水 2H O c ——水蒸气由0℃升至2t 时的平均比热,/()kJ kg C ⋅︒ 2t ——出烘干机废气温度,℃ (2) 出烘干机废气带走的热量:[1]422q lc t = (4-4)120)945.12903.7314.0004.0650.0333.1302.1945.12093.7297.1321.1314.0828.1004.0509.1650.0730.1333.1(⨯+++++⨯+⨯+⨯+⨯+⨯+⨯⨯=l159.80l = /kJ kg 水式中: 4q ——出烘干机废气带走的热量,/kJ kg 水 2c ——出烘干机废气的比热,3/kJ Nm C ⋅︒ 2t ——出烘干机废气温度,120℃ l ——出烘干机废气量,3/Nm kg 水(3)出烘干机物料带走的热量4222115100100100100t W C W C W W W q w ⎥⎦⎤⎢⎣⎡+⎪⎭⎫ ⎝⎛---= (4-5) 1002010011[0.84() 4.1868]1101001100100--=⨯⨯+⨯⨯- 404.55=/kJ kg 水式中:5q ——出烘干机物料带走的热量,/kJ kg 水 4t ——出烘干机物料温度,110℃ 4)烘干机筒体散热损失:[1]6()/F q F t t W αα=- (4-6)5.3011)20130(15653-⨯⨯==302/kJ kg 水 式中:6q ——烘干机筒体散热损失,/kJ kg 水F ——烘干机筒体散热表面积2m , 1.15F DL π= D ——烘干机直径,m L ——烘干机长度,m1.15——考虑到滚筒和大齿轮等所增加的表面系数 F t ——筒体外表面平均温度,℃ t α——周围环境温度,℃W ——烘干机每小时水分散发量,kg 水/hα——传热系数,2/()kJ m h ⋅⋅℃,见表4-2回转烘干机筒体表面传热系数α 2/()kJ m h ⋅⋅℃ 表4-2:总支出热量3456q q q q =+++水kg kJ l /30255.4048.1592715+++=(3793.41159.80)l =+/kJ kg 水 水kg kJ l /)8.15955.3421(+=5)热量平衡收入热量=支出热量l l 8.15955.342129.1572.1147+=+ 得:水kg Nm l /306.33=4.3烘干机的热耗和热效率热耗:水kg kJ t lC q /42149.0800434.1306.311=⨯⨯==η热效率:qt C t C w O H 3222490-+=烘η4214201868.4120878.12490⨯-⨯+=624.0=第五章 燃烧室设计计算5.1 耗煤量计算耗煤量为:水煤粉kg kg Q t lC g arnet /1515.0278109.0800434.1306.3]1[,11=⨯⨯⨯==η (5-1)烘干物料煤粉kg kg W W W Q t lC g ar net c /360.0201001201515.0100]1[121,11=--⨯=--⨯=η(5-2) h g W G c /4561515.05.3011煤粉=⨯=•= (5-3)式中:g ——烘干机的煤耗,kg 煤粉/kg 水 c g ——烘干机的煤耗,kg 煤粉/kg 烘干物料 c G ——燃烧室耗煤量,kg 煤粉/h η——燃烧室热效率5.2 燃烧室炉膛容积计算:燃烧室炉膛容积:3,66.186800002781024.456m q Q G V varnet c =⨯== (5-4)式中:V ——燃烧室炉膛空间容积,3mv q ——燃烧室炉膛容积热强度,33/()/kJ m h kw m ⋅或,煤粉燃烧室的v q 一般为 44350108310/()kJ m h ⨯⨯⋅:。