整体锅炉煮炉记录(最新版)
- 格式:xlsx
- 大小:22.05 KB
- 文档页数:1
烘煮炉记录的填写烘炉记录烘炉记录1、烘炉方法:烘炉可根据现场条件采用火焰法、蒸汽法等方法进行。
2、测温方法:热电偶或热电阻等3、测温部位:热器后或相当位置4、烘炉时间:散装重型炉墙锅炉宜为14~16d,整体安装的锅炉宜为 4~6d。
5、合格标准:⑴炉墙灰浆试样法:在燃烧室两侧墙的中部炉排上方1.5~2m处,或燃烧器上方1~1.5m处和过热器两侧墙的中部,取粘土砖、外墙砖的丁字交叉缝处的灰浆样品各50g测定,其含水率应小于2.5%;⑵测温法:在燃烧室两侧墙的中部炉排上方1.5~2m 处,或燃烧器上方1~1.5m处,测定外墙砖墙外表面向内100mm处的温度,其温度应达到50℃,并维持48h;或测定过热器两侧墙粘土砖与绝热层接合处的温度,其温度应达到100℃,并维持48h。
6、实际烘炉曲线:蒸汽烘炉(适用于有水冷壁的各种类型锅炉):1、用0.3-0.4MPa的饱和蒸汽从水冷壁集箱的排污管处送入锅炉,逐渐加热炉水,蒸汽供给应连续,均匀;炉水水位应保持正常,炉水温度应保持90℃;2、应开启必要的炉门,以排除湿气,并保证炉墙各部分仅能烘干。
3、烘炉后期宜补用火焰烘炉。
火焰烘炉的步骤(砖砌轻型炉墙)1、打开炉门、烟道闸门、开启引风机,通风5-10分钟,起到排潮和灰尘的作用。
2、将木材(不允许夹含铁钉等)放在炉膛中部,点燃木材小火烘烤,燃烧强度由小到大,缓缓增加,炉排在烘炉过程中应定期转动;砖砌轻型炉墙温升不应大于80℃/d,木柴烘炉约三天,三天后逐渐添加煤炭燃料。
3、烘炉时间整体安装的锅炉宜为 4~6d,后期烟温不超过160度。
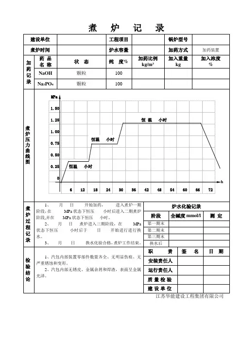
煮炉检查记录表计划曲线用虚线表示,实际曲线用实线表示煮炉检查记录表1、煮炉时间:煮炉时间宜为 48h~72h。
2、煮炉药剂及用量:(2)无磷酸三钠时,可用碳酸钠代替,用磷酸三钠的1.5倍。
(3)单独使用碳酸钠煮炉时为6㎏/m3.3、炉水碱度:不低于45mmol/l4、煮炉过程整个煮炉时间2-3天,煮炉的最后24h宜使压力保持在额定工作压力的75%;当在较低压力下煮炉时,应适当地延长煮炉时间。
整体锅炉煮炉记录整体锅炉是一种常见的热能设备,常用于工业生产和供暖等领域。
下面是一份整体锅炉煮炉记录的示例,供参考。
日期:2024年1月1日地点:工厂锅炉房锅炉信息:-型号:XYZ-1000-投入使用时间:2024年12月1日-最近一次维护时间:2024年11月15日煮炉操作记录:1.7:00AM:检查锅炉房安全状态,确认无明火和泄漏情况。
2.7:10AM:检查水位计,水位正常,水位高于底部的最低限度。
3.7:15AM:检查油泵压力,确保在正常工作范围内。
4.7:20AM:检查烟囱排烟状态,排烟通畅。
5.7:25AM:验证所有安全阀的工作状态,确保安全阀能正常工作。
6.7:30AM:关闭给水阀门,准备开始点火。
7.7:35AM:点火启动。
首先打开点火燃油,确保点火燃油供给充足;然后打开点火电源,点火引燃火苗;最后打开点火燃气阀门,供给燃气。
8.7:40AM:确认燃烧状态良好后,开始缓慢加热。
9.8:00AM:检查燃烧室温度和压力,确认温度和压力均在正常范围内。
10.8:10AM:打开给水阀门,开始加水。
11.8:20AM:监测水位计,确认水位上升正常。
12.8:30AM:检查燃油泵压力,确保在正常工作范围内。
13.9:00AM:锅炉进入正常工作状态,开始提供热能。
14.12:00PM:检查燃气中断阀门,确保正常工作。
15.12:10PM:检查炉水排放阀门,排放炉水,保持水质清洁。
16.12:30PM:检查燃气压力,确保在正常工作范围内。
17.1:00PM:检查燃烧室温度和压力,确认温度和压力依然在正常范围内。
18.2:00PM:检查烟囱排烟情况,排烟正常。
19.3:00PM:检查锅炉设备运行状态,一切正常。
20.7:00PM:结束工作,对锅炉进行停机处理。
维护记录:-上次维护:2024年11月15日,进行了常规的清洁和检查工作,清除了燃烧室内的积碳和灰尘,并更换了燃烧器的喷嘴。
-下次维护计划:2024年2月1日,计划对锅炉进行全面检修,清洁和更换必要的零部件。
锅炉煮炉记录C 2.3.6.14 编号:建筑施工技术,建筑施工组织,建筑工程计量与计价,建筑工程经济,混凝土结构,建筑构造与识图,钢结构,砌体结构,高层建筑施工,工程测量,工程结构抗震,装配化施工技术,建筑工程资料管理,建筑工程质量与安全管理,建筑CAD,天正建筑,BIM。
建筑工程技术专业主要包括土建、采暖卫生与煤气工程、电梯和消防,给排水工程五个方面,专业应具备建筑工程技术人员从业必须的文化基础与专业理论知识,从事建筑工程施工一线技术与管理等工作的高等技术应用型人才。
技术交底的作用与分类1什么是施工技术交底技术交底是施工企业极为重要的一项技术管理工作,是施工方案的延续和完善,也是工程质量预控的最后一道关口。
其目的是使参与建筑工程施工的技术人员与工人熟悉和了解所承担的工程项目的特点、设计意图、技术要求、施工工艺及应注意的问题。
2技术交底的作用使参与施工活动的每一个技术人员,明确本工程的特定施工条件、施工组织、具体技术要求和有针对性的关键技术措施,系统掌握工程施工过程全貌和施工的关键都位。
使参与工程施工操作每一个工人,通过技术交底,了解自己所要完成的分部分项工程的具体工作内容,操作方法、施工工艺、质量标准和安全注意事项等,做到施工操作人员任务明确,心中有数达到有序地施工,以减少各种质量通病,提高施工质量的目的。
3施工技术交底的分类(1)施工组织设计交底①重点和大型工程施工组织设计交底:由施工企业的技术负责人把主要设计要求、施工措施以及重要事项对项目主要管理人员进行交底。
其他工程施工组织设计交底由项目技术负责人进行交底。
②专项施工方案技术交底:由项目专业技术负责人负责,根据专项施工方案对专业工长进行交底。
(2)分项工程施工技术交底由专业工长对专业施工班组(或专业分包)进行交底。
“四新”技术交底:由项目技术负责人组织有关专业人员编制并交底。
(3)设计变更技术交底设计变更技术交底:由项目技术部门根据变更要求,并结合具体施工步骤、措施及注意事项等对专业工长进行交底。