余热锅炉系统试运转记录表
- 格式:doc
- 大小:16.00 KB
- 文档页数:1
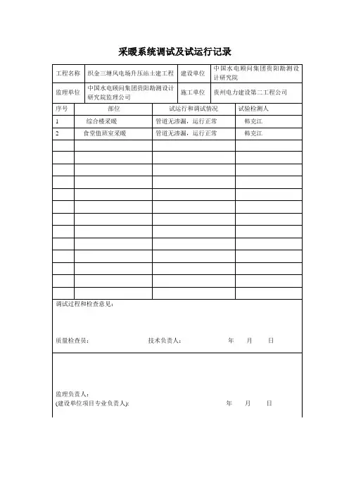
采暖系统调试及试运行记录
工程名称织金三塘风电场升压站土建工程建设单位中国水电顾问集团贵阳勘测设计研究院
监理单位中国水电顾问集团贵阳勘测设计
研究院监理公司
施工单位贵州电力建设第二工程公司
序号部位试运行和调试情况试验检测人
1 综合楼采暖管道无渗漏,运行正常韩克江
2 食堂值班室采暖管道无渗漏,运行正常韩克江
调试过程和检查意见:
质量检查员:技术负责人:年月日
监理负责人:
(建设单位项目专业负责人): 年月日。
锅炉日常运行记录表锅炉日常运行记录表日期:______年______月______日锅炉名称:_______________________记录人:_________________________时间温度压力液位备注00:00-04:0004:00-08:0008:00-12:0012:00-16:0016:00-20:0020:00-24:00温度:记录锅炉进出口水温和烟温,及过热器出口蒸汽温度。
检查是否正常,尤其注意是否有过高或过低现象,是否达到设计要求。
压力:记录锅炉进出口水压及蒸汽压力。
检查是否正常,尤其注意是否有严重偏差,是否达到设计要求。
液位:记录锅炉水位。
检查是否符合规定,尤其注意是否存在过高或过低问题,是否稳定。
备注:记录重要的操作、维修、保养情况等。
例如,加水、加药、放污、换垫等操作,是否按照规定进行,是否存在异常情况。
其他注意事项:1. 锅炉运行期间,要定期检查机器本体的运行情况,如声音、振动、泄漏等。
2. 设备停机时,要对机器本体和管路进行检查和清洗保养,并记录好检查结果。
3. 如有异常情况发生,应及时处理,并记录在运行记录表中。
4. 运行记录表应每日填写完整,并签字确认。
5. 运行记录表要妥善保存,便于日后查询和维护参考。
以上是针对锅炉日常运行记录表的相关介绍和注意事项,希望能对大家有所帮助。
为了保障锅炉的正常运行,我们应该认真执行操作规程,如有异常情况及时处理,并及时记录下来,以便及时排除问题。
锅炉是重要的工业设备,我们要认真对待,确保运行安全、可靠。