钢结构允许误差标准
- 格式:doc
- 大小:2.85 MB
- 文档页数:8
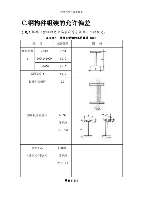
C.钢构件组装的允许偏差C.0.1 焊接H 型钢的允许偏差应符合表 C.0.1 的规定。
表C.0.1 焊接H 型钢的允许偏差(mm )项目允许偏差图例h<500 ±2.0截面高度500<h<1000 ±3.0h h>1000 ±4.0截面宽度 b ±3.0腹板中心偏移 2.0b/100,翼缘板垂直度△且不应大于3.0弯曲矢高L/1000,(受压构件除外)且不应大于10.0续表C.0.1项目允许偏差图例h/250扭曲且不应大于5.0t<14 3.0腹板局部平面度f t≥14 2.0C.0.2 焊接连接制作组装的允许偏差应符合表 C.0.2 的规定表C.0.2 焊接连接制作组装的允许偏差(mm)项目允许偏差图例对口错边△t/10, 且不应大于3.0间隙α±1.0搭接长度α±5.0缝隙△ 1.5续表C.0.2项目允许偏差图例高度h ±2.0垂直度△b/100, 且不应大于3.0中心偏移±2.0连接型钢处错位其他处1.02.0箱型截面高度h ±2.0宽度b ±2.0垂直度△b/200 ,且不应大于3.0C.0.3 单层钢柱外形尺寸的允许偏差应符合表 C.0.3 的规定。
表C.0.3 单层钢柱外形尺寸的允许偏差(mm )项目允许偏差检验图例柱底面到柱端与±l/1500方法用钢桁架连接的最上±15.0尺检一个安装孔距离L 查柱地面到牛腿支承面距离L1 ±L1/2000±8.0牛腿面的翘曲△ 2.0 用拉柱身弯曲矢高H/1200 ,且不应大于12.0 线、直角尺和钢尺检查续表C.0.3项目允许偏检验方法图例差用拉线、吊柱身牛腿处 3.0 线和钢尺检扭曲查其他处8.0柱截连线处±3.0用钢尺检查面几何尺非连线±4.0处寸连接处 1.5 用直角尺和翼缘非连线对腹处板的垂直度b/100 ,且不应大于5.0钢尺检查用lm 直角尺和塞尺检柱脚底平面度 5.0 查用钢尺检查柱脚螺栓孔中心对柱轴线的距离3.0C.0.4 多节钢柱外形尺寸的允许偏差应符合表 C.0.4 的规定。
C、钢构件组装得允许偏差C、0、1焊接H型钢得允许偏差应符合表C、0、1得规定。
续表C、0、1C、0、2 焊接连接制作组装得允许偏差应符合表C、0、2得规定、0、2 焊接连接制作组装得允许偏差(mm)表C续表C、0、2型钢 错位连接处 1、0其她处2、0箱型截面高度h±2、0宽度b ±2、0 垂直度△b/200,且不应大于3、0C 、0、3单层钢柱外形尺寸得允许偏差应符合表C 、0、3得规定。
项 目允许偏差检验方法图 例柱底面到柱端与桁架连接得最上一个安装孔距离L ±l/1500 ±15、0用钢尺检查柱地面到牛腿支承面距离L 1 ±L1/2000 ±8、0 牛腿面得翘曲△2、0用拉线、直角尺与钢尺检查 柱身弯曲矢高H/1200,且不应大于12、0续表C、0、3项目允许偏差检验方法图 例柱身扭曲牛腿处3、0 用拉线、吊线与钢尺检查其她处8、0柱截面几何尺寸连线处±3、0 用钢尺检查非连线处±4、0翼缘对腹板得垂直度连接处1、5 用直角尺与钢尺检查非连线处b/100,且不应大于5、柱脚底平面度5、0用lm直角尺与塞尺检查柱脚螺栓孔中心对柱轴线得距离3、0 用钢尺检查C、0、4多节钢柱外形尺寸得允许偏差应符合表C、0、4得规定.表C、0、4多节钢柱外形尺寸得允许偏差(mm)项目允许偏差检验方法图例一节高度H ±3、0 用钢尺检查两端最外侧安装孔距离L3±2、0铣平面到第一个安装孔距离α±1、0柱身弯曲矢高f H/1500,且不应大于5、0 用拉线与钢尺检查一节柱得柱身扭曲h/250,且不应大于5、0 用拉线、吊线与钢尺检查牛腿端孔到柱轴线距离L2±3、0 用钢尺检查牛腿得翘曲或扭曲△L2≤10002、0 用拉线直角尺与钢尺检查L2〉1000 3、0柱截面尺寸连接处±3、用钢尺检查非连接处±4、柱脚底面平面度5、0 用直尺与塞尺检查项目允许偏差检验方法图例翼缘板对腹板得垂直度连接处1、5 用直角尺与钢尺检查其她处b/100,且不应大于5、0柱脚螺栓孔对柱轴线得距离α3、0 用钢尺检查箱型截面连接处对角线差3、0箱型柱身板垂直度H(b)/150,且不应大于5、0用直角尺钢尺检查C、0、5 焊接实腹钢梁外形尺寸得允许偏差应符合表C、0、5得规定。
C.钢构件组装的允许偏差焊接H型钢的允许偏差应符合表的规定。
项目允许偏差图例截面高度hh<500±500<h<1000±h>1000±截面宽度b±腹板中心偏移翼缘板垂直度△b/100,且不应大于弯曲矢高(受压构件除外)L/1000,且不应大于续表扭曲h/250且不应大于腹板局部平面度ft<14t≥14焊接连接制作组装的允许偏差应符合表的规定表焊接连接制作组装的允许偏差(mm)项目允许偏差图例对口错边△t/10,且不应大于间隙α±搭接长度α±缝隙△续表高度h ±垂直度△b/100,且不应大于中心偏移 ± 型钢 错位连接处其他处箱型截面高度h±宽度b ± 垂直度△b/200,且不应大于单层钢柱外形尺寸的允许偏差应符合表的规定。
表单层钢柱外形尺寸的允许偏差(mm )项 目允许偏差检验方法图 例柱底面到柱端与桁架连接的最上一个安装孔距离L ±l/1500 ±用钢尺检查柱地面到牛腿支承面距离L1 ±L1/2000± 牛腿面的翘曲△用拉线、直角尺和钢柱身弯曲矢高H/1200,且不应大于尺检查续表项目允许偏差检验方法图例柱身扭曲牛腿处用拉线、吊线和钢尺检查其他处柱截面几何尺寸连线处±用钢尺检查非连线处±翼缘对腹板的垂直度连接处用直角尺和钢尺检查非连线处b/100,且不应大于柱脚底平面度用lm直角尺和塞尺检查柱脚螺栓孔中心对柱轴线的距离用钢尺检查多节钢柱外形尺寸的允许偏差应符合表的规定。
表多节钢柱外形尺寸的允许偏差(mm)项目允许偏差检验方法图例一节高度H±用钢尺检查两端最外侧安装孔距离L3±铣平面到第一个安装孔距离α±柱身弯曲矢高f H/1500,且不应大于用拉线和钢尺检查一节柱的柱身扭曲h/250,且不应大于用拉线、吊线和钢尺检查牛腿端孔到柱轴线距±用钢尺检查离L2牛腿的翘曲或扭曲△L2≤1000用拉线直角尺和钢尺检查L2>1000柱截面尺寸连接处±用钢尺检查非连接处±柱脚底面平面度用直尺和塞尺检查续表项目允许偏差检验方法图例翼缘板对腹板的垂直度连接处用直角尺和钢尺检查其他处b/100,且不应大于柱脚螺栓孔对柱轴线的距离α用钢尺检查箱型截面连接处对角线差箱型柱身板垂直度H(b)/150,且不应大于用直角尺钢尺检查焊接实腹钢梁外形尺寸的允许偏差应符合表的规定。
钢结构梁厚度允许偏差摘要:一、钢结构梁厚度允许偏差的概念与意义二、钢结构梁厚度允许偏差的标准与规定三、影响钢结构梁厚度允许偏差的因素四、如何控制和减小钢结构梁厚度允许偏差五、总结正文:钢结构梁作为建筑结构中的重要组成部分,其厚度的允许偏差直接影响到结构的安全和稳定性。
本文将详细探讨钢结构梁厚度允许偏差的概念、标准、影响因素以及如何控制和减小偏差,以期为钢结构梁的设计和施工提供实用的参考。
一、钢结构梁厚度允许偏差的概念与意义钢结构梁厚度允许偏差是指在钢结构梁的制造和施工过程中,梁的实际厚度与设计厚度之间的允许误差。
这个允许偏差是根据国家相关规范和工程需求来确定的,具有重要的现实意义。
因为梁的厚度偏差过大,可能会导致结构的强度、刚度和稳定性不符合设计要求,从而影响整个建筑的安全和寿命。
二、钢结构梁厚度允许偏差的标准与规定在我国,关于钢结构梁厚度允许偏差的标准和规定主要体现在以下几个方面:1.GB700-2006《碳素结构钢》中规定了钢材厚度的允许偏差值。
2.钢结构工程施工及验收规范GB50205-95 规定,当钢材表面有锈蚀、麻点或划痕等缺陷时,其深度不得大于钢材厚度负偏差值的1/2。
三、影响钢结构梁厚度允许偏差的因素1.钢厂和钢材类型:不同钢厂和钢材类型之间的厚度偏差可能存在较大差异。
2.钢材加工工艺:加工工艺的不同会影响钢材厚度的偏差。
3.施工现场环境:如温度、湿度等环境因素可能影响钢材的收缩和膨胀,从而导致厚度偏差。
四、如何控制和减小钢结构梁厚度允许偏差1.选用优质钢材:选择质量可靠、厚度偏差较小的钢材。
2.严格把控加工工艺:采用合理的加工工艺,减小钢材厚度偏差。
3.加强施工现场管理:控制好施工现场的环境因素,减小厚度偏差。
4.严格验收标准:在施工过程中,严格按照国家相关规范和标准进行验收,确保钢结构梁的厚度偏差在允许范围内。
五、总结钢结构梁厚度允许偏差是影响结构安全和寿命的重要因素。
了解其概念、标准和影响因素,对于钢结构梁的设计和施工具有重要的指导意义。
钢构验收的允许误差
钢构验收的允许误差在不同项目和环节中有所不同。
以下分别列举了钢结构顶面标高误差、钢结构垂直度允许偏差和建筑钢结构垂直度允许偏差:
1. 钢结构顶面标高误差:允许范围是≤10mm。
2. 钢结构垂直度允许偏差:新建建筑物(框剪结构)的垂直度的允许偏差范围是垂直度允许偏差不分框剪和砖混结构,国标是垂直度8mm,在3米范围内。
3. 建筑钢结构垂直度允许偏差:最大不超过35mm。
一般建筑物要求垂直度允许偏差单层不能超过5MM,全高不能超过千分之零点三。
以上内容仅供参考,建议咨询专业人士获取更准确的信息。
C.钢构件组装的允许偏差C.0.1焊接H型钢的允许偏差应符合表C.0.1的规定。
项目允许偏差图例截面高度hh<500 ±2.0 500<h<1000 ±3.0 h>1000 ±4.0截面宽度b ±3.0腹板中心偏移 2.0翼缘板垂直度△b/100,且不应大于3.0弯曲矢高(受压构件除外)L/1000,且不应大于10.0续表C.0.1项目允许偏差图例扭曲h/250且不应大于5.0t<14 3.0腹板局部平面度ft≥14 2.0C.0.2 焊接连接制作组装的允许偏差应符合表C.0.2的规定表C.0.2 焊接连接制作组装的允许偏差(mm)项目允许偏差图例对口错边△t/10,且不应大于3.0间隙α±1.0搭接长度α±5.0缝隙△ 1.5续表C.0.2项目允许偏差图例高度h ±2.0垂直度△b/100,且不应大于3.0中心偏移 ±2.0 型钢 错位连接处 1.0其他处2.0箱型截面高度h±2.0宽度b ±2.0 垂直度△b/200,且不应大于3.0C.0.3单层钢柱外形尺寸的允许偏差应符合表C.0.3的规定。
项 目允许偏差检验方法图 例柱底面到柱端与桁架连接的最上一个安装孔距离L ±l/1500 ±15.0用钢尺检查柱地面到牛腿支承面距离L 1 ±L1/2000 ±8.0 牛腿面的翘曲△2.0用拉线、直角尺和钢尺检查 柱身弯曲矢高H/1200,且不应大于12.0续表C.0.3项目允许偏差检验方法图 例柱身 扭曲牛腿处3.0用拉线、吊线和钢尺检其他处8.0 查柱截面几何尺寸连线处±3.0 用钢尺检查非连线处±4.0翼缘对腹板的垂直度连接处 1.5 用直角尺和钢尺检查非连线处b/100,且不应大于5.0柱脚底平面度 5.0 用lm直角尺和塞尺检查柱脚螺栓孔中心对柱轴线的距离3.0 用钢尺检查C.0.4 多节钢柱外形尺寸的允许偏差应符合表C.0.4的规定。
钢结构安装误差标准一、构件尺寸误差构件尺寸误差是影响钢结构安装精度的重要因素。
根据相关规范,钢结构构件的尺寸误差应控制在一定范围内。
具体来说,钢梁的长度误差应不超过±5mm,高度误差应不超过±2mm,宽度误差应不超过±3mm。
钢板、钢管等原材料的长度误差应不超过±1mm,厚度误差应不超过±0.5mm。
二、轴线位置误差轴线位置误差是指钢结构构件在安装过程中偏离设计轴线的程度。
根据相关规范,钢结构安装的轴线位置误差应控制在一定范围内。
具体来说,单层钢结构框架的柱基中心线位移不应超过±10mm,扭曲不应超过±L/2000(L为柱基长度)。
多层钢结构框架的柱基中心线位移不应超过±30mm,扭曲不应超过±L/1500(L为柱基长度)。
三、垂直度误差垂直度误差是指钢结构构件在安装过程中偏离垂直线的程度。
根据相关规范,钢结构安装的垂直度误差应控制在一定范围内。
具体来说,单层钢结构框架的垂直度偏差应不超过H/1000(H为柱高),多层钢结构框架的垂直度偏差应不超过H/500(H为柱高)。
四、标高误差标高误差是指钢结构构件在安装过程中的高度偏差。
根据相关规范,钢结构安装的标高误差应控制在一定范围内。
具体来说,钢柱基础标高偏差应不超过±10mm,分段制作的单层钢结构框架整体高度偏差应不超过±30mm。
五、焊缝质量误差焊缝质量是影响钢结构稳定性的重要因素。
根据相关规范,钢结构安装的焊缝质量应符合一定标准。
具体来说,对接焊缝的余高不应超过2mm,角焊缝的焊脚尺寸不应超过设计焊脚尺寸的2/3。
同时,焊缝应饱满、无气孔、无夹渣等缺陷。
钢结构垂直度偏差允许范围钢结构垂直度偏差允许范围-建筑工程中的重要参数引言:在建筑工程中,钢结构是一种广泛应用的重要构件。
然而,在钢结构的施工过程中,可能会存在一定的垂直度偏差。
垂直度是评估钢结构组装的重要参数之一,对于保证结构的稳定性、安全性和使用性至关重要。
本文将探讨钢结构垂直度偏差的允许范围,以及其对建筑工程质量的影响。
1. 垂直度的定义和重要性垂直度指的是钢结构立杆或梁柱与水平面之间的垂直偏差。
它是评估结构垂直程度的重要参数之一,对于建筑工程结构的稳定性和美观性具有重要影响。
一旦钢结构出现垂直度偏差过大时,不仅可能导致结构的不稳定和不安全,还可能对结构的使用功能产生负面影响。
因此,在设计和施工过程中,需要根据国家标准和规范来确定钢结构垂直度的允许范围。
2. 钢结构垂直度允许范围的标准根据国家标准和规范,钢结构垂直度的允许范围是有一定限制的。
根据《建筑幕墙工程质量验收标准》(GB/T 21086-2007)的规定,在建筑幕墙工程中,钢结构立杆的垂直度允许偏差应在±5mm范围内。
在其他建筑工程项目中,根据具体设计要求和结构类型的不同,垂直度的允许范围有所不同。
一般而言,垂直度的允许偏差在±10mm以内是常见的。
3. 影响钢结构垂直度偏差的因素钢结构垂直度偏差主要受到以下因素的影响:3.1 施工工艺和操作技术:在钢结构的组装和安装过程中,需要严格按照施工工艺和操作技术要求进行施工。
如果操作不规范或技术不到位,容易导致结构垂直度偏差过大。
3.2 结构设计和预制加工:钢结构的垂直度偏差也与结构设计和预制加工质量有关。
设计人员在设计过程中应考虑到结构的垂直度要求,以便在预制加工过程中进行相应的控制和调整。
3.3 材料的影响:钢结构材料的选择和质量也会对垂直度产生影响。
材料的弯曲和尺寸误差可能导致结构的整体垂直度偏差。
4. 垂直度偏差的影响钢结构的垂直度偏差过大会对建筑工程的质量产生一系列的影响:4.1 结构稳定性问题:垂直度偏差过大会导致结构整体的不稳定,降低其承载能力和抗风能力,甚至引发倒塌的危险。
钢结构加工施工误差标准
钢结构加工及施工误差标准
一、构件连接处螺栓孔加工误差值标准
C级螺栓孔的允许偏差(mm)
螺栓孔孔距的允许偏差(mm)
螺栓孔孔距范围<500 501~1200 1201~3000 >3000 同一组内任意两孔间距离±1.0 ±1.5
相邻两组的端孔间距离±1.5 ±2.0 ±2.5 ±3.0
注:1、在节点中连接板与一根杆件相连的所有螺栓孔为一组;
2、对接接头在拼接板一侧的螺栓孔为一组;
3、在两相邻节点或接头间的螺栓孔为一组,但不包括上述两款所规定
的螺栓孔;
4、受弯构件翼缘上的连接螺栓孔,每米长度范围内的螺栓孔为一组。
检测方法:用钢尺检查
二、焊接型钢误差值标准
焊接H型钢的允许偏差(mm)
图例
许
焊接连接制作组装的允许偏差(mm)
三、钢构件的外形尺寸
单层钢柱的外形尺寸允许偏差(mm)
焊接实腹钢梁外形尺寸允许偏差(mm)
钢管外形尺寸允许偏差(mm)
四、安装误差值标准
支承面、地脚螺栓(锚栓)的允许偏差(mm)
钢柱安装的允许偏差(mm)
桁架、梁及受压杆件垂直度和侧向弯曲矢高的允许偏差(mm )
项目 允许偏差
图例
跨中的垂直度
H/250,且不能大于15.0。
C.钢构件组装的允许偏差C.0.1焊接H型钢的允许偏差应符合表C.0.1的规定。
表C.0.1 焊接H型钢的允许偏差(mm)项目允许偏差图例截面高度hh<500 ±2.0 500<h<100±3.0 h>1000 ±4.0截面宽度b ±3.0 腹板中心偏移 2.0翼缘板垂直度△b/100, 且不应大于3.0弯曲矢高(受压构件除外)L/1000,且不应大于10.0续表C.0.1项目允许偏差图例扭曲h/250 且不应大于5.0腹板局部平面度f t<14 3.0 t≥14 2.0C.0.2 焊接连接制作组装的允许偏差应符合表C.0.2的规定表C.0.2 焊接连接制作组装的允许偏差(mm)项目允许偏差图例对口错边△t/10,且不应大于3.0间隙α±1.0搭接长度α±5.0缝隙△ 1.5续表C.0.2项目允许偏差图例高度h ±2.0垂直度△b/100,且不应大于3.0中心偏移±2.0型钢错位连接处1.0其他处2.0箱型截面高度h ±2.0 宽度b ±2.0垂直度△b/200,且不应大于3.0C.0.3单层钢柱外形尺寸的允许偏差应符合表C.0.3的规定。
表C.0.3单层钢柱外形尺寸的允许偏差(mm )项 目允许偏差检验方法图 例柱底面到柱端与桁架连接的最上一个安装孔距离L ±l/1500 ±15.0用钢尺检查柱地面到牛腿支承面距离L1 ±L1/2000 ±8.0 牛腿面的翘曲△ 2.0 用拉线、直角尺和钢尺检查 柱身弯曲矢高H/1200,且不应大于12.0续表C.0.3项目允许偏差检验方法图 例柱身牛腿处3.0用拉线、吊线和钢尺检扭曲其他处8.0查柱截面几何尺寸连线处±3.0 用钢尺检查非连线处±4.0翼缘对腹板的垂直度连接处 1.5 用直角尺和钢尺检查非连线处b/100,且不应大于5.0柱脚底平面度 5.0 用lm直角尺和塞尺检查柱脚螺栓孔中心对柱轴线的距离3.0用钢尺检查C.0.4 多节钢柱外形尺寸的允许偏差应符合表C.0.4的规定。
C.钢构件组装的允许偏差
C.0.1焊接H型钢的允许偏差应符合表C.0.1的规定。
表C.0.1 焊接H型钢的允许偏差(mm)项目允许偏差图例
截面高度
h
h<500 ±2.0 500<h<1000 ±3.0 h>1000 ±4.0
截面宽度b ±3.0腹板中心偏移 2.0
翼缘板垂直度△
b/100, 且不应大于3.0
弯曲矢高(受压构件除外)
L/1000, 且不应大于10.0
项目允许偏差图例
扭曲
h/250 且不应大于5.0
腹板局部
平面度f
t<14 3.0
t≥14 2.0
C.0.2 焊接连接制作组装的允许偏差应符合表C.0.2的规定
表C.0.2 焊接连接制作组装的允许偏差(mm)项目允许偏差图例
对口错边△t/10,且不应大于3.0
间隙α±1.0搭接长度α±5.0缝隙△ 1.5
项 目 允许偏差 图 例
高度h ±2.0
垂直度△
b/100,且不应大于3.0
中心偏移 ±2.0 型钢 错位
连接处 1.0
其他处
2.0
箱型截面高度h
±2.0
宽度b ±2.0 垂直度△
b/200,且不应大于3.0
C.0.3单层钢柱外形尺寸的允许偏差应符合表C.0.3的规定。
表C.0.3单层钢柱外形尺寸的允许偏差(mm )
项 目
允许偏差
检验方法
图 例
柱底面到柱端与桁架连接的最上一个安装孔距离L ±l/1500 ±15.0
用钢尺检查
柱地面到牛腿支承面距离L 1 ±L1/2000 ±8.0 牛腿面的翘曲△
2.0
用拉线、直
角尺和钢尺检查
柱身弯曲矢高
H/1200,且不应大于12.0
续表C.0.3
项目允许偏
差
检验方法图例
柱身扭曲牛腿处 3.0
用拉线、吊
线和钢尺检
查
其他处8.0
柱截面几何尺寸连线处±3.0 用钢尺检查
非连线
处
±4.0
翼缘对腹板的垂直度连接处 1.5 用直角尺和
钢尺检查非连线
处
b/100,且
不应大
于5.0
柱脚底平面度 5.0 用lm直角尺和塞尺检
查
柱脚螺栓孔中心对柱轴线的距离3.0
用钢尺检查
C.0.4 多节钢柱外形尺寸的允许偏差应符合表C.0.4的规定。
表C.0.4 多节钢柱外形尺寸的允许偏差(mm)
项目允许
偏差
检验方法图例一节高度H ±3.0 用钢尺检查
两端最外侧安装孔距
离L3
±2.0
铣平面到第一个安装
孔距离α
±1.0
柱身弯曲矢高f H/150
0,且
不应
大于
5.0 用拉线和钢尺检查
一节柱的柱身扭曲h/250,
且不
应大
于5.0 用拉线、吊线和钢尺检查
牛腿端孔到柱轴线距
离L2
±3.0 用钢尺检查
牛腿的翘曲或扭曲△L2≤1000 2.0 用拉线直角
尺和钢尺检
查
L2>1000 3.0
柱截面尺寸
连接处±3.0 用钢尺检查非连接处±4.0
柱脚底面平面度 5.0 用直尺和塞
尺检查
续表C.0.4
项目允许偏差检验
方法
图例
翼缘板对腹板的垂直度连接
处
1.5 用直
角尺
和钢
尺检
查其他
处
b/100,且不
应大于5.0
柱脚螺栓孔对柱
轴线的距离α
3.0
用钢
尺检
查
箱型截面连接处
对角线差
3.0
箱型柱身板垂直
度H(b)/150,
且不应大于
5.0
用直
角尺
钢尺
检查
C.0.5 焊接实腹钢梁外形尺寸的允许偏差应符合表C.0.5的规定。
表C.0.5焊接实腹钢梁外形尺寸的允许偏差(mm )
项目
允许偏差
检验方法
图 例
梁长度L
端部有凸缘支座板
0 -5.0
用钢尺检查
其他形式 ±L/2500
±10.0
端部高度
h ≤2000 ±2.0
h>2000 ±3.0
用拉线和钢尺检查
拱度
设计要求起拱 ±L/5000
设计未要求起拱 10.0 -5.0 侧弯矢高
L/2000,且不应大于10.0
扭曲 h/250,且不应大于10.0
用拉线、吊线和钢尺检查
腹板局部平面度
t ≤14 5.0
用lm 直尺和塞尺检查
t>14 4.0。