国家规范要求护栏、钢梯标准
- 格式:ppt
- 大小:1009.50 KB
- 文档页数:4
中华人民共和国国家标准固定式钢梯及平台安全要求1钢直梯:1.1 范围本部分规定了固定式钢直梯的设计、制造和安装方面的基本安全要求。
本部分适用于工业企业内工作场所中使用的固定式钢直梯(另有标准规定的除外)。
1.2 规范性引用文件:下列文件中的条款通过本部分的引用而成为本部分的条款。
凡是注日期的引用文件,其随后所有的修改单(不包括勘误的内容)或修订版均不适用于本部分。
然而,鼓励根据本部分达成协议的各方研究是否可使用这些文件的最新版本。
凡是不注日期的引用文件,其最新版本适用于本部分。
GB 4053.3固定式钢梯及平台安全要求第 3 部分:工业防护栏杆及钢平台GB 50057建筑物防雷设计规范GB 50205钢结构工程施工质量验收规范1.3 术语和定义1.3.1固定式钢直梯 fixed steel ladder :永久性安装在建筑物或设备上,与水平面成 75°~90 °倾角主要构件为钢材制造的直梯(见图 1)。
1.3.2梯梁(梯框) stile (rail ):用来安装踏棍或其它横向承载件的梯子侧边构件。
1.3.3踏棍 rung :供使用者上下梯时脚踩踏的梯子构件。
1.3.4护笼(安全护笼) cage (cage guard ):安装在梯梁或固定结构上,封闭梯子周围攀登空间防止人员坠落的框架结构。
1.3.5支撑 support :用来将钢直梯固定在建筑物或设备上的构件。
1.3.6(直梯)扶手 handrail :钢直梯顶端供攀登者手握的构件。
1.3.7内侧净宽度 inside clear width:两梯梁内侧平行于踏棍测量的距离,简称梯宽。
1.3.8梯段高度 height of the ladder:梯子上端基准面至下端基准面间的垂直距离,简称梯高。
1.4一般要求:1.4.1材料:1.4.1.1钢直梯采用钢材的力学性能应不低于Q235-B ,并具有碳含量合格保证。
1.4.1.2支撑宜采用角钢、钢板或钢板焊接成 T 型钢制作,埋没或焊接时必须牢固可靠。
护栏、爬梯标准中华人民共和国国家标准固定式钢梯及平台安全要求 1 钢直梯 1.1 范围本部分规定了固定式钢直梯的设计、制造和安装方面的基本安全要求。
本部分适用于工业企业内工作场所中使用的固定式钢直梯另有标准规定的除外。
1.2 规范性引用文件下列文件中的条款通过本部分的引用而成为本部分的条款。
凡是注日期的引用文件其随后所有的修改单不包括勘误的内容或修订版均不适用于本部分。
然而鼓励根据本部分达成协议的各方研究是否可使用这些文件的最新版本。
凡是不注日期的引用文件其最新版本适用于本部分。
GB 4053.3 固定式钢梯及平台安全要求第3 部分工业防护栏杆及钢平台 GB 50057 建筑物防雷设计规范 GB 50205 钢结构工程施工质量验收规范 1.3 术语和定义 1.3.1 固定式钢直梯fixed steel ladder永久性安装在建筑物或设备上与水平面成75?90?倾角主要构件为钢材制造的直梯见图1。
1.3.2 梯梁梯框stilerail用来安装踏棍或其它横向承载件的梯子侧边构件。
1.3.3 踏棍rung供使用者上下梯时脚踩踏的梯子构件。
1.3.4 护笼安全护笼cagecage guard安装在梯梁或固定结构上封闭梯子周围攀登空间防止人员坠落的框架结构。
1.3.5 支撑support用来将钢直梯固定在建筑物或设备上的构件。
1.3.6 直梯扶手handrail钢直梯顶端供攀登者手握的构件。
1.3.7 内侧净宽度inside clear width 两梯梁内侧平行于踏棍测量的距离简称梯宽。
1.3.8 梯段高度height of the ladder梯子上端基准面至下端基准面间的垂直距离简称梯高。
1.4 一般要求 1.4.1 材料 1.4.1.1 钢直梯采用钢材的力学性能应不低于Q235-B并具有碳含量合格保证。
1.4.1.2 支撑宜采用角钢、钢板或钢板焊接成T型钢制作埋没或焊接时必须牢固可靠。
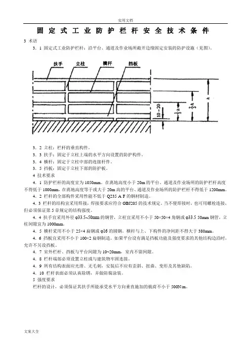
固定式工业防护栏杆安全技术条件3 术语3.1 固定式工业防护栏杆:沿平台、通道及作业场所敞开边缘固定安装的防护设施(见图)。
3.2 立柱:栏杆的垂直构件。
3.3 扶手:固定于立柱上端的水平方向设置的防护构件。
3.4 横杆:固定于立柱中部的连接杆件。
3.5 挡板:固定于立柱下部的防护板。
4 技术要求4.1 防护栏杆的高度宜为1050mm。
在离地高度小于20m的平台、通道及作业场所的防护栏杆高度不得低于1000mm,在离地高度等于或大于20m高的平台、通道及作业场所的防护栏杆不得低于1200mm。
4.2 栏杆的全部构件采用性能不低于Q235-A·F的钢材制造。
4.3 栏杆的结构宜采用焊接,焊接要求应符合GBJ205的技术规定。
当不便焊接时,也可用螺栓连接,但必须保证第5章规定的结构强度。
4.4 扶手宜采用外径φ33.5~50mm的钢管,立柱宜采用不小于50×50×4角钢或φ33.5-50mm钢管,立柱间隙宜为1000mm。
4.5 横杆采用不小于25×4扁钢或φ16的圆钢。
横杆与上、下构件的净间距不得大于380mm。
4.6 挡板宜采用不小于100×2扁钢制造。
如果平台设有满足挡板功能及强度要求的其他结构边沿时,允许不另设挡板。
4.7 室外栏杆、挡板与平台间隙为10~20mm,室内不留间隙。
4.8 栏杆端部必须设置立柱或与建筑物牢固连接。
4.9 所有结构表面应光滑、无毛刺,安装后不应有歪斜、扭曲、变形及其他缺陷。
4.10 栏杆表面必须认真除锈,并做防腐涂装。
5 强度要求栏杆的设计,必须保证其扶手所能承受水平方向垂直施加的载荷不小于500N/m。
固定式钢斜梯安全技术条件1 主题内容与适用范围本标准规定了固定式钢斜梯的设计、制造和安装的主要技术要求。
本标准适用于工业企业中生产用固定式钢斜梯。
本标准不适用于交通及其他移动设备上用的钢斜梯。
2 引用标准GB4053.3 固定式工业防护栏杆安全技术条件GBJ205 钢结构工程施工与验收规范3 术语3.1 固定式钢斜梯:固定在建筑物或设备上,与水平面成30°~75°角的钢梯(见图)。
固定式工业防护栏杆安全技术条件3 术语3.1 固定式工业防护栏杆:沿平台、通道及作业场所敞开边缘固定安装的防护设施(见图)。
3.2 立柱:栏杆的垂直构件。
3.3 扶手:固定于立柱上端的水平方向设置的防护构件。
3.4 横杆:固定于立柱中部的连接杆件。
3.5 挡板:固定于立柱下部的防护板。
4 技术要求4.1 防护栏杆的高度宜为1050mm。
在离地高度小于20m的平台、通道及作业场所的防护栏杆高度不得低于1000mm,在离地高度等于或大于20m高的平台、通道及作业场所的防护栏杆不得低于1200mm。
4.2 栏杆的全部构件采用性能不低于Q235-A·F的钢材制造。
4.3 栏杆的结构宜采用焊接,焊接要求应符合GBJ205的技术规定。
当不便焊接时,也可用螺栓连接,但必须保证第5章规定的结构强度。
4.4 扶手宜采用外径φ33.5~50mm的钢管,立柱宜采用不小于50×50×4角钢或φ33.5-50mm钢管,立柱间隙宜为1000mm。
4.5 横杆采用不小于25×4扁钢或φ16的圆钢。
横杆与上、下构件的净间距不得大于380mm。
4.6 挡板宜采用不小于100×2扁钢制造。
如果平台设有满足挡板功能及强度要求的其他结构边沿时,允许不另设挡板。
4.7 室外栏杆、挡板与平台间隙为10~20mm,室内不留间隙。
4.8 栏杆端部必须设置立柱或与建筑物牢固连接。
4.9 所有结构表面应光滑、无毛刺,安装后不应有歪斜、扭曲、变形及其他缺陷。
4.10 栏杆表面必须认真除锈,并做防腐涂装。
5 强度要求栏杆的设计,必须保证其扶手所能承受水平方向垂直施加的载荷不小于500N/m。
固定式钢斜梯安全技术条件1 主题内容与适用范围本标准规定了固定式钢斜梯的设计、制造和安装的主要技术要求。
本标准适用于工业企业中生产用固定式钢斜梯。
本标准不适用于交通及其他移动设备上用的钢斜梯。
2 引用标准GB4053.3 固定式工业防护栏杆安全技术条件GBJ205 钢结构工程施工与验收规范3 术语3.1 固定式钢斜梯:固定在建筑物或设备上,与水平面成30°~75°角的钢梯(见图)。
护栏、爬梯相关标准创作编号:GB8878185555334563BT9125XW创作者:凤呜⼤王*中华⼈民共和国国家标准固定式钢梯及平台安全要求1钢直梯:1.1范围本部分规定了固定式钢直梯的设计、制造和安装⽅⾯的基本安全要求。
本部分适⽤于⼯业企业内⼯作场所中使⽤的固定式钢直梯(另有标准规定的除外)。
1.2规范性引⽤⽂件:下列⽂件中的条款通过本部分的引⽤⽽成为本部分的条款。
凡是注⽇期的引⽤⽂件,其随后所有的修改单(不包括勘误的内容)或修订版均不适⽤于本部分。
然⽽,⿎励根据本部分达成协议的各⽅研究是否可使⽤这些⽂件的最新版本。
凡是不注⽇期的引⽤⽂件,其最新版本适⽤于本部分。
GB 4053.3 固定式钢梯及平台安全要求第3 部分:⼯业防护栏杆及钢平台GB 50057 建筑物防雷设计规范GB 50205 钢结构⼯程施⼯质量验收规范1.3术语和定义1.3.1固定式钢直梯fixed steel ladder:永久性安装在建筑物或设备上,与⽔平⾯成75°~90°倾⾓主要构件为钢材制造的直梯(见图1)。
1.3.2梯梁(梯框)stile(rail):⽤来安装踏棍或其它横向承载件的梯⼦侧边构件。
1.3.3踏棍rung:供使⽤者上下梯时脚踩踏的梯⼦构件。
1.3.4护笼(安全护笼)cage(cage guard):安装在梯梁或固定结构上,封闭梯⼦周围攀登空间防⽌⼈员坠落的框架结构。
1.3.5⽀撑support:⽤来将钢直梯固定在建筑物或设备上的构件。
1.3.6(直梯)扶⼿handrail:钢直梯顶端供攀登者⼿握的构件。
1.3.7内侧净宽度inside clear width :两梯梁内侧平⾏于踏棍测量的距离,简称梯宽。
1.3.8梯段⾼度height of the ladder:梯⼦上端基准⾯⾄下端基准⾯间的垂直距离,简称梯⾼。
1.4⼀般要求:1.4.1材料:1.4.1.1钢直梯采⽤钢材的⼒学性能应不低于Q235-B,并具有碳含量合格保证。
中华人民共和国国家标准固定式钢梯及平台安全要求1钢直梯:1.1范围本部分规定了固定式钢直梯的设计、制造和安装方面的基本安全要求。
本部分适用于工业企业内工作场所中使用的固定式钢直梯(另有标准规定的除外)。
1.2规范性引用文件:下列文件中的条款通过本部分的引用而成为本部分的条款。
凡是注日期的引用文件,其随后所有的修改单(不包括勘误的内容)或修订版均不适用于本部分。
然而,鼓励根据本部分达成协议的各方研究是否可使用这些文件的最新版本。
凡是不注日期的引用文件,其最新版本适用于本部分。
GB 4053.3 固定式钢梯及平台安全要求第3 部分:工业防护栏杆及钢平台GB 50057 建筑物防雷设计规范GB 50205 钢结构工程施工质量验收规范1.3术语和定义1.3.1固定式钢直梯fixed steel ladder:永久性安装在建筑物或设备上,与水平面成75°~90°倾角主要构件为钢材制造的直梯(见图1)。
1.3.2梯梁(梯框)stile(rail):用来安装踏棍或其它横向承载件的梯子侧边构件。
1.3.3踏棍rung:供使用者上下梯时脚踩踏的梯子构件。
1.3.4护笼(安全护笼)cage(cage guard):安装在梯梁或固定结构上,封闭梯子周围攀登空间防止人员坠落的框架结构。
1.3.5支撑support:用来将钢直梯固定在建筑物或设备上的构件。
1.3.6(直梯)扶手handrail:钢直梯顶端供攀登者手握的构件。
1.3.7内侧净宽度inside clear width :两梯梁内侧平行于踏棍测量的距离,简称梯宽。
1.3.8梯段高度height of the ladder:梯子上端基准面至下端基准面间的垂直距离,简称梯高。
1.4一般要求:1.4.1材料:1.4.1.1钢直梯采用钢材的力学性能应不低于Q235-B,并具有碳含量合格保证。
1.4.1.2支撑宜采用角钢、钢板或钢板焊接成T型钢制作,埋没或焊接时必须牢固可靠。
中华人民共和国国家标准固定式钢梯及平台安全要求1钢直梯:1.1范围本部分规定了固定式钢直梯的设计、制造和安装方面的基本安全要求。
本部分适用于工业企业内工作场所中使用的固定式钢直梯(另有标准规定的除外)。
1.2规范性引用文件:下列文件中的条款通过本部分的引用而成为本部分的条款。
凡是注日期的引用文件,其随后所有的修改单(不包括勘误的内容)或修订版均不适用于本部分。
然而,鼓励根据本部分达成协议的各方研究是否可使用这些文件的最新版本。
凡是不注日期的引用文件,其最新版本适用于本部分。
GB 4053.3 固定式钢梯及平台安全要求第3 部分:工业防护栏杆及钢平台GB 50057 建筑物防雷设计规范GB 50205 钢结构工程施工质量验收规范1.3术语和定义1.3.1固定式钢直梯fixed steel ladder:永久性安装在建筑物或设备上,与水平面成75°~90°倾角主要构件为钢材制造的直梯(见图1)。
1.3.2梯梁(梯框)stile(rail):用来安装踏棍或其它横向承载件的梯子侧边构件。
1.3.3踏棍rung:供使用者上下梯时脚踩踏的梯子构件。
1.3.4护笼(安全护笼)cage(cage guard):安装在梯梁或固定结构上,封闭梯子周围攀登空间防止人员坠落的框架结构。
1.3.5支撑support:用来将钢直梯固定在建筑物或设备上的构件。
1.3.6(直梯)扶手handrail:钢直梯顶端供攀登者手握的构件。
1.3.7内侧净宽度inside clear width :两梯梁内侧平行于踏棍测量的距离,简称梯宽。
1.3.8梯段高度height of the ladder:梯子上端基准面至下端基准面间的垂直距离,简称梯高。
1.4一般要求:1.4.1材料:1.4.1.1钢直梯采用钢材的力学性能应不低于Q235-B,并具有碳含量合格保证。
1.4.1.2支撑宜采用角钢、钢板或钢板焊接成T型钢制作,埋没或焊接时必须牢固可靠。
梯子(摘自GB4053.1,4053.2-1993)及防护栏(摘自GB4053.3-1993)—标准本标准规定的固定钢斜梯和固定钢直梯安全技术条件只适用于工业企业生产中,防护栏杆安全技术条件只适用于工业企业中的平台、人行通道,升降口等有跌落危险的场所;钢斜梯、防护栏杆不适用于交通及其他移动设备上,钢直梯不适用于船舶、通信塔、电线杆和烟囱上。
一、固定式钢斜梯(摘自GB4053.2-1993)标准1、零件尺寸及材质:⑴踏板:δ≥4mm花纹钢板,或经防滑处理的普通钢板,或由25×4扁钢和小角钢组焊成的格子板。
⑵扶手:H=900mm或按GB4053.3-1993中规定的栏杆高度:采用外径为:Ф30~50mm,壁厚不小于2.5mm的管材。
⑶立柱:采用不小于40×40×4角钢,或外径为Ф30~50mm管材,从第一级踏板开始设置,间距不宜大于1000mm。
⑷横杆:采用直径不小于Ф16mm圆钢或30×4扁钢,固定在立柱中部。
⑸梯梁:采用性能不低于Q235-A·F钢材,其截面尺寸应通过计算确定。
2、载荷规定:钢斜梯活载荷应按实际要求采用,但不得小于下列数值:①钢斜梯水平投影面上的活载荷标准值取3.5KN/m²。
②踏板中点集中活载荷取1.5KN/m²。
③扶手顶部水平集中活载荷取0.5KN/m²。
1、构件尺寸及设计有关规定⑴梯梁应采用不小于50×50×5角钢或60×8扁钢。
⑵踏棍宜采用不小于Φ20mm的圆钢,间距宜为300mm等距离分布。
⑶支撑应采用角钢、钢板或钢板组焊成T形钢制作,埋设或焊接时必须牢固可靠。
⑷无基础的钢直梯,至少焊两对支撑,支撑竖向间距不宜大于3000mm,最下端的踏棍与基准面距离不宜大于450mm。
⑸钢直梯每级踏棍的中心线与建筑物或设备外表面之间的净距离不得小于150mm(见图)。
⑹侧进式钢直梯中心线至平台或屋面的距离为380mm~500mm,梯梁与平台活屋面之间的净距离为180~300mm。
固定式工业防护栏杆安全技术条件3 术语3.1 固定式工业防护栏杆:沿平台、通道及作业场所敞开边缘固定安装的防护设施(见图)。
3.2 立柱:栏杆的垂直构件。
3.3 扶手:固定于立柱上端的水平方向设置的防护构件。
3.4 横杆:固定于立柱中部的连接杆件。
3.5 挡板:固定于立柱下部的防护板。
4 技术要求4.1 防护栏杆的高度宜为1050mm。
在离地高度小于20m的平台、通道及作业场所的防护栏杆高度不得低于1000mm,在离地高度等于或大于20m高的平台、通道及作业场所的防护栏杆不得低于1200mm。
4.2 栏杆的全部构件采用性能不低于Q235-A·F的钢材制造。
4.3 栏杆的结构宜采用焊接,焊接要求应符合GBJ205的技术规定。
当不便焊接时,也可用螺栓连接,但必须保证第5章规定的结构强度。
4.4 扶手宜采用外径φ33.5~50mm的钢管,立柱宜采用不小于50×50×4角钢或φ33.5-50mm钢管,立柱间隙宜为1000mm。
4.5 横杆采用不小于25×4扁钢或φ16的圆钢。
横杆与上、下构件的净间距不得大于380mm。
4.6 挡板宜采用不小于100×2扁钢制造。
如果平台设有满足挡板功能及强度要求的其他结构边沿时,允许不另设挡板。
4.7 室外栏杆、挡板与平台间隙为10~20mm,室内不留间隙。
4.8 栏杆端部必须设置立柱或与建筑物牢固连接。
4.9 所有结构表面应光滑、无毛刺,安装后不应有歪斜、扭曲、变形及其他缺陷。
4.10 栏杆表面必须认真除锈,并做防腐涂装。
5 强度要求栏杆的设计,必须保证其扶手所能承受水平方向垂直施加的载荷不小于500N/m。
固定式钢斜梯安全技术条件1 主题内容与适用范围本标准规定了固定式钢斜梯的设计、制造和安装的主要技术要求。
本标准适用于工业企业中生产用固定式钢斜梯。
本标准不适用于交通及其他移动设备上用的钢斜梯。
2 引用标准GB4053.3 固定式工业防护栏杆安全技术条件GBJ205 钢结构工程施工与验收规范3 术语3.1 固定式钢斜梯:固定在建筑物或设备上,与水平面成30°~75°角的钢梯(见图)。
护栏、爬梯相关标准完整版本中华⼈民共和国国家标准固定式钢梯及平台安全要求1钢直梯:1.1范围本部分规定了固定式钢直梯的设计、制造和安装⽅⾯的基本安全要求。
本部分适⽤于⼯业企业内⼯作场所中使⽤的固定式钢直梯(另有标准规定的除外)。
1.2规范性引⽤⽂件:下列⽂件中的条款通过本部分的引⽤⽽成为本部分的条款。
凡是注⽇期的引⽤⽂件,其随后所有的修改单(不包括勘误的内容)或修订版均不适⽤于本部分。
然⽽,⿎励根据本部分达成协议的各⽅研究是否可使⽤这些⽂件的最新版本。
凡是不注⽇期的引⽤⽂件,其最新版本适⽤于本部分。
GB 4053.3 固定式钢梯及平台安全要求第3 部分:⼯业防护栏杆及钢平台GB 50057 建筑物防雷设计规范GB 50205 钢结构⼯程施⼯质量验收规范1.3术语和定义1.3.1固定式钢直梯fixed steel ladder:永久性安装在建筑物或设备上,与⽔平⾯成75°~90°倾⾓主要构件为钢材制造的直梯(见图1)。
1.3.2梯梁(梯框)stile(rail):⽤来安装踏棍或其它横向承载件的梯⼦侧边构件。
1.3.3踏棍rung:供使⽤者上下梯时脚踩踏的梯⼦构件。
1.3.4护笼(安全护笼)cage(cage guard):安装在梯梁或固定结构上,封闭梯⼦周围攀登空间防⽌⼈员坠落的框架结构。
1.3.5⽀撑support:⽤来将钢直梯固定在建筑物或设备上的构件。
1.3.6(直梯)扶⼿handrail:钢直梯顶端供攀登者⼿握的构件。
1.3.7内侧净宽度inside clear width :两梯梁内侧平⾏于踏棍测量的距离,简称梯宽。
1.3.8梯段⾼度height of the ladder:梯⼦上端基准⾯⾄下端基准⾯间的垂直距离,简称梯⾼。
1.4⼀般要求:1.4.1材料:1.4.1.1钢直梯采⽤钢材的⼒学性能应不低于Q235-B,并具有碳含量合格保证。
1.4.1.2⽀撑宜采⽤⾓钢、钢板或钢板焊接成T型钢制作,埋没或焊接时必须牢固可靠。
标准适用中华人民共和国国家标准固定式钢梯及平台安全要求1钢直梯:1.1 范围本部分规定了固定式钢直梯的设计、制造和安装方面的基本安全要求。
本部分合用于工业公司内工作场所中使用的固定式钢直梯(还有标准规定的除外)。
1.2 规范性引用文件:以下文件中的条款经过本部分的引用而成为本部分的条款。
凡是注日期的引用文件,其随后全部的改正单(不包含勘误的内容)或订正版均不合用于本部分。
然而,鼓舞依据本部分完成协议的各方研究能否可使用这些文件的最新版本。
凡是不注日期的引用文件,其最新版本合用于本部分。
固定式钢梯及平台安全要求第 3 部分:工业防备栏杆及钢平台GB 50057建筑物防雷设计规范GB 50205钢构造工程施工质量查收规范1.3 术语和定义固定式钢直梯 fixed steel ladder :永远性安装在建筑物或设施上,与水平面成 75 °~90 °倾角主要构件为钢材制造的直梯(见图 1 )。
梯梁(梯框) stile ( rail ):用来安装踏棍或其余横向承载件的梯子侧边构件。
踏棍 rung :供使用者上下梯时脚践踏的梯子构件。
护笼(安全护笼) cage (cage guard ):安装在梯梁或固定构造上,关闭梯子四周登攀空间防备人员坠落的框架构造。
支撑 support :用来将钢直梯固定在建筑物或设施上的构件。
(直梯)扶手 handrail :钢直梯顶端供登攀者手握的构件。
内侧净宽度 inside clear width:两梯梁内侧平行于踏棍丈量的距离,简称梯宽。
梯段高度 height of the ladder:梯子上端基准面至下端基准面间的垂直距离,简称梯高。
一般要求:资料:钢直梯采纳钢材的力学性能应不低于Q235-B ,并拥有碳含量合格保证。
支撑宜采纳角钢、钢板或钢板焊接成 T 型钢制作,沉没或焊接时必须坚固靠谱。
图 1 固定式钢直梯表示图钢直梯倾角:钢直梯应与其固定的构造表面平行并尽可能垂直水平面设置。
中华人民XX国国家标准固定式钢梯及平台平安要求1钢直梯:1.1X围本局部规定了固定式钢直梯的设计、制造和安装方面的根本平安要求。
本局部适用于工业企业内工作场所中使用的固定式钢直梯〔另有标准规定的除外〕。
1.2规X性引用文件:以下文件中的条款通过本局部的引用而成为本局部的条款。
但凡注日期的引用文件,其随后所有的修改单〔不包括订正的内容〕或修订版均不适用于本局部。
然而,鼓励根据本局部达成协议的各方研究是否可使用这些文件的最新版本。
但凡不注日期的引用文件,其最新版本适用于本局部。
GB 4053.3 固定式钢梯及平台平安要求第3 局部:工业防护栏杆及钢平台GB 50057 建筑物防雷设计规XGB 50205 钢构造工程施工质量验收规X1.3术语和定义1.3.1固定式钢直梯fixed steel ladder:永久性安装在建筑物或设备上,与水平面成75°~90°倾角主要构件为钢材制造的直梯〔见图1〕。
1.3.2梯梁〔梯框〕stile〔rail〕:用来安装踏棍或其它横向承载件的梯子侧边构件。
1.3.3踏棍rung:供使用者上下梯时脚踩踏的梯子构件。
1.3.4护笼〔平安护笼〕cage〔cage guard〕:安装在梯梁或固定构造上,封闭梯子周围攀登空间防止人员坠落的框架构造。
1.3.5支撑support:用来将钢直梯固定在建筑物或设备上的构件。
1.3.6〔直梯〕扶手handrail:钢直梯顶端供攀登者手握的构件。
1.3.7内侧净宽度inside clear width :两梯梁内侧平行于踏棍测量的距离,简称梯宽。
1.3.8梯段高度height of the ladder:梯子上端基准面至下端基准面间的垂直距离,简称梯高。
1.4一般要求:1.4.1材料:1.4.1.1钢直梯采用钢材的力学性能应不低于Q235-B,并具有碳含量合格保证。
1.4.1.2支撑宜采用角钢、钢板或钢板焊接成T型钢制作,埋没或焊接时必须结实可靠。
中华人民共和国国家标准固定式钢梯及平台安全要求1钢直梯:1.1范围本部分规定了固定式钢直梯的设计、制造和安装方面的基本安全要求。
本部分适用于工业企业内工作场所中使用的固定式钢直梯(另有标准规定的除外).1.2规范性引用文件:下列文件中的条款通过本部分的引用而成为本部分的条款。
凡是注日期的引用文件,其随后所有的修改单(不包括勘误的内容)或修订版均不适用于本部分.然而,鼓励根据本部分达成协议的各方研究是否可使用这些文件的最新版本。
凡是不注日期的引用文件,其最新版本适用于本部分.GB 4053。
3 固定式钢梯及平台安全要求第3 部分:工业防护栏杆及钢平台GB 50057 建筑物防雷设计规范GB 50205 钢结构工程施工质量验收规范1.3术语和定义1.3.1固定式钢直梯fixed steel ladder:永久性安装在建筑物或设备上,与水平面成75°~90°倾角主要构件为钢材制造的直梯(见图1)。
1.3.2梯梁(梯框)stile(rail):用来安装踏棍或其它横向承载件的梯子侧边构件.1.3.3踏棍rung:供使用者上下梯时脚踩踏的梯子构件.1.3.4护笼(安全护笼)cage(cage guard):安装在梯梁或固定结构上,封闭梯子周围攀登空间防止人员坠落的框架结构。
1.3.5支撑support:用来将钢直梯固定在建筑物或设备上的构件。
1.3.6(直梯)扶手handrail:钢直梯顶端供攀登者手握的构件。
1.3.7内侧净宽度inside clear width :两梯梁内侧平行于踏棍测量的距离,简称梯宽.1.3.8梯段高度height of the ladder:梯子上端基准面至下端基准面间的垂直距离,简称梯高。
1.4一般要求:1.4.1材料:1.4.1.1钢直梯采用钢材的力学性能应不低于Q235—B,并具有碳含量合格保证.1.4.1.2支撑宜采用角钢、钢板或钢板焊接成T型钢制作,埋没或焊接时必须牢固可靠.图 1 固定式钢直梯示意图1.4.2钢直梯倾角:钢直梯应与其固定的结构表面平行并尽可能垂直水平面设置.当受条件限制不能垂直水平面时,两梯梁中心线所在平面与水平面倾角应在75°~90°范围内。
梯子(摘自GB4053.1,4053.2-1993)及防护栏(摘自GB4053.3-1993)—标准本标准规定的固定钢斜梯和固定钢直梯安全技术条件只适用于工业企业生产中,防护栏杆安全技术条件只适用于工业企业中的平台、人行通道,升降口等有跌落危险的场所;钢斜梯、防护栏杆不适用于交通及其他移动设备上,钢直梯不适用于船舶、通信塔、电线杆和烟囱上。
一、固定式钢斜梯(摘自GB4053.2-1993)标准1、零件尺寸及材质:⑴踏板:δ≥4mm花纹钢板,或经防滑处理的普通钢板,或由25×4扁钢和小角钢组焊成的格子板。
⑵扶手:H=900mm或按GB4053.3-1993中规定的栏杆高度:采用外径为:Ф30~50mm,壁厚不小于2.5mm的管材。
⑶立柱:采用不小于40×40×4角钢,或外径为Ф30~50mm管材,从第一级踏板开始设置,间距不宜大于1000mm。
⑷横杆:采用直径不小于Ф16mm圆钢或30×4扁钢,固定在立柱中部。
⑸梯梁:采用性能不低于Q235-A·F钢材,其截面尺寸应通过计算确定。
2、载荷规定:钢斜梯活载荷应按实际要求采用,但不得小于下列数值:①钢斜梯水平投影面上的活载荷标准值取3.5KN/m²。
②踏板中点集中活载荷取1.5KN/m²。
③扶手顶部水平集中活载荷取0.5KN/m²。
1、构件尺寸及设计有关规定⑴梯梁应采用不小于50×50×5角钢或60×8扁钢。
⑵踏棍宜采用不小于Φ20mm的圆钢,间距宜为300mm等距离分布。
⑶支撑应采用角钢、钢板或钢板组焊成T形钢制作,埋设或焊接时必须牢固可靠。
⑷无基础的钢直梯,至少焊两对支撑,支撑竖向间距不宜大于3000mm,最下端的踏棍与基准面距离不宜大于450mm。
⑸钢直梯每级踏棍的中心线与建筑物或设备外表面之间的净距离不得小于150mm(见图)。
⑹侧进式钢直梯中心线至平台或屋面的距离为380mm~500mm,梯梁与平台活屋面之间的净距离为180~300mm。