苯的理化性质及危险特性表
- 格式:xlsx
- 大小:10.98 KB
- 文档页数:4
苯的理化性质及危险特性表苯是一种无色透明的液态化合物,具有独特的化学和物理性质。
它常被用作溶剂和原料,并应用于石油和染料工业。
然而,苯也有一些危险特性,需要我们正确对待和使用。
一、苯的理化性质1. 分子结构:C6H6,由六个碳和六个氢原子组成。
2. 外观:无色透明液体,具有特殊的芳香味。
3. 沸点:80.1摄氏度,易挥发。
4. 密度:0.87克/毫升。
5. 熔点:-42摄氏度,易变固态。
6. 溶解性:苯可溶于很多有机溶剂,如醇类、醚类、醛类等,难溶于水。
7. 稳定性:苯在常温下相对稳定,但在高温和阳光照射下易自动氧化反应。
8. 反应性:苯具有强烈的芳香性,可作为芳香化合物的重要中间体,也可发生电子亲和性取代反应。
9. 导电性:苯是一个非极性溶剂,不导电。
二、苯的危险特性1. 高度挥发性:苯具有较低的沸点,容易挥发成为空气中的蒸汽。
苯的蒸气是易燃易爆的,其上限浓度为7.1%(体积分数),超过该浓度时会形成爆炸性混合物。
2. 对人体健康的影响:苯进入人体后,可通过呼吸道、消化道或皮肤吸收。
长期接触苯会对骨髓造成损害,导致贫血、白血病等血液系统疾病。
短期接触苯可引起头晕、恶心、呕吐和中枢神经抑制等症状。
3. 燃烧性:苯是易燃物质,与空气中的氧气形成爆炸性混合物,遇明火、高温或火花会引发爆炸。
4. 环境危害:苯是一种污染物,在自然界中难以降解。
苯进入水体会对水生生物造成毒害,对植物的生长和生理功能也有一定影响。
5. 不能与氧化剂混合存放:苯对很多氧化剂具有强烈的还原性,与之相混会加剧化学反应,并增加火灾和爆炸的风险。
三、安全使用苯的建议1. 避免长时间接触:在处理苯时,应尽量避免长时间暴露于苯的蒸气中。
要佩戴好防护装备,如呼吸防护面罩、手套、防护眼镜等。
2. 良好通风:在使用苯的场所,应保证良好的通风条件,以减少苯蒸气浓度,降低爆炸风险。
3. 远离火源:苯是易燃物质,应远离明火、高温和火花。
在储存和操作苯时,要注意火源安全。
苯的理化性质及危险特性表中文名称:苯,纯苯分子式:C6H6危险货物编号:32050健康危害环境危害刺激性急救措施燃烧性危险特性禁忌物灭火方法泄露应急处理储运注意事项苯的理化性质及危险特性本易燃,其蒸气与空气可形成爆与氧化剂能发生强烈反应。
易产生和聚集静电,有燃烧爆炸危险。
其蒸气比空气重,能在较低出扩散到相当远的地方,遇明火源会着火回燃。
喷水冷却容器,可能的话将容安全泄压装置中产生声音,必须马上撤离。
灭火剂:泡沫、干粉、二氧化碳、沙土。
用水灭火无效。
毒性健康危害及急救措施高浓度苯对中枢神经系统有麻系统有损害,引起慢性中毒;轻者有头痛头晕、恶性、呕吐、轻度兴奋、步态瞒珊等酒醉状态;严重者发生昏迷、抽搐、血压降低,以致呼吸和循环衰竭。
慢性中毒:主要表现有神经衰弱综合征;造血系统改变:白细胞、血小板减少,重者出现再生障碍性贫血;少数病在慢性中毒后可发生白血病。
皮肤损害有脱脂、干燥、皲裂、皮炎。
以致月经增多与经期延长。
对环境有家兔经眼:2mg/24小时,重度。
皮肤接触:脱去污染的衣着,起眼睑,用流动清水或生理盐水冲洗。
就医。
吸入:迅速脱离现场至空气新鲜处。
保持呼吸道畅通。
如呼吸困难,给输氧。
如呼吸停止,立即进行人工呼吸。
就医。
食入:饮足量温水,催吐。
就医。
危险性类别标示外观性状:无色透明液体,主要用途:用作溶剂及合成苯的衍生物、香料溶解性:不溶于水,溶于醇、醚、理化性质迅速撤离泄露污染区人员至安源。
建议应急处理人员戴自给正压式呼吸器,穿防毒服。
尽可能切断泄漏源。
防治流入下水道、排洪沟等限制性空间。
小量泄:用活性炭或其他惰性材料吸收。
也可以用不燃性分散剂制成的乳液刷洗,洗液稀释后放入废水系统。
大量泄漏:构筑围堤或挖坑收容。
用泡沫覆盖,降低蒸气危害.喷雾状水或泡沫冷却器和稀释蒸汽、保护现场人员。
用防爆泵转移至槽车或专用收集器内,回收或运至废物处理场所处置。
防护措施储存用于阴凉、通风的库房。
保持容器密封。
应与氧化剂、食用化学品分开存放,切记混储。
根据苯的理化性质及危险有害特性表(精
品)
本文档将介绍苯的理化性质及危险有害特性。
苯是一种无色液体,具有特殊的芳香气味。
它的密度较小,溶解于许多有机溶剂,
但几乎不溶于水。
苯的熔点为-95°C,沸点为80°C,是一种具有挥
发性的化合物。
苯有着广泛的应用,常被用作溶剂、原料和反应中间体。
然而,苯也具有一些危险和有害特性。
以下是苯的主要危险特性:
1. 易燃性:苯是一种易燃物质,能够与空气形成可燃混合物。
在高温下与明火、电火花或静电放电接触可能引发火灾或爆炸。
2. 有毒性:苯具有一定的毒性,对人体和环境有害。
长期接触
或吸入高浓度苯蒸气可能引起中毒,严重时甚至会影响中枢神经系统、造血系统和肝脏。
3. 对生物的危害:苯对水生生物和陆生生物具有毒性,会对水
体和土壤环境造成污染。
应避免苯直接进入自然环境。
4. 感官刺激性:苯具有刺激性气味,长时间接触可能对人体的眼睛、呼吸系统和皮肤造成刺激。
因此,在使用苯时,应严格遵守相关安全操作规程,建议采取以下措施:
1. 建立良好的通风设施,确保室内空气流通,并适当排放苯蒸气。
2. 使用个人防护装备,如安全眼镜、呼吸器和防护服,避免接触苯。
3. 在存储和处理苯时,避免与其他可燃物质或氧化剂混合,以防火灾或爆炸。
4. 将苯废物妥当处理,避免对环境造成污染。
请在使用苯时务必遵守相关法律法规,并参考安全数据表和操作手册,以确保安全使用和处理苯。
以上是根据苯的理化性质及危险有害特性表所提供的相关信息。
希望本文档对您有所帮助。
表7.6-1苯的理化性质及危险特性表表7.6-7粗苯的理化性质及危险特性表表7.6-82-丁氧基乙醇的理化性质及危险特性表表7.6-111,4-二甲苯的理化性质和危险特性表表7.6-12二甲苯异构体混合物的理化性质及危险特性表表7.6-14 二甲醚的理化性质及危险特性表7.6-22 环辛烷的理化性质及危险特性表7.6-23 1,2-环氧丙烷的理化性质及危险特性表7.6-24 环氧乙烷的理化性质及危险特性表7.6-25甲苯的理化性质及危险特性表表7.6-26甲醇的理化性质及危险特性表表7.6-272-甲基-1-丙醇的理化性质及危险特性表表7.6-28 2-甲基-2-丙醇的理化性质及危险特性表7.6-29 2-甲基丁烷的理化性质及危险特性表7.6-30甲基叔丁基醚的理化性质及危险特性表表7.6-33 煤油的理化性质及危险特性表7.6-34 汽油的理化性质和危险特性表表7.6-35 柴油的理化性质和危险特性表表7.6-36 溶剂苯的理化性质及危险特性表7.6-37 溶剂油的理化性质及危险特性表7.6-381,2,3-三甲基苯的理化性质及危险特性表表7.6-41石脑油的理化性质及危险特性表表7.6-42石油醚的理化性质及危险特性表7.6-43 石油原油的理化性质及危险特性表7.6-44叔丁基苯的理化性质及危险特性表表7.6-451,2,4,5-四甲苯的理化性质及危险特性表表7.6-46松焦油的理化性质及危险特性表7.6-47 天然气的理化性质及危险特性表7.6-48 液化石油气的理化性质及危险特性表7.6-49乙苯的理化性质及危险特性表表7.6-50 异丁烯的理化性质及危险特性表7.6-51异辛烷的理化性质及危险特性。
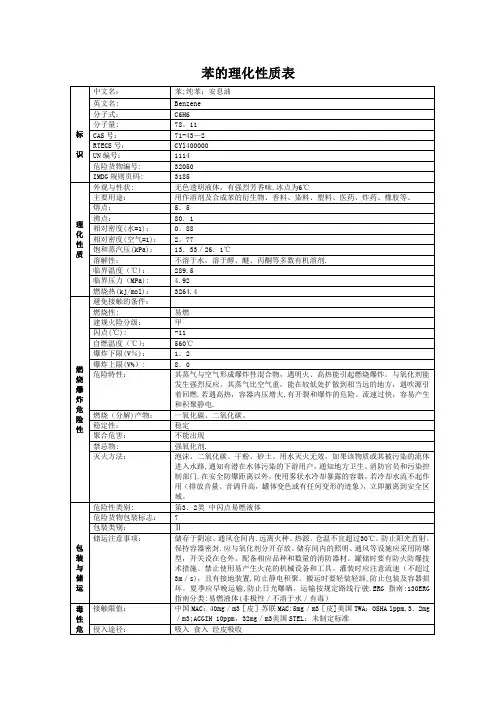
WORD格式可以任意编辑苯理化性质及危险特性表英文名: benzene 分子式: C6H6 分子量:78.11标识CAS号: 71-43-2 UN编号: 1114 危险货物编号: 32050外观与性状:无色、有甜味的透明液体。
理熔点 ( ℃) :5.5沸点 ( ℃) :80.1化相对密度 ( 水 =1) 相对蒸气密度 ( 空气 =1) : 2.77: 0.88性主要用途用作溶剂及合成苯的衍生物、香料、染料、塑料、医药、炸药、橡胶等。
质溶解性不溶于水,溶于醇、醚、丙酮等多数有机溶剂。
爆炸上限( V%): 8.0引燃温度(℃):560闪点(℃):-11爆炸下限( V%): 1.2易燃,其蒸气与空气可形成爆炸性混合物,遇明火、高热极易燃烧爆炸。
与氧化剂能发生强烈反燃烧爆炸应。
易产生和聚集静电,有燃烧爆炸危险。
危险特性:其蒸气比空气重,能在较低处扩散到相当远的地危险性方,遇火源会着火回燃。
稳定性:聚合危害:禁忌物强氧化剂。
专业资料整理分享WORD格式可以任意编辑毒性及健康危害包装与储运防护措施泄漏处置喷水冷却容器,可能的话将容器从火场移至空旷处。
处在火场中的容器若已变色灭火方法或从安全泄压装置中产生声音,必须马上撤离。
灭火剂:泡沫、干粉、二氧化碳、砂土。
用水灭火无效。
3中国 MAC(mg/m ) 40[ 皮]315/5前苏联 MAC(mg/m)环境标准TLVTN3 3OSHA1ppm,3.2mg/m;ACGIH0.3ppm,0.96mg/mTLVWN未制定标准侵入途径LD50: 3306mg/kg( 大鼠经口 ) ; 48mg/kg( 小鼠经皮 )毒性LC50: 31900mg/m3, 7 小时 ( 大鼠吸入 )健康危害高浓度苯对中枢神经系统有麻醉作用,引起急性中毒;长期接触苯对造血系统有损害,引起慢性中毒。
急性中毒:轻者有头痛、头晕、恶心、呕吐、轻度兴奋、步态蹒跚等酒醉状态;严重者发生昏迷、抽搐、血压下降,以致呼吸和循环衰竭。
根据苯的理化性质及危险特性表,撰写一份文档。
根据苯的理化性质及危险特性表,撰写一份文档苯是一种无色的液体,具有特殊的气味。
它是一种常见的有机溶剂,在化工、医药等领域广泛应用。
然而,苯也具有一定的危险特性,应注意安全使用和储存。
以下是根据苯的理化性质及危险特性表撰写的文档,介绍苯的特性和注意事项。
苯的理化性质- 外观:无色液体- 气味:特殊气味- 熔点:-95.3°C- 沸点:80.1°C- 密度:0.876 g/cm³苯的危险特性火灾和爆炸危险性- 苯易燃,能够与空气形成可燃混合物,遇明火或高温易发生燃烧、爆炸。
- 避免与强氧化剂、强酸、强碱等物质接触,以免引发火灾或爆炸。
毒性- 苯具有毒性,对皮肤有刺激作用,并可通过吸入、摄入或经皮肤吸收造成中毒。
- 长期暴露于苯可能导致骨髓抑制、免疫系统损伤、神经系统障碍等疾病。
- 使用苯时应佩戴适当的防护装备,定期进行健康检查。
环境危害- 苯可对水体、土壤和空气环境造成污染。
- 在处理苯的过程中,请采取适当的措施,防止其泄漏或排入环境中。
注意事项- 使用苯时要确保通风良好,避免在密闭场所操作。
- 避免直接接触苯,避免吸入其蒸气。
- 若需要长时间接触苯,应使用防护手套、防护眼镜、防护面具等个人防护装备。
- 使用完毕后,应将残余的苯妥善存放,并密封。
- 废弃物处理时,请按照相关法规进行,以防止环境污染。
请在使用苯的过程中严格遵守安全操作规程,确保人身安全和环境保护。
若有任何疑问或紧急情况,请及时联系专业人士。
中文名称:苯,纯苯
分子式:C6H6危险货物编号:32050健康危害环境危害刺激性急救措施燃烧性危险特性禁忌物灭火方法泄露应急处理
储运注意事项苯的理化性质及危险特性
本易燃,其蒸气与空气可形成爆与氧化剂能发生强烈反应。
易产生和聚集静电,有燃烧爆炸危险。
其蒸气比空气重,能在较低出扩散到相当远的地方,遇明火源会着火回燃。
喷水冷却容器,可能的话将容安全泄压装置中产生声音,必须马上撤离。
灭火剂:泡沫、干粉、二氧化碳、沙土。
用水灭火无效。
毒性健康危
害及急救措
施
高浓度苯对中枢神经系统有麻系统有损害,引起慢性中毒;轻者有头痛头晕、恶性、呕吐、轻度兴奋、步态瞒珊等酒醉状态;严重者发生昏迷、抽搐、血压降低,以致呼吸和循环衰竭。
慢性中毒:主要表现有神经衰弱综合征;造血系统改变:白细胞、血小板减少,重者出现再生障碍性贫血;少数病在慢性中毒后可发生白血病。
皮肤损害有脱脂、干燥、皲裂、皮炎。
以致月经增多与经期延长。
对环境有家兔经眼:2mg/24小时,重度。
皮肤接触:脱去污染的衣着,起眼睑,用流动清水或生理盐水冲洗。
就医。
吸入:迅速脱离现场至空气新鲜处。
保持呼吸道畅通。
如呼吸困难,给输氧。
如呼吸停止,立即进行人工呼吸。
就医。
食入:饮足量温水,催吐。
就医。
危险性类别
标示外观性状:无色透明液体,
主要用途:用作溶剂及合成苯的衍生物、香料
溶解性:不溶于水,溶于醇、醚、
理化性质迅速撤离泄露污染区人员至安源。
建议应急处理人员戴自给正压式呼吸器,穿防毒服。
尽可能切断泄漏源。
防治流入下水道、排洪沟等限制性空间。
小量泄:用活性炭或其他惰性材料吸收。
也可以用不燃性分散剂制成的乳液刷洗,洗液稀释后放入废水系统。
大量泄漏:构筑围堤或挖坑收容。
用泡沫覆盖,降低蒸气危害.喷雾状水或泡沫冷却器和稀释蒸汽、保护现场人员。
用防爆泵转移至槽车或专用收集器内,回收或运至废物处理场所处置。
防护措施储存用于阴凉、通风的库房。
保持容器密封。
应与氧化剂、食用化学品分开存放,切记混储。
采用防爆
照明、通风设施。
禁止使用易产生火花的机械设备和工具。
储区应具备泄
露应急处理和合适的收容材料。
燃烧爆炸危
险性
防护措施呼吸系统防护:空气中浓度超。
紧急事态抢救或撤离时,应佩戴空气呼吸器或氧气呼吸器。
眼睛防护:佩戴化学安全防护眼镜。
身体防护:穿防毒物渗透工作服。
手防护:戴橡胶耐油手套;工程控制:生产过程密闭,加强通风。
提供安全淋雨和洗眼设备。
其他:工作现场禁止吸烟、进食和饮水。
工作完毕,淋浴更衣。
实
行就业前和定期的体检。
险特性表
分子量:78.11
性类别:3.2类中闪点易燃液体
液体,有强烈芳香味。
、香料、染料、塑料、医药、炸弹、橡胶等
、醚、丙酮等多数有机溶剂。
统有麻痹作用,引起急性中毒;长期接触苯对造血引起慢性中毒;轻者有头痛头晕、恶性、呕吐、轻度兴奋、醉状态;严重者发生昏迷、抽搐、血压降低,以致呼吸和循中毒:主要表现有神经衰弱综合征;造血系统改变:白细胞,重者出现再生障碍性贫血;少数病在慢性中毒后可发生白害有脱脂、干燥、皲裂、皮炎。
以致月经增多与经期延长。
环境有危害,对水体造成污染。
,重度刺激。
家兔经皮:500mg/24小时,中度刺激。
衣着,用肥皂水和清水彻底冲洗皮肤。
眼睛接触:提动清水或生理盐水冲洗。
就医。
吸入:迅速脱离现场至空气呼吸道畅通。
如呼吸困难,给输氧。
如呼吸停止,立即进行呼吸。
就医。
食入:饮足量温水,催吐。
就医。
本品易燃,为致癌物
形成爆炸性混合物,遇明火、高热极易燃烧爆炸。
生强烈反应。
易产生和聚集静电,有燃烧爆炸危险。
其蒸气能在较低出扩散到相当远的地方,遇明火源会着火回燃。
强氧化剂
话将容器移至空旷处。
处在火场中的容器若变色从中产生声音,必须马上撤离。
灭火剂:泡沫、干粉、二氧化碳、沙土。
用水灭火无效。
员至安全区,并进行隔离,严格限制出入。
切断火处理人员戴自给正压式呼吸器,穿防毒服。
尽可能切断泄漏下水道、排洪沟等限制性空间。
小量泄:用活性炭或其他惰也可以用不燃性分散剂制成的乳液刷洗,洗液稀释后放入废泄漏:构筑围堤或挖坑收容。
用泡沫覆盖,降低蒸气危害.喷冷却器和稀释蒸汽、保护现场人员。
用防爆泵转移至槽车或用收集器内,回收或运至废物处理场所处置。
库房。
原离火种、热源。
库温不易超过30摄氏度,。
应与氧化剂、食用化学品分开存放,切记混储。
采用防爆施。
禁止使用易产生火花的机械设备和工具。
储区应具备泄露应急处理和合适的收容材料。
浓度超标时,佩戴自吸过滤式防毒面具(半面罩)救或撤离时,应佩戴空气呼吸器或氧气呼吸器。
眼睛防护:防护眼镜。
身体防护:穿防毒物渗透工作服。
手防护:戴橡工程控制:生产过程密闭,加强通风。
提供安全淋雨和洗眼工作现场禁止吸烟、进食和饮水。
工作完毕,淋浴更衣。
实行就业前和定期的体检。