纯化水检验标准操作规程
- 格式:doc
- 大小:210.40 KB
- 文档页数:12
上海普济医疗器械制造有限公司注射用水(纯化水)检验指导书文件编号: PJ/JG-001版本:B修改状态:0受控状态:发布日期:实施日期:编写: 校对: 核准:1、引用标准中华人民共和国药典2010年版、GB14233.2-2005、GB14233.1-20082、检测仪器a)恒温水浴锅:b)干烤箱:c)恒温培养箱:d)电子天平:e)PH计:f)霉菌培养箱:3、检查要求及检测规程3.1 性状取适量本品,置试管中,目视观察应为无色澄明液体,无臭、无味。
3.2酸碱度测定3.2.1 纯化水: 取本品10ml,加甲基红指示液2滴,不得显红色,另取10ml,加溴麝香草酚蓝指示液5滴,不得显蓝色。
3.2.2 注射用水:取本品100mL,加饱和氯化钾溶液0.3mL, 按PJ/SG026-011 1/0《pHS-3C型酸碱度计操作规程》测定供试溶液的PH值,记录检测结果。
正常范围应为5.0~7.0。
3.3 硝酸盐1) 取30mL试管两只。
其中1支加本品5ml,作为测定管;另1支中加标准硝酸盐溶液0.3mL,加无硝酸盐的水4.7mL,作为标准管。
2) 置两管于冰水浴中冷却,向两试管中各加入10%氯化钾溶液0.4mL与0.1%二苯胺硫酸溶液0.1mL,摇匀。
缓缓滴加硫酸5ml,摇匀,将两支试管于50℃水浴中放置15分钟。
3) 比较两管的颜色,样品管不得比标准管更深。
(0.000 006%)。
3.4亚硝酸盐1) 取30mL试管两只,其中一管加入本品10mL,作为测定管;另一管加入标准亚硝酸盐溶液0.2mL,加无亚硝酸盐的水9.8mL,作为标准管。
2) 向两管中都加入对氨基苯磺酰胺的稀盐酸溶液(1→100)1mL与盐酸萘乙二胺溶液(0.1→100)1mL。
3) 比较两管的颜色,样品管不得比标准管更深。
(0.000 002%)3.5氨纯化水取两支50ml纳氏管,其中一管加入50ml本品,作为测定管;另一管加氯化氨溶液(浓度31.5μg/ml)1.5ml,加无氨水48ml,作为标准管。
目的:建立纯化水检验操作规程,以检验纯化水是否符合质量标准。
范围:纯化水。
责任人:QC员、QC主管。
内容:1[性状]供试品为无色澄明液体,无臭,无味。
2[检查]2.1酸碱度2.1.1仪器与用具:20ml量筒、20ml试管2.1.2试剂和溶液:甲基红、氢氧化钠、溴麝香草酚蓝2.1.2.1甲基红指示液:取甲基红0.1g,加0.05mol/L氢氧化钠溶液7.4 ml使溶解,再加水稀释至200 ml,即得。
变色范围 PH 4.2-6.3(红→黄)。
2.1.2.2溴麝香草酚蓝指示液:取溴麝香草酚蓝0.1g,加0.05mol/L氢氧化钠溶液3.0 ml使溶解,再加水稀释至200ml,即得。
变色范围 PH 6.0-7.6(黄→蓝)。
2.1.3操作方法取供试品10ml,加甲基红指示液2滴,不得显红色;另取10ml,加溴麝香草酚蓝指示液5滴,不得显蓝色。
2.2氯化物2.2.1仪器与用具:试管2.2.2试剂和溶液:硝酸、硝酸银试液:取硝酸银17.5g,加水适量使溶解至1000ml。
2.3.3操作方法取供试品50ml置试管中,加硝酸5滴,硝酸银液1ml ,不得产生浑浊。
2.3硫酸盐2.3.1仪器与用具:试管。
纯化水检验操作规程编号ZL-C-507版次:01第 2 页共 5 页2.3.2试剂和溶液:氯化钡氯化钡试液:取氯化钡的细粉5g,加水使溶解成100 ml,即得。
2.3.3操作方法取供试品50ml置试管中,加氯化钡试液2ml,充分振摇,不得产生浑浊。
2.4钙盐2.4.1仪器与用具: 试管。
2.4.2试剂和溶液草酸铵试液:取草酸铵3.5g,加水使溶解成100 ml,即得。
2.4.3操作方法取供试品50ml置试管中,加草酸铵试液2ml,充分振摇,不得产生浑浊。
2.5硝酸盐2.5.1仪器与用具:纳氏比色管2.5.2试剂和溶液2.5.2.1 10%氯化钾溶液:取氯化钾10g, 加水使溶解成100 ml,即得。
2.5.2.2 0.1%二苯胺硫酸溶液:取二苯胺0.1g, 加硫酸使溶解成100 ml,即得。
纯化水检测操作规程1 目的:建立纯化水检测操作规程。
2 适用范围:适用于纯化水的检验操作。
3 职责:检验人员对本规程的实施负责。
4 规程:4.1 编制依据:《中国药典》2010年版二部P411。
4.2 质量指标:见《纯化水质量标准》。
4.3 仪器与用具:试管、容量瓶(1ml、10ml)、容量瓶(50ml、100ml)、电子天平、恒温干燥箱。
4.4 试药与试液二苯胺、对氨基苯磺酸胺、盐酸萘乙二胺、氢氧化钙、硝酸、硝酸银试液、氯化钡试液、草酸铵试液、氯化钙试液、甲基红指示液、溴麝香草酚指示液、10%氯化钾、硫酸、标准硝酸盐溶液、高锰酸钾滴定液(0.02mol/L)。
4.5 操作方法4.5.1 性状:本品为无色的澄清液体,无臭,无味。
4.5.2 检查4.5.2.1 酸碱度:取本品10ml,加甲基红指示液2滴,不得显红色,另取10ml,加溴麝香草酚蓝指示液5滴,不得显蓝色。
4.5.2.2硝酸盐:取本品5ml置试管中,于冰浴中冷却,加10%氯化钾溶液0.4ml与0.1%二苯胺硫酸溶液0.1ml,摇匀,缓缓滴加硫酸5ml,摇匀,将试管于50℃水浴中放置15分钟,溶液产生的蓝色与标准硝酸盐溶液[取硝酸钾0.163g,加水溶解并稀释至100ml,摇匀,精密量取1ml,加水稀释成100ml,再精密量取10ml,加水稀释成100ml,摇匀,即得(每1ml相当于1μgNO —3)]0.3ml,加无硝酸盐的水4.7ml,用同一方法处理后的颜色比较,不得更深(0.000006%)。
4.5.2.3 亚硝酸盐:取本品10ml,置纳氏管中,加对氨基苯磺酰胺的稀盐酸溶液(1→100)1ml及盐酸萘乙二胺溶液(0.1→100)1ml,产生的粉红色,与标准亚硝酸盐溶液[取亚硝酸钠0.750g(按干燥品计算),加水溶解,稀释至100ml,摇匀,精密量取1ml,加水稀释成100ml,摇匀,再精密量取1ml,加水稀释成50ml,摇匀,即得(每1ml相当于1μgNO —2)]0.2ml,加无亚硝酸盐的水9.8ml,用同一方法处理后的颜色比较,不得更深(0.000002%)。
1.目的:建立纯化水检验操作规程,为纯化水的检验提供操作标准。
2.范围:本公司制得的纯化水。
3.责任:质量管理科、中心化验室、检验员对本规程的实施负责。
4.检验依据:《中国药典》2015年版、BP2015年版。
5.取样依据:按工艺用水取样标准操作规程执行。
6.内容:本品为蒸馏法,离子交换法,反渗透法或其它适宜的方法制得供药用的水,不含任何添加剂。
6.2 性状:取本品50ml,置50ml纳氏比色管中,室温观察应为无色澄明液体,无臭、无味。
6.3 检查◆酸碱度●试药与试液➢甲基红指示液:取甲基红0.1g,于250ml容量瓶中,加0.05mol/L 氢氧化钠溶液7.4ml,使溶解,再加水稀释至200ml,即得。
➢溴麝香草酚蓝指示液:取溴麝香草酚蓝0.1g,于250ml容量瓶中,加0.05mol/L氢氧化钠溶液3.2ml,使溶解,再加水稀释至200ml,即得。
●仪器与用具:刻度吸管、分析天平、量筒、烧杯、容量瓶●操作方法:取本品10ml与25ml烧杯中,加甲基红指示液2滴,不得显红色。
另取本品10ml加溴麝香草酚蓝指示液5滴,不得显蓝色。
◆硝酸盐●仪器与用具:刻度吸管、纳氏比色管、电冰箱、移液管、刻度吸管、水浴锅、量筒、容量瓶、烧杯、分析天平●试药与试液➢ 10%氯化钾溶液:取氯化钾10g于100ml容量瓶中,加水溶解并稀释至100ml,摇匀。
➢ 0.1%二苯胺硫酸溶液:取二苯胺0.1g于100ml容量瓶中,加硫酸溶液并稀释至100ml,摇匀。
➢硫酸➢标准硝酸盐溶液:取硝酸钾0.163g,精密称定于100ml容量瓶中,加水20ml溶解,并稀释至刻度,摇匀,精密量取1ml,于100ml量瓶中,加水至刻度摇匀,精密吸取10ml,于100ml量瓶中,加水稀释至刻度,摇匀,即得(每1ml相当于1μg的NO2)➢无硝酸盐水:取无氨水或去离子水,即得。
●操作方法:取本品5ml置试管中,于冰浴中冷却,加10%氯化钾溶液0.4ml与0.1%二苯胺硫酸溶液0.1ml,摇匀,缓缓滴加硫酸5ml,摇匀,将试管于50℃水浴中放置15分钟,溶液产生的蓝色与标准硝酸盐溶液0.3ml,加无硝酸盐的水4.7ml,用同一方法处理后的颜色比较,不得更深(0.000006%)。
及检验操作规程1.目的:建立纯化水质量标准及检验操作规程,规范检验操作。
2.范围:纯化水质量标准及检验操作3.责任:纯化水检验员4.质量标准及检验操作规程:本品为饮用水经蒸馏法、离子交换法、反渗透法或其他适宜的方法制得的制药用水,不含任何添加剂。
5检验操作规程5.1 性状5.1.1.标准要求:无色的澄清液体;无臭,无味。
5.1.2.操作方法:目测观察。
5.1.3.原理\检验方法:目测观察与鼻子闻味。
5.2酸碱度5.2.1.标准要求:不得显红色、不得显蓝色5.2.2.操作方法:取本品10ml,加甲基红指示液2滴,不得显红色;取10ml,加溴麝香草酚蓝指示液5滴,不得显蓝色。
5.2.3.原理:甲基红指示液变色范围pH4.2~6.3(红→黄)溴麝香草酚蓝指示液变色范围pH6.0 ~7.6 (黄→蓝)所以pH检测值在 4.2 ~7.6为合格,超出此范围颜色(红\蓝)为不合格。
5.2.4.试剂配制:(1)溴麝香草酚蓝指示液—取溴麝香草酚蓝0.1g,加0.05mol/L氢氧化钠溶液3.2ml使溶解,再加水稀释至200ml,即得。
(2)甲基红指示液—取甲基红0.1g,加0.05mol/L氢氧化钠溶液7.4ml使溶解,再加水稀释至200ml,即得。
(3)0.05mol/L氢氧化钠溶液—取氢氧化钠0.2g,加水使溶解成100ml,即得。
5.3硝酸盐5.3.1.标准要求:不得更深(0.000006%)5.3.2.操作方法:取本品5ml置试管中,于冰浴中冷却,加10%氯化钾溶液0.4ml与0.1%二苯胺硫酸溶液0.1ml,摇匀,缓缓滴加硫酸5ml,摇匀,将试管于50℃水浴中放置15分钟,溶液产生的蓝色与标准硝酸盐溶液0.3ml,加无硝酸盐的水 4. 7ml,用同一方法处理后的颜色比较,不得更深。
5.3.3.原理:5.3.3.1 硝酸盐与二苯胺硫酸在酸性的条件下生成有色(蓝色)物质。
(硝烟反应:苯胺被氧化,得到的是一个醌式结构,醌式物质为蓝色)5.3.3.2 标准硝酸盐溶液(每 1 ml 相当于1μg 的NO3)0.3 ml ,无硝酸盐的水4.7ml 。
纯化水检验操作规程《纯化水检验操作规程》一、检验目的纯化水是在工业、实验室和医疗等领域中广泛使用的一种水质。
为了确保纯化水符合相关要求,需要进行定期检验。
本规程旨在规范纯化水检验操作,确保检验结果准确可靠。
二、检验仪器与设备1. 电导率计2. pH计3. 紫外可见分光光度计4. 各类试剂及耗材5. 符合纯化水检验所需的其他仪器与设备三、检验项目与方法1. 电导率检验:使用电导率计测量纯化水的电导率,确保其在规定范围内(通常为18.2 MΩ/cm)。
2. pH值检验:使用pH计测量纯化水的pH值,确保其在规定范围内(通常为6.5-8.5)。
3. TOC检验:使用紫外可见分光光度计测量纯化水中的总有机碳含量,确保其在规定范围内。
4. 其他检验项目:根据具体需求,可以进行微生物检验、有害物质检验等。
四、样品采集与处理1. 样品采集:从纯化水系统中取样,并尽量避免样品受到外界污染。
2. 样品处理:需要根据检验项目的需要,进行必要的预处理,确保检验结果准确可靠。
五、质量控制1. 日常质量控制:定期对检验仪器进行校准和验证,确保其准确性和可靠性。
2. 质量评价:对检验结果进行定性和定量评价,确保检验结果符合要求。
六、记录与报告1. 记录:对每次检验的操作过程、结果和质量控制情况进行详细记录。
2. 报告:根据实际需要,出具检验报告,并及时通知相关部门。
七、安全操作1. 全程佩戴实验室防护用具,避免接触有害物质。
2. 操作过程中注意安全,避免事故发生。
通过执行上述规程,可以确保纯化水的检验过程准确可靠,为生产和实验提供稳定的水质保障。
纯化水检验操作规程一、目的纯化水是化学实验中常用的一种实验用水,为确保实验结果的准确性和可靠性,需对纯化水进行检验。
本操作规程旨在规范纯化水的检验操作,确保实验结果的准确性和可重复性。
二、操作准备1.准备清洁的试剂瓶、试剂皿和玻璃仪器,确保无杂质。
2.准备所需试剂:PH试纸、铜离子试剂、氧化性试剂等。
3.准备检测仪器:PH计、电导率计、紫外可见分光光度计等。
三、操作步骤1.PH值检测(1)将PH试纸修剪成适当大小,每个PH试纸的长度约为5cm左右。
(2)将PH试纸蘸取纯化水,注意不要用手直接接触试纸。
(3)将PH试纸低浸入纯化水中,保持10秒左右。
(4)观察试纸颜色变化,并与标准PH值比较,确定纯化水的PH值。
(5)记录检测结果,并进行数据分析。
2.电导率检测(1)将电导率计置于检测架上,并调整为合适高度。
(2)将电导率计的电极部分浸入纯化水中,保持10秒左右。
(3)等待电导率计显示稳定的数值,记录检测结果。
(4)将电导率计清洗干净,准备下一次检测。
3.紫外可见光谱检测(1)将纯化水样品放置在玻璃仪器中,确保无空气泡。
(2)将玻璃仪器置于紫外可见分光光度计中,调整合适位置。
(3)设置检测波长和扫描范围,并开始检测。
(4)等待检测结束,记录检测结果。
(5)将玻璃仪器清洗干净,准备下一次检测。
四、操作注意事项1.在进行纯化水检验操作前,要彻底清洗实验仪器,以避免任何杂质的干扰。
2.执行试验过程中,要注意操作规范、纯化水样品的保存和标识。
3.检测过程中要保持仪器的精确度和准确性,确保实验结果的可靠性。
4.实验人员要遵循安全操作程序,佩戴个人防护用品,禁止饮食等。
5.报告检验结果时,需完整准确记录每次检测的结果,以备后续数据分析。
五、操作结果分析1.PH值检测结果分析:根据实验需求,判断纯化水的酸碱性。
2.电导率检测结果分析:根据实验需求,判断纯化水中溶质的浓度。
3.紫外可见光谱检测结果分析:根据实验数据,分析溶质在纯化水中的分布和浓度。
纯化水检验操作规程文件编号:版本:编制/日期:审核/日期:批准/日期:受控状态:批准实施有限公司发布1 目的规范纯化水测试操作,以保证测试数据准确。
2范围适用于纯化水测试操作。
3 检验项目及方法3.1 相关仪器仪。
3.2 全性能检测a)总送、总回每月取样1次;b)使用点每日可轮流取样,但需保证每个用水点每月不少于1次。
3.3 检测方法:中国药典2015版二部3.4 纯化水制备系统运行、清洗与消毒3.4.1 工艺用水装置每天至少运行二小时。
3.4.2 工艺用水装置不得长时间停运,如停机72小时以上,应用化学清洗装置向管道和储罐内充装1%亚硫酸氢钠(食品级)和18%甘油实施保护。
3.4.3 每次停机都应让装置在压力小于0.5Mpa条件下冲洗15分钟。
3.4.4 清洗消毒a)纯化水出水口的电导率≥5.1μS/cm (25℃)时,管路应进行清洗消毒b)清洗:1) 去除重金属污染采用酸洗配方: 0.2%HCL溶液或2%HNO3溶液。
时间不少于60min。
清洗至与加药前电导率一致即可。
2) 去除有机物污染采用碱洗配方: 1%NaOH溶液。
时间不少于30min。
清洗至与加药前电导率一致即可。
c)冲洗:酸洗与碱洗后将纯化水加入贮液罐,启动水泵,打开排水阀排放,直到各出水口的电阻率与贮罐中水的电阻率一致。
d)消毒:用10L双氧水配置3%的双氧水消毒液放入储罐,用泵进行循环30 min,再用纯化水冲洗到电导率、酸碱度符合要求。
3..5 纯化水清洗消毒应进行记录,清洗消毒后至重新投入运行时间不得超过一天。
4 相关记录《纯化水水质全性能检测报告》《纯水管道清洗、消毒记录》。
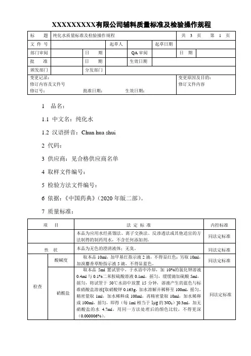
XXXXXXXXX有限公司辅料质量标准及检验操作规程1 品名:1.1 中文名:纯化水1.2 汉语拼音:Chun hua shui2 代码:3 供应商:见合格供应商名单4 取样文件编号:5 检验方法文件编号:6 依据:《中国药典》(2020年版二部)。
7 质量标准:8 检验操作规程:8.1 性状:取本品适量,自然光下目测色泽,嗅闻气味。
8.2检查:8.2.1酸碱度:取本品10ml,加甲基红指示液2滴,不得显红色;另取10ml,加溴麝香草酚指示液5滴,不得显蓝色。
8.2.2 硝酸盐:取本品5ml置试管中,于水浴中冷却,加10%的氯化钾溶液0.4ml与0.1%二苯胺硫酸溶液0.1ml,摇匀,缓缓滴加硫酸5ml,摇匀,将试管于50℃水浴中放置15分钟,溶液产生的蓝色与标准硝酸盐溶液[取硝酸钾0.163g,加水溶解并稀释至100ml,摇匀,精密量取1ml,加水稀释成100ml,再精密量取10ml,加水稀释成100ml,摇匀,即得(每1ml相当于1μg的AgNO3)]0.3ml,加无硝酸盐的水4.7ml,用同一方法处理后的颜色比较,不得更深(0.000006%)。
8.2.3亚硝酸盐:取本品10ml,置纳氏管中,加对氨基苯磺酰胺的稀盐酸溶液(1→100)1ml与盐酸萘乙二氨溶液(0.1→100)1ml,产生的粉红色,与标准亚硝酸盐溶液[取亚硝酸钠0.750g(按干燥品计算),加水溶解,稀释至100ml,摇匀,精密量取1ml,加水稀释成100ml,摇匀,再精密量取1ml,加水稀释成50ml,摇匀,即得(每1ml相当于1μg NO2)]0.2ml,加无硝酸盐的水9.8ml,用同一方法处理后的颜色比较,不得更深(0.000002%)。
8.2.4 氨:取本品50ml,加碱性碘化汞钾试液2ml,放置15分钟;如显色,与氯化铵溶液(取氯化铵31.5mg,加无氨水适量使溶解并稀释成1000ml)1.5ml,加无氨水48ml与碱性碘化汞钾试液2ml制成的对照液比较,不得更(0.00003%)。
1. 目的规范体外诊断试剂用纯化水理化检验与微生物限度检验操作。
2. 范围适用于体外诊断试剂用纯化水理化与微生物限度检验。
3. 职责3.1专职检验员负责本规程实施及出具检验报告。
3.2 质量监督员负责监督本规程的执行。
4.内容4.1 理化检验4.1.1性状采用感官评判,目测鼻闻,该物品应为无色的澄清液体;无臭,无味。
4.1.2酸碱度取待检纯化水10mL,加甲基红指示液2滴,目测不得显红色;另取10mL待检纯化水,加溴麝香草酚蓝(溴百里酚蓝)指示液5滴,目测不得显蓝色。
4.1.3易氧化物取待检纯化水100mL,加10%稀硫酸10mL,煮沸后,加(0.02moL/L)高锰酸钾滴定液0.10mL,再煮沸10分钟,粉红色不得完全消失。
4.1.4电导率选择电导精度达0.1μS/cm的仪器,在25℃下检测,电导率不超过0.1mS/m。
可以选用适当的保温装置,控制水温在25℃检测,也可以选择用有温度补偿功能的电导率仪,进行检测。
4.1.5试液的配制4.1.5.1甲基红指示液:取甲基红0.1g,加0.05mol/L NaOH溶液7.4mL使溶解,再加水稀释至200mL。
变色范围:PH4.2~6.3(红→黄)。
4.1.5.2溴麝香草酚蓝指示液:取溴麝香草酚蓝0.1g加入0.05mol/L NaOH溶液3.2mL溶解,再加水稀释至200mL。
变色范围:PH6.0~7.6(黄→ 蓝)4.1.5.3稀硫酸:10%硫酸,700mL水中缓慢加入55.46mL98%浓硫酸,并不断地搅拌,最后用水定容至1000mL。
4.2微生物限度检验4.2.1打开微生物限度室洁净空调系统通风20-30min。
4.2.2将待检纯化水水及检验要用相关器具包括培养基、无菌滤器,无菌培养皿等,准备好后经培养室传递窗传入微生物限度室,传递窗传物品前后各照15min紫外。
4.2.3 专职检验员进入微生物限度室换鞋进行换鞋脱实验服,进入一更进行手清洗,进入二更带上口罩、头套穿万级洁净工作服、工作鞋,手消毒后带无菌手套。
一、目的:制订详尽的工作程序,规范检验操作,保证检验数据的准确性。
二、范围:适用于纯化水的检验操作。
三、职责:1. 检验员:严格按操作规程操作,认真、及时、准确地填写检验记录。
2. 化验室负责人:监督检查检验员执行本操作规程。
四、内容:1. 性状:本品为无色的澄明液体;无臭,无味。
2. 检查:2.1 酸碱度:2.1.1 仪器:比色管(25ml)、滴管、量筒(10ml)2.1.2 试剂与溶液:甲基红指示液、溴麝香草酚蓝指示液:见XYK/SOP-QC8003指示剂与指示液配制操作规程2.1.3 实验过程及现象:取本品10ml,加甲基红指示液2滴,不得显红色;另取10ml,加溴麝香草酚蓝指示液5滴,不得显蓝色。
2.2 硝酸盐:2.2.1 仪器:移液管(0.5ml、5ml,A级)、试管2.2.2 试剂与溶液:2.2.2.1 10%氯化钾溶液:称取约10g氯化钾固体加水溶解至100ml,摇匀即得2.2.2.2 0.1%二苯胺硫酸溶液:取二苯胺0.1g,加硫酸100ml使溶解,即得2.2.2.3 硫酸(AR)2.2.2.4 标准硝酸盐溶液:取硝酸钾0.163g,加水溶解并稀释至100ml,摇匀,精密量取lml,加水稀释成100ml,再精密量取10ml,加水稀释成100ml,摇匀,即得(每lml相当于1ugNO3) 2.2.3 实验过程及现象:取本品5ml置试管中,于冰浴中冷却,加10%氯化钾溶液0.4ml与0.1%二苯胺硫酸溶液0.1ml,摇匀,缓缓滴加硫酸5ml,摇匀,将试管于50℃水浴中放置15min,溶液产生的蓝色与标准硝酸盐溶液0.3ml,加无硝酸盐水4.7ml,用同一方法处理后的颜色比较,不得更深(0.000 006%)。
2.3 亚硝酸盐:2.3.1 仪器:移液管(0.5ml、5ml,A级)、试管2.3.2 试剂:2.3.2.1 对氨基苯磺酰胺的稀盐酸溶液(1→100):称取对氨基苯磺酰胺1.0g,用稀盐酸稀释至100ml,摇匀即得2.3.2.2 盐酸萘乙二胺溶液(0.1→100):取0.1gN-1萘基乙二胺盐加入到稀盐酸溶液中制成100ml溶液2.3.2.3 标准亚硝酸盐溶液:取亚硝酸钠0.750g(按干燥品计算)加水溶解,稀释至100ml摇匀,精密量取lml,加水稀释成100ml,摇匀,再精密量取lml,加水稀释成50ml,摇匀,即得(每1m1相当于1ugNO2)。
工艺用水检验操作规程1.目的规定了工艺用水的监测、取样、标准检验管理要求,确保工艺用水的检验结果可靠性。
2.范围适用于质量保证部部对本厂工艺用水的全性能监测管理。
3.参考/引用文件3.1 2015版《中国药典》4.定义4.1纯化水:本品为饮用水经蒸馏法、离子交换法、反渗透法或其他适宜的方法制得的制药用水,不含任何添加剂。
4.2注射用水:本品为纯化水经蒸馏所得的水。
5. 职责5.1检验员负责按照本规程实施工艺用水检测,出具检验结果。
5.2质量工程师负责审核检验报告,负责不符合结果的跟踪、处理,并定期根据检验结果完成数据趋势统计。
5.3生产部门负责查明工艺用水数据不符合的原因,组织纠正。
6.操作程序6.1仪器、设备超净工作台、立式高压灭菌器、电热恒温水浴锅、薄膜过滤器、无菌滤膜、旋涡振荡器、电子天平、pH计、电导率仪、电热恒温鼓风干燥箱、电热恒温培养箱、菌落计数器、酒精灯、烧杯、培养皿、试管架、试管、比色管等。
6.2取样方法化学性能测试:放水30s之后取水对容器震荡三次以后,进行取样。
总有机碳:采样时必须使用密闭容器,采样后容器顶空应尽量小,并应及时测试。
所使用的玻璃器皿必须严格清洗有机残留物,并用总有机碳检查用水做最后的淋洗。
微生物性能测试:使用经高温蒸汽灭菌的容器取样,取样前,先放水30s,尽量缩短瓶盖开启的时间。
6.3操作步骤6.3.1性状取本品50ml用肉眼和鼻子进行观察检测,应为无色、无臭的澄明液体;6.3.2酸碱度(纯化水)a.溶液配制①0.05mol/L氢氧化钠溶液:取0.2g氢氧化钠,加水稀释至100 ml,摇匀,即得。
②甲基红指示液:取甲基红0.1g,加0.05mol/L的氢氧化钠溶液7.4ml使溶解,再加水稀释到200ml,即得。
③溴麝香草酚蓝指示剂:取溴麝香草酚蓝0.1g,加0.05mol/L的氢氧化钠溶液3.2ml 使溶解,再加水稀释到200ml,即得。
b.检验与合格判断标准④取本品10ml,加甲基红指示液2滴,不得显红色。
标准操作规程标题:纯化水检验标准操作规程生效日期年月日页次:1/3编号:SOP-QC-172-01颁发部门:质量管理部新订□修订□原文件号:编制:部门审核:QA审核:批准:分发部门:QC目的:建立一个纯化水检验标准操作规程,以控制工艺用水的质量。
范围:饮用水的质量检验。
责任者:制水站,QC。
规程:本标准引自《中国药典》2000年版二部。
1. 纯化水2. 分子式、分子量:H2O 18.023. 检验依据:中国药典2000年版二部。
4. 性状:取本品25ml至比色管中观察,应为无色的澄明液体,闻气味应无臭、无味。
5.检查5.1. 酸碱度5.1.1. 仪器:量筒、三角烧瓶等。
5.1.2. 试剂:甲基红指示液、溴麝香草酚蓝指示液等均照药典方法配制。
5.1.3. 操作方法取本品15ml,置三角烧瓶中,加6mol/L醋酸18ml,对氨基苯磺酸a-萘胺试液2ml,锌粉0.01g,摇匀,放置15分钟,不得显粉红色。
5.2. 氯化物、硫酸盐与钙盐5.2.1. 仪器:试管。
5.2.2. 试剂:硝酸、硝酸银试液、氯化钡试液、草酸铵试液。
5.2.3. 操作方法:取本品,分置三支试管中,每管各50m1。
第一管中加硝酸5滴与硝酸银试液lml,第二管中加氯化钡试液2ml,第三管中加草酸铵试液2ml,均不得发生浑浊。
5.3. 硝酸盐5.3.1. 仪器:试管、水浴槽。
5.3.2. 试剂:氯化钾、二苯胺、硫酸、硝酸钾。
质量标准标题纯化水检验标准操作规程颁发部门质量管理部编号SOP-QC-172-01页次:2/35.3.3. 操作方法:取本品5ml置试管中,于冰浴中冷却,加10%氯化钾溶液0.4 ml与0.1%二苯胺硫酸溶液0.1 m1,摇匀,缓缓滴加硫酸5ml,摇匀,将试管于50℃水浴中放置15分钟,溶液产生的蓝色与标准硝酸盐溶液[取硝酸钾0.163g,加水溶解并稀释至l00ml,摇匀,精密量取lml,加水稀释成100m1,再精密量取10ml,加水稀释成100m1,摇匀,即得(每lml相当于lμg NO3)0.3ml,加无硝酸盐的水4.7ml,用同一方法处理后的颜色比较,不得更深(0.000 006%)。
纯化水检验操作规程1 目的:建立纯化水检验操作规程,确保检验结果的准确度。
2 适用范围:纯化水的检验操作。
3 责任者:质量控制部、化验员。
4 规程依据标准:《中国药典》2010年版二部4.1 仪器:分析天平、电热恒温水浴锅、电热恒温干燥箱、冰箱、电导率仪、总有机碳测定仪。
4.2 试药、试液、缓冲液、指示液:4.2.1 试药:硝酸、硫酸、硝酸钾、氢氧化钠、甲基红、溴麝香草酚蓝、氯化钾、二苯胺、盐酸萘乙二胺、对氨基苯磺酰胺、盐酸、亚硝酸钠、碘化钾、二氯化汞、高锰酸钾、氯化铵、浓氨水、醋酸铵、硫代乙酰胺、硝酸铅均分析纯。
4.2.2 对照品:蔗糖对照品,1,4-对苯醌对照品。
4.2.3 新沸过的冷水:取水适量,置电子万用炉上,加热至沸腾,放冷,即得。
0.05mol/L氢氧化钠溶液:取氢氧化钠适量,置烧杯中,加水振摇使溶解成饱和溶液,冷却后,置聚乙烯塑料瓶中,静置数日,澄清后取澄清的氢氧化钠饱和溶液2.8ml,置1000ml量瓶中,加新沸过的冷水使成1000ml,摇匀,置聚乙烯塑料瓶中,即得。
甲基红指示液:称取甲基红0.1g,置200ml量瓶中,加0.05mol/L氢氧化钠溶液7.4ml使溶解,再加水稀释至刻度,摇匀,移入200ml试剂瓶中,即得。
4.2.4 溴麝香草酚蓝指示液:称取溴麝香草酚蓝0.1g,置200ml量瓶中,加0.05mol/L氢氧化钠溶液3.2ml使溶解,再加水稀释至刻度,摇匀,移入200ml试剂瓶中,即得。
4.2.5 10%氯化钾溶液:称取氯化钾10g,置100ml量瓶中,加水使溶解并稀释至刻度,摇匀,移入100ml试剂瓶中,即得。
4.2.6 0.1%二苯胺硫酸溶液:称取二苯胺0.1g,置100ml量瓶中,加硫酸使溶解并稀释至刻度,摇匀,移入100ml试剂瓶中,即得。
4.2.7 无硝酸盐的水:称取无氨水或去离子水,即得。
(检查)取本品,照纯化水项下硝酸盐检查,不得显蓝色。
4.2.8 标准硝酸盐溶液:称取硝酸钾0.163g,置100ml量瓶中,加水使溶解并稀释至刻度,摇匀,精密量取1ml,置100ml量瓶中,加水稀释至刻度,摇匀,再精密量取10ml,置100ml量瓶中,加水稀释至刻度,摇匀,即得(每1ml相当于1µgNO3)。
1.目的建立纯化水的质量标准,规范纯化水的检测方法,确保企业使用的纯化水符合国家的相关标准,保证公司产品的质量。
2.范围本规程适合纯化水检验的全过程。
3.责任3.1.质保部QC检验员负责本规程的执行。
3.2.质保部QA负责本规程的监督实施。
4.内容4.1.《中国药典》(2020年版)附录规定:“纯化水为饮用水经蒸馏法、离子交换法、反渗透法或其它适宜的方法制备的制药用水。
其质量应符合《中国药典》二部纯化水项下的规定。
纯化水不含任何附加剂。
”并规定:“应严格监测各生产环节,防止微生物污染。
”4.2.纯化水检测项目及质量标准:氯化铵31.5mg,加无氨水适量使溶解并稀释成1000ml)1.5ml,加无氨水48ml与碱性碘化汞钾试液2ml制成的对照液比较,不得更深(0.00003%)。
电导率应符合要求(通则0681)。
易氧化物取本品100ml,加稀硫酸10ml,煮沸后,加高锰酸钾滴定液(0.02mol/L)0.10ml,再煮沸10分钟,粉红色不得完全消失。
不挥发物取本品100ml,置105℃恒重的蒸发皿中,在水浴上蒸干,并在105℃干燥至恒重,遗留残渣不得过1mg。
重金属取本品100ml,加水19ml,蒸发至20ml,放冷,加醋酸盐缓冲液(pH3.5)2ml与水适量使成25ml,加硫代乙酰胺试液2ml,摇匀,放置2分钟,与标准铅溶液1.0ml 加水19ml用同一方法处理后的颜色比较,不得更深(0.000 01%)。
微生物限度取本品不少于1ml,经薄膜过滤法处理,采用R2A琼脂培养基,30~35℃培养不少于5天,依法检査(通则1105),1ml供试品中需氧菌总数不得过100cfu。
4.3.取样4.3.1.取样器具准备:500ml蓝盖瓶2个,250ml黄盖瓶1个(此为一个取水点的器具,同时取两个以上取水点,需准备2份以上的器具),消毒用酒精棉。
其中两个蓝盖瓶需要清洁干燥,用于理化试验的取样;黄盖瓶要清洁后,用121℃湿热灭菌20min后冷却备用,用于微生物试验的取样。
4.3.2.取样操作A.带上述适宜器具到取样地点。
打开阀门,排水约1分钟后取样,取样时应避免瓶口接触关闭。
B.理化试验用的取样:先用取水样荡洗蓝盖瓶3次后再取样,两个蓝盖瓶都需要取满水样再盖盖拧紧。
C.微生物限度检查用的取样:取样人先用酒精棉进行手消毒后,取黄盖瓶开盖迅速取样后盖盖,注意不能满瓶取样。
D.每次取样后,在取样瓶外应贴上标签,内容包括品名、取样地点、时间、取样人。
E.在同一水源,同一个时间采取几个水样时,用作微生物检查的水样应避免采样点被污染。
F.用做微生物试验的样品一般从取样到检验不应超过2小时。
条件不允许立即检验时,应2~8℃冷藏保存,但不能超过12小时。
H、取好样后,对于理化检测,要在第一时间先安排电导率测试,再安排其他试验4.3.3.取样点规定:见纯化水取样点布置图(见附件1)。
4.3.4.取样周期:纯化水制备系统储水罐总回水口和总进水口每周取样一次做全性能检测,其余各用水点的纯化水每月轮流取样一次做全性能检测。
4.4.检验项目:每次检验需要填写纯化水检验记录(见附件2)4.4.1.性状:A.器具:锥形瓶、量筒B.操作方法及结果判定:取100ml水样,置于250ml锥形瓶中,观察有没有颜色,然后振摇后从瓶口嗅水的气味。
无色无味则判定符合要求,否则判定不符合要求4.4.2.酸碱度A.试剂:①甲基红指示液:取甲基红0.1g,加0.05mol/L氢氧化钠溶液7.4ml使溶解,再加水稀释至200ml,即得。
变色范围 pH4.2~6.3(红→黄),常温保存。
有效期:6个月。
②溴麝香草酚蓝指示液:取溴麝香草酚蓝0.1g,加0.05mol/L氢氧化钠溶液3.2ml 使溶解,再加水稀释至200ml,即得。
变色范围 pH6.0~7.6(黄→蓝),常温保存。
有效期:6个月。
B.器具:50ml纳氏比色管、10ml量筒C.操作步骤及结果判定:用量筒取本品10ml置50ml纳氏比色管中,加甲基红指示液2滴,不得显红色;另取10ml置50ml纳氏比色管中,加溴麝香草酚蓝指示液5滴,不得显蓝色。
未显红色,未显蓝色则判定符合要求,若显红色或显蓝色则判定不符合要求。
4.4.3.硝酸盐A.试剂:①10%氯化钾溶液:取氯化钾10g,加水使溶解成100ml,即得。
常温保存。
有效期:6个月②0.1%二苯胺硫酸溶液:取二苯胺0.1g,加硫酸使溶解成100ml,即得。
保存方式:避光冷藏,有效期:2个月。
③硫酸(AR级)④标准硝酸盐溶液:取硝酸钾0.163g,加水溶解并稀释至100ml,摇匀,精密量取1ml,加水稀释成100ml,再精密量取10ml,加水稀释成100ml,摇匀,即得。
(每1ml相当于1ugNO3)。
常温保存。
有效期:3个月。
⑤无硝酸盐水(无氨水):取纯化水1000ml,加9.5%~10.5%稀硫酸1ml与高锰酸钾试液1ml,蒸馏(可以采用玻璃蒸馏装置进行制备),即得。
常温保存,有效期:3个月。
B.器具:50ml纳氏比色管、恒温水浴锅。
C.操作步骤及结果判定:取本品5ml置50ml纳氏比色管中,于冰浴中冷却,加10%氯化钾溶液0.4ml与0.1%二苯胺硫酸溶液0.1ml,摇匀,缓缓滴加硫酸5ml,摇匀,将试管于50℃水浴中放置15分钟,溶液产生的蓝色与标准硝酸盐溶液0.3ml,加无硝酸盐的水4.7ml,用同一方法处理后的颜色比较,不得更深(≤0.000006%)。
颜色没有更深则判定符合要求,若颜色更深则判定不符合要求。
4.4.4.亚硝酸盐A.试剂:①1%对氨基苯磺酰胺的稀盐酸溶液:称取对氨基苯磺酰胺1克,用稀盐酸稀释至100毫升,即得。
保存方式:避光冷藏;有效期:2个月②0.1%盐酸萘乙二胺溶液:取盐酸萘乙二胺0.1g,加水使溶解成100ml,即得。
保存方式:避光冷藏;有效期:2个月③稀盐酸:取盐酸234ml,加水稀释至1000ml,即得。
常温保存,有效期:3个月。
④标准亚硝酸盐溶液:取亚硝酸钠0.750g(按干燥品计算),加水溶解并稀释至100ml,摇匀,精密量取1ml,加水稀释成100ml,摇匀,再精密量取1ml,加水稀释成50ml,)。
常温保存,有效期:3个月。
摇匀,即得。
(每1ml相当于1ugNO2⑤无亚硝酸盐水(无氨水)B.器具:50ml纳氏比色管C.操作步骤及结果判定:取本品10ml,置纳氏管中,加对氨基苯磺酰胺的稀盐酸溶液(1→100)1ml及盐酸萘乙二胺溶液(0.1→100)1ml,产生的粉红色,与标准亚硝酸盐溶液0.2ml,加无亚硝酸盐的水9.8ml,用同一方法处理后的颜色比较,不得更深(≤0.000002%)。
颜色没有更深则判定符合要求,若颜色更深则判定不符合要求。
4.4.5.氨A.试剂:①碱性碘化汞钾试液:取碘化钾10g,加水10ml溶解后,缓缓加入二氯化汞的饱和水溶液,随加随搅拌,至生成的红色沉淀不再溶解,加氢氧化钾30g,溶解后,再加二氯化汞的饱和水溶液1ml或1ml以上,并用适量的水稀释使成200ml,静置,使沉淀,即得。
用时倾取上层的澄明液应用。
常温避光保存,有效期:2个月。
②氯化铵溶液:取氯化铵31.5mg,加无氨水适量使溶解并稀释成1000ml,即得。
常温保存,有效期:6个月。
③无氨水B.器具:50ml纳氏比色管C.操作步骤及结果判定:取本品50ml,置纳氏管中,加碱性碘化汞钾试液2ml,放置15分钟;如显色,与氯化铵溶液1.5ml,加无氨水48ml与碱性碘化汞钾试液2ml制成的对照液比较,不得更深(≤0.00003%)。
颜色没有更深则判定符合要求,若颜色更深则判定不符合要求。
4.4.6.电导率A.仪器:电导率仪B.操作步骤:依照《电导率仪标准操作规程》检验。
打开满液的蓝盖瓶,测定三次并记录数据及测定温度,取平均电导率。
D.结果判定:测定的电导率值不大于限度值,则判为符合要求;反之,则判为不符合要求。
4.4.7.易氧化物A.试剂:①稀硫酸:取纯化水500ml倒入烧杯中,用玻璃棒成45度沿着杯壁倾斜导流,缓缓加入浓硫酸57ml,搅拌均匀。
等待冷却后,移入1000ml容量瓶中,加纯化水稀释至1000ml,即得。
本液含H2SO4应为9.5%~10.5%。
注意:此操作必须带防护手套,以免浓硫酸溅出伤人。
常温保存。
有效期:6个月。
②0.02mol/L高锰酸钾滴定液:取高锰酸钾3.2g,加水1000ml,煮沸15分钟,密塞,静置2日以上,用垂熔玻璃滤器滤过,摇匀。
常温避光保存。
有效期:2个月。
B.器具:200ml烧杯C.操作步骤:取本品100ml,置200ml烧杯中,加稀硫酸10ml,煮沸后,加高锰酸钾滴定液(0.02mol/L)0.10ml,再煮沸10分钟,粉红色不得完全消失。
D.结果判定:粉色没有完全消失则判定符合要求;反之,则判为不符合要求。
4.4.8.不挥发物A.器具:水浴锅、蒸发皿、干燥箱、分析天平、100ml量筒B.操作步骤:取本品100ml,置105℃恒重的蒸发皿中,在水浴上蒸干,并在105℃干燥至恒重,遗留残渣不得过1mg。
C.不挥发物检测恒重注意事项:①称取经二次恒重的空蒸发皿,记录蒸发皿重(g)。
②将蒸干的蒸发皿放入105℃干燥箱内烘干2h,再于干燥皿内干燥0.5h,称重(含供试液一次恒重)。
③二次将蒸干的蒸发皿放入105℃干燥箱内烘干1h,再在干燥皿内干燥0.5h,称重。
二次恒重后的重量不得超过0.3mg。
(含供试液二次恒重)④计算遗留残渣:含供试液二次恒重-蒸发皿重< 1mgD.结果判定:若遗留残渣< 1mg则判定符合要求;反之,则判为不符合要求。
4.4.9.重金属A.试剂:①醋酸盐缓冲液(pH3.5):取醋酸铵25g,加水25ml溶解后,加7mol/L盐酸溶液38ml,用2mol/L的盐酸溶液或5mol/L氨溶液准确调节pH值至3.5(电位法指示),用水稀释至100ml,即得。
常温保存。
有效期:6个月。
②硫代乙酰胺试液(临用新制):取硫代乙酰胺4g,加水使溶解成100ml,置冰箱中保存。
临用前取混合液(由1mol/L氢氧化钠溶液15ml,水5.0ml及甘油20ml组成)5.0ml,加上述硫代乙酰胺溶液1.0ml,置水浴上加热20秒钟,冷却,立即使用。
③标准铅溶液(临用新制):称取硝酸铅0.160g,置1000ml量瓶中,加硝酸5ml 与水50ml溶解后,用水稀释至刻度,摇匀,作为贮备液。
临用前,精密量取贮备液10ml,置100ml量瓶中,加水稀释至刻度,摇匀,即得。
(每1ml相当于10ug的pb)。
B.器具:蒸发皿、50ml纳氏比色管C.操作步骤:取本品100ml,置蒸发皿中,加水19ml,蒸发至20ml,放冷,加醋酸盐缓冲液(pH3.5)2ml与水适量使成25ml,加硫代乙酰胺试液2ml,摇匀,放置2分钟,与标准铅溶液1.0ml加水19ml用同一方法处理后的颜色比较,不得更深(≤0.00001%)。