女衬衫前片制图
- 格式:ppt
- 大小:5.54 MB
- 文档页数:21
女衬衫缝制工艺图5-5 (七)、排料方法:见图(5-6)图5-6(八)、基本缝型:1、平缝(图5-7)缝制服装的基本缝型:用于缝合肩缝;做、装领;装袖;侧缝、袖底缝等。
图5-7 图5-8 图5-92、坐缉缝(图5-8):用于装领等。
3、光边型包边缝(图5-9):用于做袖衩、装袖克夫。
4、卷边缝(图5-10):用于卷底边。
图5-10 图5-11(九)、零部件制作:1、袖开衩一:(图5-11)准备工作:剪一条开衩滚条(直丝绺),宽 3.5-4cm,长度为开衩长度的两倍(约18cm 长)(图5-11①)制作过程:(1)、将滚条对折烫平,再将两端向里折净、烫平。
(图5-11②)(2)、将袖口处的开衩剪开,要求剪直、长度剪准确。
(图5-11③)(3)、将剪开的开衩拉成直线并把它夹在滚条中间,沿滚条边缘车缝0.1cm边明线。
(图5-11④)(4)、使袖片反面朝外,将滚条沿长度方向对折平整,在开衩转弯处向袖衩外口斜下1cm缉来回针三道固定。
(图5-11⑤)(5)、整烫:使滚条倒向前袖一侧,熨烫平整。
(图5-11⑥)①对折扣净剪开袖(正)②③车缝边明线斜④⑤⑥图5-11①- ⑥2、袖开衩二:(图5-12)此方法也常用于女装、童装等领口的制作。
准备工作:剪一条开衩垫布(直丝绺),宽3.5-4cm,长度为开衩长度(约10cm长)修剪成上圆下直形开衩条。
图5-12制作过程:(1)、袖开衩垫布反面粘衬并拷边。
(图5-12①)(2)、袖开衩垫布与袖片开衩部位正面相对,沿开衩两边车缝0.5cm线。
(图5-12②)(3)、将开衩剪开并将袖开衩垫布翻折到袖子反面,烫平。
(图5-12)(4)①②图5-12①-③3、做领(图5-13)图5-13 图5-13①领图5-13②图5-13③准备工作:按女衬衫规格准备领面、领里个1片,薄型领衬1片(粘合衬)。
制作过程:(1)、领面比领里略放大、丝绺一致(直丝绺)。
(2)、粘衬领角处修去以减少厚度,粘上领面。
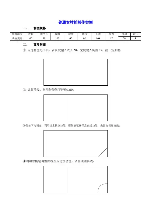
普通女衬衫制作实例一、制图规格二、前片制图①点选智能笔工具,在长度输入衣长60,宽度输入胸围25,拉一矩形框:②做腰节线,利用智能笔平行线功能:③做前下与领宽,利用线上找点功能,用智能笔画任意直线功能,先做出领圈直线:④利用智能笔调整曲线及点追加功能,调整领圈弧线:⑤确定肩宽,做落肩线,利用线上找点功能,用智能笔丁字尺功能:⑥做肩斜线,用智能笔任意直线功能:⑦做挂肩斜线,用量规工具做:⑧用智能笔直线变曲线功能,追加几点后用两端固定修曲线功能,输入长度并调整弧线至最佳效果:⑨做腰围,按照尺寸用智能笔功能减短2CM:⑩做下摆按照尺寸按回车键捕捉偏移功能做起翘1CM,加长1CM后连接:○11用智能笔功能连接侧缝线并调节曲线:12:做叠门线2CM,用智能笔平行功能做:○13.用智能笔单边修正功能连接好:14.用智能笔功能做腰省,先用等分线画出腰线的1/2位置:15.用智能笔删除功能删除多余的线条:16.用扣子扣眼工具做出位置:17.利用缝边刷新工具,刷新缝边,在利用修改缝边宽度工具修改缝边:18.利用裁片属性定义工具,修改裁片丝缕线及信息:二、后片制图1.运用水平垂直镜像工具,按住CTRL键复制一个前片:2.运用智能笔丁字尺功能制作后领,同时把多余的线删除:3.运用智能笔线上找点功能做出后领深,并制作好领弧线:4.利用智能笔删除功能把多余的线条删除,缝边刷新后再用裁片属性定义工具修改裁片信息,用智能笔工具两端固定修曲线功能把后袖笼曲线调整最佳:5.用水平垂直补正工具,把裁片补正:6.用设置对称边工具把后中心线设置好并刷新缝边:7.以上所操作的是制作前后片的相关流程,仅供参考.。
重点:女西服制图难点:女西服设计要点一、复习与引入1. 女衬衫制图的要点是什么?2. 女春秋衫制图的要点是什么?二、女西服1.款式特点(见下图)八字领,单排二粒扣,直角下摆;前片左前胸设一个手巾袋,左右设两个双开线加袋盖的大袋,设有腰省和肋省,后片中缝开背缝;衣袖为圆装袖,袖口开袖衩。
号型衣长(L)胸围(B)肩宽(S)前腰节长(WL)袖长(SL)袖窿弧长(AH)160/84 66 96 40 39 54 47.2 3.结构制图(图略)4.制图分析(1)女西服采用后片上平线高于前片1cm,下平线高于前片1cm对位;而男西服是采用后片上平线高于前片2.5cm,下平线高于前片2cm对位。
(2)女西服是直角下摆;而男西服是圆角下摆。
(3)女西服肩线是直线;而男西服肩线是弧线,后凹进0.3cm,前凸出0.3cm。
(4)领子采用常规八字领制图,如图所示。
(7)领子采用袖山高和袖根肥的框架定位方式,袖山高=B/10+5.5,袖根肥=B/5-0.5,公式中的5.5和0.5是可调的,目的是保证袖山曲线大于袖窿弧长2~3cm。
四、总结提问1. 女西服的制图要点是什么?五、实训练习1.用1:5作业纸设计一个女西服。
重点:女西服制图难点:女西服设计要点一、复习与引入1. 女衬衫制图的要点是什么?2. 女春秋衫制图的要点是什么?二、女西服1.款式特点(见下图)八字领,单排二粒扣,直角下摆;前片左前胸设一个手巾袋,左右设两个双开线加袋盖的大袋,设有腰省和肋省,后片中缝开背缝;衣袖为圆装袖,袖口开袖衩。
号型衣长(L)胸围(B)肩宽(S)前腰节长(WL)袖长(SL)袖窿弧长(AH)160/84 66 96 40 39 54 47.2 3.结构制图(图略)4.制图分析(1)女西服采用后片上平线高于前片1cm,下平线高于前片1cm对位;而男西服是采用后片上平线高于前片2.5cm,下平线高于前片2cm对位。
(2)女西服是直角下摆;而男西服是圆角下摆。
第六章衬衫结构制图第四节女衬衫变化(二)——前片单位:安徽合肥服装学校地点:多媒体教室—09春招班时间:2009.9.28 下午第一节执教:陈莉教材:《服装结构制图》徐雅琴主编高等教育出版社出版课题:第六章衬衫结构制图第四节女衬衫变化(二)——前片课时:1节教学目的:通过本节课的学习,学生能够:1.了解女衬衫的外形。
2.理解女衬衫制图规格的制定。
3.掌握各部位的制图公式。
4.掌握女衬衫前片制图步骤及方法。
5.巩固服装结构制图的一般制图步骤,养成良好的制图习惯。
教学重点:女衬衫肩部横向分割线及肩胸省的处理。
教学难点:旋转法绘制袖窿弧线。
教学方法:教师讲授、示范与学生实操练习相结合。
教学用具:多媒体设备、自制PPT课件、样衣等。
教材分析:女衬衫的款式变化主要表现在衣片、衣袖、衣领等部位。
衣片的变化,主要有开襟部位、胸省的省型、分割线及下摆的造型变化。
衣袖的变化衬衫以单片袖为主,从长度上区分,有长袖、中袖、短袖;从类型上区分,有套肩袖、圆装袖等;从袖口的造型上区分,有袖口装袖头、平袖头等。
衣领的变化,主要有无领、坦领、立领、翻驳领等,领型的细节变化,如领角长短宽窄、方圆尖曲等随流行趋势变化。
学情分析:现阶段学生已经掌握了基本女衬衫的制图,具备了衬衫制图的一定的理论知识与实操技能,本节课要进一步加强衬衫装结构制图能力的培养,提高应变能力。
教学过程:复习提问:上装的五个关键控制部位。
答:长度方向:衣长、前腰节长围度方向:胸围、总肩宽、袖长、领围。
一、制图依据(一)前片款式图与外形①领型:方形翻驳领,前领部分也稍带领脚,前领深点呈V字形;②开襟部位:前中开襟装,单排四粒扣;③前片上部设横向分割线,分割线下抽细褶;④前后片左右各设一个腰节省,侧缝处吸腰;⑤袖型:一片式圆装短袖。
适用面料:各种全面类、丝绸类均可。
(二)测量要点前腰节长的测量:方法一:一般通过实际测量获得。
采用现在要不最细处栓一根绳,使其前后左右水平,再从颈肩点起经过胸高点,量至拴绳处所得。