手术分级授权再授权申请表
- 格式:doc
- 大小:19.00 KB
- 文档页数:2
手术医师定期能力评价与再授权制度及授权申请表各科室:依据我院《手术医师分级授权管理制度》的规定,对手术医师资格分级授权实施动态化管理,经院医疗质量管理委员会研究决定,对我院《手术医师定期能力评价与再授权制度》修订如下:一、考核组织医务科具体负责制定手术医师资质准入制度及手术评价标准、手术医师的技术考核、外科手术评价、手术医师的手术分级审定,监督管理手术医师资质准入制度的执行,协调制定手术分类及手术医师资质准入范围和标准,定期和不定期考核手术科室执行情况。
相关科室成立以科主任为组长的科室手术医师资质分级评定小组,具体负责本科室手术医师能力评价与再授权工作。
二、手术医师定期能力评价(一)手术医师能力评价周期为每两年评价一次。
(二)评价标准1.对本级别手术种类完成80%以上,且未发生医疗过错或事故者,可授予同级别手术权限;2.预申请晋升高一级别手术权限的医师,除达到完成本级别手术80%以上条件外,尚同时具备以下条件:(1)获得相应手术级别的卫生专业技术资格任职年限;(2)承担本级别手术时间满两年度;(3)承担本级别手术期间无医疗过错或事故发生(以我院医疗质量安全管理委员会讨论结果为准);(4)在上级医师指导下完成高一级别手术5例以上者。
3.当出现下列情况之一者,取消或降低其手术操作权限:(1)达不到操作许可必需条件的;(2)对操作者的实际完成质量评价后,经证明其操作并发症的发生率超过操作标准规定的范围者;(3)在操作过程中明显或屡次违反操作规程;(4)承担本级别手术期间发生2次或2次以上医疗事故或过错的;(5)在实施本级别手术期间,存在非计划再次手术记录的,当年度手术医师能力评价视为不合格,本年度不得晋升上一级别手术资质;(6)在实施本级别手术期间,若发现有越级手术或未经授权擅自开展手术的案例者,当年度手术医师能力评价视为不合格,本年度不得晋升上一级别手术资质。
三、评价程序(一)科室手术医师资质评定小组,根据上述规定,对科室开展的手术进行梳理、讨论,对手术医师资质进行评定,拟定新年度各级手术医师手术级别及手术范围并填写《手术医师定期能力评价与再授权表》,提交医务科审核。
附2
手术医师资质再授权审批表
此表一式两份,与医师能力评价表一起交医务科,双面打印 科室
姓名 性别 出生日期 学位 学历 职称 职称聘任
时间
已获得资质等级: □一级 □二级 □三级 □四级 申请再授权资质等级:□一级 □二级 □三级 □四级
申请手术项目(能力评价表中手术项目序号): 申请人签名: 年 月 日 科室评定小组考核意见:
科主任签名: 年 月 日
评价专家组(医务科)意见:
通过审查评价考核合格,同意授予 手术资格及所申请的项目。
负责人签名: 年 月 日 医院授权管理委员会意见:
同意评价专家组意见并院内公示7日,无异议后由医务科授权。
主持人签名: 年 月 日
院领导意见:
签名: 年 月 日 备注: 院内公示结果: 通过 不通过。
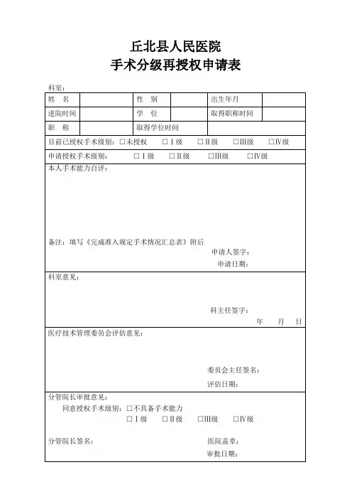
莱芜市人民医院手术分级授权再授权申请表
科室:xxx外科
姓名Xx 职称xxxx医师已聘年限xx年
已授权手术等级:一、二级
申请授权手术级别和名称:
1、一、二级手术
2、部分三级手术(xxxx术、xxxxx术、xxxxx术、xxxxx术、xxxxx术)
申请资质理由(个人能力综合描述,包括:毕业院校、工作经历、晋级情况、学术成就及学术兼职;目前诊治疾病情况;增加申请手术级别理由)不少于100字。
20xx年xx月,本科毕业于xx大学临床医学专业。
20xx年硕士研究生毕业于xx大学,毕业至今在我院一直从事xxx科临床工作,每年平均参加手术量近xx例,主要诊治病种为xx、xx、xxx、xxx。
20xx年晋级主治医师。
20xx年博士毕业于xx大学。
目前熟练掌握一级手术的操作。
熟练掌握xx科常见病、多发病的诊疗原则及方法。
自20xx年xx月专业方向为xx外科。
近年来,在科主任带领下,在全科同事们的支持下,独立完成一、二级手术及操作xxxx多例,在上级医师现场指导下逐步独立完成xx切除术、xxxxx术、xxxxx 术、xxxx术、xxxx术、xxxx术等三级手术xx余例。
所有这些手术,我都严格遵守围手术期管理相关制度,严格掌握手术适应症;手术效果良好,未发生严重并发症,无死亡病例。
现申请三级手术权限,请予以批准。
本人声明上述信息准确,真实。
申请人签字:申请日期:
科室质量与安全管理小组:
共xx 人参与评定,赞成xxx 人,反对xxx 人,弃权xxx 人。
最后评定意见:同意
组长签字:日期:。
XX市人民医院医师手术权限申请表科室医师姓名职称参加工作时间获得执业医师资格时间申请展开手术级别□一级□二级□三级□四级个人能力介绍:申请人署名:年月日科室医疗质量与安全管理小组建议:署名:年月日医院医疗质量与安全管理委员会心见:署名:年月日此表一式两份,一份科室保存,一份医务科存案。
XX市人民医院手术医师(住院医师)资质查核表医师姓名职称任职年限申请等级一年内有无□无□有一年内有不过□无医疗纠葛计划再次手术□有(□医源性□非医源性)考评项目考评重点得分近一年工作量主刀例,第一助手例;级以上手术例。
以本次本专业参加查核人员均匀手术量为标准进行统计,达到不扣(10 分)分,少 3例扣 1分。
手术适应证诊断原则正确 5 分;诊断明确 2 分;治疗方案充足 3 分。
查住院、首程、上司医师查房记录:诊断含混或遗漏、诊断计划不全面、临(10 分)床思路不可熟的酌情扣分,漏主要诊断、有手术禁忌证的不得分。
术前议论诊断重点清楚 5 分;难度预计及风险方案充足 5 分。
查术前小结和议论:出缺点酌情扣分,无议论建议、风险方案缺主要项或术前小(10 分)结缺项、缺审签的不得分。
术前准备医嘱规范 4 分;检查结果完好 2 分;赞同书及审署名规范 4 分。
有缺点(如结果未回等)酌情扣分,检查缺主要项、赞同书缺审署名(10 分)不得分。
手术操作动作规范 5 分;操作正确 5 分;技术娴熟 5 分;流程熟习 5 分。
观看手术全过程:出缺点酌情扣分,有基来源则错误、因错误操作导(20 分)致严重影响手术的不得分。
无菌观点洗手程序正确 5 分;手术消毒完全 5 分。
查核手术全过程:出缺点酌情扣分,无菌操作原则性错误、洗手消毒时动作出缺点且不接受(10 分)建议、消毒范围不够的不得分。
注意事项手术体位 4 分、术野裸露 4 分、器材选择 2 分等能知足手术需要。
查核手术全过程:注意力分别、工作态度不谨慎、流程思路不清楚(10 分)的酌情扣分。