供应商年度考核明细表
- 格式:xlsx
- 大小:15.49 KB
- 文档页数:4
合格供应商年度考核表
供应商名称:
所供物料
实际项目评价标准得分
1 可按需供货(20分)
2 可按需要量的50%以上供货(15分) 供货能力
3 可按需要量的50%以下供货(10分)
1 本年度内,所供物料经公司质量保证部检验,质量均符合规定,达
到要求,质量稳定(40分)
产品质量
2 产品质量有时有不合格现象,但可以使用(30分)
3 不合格产品较多(10分)
1、售后服务质量水平优良、企业信誉程度较高(10分) 服务与诚信度
2、服务质量水平、企业信誉程度一般(7分)
3、服务质量水平、企业信誉程度不好(5分)
1 同类物料中价格适宜(10分)
价格 2 价格比最低的高2%以上,5%以下(8分)
3 价格比最低的高5%以上(5分)
1 5年以上(10分)
供货年限 2 3年以上,5年以下(8分)
3 3年以下(5分)
1 货到验收合格付总货款的20%,3个月后每月付20%至结清(10分) 结算方式
2 货到验收合格付总货款的20%,其余每月后付10%至结清(8分)
3 货到验收合格付总货款的20%,其余每月付20%至结清(5分) 合计得分: 评定等级:
评定人:
审核人: 日期: 年月日备注:将供货商按照A、B、C三个等级划分,规定A 级80分以上(含80分);B级60至80分;C级60分(含60分)以下。
A级为主供货商,B级为辅供货商,C级为候选供货商。
供应商年度评分表
供应商名称:_____________________
评估年度:_____________________
评估日期:_____________________
评估部门:_____________________
一、质量评估
1. 产品质量符合标准(0-20分):
2. 产品一致性和可靠性(0-20分):
3. 质量问题的响应和解决速度(0-10分):
二、交付评估
1. 准时交货率(0-20分):
2. 灵活应对紧急订单的能力(0-10分):
3. 包装和运输标准符合要求(0-10分):
三、服务评估
1. 客户服务态度(0-10分):
2. 问题解决和投诉处理(0-10分):
3. 交易流程的便捷性(0-10分):
四、价格和成本
1. 价格竞争力(0-20分):
2. 成本控制能力(0-10分):
五、合作关系和持续改进
1. 愿意与我们建立长期合作关系(0-10分):
2. 持续改进和创新能力(0-10分):
六、总评
1. 总分(最高150分):
2. 综合评价:
评估人签名:_____________________
评估日期:_____________________。
供应商年度绩效表概述本文档旨在对供应商的年度绩效进行评估和记录。
通过定期评估供应商的表现,我们可以确保他们能够满足我们的需求并提供高质量的产品和服务。
评估指标以下是供应商年度绩效评估的指标:1. 交付准时性:评估供应商在过去一年中交货是否及时,是否满足我们的交货要求。
2. 产品质量:评估供应商交付的产品是否符合我们的质量标准,是否存在质量问题。
3. 价格合理性:评估供应商的定价是否合理,与市场价格相符。
4. 服务响应速度:评估供应商对我们的询问和需求的响应速度,以及解决问题的能力。
5. 合作态度:评估供应商在合作过程中的积极性、沟通能力和合作态度。
6. 可持续发展:评估供应商在环境保护、社会责任方面的表现,是否有可持续发展的计划和举措。
评估流程评估流程如下:1. 收集数据:收集过去一年与供应商的合作情况、交付记录、产品质检报告等相关数据。
2. 评估指标权重确定:确定每个评估指标的重要性和权重。
3. 数据分析:对收集到的数据进行分析和比较,计算供应商在每个指标上的得分。
4. 绩效评级:根据供应商在各个指标上的得分,给予绩效评级,如优秀、良好、一般、差等。
5. 绩效反馈:将绩效评级结果及具体评估数据告知供应商,并与其沟通绩效改进计划。
其他注意事项评估过程中需注意以下事项:- 评估结果应被记录并妥善保存,以备后续参考和跟踪。
- 评估应公开、公正、透明,避免个人偏见和不公平对待。
- 绩效评估结果应作为供应商选择和绩效改进的依据,对供应商的奖惩措施应根据实际绩效相匹配。
- 在评估结果不理想的情况下,应与供应商密切合作,共同制定改进计划,并审慎考虑是否寻找替代供应商。
以上所述为供应商年度绩效表的内容和流程,请各部门按照该流程进行评估,并不断改进供应商合作关系。
供应商考核表格
以下是一个供应商考核表格的示例:
供应商名称:
供应商联系人:
考核周期:年度/季度/月份
考核内容:
1. 产品质量:提供产品的质量是否符合要求及客户反馈情况。
评分标准:优秀(90-100分)、良好(70-89分)、合格(50-69分)、不合格(0-49分)
2. 交货准时率:供应商按照合同约定时间交货的准时比例。
评分标准:优秀(90-100分)、良好(70-89分)、合格(50-69分)、不合格(0-49分)
3. 客户服务:供应商的客户服务水平,包括对问题的及时响应和解决能力。
评分标准:优秀(90-100分)、良好(70-89分)、合格(50-69分)、不合格(0-49分)
4. 技术支持:供应商提供的技术支持和培训服务的质量和效果。
评分标准:优秀(90-100分)、良好(70-89分)、合格(50-69分)、不合格(0-49分)
5. 合作态度:供应商在合作过程中的积极性、合作意愿和处理问题的态度。
评分标准:优秀(90-100分)、良好(70-89分)、合格(50-69分)、不合格(0-49分)
总评分:_______(满分100分)
备注:(可填写对供应商的其他评价或建议)
评估人签名:__________________________
时间:__________________________。
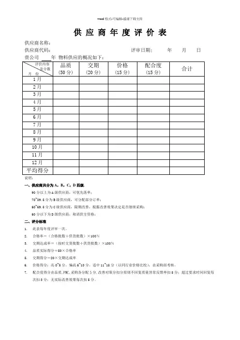
供应商年度评价表
供应商名称:
供应商代码:评审日期: 年月日
说明:
一、供应商共分为A,B,C,D四级.
90分以上为A级供应商,可优先落单;
70~89.5分为B级供应商,可分配部分订单;
60~69.5分为C级供应商,限期改善,根据改善效果决定是否继续采购;
60分以下为D级供应商,取消供方资格;
二、评分标准
1.此表每年度评审一次。
2.合格率=(合格批数÷供货批数)×100%
3.交期达成率=(按时交货批数÷供货批数)×100%
4.品质实际得分=50×合格率
5.交期得分=20×交期达成率
6.价格得分:高0~5分,偏高6~10分,适中11~15分(以同行业价格比校),由采购部考核。
7.配合度得分由品质,PMC,采购各分配5分.改善对策分扣分原则不回复质量异常反馈单扣5分;超过要求时间回复每
次扣3分;无实际改善效果每次扣5分。
WF-ZYB-010/A。
○○股份
供应商考核表
年月份页次:
(本记录不得擅自涂改) FM0735A
附:施工项目管理的重点,集中在合同管理、质量管理、进度管理、成本管理、安全管理和信息管理6个方面:
1.合同管理方面应在规范、强化招标行为的基础上,执行国的新经济合同法,加强签约的可靠性和合同执行中的变更管理,掌握和运用索赔技术,充分发挥合同在市场经济履约经营中的作用。
2.质量管理方面应按国家新规范、新标准、国家和地方强制性条文的规定,在建立建筑企业质量体系的基础上,针对施工项目的特点建立施工项目质量体系,扎扎实实地推行全面质量管理。
吸取各方面的施工经验,把管理的重点转移到产品(项目)上来。
3.进度管理方面要在加强预测和决策的基础上,编制施工项目的滚动式计划。
采用网络计划的形式并组织流水作业,绘制“S”形曲线或“香蕉”曲线,以方便进度计划执行情况的检查和计划的调整。
4.成本管理方面,加强施工项目成本的预测、计划、动态控制、核算和分析等各个环节,以月控制年总结的办法,努力在承包成本计划成本的基础上降低实际成本,以增加经营利润。
5.安全管理方面,关键在于安全思想的建立、安全组织(安全保证体系)的建立、安全教育的加强、安全措施的设计,以及对人不安全行为和物的不安全状态的控制。
引进风险管理技术,加强劳动保险工作以转移风险,减少损失。
着重做好班前交底工作,定期检查,建立安
全生产领导小组,把不安全的事和物控制在萌芽状态。
6.信息管理方面,企业应建立项目信息中心,充分发挥电子计算机在数据处理和信息传递中的作用,做到施工项目管理手段电子化。
供应商年度考核表
供应商名称考核时间
主要供应产品供应商类别
评价项目考评方式分值
实际
分数考核
部门
考核人
签名
备注
质量稳定性产品验收不合格造成退货,一次扣10
分,连续三次验收不合格不得分;产
品使用过程中存在质量问题(超过内
控标准)每出现一次扣5分,造成质
量事故不得分,本年度考核不合格。
65分
质量部
生产部
采购部
交货及时性
延期交货未影响生产每次扣1分,影
响我公司正常生产扣5分
10分采购部
交期准确率供货数量的误差应在订单±5%内,超
出10%扣1分,低于订单数量影响我
公司正常生产每次扣5分
10分
采购部
物资部
付款条件
现金结算扣2分,月结30天扣1分,
月结60天扣2分,月结90天扣0分
2分财务部服务体系由采购员进行评价5分采购部
产品包装方式由仓库人员进行评价3分物资部
事故处理能力不处理扣5分,延时处理扣(1-3分)5分采购部合计100分
注:
1.得分在85~100分者为A级,A级为优秀供应商可加大采购配比;
2.得分在75~84分者为B级,B级为良好供应商可正常采购;
3.得分在60~74分者为C级,C级合格供应商,需进行辅导,应减少采购配比或暂停采购
4.得分在60分以下者为D级,D级为不合格供应商,应予以淘汰。
维修供应商现场履约年度考核汇总表
维修供应商现场履约年度考核汇总表分包商及履约团队名称分公司名称考核季度及得分分包商的季度产值(万元)季度得分分包商年度的最终得分分包商及履约
团队名称按照本年度该分包商的实际产值加权得分制表人签名:日期:年月日工程技术质量部主管:日期:年月
日公司主管经理审核:公司主管经理签名:日期:年月日说明:1、履约的项目应与附
件十《维修供应商现场履约月度考核报表》保持一致;2、供应商及履约团队名称应与附件十《维修供应商现场履约月度考核报表》保持一致。
供应商考核表格供应商名称:________________考核周期:________________考核评分标准:1. 产品质量(40%)- 产品合格率(20%):供应商所提供产品的合格率,以统计数据为准。
- 产品外观(10%):产品的外观质量,如整体外观、颜色、尺寸等方面。
- 产品性能(10%):产品的功能和性能是否符合要求。
2. 交货时间(20%)- 准时交货(10%):供应商是否按照约定时间准时交货。
- 提前交货(5%):供应商是否有主动提前交货的情况。
- 延迟交货(5%):供应商是否有延迟交货的情况,并据此评估延迟交货的频率和时长。
3. 售后服务(20%)- 响应时间(10%):供应商对于售后服务请求的响应时间。
- 解决问题效率(10%):供应商对于问题的解决效率和处理结果。
4. 合作态度(10%)- 沟通回应(5%):供应商在合作过程中对于沟通信息的回应速度和质量。
- 合作积极性(5%):供应商在合作过程中是否展现出积极的合作态度。
5. 价格优势(10%)- 价格竞争力(5%):供应商所提供产品的价格是否具有竞争力。
- 报价准确性(5%):供应商所提供的报价是否准确无误。
考核流程:1. 考核指标设定:根据上述评分标准,确定供应商考核的具体指标,并设定权重。
2. 数据收集:在考核周期结束后,根据相关记录和统计数据,收集相关数据指标。
3. 数据分析:根据收集到的数据,进行相应的分析。
对数据进行统计,计算各项指标的得分。
4. 考核结果通知:将考核结果及得分通知供应商,并与其进行沟通和交流。
5. 考核结果评审:相关部门对考核结果进行评审,对考核过程中的问题进行讨论和解决。
6. 考核结果奖惩:根据考核结果,对供应商进行奖惩,如给予奖励、提供改进意见等。
总结:供应商考核表格是对供应商综合表现进行评估的重要工具。
通过对产品质量、交货时间、售后服务、合作态度和价格优势等方面的评估,可以帮助企业选择合适的供应商,并与供应商进行持续改进和优化合作关系。