土方开挖工程检验批质量验收记录
- 格式:doc
- 大小:287.00 KB
- 文档页数:11
土方开挖工程检验批质量验收记录土方开挖工程是重要的基础工程之一,质量验收是确保土方开挖工程建设质量的重要措施。
土方开挖工程检验批质量验收记录是土方开挖工程验收的重要文档,本文将从以下几个方面进行详细阐述:一、检验批质量验收记录的目的土方开挖工程检验批质量验收记录是对土方开挖工程建设质量进行检验和验收的记录文件。
其目的是为了记录每一个检验批的具体情况,包括土方开挖工程建设过程中所采取的措施,以及是否符合工程规范、标准和安全要求。
检验批质量验收记录也是对土方开挖工程建设过程中的质量控制和质量保证进行记录和验证的过程。
二、检验批质量验收记录的内容1、施工内容:记录施工单位的名称、施工日期、施工地点、开挖范围、深度、土质情况、使用的机械设备等。
2、质量情况:记录土方开挖工程的质量情况,包括是否符合土方开挖工程建设标准和规范等信息。
3、安全情况:记录土方开挖工程建设过程中的安全情况,包括是否采取了必要的安全措施等。
4、整改情况:记录土方开挖工程建设过程中发现的问题和整改情况。
5、签署及处置:记录土方开挖工程验收人员的签署和处置意见。
三、检验批质量验收记录的重要性土方开挖工程检验批质量验收记录能够记录每一个检验批的具体情况,发现和纠正问题,及时处理和改进,确保土方开挖工程的质量和安全。
而且,这些记录文件可以为后续的工程验收提供有效的依据,并保证土方开挖工程建设的质量和效益。
四、检验批质量验收记录的操作流程1、进场检查和准备:施工单位进场前,需对施工现场进行审核和验证资格,并进行准备工作,如清理现场,铺设维护路,布置照明等。
2、开挖前试验:在施工之前进行试验,实测开挖范围、深度、土质情况等,试验合格后方可进行正式施工。
3、开挖施工:根据土方开挖工程设计要求进行施工,同时要对施工质量和安全情况进行检查和记录。
4、验收并处理问题:验收员对土方开挖工程进行验收,发现问题需及时整改,必要时改变施工方法。
5、签署及处置:施工单位和验收员对土方开挖工程进行签署和处置意见,并保存相关资料。
00110/10人工/机械///25/25人工/机械//3边坡25/2510/10人工/机械///2基底土性10/10施工单位 检查结果合格监理单位 验收结论标高长度、宽度(由设计中心)线向两边量)表面 平整度场地 平整场地 平整场地 平整主控项目 一 般 项 目121专业监理工程师:年 月 日专业工长:项目专业质量检查员:年 月 日地(路)面基础层20//设计要求抽查10处,全部合格√50//管沟20//柱基基坑基槽20抽查10处,合格9处90.0%20//管沟100//设计要求抽查25处,全部合格√300;-100//500;-150//地(路)面基础层-50//柱基基坑基槽200;-50抽查25处,全部合格√±50//管沟-50//柱基基坑基槽-50抽查10处,全部合格√±30//施工依据土方开挖专项施工方案验收依据《建筑地基基础工程施工质量验收规范》GB50202-2002验收项目设计要求及规范规定最小/实际抽样数量检查记录检查结果分包单位分包单位项目负责人检验批部位1施工单位广州富利建筑安装工程有限公司项目负责人苏红强检验批容量500m2单位(子单位)工程名称保利东瑞花园分部(子分部)工程名称地基与基础分部-土方子分部分项工程名称土方开挖分项土方开挖检验批质量验收记录GD-C5-71129。
挖方场地平整土方开挖工程检验批质量验收记录话说这天,小明和他的朋友们正在工地上帮忙,他们的任务是负责挖方场地平整土方开挖工程的检验批质量验收。
小明可是第一次干这个活儿,心里既紧张又兴奋。
他知道,这个活儿可不能马虎,否则会影响到整个工程的质量。
于是,他下定决心,一定要把这个活儿干好。
小明和他的朋友们要对施工现场进行全面的检查。
他们要检查地面的平整度、坡度是否符合要求,还要检查挖掘机的工作性能是否良好。
小明一边检查,一边心里嘀咕:“这可不能马虎,得仔细点儿。
”他的朋友们也是如此,大家都在努力地确保施工现场的质量。
接下来,小明和他的朋友们要对挖掘出来的土方进行验收。
他们要检查土方的体积、密度是否符合要求,还要检查土方的杂质含量是否过高。
小明一边验收,一边心里想着:“这可不能马虎,得仔细点儿。
”他的朋友们也是如此,大家都在努力地确保土方的质量。
在验收过程中,小明和他的朋友们还要注意与其他工种的配合。
他们要与砌墙工、铺砖工等紧密配合,确保各个环节的质量。
小明一边配合,一边心里想着:“这可不能马虎,得仔细点儿。
”他的朋友们也是如此,大家都在努力地确保整个工程的质量。
经过一天的努力,小明和他的朋友们终于完成了挖方场地平整土方开挖工程的检验批质量验收。
他们累得满头大汗,但心里却充满了满足感。
因为他们知道,自己的努力确保了整个工程的质量,为建设美好家园做出了贡献。
晚上回家的路上,小明和朋友们还在谈论今天的工作。
他们都觉得这次经历让他们学到了很多东西,不仅仅是专业知识,还有团队合作的重要性。
小明说:“今天真是收获颇丰啊!我们不仅学会了如何检查施工现场的质量,还学会了如何与其他工种配合。
这些都是以后工作中必不可少的技能。
”他的朋友们纷纷表示赞同。
通过这次挖方场地平整土方开挖工程检验批质量验收的经历,小明和他的朋友们深刻地认识到了质量的重要性。
他们明白了,只有严格把关质量,才能保证整个工程的顺利进行,才能让人们住得更安心、更舒适。
最新土方开挖工程检验批质量验收记录.docx 【文档一:正式风格】最新土方开挖工程检验批质量验收记录一、工程概况1.1 工程名称:土方开挖工程1.2 项目地点:XX市XX区XX街道1.3 建设单位:XX公司1.4 施工单位:XX施工队1.5 监理单位:XX监理公司1.6 质量检验机构:XX检验机构二、工程内容2.1 土方开挖设计参数:设计开挖深度XXX米,设计开挖面积XXX平方米,设计开挖坡度XXX。
2.2 工程材料:挖土机械、劈土机械、土方监测设备等。
2.3 工程进度:工程开挖开始日期XXX,完成日期XXX。
三、质量验收标准3.1 土方开挖深度符合设计要求。
3.2 土方开挖面积符合设计要求。
3.3 土方开挖坡度符合设计要求。
四、质量验收内容及结果4.1 验收内容:对土方开挖工程进行逐批验收,查验开挖深度、开挖面积、开挖坡度等指标是否符合设计要求。
4.2 验收结果:经过逐批验收,土方开挖工程各项指标符合设计要求,通过质量验收。
五、质量问题处理5.1 如发现质量问题,应及时通知施工单位整改并进行复验。
5.2 复验合格后,方可继续施工。
【附件】本文档无附件。
【法律名词及注释】无【文档二:简洁风格】最新土方开挖工程检验批质量验收记录一、工程概况1.1 工程名称:土方开挖工程1.2 项目地点:XX市XX区XX街道1.3 建设单位:XX公司1.4 施工单位:XX施工队1.5 监理单位:XX监理公司1.6 质量检验机构:XX检验机构二、工程内容2.1 土方开挖设计参数:设计开挖深度XXX米,设计开挖面积XXX平方米,设计开挖坡度XXX。
2.2 工程材料:挖土机械、劈土机械、土方监测设备等。
2.3 工程进度:工程开挖开始日期XXX,完成日期XXX。
三、质量验收标准3.1 土方开挖深度符合设计要求。
3.2 土方开挖面积符合设计要求。
3.3 土方开挖坡度符合设计要求。
四、质量验收内容及结果4.1 验收内容:逐批验收土方开挖工程,检查开挖深度、开挖面积、开挖坡度是否符合设计要求。
围墙土方开挖工程检验批质量验收记录施工单位:XXXX建筑工程有限公司时间:2024年1月1日~2024年1月7日一、工程概况本次工程为围墙土方开挖工程,施工范围为项目围墙的基坑开挖及土方填筑。
开挖深度为3米,填方量为XXX立方米。
本次质量验收记录主要对土方开挖工程进行验收。
二、验收内容1.施工机械设备是否齐全并符合操作要求2.开挖面平整度是否满足设计要求3.开挖面的土方坍塌、滑坡、裂缝等情况4.开挖过程中的盲区处理5.污染土壤的处理措施6.安全生产管理措施是否到位三、检验批次本次工程共设置5个检验批次,每个检验批次开挖面积为200平方米。
1.检验第一批次检验时间:2024年1月1日开挖面积:200平方米施工机械设备:挖掘机1台、运土车2辆验收情况:开挖面平整度满足设计要求,未出现土方坍塌、滑坡、裂缝等情况。
盲区设置合理,无死角。
污染土壤已妥善处理。
施工单位采取了必要的安全生产管理措施。
2.检验第二批次检验时间:2024年1月2日开挖面积:200平方米施工机械设备:挖掘机1台、运土车2辆验收情况:开挖面平整度满足设计要求,未出现土方坍塌、滑坡、裂缝等情况。
盲区设置合理,无死角。
污染土壤已妥善处理。
施工单位采取了必要的安全生产管理措施。
3.检验第三批次检验时间:2024年1月4日开挖面积:200平方米施工机械设备:挖掘机1台、运土车2辆验收情况:开挖面平整度满足设计要求,未出现土方坍塌、滑坡、裂缝等情况。
盲区设置合理,无死角。
污染土壤已妥善处理。
施工单位采取了必要的安全生产管理措施。
4.检验第四批次检验时间:2024年1月6日开挖面积:200平方米施工机械设备:挖掘机1台、运土车2辆验收情况:开挖面平整度满足设计要求,未出现土方坍塌、滑坡、裂缝等情况。
盲区设置合理,无死角。
污染土壤已妥善处理。
施工单位采取了必要的安全生产管理措施。
5.检验第五批次检验时间:2024年1月7日开挖面积:200平方米施工机械设备:挖掘机1台、运土车2辆验收情况:开挖面平整度满足设计要求,未出现土方坍塌、滑坡、裂缝等情况。
土方开挖检验批质量验收记录土方开挖是土木工程中的一项重要工作,对于地路面基层的质量验收记录需要详细记录每个过程和结果。
以下是一份1200字以上的土方开挖检验批质量验收记录范例:检验批名称:地路面基层土方开挖工程名称:XXX道路改造工程工程位置:XXX市XXX区XXX路检验日期:20XX年XX月XX日检验人员:XXX一、工程概况:本次土方开挖工程主要为XXX道路改造工程的地路面基层土方开挖工作。
根据设计要求,总开挖面积为XXX平方米,平均开挖深度为XXX米。
二、施工过程及措施:1.施工准备:施工前,承包商按要求完成了土方开挖的施工组织设计,并做好了施工图纸的审核和确认。
同时,进行了相关材料的准备工作,包括工具、设备、劳动力等。
2.基坑标线:根据设计要求,承包商首先在路面上进行了基坑的标线工作,确定了开挖范围和深度。
3.开挖施工:开挖施工采用机械化方式进行,施工过程中,施工人员按照设计要求进行开挖,同时注意保护旁边的管线和设施,确保施工安全。
4.施工控制:施工过程中,承包商严格按照设计要求进行控制,测量开挖深度和坡度,保证开挖面的平整度和坡度符合规范要求。
三、质量验收:1.开挖面坡度:通过测量和比对设计要求,开挖面坡度符合规范要求,最大误差在允许范围内。
2.开挖面平整度:经过检查,开挖面平整度符合规范要求,无凹凸不平的情况。
3.施工安全:开挖过程中,施工人员严格按照施工组织设计要求进行操作,没有发生安全事故和人身伤害。
4.施工质量:开挖面的土方质量良好,无杂质、沉降等质量问题。
四、存在问题及处理意见:在质量验收过程中,发现以下问题:1.开挖现场秩序混乱,施工人员不按规定穿戴安全防护用具:承包商应加强对施工人员的管理,确保施工人员按照规定穿戴安全防护用具。
2.基坑标线不清晰:承包商应对基坑标线进行清理和加强,确保标线的清晰可见。
以上问题应在发现后及时进行整改,并采取相应的措施避免再次发生。
五、负责人意见:本次土方开挖工程经检验批质量验收,各项指标符合规范要求,质量良好,并不存在影响工程安全性和施工进度的问题。
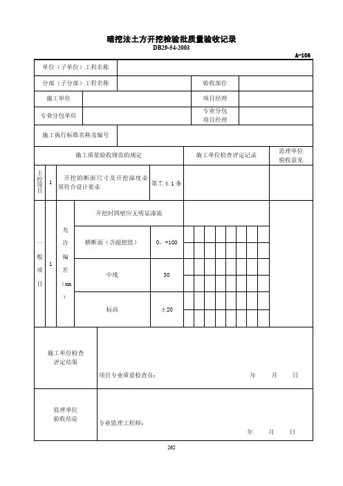
土方(基槽)开挖施工检验批质量验收记录
“检验批主控项目计数检验记录表”(G1-1-1),然后将计数检验结果填写在本表相应的检查结果栏内;检验批一般项目计数检验数据较多、本表空格不够填写的项,可填写“检验批一般项目计数检验记录表”(G1-1-2),将该表作为本表的附页。
土方(基槽)开挖工程质量检验标准(本检验标准条文摘自《建筑地基基础工程施工质量验收规范》GB50202-2002和《给水排水工程施工及验收规范》GB50268-2008)
1 土方开挖工程的质量检验标准应符合下表的规定。
土方开挖工程质量检验标准(mm)
2 土方开挖工程质量的抽检频率应符合下表的规定。
3 土方开挖工程的外观质量应符合下列规定:
1)原状地基土不得有扰动、受水浸泡或受冻。
表5.3.1 编号:
表5.3.2 编号
石方爆破开挖工程检验批质量验收记录表5.3.3 编号:
重复使用钢板桩支护工程检验批质量验收记录
表5.3.4 编号:
混凝土板桩支护工程检验批质量验收记录表5.3.5 编号:
水泥土桩墙支护工程检验批质量验收记录表5.3.6 编号:
锚杆及土钉墙支护工程检验批质量验收记录表5.3.7 编号:
钢及混凝土支撑系统检验批质量验收记录
表5.3.8 编号
地下连续墙工程检验批质量验收记录表5.3.9 编号
沉井(箱)工程检验批质量验收记录表5.3.10 编号:
降水与排水工程检验批质量验收记录表5.3.11 编号:。