山东科技大学采矿学研究生试题
- 格式:doc
- 大小:38.00 KB
- 文档页数:2
矿大考研采矿试题及答案一、单项选择题(每题2分,共10分)1. 以下哪个选项是采矿工程中常用的爆破方法?A. 静态爆破B. 动态爆破C. 机械爆破D. 化学爆破答案:B2. 矿井通风的主要目的是?A. 提供照明B. 降低温度C. 排除有害气体D. 增加湿度答案:C3. 以下哪种设备是用于提升矿石的?A. 挖掘机B. 钻机C. 提升机D. 破碎机答案:C4. 矿井支护的主要作用是什么?A. 提高矿石产量B. 降低矿石成本C. 保证矿井安全D. 提高矿井美观答案:C5. 采矿工程中,以下哪个参数是衡量矿石品位的?A. 矿石密度B. 矿石硬度C. 矿石品位D. 矿石体积答案:C二、多项选择题(每题3分,共15分)1. 以下哪些因素会影响矿井通风效果?A. 矿井深度B. 矿井形状C. 矿井温度D. 矿井湿度答案:A, B, C, D2. 在采矿过程中,以下哪些措施可以提高矿石回收率?A. 优化爆破设计B. 增加矿石运输次数C. 使用高效破碎设备D. 改进选矿工艺答案:A, D3. 矿井安全检查中,以下哪些设备是必须检查的?A. 通风设备B. 提升设备C. 照明设备D. 通讯设备答案:A, B, D4. 以下哪些因素是影响矿石破碎效果的?A. 破碎机类型B. 矿石硬度C. 破碎机转速D. 矿石湿度答案:A, B, C5. 在采矿工程中,以下哪些措施可以减少环境污染?A. 采用湿式除尘B. 增加植被覆盖C. 减少爆破次数D. 采用封闭式运输答案:A, B, D三、简答题(每题5分,共20分)1. 简述矿井通风系统的主要组成部分。
答案:矿井通风系统主要由进风井、回风井、通风机、通风管道和通风设施等组成。
2. 描述采矿工程中爆破作业的基本流程。
答案:采矿工程中爆破作业的基本流程包括钻孔、装药、连线、起爆、爆破效果检查和清理。
3. 阐述矿井支护的目的和主要方法。
答案:矿井支护的目的是保证矿井的稳定性和安全性,主要方法包括使用锚杆、锚索、喷射混凝土、钢架支撑等。
山东科技大学09级采矿工程1、煤田:同一地质时期形成并大致连续发育的含煤岩系分布区称为煤田。
2、矿区:统一规划和开发的煤田或其一部分。
3、井田:在矿区内,划归给一个矿井开采的那一部分煤田。
4、井田范围:井田沿煤层走向的长度和倾向的水平投影宽度。
5、走向长度,小型矿井不小于1500m,中型矿井不小于4000m,大型矿井不小于7000m6、矿井生产能力:一般是指矿井的设计生产能力,以万t/a或Mt/a表示。
7、核定生产能力:对矿井各生产系统的能力重新核定,核定后的综合生产能力。
8、大型矿井:120、150 、180 、240 、300、400、500及500以上(其中300万t/a及其以上又称特大型矿井)中型矿井:45、60、90 。
小型矿井:9、15、21、30。
9、露天开采:从敞露的地表直接采出有用矿物的方法。
决定条件:剥采比。
10、当煤层厚度达到一定值,直接出露于地表,或其覆盖层较薄,开采煤层于覆盖层采剥量之比在经济上有利时,就可以考虑采用露天开采。
11、最大经济合理剥采比,就是按该剥采比开采的煤炭成本不大于用地下开采的煤炭成本。
最大经济合理剥采比一般对褐煤为6m3/t左右,对烟煤为8m3/t左右。
12、直立巷道:巷道的长轴线与水平面垂直13、水平巷道:巷道的长轴线与水平面近似平行14、倾斜巷道:巷道的长轴线与水平面有一定夹角的巷道,上下山、斜巷等。
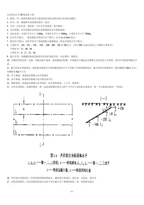
15、在井田范围内,沿煤层倾向,按一定标高把煤层划分为若干个平行于走向的长条部分,每一个长条部分成为一个阶段。
16、井田划分为阶段后,阶段内的范围仍然较大,通常进行再划分:采区式、分段式、带区式17、在阶段范围内,沿走向把阶段划分为若干具有独立生产系统的块段,每一块段称为采区19、阶段范围内不划分采区,沿倾向将煤层划分为若干平行于走向的长条带,每个长条带称为分段23、回采巷道:形成采煤工作面及为其服务的巷道。
24、采煤工作包括破煤、装煤、运煤、工作面支护、采空区处理等基本工序和辅助工序25、倾斜分层——将煤层划分为若干个与煤层层面相平行的分层;工作面沿走向或倾向推进。
一、简答题(34分)1、煤田划分为井田时应遵循什么原则?答:⎪⎪⎩⎪⎪⎨⎧或勘探线划分。
划分,沿走向以倾斜线沿倾向采用垂直或水平证开采工作的便利。
、人为划分井田时应保国营矿井间等小、新旧、深浅、地方、处理好邻里关系:大带、褶曲、河流等;分井田,如断层、无煤、充分利用自然条件划采技术条件;、保证井田有合理的开4321 2、柱式开采体系与壁式开采体系相比其主要特点是什么?3、矿井生产能力、服务年限和矿井储量之间关系如何?答:KA Z T K⋅= 式中 Zk —井田可采储量,C P Z Z G K⋅-=)( C —采区回采率⎪⎩⎪⎨⎧≥≥≥%85%80%75薄煤层中厚煤层厚煤层A —矿井生产能力;K —储量备用系数,取1.2~1.4。
4、巷道掘进时,炮眼布置种类及其作用如何?答:炮眼种类和作用为:炮眼⎪⎩⎪⎨⎧⎩⎨⎧槽崩落岩石,扩大所掏的—辅助眼和规格使巷道获得一定的形状—周边眼崩落眼增加自由面—掏槽眼5、采场、采煤工作面和区段有何区别?答:采场:用来大量采取煤炭的场所;采煤工作面:在采场内进行回采的煤壁;区段:在采区范围内,沿煤层倾斜方向划分的若干个可以布置一个采煤工作面的走向长条. 6、掘进工作面有哪五道主要工序? 答:五大工序:破、通、装、运、支 7、矿井通风的主要任务和目的是什么?答:⎪⎩⎪⎨⎧运转;以利于工人劳动和机器稳定。
湿度、风速候条件、保证井下有适意的气以下,并排出体外;尘浓度稀释到安全浓度、将井下有害气体及矿新鲜空气;、供给井下工人足够的)(3218、根据进出风井的相对位置关系,矿井通风方式有哪几种?答:按进出风井的布置方式分⎪⎪⎪⎩⎪⎪⎪⎨⎧⎩⎨⎧⎩⎨⎧混合式分区对角式两翼对角式对角式分列式并列式中央式二、论述题 (60分)1、论述煤的形成过程及形成有开采价值的煤层所必须具备的条件。
答:(1)煤的形成——由古代植物遗体演变而形成的。
其形成过程可概述如下:植物−−−−−−−−−−→−密温暖潮湿环境下生长茂死亡−−−−−−→−在湖泊沼泽底部堆积−−−−−−−−−−→−下在隔绝空气及生化作用腐烂分解⎪⎩⎪⎨⎧⇒泥炭层固体保留下来液体流失气体跑掉压实致密变成时间、压力、温度−−−−−−−→−⇒褐煤−−−−−−−→−时间、高压、高温进一步变质⇒烟煤⇒无烟煤(2)、形成有开采价值的煤层所必须具备的条件: ①大量生长的植物;②温暖潮湿的气候条件;③适于植物大面积繁殖和遗体堆积的地理环境,大面积沼泽化的自然地理条件; ④地壳运动。
重力选矿习题一、名词解释重力选矿分离粒度面积当量直径分级效率容积浓度冲程系数干涉沉降分配率等降现象自由沉降分级松散度介质阻力压差阻力摩擦阻力球形系数体积当量直径等降现象等降比容积浓度松散度析离分层跳汰周期水跃现象床层粒度分配曲线沉淀度层流边层机械冲程二、填空题1、重选的所用的介质有:、、或。
2、矿粒在介质中所受的力主要有三种,一是___________、二是___________、三是_____________。
3、矿粒粒度的表示及测量方法有:___________、______________、_____________、______________。
4、已知离心加速度a=428m/s2,重力加速度g=9.8m/s2,离心力强度i=____________。
5、介质阻力的通式可以写成_____________,其中ψ也称_____________,它是____________的函数,由此可知,介质阻力与_______________成正比,并与_______________有关。
6、选矿用的隔膜跳汰机因隔膜安装位置的不同,可分为:_______________、______________、________________。
7、摇床选矿的工艺影响因素有________________、____________、________________、_________________________。
8、物料在跳汰过程中之所以能分层,起主要作用的内因,是_____________,但能让分层得以实现的客观条件,则是_______________。
9、弱紊流流膜结构分为三层,各层名称分别为:____________、___________、_____________.10、测定金属矿石密度组成常用的重液主要有____ __、_ _ ___、__ ___、____ __。
11、矿砂溜槽主要用于处理_____________粒级的矿石。
山东科技大学2007年招收硕士学位研究生入学考试煤矿开采学试卷一、简答题(共7小题,每小题8分,共56分)1、选择采煤方法的影响因素有哪些?(1)地质因素;(2)技术发展及装备水平的影响;(3)管理水平因素。
2、选择开拓延深方案的原则和要求是什么?(1)保持或扩大矿井生产力;(2)充分利用现有井巷、施及设备,减少临时辅助工程量,降低投资;(3)积极采用新工艺、新技术和新设备。
在新水平开拓时选择更为合适的采煤方法、先进的采煤技术和设备,改革矿井井田开拓和采区准备方式;(4)加强生产管理、延深的组织管理与技管理,施工与生产紧密配合、协调一致,尽量减少延深对生产的影响;(5)尽可能缩短新、旧水平的同时生产时间。
3、斜井开拓方式的井筒布置有几种?其适用条件如何?斜井井筒可沿岩层、煤层或穿层布置;在一般情况下,斜井井筒应布置在煤层下部稳定的底板岩层中,局每层的法线距离一般不小于15~20m,井筒方向与煤层倾向基本一致。
当开采煤层不厚、地质构造简单、围岩稳固、服务年限不长的小型矿井考虑采用沿煤层斜井。
当煤层倾角与要求的井筒倾角不一致时,可以使用穿层(岩)斜井开采近水平煤层时,斜井从顶板穿入。
如果煤层倾角较大,可以采用底板穿岩斜井。
4、简述为什么确定矿井服务年限时要考虑储量备用系数?(1)矿井各生产环节有一定储备能力,矿井投产后迅速突破设计能力,提高了年产量;(2)矿晶精查地质报告一般只能查找出落差大于25米的断层,矿井投产后,发现了不少小断层,增加了断层煤柱损失;(3)有的矿井煤层经井巷揭露,实际的煤层露头风化带或小煤窑开采深度较设计资料为深,开采水平的上山部分可采斜长缩短,可采储量减少;(4)投产初期缺乏开采经验,采出率达不到规定的数值,增加了煤损失。
由于上述原因,矿井的实际产量增大,矿井和水平的可采储量减少,矿井第一水平的服务年限大大缩短,投产不久就要进行延伸,对于矿井生产不利也不经济。
因此,做出了应考虑储量备用系数的决定。
11一、简答题(共7小题,每小题8分,共56分)1、选择采煤方法的影响因素有哪些?2、选择开拓延深方案的原则和要求是什么?3、斜井开拓方式的井筒布置有几种?其适用条件如何?4、简述为什么确定矿井服务年限时要考虑储量备用系数?5、采区上山布置有哪些类型?采区参数主要包括哪些内容?6、矿井技术改造的目的是什么?技术改造的内容包括那几个方面?7、简述仰斜和俯斜开采的特点。
二、论述题(共4小题,共54分)1、论述倾斜长壁采煤方法的优缺点及适用条件。
(10分)2、论述矿井几种风井布置方式的特点和适用条件。
(15分)3、论述如何合理确定开采水平垂高?(15分)4、试述综采放顶煤技术的适用条件。
(14分)三、绘图说明题(共4小题,每小题10分,共40分)1、绘图(剖面图)并说明开采水平大巷布置方式有哪几种?2、画出立井环行井底车场(大巷采用固定式矿车运输、主井采用箕斗提升)线路布置图,标注并说明图中线路名称,并在图上用符号标明调车方式。
注:重车运行:空车运行:3、绘图并说明长壁采场厂----- A 通风的几种方式及其特点?4、绘图并说明地表超充分采动盆地的形成过程。
13一、简答题(共70分)1、煤矿、煤田、井田的含义及关系如何?(6分)2、何谓开采水平?开采水平与水平有何区别?(6分)3、何为沿空留巷”其理论依据是什么?(6分)4、综采面液压支架移架方式一般有哪三种?(6分)5、说明道岔符号DX615-4-1213中各符号的含义?(6 分)6、煤田划分为井田时应遵循什么原则?(8分)7、柱式开采体系与壁式开采体系相比有何特点?(8分) &矿井生产能力、服务年限和矿井储量之间关系如何?在计算矿井服务年限时为何要考虑一定的储量备用系数?(8 分)9、目前综采放顶煤采煤法主要存在哪些问题?(8 分)10、何谓采区下部车场?根据装车地点的不同采区下部车场分为哪三种类型?(8 分)二、论述题(80 分)1、分析上、下山开采的优劣及其适用条件?(15 分)2、斜井开拓与立井开拓相比,有何优缺点?及适用条件如何?(15 分)3、设计矿井开采方案时常用哪种方法?其内容及步骤如何?(15 分)4、试分析煤层群联合准备的优劣及发展趋势。
⼭东科技⼤学选矿学(1)复习题1. 基本概念筛分:将颗粒⼤⼩不同的混合物料,通过单层或多层筛⼦分成若⼲个不同粒度级别的过程。
难筛粒:粒度⼤于3/4,⽽且接近于筛孔直径的颗粒。
易筛粒:粒度⼩于3/4倍筛孔尺⼨的颗粒。
阻碍粒:粒度为1~1.5倍筛孔尺⼨的颗粒。
粒度:描述单⼀颗粒⼤⼩的尺⼨称为颗粒粒度。
粒级:⽤某种⽅法将粒度范围宽的物料群分成若⼲个粒度范围窄的级别,这些级别均称为粒级。
筛分效率:是指实际得到的筛下产物重量与⼊筛物料中所含粒度⼩于筛孔尺⼨的物料的重量之⽐。
部分筛分效率:筛下物中⼩于规定粒度物料的筛分效率或筛下物中⼤于规定粒度物料的筛分效率。
总筛分效率:筛下物中⼩于规定粒度物料的筛分效率减去筛下物中⼤于规定粒度物料的筛分效率。
限下率:筛上物中⼩于要求粒度的物料占筛上物重量的百分数。
限上率:筛下物中⼤于要求粒度的物料占筛下物重量的百分数。
2. 何谓级别筛分效率及总筛分效率,如何计算?部分筛分效率:筛下物中⼩于规定粒度物料的筛分效率或筛下物中⼤于规定粒度物料的筛分效率。
1C h 100%Q =?βα(Q 为给料量,β为筛下物中⼩于规定粒度颗粒占筛下物的百分含量,C 为筛下物产量,α为给料中⼩于规定粒度颗粒百分含量)总筛分效率:筛下物中⼩于规定粒度物料的筛分效率减去筛下物中⼤于规定粒度物料的筛分效率。
C C h 100%Q Q =-?β(100-β)[]α(100-α)3. 粒度分析⽅法有哪些?各适⽤于什么范围?(1)筛分分析法,适⽤于0.04~100mm 的颗粒(2)⽔⼒沉降分析法,适⽤于1~75µm 的颗粒(3)显微镜分析法,适⽤于0.1~50µm 的颗粒4. 何谓粒度特性?常⽤的粒度特性⽅程式是哪两个,如何表达?粒度组成就是描述颗粒的粒度组成,平均粒度,标准差及偏差系数⾼登-安德列耶夫-舒曼公式 K maxX Y 100X =?() Y 为负累积产率,X 为与产率Y 对应的物料粒度,max X 为最⼤物料粒度,K 为常数,介于0.7~1.0之间罗逊-拉姆勒粒度特性⽅程式n bX R 100e -=? R 为正累积产率,X 为与产率R 对应的物料粒度,b ,n 对⼀定物料都是常数5. 粒度特性⽅程式有何⽤途?粒度特性⽅程式在早些时候的科研活动中,被⽤于计算散碎物料的颗粒表⾯积,颗粒数⽬及平均粒度等。
采矿学试题及答案# 采矿学试题及答案一、选择题(每题2分,共20分)1. 采矿学是研究什么的学科?A. 矿产资源的勘探与评估B. 矿产资源的开采与利用C. 矿产资源的保护与环境治理D. 矿产资源的运输与销售答案:B2. 以下哪个不是露天采矿的特点?A. 开采成本较低B. 矿体暴露在地表C. 矿石品位较高D. 环境影响相对较小答案:C3. 地下采矿中,以下哪种方法不适用于坚硬岩石?A. 钻爆法B. 切割法C. 充填法D. 空场法答案:B4. 以下哪种岩石不属于非金属矿石?A. 石灰石B. 石英石C. 铁矿石D. 花岗石答案:C5. 以下哪种设备不是用于矿石破碎的?A. 颚式破碎机B. 圆锥破碎机C. 球磨机D. 浮选机答案:D二、填空题(每空2分,共20分)6. 采矿学中的“三废”指的是废石、废渣和______。
答案:废水7. 采矿过程中,为了保障矿工安全,必须遵守的“三大规程”包括安全规程、操作规程和______。
答案:管理规程8. 在地下采矿中,常用的支护方式有锚杆支护、______和混凝土支护等。
答案:喷射混凝土支护9. 矿井通风的主要目的是提供足够的______和排出有害气体。
答案:新鲜空气10. 采矿学中的“四不伤害”原则是指不伤害自己、不伤害他人、不被他人伤害和保护他人不受伤害。
三、简答题(每题10分,共30分)11. 简述采矿学的主要研究内容。
答案:采矿学主要研究矿产资源的开采技术、方法和设备,包括矿产资源的勘探、评估、开采、选矿、冶炼以及矿山的安全、环境保护和资源的综合利用等。
12. 描述露天采矿和地下采矿的主要区别。
答案:露天采矿是在地表直接进行的开采方式,适用于矿体埋藏较浅的情况。
它具有开采成本低、生产效率高的特点,但对环境影响较大。
地下采矿则是在地表以下进行的开采方式,适用于矿体埋藏较深的情况。
它对环境的影响相对较小,但开采成本高,安全风险大。
13. 解释什么是“安全规程”以及它在采矿中的重要性。
一、简答题(每题10分,共50分)1、扩散器的作用与要求是什么?2、煤与瓦斯突出的机理是什么?突出有哪些一般规律?3、请简要概述透水时应采取的措施。
4、矿山应急救援体系包含哪几方面?5、防止煤炭自燃的开采技术措施有哪些?二、计算题(第1-4题,每题15分;第5、6题,每题20分;共100分)1、采用逐点测量法测定倾斜巷道1、2间的阻力(如图1)。
其中ⅰ号精密气压计沿测点1、2顺次测量,ⅱ号精密气压计在基点观测大气压变化,测定数据如表1所示。
(1)求该巷道的通风阻力,并判断风流的方向;(2)求该巷道的风阻。
表1实测数据测点测定时间气压计ⅰ读数Pa气压计ⅱ读数Pa巷道断面m2风速m/s空气密度kg/m3标高m1t110456010245015 2.66 1.28-600 2t210241010248010 1.20-400图12、两台通风机集中并联工作的矿井通风系统(如图2),已知矿井总风阻为R、总风量为Q,两台通风机特性曲线相同F1=F2。
试用图解法求通风机的实际工况点,并简述作图方法。
图23、如图3所示,1、2两点分别安装风机F1和F2,进风井A 和B 的入风量拟定为Q A =403/m s ,Q B =303/m s ,已知R A =0.9817/kg m ,R B =R D =1.4717/kg m ,R C =2.9437/kg m ,R E =0.2497/kg m ,求各主要通风机工况点及风路C 中风量及流向。
图34、如图4所示的等直径水平风筒,风机作压入式通风,风筒断面积为0.5m 2,风量为240m 3/min ,压差计读数为h =900Pa ,风流的密度 1.2kg/m 3,风筒外的大气压为101320Pa ,设风筒断面风速均匀,求:(1)风筒的通风阻力12r h 和风筒内1点的绝对静压;(2)若改为抽出式通风,假定皮托管压差计布置、差压计读数的绝对值及其它各参数不变,求这时的通风阻力21r h 和风筒内1点的绝对静压。
山东科技大学 2013 年招收硕士学位研究生入学考试矿井通风与安全试卷一、计算题(15 分)如图所示倾斜巷道,已知断面1-1的参数:静压P1=104560Pa,风速V1=2.6m/s,风流密度ρ1=1.28kg/m3,断面积S1=15m2 ;断面2-2的参数:静压P2=102410Pa,风流密度ρ2=1.12kg/m3,断面积S2=10m2。
两断面间的高差h=200m。
1、求该巷道的通风阻力,判断风流的方向。
2、求该巷道的风阻。
二、计算题(20分)如图,已知风硐内2点断面积为8.6m2,风流相对静压的绝对值为2200 Pa,风流的速度为12m/s,风流的密度为1.18kg/m3。
此外,已知,Z0=150m,Z1=300m,矿井外的大气密度为1.24kg/m3,进风井风流的平均密度为1.26kg/m3,回风流的平均密度为1.20kg/m3。
求:1、矿井的自然风压及矿井通风阻力。
2、矿井的总风阻和等积孔。
3、若扩散器的出口动压为50Pa,求通风机的全压和静压。
(不计扩散器的阻力)三、计算题(20分)如图所示通风网路,已知各风路的风阻值为:R 1=0.12,R 2=0.22,R 3=0.18,R 4=0.22,R 5=0.30,R 6=0.36kg/m 7,网路的总风量为Q=40m 3/s 。
求:1、自然分风时各风路的风量,以及网路的总阻力、总风阻。
2、若风路2的需风量为28 m 3/s ,风路3的需风量为12 m 3/s ,采用增阻调节法,试确定风窗的位置,计算风窗的风阻值以及调节后网路的总阻力、总风阻。
四、证明题(20分)通过改变角联分支两侧的边缘分支的风阻可以达到改变角联分支风向的目的。
对下图所示的简单角联风网,试推导角联分支风流方向判别式:⎪⎩⎪⎨⎧→<=→>=。
中风向由,分支中风流停滞;,分支;中风向由,分支32515123513241R R R R K五、论述题(15分)何谓局部通风的压入式通风和抽出式通风?并对压入式和抽出式局部通风进行对比分析。
----------专业最好文档,专业为你服务,急你所急,供你所需------------- 1、壁式体系采煤法与柱式体系采煤法的主要特点? (1)壁式体系采煤法的特点:① 通常具有较长的采煤工作面长度,一般是80~240m (或更长),我国一般120~180m 。
② 在采煤工作面两端至少各有一条巷道,用于通风和运输。
③ 随采煤工作面推进,应有计划地处理采空区。
④ 一般顶板暴露面积大,矿山压力显现较为强烈。
⑤ 工作面运煤的刮板输送机与工作面平行,采下的煤沿平行于采煤工作面的方向运出采场。
(2)柱式体系采煤法的特点:⑥ 一般工作面长度不大但数目较多,采房和回收煤柱设备合一。
⑦ 矿山压力显现较弱,在生产过程中支架和处理采空区工作比较简单,有时还可以不处理采空区。
⑧ 采场内煤的运输方向是垂直于工作面的,采煤诶套设备均能自行行走,灵活性强。
⑨ 工作面通风条件较壁式采煤法差,采出率也较低。
2、采场的支护图3-7(P30)3、综采面的移架方式有哪几种?(P46)(a ) (b ) (c ) (d ) (e )液压支架的移架方式(a )单架依次顺序式 (b )(c )分组间隔交错式 (d )(e )成组整体依次顺序式 我国采用较多的移架方式有三种:1、单架依次顺序式,又称单架连续式,如图a ,支架沿采煤机牵引方向依次前移,移动步距等于截深,支架移成一条直线,该方式操作简单,容易保证规格质量,能适应不稳定顶板,应用较多;2、分组间隔交错式,见图b 和c ,该方式移架速度快,适用于顶板较稳定的高产综采面;3、成组整体依次顺序式,见图d 和e,该----------专业最好文档,专业为你服务,急你所急,供你所需------------- 方式按顺序每次移一组,每组二三架,一般由大流量电液阀成组控制,适用煤层地质条件好、采煤机快速牵引割煤的日产万吨综采面。
4、工作面生产能力的计算?(P73)5、画图4-1及说明?(P80)102146781123987493412141067891251113A'9'9''8'7114,5'单一煤层采区巷道布置6、沿空留巷和沿空掘巷的含义及理论依据?(P88)采用区段无煤柱护巷,使区段平巷沿采空区布置,可避开或削落固定支撑压力的影响,能改善巷道维护状态,减少煤炭损失,技术经济效益显著。
采矿学试题及答案大全一、单项选择题(每题2分,共20分)1. 采矿学是一门研究什么的学科?A. 地质勘探B. 矿物加工C. 矿物开采D. 矿山安全答案:C2. 以下哪项不是露天开采的特点?A. 采掘空间大B. 矿石损失率低C. 劳动生产率高D. 需要大量使用爆破答案:D3. 地下开采相比于露天开采,其主要优势是什么?A. 投资成本较低B. 适合大规模开采C. 对环境影响较小D. 适用于浅层矿床答案:C4. 以下哪种岩石不属于采矿过程中常见的围岩?A. 花岗岩B. 石灰岩C. 页岩D. 砂岩答案:D5. 采矿过程中,以下哪种方法不适用于深部矿床开采?A. 斜坡道开采B. 竖井开采C. 空场法D. 长壁法答案:A6. 以下哪项不是采矿过程中常见的安全问题?A. 瓦斯爆炸B. 岩爆C. 地下水涌出D. 噪音污染答案:D7. 以下哪种设备不用于地下矿山的开采?A. 钻机B. 装载机C. 破碎机D. 挖掘机答案:C8. 采矿学中的“三下”原则是指什么?A. 下采、下放、下运B. 下采、下沉、下移C. 下采、下掘、下运D. 下采、下掘、下沉答案:A9. 以下哪种方法不是提高矿石回采率的措施?A. 优化开采顺序B. 增加爆破次数C. 采用高效采矿方法D. 加强矿石损失管理答案:B10. 采矿学中,以下哪种岩石不属于硬岩?A. 花岗岩B. 石灰岩C. 玄武岩D. 安山岩答案:B二、多项选择题(每题3分,共15分)11. 采矿学中,以下哪些因素会影响矿石的开采成本?A. 矿石的品位B. 矿体的埋藏深度C. 矿石的硬度D. 矿区的交通状况答案:A, B, C, D12. 在地下矿山开采中,以下哪些措施可以提高作业安全性?A. 加强通风B. 定期检查设备C. 使用自动化设备D. 增加照明设施答案:A, B, C, D13. 以下哪些属于采矿过程中的环境保护措施?A. 减少废石的堆放B. 采用低噪音设备C. 回收利用废水D. 植被恢复答案:A, B, C, D14. 以下哪些因素会影响露天矿的开采效率?A. 矿体的规模B. 矿石的品位C. 气候条件D. 运输距离答案:A, B, C, D15. 在采矿学中,以下哪些属于矿山设计的重要内容?A. 开采方法的选择B. 矿山的布局规划C. 安全设施的设计D. 环境保护措施答案:A, B, C, D三、判断题(每题1分,共10分)16. 采矿学中的“采准”工作是指为采矿作业创造必要的空间条件。
采矿考研题库一、单选题1. 采矿工程中,矿体的哪一部分通常被认为是最有价值的?A. 矿体的上部B. 矿体的下部C. 矿体的中心D. 矿体的边缘2. 以下哪个不是地下矿山的开采方法?A. 地下深孔爆破B. 露天开采C. 地下充填法D. 地下房柱法二、多选题1. 以下哪些因素会影响矿石的开采成本?A. 矿石的品位B. 矿体的埋藏深度C. 矿石的硬度D. 矿区的地理位置2. 采矿过程中,哪些措施可以减少对环境的影响?A. 合理规划矿区布局B. 采用先进的采矿技术C. 增加矿石的开采量D. 实施矿区生态修复三、判断题1. 采矿工程中的“三下”原则是指下山、下坡、下采。
()2. 地下矿山的安全生产比露天矿山更为重要。
()四、简答题1. 简述露天开采和地下开采的主要区别。
2. 描述采矿过程中常见的几种矿石破碎方式。
五、计算题1. 假设一个矿体的体积为10000立方米,矿石的平均密度为2.7吨/立方米,请计算该矿体的总重量。
2. 如果一个矿区的年开采量为500万吨,而该矿区的矿石平均品位为0.5%,请计算该矿区的年矿石处理量。
六、案例分析题某地下矿山采用房柱法进行开采,矿体的埋藏深度为300米,矿体的平均厚度为5米,矿石的品位为3%。
请分析该矿山的开采方案,并提出可能的优化建议。
结束语通过上述题库的练习,学生可以加深对采矿工程理论知识的理解,并提高解决实际问题的能力。
希望每位考生都能在考研的道路上取得优异的成绩。
请注意,以上内容仅为示例,实际的题库应包含更广泛的题目类型和覆盖更全面的知识点。
山东科技大学2009-2010年第一学期(煤矿开采学)试题(A卷)及答案班级姓名学号一、概念题(每题2分,共20分)1、采煤循环答:采煤工作面完成落煤、装煤、运煤、支护和处理采空区的周而复始的过程。
2、机轨合一答:区段集中平巷的一种布置方式,这种布置方式将胶带输送机和轨道集中平巷布置在一条断面较大的巷道内。
3、采煤方法答:采区巷道布置与采煤工艺的总称4、正悬臂答:金属铰接顶梁与单体液压支柱相配合的一种支护方式,其前悬臂长度大于后悬臂长度。
5、采煤工艺答:采煤工作面内按照一定的顺序完成各项工序的方法及其配合叫采煤工艺6、综合机械化采煤答:采煤工作面内,破、装、运、支、采空区处理五大工序全部实现了机械化的采煤工艺7、沿空掘巷答:沿着上区段采空区边缘,掘进下去段采煤工作面回风巷的区段平巷布置方法,叫沿空掘巷。
8、采煤工作面中的有序循环作业答:是指采煤工作面在规定时间内保质、保量、安全地完成采,装、运、支、处这样一个采煤全过程,对于普采面以放顶为标志,综采工作面是以移架为标志。
9、人工假顶答:厚煤层分层开采时,为了使下分层具有较好的顶板条件,在开采上分层时,为下分层铺设的假顶10、及时支护答:采煤机割煤之后,立即前移支架支护顶板,然后推移输送机的支护方式。
二、看图识别巷道(每小题1分,共15分)根据图1所示的采矿工程平面图和剖面图,回答要问的数字代表的巷道名称是什么?将每数字四个备选答案中正确答案前的字母标号填入表中。
5、A、m1煤层采煤工作面;B、m2上分层回风平巷;C、无极绳绞车房;D、区段岩石轨道集中平巷。
6、A、回风运料斜巷;B、区段岩石运输集中平巷;C、车场绕道;D、m1煤层回风平巷。
7、A、m2上分层回风平巷;B、m1煤层回风平巷;C、区段岩石轨道集中平巷;D、区段煤仓。
9、A、区段煤仓;B、车场绕道;C、m2煤层上分层运输平巷;D、进风斜巷。
10、A、回风运料斜巷;B、区段进风斜巷;C、溜煤眼;D、材料道。
一、简答题(40分)
1、在划分井田境界时一般采用那几种方法?(6分)
2、何为“沿空掘巷”?其理论依据是什么?(6分)
3、综采面液压支架移架方式一般有哪三种?(3分)
4、在计算矿井服务年限时为何要考虑一定的储量备用系数?(5分)
5、柱式开采体系与壁式开采体系相比其主要特点是什么?(6分)
6、目前综采放顶煤采煤法主要存在哪些问题?(6分)
7、区段运输平巷与岩石采区上下山之间联系方式有哪几种?(3分)
8、何谓采区下部车场?根据装车地点的不同采区下部车场
分为哪三种类型?(5分)
二、论述题(65分)
1、分析下山开采应用条件?(10分)
2、斜井开拓与立井开拓相比,有何优缺点?及适用条件如何?(10分)
3、倾斜长壁采煤法与走向长壁采煤法相比有何特点?
其适用条件是什么?(10分)
4、阐述方案比较法的内容及步骤。
(15分)
5、浅谈我国煤矿巷道布置改革的发展趋势。
(20分)
三、计算题(25分)
1、某综合机械化采煤工作面开采煤层厚3m,工作面斜长200m,年推进度1200m,煤的容重1.35t/m3,试计算该工作面年产量。
(10分)
2、某上山采区采用煤层上山,共分五个区段, 每个区段斜长L公里, 每区段运出煤量a吨, 上山运输单价为C元/(t·km),求采完本采区时上
山的总运费Y为多少元? (10分) 3、某矿2011年开拓巷道掘进总进尺8000m,矿井年产量350万t,工程出煤50万t,试计算该矿井开拓掘进率。
(5分)
四、作图题(20分)
1、绘图说明普采工作面“见四回一”顶板管理方式的最大控顶距和最小控顶距剖面图。
(10分)
2、绘图说明开采水平大巷的布置方式有几种?(10分)。