空调分集水器尺寸表
- 格式:doc
- 大小:185.58 KB
- 文档页数:6
分集水器的选型计算1、管径的计算左侧空调机组立管的冷负荷Q L=269.26kWG L=860×Q L1000∆t =860×269.261000×5=46.31m3/h(7-4)其管道直径为D=√4GπV =√4×46.31/3600π×2=0.09m,取标准管径DN150(7-5)中部风机盘管立管的冷负荷Q L=283.66kWG L=860×Q L1000∆t=860×283.661000×5=48.79m3/h其管道直径为D=√4GπV=√4×48.79/3600π×2=0.09m,取标准管径DN150由水力计算知,总干管的管径为DN2002、分水器长度的计算工程实践中常取比最大管径大2-3号管径,故取D=300mm又经计算,d1=200mm,d2=150mm,d3=150mm,d4=125mm,d5=80mm,d0=80mm;其中d1是进水管径,d2、d3是出水管径,d4是备用管径,d5是旁通管径,d0是排水管径。
图7-1 分水器配管图分水器长度:L1=40+120+75=235mmL2=75+120+75=270mmL3=75+120+62.5=257.5mmL4=62.5+60=122.5mmL5=40+60=100mmL=L1+L2+L3+L4+L5=985mm7.4.2 集水器的设计集水器筒体直径与分水器相同,取D300图7-2 集水器配管图d1=200mm,d2=150mm,d3=150mm,d4=125mm,d5=80mm,d0=80mm,dp=25mm;其中dp是膨胀管径,d1是出水管径,d2、d3是回水管径,d4是备用管径,d5是旁通管径,d0是排水管径。
集水器长度为L=L0+L1+L2+L3+L4+L5=60+25+120+150+120+150+120+125+120+80+60=1130mm。
备案号:GB《 冷热水用分集水器》Radiant & Distribution Manifold of Cold/Hot water(征求意见稿)前言本标准附录A、附录B为规范性附录,附录C、附录D为资料性附录本标准由中华人民共和国住房和城乡建设部提出本标准由全国暖通空调及净化设备标准化技术委员会归口本标准负责起草单位:浙江盛世博扬阀门工业有限公司(原:台州三盛阀门工业有限公司)、国家建筑材料工业建筑五金水暖产品质量监督检测测试中心本标准参加起草单位:本标准主要起草人员:本标准为首次制订。
冷热水用分集水器1 范围本标准规定了采暖空调用冷、热水分集水器装置简称分集水器装置)产品术语和定义、分类、要求、试验方法、检验规则、标志、包装、运输和储存。
本标准适用于住宅与公共建筑,工作压力不大于0.8Mpa空调系统、低温热水地面辐射采暖系统、散热器采暖系统中所使用的分集水器装置。
2规范性引用文件下列文件中的条款通过本标准的引用而成为本标准的条款。
凡是注日期的引用文件,其随后所有的修改单(不包括勘误的内容)或修订版均不适用于本标准,然而,鼓励根据本标准达成协议的各方研究是否可使用这些文件的最新版本。
凡是不注日期的引用文件,其最新版本适用于本标准。
GB 11379-2008 金属覆盖层工程用铬电镀层GB/T 1220-2007 不锈钢棒GB/T 2828.1- 2003计数抽样检验程序第1部分: 按接收质量限(AQL)检索的逐批检验抽样计划GB/T 5231-2001 加工铜及铜合金化学成分和产品形状GB/T 10125-1997 人造气氛腐蚀试验盐雾试验GB/T 6461-2002 金属基体上金属和其他无机覆盖层经腐蚀试验后的试样和试件的评级GB/T 7306.1-2000 55°密封管螺纹GB/T 7307-2001 55°非螺纹密封的管螺纹GB/T 13927-2008 工业阀门压力实验GB/T 16947-2009 螺旋弹簧疲劳试验规范GB/T 18992.1-2003 冷热水用交联聚乙烯(PE-X)管道系统JB/T 7747-1995 针型截止阀JB/T 8859-2004 截止阀静压寿命试验规程YS/T 583-2006 热锻水暖管件用黄铜棒3 术语和定义3.1 分集水器装置Radiant & Distribution Manifold分集水器装置是连接热源供回水干管和各分支管道;起到分流和汇流、并对各分支管道的流量等参数起到调节作用的专用装置,通常由分、集水器主体、球阀、末端组件(排气阀、末端三通、止回阀、泄水阀)、支架等构成。
目次1 范围 (1)2 规范性引用文件 (1)3 术语和定义 (2)4 分类与标记 (3)5 一般要求 (3)6 要求 (7)7 试验方法 (9)8 检验规则 (12)9 标志、包装、运输和贮存 (13)附录A (资料性)分集水器支路接头示意图 (15)附录B (资料性)密封圈验收检验方法 (17)冷热水用分集水器1范围本文件规定了在供暖空调统中应用的冷热水用分集水器(以下简称“分集水器”)产品的范围、规范性引用文件,术语和定义,分类与标记,一般要求,要求,试验方法,检验规则,标志、包装、运输及贮存,等。
本文件适用于民用与一般性工业建筑工程供冷和供暖水系统中所使用的工作压力不大于0.8MPa的分集水器。
2规范性引用文件下列文件中的内容通过文中的规范性引用而构成本文件必不可少的条款。
其中,注日期的引用文件,仅该日期对应的版本适用于本文件;不注日期的引用文件,其最新版本(包括所有的修改单)适用于本文件。
GB/T 1220 不锈钢棒GB/T 2828.1 计数抽样检验程序第1 部分:按接收质量限(AQL)检索的逐批检验抽样计划GB/T 4213-2008 气动调节阀GB/T 5231 加工铜及铜合金化学成分和产品形状GB/T 6461-2002 金属基体上金属和其他无机覆盖层经腐蚀试验后的试样和试件的评级GB/T 7306.1 55°密封管螺纹第1 部分:圆柱内螺纹和圆锥外螺纹GB/T 7307 55°非密封管螺纹GB/T 9797 金属及其他无机覆盖层镍、镍+铬、铜+镍和铜+镍+铬电镀层GB/T 10125 人造气氛腐蚀试验盐雾试验GB/T 12771 流体输送用不锈钢焊接钢管GB/T 13912 金属覆盖层钢铁制件热浸镀锌层技术要求及试验方法GB/T 13913 金属覆盖层化学镀镍-磷合金镀层规范和试验方法GB/T 13927 工业阀门压力试验GB/T 14832 标准弹性体材料与液压液体的相容性试验GB/T 15820 聚乙烯压力管材与管件连接的耐拉拔试验GB/T 18252 塑料管道系统用外推法确定热塑性塑料材料以管材形式的长期静液压强度HG/T 4758 水性丙烯酸树脂涂料HG/T 4759 水性环氧树脂防腐涂料JGJ 142 辐射供暖供冷技术规程YS/T 583 热锻水暖管件用黄铜棒3术语和定义JGJ 142界定的以及下列术语和定义适用于本文件。
家用变频多联式中央空调技术标准编制: 日期:审核: 日期:审批: 日期:主导部门:技术中心 _修订记录日期修订修改内容修改人审核人批准人状态参加讨论认定人员:家用变频多联式中央空调技术标准一、总则1.1 为规范样板房、批量精装房工程的空调设计,做到技术先进、经济合理、安全适用和保证工程质量,制定本技术标准。
1.2 本标准适用于普通住宅变频多联式中央空调系统工程的设计。
1.3 家用中央空调系统的设计,除应符合本标准外,尚应符合《民用建筑供暖通风与空提调节设计规范GB50736-2012》等国家现行有关标准的规定。
二、一般规定2.1 设计流程建筑方案阶段提资厂家确认设备平台尺寸及散热条件运营部提资户型顶面天花图空调厂家深化设计技术中心确认并提资设计单位结构专业留洞、电气专业配电设计2.2 空调设计阶段,除需校核设备平台的尺寸,另需注意侧送风的房间。
精装灯槽深度对空调出风有影响时,风口位置不应设置灯槽。
2.3 图纸深度要求空调设计应包含:1.设计说明2.空调设备平面布置图3.冷媒冷凝水管线平面图4.温控仪平面管线布置图5.负荷及设备清单(如下格式)户型序号房间功能面积(㎡)选型数量单台冷量(W )总冷量(W )单位冷量(W/㎡)室外机 1客厅+餐厅 2次卧 3主卧 4书房 6主卧 总计 三、空调设计原则3.1住宅建筑面积小于150㎡时,宜选用侧出风机型外机,单相供电;当必须选择三相供电机型满足空调负荷时,供电进户应同时改为三相供电;3.2住宅带跃层及地下室时,空调外机宜共用一套室外机;3.3室内机选型宜选用2.2-5.0kW 小型号室内机,少用5.6-7.1kW 室内机,避免使用8.0kW 及以上大型号室内机。
3.4独立客餐厅宜分开布置空调室内机;除尊享项目有特殊要求外,厨房与卫生间不设置空调室内机;地下室及阁楼等赠送空间内的面积较小的房间考虑由相邻空间室内机制冷供暖,不单独布置室内机。
四、外机及设备平台尺寸4.1 中央空调室外机尺寸参考如下表格:设备平台尺寸 mm户型建筑面积最小外机尺寸(H*W*D )mm 短边散热长边散热空调机位尺寸90平方以下900*1000*400无需检修通道1500*60090-120平方1400*1000*400长边尺寸不应小于1800,短边不小于1600短边尺寸不应小于1200,长边尺寸不应小于25001500*800120-150平1700*1100*400长边尺寸不应小于短边尺寸不应小于1600*800方1800,短边不小于16001200,长边尺寸不应小于2500150-300平方1800*1250*800长边不小于2000,短边不小于1600长边不小于2500,短边不小于1600参考左侧设备平台尺寸注:1.地下室面积折算一半建筑面积,上述净尺寸应扣除保温厚度; 2.上述尺寸未包含精装修的洗衣机及拖把池百叶开口尺寸不应小于机器宽度;150平方以上住宅同时布置全热交换新风,当设备平台吊顶时,建筑层高不应低于3.1m ;4.2 当中央空调沿设备平台短边布置时,长边或设备平台开门出应有进风口,尤其顶出风机器,必须保证长边有开口进风;4.3 设备平台位置不应布置在天井内,或者建筑凹口内,且禁止出现设备平台散热面相向布置,户型需求必须布置时应在户型设计时需提供空调厂家做热压模拟分析;4.4 设置地暖的户型,其设备平台应靠厨房布置,方便燃气接入。
分集水器的确定
1、管径的计算
=269.26kW
左侧空调机组立管的冷负荷Q
L
(7-4)其管道直径为
(7-5)
=283.66kW
中部风机盘管立管的冷负荷Q
L
其管道直径为
由水力计算知,总干管的管径为DN200
2、分水器长度的计算
工程实践中常取比最大管径大2-3号管径,故取D=300mm
又经计算,d1=200mm,d2=150mm,d3=150mm,d4=125mm,d5=80mm,d0=80mm;其中d1是进水管径,d2、d3是出水管径,d4是备用管径,d5是旁通管径,d0是排水管径。
图7-1 分水器配管图分水器长度:
L1=40+120+75=235mm
L2=75+120+75=270mm
L3=75+120+62.5=257.5mm
L4=62.5+60=122.5mm
L5=40+60=100mm
L=L1+L2+L3+L4+L5=985mm
7.4.2 集水器的设计
集水器筒体直径与分水器相同,取D300
图7-2 集水器配管图
d1=200mm,d2=150mm,d3=150mm,d4=125mm,d5=80mm,d0=80mm,dp=25mm;其中dp是膨胀管径,d1是出水管径,d2、d3是回水管径,d4是备用管径,d5是旁通管径,d0是排水管径。
集水器长度为
L=L0+L1+L2+L3+L4+L5=60+25+120+150+120+150+120+125+120+80+60=1130mm。
分集水器国标摘要:一、分集水器的定义与作用二、分集水器国标简介三、国标对分集水器的要求四、分集水器国标的意义与影响正文:分集水器是一种用于集中供暖和中央空调系统中的设备,主要作用是将供暖或空调系统中的热水或冷水分散到各个末端设备,以实现室内温度的调节。
近年来,我国对于分集水器的生产、制造和应用越来越重视,制定了一系列的国家标准,以规范分集水器的生产与使用。
一、分集水器的定义与作用分集水器,又称分水器、集水器,是一种用于热水供暖系统和中央空调系统的设备。
它主要通过将供暖或空调系统中的热水或冷水分散到各个末端设备,如散热器、地暖、风机盘管等,以实现室内温度的调节。
分集水器具有结构紧凑、安装方便、控制灵活等优点,广泛应用于各类建筑物中。
二、分集水器国标简介我国针对分集水器的生产与使用,制定了一系列的国家标准。
其中,GB/T 18033-2017《建筑给排水及供暖通风设备用分集水器》是分集水器领域的基础性国标,规定了分集水器的分类、型号、技术要求、试验方法等内容。
此外,还有一些与分集水器相关的国家标准,如GB/T 17901-2007《建筑给排水及供暖通风设备用阀门》、GB 50242-2007《建筑给水排水及供暖通风工程施工质量验收规范》等。
三、国标对分集水器的要求根据我国分集水器国标,分集水器应具备以下特点:1.结构合理,使用寿命长,性能稳定;2.能承受系统中的热水或冷水压力,密封性能好;3.安装、拆卸、维修方便,便于清洗;4.能满足系统中的流量要求,具有较好的分水效果;5.材料无毒、无害,符合卫生要求;6.零部件齐全,标识清晰。
此外,国标还对分集水器的试验方法、检验规则、标志、包装、运输和贮存等方面进行了详细规定。
四、分集水器国标的意义与影响分集水器国标的制定与实施,对于规范分集水器的生产与使用具有重要意义。
它有助于提高分集水器的质量,保证供暖和空调系统的稳定运行,提高建筑物的舒适度;同时,有利于促进我国供暖和空调行业的发展,降低能源消耗,提高能源利用效率。
空调水管规格尺寸对照表技术报告一、引言空调水管是空调系统中的重要组成部分,其规格尺寸的选择直接影响到空调系统的性能和运行效果。
为了方便用户在设计和安装空调系统时选择合适的空调水管规格尺寸,本文将介绍空调水管规格尺寸对照表,并对其进行技术分析。
二、空调水管规格尺寸对照表1.空调水管直径对照表空调水管的直径是空调系统中的重要参数之一,它直接影响到空调系统的流量和阻力。
根据空调系统的不同类型和需求,空调水管的直径也有不同的规格尺寸。
常见的空调水管直径规格尺寸如下:空调水管的壁厚也是空调系统中的重要参数之一,它直接影响到空调水管的耐压能力和使用寿命。
根据不同的使用环境和需求,空调水管的壁厚也有不同的规格尺寸。
常见的空调水管壁厚规格尺寸如下:三、技术分析1.空调水管直径的选择:在选择空调水管直径时,应根据空调系统的流量和阻力进行计算和选择。
对于大型空调系统,应选择较大的管径以降低水流阻力,提高空调系统的效率。
对于小型空调系统,应选择较小的管径以节省材料和空间。
2.空调水管壁厚的选择:在选择空调水管壁厚时,应根据使用环境和压力要求进行选择。
对于高层建筑或压力要求较高的场合,应选择较厚的壁厚以确保管道的耐压能力和使用寿命。
对于一般场合,可以选择适中的壁厚以平衡成本和性能。
3.管道材料的选择:空调水管的材料应具有良好的耐腐蚀性、耐压性和耐温性。
常用的管道材料有铜管、钢管、塑料管等。
在选择管道材料时,应根据使用环境和要求进行选择。
例如,铜管具有较好的耐腐蚀性和耐温性,适用于室外或潮湿环境;钢管具有较好的耐压性和强度,适用于高压或大流量场合;塑料管具有较轻的重量和较低的成本,适用于一般场合。
4.安装和维护:在安装和维护空调水管时,应注意以下几点:首先,应确保管道的安装牢固、稳定,避免出现松动或变形;其次,应定期检查管道的连接处和阀门是否漏水或松动;最后,应定期清洗管道,避免管道堵塞或腐蚀。
四、结论本文介绍了空调水管规格尺寸对照表,并对其进行了技术分析。
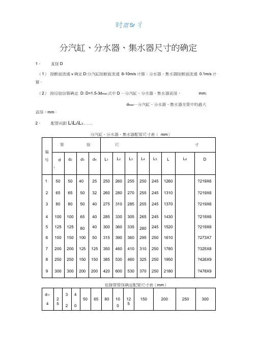
分汽缸、分水器、集水器尺寸的确定
1、直径D
(1)按断面流速v确定D:分汽缸按断面流速8-10m/s计算;分水器、集水器按断面流速0.1m/s计算。
(2)按经验估算确定D: D=1.5-3d max式中D—分汽缸、分水器、集水器直径,mm;
d max—分汽缸、分水器、集水器支管中的最大直径,mm。
2、配管间距L1\L2\L3……
常用阀门
蝶阀
阀门型号的编制方法
(1)阀门型号各单元表示的意义
(2)第一单元——阀门类型表示法 (3) 第二单元——传动方式表示法
(4)第三单元——连接形式表示法
(5)第四单元——结构形式表示法
(6)第五单元——阀座密封面或衬里材料表示法
(7)第六单元——公称压力表示法用数字表示压力值(8)第七单元——阀体材料表示法
1111。
时需Sr彳分汽缸、分水器、集水器尺寸的确定1、直径D(1)按断面流速v确定D:分汽缸按断面流速8-10m/s计算;分水器、集水器按断面流速0.1m/s 计算。
(2)按经验估算确定D: D=1.5-3d max式中D —分汽缸、分水器、集水器直径,mm;d max—分汽缸、分水器、集水器支管中的最大直径,mm。
2、配管间距L I\L2\L3 .............依接管管径确定配管尺寸表(mm)布磊Sn/ —公称直径DN /mm 曲面高度h i/mm直边高度h2/mm厚度/mm质量m/kg容积V/m3公称直径DN/mm曲面高度h1/mm直边高度h2/mm厚度3/mm质量m/kg容积V/m3300 75 25 4 3.800.0053 350 88 254 5.010.0080 6 5.79 6 7.628 7.84 8 10.29400 100 254 6.390.0115450 112254 7.920.01596 9.69 6 12.018 13.06 8 16.17401018.030.0134 4010 22.120.018312 21.87 12 26.803椭圆封头时磊论呎―九、膨胀水箱的容积计算膨胀水箱型式的分类:分开式和闭式3------------------- 时需说呎…开式有:密闭板式;隔膜式;球胆式;水泵定压补水一体式 从箱内压力变化考虑:膨胀水箱又可分为定压式和变压式两种。
闭式膨胀水箱容积计算:V t—膨胀水箱容积;V 2—高温时水的比容,p 1—低温时水压力,Kpap 2—高温时水压力,Kpap 1; p 2的确定:p 1=箱体静压头+系统顶部的最小压力值p 2=运行时最高压力开式膨胀水箱容积计算方法:V p=tVsV p---膨胀水箱有效容积,ma —线性膨胀系数;钢为6 11.7X101铜为 17.1X6 110 c△ T —水系统中最大温差: C (一般为5)V t=Vsv 13V1P1P2V s—系统水容积,3m (参见下图V —低温时水的比容, 3m 临;---------------------------------- 时 磊 忖呎 .............. . ........ ........ ..... a ---水的体积膨胀系数,a =0.0006,1/ C △ t---系统内最大水温变化值,c3Vs---系统内的水容量, m,即系统中管道和设备内总容水量(参看图一)2图一:水系统中总容量(L /m 空调面积)小心单位变换应把L 换成m冷冻水系统的补水量(膨胀水箱) 水箱容积计算:Vp=a A tVs m3Vp —膨胀水箱有效容积(即从信号管到溢流管之间高差内的容积) m3a —水的体积膨胀系数,a=0.0006 L/ C△ t —最大的水温变化值 cVs —系统内的水容量 m3,即系统中管道和设备内总容水量供暖系统:当95-70°C 供暖系统 V=0.031Vc当 110-70°C 供暖系统 V=0.038Vc 当 130-70°C 供暖系统V=0。
空调用制冷技术课程设计目录前言 (1)1 设计目的 (2)2 设计任务 (2)3 设计原始资料 (2)4 冷水机组的选择 (3)4.1 负荷计算 (3)4。
2 机组的选择 (3)5方案设计 (5)6水力计算 (5)7设备选择 (7)7.1冷却塔的选择 (7)7.2 分水器和集水器的选择 (8)7。
3水泵的选择 (8)7.3。
1冷冻水泵选型 (9)7。
3.2冷却水泵选型 (12)8 小结 (14)参考文献 (16)前言制冷课程设计是建筑环境与能源应用工程专业大学本科教育的一个重要教学环节,是全面检验和巩固课程学习效果的一个有效方式。
通过本次课程设计,可以使学生进一步加深对所学课程的理解和巩固;可以综合所学的制冷与空调的相关知识,解决实际问题;可以使学生的得到工程实践的实际训练,提高其应用能力和动手能力。
1 设计目的课程设计是《空气调节用制冷技术》教学中一个重要的实践环节,综合运用所学的有关知识,在设计中掌握解决实际工程问题的能力,进一步巩固和提高理论知识。
通过课程设计,了解工程设计的内容、方法及步骤,培养确定空调冷冻站的设计方案、进行设计计算、绘制工程图、使用技术资料、编写设计说明书的能力.2 设计任务(一)负荷计算(二)机组选择(三)方案设计(四)水力计算1、冷冻水循环系统水力计算2、冷却水循环系统水力计算(五)设备选择1、冷却塔的选择2、分水器及集水器的选择3、水泵的选择(六)机房布置1、设备与管道布置平面图2、机房系统图3 设计原始资料(一)建筑物概况:层高4.6米,层数6层,总空调建筑面积:为15990m2.(二)参数条件:空调冷冻水参数:供水7℃,回水12℃;冷却水参数:进水32℃,出水37℃。
(三)空调负荷指标:q=120~180 W/m2。
(四)土建资料:机房建筑平面图(见附图),选择其中部分作为制冷机房(以满足用途为原则,不要占用过大面积)。
4 冷水机组的选择4。
1 负荷计算空调负荷指标取q=150W/m2,所以空调负荷为:Q=q×A=15990×150=2398。
分集水器的确定
1、管径的计算
=269.26kW
左侧空调机组立管的冷负荷Q
L
(7-4)其管道直径为
,取标准管径(7-5)
=283.66kW
中部风机盘管立管的冷负荷Q
L
其管道直径为
,取标准管径
由水力计算知,总干管的管径为DN200
2、分水器长度的计算
工程实践中常取比最大管径大2-3号管径,故取D=300mm
又经计算,d1=200mm,d2=150mm,d3=150mm,d4=125mm,d5=80mm,d0=80mm;其中d1是进水管径,d2、d3是出水管径,d4是备用管径,d5是旁通管径,d0是排水管径。
图7-1 分水器配管图分水器长度:
L1=40+120+75=235mm
L2=75+120+75=270mm
L3=75+120+62.5=257.5mm
L4=62.5+60=122.5mm
L5=40+60=100mm
L=L1+L2+L3+L4+L5=985mm
7.4.2 集水器的设计
集水器筒体直径与分水器相同,取D300
图7-2 集水器配管图
d1=200mm,d2=150mm,d3=150mm,d4=125mm,d5=80mm,d0=80mm,dp=25mm;其中dp是膨胀管径,d1是出水管径,d2、d3是回水管径,d4是备用管径,d5是旁通管径,d0是排水管径。
集水器长度为
L=L0+L1+L2+L3+L4+L5=60+25+120+150+120+150+120+125+120+80+60=1130mm。
分汽缸、分水器、集水器尺寸的确定
1、直径D
(1)按断面流速v确定D:分汽缸按断面流速8-10m/s计算;分水器、集水器按断面流速0.1m/s计算。
(2)按经验估算确定D: D=1.5-3d max式中D—分汽缸、分水器、集水器直径,mm;
d max—分汽缸、分水器、集水器支管中的最大直径,mm。
2、配管间距L1\L2\L3……
阀门型号的编制方法
(1)阀门型号各单元表示的意义
(2)第一单元——阀门类型表示法 (3) 第二单元——传动方式表示法
(4)第三单元——连接形式表示法
(5)第四单元——结构形式表示法
(6)第五单元——阀座密封面或衬里材料表示法
(7)第六单元——公称压力表示法用数字表示压力值(8)第七单元——阀体材料表示法。