分集水器尺寸表_secret
- 格式:doc
- 大小:191.50 KB
- 文档页数:9
分集水器的确定 1、管径的计算左侧空调机组立管的冷负荷QL=G L=860×Q L1000?t =860×269.261000×5=46.31m3/h 7-4其管道直径为D=√4GπV =√4×46.31/3600π×2=0.09m,取标准管径DN150 7-5中部风机盘管立管的冷负荷QL=G L=860×Q L1000?t=860×283.661000×5=48.79m3/h其管道直径为D=√4GπV=√4×48.79/3600π×2=0.09m,取标准管径DN150由水力计算知,总干管的管径为DN2002、分水器长度的计算工程实践中常取比最大管径大2-3号管径,故取D=300mm又经计算,d1=200mm,d2=150mm,d3=150mm,d4=125mm,d5=80mm,d0=80mm;其中d1是进水管径,d2、d3是出水管径,d4是备用管径,d5是旁通管径,d0是排水管径;图7-1 分水器配管图分水器长度:L1=40+120+75=235mmL2=75+120+75=270mmL3=75+120+=257.5mmL4=+60=122.5mmL5=40+60=100mmL=L1+L2+L3+L4+L5=985mm7.4.2 集水器的设计集水器筒体直径与分水器相同,取D300图7-2 集水器配管图d1=200mm,d2=150mm,d3=150mm,d4=125mm,d5=80mm,d0=80mm,dp=25mm;其中dp是膨胀管径,d1是出水管径,d2、d3是回水管径,d4是备用管径,d5是旁通管径,d0是排水管径;集水器长度为L=L0+L1+L2+L3+L4+L5=60+25+120+150+120+150+120+125+120+80+60=1130mm。
配置说明:美暖生产。
单套分集水器包括:分水器、集水器主干管;集水器各环路多重微调功能的调节阀、分水器各环路带流量计的调节阀(A型)/内置调节阀(B型)、活接接头、安装夹、供回水自动排气阀、供回水泄水阀、供回水三通;产品功能简介:1)集水器,具有多重微调功能的调节阀,具备手动调节功能及可以预设定的热电阀底阀,方便升级全自动温控;2)自动排气阀顶端自动排气,安装于分水器、集水器尾部三通上;3)泄水阀方便泄水功能及打压测试,配带泄水口;4)主材、多功能连接件和辅助部件均为优质铜造质,表面镀镍,外形美观、不生锈、耐腐蚀;5)活接接头由管芯、卡簧、螺母、O环组成;6)A型分水器配备的流量计调节阀,装配于分水器上,具备流量初步调节功能,实际调节范围0~4L/min7)B型分水器配备的内置式调节阀,安装于分水器上,具备关闭及调节功能。
最大工作温度: 90 ℃最大工作压力: 10 bar接口尺寸: G1/G1-1/4接头螺纹: G3/4流量计测量范围: 0~4L/min最大测量误差:±10%环路间距: D=50mm分集水器铜质选材标准:国家标准GB5231-85 HPb59分集水器连接部分标准: GB8464-87 / GB8465-87加工工艺标准: GB/T 13927-92GB 12220-89GB 12225-89垫圈及O环材质: NBR集水器手柄: ABS(白色)美暖分集水器安装尺寸图相关工程业绩国内部分著名工程业绩:北京上第MOMA中国北京亚运新新家园四期上海现代建筑设计集团总裁公寓上海中国电信大楼桐乡南华·碧水云天别墅宁波名人别墅北京阳光上东山东潍坊隆基花园小区山东潍坊劳动局住宅楼新疆乌市博州电信公司住宅楼内蒙呼市党委家属楼甘肃酒泉新世纪商住楼上海九亭梦想小区安徽供电局家属院上海中国电信大楼桐乡南华·碧水云天别墅宁波名人别墅苏州莱茵花园别墅上海万科假日风景北京故宫博物院办公楼北京奥运会运动员村苏州莱茵花园别墅区哈尔滨金色柏林吉林万科别墅区上海绿地集团总裁别墅成都广厦花园小区重庆美堤雅城西藏拉萨太阳岛阳光花园上海名都城二期上海奔驰别墅南京朗诗国际街区一、二期无锡朗诗国际公寓一期………………附件:关于流量计型分集水器的一些说明:镀镍的优点:1)镀镍后,产品表面成亮银色,外表美观、大方、高档。
分集水器一、分集水器的定义分集水器是指在地暖系统中,用于连接采暖主干供水管和回水管的装置。
分为分水器和集水器两部分。
分水器是在水系统中,用于连接各路加热管供水管的配水装置。
集水器是在水系统中,用于连接各路加热管回水管的汇水装置。
二、分集水器的组成分集水器在地暖系统中相当于它的心脏,分水器把地暖主管道的水平均分配到每个之路,再由集水器收集每个支路的回水进入锅炉加热,然后再由分水器平均分配。
分集水器的构成:分集水器由主管、分路调解阀和接头、排气阀、泄水阀、主管终端堵头几个部件组成。
所用材料常见有:铜、铜镀镍、不锈钢、聚丙烯(PP-R)、合金铝(防腐处理)。
现在铜质分集水器在地暖系统中使用较多。
三、产品特点1,运行压力低:液相输送热能,能在较低的运行压力下,获得较高的工作温度,热载体较水的饱和蒸汽压力小70~80倍,一般供热运行压力为≤0.3MPa;2,加热温度高:导热油加热炉供热温度可达280℃;加热温度自动化控制,灵敏度高,供热稳定;3,安全可靠:专业研发生产的导热油炉,具备完善的运行控制和安全监测装置,操作简便,安全可靠;4,环保型设计:导热油炉设备配置新型电加热系统,以电代煤,节省投资,环保无污染,同时导热油炉加热升温快,热效率高,高效更经济。
四、分集水器的分类1、从功能和结构上来分,分集水器分为三种类型:基本型,标准型和功能型。
基本型:由分水干管和集水干管组成。
在分集水干管的每个分支口上装有球阀,同时分集水干管上分别装有手动排气阀。
基本型分水器不具备流量调节功能。
标准型:标准型分集水器结构上与基本型相同,只是将各干管上的球阀由流量调节阀取代。
将两干管上的手动排气阀由自动排气阀取代。
标准型分集水器可对每个环路的流量做精密调节,甚至豪华标准型分集水器的流量调节可实现人工智能调节。
功能型:功能性分集水器除具备标准型分集水器的所有功能外,同时还具有温度、压力显示功能、流量自动调节功能、自动混水换热功能、热能计量功能、室内分区温度自动控制功能、无线及远程遥控功能。
目次1 范围 (1)2 规范性引用文件 (1)3 术语和定义 (2)4 分类与标记 (3)5 一般要求 (3)6 要求 (7)7 试验方法 (9)8 检验规则 (12)9 标志、包装、运输和贮存 (13)附录A (资料性)分集水器支路接头示意图 (15)附录B (资料性)密封圈验收检验方法 (17)冷热水用分集水器1范围本文件规定了在供暖空调统中应用的冷热水用分集水器(以下简称“分集水器”)产品的范围、规范性引用文件,术语和定义,分类与标记,一般要求,要求,试验方法,检验规则,标志、包装、运输及贮存,等。
本文件适用于民用与一般性工业建筑工程供冷和供暖水系统中所使用的工作压力不大于0.8MPa的分集水器。
2规范性引用文件下列文件中的内容通过文中的规范性引用而构成本文件必不可少的条款。
其中,注日期的引用文件,仅该日期对应的版本适用于本文件;不注日期的引用文件,其最新版本(包括所有的修改单)适用于本文件。
GB/T 1220 不锈钢棒GB/T 2828.1 计数抽样检验程序第1 部分:按接收质量限(AQL)检索的逐批检验抽样计划GB/T 4213-2008 气动调节阀GB/T 5231 加工铜及铜合金化学成分和产品形状GB/T 6461-2002 金属基体上金属和其他无机覆盖层经腐蚀试验后的试样和试件的评级GB/T 7306.1 55°密封管螺纹第1 部分:圆柱内螺纹和圆锥外螺纹GB/T 7307 55°非密封管螺纹GB/T 9797 金属及其他无机覆盖层镍、镍+铬、铜+镍和铜+镍+铬电镀层GB/T 10125 人造气氛腐蚀试验盐雾试验GB/T 12771 流体输送用不锈钢焊接钢管GB/T 13912 金属覆盖层钢铁制件热浸镀锌层技术要求及试验方法GB/T 13913 金属覆盖层化学镀镍-磷合金镀层规范和试验方法GB/T 13927 工业阀门压力试验GB/T 14832 标准弹性体材料与液压液体的相容性试验GB/T 15820 聚乙烯压力管材与管件连接的耐拉拔试验GB/T 18252 塑料管道系统用外推法确定热塑性塑料材料以管材形式的长期静液压强度HG/T 4758 水性丙烯酸树脂涂料HG/T 4759 水性环氧树脂防腐涂料JGJ 142 辐射供暖供冷技术规程YS/T 583 热锻水暖管件用黄铜棒3术语和定义JGJ 142界定的以及下列术语和定义适用于本文件。
1、紫色区域为需填写内容。
2、封头形式、产品压力在下拉列表中选择。
3、封头接管长为外接尺寸,不做接管尺寸,仅供计算总长使用。
封头接管尺寸需放样决定。
4、螺柱长度每边留5mm余量。
长度为:2个螺母+法兰+法兰盖+中间垫片+余量10mm。
5、重量向上归五归零,计算时留有8kg余量。
垫片质量未单独计算重量,含在8kg余量里。
6、特殊连接接管(与封头连接、排污管)有则填,没有在数量上写0或空。
7、钢材密度取0.00000785kg/mm;所有接管单重均为计算长度增加6mm管重量。
8、本表格设置密码保护,如非必要,不得更改。
密码:123
填写说明。
1、紫色区域为需填写内容。
2、封头形式、产品压力在下拉列表中选择。
3、封头接管长为外接尺寸,不做接管尺寸,仅供计算总长使用。
封头接管尺寸需放样决定。
4、螺柱长度每边留5mm余量。
长度为:2个螺母+法兰+法兰盖+中间垫片+余量10mm。
5、重量向上归五归零,计算时留有8kg余量。
垫片质量未单独计算重量,含在8kg余量里。
6、特殊连接接管(与封头连接、排污管)有则填,没有在数量上写0或空。
7、钢材密度取0.00000785kg/mm;所有接管单重均为计算长度增加6mm管重量。
8、本表格设置密码保护,如非必要,不得更改。
密码:123
填写说明。
分集水器的选型计算1、管径的计算左侧空调机组立管的冷负荷Q L=269.26kWG L=860×Q L1000∆t =860×269.261000×5=46.31m3/h(7-4)其管道直径为D=4GπV =4×46.31/3600π×2=0.09m,取标准管径DN150(7-5)中部风机盘管立管的冷负荷Q L=283.66kWG L=860×Q L1000∆t=860×283.661000×5=48.79m3/h其管道直径为D=4GπV=4×48.79/3600π×2=0.09m,取标准管径DN150由水力计算知,总干管的管径为DN2002、分水器长度的计算工程实践中常取比最大管径大2-3号管径,故取D=300mm又经计算,d1=200mm,d2=150mm,d3=150mm,d4=125mm,d5=80mm,d0=80mm;其中d1是进水管径,d2、d3是出水管径,d4是备用管径,d5是旁通管径,d0是排水管径。
图7-1 分水器配管图分水器长度:L1=40+120+75=235mmL2=75+120+75=270mmL3=75+120+62.5=257.5mmL4=62.5+60=122.5mmL5=40+60=100mmL=L1+L2+L3+L4+L5=985mm7.4.2 集水器的设计集水器筒体直径与分水器相同,取D300图7-2 集水器配管图d1=200mm,d2=150mm,d3=150mm,d4=125mm,d5=80mm,d0=80mm,dp=25mm;其中dp是膨胀管径,d1是出水管径,d2、d3是回水管径,d4是备用管径,d5是旁通管径,d0是排水管径。
集水器长度为L=L0+L1+L2+L3+L4+L5=60+25+120+150+120+150+120+125+120+80+60=1130mm 文- 汉语汉字编辑词条文,wen,从玄从爻。
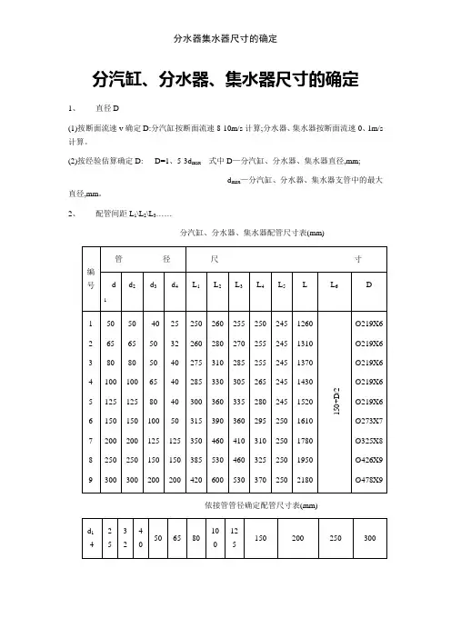
分汽缸、分水器、集水器尺寸的确定1、直径D(1)按断面流速v确定D:分汽缸按断面流速8-10m/s计算;分水器、集水器按断面流速0、1m/s 计算。
(2)按经验估算确定D: D=1、5-3d max式中D—分汽缸、分水器、集水器直径,mm;d max—分汽缸、分水器、集水器支管中的最大直径,mm。
2、配管间距L1\L2\L3……分汽缸、分水器、集水器配管尺寸表(mm)依接管管径确定配管尺寸表(mm)九、膨胀水箱的容积计算膨胀水箱型式的分类:分开式与闭式开式有:密闭板式;隔膜式;球胆式;水泵定压补水一体式从箱内压力变化考虑:膨胀水箱又可分为定压式与变压式两种。
闭式膨胀水箱容积计算:V t=VsPP vv T 2112131-∆--αV t—膨胀水箱容积;m 3V s—系统水容积,m 3(参见下图1) v1—低温时水的比容,m 3/Kg; v2—高温时水的比容,m 3/Kgα—线性膨胀系数;钢为11、7×106-c︒-1铜为17、1×106-c︒-1△T—水系统中最大温差:℃(一般为5)P1—低温时水压力,KpaP2—高温时水压力,KpaP1;P2的确定:P1=箱体静压头+系统顶部的最小压力值P2=运行时最高压力开式膨胀水箱容积计算方法:V p=α△t V sV p---膨胀水箱有效容积,m3α---水的体积膨胀系数,α=0、0006,1/℃△t---系统内最大水温变化值,℃V s---系统内的水容量,m3,即系统中管道与设备内总容水量(参瞧图一)图一: 水系统中总容量(L/m2空调面积)小心单位变换应把L换成m3冷冻水系统的补水量(膨胀水箱)水箱容积计算: Vp=a△tVs m3Vp—膨胀水箱有效容积(即从信号管到溢流管之间高差内的容积)m3a —水的体积膨胀系数,a=0、0006 L/℃△t—最大的水温变化值℃Vs—系统内的水容量 m3,即系统中管道与设备内总容水量水系统中总容水量(L/m2建筑面积)供暖系统: 当95-70°C供暖系统 V=0、031Vc当110-70°C供暖系统 V=0、038Vc当130-70°C供暖系统 V=0。
分汽缸、分水器、集水器尺寸的确定
1、直径D
(1)按断面流速v确定D:分汽缸按断面流速8-10m/s计算;分水器、集水器按断面流速0.1m/s计算。
(2)按经验估算确定D: D=1.5-3d max式中D—分汽缸、分水器、集水器直径,mm;
d max—分汽缸、分水器、集水器支管中的最大直径,mm。
2、配管间距L1\L2\L3……
常用阀门
蝶阀
阀门型号的编制方法
(1)阀门型号各单元表示的意义
(2)第一单元——阀门类型表示法 (3) 第二单元——传动方式表示法
(4)第三单元——连接形式表示法
(5)第四单元——结构形式表示法
(6)第五单元——阀座密封面或衬里材料表示法
(7)第六单元——公称压力表示法用数字表示压力值(8)第七单元——阀体材料表示法
1111。
时需Sr彳分汽缸、分水器、集水器尺寸的确定1、直径D(1)按断面流速v确定D:分汽缸按断面流速8-10m/s计算;分水器、集水器按断面流速0.1m/s 计算。
(2)按经验估算确定D: D=1.5-3d max式中D —分汽缸、分水器、集水器直径,mm;d max—分汽缸、分水器、集水器支管中的最大直径,mm。
2、配管间距L I\L2\L3 .............依接管管径确定配管尺寸表(mm)布磊Sn/ —公称直径DN /mm 曲面高度h i/mm直边高度h2/mm厚度/mm质量m/kg容积V/m3公称直径DN/mm曲面高度h1/mm直边高度h2/mm厚度3/mm质量m/kg容积V/m3300 75 25 4 3.800.0053 350 88 254 5.010.0080 6 5.79 6 7.628 7.84 8 10.29400 100 254 6.390.0115450 112254 7.920.01596 9.69 6 12.018 13.06 8 16.17401018.030.0134 4010 22.120.018312 21.87 12 26.803椭圆封头时磊论呎―九、膨胀水箱的容积计算膨胀水箱型式的分类:分开式和闭式3------------------- 时需说呎…开式有:密闭板式;隔膜式;球胆式;水泵定压补水一体式 从箱内压力变化考虑:膨胀水箱又可分为定压式和变压式两种。
闭式膨胀水箱容积计算:V t—膨胀水箱容积;V 2—高温时水的比容,p 1—低温时水压力,Kpap 2—高温时水压力,Kpap 1; p 2的确定:p 1=箱体静压头+系统顶部的最小压力值p 2=运行时最高压力开式膨胀水箱容积计算方法:V p=tVsV p---膨胀水箱有效容积,ma —线性膨胀系数;钢为6 11.7X101铜为 17.1X6 110 c△ T —水系统中最大温差: C (一般为5)V t=Vsv 13V1P1P2V s—系统水容积,3m (参见下图V —低温时水的比容, 3m 临;---------------------------------- 时 磊 忖呎 .............. . ........ ........ ..... a ---水的体积膨胀系数,a =0.0006,1/ C △ t---系统内最大水温变化值,c3Vs---系统内的水容量, m,即系统中管道和设备内总容水量(参看图一)2图一:水系统中总容量(L /m 空调面积)小心单位变换应把L 换成m冷冻水系统的补水量(膨胀水箱) 水箱容积计算:Vp=a A tVs m3Vp —膨胀水箱有效容积(即从信号管到溢流管之间高差内的容积) m3a —水的体积膨胀系数,a=0.0006 L/ C△ t —最大的水温变化值 cVs —系统内的水容量 m3,即系统中管道和设备内总容水量供暖系统:当95-70°C 供暖系统 V=0.031Vc当 110-70°C 供暖系统 V=0.038Vc 当 130-70°C 供暖系统V=0。
DB21辽宁省地方标准DB21ⅩⅩ━2011JⅩⅩⅩⅩ━2011 金属、塑料及复合材料分集水器Mental, plastic and Compound material manifold(一稿)2011━ⅩⅩ━ⅩⅩ发布2011━ⅩⅩ━ⅩⅩ实施辽宁省住房和城乡建设厅联合发布辽宁省质量技术监督局目次1 范围...........................................................................x2 规范性引用文件..............................................................x3 术语和定义.....................................................................x4 分类与标记.....................................................................x4.1产品分类材料..................................................................x4.2 产品标记......................................................................x4.3 标记示例......................................................................x5要求..............................................................................x5.1外观..........................................................................x5.2材料..........................................................................x5.3结构尺寸......................................................................x5.4性能..........................................................................x6试验方法..........................................................................x6.1材料检验......................................................................x6.2外观..........................................................................x6.3结构尺寸......................................................................x6.4性能试验......................................................................x7检验规则..........................................................................x7.1...............................................................................x7.2批组..........................................................................x7.3出厂检验......................................................................x7.4型式检验......................................................................x8标志、包装、运输和贮存.............................................................8.1标志..........................................................................x8.2包装..........................................................................x8.3运输..........................................................................x8.4贮存..........................................................................x附录A.............................................................................x附录B..............................................................................x本规程用词说明.....................................................................x11范围本标准规定了金属、塑料及复合材料分集水器产品的分类、要求、试验方法、检验规则、标志、包装、运输和贮存。
1、紫色区域为需填写内容。
2、封头形式、产品压力在下拉列表中选择。
3、封头接管长为外接尺寸,不做接管尺寸,仅供计算总长使用。
封头接管尺寸需放样决定。
4、螺柱长度每边留5mm余量。
长度为:2个螺母+法兰+法兰盖+中间垫片+余量10mm。
5、重量向上归五归零,计算时留有8kg余量。
垫片质量未单独计算重量,含在8kg余量里。
6、特殊连接接管(与封头连接、排污管)有则填,没有在数量上写0或空。
7、钢材密度取0.00000785kg/mm;所有接管单重均为计算长度增加6mm管重量。
8、本表格设置密码保护,如非必要,不得更改。
密码:123
填写说明。
分汽缸、分水器、集水器尺寸的确定
1、直径D
(1)按断面流速v确定D:分汽缸按断面流速8-10m/s计算;分水器、集水器按断面流速s计算。
(2)按经验估算确定D: D= 式中D—分汽缸、分水器、集水器直径,mm;
d
max
—分汽缸、分水器、集水器支管中的最大直径,mm。
2、配管间距L
1\L
2
\L
3
……
分汽缸、分水器、集水器配管尺寸表(mm)
编号
管径尺寸
d
1
d
2
d
3
d
4
L
1
L
2
L
3
L
4
L
5
L L
6
D
1 2 3 4 5 6 7 8 9
50
65
80
100
125
150
200
250
300
50
65
80
100
125
150
200
250
300
40
50
50
65
80
100
125
150
200
25
32
40
40
40
50
125
150
200
250
260
275
285
300
315
350
385
420
260
280
310
330
360
390
460
530
600
255
270
285
305
335
360
410
460
530
250
255
255
265
280
295
310
325
370
245
245
245
245
245
250
250
250
250
1260
1310
1370
1430
1520
1610
1780
1950
2180
1
5
+
D
/
2
Ø219X6
Ø219X6
Ø219X6
Ø219X6
Ø219X6
Ø273X7
Ø325X8
Ø426X9
Ø478X9依接管管径确定配管尺寸表(mm)
253240506580100125150200250300
δ
椭圆封头
16常用阀门
闸阀
名称
型号
介质参数
阀体
材料
规格
公称通径DNmm
1520253240506580100125150200250300350400500
楔式闸阀Z41H-16C
水、蒸汽、
油品
碳
钢
L
H
重量
参考价
-----250265280300325350400450500550600-
-----43845253062075684510411244147416631886-
5791218354055801101302002804005007001200
1051201451902603003704606508501080151021603310---
截止阀
名称
型号
介质参数
阀体
材料
规格
公称通径DNmm
1520253240506580100125150200
截止阀J41H-16C
水、蒸汽、
油品
灰
铸
铁
L
H
重量
参考价
130150160180200230290310350400480600
118118146171187200231381428486566648-
7144575112180
202528456575100180240350550----
旋启式止回阀
蝶阀
阀门型号的编制方法
(1)阀门型号各单元表示的意义
阀体材料 公称压力 阀座密封面或衬里材料 结构样式 连接形式 传动方式
阀门类型
(2)第一单元——阀门类型表示法 (3) 第二单元——传动方式表示法
(4)第三单元——连接形式表示法
(5)第四单元——结构形式表示法
节流阀Y型直通式角式
球阀——
浮动
直通式——
浮动三通式
——
固定
直通式
——L型T型
蝶阀杠杆式垂直板式——斜板式——
隔膜阀——屋脊式——截止式——闸板式——
旋塞阀——
填料
——
油封
——直通式
T型
三通式
四通式直通式
T型
三通式
代号
阀门类型
0123456789止回阀(底阀)——
升降旋启
直通式立式角式单瓣式多瓣式双瓣式蝶式
安全阀
弹簧
脉冲式封闭不封闭封闭不封闭
带散热片
微启式全启示
带扳手
全启式
双弹簧
微启式
全启式微启式全启式微启式全启式
(6)第五单元——阀座密封面或衬里材料表示法
(7)第六单元——公称压力表示法用数字表示压力值(8)第七单元——阀体材料表示法。