基坑验收表
- 格式:doc
- 大小:127.00 KB
- 文档页数:5
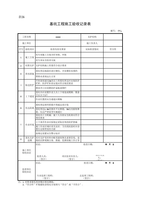
基坑工程验收记录表摘要:一、基坑工程验收记录表的概念和作用1.定义:基坑工程验收记录表是记录基坑工程施工过程中各项验收内容和结果的表格。
2.作用:确保基坑工程施工质量,为工程竣工验收提供依据。
二、基坑工程验收记录表的内容1.工程基本信息2.验收项目及标准3.验收过程记录4.验收结果三、基坑工程验收记录表的填写与审核1.填写要求2.审核流程四、基坑工程验收记录表在工程质量管理中的重要性1.保证工程质量2.便于查找问题3.提高工程管理水平正文:基坑工程验收记录表是一个非常重要的文档,对于保证基坑工程施工质量具有重要意义。
它是记录基坑工程施工过程中各项验收内容和结果的表格,为工程竣工验收提供依据。
本文将对基坑工程验收记录表的概念、作用、内容、填写与审核以及在工程质量管理中的重要性进行详细阐述。
一、基坑工程验收记录表的概念和作用基坑工程验收记录表是针对基坑工程施工过程中的一项质量控制措施。
它详细记录了工程施工过程中各个阶段的验收情况,包括验收项目、验收标准、验收过程记录和验收结果。
通过这些信息,可以确保基坑工程施工质量,并为工程竣工验收提供依据。
二、基坑工程验收记录表的内容基坑工程验收记录表主要包括以下几个方面的内容:1.工程基本信息:包括工程名称、工程地点、建设单位、设计单位、施工单位、监理单位等。
2.验收项目及标准:根据国家和行业的相关标准,对基坑工程的各个方面进行验收,如土方工程、支护工程、排水工程等。
3.验收过程记录:详细记录验收过程中所采取的方法、步骤和数据,以及施工单位的自检、监理单位的复核等情况。
4.验收结果:根据验收标准和过程记录,给出验收结果,包括合格、不合格等。
三、基坑工程验收记录表的填写与审核1.填写要求:基坑工程验收记录表的填写应准确、完整、清晰,避免涂改。
验收过程记录应详细,以便于审核。
2.审核流程:验收记录表填写完成后,应由施工单位、监理单位和建设单位进行逐级审核,确保验收结果的真实性和准确性。
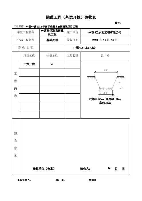
编号:工程名称:**县**镇2012年高标准基本农田建设项目工程编号:工程名称:**县**镇2012年高标准基本农田建设项目工程编号:工程名称:**县**镇2012年高标准基本农田建设项目工程编号:工程名称:**县**镇2012年高标准基本农田建设项目工程编号:工程名称:**县**镇2012年高标准基本农田建设项目工程编号:工程名称:**县**镇2012年高标准基本农田建设项目工程编号:工程名称:**县**镇2012年高标准基本农田建设项目工程编号:工程名称:**县**镇2012年高标准基本农田建设项目工程编号:工程名称:**县**镇2012年高标准基本农田建设项目工程编号:工程名称:**县**镇2012年高标准基本农田建设项目工程编号:工程名称:**县**镇2012年高标准基本农田建设项目工程编号:工程名称:**县**镇2012年高标准基本农田建设项目工程编号:工程名称:**县**镇2012年高标准基本农田建设项目工程编号:工程名称:**县**镇2012年高标准基本农田建设项目工程编号:工程名称:**县**镇2012年高标准基本农田建设项目工程编号:工程名称:**县**镇2012年高标准基本农田建设项目工程编号:工程名称:**县**镇2012年高标准基本农田建设项目工程编号:工程名称:**县**镇2012年高标准基本农田建设项目工程编号:工程名称:**县**镇2012年高标准基本农田建设项目工程编号:工程名称:**县**镇2012年高标准基本农田建设项目工程编号:工程名称:**县**镇2012年高标准基本农田建设项目工程编号:工程名称:**县**镇2012年高标准基本农田建设项目工程编号:工程名称:**县**镇2012年高标准基本农田建设项目工程编号:工程名称:**县**镇2012年高标准基本农田建设项目工程编号:工程名称:**县**镇2012年高标准基本农田建设项目工程编号:工程名称:**县**镇2012年高标准基本农田建设项目工程编号:工程名称:**县**镇2012年高标准基本农田建设项目工程编号:工程名称:**县**镇2012年高标准基本农田建设项目工程编号:工程名称:**县**镇2012年高标准基本农田建设项目工程编号:工程名称:**县**镇2012年高标准基本农田建设项目工程编号:工程名称:**县**镇2012年高标准基本农田建设项目工程编号:工程名称:**县**镇2012年高标准基本农田建设项目工程编号:工程名称:**县**镇2012年高标准基本农田建设项目工程编号:工程名称:**县**镇2012年高标准基本农田建设项目工程编号:工程名称:**县**镇2012年高标准基本农田建设项目工程编号:工程名称:**县**镇2012年高标准基本农田建设项目工程编号:工程名称:**县**镇2012年高标准基本农田建设项目工程编号:工程名称:**县**镇2012年高标准基本农田建设项目工程编号:工程名称:**县**镇2012年高标准基本农田建设项目工程编号:工程名称:**县**镇2012年高标准基本农田建设项目工程编号:工程名称:**县**镇2012年高标准基本农田建设项目工程编号:工程名称:**县**镇2012年高标准基本农田建设项目工程编号:工程名称:**县**镇2012年高标准基本农田建设项目工程编号:工程名称:**县**镇2012年高标准基本农田建设项目工程编号:工程名称:**县**镇2012年高标准基本农田建设项目工程编号:工程名称:**县**镇2012年高标准基本农田建设项目工程编号:工程名称:**县**镇2012年高标准基本农田建设项目工程编号:工程名称:**县**镇2012年高标准基本农田建设项目工程编号:工程名称:**县**镇2012年高标准基本农田建设项目工程编号:工程名称:**县**镇2012年高标准基本农田建设项目工程。
基坑施工安全检查验收表(钢板桩支护专用)检查对象信息- 项目名称:- 项目地点:- 检查日期:- 检查单位:- 监理单位:检查内容1. 地面平整度检查:- 检查地面平整度是否满足设计要求;- 检查地面是否有明显的凹凸、塌陷或裂缝。
2. 钢板桩检查:- 检查钢板桩的安装是否符合设计要求;- 检查钢板桩的垂直度是否满足规范要求;- 检查钢板桩的搭接是否牢固,是否有明显的间隙或脱落。
3. 支撑体系检查:- 检查支撑体系的安装是否合理、稳固;- 检查支撑体系的支承能力是否满足设计要求;- 检查支撑体系是否有松动、变形、断裂等缺陷。
4. 土体侧面稳定检查:- 检查土体侧面的稳定性是否满足要求;- 检查土体侧面是否出现滑土、塌方、倾斜等现象。
5. 排水系统检查:- 检查基坑排水系统的布置是否合理;- 检查排水管道是否通畅。
验收要求1. 安全质量验收:- 根据相关法规和规范,对基坑施工的安全质量进行验收;- 确保基坑施工的安全性和质量满足相关要求。
2. 验收结果记录:- 对检查内容进行详细记录,并标明合格或不合格;- 如有不合格项,需记录具体问题和整改要求。
3. 整改措施:- 对不合格项提出整改要求;- 制定整改措施和时间计划,并记录。
4. 验收意见:- 验收单位根据实际情况提出验收意见;- 如有必要,可要求补充整改措施。
验收结论根据以上检查内容和验收要求,确认基坑施工安全检查的合格性,并做出如下结论:- 合格:- 不合格:- 验收单位意见:验收人员签字- 验收单位:- 监理单位:---以上就是《基坑施工安全检查验收表(钢板桩支护专用)》的内容。
基坑工程施工完毕验收表为确保基坑工程施工质量,经过施工单位和监理单位的共同努力,现基坑工程施工已经完工,各项工作均已完成。
为了对基坑工程进行全面的验收,特制定本验收表,以便对整个工程进行全面而细致的检查。
一、基坑工程概况1. 基坑名称:____________2. 项目名称:____________3. 项目地点:____________4. 基坑工程施工单位:____________5. 监理单位:____________6. 设计单位:____________7. 基坑施工时间:__________至__________8. 基坑工程总建筑面积:__________二、基坑开挖情况1. 基坑开挖范围是否符合设计要求?2. 基坑开挖深度是否符合设计要求?3. 基坑周边环境是否干净整洁?4. 基坑支护结构是否设置齐全、牢固?5. 基坑开挖过程中是否发现其他问题?三、基坑排水系统1. 基坑排水系统是否安装完善?2. 基坑排水系统是否畅通有效?3. 基坑排水系统是否经过试运行?四、基坑细部施工1. 基坑内部细部施工是否符合设计要求?2. 基坑内部设备、通风、照明等是否设置完善?3. 基坑内部是否设置警示标识?五、基坑验收1. 基坑工程质量是否符合相关规范要求?2. 基坑施工过程中是否存在质量问题?3. 基坑施工过程中是否有违规行为?4. 基坑工程验收过程中是否存在其他问题?六、验收结果1. 经过验收,基坑工程施工符合设计要求,达到验收标准。
2. 验收单位对基坑工程的施工情况给予肯定,并提出改进建议。
3. 经过整改、优化后重新提交验收。
以上是本次基坑工程施工完毕验收表的内容,由施工单位、监理单位、设计单位负责对基坑工程的施工质量进行验收。
希望本次基坑工程施工质量能够得到认可,在未来的使用过程中能够为项目提供良好的基础设施支撑。
感谢各位单位的辛勤付出和配合!。
基坑工程验收记录表示范表格
一、工程概况
工程名称:
工程位置:
建设单位:
施工单位:
二、基坑工程信息
基坑位置:
基坑规模:
基坑深度:
开挖日期:
封闭日期:
三、工程验收记录
序号检查项目验收要求验收结果备注
1 基坑开挖按设计要求进行开挖符合要求无异常情况
2 基坑支护支护结构牢固、稳定符合要求支护结构完好
3 排水系统有效排水,保持基坑干燥符合要求排水畅通
4 基坑安全安全措施到位,无安全隐患符合要求无安全隐患
5 基坑环境符合环保要求,无污染符合要求无污染情况
6 其他根据实际情况补充符合要求无
四、验收结论
经对基坑工程进行检查验收,各项工程符合设计要求和相关规范标准,达到了验收要求。
现予以验收通过。
五、附件
(可根据需要添加附件,如图纸、照片、报告等)
备注:请在验收过程中,注明存在的问题、解决办法及实施结果,并签字确认。
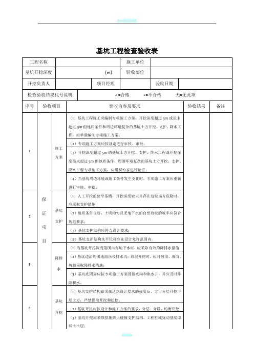
基坑支护验收表基坑支护验收表工程名称:xxxxxx工程地点:xxxxxx建设单位:xxxxxx施工单位:xxxxxx监理单位:xxxxxx验收日期:xxxx年xx月xx日序号检查项目检查内容及说明检查结果备注1 基坑开挖审查基坑开挖的质量,其中包括基坑的底部及周边,以及基坑内各种设备和管线的构造和布置合格/不合格2 基础准备审查基坑底部的平整度和对地面的准备程度,其中包括基坑内的堆放和垃圾处理。
合格/不合格3 支撑结构审查支撑结构的质量和尺寸,以及使用的材料和技术是不是符合设计要求。
合格/不合格4 防水及排水审查基坑防水和排水系统的设计以及井道等管道布局是否符合要求,水泵和排水管的安装是否符合要求。
合格/不合格5 地面交通审查基坑周边的地面交通,包括道路封闭、人行道施工、交通安全、施工标志等。
合格/不合格6 动力和通讯审查基坑内的通讯和动力设备的安装和移除,以及所有设备和管道是否有合适的标记。
合格/不合格7 安全设备审查监测设备是否安装在需要的位置并正确运行,并对所有实验室进行检查。
合格/不合格8 危险预防审查是否有足够的措施来避免施工过程中可能出现的危险。
这些措施包括紧急逃生计划、可燃物质存储、火警报警器以及消防设施等。
合格/不合格9 技术文件审查所有施工图纸、标准及规范是否完备,同时检查所有校核数字和文档是否正确。
合格/不合格10 竣工文件审查所有竣工文件以及相关证件,如溶洞发现记录和基坑现场图片。
合格/不合格备注:这一验收表仅供参考,根据实际情况可能会有所调整。
在进行基坑支护验收的时候,施工单位、监理单位和建设单位应仔细核对上述项目,并根据检查结果做出相应的决定。
施工现场围挡验收表
注:由项目经理组织相关人员进行验收。
基坑支护、降水安全验收表
注:1.基坑支护深度超过5m由项目负责人、项目技术负责人、分包单位技术负责人和监理单位相关人员进行验收。
2.基坑支护工程验收应根据施工方案要求进行分段验收。
表7.3.2土方开挖安全验收表
注:1.深度5m以上土方开挖工程由项目负责人、项目技术负责人、分包单位项目负责人和监理单位相关人员进行验收。
2.土方开挖工程验收应根据施工方案要求进行分段验收。
塔式起重机固定混凝土基础验收表
表8.1.8.1-建筑施工起重机械(塔式起重机)预制拼装基础验收表。