五金加工质量检验规范格式
- 格式:xls
- 大小:1.34 MB
- 文档页数:2
五金件检验规范1.目的及适及范围:本检验规范为了进一步提高五金制品的质量,在产品生产及出厂时能严格把关,制定出适应本公司的五金件检验标准,为外观检验提供科学、客观的方法。
对某些无法用定量表明的缺陷,用供需双方制订的检验标准和封样的办法加以解决。
本检验规范适用于金属五金件制成的产品及其相关加工组成品,及小五金件(如螺丝,卯钉等)的检验与验收。
2. 参照文件本检验规范参照金属冷冲压件通用技术条件本规范若与零件图/规格相抵触, 则以零件图/规格为优先本规范若与参考文件相抵触, 则以本规范为优先3. 内容:术语:刮伤---手指感觉不出之线凹痕或痕迹。
裂缝---材料部份断裂,典型的例子是以生在折弯引伸加工之外侧,因内/外力或机械损伤而造成的裂纹和细小开裂。
披锋---剪切或冲压导致残留不平整边缘,模具设计需使客人接触到的披锋减至最少。
梗屎---通常此种痕迹产生与压印及冲压成型有关。
氧化---材料与空气中的氧起化学变化,失去原有特性:如生锈。
凹凸痕---表面异常凸起或凹陷。
擦伤---指材料表面因互相接触摩擦所导致的损伤。
污渍---一般为加工过程中,不明油渍或污物附着造成。
拉模---一般为加工过程中,因冲制拉伸或卸料不良导致。
变形/翘曲---五金件因内/外力而造成的整体的变形。
材质不符---使用非指定的材质。
焊痕---焊接所留下的痕迹。
喷溅---点焊时,从焊件贴合面或电极与焊件接触面间飞出熔化金属颗粒的现象。
脱焊---焊点分离。
错位---指焊件未正确定位。
错件---未依规定零件。
混料---混有不同规格的物料。
少件---少于标准数量.硬划痕---硬物摩擦造成的划痕或有深度的划痕细碎划痕---没有深度的划痕手印---在五金件表面或零件光亮面出现的手指印痕。
检验方法将待验品置于以下条件,作检验判定:A、目测距离: 距离产品25cmB、检验角度: 成45度目视检试之。
C、检验光源: 正常日光灯,室内无日光时用40W日光灯或60W普通灯泡的照度为标准。
五金件检验规范1.1本检验规范为了进一步提高五金制品得质量,在产品生1。
目得及适及范围:ﻫ产及出厂时能严格把关,制定出适应本公司得五金件检验标准,为外观检验提供科学、客观得方法、对某些无法用定量表明得缺陷,用供需双方制订得检验标准与封样得办法加以解决。
1。
2本检验规范适用于金属五金件制成得产品及其相关加工组成品,及小五金件(如螺丝,卯钉等)得检验与验收。
2。
参照文件本检验规范参照金属冷冲压件通用技术条件本规范若与零件图/规格相抵触, 则以零件图/规格为优先本规范若与参考文件相抵触, 则以本规范为优先3. 内容:3。
1 术语:刮伤—--手指感觉不出之线凹痕或痕迹、裂缝--—材料部份断裂,典型得例子就是以生在折弯引伸加工之外侧,因内/外力或机械损伤而造成得裂纹与细小开裂、披锋-—-剪切或冲压导致残留不平整边缘,模具设计需使客人接触到得披锋减至最少。
ﻫ梗屎-——通常此种痕迹产生与压印及冲压成型有关。
ﻫ氧化——-材料与空气中得氧起化学变化,失去原有特性:如生锈。
凹凸痕--—表面异常凸起或凹陷、ﻫ擦伤---指材料表面因互相接触摩擦所导致得损伤。
污渍-—-一般为加工过程中,不明油渍或污物附着造成。
拉模-——一般为加工过程中,因冲制拉伸或卸料不良导致。
变形/翘曲—--五金件因内/外力而造成得整体得变形、ﻫ材质不符—--使用非指定得材质。
焊痕—--焊接所留下得痕迹。
喷溅—-—点焊时,从焊件贴合面或电极与焊件接触面间飞出熔化金属颗粒得现象。
ﻫ脱焊—-—焊点分离。
错位---指焊件未正确定位。
错件—--未依规定零件。
混料-—-混有不同规格得物料。
少件—-—少于标准数量。
硬划痕—--硬物摩擦造成得划痕或有深度得划痕细碎划痕-—-没有深度得划痕手印———在五金件表面或零件光亮面出现得手指印痕。
3。
2 检验方法3.2、1外观缺陷得检验方法及要求: 将待验品置于以下条件,作检验判定:A 、目测距离: 距离产品25c mﻫB、检验角度: 成45度目视检试之。
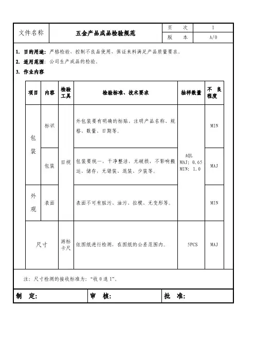
文件名称五金产品成品检验规范页次1版本A/01.目的用途:严格检验,控制不良品使用,保证来料满足产品质量要求。
2.适用范围:公司生产成品的检验。
3.作业内容项目内容检验工具检验标准、技术要求抽样数量不良程度包装标识目视外包装要有明确的标贴,注明产品名称、规格、数量、日期等。
AQLMAJ:0.65MIN:1.0MIN包装包装要统一,干净整洁,无破损,不影响搬运、储存,无错装、混装、少装等。
MAJ外观表面表面不可有脏污、油污、拉模、无变形等。
MIN尺寸游标卡尺依图纸进行检测,在图纸的公差范围内。
5PCS MAJ注:尺寸检测的接收标准为:“收0退1”。
制定:审核:批准:文件名称披锋、攻牙加工检验规范页次1版本A/01.目的用途:严格检验,控制不良品使用,保证来料满足产品质量要求。
2.适用范围:公司外发披锋、攻牙加工。
3.作业内容项目内容检验工具检验标准、技术要求抽样数量不良程度包装标识目视外包装要有明确的标贴,注明产品名称、规格、数量、日期等。
AQLMAJ:0.65MIN:1.0MIN包装包装要统一,干净整洁,无破损,不影响搬运、储存,无错装、混装、少装等。
MAJ外观表面表面不可有脏污、油污、拉模、无变形等。
攻牙干净,披锋不可有漏加工。
MIN尺寸游标卡尺牙规依图纸进行检测,在图纸的公差范围内。
5PCS MAJ注:尺寸检测的接收标准为:“收0退1”。
制定:审核:批准:文件名称喷油、喷粉产品进料检验规范页次1版本A/01.目的用途:严格检验,控制不良品使用,保证来料满足产品质量要求。
2.适用范围:本公司外发喷油、喷粉产品的检验。
3.检验规范项目内容检验工具检验标准、技术要求抽样数量不良程度包装外观目视外包装整洁、牢固,不影响搬运、储存,方式统一。
AQLMAJ:0.65MIN:1.0MIN 标识有明确的标贴,注明产品名称、规格、型号、数量、日期。
MAJ 包装同种产品同种包装,不同规格隔分开包装。
MAJ外观目视喷油、喷粉颜色与样板相同,表面无喷油、喷粉层脱落、刮花等外观不良。
五金类零件质量检验规范(ISO9001-2015)零件名称五金件适用范围光幕外壳、铜壳、螺丝、螺钉、螺帽、磁芯等五金件抽样方案GB/T 2828.1-2012正常检查一次抽样方案,一般检查水平Ⅱ进行(除特殊指定外); AQL=0.01(CR),AQL=1.0(Ma),AQL=2.5(Mi)检验项目检验内容及要求检验要求及工具不合格品缺陷分类备注/抽样水平CR Ma Mi包装/标识1、检查包装及料盘外观,应无破损、变形、淋湿、散乱等现象;目测★2、内、外包装上必须有标识,标识上必须有物料码、供方名等内容;实物应与标识内容相符。
;目测★外观1、表面无氧化、异物、锈蚀等;目测★2、喷涂层、镀层或防锈层厚度均匀,涂层颜色与样品一致;目测★3、加工件平整光滑,边缘无毛刺;目测★4、不能出现变形、影响安装等异常。
目测★5、外观缺陷限度标准:划伤(深度不刮手):宽度≦0.15,累积长度≦10;杂点:直径≦0.3,个数≦5,间距≧50(直径≦0.1不计);;目测/卡尺★6、锐角倒钝倒角按图加工;目测★尺寸1、尺寸是否符合规格要求。
卡尺★2、无法检验的项目进行试装(螺纹、光幕外壳等)或与样品对照;铜壳螺纹必须严格内控,试装★进行全检,不良品进行隔离退货处理。
检验步骤及内容1、对单:根据货仓开出的I QC 进料检验单,核实相应型号和数量,再查找相应产品规格标准书。
2、抽样:根据检验项目,取待检物料,准备检验工具/仪器,参照规格书进行随机抽样检验。
3、判定/标识:将不良品标识清楚并及时隔离,以物料检验报告单的形式交由上级处理。
将 PASS 好的物料做好标识放入指定区域,并做好相关记录。
注意事项1、严格按规格进行检测。
2、检测时,测量数据必须在规格标准的误差范围内。
图示。
五金行业质量标准四.定义4。
1A面:指组装成整机后的正前面、上表面(在使用过程能直接看到的表面);4。
2B面:指组装成整机后的侧面(需将视线偏转45°~90°才能看到的四周边).4。
3C面:指组装成整机后的背面及底面(正常使用时看不到的背面及底面).4。
4△E(DELTA—E):在均匀颜色感觉空间中,人眼感觉色差的测试单位。
当△E为1。
0时,人眼就可以感觉到色彩的变化了。
这种测试方法用于当顾客指定或接受某种颜色时,用以保证色彩一致性的量度。
4。
5 毛边:由于机械冲压或切割后未处理好,导致加工件边缘或分型面处所产生的金属毛刺.4。
6划伤:由于在加工或包装、运输过程中防护不当导致产品表面出现的划痕、削伤。
4.7裁切不齐:由于产品在加工过程中定位或设备固定不当,导致产品边缘切割不齐.4。
8变形:因加工设备调校不当或材料因内应力而造成的产品平面形变.4。
9氧化生锈:因产品加工后未进行相应防锈处理或处理措施不当,而导致产品表面出现锈斑。
4.10尺寸偏差:因加工设备的精度不够,导致产品尺寸偏差超过设计允许水平。
4.11“R角”过大:产品因折弯或冲压设备精度不够,导致折弯处弧度过大。
4。
12表面凹痕:由于材料热处理不好或材料生锈,其内部杂质导致金属表面形成的凹痕。
4。
13倒圆角不够:产品裁切边缘因切割或冲压原因产生的锐边未处理成圆弧状,易导致割手。
4.14焊接疤痕:产品焊接后未经打磨刨光而残留的凸起疤痕。
4。
15色差:产品表面颜色与标准样品颜色有差异。
4。
16异色点:在产品表面出现颜色异于周围颜色的点。
4.17破裂:因机加工损伤而造成产品的裂纹或细小开裂。
4.18麻点:喷涂件表面上有附著的细小颗粒。
4.19堆漆:喷涂件表面出现局部的油漆堆积现象。
4.20阴影:喷涂件表面出现的颜色比周围暗的区域。
4。
21露底:喷涂件出现局部的油漆过薄而露出底材颜色的现象。
七.检验标准7。
1 说明7.1.1 当缺陷的直径D<0。
五金产品进料检验标准一.目的为规范五金件的检验作业,明确检验内容和要求,有效管控材料品质,确保满足顾客和生产需要。
二.范围适用于公司所有五金件的进料检验。
.抽样方案采用GB/T2828.1-2003单次抽样,检查水平(IL )和接收质量(AQL遵循如下规定:表1常用单位代码对照表七.检验标准7.1说明7.1.1当缺陷的直径D v 0.30mm且不连续时,可以不作为缺陷。
7.1.2以下所提到的不良缺陷的数目均指单面上的不良缺陷数目。
7.1.3以下所提到的不良缺陷的数目中A面缺点总数不大于3, B面缺点总数不大于5, C 面缺点总数不大于7。
7.1.4各材料如有标准未规定要求或不同于本标准要求,则按相应图纸或样板、采购单及客户要求执行。
7.2包装检验标准721外层整齐、合理,包装箱完好无破损且保持整洁干净。
7.2.2外层包装上应明确标示其物料的规格、数量、名称、订单号、生产日期等且与实物相符合。
7.3尺寸检验标准7.3.1按相应材料的图纸、样板、采购单、订购单上尺寸要求执行。
7.4试装检验7.4.1取出五金件各配件试装,符合成品装配要求,无装配不良。
7.4.2外壳装配后间隙v 0.50mm,段差v 0.30mm。
7.5素材外观检验标准,详细见下表:表2素材外观检验标准注:注点缺陷包括异色点、杂质、亮斑等呈现点状形态的缺陷7.6喷涂外观检验标准表3喷涂外观检验标准注:注点状缺陷包括颗粒、麻点、毛丝、鱼眼等呈现点状的缺陷7.7电镀、发黑等表面处理外观检验标准,详细见下表:表4电镀、发黑等表面处理外观检验标准注:注点状缺陷包括颗粒、麻点、毛丝、鱼眼等呈现点状的缺陷八.测试项目检验方法及允收标准8.1表面磨损试验8.1.1酒精擦拭试验a)测试规范及要求:用浓度为95-98%的酒精湿润棉布,以500 g的力,每秒一次循环的频率来回擦于被测样品表面涂装处,擦拭长度大于5cm,擦拭20次有丝印字体不可有变形与脱落形象,100次后喷涂不可露底。
五金检验标准书1.目的:为确保供货商交货之品质,合乎本公司之规格需求,降低制程品质之不良率,特拟定本检验规范作为检验之标准依据对零件、半制程品之进料品质,予以稽核检查,以确保品质。
2.范围:凡本公司制造用之通讯类产品五金类零件均属之,针对所检验项目之品质,予以迅速判定允收或批退,其种类包括弹片,螺母,螺钉,屏蔽片,转轴……….等。
3. 检验方式与基准:准外观检验参照MIL-STD-105E调整型计数值抽样检验计划AQL LEVELⅡCR=0,MA=0.65,MI=1.5;尺寸检验,则参照图面重要尺寸量测 3pcs 为基。
4. 使用仪器设备:a)卡尺.b)厚薄规.c)样品.5. 产品不良时的处理方法:5.1IQC 人员在检验或抽验时,发现之缺点应反映给主管。
5.2IQC 人员应立即以相关文件以通知采购、材料供货商进行立即且有效地处理VQA应对于厂商品质改善之情况做持续性追踪与确认。
5.3 检验后之处置:a) 在检验时,如发现不良品其数量在允收范围内,应将不良品贴上红色不良卷标,注明料号不良原因,置于不合格区并在验收单上扣除不良数量。
b). 在检验时,如发现不良品其数量超过允收范围内时,应整批批退并贴上红色不合格卷标,并将不良品集中,并在外箱上注明不良品并送至不合格区。
6检验前准备:6.1确认材料料号、厂牌之图面资料,承认书及检验注意事项。
6.2 核对料号与验收单之料号是否符合。
6.3 检验记录表。
7. 测试方法与步骤:更多免费资料下载请进:好好学习社区7.1 外观尺寸检查:a).尺寸有无超出规格之外。
b).螺丝孔径是否正确,位置有否偏移。
c).螺丝牙径是否正确。
d). 螺母孔径有无毛边。
e).电镀颜色是否正确。
f).材质是否正确。
g).螺丝有无黏合不开。
h).电镀有无不良。
i).有无生锈氧化。
j).无刮伤。
k).转轴底座有无变形。
l) 屏蔽片之平面度是否符合规格7.2机构部份:a) E扣有无松脱。
五金把手厂检验规范及作业指导书五金把手是家居用品的重要组成部分,确保其质量合格非常重要。
为了保证五金把手的品质,制定了一系列的检验规范和作业指导书。
以下是一个关于五金把手厂检验规范及作业指导书的示例,详细说明了五金把手制造过程中需要遵循的要求和步骤。
这个示例文档共计1200字以上。
一、引言五金把手在家居用品中有着重要的作用,质量合格的五金把手可以提高家居产品的实用性和美观性。
为了确保五金把手的品质,制定了本检验规范及作业指导书,以便在制造过程中进行有效的质量控制。
二、检验规范1.原材料检验:-采购原材料前,进行样品检验,确认是否符合要求。
-检验原材料的外观、尺寸、强度等参数,确保符合相关标准。
2.工艺控制:-设定合理的生产工艺,并制定详细的生产工艺流程。
-检查工艺设备的性能和状态,并进行维护。
如发现异常,及时进行修理。
3.生产过程检验:-在生产过程中,定期抽取合格样品进行检验,确保产品质量。
-根据检验结果,及时调整生产参数,确保产品制造符合要求。
4.成品抽样检验:-每批成品抽取合格样品进行检验,对五金把手的外观、尺寸、强度等进行检查。
-检验合格后,方可入库出售。
如发现缺陷,需及时进行整改或退货。
5.定期质量评估:-对五金把手的质量进行定期评估,检查是否存在质量问题,并进行分析原因。
-根据评估结果,及时调整生产工艺和质量控制措施。
1.原材料准备:-检查原材料是否符合要求,如有异常情况及时报告。
-规定原材料的存储和保管方法,防止损坏和混淆。
2.工艺设备操作:-熟悉工艺设备操作方法,确保设备正常工作。
-按照工艺流程进行操作,并认真记录相关数据。
3.生产过程监控:-定期检查生产过程中的产品质量,确保符合要求。
-对关键工序进行重点监控,如有异常情况及时处理。
4.成品抽检:-每批成品抽取样品进行检验,并认真记录检验结果。
-如发现质量问题,立即停止生产并进行整改。
5.定期质量评估:-评估过程中,及时处理问题,并对评估结果进行记录和分析。
最新版五金检验标准规范五金产品作为工业和日常生活中不可或缺的一部分,其质量直接影响到产品的性能和安全性。
因此,制定一套科学、合理的五金检验标准规范至关重要。
以下是最新版的五金检验标准规范内容:一、前言随着五金行业的快速发展,对产品质量的要求也越来越高。
本规范旨在为五金产品的质量检验提供统一的标准和方法,确保产品符合市场和消费者的需求。
二、适用范围本规范适用于各类五金产品,包括但不限于工具、紧固件、锁具、铰链、门窗五金等。
三、检验分类1. 外观检验:检查产品表面是否有划痕、锈蚀、变形等缺陷。
2. 尺寸检验:测量产品的尺寸是否符合设计要求。
3. 性能检验:测试产品的功能是否正常,如锁具的开闭、工具的扭力等。
4. 耐久性检验:评估产品在长期使用过程中的稳定性和耐用性。
5. 安全性检验:确保产品在使用过程中不会对用户造成安全隐患。
四、检验方法1. 视觉检验:通过肉眼或放大镜检查产品的外观缺陷。
2. 测量工具:使用卡尺、千分尺等工具进行尺寸测量。
3. 性能测试设备:利用专业设备测试产品的性能指标。
4. 耐久性测试:模拟实际使用环境,进行循环测试。
5. 安全测试:进行压力测试、冲击测试等,确保产品结构安全。
五、检验标准1. 外观检验标准:产品表面应无明显划痕、锈蚀、变形等缺陷。
2. 尺寸检验标准:产品尺寸应严格控制在设计公差范围内。
3. 性能检验标准:产品应满足特定的性能要求,如扭力、开闭次数等。
4. 耐久性检验标准:产品应能承受一定次数的循环使用而不发生故障。
5. 安全性检验标准:产品在使用过程中应无安全隐患,如无锐边、无易脱落部件等。
六、检验流程1. 样品抽取:按照规定的比例从批次中抽取样品进行检验。
2. 检验准备:准备所需的检验工具和设备。
3. 检验实施:按照检验方法和标准对样品进行检验。
4. 结果记录:详细记录检验结果,并进行数据分析。
5. 问题反馈:对检验中发现的问题及时反馈给生产部门。
七、不合格品处理1. 对检验不合格的产品进行标识,并隔离存放。
五金件检验规范1.目的及适及范围:1.1本检验规范为了进一步提高五金制品的质量,在产品生产及出厂时能严格把关,制定出适应本公司的五金件检验标准,为外观检验提供科学、客观的方法。
对某些无法用定量表明的缺陷,用供需双方制订的检验标准和封样的办法加以解决。
1.2本检验规范适用于金属五金件制成的产品及其相关加工组成品,及小五金件(如螺丝,卯钉等)的检验与验收。
2. 参照文件本检验规范参照金属冷冲压件通用技术条件本规范若与零件图/规格相抵触, 则以零件图/规格为优先本规范若与参考文件相抵触, 则以本规范为优先3. 内容:3.1 术语:刮伤---手指感觉不出之线凹痕或痕迹。
裂缝---材料部份断裂,典型的例子是以生在折弯引伸加工之外侧,因内/外力或机械损伤而造成的裂纹和细小开裂。
披锋---剪切或冲压导致残留不平整边缘,模具设计需使客人接触到的披锋减至最少。
梗屎---通常此种痕迹产生与压印及冲压成型有关。
氧化---材料与空气中的氧起化学变化,失去原有特性:如生锈。
凹凸痕---表面异常凸起或凹陷。
擦伤---指材料表面因互相接触摩擦所导致的损伤。
污渍---一般为加工过程中,不明油渍或污物附着造成。
拉模---一般为加工过程中,因冲制拉伸或卸料不良导致。
变形/翘曲---五金件因内/外力而造成的整体的变形。
材质不符---使用非指定的材质。
焊痕---焊接所留下的痕迹。
喷溅---点焊时,从焊件贴合面或电极与焊件接触面间飞出熔化金属颗粒的现象。
脱焊---焊点分离。
错位---指焊件未正确定位。
错件---未依规定零件。
混料---混有不同规格的物料。
少件---少于标准数量.硬划痕---硬物摩擦造成的划痕或有深度的划痕细碎划痕---没有深度的划痕手印---在五金件表面或零件光亮面出现的手指印痕。
3.2 检验方法3.2.1外观缺陷的检验方法及要求:将待验品置于以下条件,作检验判定:A、目测距离: 距离产品25cmB 、检验角度: 成45度目视检试之。
五金件检验规范1.目的及适及范围:1.1 本检验规范为了进一步提高五金制品的质量,在产品生产及出厂时能严格把关,制定出适应本公司的五金件检验标准,为外观检验提供科学、客观的方法。
对某些无法用定量表明的缺陷,用供需双方制订的检验标准和封样的办法加以解决。
1.2 本检验规范适用于金属五金件制成的产品及其相关加工组成品,及小五金件 (如螺丝 ,卯钉等 )的检验与验收。
2.参照文件本检验规范参照金属冷冲压件通用技术条件本规范若与零件图 /规格相抵触 , 则以零件图 /规格为优先本规范若与参考文件相抵触 , 则以本规范为优先3.内容 :3.1 术语:刮伤 --- 手指感觉不出之线凹痕或痕迹。
裂缝 --- 材料部份断裂 , 典型的例子是以生在折弯引伸加工之外侧,因内/ 外力或机械损伤而造成的裂纹和细小开裂。
披锋 --- 剪切或冲压导致残留不平整边缘 , 模具设计需使客人接触到的披锋减至最少。
梗屎 --- 通常此种痕迹产生与压印及冲压成型有关。
氧化 --- 材料与空气中的氧起化学变化, 失去原有特性 : 如生锈。
凹凸痕 --- 表面异常凸起或凹陷。
擦伤 --- 指材料表面因互相接触摩擦所导致的损伤。
污渍 --- 一般为加工过程中 , 不明油渍或污物附着造成。
拉模 --- 一般为加工过程中 , 因冲制拉伸或卸料不良导致。
变形 / 翘曲 --- 五金件因内 / 外力而造成的整体的变形。
材质不符 --- 使用非指定的材质。
焊痕 --- 焊接所留下的痕迹。
喷溅 --- 点焊时,从焊件贴合面或电极与焊件接触面间飞出熔化金属颗粒的现象。
脱焊 --- 焊点分离。
错位 --- 指焊件未正确定位。
错件 --- 未依规定零件。
第1 页混料 --- 混有不同规格的物料。
少件 --- 少于标准数量 .硬划痕 --- 硬物摩擦造成的划痕或有深度的划痕细碎划痕 --- 没有深度的划痕手印 --- 在五金件表面或零件光亮面出现的手指印痕。
品 名料 号版 次A/0材质AQL 千分尺序号
频率工具1
AQL 卡尺2
AQL 卡尺3AQL 目视5
6
7
1
AQL 目视2
AQL 目视3
AQL 目视4
5
678
9
10
11
12
13
12日期34来料检验规范
特
记
事
项IQC依抽样计划对产品进行抽样检验;外观检验可参与客户外观检验标准或限度样板进行判定;其它未注尺寸参照客户图纸或客户承认签样进行确认;
洛氏硬度计AQL HRB50-HRB714
表面不可有明显压伤,划痕;剪口位不可有明显利角,毛刺;检验频率检验工具检验项目
检 验 内 容客 户
视 图SPCC,T=0.5
适 用公差值尺
寸
检
验T=0.5186ROHS 《SGS报告》规格值材料不可有明显扭曲变形;±0.05±0.5外
观
检
验制 定
审 核核 准修改内容A1.0首次发行来料检验 制程检验 成品检验工程别: 品名:SPCC 品号:09012-004修改版次12。