加工件验收标准
- 格式:doc
- 大小:15.50 KB
- 文档页数:2
非标准件机械加工验收标准非标准件机械加工是指根据特定需求进行加工的零部件,通常不符合标准零部件的尺寸和形状。
由于非标准件机械加工的特殊性,其验收标准也与标准件不同。
本文将就非标准件机械加工验收标准进行详细介绍,以便广大机械加工从业者在实际操作中能够准确把握验收标准,确保产品质量。
首先,对于非标准件机械加工的验收标准,我们需要关注以下几个方面:1. 尺寸精度,非标准件机械加工的尺寸精度是其重要的验收指标之一。
在验收过程中,需要根据设计要求对加工件的尺寸进行测量,并与设计图纸进行比对。
尺寸偏差不应超出设计要求的公差范围,否则将影响零部件的装配和使用。
2. 表面质量,非标准件机械加工的表面质量对于其外观和功能都有着重要的影响。
在验收时,需要对加工件的表面进行检查,确保其表面光洁度、平整度和无裂纹、气泡等缺陷。
同时,还需根据设计要求检查表面的粗糙度和加工痕迹,以确保其符合要求。
3. 材料成分和力学性能,非标准件机械加工所使用的材料成分和力学性能直接影响其使用寿命和安全性。
在验收时,需要对材料进行化学成分分析和力学性能测试,确保其符合设计要求,并能满足实际使用条件下的要求。
4. 其他特殊要求,根据具体的非标准件机械加工需求,还可能存在其他特殊的验收要求,如密封性能、耐磨性能、耐腐蚀性能等。
在验收过程中,需要根据实际情况对这些特殊要求进行检验,确保其符合设计要求。
总之,非标准件机械加工的验收标准是一个综合性的过程,需要从尺寸精度、表面质量、材料成分和力学性能等多个方面进行全面考量。
只有严格按照验收标准进行检验,才能确保非标准件机械加工的质量,满足实际使用的要求。
在实际操作中,机械加工从业者需要对非标准件机械加工的验收标准有着清晰的认识,并结合实际情况进行具体操作。
只有不断提高对验收标准的理解和把握,才能更好地保证非标准件机械加工产品的质量,满足客户的需求。
综上所述,非标准件机械加工验收标准是保证产品质量的重要环节,需要从多个方面进行全面考量,确保产品符合设计要求。
钢筋加工的精度要求与验收标准钢筋加工在建筑和工程领域中扮演着至关重要的角色。
它是构建坚固、可靠的建筑结构的基石。
为确保钢筋加工的质量,精度要求与验收标准是不可或缺的关键因素。
一、钢筋加工的精度要求在建筑中,钢筋的精度对于整个结构的稳定性和安全性至关重要。
钢筋加工的精度要求包括钢筋的尺寸、长度、弯曲度以及表面质量等方面。
首先,钢筋的尺寸精度要求是指钢筋的直径和截面积应符合特定的设计要求。
这可以通过钢筋的直径测量和截面面积计算来进行验证。
钢筋的尺寸精度要求是为了确保在结构中钢筋的数量和分布能够满足工程设计的要求,从而保证结构的强度和稳定性。
其次,钢筋的长度精度要求是指钢筋的实际长度与设计长度的偏差应在一定的容许范围内。
这是为了确保钢筋能够准确地嵌入混凝土中,并与其他构件正确连接,以提供足够的支撑和强度。
还有钢筋的弯曲度精度要求,这是指钢筋在弯曲过程中所允许的偏差范围。
弯曲度精度的要求主要是为了确保钢筋能够与其他构件紧密配合,以提高结构的稳定性和耐久性。
最后,钢筋的表面质量也是精度要求的一部分。
钢筋表面应光滑,没有沟槽、裂缝和其他缺陷。
这是为了确保钢筋与混凝土之间有良好的粘结,从而提高结构的整体强度和耐久性。
二、钢筋加工的验收标准为了确保钢筋加工的质量,验收标准是必不可少的。
钢筋加工的验收标准包括工艺要求和外观检查两个方面。
首先,工艺要求是指钢筋加工过程中应遵循的技术规范和操作规程。
这包括钢筋的加工设备选择、加工工艺流程、加工环境要求等。
工艺要求的合理性和可行性对于钢筋加工的质量具有重要影响,因此必须加以严格监督和检查。
其次,外观检查是指对钢筋外观质量进行检查和评估。
外观检查应包括对钢筋的表面是否光滑、无裂缝、无脱皮等进行检查。
此外,还应对钢筋的尺寸、长度和弯曲度进行测量和检验,以验证是否符合设计要求。
除了工艺要求和外观检查外,钢筋的化学成分和物理性能也应进行检测和检验。
这是为了确保钢筋的质量达到相应的标准要求,从而保证结构的安全性和可靠性。
钣金机箱加工的验收标准
钣金机箱作为一种常见的机械构件,在工业生产中得到广泛应用。
为了保证机箱的质量和功能,需要进行严格的验收。
下面是钣金机箱加工的验收标准:
1.外观质量:钣金机箱应该外观整齐、平整、无凸起、无凹陷、无裂缝、无变形,表面应平滑、无锈蚀、无划痕。
2.尺寸精度:钣金机箱应符合设计要求的尺寸精度,如长宽高、孔距、孔径等,要与图纸一致。
3.装配精度:钣金机箱的零部件装配应该符合要求,各零部件之间应该间隙适当,配合良好,无卡滞、松动等情况。
4.表面处理:钣金机箱表面处理应符合要求,如喷漆、电镀、抛光等,颜色、光泽度应一致、无气泡、无划痕、无漏涂等缺陷。
5.功能测试:钣金机箱在加工完成后应进行功能测试,包括通电测试、负载测试、工作噪声测试等,测试结果应符合设计要求。
6.包装及运输:钣金机箱应该进行专业包装,保证运输途中不受损坏,避免各种碰撞、摩擦等损坏情况。
以上是钣金机箱加工的验收标准,通过严格的验收,可以保证钣金机箱的质量和功能达到设计要求,提高生产效率,降低成本。
- 1 -。
数控加工中心验收标准《数控加工中心验收标准大揭秘》嘿,你知道吗?在机械制造的奇妙世界里,数控加工中心就如同一位超级英雄,拥有着强大的力量和精准的技能!而要让这位超级英雄真正发挥出它的威力,那验收标准可就是至关重要的秘籍啦,要是不重视,小心制造出来的产品变成“歪瓜裂枣”哦!一、精度的苛求:小数点后的舞蹈在精度的世界里,每一个小数点都像是一个小精灵,跳着精确的舞蹈!“精度啊精度,你可别乱跑,一丝一毫都不能少!”数控加工中心的精度验收那可是相当严格的呀!就好比射击比赛,必须要枪枪十环才行。
加工出来的零件尺寸偏差必须极小极小,小到可以忽略不计。
如果精度不达标,那生产出来的东西可能就没法完美组装,就像拼图缺了一块,多尴尬呀!比如说在制造精密仪器的时候,那对精度的要求简直比处女座还处女座,一丝一毫的偏差都可能导致整个仪器失效。
所以在验收的时候,一定要瞪大眼睛,拿着高精度测量工具,像侦探一样仔细检查每一个细节!二、稳定性的挑战:泰山般的屹立“稳定性呀稳定性,你得像泰山一样稳稳屹立!”这稳定性可太重要啦,就像人要站稳才能好好走路一样。
数控加工中心在运行过程中不能出现抖动、晃动等情况,不然加工出来的零件表面就会像月球表面一样坑坑洼洼。
想象一下,如果加工中心在工作时像个醉汉一样摇摇晃晃,那能做出好产品吗?这就需要检查机床的结构是否牢固,各部件之间的配合是否紧密,就像搭积木一样,要稳稳当当才行。
而且还要进行长时间的运行测试,看看它能不能一直保持稳定,可不能“三天打鱼,两天晒网”哦!三、效率的竞赛:风一样的速度“效率啊效率,你得像火箭一样飞速前进!”在这个快节奏的时代,时间就是金钱呀!数控加工中心的加工效率可不能低,不然怎么跟得上生产的需求呢?这就好比跑步比赛,谁跑得快谁就是冠军。
验收的时候要看它的切削速度、进给速度等指标是否达到要求,能不能快速地完成加工任务。
比如说在批量生产零件的时候,如果加工中心效率低下,那得浪费多少时间和成本呀!所以一定要选择效率高的数控加工中心,让它成为生产线上的“闪电侠”!四、功能的检验:全能战士的诞生“功能啊功能,你得像全能战士一样无所不能!”数控加工中心的功能可不能单一,它得具备多种加工能力才行。
1、目的:为了明确公司外协加工件加工技术要求、检验标准,使检验验收有章可寻,特制定本标准。
2、范围:本制度适用于公司所有外协加工件的加工要求和验收。
3、定义无4、职责4.1设备部负责外协加工件的图纸设计、修改及工件验收。
4.2供应链负责外协加工件供应商的选定,工件加工的跟踪及完成。
5、流程配件仓6、内容6.1外协机加工零件检验验收内容6.1.1尺寸精度:零件尺寸偏差应符合图纸公差要求,零件加工表面与基准面间尺寸误差不得超过图纸规定范围。
6.1.2形位公差:形状和位置公差,机加工表面宏观几何形状公差,误差,如:圆度,圆柱度,平面度,直线度等是否在图纸要求控制的范围内。
6.1.3位置精度:机加工零件表面与基准面间的相互位置,公差。
如平行度,垂直度,同轴度,对称度,圆跳动等是否在图纸要求控制的范围内。
6.1.4外观检验:外观检验包括零件的材料,表面光洁度,热裂变形,表面层力学物理特性,表面波度,去毛刺,钻孔后倒角,棱角倒钝及表面晶粒不均不良等。
6.1.5硬度检测:对零件表面硬度的检测。
如轴承位,刀刃等。
6.2公司常用机加工零件检验项目,测量工具及检验方法6.2.1刀具类1)外观用显微镜目测a)刀具表面是否有划痕,磕碰等现象。
b)刀具表面是否清洁无污渍,锈斑,焊斑等。
c)刀具光洁度是否达到图纸要求,各倒角部位是否倒角,去毛刺。
2)尺寸精度a)长度测量用游标卡尺,测量时考虑到端面与轴线垂直度误差,在测量长度时至少应在周向两个不同位置进行测量。
重点检测总长度,两端轴承长,同步轮位置等。
b)外径测量用外径千分尺,测量前需校对量具测量时外径千分尺应在外径上轻松摆动,轻松用力旋转尾端微调手柄。
在直径方向找出最小值为外径的最终尺寸。
c)内径测量用游标卡尺、内径百分尺,刀具的孔精度要求不高,可使用游标卡尺测量。
测量时卡尺作适量摆动测出最大值为内孔尺寸。
d)螺纹检验用螺纹规,符合螺纹规要求3)形状和位置公差a)跳动量和同轴度简单测量用百分表,把刀具,零件相同尺寸部位(基准圆)放在两个V形槽内,把带百分表的高度规一起放在平板上,表头对准被测部位,慢慢转动刀具,百分表指针变动量即圆跳动量或同轴度。
精心整理机械加工件检验标准1.目的规范机械加工件的检验标准,以使各工序过程的产品质量得以控制。
2.适用范围本标准适用于机械加工件的检验,图纸和技术文件并同使用。
如与国家标准和技术规范冲突时,以国家标准和技术规范为准。
3.4.5.5.1零件加工后应符合产品图样和技术条件及JB/T5000.9《重型机械通用技术条件切削加工件》规定。
5.2零件应按工序检查、验收,在前道工序检查合格后方可转入下道工序。
5.3铸钢件、铸铁件、有色金属铸件、锻件加工后如发现有砂眼、缩孔、夹渣、裂纹等缺陷时,在不降低零件强度和使用性能的前提下,允许按照相关标准的有关规定修补,经检验合格后方可继续加工。
5.4加工后的零件不允许有毛刺,除产品图样有要求外,不允许5.55.65.75.85.91)23)镀层表面允许有不严重的流痕及轻微的刮痕印,允许工件边缘色彩稍淡;4)钝化膜有一定的光泽,不到呈暗褐无光的泥巴色;5)钝化膜应牢固,用布揩擦不掉;在50℃~60℃的热水中煮1小时,颜色无显着减退。
6)镀层厚度8~12μm。
5.10表面热镀锌涂层的质量要求:1)表面应均匀、无毛刺、过烧、挂花、伤痕等缺陷,不得有影响2123455.12.1零件图样中未注明倒角时,按JB/T5000.9中表1规定倒角。
5.12.2零件图样中未注明倒圆尺寸又无清根要求时,应按JB/T5000.9中表2规定倒圆。
5.12.3螺纹1)普通螺纹精度按GB/T197规定的6H/6g执行。
2)普通螺纹收尾、肩距、退刀槽和倒角尺寸按GB/T3执行。
3)加工的螺纹表面不允许有黑皮、磕碰、乱扣和毛刺等缺陷。
4)内、外螺纹旋入侧在加工螺纹前必须倒角,外螺纹为45°,5于123)μm;值不4。
5.13.3角度(倾斜度)的未注公差见JB/T5000.9中表5。
5.13.4未注直线度和平面度见JB/T5000.9中表6。
5.13.5未注垂直度公差见JB/T5000.9中表7。
机加工自制件验收标准1、定义A级表面:自制件非常重要的装饰表面,即使用时始终可以看到的表面。
B级表面:自制件的内表面或不翻动时不能看到的表面。
C级表面:仅在自制件翻动时才可见的表面或内部部件。
2、机加工的要求1)、机加工件材料要符合图纸,选用的材料的符合国家标准。
2)、机加工件图纸未注尺寸公差参考国家标准线性尺寸的未注公差GB/T1804-f要求进行检验。
3)、机加工件图纸未注角度公差参考国家标准角度的未注公差GB/T11335-m要求进行检验。
4)、机加工件图纸未注形位公差参考国家标准形位的未注公差GB/T1184-H要求进行检验。
5)、图纸中尺寸标注为配合形式加工的,采用间隙配合,具体要求为:外配合为配作对象最大尺寸+0.01~+0.10mm:内配合为配作对象最小尺寸-0.10~-0.01。
3、机加工质量的控制1)、零件加工按照图纸加工,对图纸有标示不清、模糊、错误和对图纸产生疑问的与上级领导联系。
2)、零件加工按照工艺流程去做。
3)、零件加工过程中遇到加工错误或尺寸超出公差范围要与使用单位技术人员联系,使用单位技术人员将会确认零件可以采用或不可采用。
4)、需要划线加工的零件,加工后不允许有划线的痕迹。
5)、所有机加工的零件要去毛刺、钻孔后要倒角、棱角要倒钝(特殊要求除外)。
6)、碰到零件加工错误不应该善做主张对零件进行修改,应与使用单位技术人员联系获得技术支持。
4、机加工外观的控制1)、机加工中由于控制不力和操作不当造成机械碰伤、表面划伤的不允许存在A级表面,允许存在B,C 级表面.。
2)、变形、裂纹不允许存在A,B,C级表面。
3)、需要表面处理的零件表面不允许有氧化层、铁锈、凹凸不平的缺陷。
5、机加工质量检验1)、外观检验:不允许有翘曲、变形、裂纹、划伤、碰伤、凹凸不平及表面粗糙度符合要求。
2)、材料的检验:材料厚度符合国家标准。
3)、尺寸及公差的检验:零件的尺寸和公差符合图纸的要求。
4)、螺纹、孔的检验:采用牙规、塞规检验或用螺钉检验,螺纹的底孔不大于标准底孔的0.1mm。
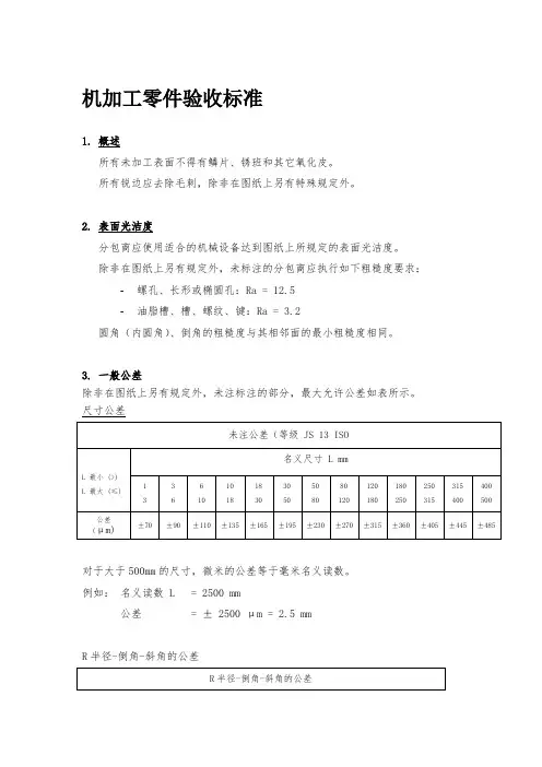
机加工零件验收标准1.概述所有未加工表面不得有鳞片、锈班和其它氧化皮。
所有锐边应去除毛刺,除非在图纸上另有特殊规定外。
2.表面光洁度分包商应使用适合的机械设备达到图纸上所规定的表面光洁度。
除非在图纸上另有规定外,未标注的分包商应执行如下粗糙度要求:-螺孔、长形或椭圆孔:Ra = 12.5-油脂槽、槽、螺纹、键:Ra = 3.2圆角(内圆角)、倒角的粗糙度与其相邻面的最小粗糙度相同。
3.一般公差除非在图纸上另有规定外,未注标注的部分,最大允许公差如表所示。
尺寸公差对于大于500mm的尺寸,微米的公差等于毫米名义读数。
例如:名义读数 L = 2500 mm公差 = ± 2500 μm = 2.5 mmR半径-倒角-斜角的公差举例:公差± 0.75 公差± 1角的公差所有未标注角的允许公差为:-± 0.2 mm 用于小于650mm的名义尺寸的公差-± 0.3 mm 用于大于650mm的名义尺寸公差平行度、垂直度、圆形度和同心度公差上述几何图形的一般公差等于尺寸公差的一半。
4.螺钉和螺栓孔的公差如果在图纸上未有特殊规定外,螺钉孔的公差在如下表中所示。
对于在表中为表示的直径,H14级用于公差。
若在图纸上未有标注的话,钻孔位置的公差如下表所示。
考虑到两种组件类型:- 螺栓连接的组件= 螺钉 + 螺帽:通孔- 螺钉连接组件= 螺钉 + 一个零件的螺纹5.表面热处理–热处理在热处理之后,分包商应采用适当的无损探伤的设备进行检验,以确认有无裂纹或收缩裂纹。
试验报告应提交给。
6.表面粗糙度等值按照如下表分包商应在图纸上认读粗糙度符号:7.几何尺寸分包商应使用图纸上所应用的,并按照如下表所定义的形位公差符号:举例:。
机械加工件检验标准1.目得规范机械加工件得检验标准,以使各工序过程得产品质量得以控制。
2.适用范围本标准适用于机械加工件得检验,图纸与技术文件并同使用。
如与国家标准与技术规范冲突时,以国家标准与技术规范为准.3.引用标准本标准得尺寸未注单位为mm.JB/T 5000、9《重型机械通用技术条件切削加工件》GB/T 1031《表面粗糙度参数及其数值》GB/T1800、4《极限与配合标准公差等级与孔轴得极限偏差表》GB/T 3《普通螺纹收尾、肩距、退刀槽与倒角》GB/T197《普通螺纹公差》GB/T1184《形状与位置公差未注公差值》GB/T1804《一般公差未注公差得线性与角度尺寸得公差》GB/T5277 《紧固件螺栓与螺钉通孔》4.原材料检验机械加工件所用板料,棒料得材质,规格与数量就是否符合按图加工所需.详细做好原材料入库记录.不合格材料办理好退货手续。
5.工序质量检验5、1零件加工后应符合产品图样与技术条件及JB/T 5000、9《重型机械通用技术条件切削加工件》规定。
5、2 零件应按工序检查、验收,在前道工序检查合格后方可转入下道工序.5、3铸钢件、铸铁件、有色金属铸件、锻件加工后如发现有砂眼、缩孔、夹渣、裂纹等缺陷时,在不降低零件强度与使用性能得前提下,允许按照相关标准得有关规定修补,经检验合格后方可继续加工。
5、4加工后得零件不允许有毛刺,除产品图样有要求外,不允许有尖棱、尖角.5、5 精加工后得零件不允许直接摆放在地面上,应采取必要得支撑、保护措施.加工面不允许有锈蚀与影响性能、寿命或外观得磕碰、划伤等缺陷.5、6 精加工后得配合面、摩擦面与定位面等工作表面不允许打印标记.5、7最终工序为热处理得零件,热处理后表面不应有氧化皮。
精加工后得配合面、齿面不应有退火、发蓝、变色得现象。
5、8 对于生产图样中要求电镀锌或热镀锌得零件,图中要求得配合面尺寸为含镀层后得尺寸。
5、9 表面电镀锌涂层得质量要求:1)镀层外观光滑细致、无起泡、起层、剥落、烧焦及海绵状沉淀;2)经铬酸钝化后,应具有绿黄略带有红色得彩虹色;3)镀层表面允许有不严重得流痕及轻微得刮痕印,允许工件边缘色彩稍淡;4)钝化膜有一定得光泽,不到呈暗褐无光得泥巴色;5)钝化膜应牢固,用布揩擦不掉;在50℃~60℃得热水中煮1小时,颜色无显著减退。
精密加工检验规范标准
前言
在现代制造业中,精密加工作为一种重要的生产方式,已经广泛应用于各种领域。
精密加工的质量和准确度对于制造精密零部件的成功至关重要。
因此,制定有效的检验规范标准非常关键。
本文将介绍精密加工检验规范标准,以保证生产出高质量、高准确度的零部件。
规范标准
1. 材料检验
在精密加工生产过程中,材料检验是确保部件质量的第一步。
必须对材料进行严格的检验,包括材料的化学成分、力学性能、物理性能等方面,确保材料符合要求。
2. 外观检验
外观检验是精密零部件制造必不可少的一步,应遵循以下要求:
1. 零部件必须无明显的缺陷和损坏。
2. 表面应平整,无明显划痕和凹陷
3. 做工应精细,无毛刺和切割不整齐的现象。
3. 尺寸检验
尺寸检验应遵循以下原则:
1. 零部件的尺寸应符合图纸、规范和标准要求。
2. 测量要准确,使用合适的测量工具。
3. 预留公差范围。
4. 功能检验
功能检验是确保零部件功能正常的重要步骤。
应针对不同的零
部件属性,制定不同的测试方案和参数,确保零部件功能符合要求。
结论
制定科学、合理、严格的精密加工检验规范标准,是确保生产
精密零部件质量的关键。
只有按照规范标准进行检验,才能保证精
密零部件的准确度、精度和功能性,也能够让客户放心使用。
机加工件检验规范1目的通过对机加工件的检验确保确保本公司生产的产品质量和安全性能要求。
2范围适用于本公司生产用的所有机加工件的检验。
3检验规范3.1机械加工零、部件~应满足图样~有关技术文件及本标准的规定。
3.2车床加工零、部件的锐边、尖角~除图样有特殊规定外~一般按0.5×45?倒角制作。
3.3经刨、铣、插、钻加工的零、部件~应除出锐边、尖角、毛刺和飞边。
3.4零、部件的已加工表面不准有锈蚀、碰痕、划伤等缺陷。
3.5机加工后~零、部件表面所获得的粗糙度~最低不准低于图样要求的粗糙度一个等级~最高不限制。
3.6零、部件不允许有机加工引起的退火、烧损、龟裂缺陷。
3.7已加工完的零、部件~其未加工表面应无气孔、夹渣、飞边的缺陷。
3.8检验工作程序3.8.1测量方法的选择根据被测工件的结构、尺寸、精度特征,现有计量器具的条件,遵循保证测量精密度、经济适用的原则~选择合理的测量方法。
3.9计量器具的选择3.9.1小批量工件~使用通用计量器具;大批量工件~使用专用量具、检验夹具。
3.9.2根据工件的结构和重量。
轻小简单工件~可放在计量仪器上测量,重大复杂工件~将计量器具放到工件上测量。
3.9.3根据尺寸大小和要求~确定计量器具的规格~其测量范围、示值范围、分度值等能满足测量要求。
3.9.4根据工件的尺寸公差~公差小~计量器具要求精度要高,公差大~计量器具要求精度应低。
3.10测量基本的选择3.10.1 测量基面选择遵守基面统一原则。
即测量基面与设计基面、工艺基面、装配基面一致。
3.11测量条件的控制3.11.1 工作场地应清洁;擦干净量具、检验平台、被测工件的各检验部位。
3.11.2核查量具检定证是否在有效期内~严禁使用无证、无效量具 3.11.3正确使用量具。
量爪面与测面平行,或垂直,~不准歪斜~避免用量具的使用不当影响测量准确性。
3.11.4 读数时量具应水平拿着朝向亮光~使视线尽可能与主副尺上所读数的刻度线垂直。
石材加工质量验收标准石材在建筑和装饰行业中广泛应用,通过石材加工可以使其适应不同的设计需求。
然而,为了确保石材加工的品质和质量,需要进行验收。
本文将介绍石材加工的质量验收标准,以指导相关方面进行准确的验收。
1. 材料选择在石材加工过程中,首先要考虑的是材料的选择。
材料的质量将直接影响最终产品的质量。
所选择的石材应符合设计方案和规范要求。
同时,还需要注意石材的色泽、纹理、硬度和密度等特性与要求是否相匹配。
2. 加工工艺石材加工工艺是石材加工过程中的核心环节。
合理的加工工艺不仅能够保证产品的美观,还能增强其使用性能。
加工工艺应遵循以下要求:- 石材的齿口、切削角度和滚刀刀具等参数设置应符合规范要求;- 加工设备的使用应符合操作规程;- 加工过程中应注意刀具的磨损情况,确保加工效果和产品的质量;- 加工过程中采取适当的冷却和除尘措施,以确保加工效果和操作环境的卫生。
3. 尺寸精度石材加工后的整体尺寸精度是评判其质量的重要指标之一。
尺寸精度直接关系到石材的安装性能和装饰效果。
加工前要根据设计要求进行准确的测量,并在加工过程中进行有效的控制,以确保各个部件的精度一致性。
4. 表面质量石材的表面质量直接影响其整体美观度和光洁度。
石材表面应无裂缝、划痕、颜色不均匀等缺陷。
同时,还要检查表面的光滑度和平整度,确保在不同角度观察下没有较大的偏差。
5. 角度和边缘在石材加工中,角度和边缘的处理也是关键环节。
角度应根据设计要求进行精确的制作,确保各个角度的一致性。
边缘的断裂、均匀性和光滑度也需要进行仔细检查,以确保产品的整体质量。
6. 结构连接和配件在石材加工的过程中,需要进行结构连接和配件的安装。
结构连接应牢固可靠,配件应和石材完美结合,确保整体装饰效果和使用性能。
验收时需要检查结构连接的紧固件使用情况,以及配件与石材之间的粘结程度和协调性。
7. 包装和运输在完成石材加工后,还需要进行包装和运输。
包装应符合规范要求,以防止石材在运输过程中受到损坏或变形。
加工件外观检验标准1 范围本程序规定了无任何表面处理一般加工件(机加工部位)在样品验证、月度抽检和批次检验的过程中外观可接收的标准。
本程序适用各车间一般机加工件的外观质量检验。
2 定义粗糙度:表面光洁程度。
撞伤:工件上的浅坑。
划痕:浅的沟槽。
污渍:工件上的可见的油渍。
毛刺:机加工后产生的尖锐突起。
3. 外观等级分类3.1产品分类:A一般结构件 B 轴类 C 其他类3.2部件表面可见程度分类:Ⅰ经常被注意到的(客户在使用时经常会看到的,正面的)。
Ⅱ偶尔被注意到的(客户在使用时不经常看到的,侧面和底面的)。
Ⅲ难以被注意的(只用在安装或维修时才能看到的,内部的)。
4. 职责负责对送检的零件按本作业指导书进行检验,并判定合格或不合格。
根据公司产品质量要求的变化及时修正本作业指导书。
5. 验收标准5.1 机加工件材料应符合图纸要求。
6.2 通用要求6.2.1工件表面应没有污渍(不可擦除的)。
6.2.2工件不得有锐边(以一般手指触摸没有扎手感),不得有毛刺。
6.2.3表面粗糙度应符合图纸要求。
6.2.4螺纹孔内不得有切削液,攻丝油等(防锈油除外)残留。
6.2.5工件表面不允许有锈斑,锈迹。
6.3 表面撞伤,划伤判定标准。
注:表内缺陷数是在200mmX300mm范围内。
如物料还需要再进行表面处理,焊接等二次加工的,按不影响使用和二次加工判定。
如遇特殊异常(严重撞伤,明显有损观瞻的)由车间与客户协商处理。
7 包装和保护7.1 供方应采用合适的流转器具装运工件,避免跌落与磕碰。
7.2 如工件的表面要求比较高,应制作专用的流转器具或进行必要的包装。
8、外观存在的问题。
外协加工件入厂验收规定
(一)图纸、零件、自检报告。
1.凡是由我方带图委托加工的零件,交回零件的同时交回原来图纸,要求完整清楚无油污。
2.自检报告要写明材料来源和材料牌号,热处理和表面处理的技术要求。
超差品要写明实际测量尺寸。
3.零件要按类分箱分包不能混装。
合格品和超差品要分开包装分箱。
数量准确,标识明显。
(二)验收方法:
1. 单件零件,100%检查。
2. 批量零件按照《自检报告》数量抽检10%。
抽检的10%达到100%合格为全部合格入库(或转工)。
3. 10%中抽出二件不合格,本批零件拒绝验收,退回厂家进行重新检验。
4. 10%中有一件不合格,就加量抽检20%。
二次抽检20%中100%合格视为全部合格入库(或转工)。
(但10%抽检的一件不合格品不能记为合格品数量)。
5. 若20%中再抽检出来一件不合格品,本批零件拒绝验收,退回制造厂家进行重新检验,重新填写自检报告。
(三)超差品验收:
1. 抽检10%中有二件于自检实测记录不相符时,退回厂家自检。
2. 抽检10%中100%符合自检条件时,根据产品使用的技术条件,判定超差代用或报废。
3. 超出检验员判定超差代用范围的超差品,由制造单位自己请力升技术部批准。
4. 所有同意接受的超差品,检验员在入库单上均注明“超差代用接收”字样。
(四)热处理,镀锌,镀铬,镀镍、氧化,钝化,喷塑及发黑等表面处理零件按照实际情况仿照上述检查验收。
品管部2012-10-21。
加工产品工序质量验收标准
按照产品的使用要求,对产品质量验收制定符合使用要求的质量验收标准。
一、矿车及皮带机类
1、型材下料切口整齐,毛刺、飞边打磨光滑,不割
手,长度允许公差不得大于±1.5mm,薄板下料用
剪板机,长度允许公差不得大于±1mm,对角线
允许公差不得大于±2mm。
2、所有加工件或焊接件外型必须美观、光滑、无毛
刺、无焊渣、喷漆均匀。
3、机加工件加工公差满足图纸要求和装配要求,加
工表面光洁、无毛刺。
4、钳工钻孔满足图纸要求及装配要求,孔间距误差
不得大于±0.5mm。
5、型钢及各类矿车的焊接,要求焊缝均匀美观,母
材融合深度大于4mm,焊缝高度不低于3mm,焊
后清渣。
6、各类矿车轮对安装后运转灵活,轨距、轴距满足
图纸要求,轨距误差不得大于±2mm,同时单轮
离轨间隙不得大雨5mm。
7、皮带机制作完工后要安装并拭运行,运行时间不
得低于半小时。
运行过程无杂音。
8、喷漆前清渣并去除飞溅物,打磨边角、飞棱,以
防将人手划伤。
二、托棍类
1、管皮下料长度均匀一致,无毛刺,车削加工定位
均匀,长度公差不得大于±0.25mm。
2、轴料下料长度公差不得大于±1mm,卡簧槽间距
公差不得大于±0.25mm。
3、轴承座与管皮用CO2保护焊焊接,焊缝结实,无
漏焊,焊缝表面均匀美观。
4、轴承装配黄油充足,转动灵活,轴向无窜动。
5、表面喷漆美观均匀。
委托加工中的质量验收标准在委托加工过程中,质量验收标准是确保产品质量达到要求的重要一环。
本文将从产品样品、工艺要求、外观检查和性能测试四个方面,探讨委托加工中的质量验收标准。
一、产品样品在委托加工中,供应商通常会提供产品样品,以供委托方参考。
委托方在验收环节中应仔细比对产品样品与实际产品的相似度,确保产品的尺寸、形状、材质和颜色等方面与样品一致。
如果发现样品与实际产品存在明显差异,则需进行进一步的质量检查。
二、工艺要求委托方在委托加工时通常会提供工艺要求,包括产品生产过程中的各项细节和规范。
在质量验收环节中,委托方应仔细核对工艺要求是否得到了正确执行。
例如,如果工艺要求中规定了特定的生产温度和时间,则委托方需确认供应商是否按照要求进行操作。
只有当工艺要求得到有效执行时,产品的质量才能得到保证。
三、外观检查产品的外观质量是委托加工中的重要考量因素之一。
在质量验收中,委托方需要对产品的外观进行仔细检查。
这包括外观的整体协调性、外观零部件的安装情况、表面是否有划痕或凹凸不平等问题。
同时,委托方还需要关注产品的涂装和喷涂效果,确保颜色均匀、涂料附着牢固。
四、性能测试除了外观检查,委托方还需要进行性能测试,以评估产品的功能是否达到预期要求。
根据不同的产品类型,委托方可以采用不同的测试方法。
例如,对于电子产品,可以进行电气性能测试和耐压测试;对于机械设备,可以进行运转测试和寿命测试。
通过性能测试,委托方可以客观评估产品的质量状况。
综上所述,委托加工中的质量验收标准包括产品样品的比对、工艺要求的核查、外观检查和性能测试。
委托方应建立完善的质量验收流程,并与供应商保持良好的沟通,确保产品质量符合要求。
只有通过严格的质量验收,委托方才能获得符合期望的优质产品。
机加工自制件验收标准
1、定义
A级表面:自制件非常重要的装饰表面,即使用时始终可以看到的表面。
B级表面:自制件的内表面或不翻动时不能看到的表面。
C级表面:仅在自制件翻动时才可见的表面或内部部件。
2、机加工的要求
1)、机加工件材料要符合图纸,选用的材料的符合国家标准。
2)、机加工件图纸未注尺寸公差参考国家标准线性尺寸的未注公差GB/T1804-f
要求进行检验。
3)、机加工件图纸未注角度公差参考国家标准角度的未注公差GB/T11335-m要求进行检验。
4)、机加工件图纸未注形位公差参考国家标准形位的未注公差GB/T1184-H要求进行检验。
5)、图纸中尺寸标注为配合形式加工的,采用间隙配合,具体要求为:外配合为配作对象最大尺寸+0.01~+0.10mm
:内配合为配作对象最小尺寸-0.10~-0.01。
3、机加工质量的控制
1)、零件加工按照图纸加工,对图纸有标示不清、模糊、错误和对图纸产生疑问的与上级领导联系。
2)、零件加工按照工艺流程去做。
3)、零件加工过程中遇到加工错误或尺寸超出公差范围要与使用单位技术人员联系,使用单位技术人员将会确认零件可以采用或不可采用。
4)、需要划线加工的零件,加工后不允许有划线的痕迹。
5)、所有机加工的零件要去毛刺、钻孔后要倒角、棱角要倒钝(特殊要求除外)。
6)、碰到零件加工错误不应该善做主张对零件进行修改,应与使用单位技术人员联系获得技术支持。
4、机加工外观的控制
1)、机加工中由于控制不力和操作不当造成机械碰伤、表面划伤的不允许存在
A级表面,允许存在B,C 级表面.。
2)、变形、裂纹不允许存在
A,B,C级表面。
3)、需要表面处理的零件表面不允许有氧化层、铁锈、凹凸不平的缺陷。
5、机加工质量检验
1)、外观检验:不允许有翘曲、变形、裂纹、划伤、碰伤、凹凸不平及表面粗糙度符合要求。
2)、材料的检验:材料厚度符合国家标准。
3)、尺寸及公差的检验:零件的尺寸和公差符合图纸的要求。
4)、螺纹、孔的检验:采用牙规、塞规检验或用螺钉检验,螺纹的底孔不大于标准底孔的0.1mm。
5)、零件的检验要全面到位防止不良的产品流出使用,造成不必要的损失。