隔离器、配电器、安全栅区别
- 格式:docx
- 大小:12.15 KB
- 文档页数:1
信号隔离器的工作原理及功能是什么?1.工作原理:首先将变送器或仪表的信号,通过半导体器件调制变换,然后通过光感或磁感器件进行隔离转换,然后再进行解调变换回隔离前原信号,同时对隔离后信号的供电电源进行隔离处理。
保证变换后的信号、电源、地之间绝对独立。
2.功能:一:保护下级的控制回路。
二:消弱环境噪声对测试电路的影响。
三:抑制公共接地、变频器、电磁阀及不明脉冲对设备的干扰;同时对下级设备具有限压、额流的功能是变送器、仪表、变频器、电磁阀PLC/DCS输入输出及通讯接口的忠实防护。
DIN系列导轨结构,易于安装,可有效的隔离:输入、输出和电源及大地之间的电位。
能够克服变频器噪声及各种高低频脉动干扰。
信号隔离器的主要类型有哪些?1.隔离器:工业生产中为增加仪表负载能力并保证连接同一信号的仪表之间互不干扰,提高电气安全性能。
需要将输入的电压、电流或频率、电阻等信号进行采集、放大、运算、和进行抗干扰处理后,再输出隔离的电流和电压信号,安全的送给二次仪表或plc\dcs使用。
2.配电器:工业现场一般需要采用两线制传输方式,既要为变送器等一次仪表提供24V配电电源,同时又要对输入的电流信号进行采集、放大、运算、和进行抗干扰处理后,再输出隔离的电流和电压信号,供后面的二次仪表或其它仪表使用。
3.安全栅:一些特殊的工业现场(如燃气公司和化工厂)不但需要两线制传输,既提供配电电源又有信号隔离功能,同时还需要具有安全火花防爆的性能,可靠地遏制电源功率、防止电源、信号及地之间的点火,限流、降压双重限制信号及电源回路,把进入危险场所的能量限制在安全定额范围内。
信号隔离器安装维护应注意哪些事项?由于生产厂家不同,对隔离器的生产工艺、接线定义也不都相同,但使用场合基本相同,所以对产品的防护要求及维护基本相同。
1. 使用前应详细阅读说明书。
2. 作为信号隔离使用时,应将输入端串入环路电路中,输出端接取样回路。
3. 作为隔离配电使用时,应将输入端串入电源电路中,输出端接变送器。
隔离器与配电器有些人对4-20mA DC隔离器和配电器两者比较模糊,下面对两者进行比较。
首先介绍一下为什么要用4-20mA DC信号进行传输,工业上一般采集信号为电压信号,用一个仪表放大器来完成信号的调理并进行长线传输用电压信号时会遇到以下问题:(1)传输信号是电压,传输线很容易受到干扰。
(2)传输线的分布电阻会产生压降。
(3)现场如何提供仪表放大器的工作电源也是问题。
所以工业现场多采用电流进行传输信号,因为电流信号不易受到干扰,且电流源内阻无穷大,导线电阻串联在回路中不影响精度,上限取20mA是因为防爆的要求,20mA电流的通断引起的火花能量不足以点燃瓦斯,之所以没有取0mA 是为了能检测到断线等故障,判断信号是否存在,正常工作时不会低于4mA。
再介绍一下4-20mA电流环的接线方式,有两种类型:二线制和三线制。
当监控系统需要通过长线驱动现场的驱动器件如阀门等时,一般采用三线制变送器,这里XTR位于监控的系统端,由系统直接向XTR供电,供电电源是二根电流传输线以外的第三根线。
二线系统是XTR和传感器位于现场端,由于现场供电问题的存在,一般是接收端利用4~20mA的电流环向远端的XTR供电,通过4~20mA来反映信号的大小。
隔离器预配电器简单说:配电器是给仪表供24V DC电源,配电器就是工作电源;隔离器是把信号从现场与控制室隔开,隔离器既可以隔离,还可以把信号一分为二直流输入信号隔离处理器:应用于各种电流源信号输入回路,仪表将直流电流输入信号转换成隔离的标准过程信号(电流/电压)输出。
(电动调节单元)配电器:它通过DC-DC转换器向现场二线制变送器提供隔离24VDC电源,同时把从变送器来4~20mADC信号转换成隔离的1~5VDC或4~20mADC输出. (电动调节单元)。
工业自动化仪表及控制装置设备的分类标准及基础知识!随着生产规模的不断扩大和生产技术的发展,对生产过程自动化水平提出了越来越高的要求。
因此,工业仪表也经历了一个从无到有、由简单到复杂,由单一功能向多功能的发展过程。
从最初的只能在现场测量并显示温度(如玻璃温度计)、压力(如U形管压力计)、流量(如玻璃转子流量计)、液位(如玻璃管液位计)的就地检测仪表和只能进行简单控制的就地调节器,逐步向远传集中显示、远程控制的方向发展。
除检测各种参数的检测元件和检测仪表愈加齐全外,过程控制仪表的发展更是日新月异,经历了由气动单元组合仪表、电动单元组合仪表、电子式综合控制装置到工业计算机控制系统的飞跃。
工业自动化仪表品种繁多,从信息的获得、传递、反映和处理的过程把工业自动化仪表分为五大类;(1)检测仪表;(2)显示仪表;(3)控制仪表;(4)执行器;(5)集中监测与控制装置。
检测仪表生产过程中,介质在设备、管道不同部位的温度、压力、流量、物位以及其他物理量瞬息万变,始终处于变化之中。
检测仪表就是用以检测上述物理量在每个瞬间的量值。
按照所测量工艺参数的不同,检测仪表可分为如下几种:1.温度仪表:常用的温度测量仪表有玻璃温度计、双金属温度计、压力式(温包)温度计、温度开关、热电偶、热电阻,还有辐射高温计及光学高温计、光电比色高温计等辐射式温度计。
2.压力仪表:压力测量仪表用于检测压力、真空和压差。
根据其工作原理可分为:弹性式压力计(按其弹性元件又分为弹簧管压力计、膜片压力计、膜盒压力计、压力开关等);传感式压力计(如电阻式、电容式、电感式、霍尔式压力计等);液柱式压力计(如U形管、直管、倾斜管压力计);还有精度较高通常用于校验标准压力表的活塞式压力计。
3.流量仪表:流量测量仪表品种繁多,目前应用最为广泛的是由节流装置和与其配套的差压流量变送器。
常用的节流装置有孔板、喷嘴和文丘里管。
其他常用的流量仪表还有水表、转子流量计、椭圆齿轮流量计、靶式流量计、电磁流量计、旋涡流量计、阿钮巴流量计、质量流量计等。
信号隔离器是将输入单路或双路电流或电压信号,变送输出隔离的单路或双路线性的电流或电压信号,并提高输入、输出、电源之间的电气隔离性能。
信号隔离器的原理信号隔离器至今已有40多年的历史,早期的信号隔离器(如美国MOORE,日本M-SYSTEM 等)都是采用变压器隔离方式,它的特点是:性能稳定,寿命长、(比如:日本M-SYSTEM 公司的M2系列隔离变换器标称的使用寿命长达70年!),带负载能力强,隔离强度高,但电路复杂,制作工艺要求更高。
随着电子技术的发展,近些年来逐渐出现了利用光耦合器(opticalcoupler)生产的光电式隔离器,它的特点是:性能稳定,抗干扰能力强,而且线路简单,成本低廉,但相对于变压器隔离方式寿命略短隔离器实现了输入对输出对电源对地的四端三重隔离电路设计,因此无需系统接地线路,给设计及现场施工带来极大方便。
也正是由于这种信号线路无需共地的设计,使得检测和控制回路信号的稳定性和抗干扰能力大大增强,从而提高了整个系统的可靠性。
另外这种隔离器产品除具备极强的滤波能力外还有更强的信号处理能力,能够接受并处理热电偶、热电阻、频率等各种信号。
信号隔离器的作用(1)地环流干扰在工业生产过程中实现监视和控制需要用到各种自动化仪表、控制系统和执行机构,他们之间的信号传输既有微弱到毫伏级、毫安级的小信号;又有几十伏,数千伏、数百安培的大信号;既有低频直流信号,也有高频脉冲信号等等,构成系统后往往发现在仪表和设备之间传输相互干扰,造成系统不稳定甚至误操作,出现这种情况除了每个仪器、设备本身的性能原因如抗电磁干扰影响,还有一个十分重要的原因就是各种仪器设备根据要求和目的都需要接地,例如为了安全,机壳需要接大地;为了使电路正常工作,系统需要有公共参考点;为了抑制干扰加屏蔽罩,屏蔽罩也需要接地,但是由于仪表和设备之间的参考点之间存在电势差(也就是各设备的共地点不同)因而形成“地环流”、“接地环流”问题是在系统处理信号过程中必须解决的问题。
配电隔离器与信号隔离器的区别是什么?什么情况下用信号隔离器,又在何种情况下用配电隔离器?配电隔离器是用来隔离电源与电气设备不被错误操作启动避免造成事故的一种隔离开关,不当开关用只当隔离用,也可以是闸刀、空气开关、断路器、万能断路器等等。
信号隔离器:属于电子、电气、电子信息、通讯相关的专业。
种类繁多,在这些专业内我们讲信号指的是变化的电流、电压,击光、磁场,有数字信号模拟信号两种。
一:将某种有频率、波形的电源信号过虑只让纯电源通过也是一种,如整流滤波。
二:如只让信号通过不让电流通过,将电信号转换为光信号为数据传输也是一种,上一级与下一级的设备电源完全隔离不会受到上级的电源干扰,如光纤通信等。
三:再如开关电源的那个光藕网络、电源稳压采样、振荡的反馈信号用光藕来传送高低压隔离减少故障率提高安全系数无源、有源隔离器和配电隔离器的区别和应用1:帕罗肯公司的无源信号隔离器型号是P-0133,它无须外供电源,而产品如何工作的呢?首先这款型号的产品局限性就是它只接受0/4-20mA的电流信号,输出也只能是1:1的0/4-20mA输出,产品的工作能量从输入电流信号上获取,它将有源信号1:1无衰减的隔离输出.(有源信号定义是可以直接驱动一定负载,一般由3线或4仪表输出,笼统的说智能仪表输出的都是有源信号).上面提到产品工作需要从输入信号上获取少许能量,也就是说,假如现场没有干扰,无需增加隔离器,那么20mA电流直接进采集端口,采集端口的采样阻抗是250欧,20mA×250=5V.20mA电流压降是5V.增加P-0133无源隔离器后,要想仍然在采样端口上取样5V,那么就要保证隔离器正常工作,它们之间的换算关系如图:在使用无源隔离器时必须注意,测量变送器驱动电压UB应足以维持流过无源隔离器和负载RB的最大电流,其值为20mA.无源隔离器上的损耗电压为UV=2V,上图给出了在考虑损耗电压UV时,输入电压UE同负载阻抗RB的关系.如果您的负荷已知,则可以据公式算出传感器必须提供的最低电压,以便在无源隔离器和负载中维持20mA的最大电流.2:帕罗肯公司的有源信号隔离器型号分别是P-1176(外供电源24VDC)和R-2176(外供电源220VAC)此类产品不仅仅可以解决现场共地干扰问题,还可以实现信号转换,阻抗之间的转换。
隔离配电器简介隔离配电器是一种与单元组合仪表及DCS,PLC等系统配套使用,为压力变送器等需要现场供电的一次仪表提供电源回路,同线测量该一次仪表输出的电源信号,经过运算、干扰抑制等处理后,变送输出隔离的单路或双路电流或电压信号。
隔离配电器提高输入、输出、电源之间的电气隔离性能。
常见的有一入一出、一入二出、一入三出、二入二出等类型,已经广泛应用于油田、石化、制造、电力、冶金等行业的自控工程之中。
隔离配电器特性具备给现场变送器配电的功能。
4~20mA 隔离传输,输出直流电流或电压信号。
单通道,一入一出。
输入-输出-电源之间隔离。
输出信号零点和满度可调整。
带有工作电源指示灯。
模块化弹出式表芯设计,可带电拔插。
配合DCS/PLC等控制系统或其它单元组合仪表应用。
连接至控制系统:各款DCS/PLC 的AI卡,接收电流或电压信号。
适用于连接的现场设备:二线制变送器。
标准的35mmDIN导轨卡式安装。
隔离配电器参数1、供电电源电源电压:24VDC±10%电源指示:通电时,绿色LED电源灯亮电流消耗:< 45mA(24VDC供电时)功率损耗:< 1.1W(24VDC供电时)2 、输入输入信号:变送器直流电流信号4~20mA输入阻抗:100Ω给变送器的配电电压:18.5~28.5VDC最大输入电流限制:约 22mA3、输出输出电流:4~20mA;其它指定电流输出电压:1~5V;其它指定电压电流输出允许负载:≤350Ω (注: 需特殊负载可定制) 电压输出阻抗:≤500Ω输出纹波:< 10mV p-p4、综合主要技术参数标准精度:±0.1%温度漂移:±0.015% / ℃响应时间:< 0.5s (10 ~ 90%)稳定时间:≤3s电源变化影响:<±0.1% (允许电压范围)零点调整范围:-5~+5% (通过零点旋钮调整)满度调整范围:95~105% (通过满度旋钮调整)隔离能力:输入-输出-电源之间 1.5KV,1min,50Hz绝缘电阻:输入-输出-电源之间≥100MΩ/ 500VDC 工作环境温度:-20~+60℃储存环境温度:-40~+80℃环境湿度范围:5~95%(无冷疑)外形尺寸:宽21×高114×深78(mm)整机重量:约90g信号隔离器信号隔离器是将输入单路或双路电流或电压信号,变送输出隔离的单路或双路线性的电流或电压信号,并提高输入、输出、电源之间的电气隔离性能。
隔离变压器和控制变压器及信号隔离器与信号隔离安全栅的定义第一部分
隔离变压器和控制变压器
一、两者的定义
控制变压器是根据电器设备需要的电压和电流高低,把它们控制在一个需要的使用范围之内。
控制变压器与普通变压器的区别:普通变压器主要是改变电压,控制变压器是传递信号的。
隔离变压器是指输入绕组与输出绕组带电气隔离的变压器,隔离变压器用以避免偶然同时触及带电体,变压器的隔离是隔离原副边绕线圈各自的电流。
隔离变压器一般(但并非全部)是指1:1的变压器。
由于次级线圈不和大地相连,次级任一根线与大地之间没有电位差(即两根线无零、火之分,任意一根对人体都不会形成闭合回路),使用安全。
常用作维修电源。
二、两者的区别
(一)、用途不同
控制变压器是作为电气控制回路的供电电源使用的,目的是为了满足不同用电电气元件的电压需求。
隔离变压器的作用:
1、将变压器两端不同电压或要求的需要传送的电压信号,经过隔离变压器隔离传送,使该变压器两端不同的电压不会相互干扰或影响,例如某些可控硅或IGBT电路的驱动线圈;
2、需要不同阻抗匹配的,如某些音响功率放大器;
3、为了人身安全,如行灯变压器。
(二)、作用不同。
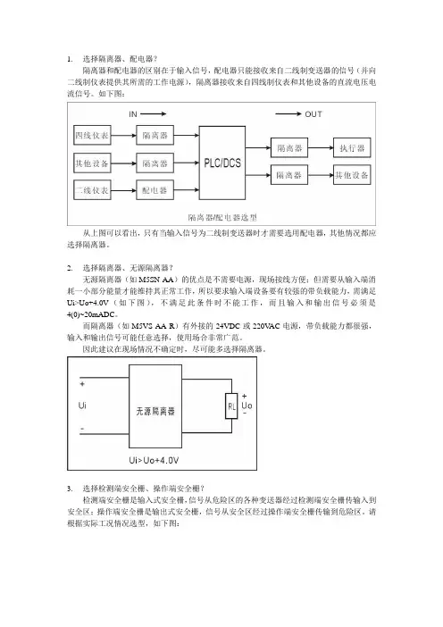
1.选择隔离器、配电器?
隔离器和配电器的区别在于输入信号,配电器只能接收来自二线制变送器的信号(并向二线制仪表提供其所需的工作电源),隔离器接收来自四线制仪表和其他设备的直流电压电流信号。
如下图:
从上图可以看出,只有当输入信号为二线制变送器时才需要选用配电器,其他情况都应选择隔离器。
2.选择隔离器、无源隔离器?
无源隔离器(如M5SN-AA)的优点是不需要电源,现场接线方便;但需要从输入端消耗一小部分能量才能维持其正常工作,所以要求输入端设备要有较强的带负载能力,需满足Ui>Uo+4.0V(如下图),不满足此条件时不能工作,而且输入和输出信号必须是4(0)~20mADC。
而隔离器(如M5VS-AA-R)有外接的24VDC或220V AC电源,带负载能力都很强,输入和输出信号可能任意选择,使用场合非常广范。
因此建议在现场情况不确定时,尽可能多选择隔离器。
3.选择检测端安全栅、操作端安全栅?
检测端安全栅是输入式安全栅,信号从危险区的各种变送器经过检测端安全栅传输入到安全区;操作端安全栅是输出式安全栅,信号从安全区经过操作端安全栅传输到危险区。
请根据实际工况情况选型,如下图:
4.安全栅选型一览表。
安全栅与隔离器的区别标准化管理处编码[BBX968T-XBB8968-NNJ668-MM9N]安全栅与隔离器的区别安全栅与隔离器的区别隔离器用于对现场仪表的各类信号调整、隔离,并转换成计算机、DCS、等能接受的标准信号或用户指定的特殊信号。
用于从电气上隔离远动设备和运行设备的一种器件,如等。
安全栅本质安全型防爆的关联设备,在正常情况下不影响测量系统的功能。
它设置在安全场所的一侧,当本安防爆系统发生故障时,能将窜入危险场所的能量(电能)限制在安全值以内,从而保证现场生产安全。
作为工业现场与控制室仪表之间的信号隔离变送器设备,信号隔离器和安全栅一直发挥着重要的作用,是工业控制系统中重要的组成部分。
随着技术的进步,无论是现场的一次仪表,还是控制系统,都发生了变化,信号隔离器和安全栅也需要进一步发展适应更高的要求。
山东飞创仪表有限公司总结多年来的实践经验,对产品进行了改进,对隔离器和安全栅的性能进行了提升,以满足市场的需求。
新型的隔离器和安全栅在性能和技术指标上都较过去有了更大的进步。
一、模块化的设计保证对市场的快速响应隔离器和安全栅一般由输入信号处理单元、隔离单元、输出信号处理单元、等4部份构成。
根据信号的流向在输入或输出单元增加本质安全设计,从而构成隔离器和安全栅。
虽然实际应用中的隔离器和安全栅基本上都是由上述四个单元构成,但输入、输出的类型和数量的不同,组成了种类繁多的型号,为了满足市场的需求,越来越多的型号使得企业的生产负担加重,数量少品种多使得交货周期越来越长,也使得调试检验的成本增加。
这些情况已经严重的阻碍了产品的市场推广。
针对这种情况,宇通公司通过仔细的分析,采用模块化的设计方法,将隔离器和安全栅划分为七种功能模块,从而比较好的解决了上述问题。
模块化的设计方法极大的解决了产品加工、调试、老化、库存的压力,产品的一致性好,质量得到提高。
从根本上解决了品种多数量少给生产环节带来的压力,极大的缩短了交货周期。
大家知道隔离器和安全栅的区别是什么吗?下面小编为大家简单介绍一下。
一、隔离器介绍隔离器是一种采用线性光耦隔离原理,将输入信号进行转换输出。
输入,输出和工作电源三者相互隔离,特别适合与需要电隔离的设备仪表配用。
隔离器又名信号隔离器,是工业控制系统中重要组成部分。
隔离器的作用原理:系统产生干扰的原因在工业生产过程中实现监视和控制需要用到各种自动化仪表、控制系统和执行机构,它们之间的信号传输既有微弱到毫伏级、微安级的小信号,又有几十伏,甚至数千伏、数百安培的大信号;既有低频直流信号,也有高频脉冲信号等等,构成系统后往往发现在仪表和设备之间信号传输互相干扰,造成系统不稳定甚至误操作。
出现这种情况除了每个仪表、设备本身的性能原因如抗电磁干扰影响外,还有一个十分重要的因素就是由于仪表和设备之间的信号参考点之间存在电势差,因而形成“接地环路”造成信号传输过程中失真。
因此,要保证系统稳定和可靠的运行,“接地环路”问题是在系统信号处理过程中必须解决的问题。
[1]解决“接地环路”的方法根据理论和实践分析,有三种解决方案:第一种方案:所有现场设备不接地,使所有过程环路只有一个接地点,不能形成回路,这种方法看似简单,但在实际应用中往往很难实现,因为某些设备要求必须接地才能保证测量精度或确保人身安全,某些设备可能因为长期遭到腐蚀和磨损后或气候影响而形成新的接地点。
第二种方案:使两接地点的电势相同,但由于接地点的电阻受地质条件及气候变化等众多因素的影响,这种方案其实在实际中无法完全做到。
第三种方案:在各个过程环路中使用信号隔离方法,断开过程环路,同时又不影响过程信号的正常传输,从而彻底解决接地环路问题。
隔离器技术参数:系统传输准确度:±0.2%×F·S温度漂移:≤0.005%F·S/℃工作温度:工业级标准-10~+55℃输入阻抗:电流:100Ω;电压:500KV电流输出允许外接的负载阻抗:4-20mA输出时0~500Ω;0-10mA输出时0~1KΩ电磁兼容:符合IEC61000-4-4:1995中所规定的第四类(恶劣工业现场)环境对产品的抗电磁干扰要求输入/输出/电源/通讯/双路间绝缘强度:≥1500AAC储运环境温度:-40~+80℃相对湿度:10-90%RH(40℃时)供电电源:交流:AC95~265V直流:DC12V~32V(反接保护)输入功率:0.9~1.8W(与型号有关,详见本手册附录中关于输入功率的计算方法)通讯接口:RS232或RS485,MODBUS软件协议(选配)。
安全栅的分类我们在工业控制行业中,如化工行业,电力行业,纺织业等,无不需要用到安全栅产品,它们按结构可以分为,齐纳安全栅和隔离安全栅两大类。
其中隔离式安全栅在价格上要稍高于齐纳式安全栅,但在要求较高的使用场合,几乎无一例外地采用了隔离式安全栅。
隔离式安全栅也有逐步取代齐纳式安全栅的趋势。
什么是隔离安全栅隔离安全栅不但有限能功能,还有隔离功能,它主要由回路限能单元、信号、电源隔离单元和信号处理单元组成。
其基本功能框图如下:隔离安全栅的结构及原理它包括回路供电隔离式安全栅和独立供电隔离式安全栅两大类。
1)、使用隔离安全栅,允许现场仪表接地,允许现场仪表为非隔离型的。
2)、它有许多保护功能电路,意外损坏的可能性较小,允许现场仪表带电检修。
这样可缩短工程开车准备时间和减少停车时间。
3)、隔离安全栅有较强的信号处理能力。
如开关量输入状态控制、mV、Pt100变为DC4~20mA等等。
这样给现场仪表和控制系统的应用提供了更大的方便、合理和有效。
4)、当用户同时应用DCS和ESD时,选用一进二出的安全栅,可以有效地将两个系统隔离开来,避免系统之间互相影响。
5)、回路供电隔离安全栅既保持有源隔离式安全栅的优点,又有齐纳式安全栅一样的接线方便,不需要另外24V电源供电,特别适合配I/O卡直接供电的DCS系统。
6)、隔离式安全栅与齐纳式安全栅相比,虽然价格要高一些,但是它许多优点和特点还是给用户带来许多方便,使越来越多用户偏向选择隔离式安全栅。
7)、使用隔离式安全栅,可以将危险区的现场回路信号和安全区回路信号有效隔离。
这样本安自控系统不需要本安接地系统,简化了本安防爆系统应用时的施工。
8)、它还大大增强了检测和控制回路的抗干扰能力,提高系统可靠性。
什么是齐纳安全栅它采用在电路回路中串联快速熔断丝、限流电阻和并联限压齐纳二极管实现能量的限制,保证危险区仪表与安全区仪表信号连接时安全限能。
它采用器件非常少、体积小、价格低,但也有一些致命的缺陷,使应用范围受到较大的限制。
安全栅、隔离器、配电器之间的区别1、安全栅:应用于现场环境中有易燃易爆物体等场合,现场信号线路一旦发生短路打火故障,安全栅能自动切断供电,一面一起火灾或者爆炸。
是保护现场,防止现场危险区域的本安仪表打火,在危险场所产生火化。
安全栅的作用是保护危险现场端永远处于安全电源和安全电压范围之内(限制能量)2、隔离器:一般应用于现场电磁环境复杂,容易干扰信号的场合,可以将现场产生的干扰通过隔离器滤掉(抗信号干扰);另外隔离器还有的作用为,现场的信号为电势信号,容易引起干扰,可以通过隔离器(本身带转换功能的)(信号隔离)转换为电流信号传输,可以应对现场到DCS PLC等控制室的距离。
(信号转换)3、配电器:就是给现场仪表供电的电源。
好多情况是可以互换的。
只是隔离器是侧重于信号的隔离。
安全栅有用在防爆场所,起本质安全作用的.具体:配电器是为现场需要24VDC的信号提供一个电压等;隔离器是对信号进行隔离,增强抗干扰的能力;安全栅是保护现场,防止现场危险区域的本安仪表打火,在危险场所产生火化。
隔离器和安全栅是否可以互换?-----不可以,隔离器只是信号的隔离,一般不具备安全栅的限流限压的特性。
安全栅有两种,隔离式安全栅一般可以与隔离器互换,但齐纳式的不具备隔离特性,不能互换。
一个隔离式安全栅(向现场供电的即检测端安全栅)可以称之为配电器也可称之为隔离器。
1、安全栅的作用是保护危险现场端永远处于安全电源和安全电压范围之内。
如果现场端短路,则由于负载电阻和安全栅电阻R的限流作用,会将导线上的电流限制在安全范围内,使现场端不至于产生很高的温度,引起燃烧。
如果计算机一端产生故障,则高压电信号加入了信号回路,则由于齐纳二级的嵌位作用,也使电压位于安全范围。
值得提醒的是,由于齐纳安全栅的引入,使得信号回路上的电阻增大了许多,因此,在设计输出回路的负载能力时,除了要考虑真正的负载要求以外,还要充分考虑安全栅的电阻,留有余地。
2、配电器就是能够输出24V电源的隔离器,两线制的信号需要一个电源,所以需要使用配电器,四线制的信号不需要在提供电源了!,信号本身就是一路电源输入,一路信号输出的!所以使用隔离器!隔离器就是一路信号输入,一路信号输出,输入信号在非安全区,输出信号在安全区,主要是防爆用的,用来隔离仪表信号到DCS或PLC避免因为仪表信号的短路等故障造成PLC或DCS的烧毁。
安全栅、隔离器、配电器之间的区别1、安全栅:应用于现场环境中有易燃易爆物体等场合,现场信号线路一旦发生短路打火故障,安全栅能自动切断供电,一面一起火灾或者爆炸。
是保护现场,防止现场危险区域的本安仪表打火,在危险场所产生火化。
安全栅的作用是保护危险现场端永远处于安全电源和安全电压范围之内(限制能量)2、隔离器:一般应用于现场电磁环境复杂,容易干扰信号的场合,可以将现场产生的干扰通过隔离器滤掉(抗信号干扰);另外隔离器还有的作用为,现场的信号为电势信号,容易引起干扰,可以通过隔离器(本身带转换功能的)(信号隔离)转换为电流信号传输,可以应对现场到DCS PLC等控制室的距离。
(信号转换)3、配电器:就是给现场仪表供电的电源。
好多情况是可以互换的。
只是隔离器是侧重于信号的隔离。
安全栅有用在防爆场所,起本质安全作用的.具体:配电器是为现场需要24VDC的信号提供一个电压等;隔离器是对信号进行隔离,增强抗干扰的能力;安全栅是保护现场,防止现场危险区域的本安仪表打火,在危险场所产生火化。
隔离器和安全栅是否可以互换?-----不可以,隔离器只是信号的隔离,一般不具备安全栅的限流限压的特性。
安全栅有两种,隔离式安全栅一般可以与隔离器互换,但齐纳式的不具备隔离特性,不能互换。
一个隔离式安全栅(向现场供电的即检测端安全栅)可以称之为配电器也可称之为隔离器。
1、安全栅的作用是保护危险现场端永远处于安全电源和安全电压范围之内。
如果现场端短路,则由于负载电阻和安全栅电阻R的限流作用,会将导线上的电流限制在安全范围内,使现场端不至于产生很高的温度,引起燃烧。
如果计算机一端产生故障,则高压电信号加入了信号回路,则由于齐纳二级的嵌位作用,也使电压位于安全范围。
值得提醒的是,由于齐纳安全栅的引入,使得信号回路上的电阻增大了许多,因此,在设计输出回路的负载能力时,除了要考虑真正的负载要求以外,还要充分考虑安全栅的电阻,留有余地。
2、配电器就是能够输出24V电源的隔离器,两线制的信号需要一个电源,所以需要使用配电器,四线制的信号不需要在提供电源了!,信号本身就是一路电源输入,一路信号输出的!所以使用隔离器!隔离器就是一路信号输入,一路信号输出,输入信号在非安全区,输出信号在安全区,主要是防爆用的,用来隔离仪表信号到DCS或PLC避免因为仪表信号的短路等故障造成PLC或DCS的烧毁。
为什么电路中要使用隔离器随着科技的进步和电子产品的普及,我们越来越依赖电力供应和各种电子设备。
在这些电子设备和电路中,隔离器的使用变得越来越重要。
那么,为什么电路中要使用隔离器呢?本文将探讨隔离器在电路中的作用及其重要性。
一、什么是隔离器隔离器,又称为隔离变压器或隔离放大器,是一种电子元件,用于在电路中实现电气和隔离。
它通常由电感线圈和磁铁组成,能够将输入信号从输入端隔离开来,以保证输入与输出之间的电气隔离,同时传递信号的幅值和频率。
二、安全保护1. 电气隔离电路中使用隔离器的主要原因之一是实现电气隔离。
电气隔离是将不同的电路隔离开来,以防止电流和电压在不同电路之间传递。
例如,在医疗设备、工业自动化等领域中,电气隔离可以有效地防止电击和设备损坏。
2. 对人身安全的保护隔离器能够将输入信号与输出信号隔离开来,从而避免了潜在的电击危险。
在家庭电路或者工业场所的电气系统中,如果没有隔离器,当设备出现电流泄露或短路时,会直接传递到人体或其他设备,造成意外事故。
而隔离器可以有效地阻止这种危险,提供额外的保护,保障人身安全。
三、信号传输质量提升1. 抑制干扰在电子设备中,会产生各种电磁干扰,如电源噪声、互感干扰、地线干扰等。
这些干扰会降低信号质量,影响设备正常运行。
而隔离器的使用可以有效地抑制这些干扰,提升信号传输的质量和可靠性。
2. 保持信号完整性在长距离传输信号时,信号会逐渐衰减和失真。
而隔离器可以提供信号的放大和修复,保持信号的完整性。
这在工业自动化、远程通信等领域中具有重要意义,可以确保信号的精确传输。
四、接地问题和电气噪声1. 解决接地问题在电气系统中,接地问题一直是一个困扰工程师和技术人员的难题。
在某些情况下,接地的不良或存在接地回路的设计问题,会导致电气噪声、仪器测量误差和系统故障。
隔离器的使用可以解决这些问题,提供正确的接地方式,并有效地降低接地问题带来的影响。
2. 抑制电气噪声隔离器能够有效地抑制电气噪声。
电气防爆与安全栅安全是电气设备使用中最基本、最重要的要求之一。
在特殊的工作环境下,如化工、石油、医药等行业,电气设备的安全性要求更高,因此防爆和安全措施的采用就显得尤为重要。
电气防爆与安全栅是一种常用的安全措施之一,本文将对其基本概念、作用、分类及应用领域等方面进行详细介绍。
1. 基本概念电气防爆与安全栅是一种针对易燃易爆环境中电气设备安全的保护措施,即在电气设备内部和周围设置特殊防护措施,防止其发生火花、弧光和过热等现象,从而防止爆炸、火灾等事故的发生。
电气防爆与安全栅的主要作用是改变电路参数,如电容、电感、电阻等,从而使电路满足燃气爆炸环境无能量积累的需求。
2. 作用电气回路中的任何滞后或前摆都会导致火花或电弧的产生,从而可能引发燃气爆炸。
因此,在易燃易爆环境中,需要采取措施防止火花或电弧的产生。
电气防爆与安全栅的主要作用在于提供电路保护,防止因过电压或过电流引起的电器故障,从而保护人身和设备安全。
其中,电气防爆措施主要通过限制电路中的电流和电压来降低电路能量,减轻火灾和爆炸的影响。
电气防爆与安全栅可分为两类:组合式电气防爆与安全栅和零部件式电气防爆与安全栅。
3.1 组合式电气防爆与安全栅组合式电气防爆与安全栅是一种将多种保护防范措施融合在一起的防范电器安全的解决方案。
这种电气防爆与安全栅通常是一台独立的设备,包括电压降压、电流限制、电弧压制等方式,以产生一种有效的保护措施。
3.2 零部件式电气防爆与安全栅零部件式电气防爆与安全栅是指将防爆单元、超速开关等防护元件分解到电路上安装的方案。
在这种情况下,通常需要多种保护装置,如防护罩、防护膜等,以及符合安全标准的电器搭配。
4. 应用领域电气防爆与安全栅广泛应用于很多易燃易爆或有火灾危险场合,如化工、石油、医药、燃气、军工、船舶、煤炭、矿山等领域。
在这些行业中,电气防爆与安全栅主要用于保护电气设备的安全,例如电缆、电气箱、电气控制器等,从而保证生产过程的安全稳定,避免灾难性事故的发生。
信号隔离安全栅与信号隔离器的区别Prepared on 24 November 2020信号隔离安全栅与信号隔离器的区别一、定义1、(isolator):一般指弱电系统中的信号隔离器,既保护下级信号系统不受上级系统影响和干扰。
2、(safety barrier):接在本质安全电路和非本质安全电路之间。
将供给本质安全电路的电压或电流限制在一定安全范围内的装置。
安全栅是一种统称,分为齐纳式安全栅和隔离式安全栅,隔离式安全栅简称隔离栅。
金湖英普瑞电子设备有限公司主营产品有:隔离安全栅,信号隔离器,信号隔离配电器,直流信号隔离器,开关量信号安全栅,电流变送器。
同时代理日本横河EJA变送器,横河AXF电磁流量计,横河DY涡街流量计,罗斯蒙特3051系列变送器,罗斯蒙特248系列温度变送器,罗斯蒙特475手操器。
二、工作原理1、工作原理:首先将变送器或仪表的信号,通过半导体器件调制变换,然后通过光感或磁感器件进行隔离转换,然后再进行解调变换回隔离前原信号,同时对隔离后信号的供电电源进行隔离处理。
保证变换后的信号、电源、地之间绝对独立。
2、齐纳式安全栅的工作原理安全栅的主要功能就是限制安全场所的危险能量进入危险场所,及限制送往危险场所的电压和电流。
齐纳管Z用于限制电压。
当回路电压接近安全限压值时,齐纳管导通,使齐纳管两端的电压始终保持在安全限压值以下。
电阻R用于限制电流。
当电压被限制后,适当选择电阻值,可将回路电流限制在安全限流值以下。
保险丝F的作用是防止因齐纳管被长时间流过的大电流烧断而导致回路限压失效。
当超过安全限压值的电压加在回路上时,齐纳管导通,如果没有保险丝,流经齐纳管的电流将无限上升,最终烧断齐纳管,使回路失去限压。
为确保回路限压安全,保险丝的熔断速度要比齐纳管可能被烧断的速度快十倍。
采用图一所示的三冗余齐纳管的安全栅基本限能电路结构,能够确保安全栅在正常工作、一个故障点和两个故障点时均能将安全栅的输出能量限制在安全参数规定的范围之内,从而满足ia级本质安全电路的要求。
安全栅:是用来将供给本质安全电路的电压或电流限制在一定安全范围之内的装置.
隔离器:分为配电型和非配电型,配电型隔离器与配电器相同,都是两线制仪表的中间单元,均是利用磁电效应为变送器供电,同时还能够传输信号,而非配电型则是用来分配处理4~20mA的无源信号。
这两种隔离器都能隔离现场的电磁干扰。
配电器与他们的区别就是配电器除了能够隔离传输信号,还能够向现场的变送器和其他仪表提供24VDC电源。
配电器一般用于两线制变送器的后端,而隔离器大多用于电磁环境比较复杂,信号较易被干扰的场合,此时,隔离器能够将现场的干扰信号过滤掉。