齐纳安全栅规范要求
- 格式:doc
- 大小:601.50 KB
- 文档页数:28
安全栅基础知识重复式齐纳安全栅1. 齐纳式安全栅应安装在非危险场所,通往现场(危险场所)的软铜导线截面积必须大于0.5mm2。
连接导线的绝缘强度应大于500V。
2. 齐纳式安全栅本安端(有蓝色标记)和非本安端电路配线,不得接错和混淆。
本安导线宜选用蓝色作为本安标记。
本安导线和非本安导线在汇线槽中应分开铺设,采用各自保护套管。
齐纳式安全栅的本安侧,不允许混有其它电源,包括其它本安电路的电源。
3. .齐纳式安全栅与一次仪表组成本安安全防爆系统时,必须经国家指定的防爆检验机构检验认可。
WP8000-EX系列齐纳式安全栅由国家防爆检验中心(CQST ),给出的Co,Lo分布参数是相对与IIC 级(氢气级)的最大允许值,对于IIB级环境可把该参数乘以3,对于IIA级环境可把该参数乘以8。
传输线选用不同规格的电缆时,其本身的电缆参数应予高度重视,不得超过规定值。
4. 对齐纳式安全栅进行单独通电调试时,必须注意齐纳式安全栅的型号、电源极性、电压等以及齐纳式安全栅外壳接线端上的标号。
5. 严禁用兆欧表测试齐纳式安全栅端子之间的绝缘性。
若要检查系统线路绝缘性时,应先断开全部齐纳式安全栅接线,否则会引起内部器件损坏。
6. 凡与齐纳式安全栅相连接的现场仪表,均应为有关防爆部门进行防爆试验并取得防爆合格证的仪表。
7. 如齐纳式安全栅内部模块损坏需要维修或更换时,原则上应由制造厂承担。
用户自行维修时,应按照有关的注意事项,具体方法请按照维修的章节进行(本质安全型仪表的维修仅限于所述的范围进行,其外的维修应与制造厂商量)。
经检修后方能重新投入运行,不允许随意更换影响防爆性能的元件或结构。
8. 齐纳式安全栅的安装、使用和维护应严格遵照GB 3836.152000《爆炸性气体环境用电气设备第15部分:危险场所电气安装(煤矿除外)》的有关条款进行。
9. 安全栅应有可靠接地,接地电阻不大于4Ω,接地线电阻不大于1 Ω。
隔离式检测端、操作端安全栅1.隔离式安全栅应安装在非危险场所。
EKZ900系列齐纳安全栅样本北京远东仪表有限公司目录齐纳安全栅简介 (1)通用技术参数 (1)工作原理 (2)齐纳栅的使用 (2)品种、规格 (5)典型应用 (10)包装贮存 (17)附件 (17)订货须知 (17)1 齐纳安全栅简介安全栅是接在本安电路与非本安电路之间,限制传输到现场的能量,确保现场安全的一种关联设备。
任何一种安全栅都应具备既不妨碍信号的正确传递,又能有效地控制能量两个作用。
防爆类型:本质安全型防爆原理:限制能量原理防爆标志:Ex(ia)IICT6 Ex(ia)IIBT6ia :类型标志本质安全型Ⅱ类:指工厂用电气设备C级:指工作现场经常发生易燃易爆气体,点火能量不超过20μJB级:点火能量不超过60μJT6 :指危险现场所允许的电气设备表面温度为85℃在正压型ExP、隔爆型Exd、本安型Exi三种防爆方法中本安防爆是最安全可靠的防爆方法。
Ex(ia)IICT6是本安系统中最高防爆等级标志。
因此,现场仪表与安全栅相配,允许用在最危险的场合O区域。
(在此区域内爆炸性混合物在正常工作时持续或长期存在或者说每年存在1000小时以上)。
2 通用技术参数2.1使用环境条件a) 环境温度:-10℃~+45℃b) 相对温度:≤90%(25℃)c) 大气压力:(80~110)kPad) 无爆炸性危险气体2.2性能参数a) 最高允许电压Um为250V AC/DCb) 端子处色标兰色:本安端红色:+极性黑色:—极性灰色:无极性c) 重量:120g2.3 外形结构a) 外形尺寸见图1b) 结构本产品外壳采用阻燃工程塑料注塑成型,电气元器件在壳内用树脂灌封,端子板上的本安端子与非本安端子的间距符合本安防爆要求,在上盖上牢固组装一个可更换的熔断器盒,熔断器盒用树脂灌封。
在上盖处还安装了接地螺柱为2-M4,并配有自锁螺母。
图13 工作原理安全栅是一种能量限制器。
他对电流、电压给予限制。
即安全栅是接在本安电路和非本安电路之间,阻止危险能量进入危险区。
电压输出齐纳式安全栅的详细资料智能齐纳安全栅是苏州倍加福防爆电气有限公司最新推出的产品,该产品按照GB3836.1-2000[性气体环境用电气设备第1部分通用要求]和GB3836.4-2000[性气体环境用电气设备第4部分本质安全型“i”]中有关规定制造生产。
产品经国家级仪器仪表防爆安全监督检验站(NEPSI)防爆检测合格,并取得防爆合格证书。
该系列有多种不同的型号规格,可与各种现场一次仪表如变送器数字通讯的智能变送器、4-20mA 模拟信号的普通变送器、(国产DDZ-Ⅲ型变送器)、电气转换器、电气阀门定位器、各类热电偶、开关(触点及模拟开关)、流量仪表(涡轮、腰轮、刮板、旋涡等流量变送器)、电磁阀及各种特殊仪表组成本质安全防爆系统,用于现代化工业的自动化过程控制,广泛地应用在石油、化工、医药、船舶等领域。
技术指标防爆标志:最大安全区电压:漏电流:端子色标:连续工作温度:储存温度:相对湿度:安装位置:重量:安装和接地:安装尺寸:外型尺寸:Ex(ia)ⅡC 、Ex(ia)ⅡB 250V DC/AC <10μA非本安端(安全区,端子接线标号为1、2)的标号牌为黄色。
本安端(危险区,端子接线标号为3、4)的标号牌为蓝色。
-20~60℃-40~80℃5~95%RH 安全区约130g通过两个一体的M4×9镀铝锡钢质固定螺栓和不锈钢自锁螺母(随产品一起提供)安装和接地。
11.5mm(六角螺栓距离)长×宽×高=93.5×61.5×15(mm)术语1、安全参数一个安全栅的安全描述,如10V 50Ω200mA ,是指熔断器熔断时端接齐纳二极管或正向二极管的最高电压,最小的端电阻值和相应的最大短路电流。
它表示可在危险场所产生的故障能量,并非表示工作电压和端电阻。
2、端电阻指20℃时,一个安全栅通道的两个端子间的电阻,即电阻阻值和熔断器阻值之和。
如果通路中有二极管或三极管,则应加上二极管或三极管导通的电压降。
S2000系列上海安智电气发展有限公司一、 概述S2000系列安全栅是多用途通用型齐纳安全栅。
能与自动化仪表、制动控制装置、通讯设备、报警器等各种仪器设备组合成本质安全防爆系统,做为本安关联设备而被广泛使用。
可用于摸拟信号传输。
被广泛用于化工、石油、冶金等各行业中,以限制危险能量进入具有爆炸性危险气体环境的可靠设备。
S2000系列安全栅符合GB3836.1-2000《爆炸性气体环境用爆炸电气设备 第1部分 通用要求》和GB3836.4-2000《爆炸性气体环境用爆炸电气设备 第4部分 本质安全型“i ”》的有关规定,并经国家防爆电气产品质量监督检验测试中心检验合格,取得防爆合格证书。
二、 型号、结构及技术参数★型号:S -安全栅、2000-设计系列号★结构:S2000系列齐纳安全栅采用统一的外形和安装尺寸、外壳由阻燃防弧塑料压制成型,整个安全栅电路以阻燃环氧树脂封装于外壳内,隔绝了外界混触的可能性。
接线端子上有明显的本安标志,各接线端子之间的距离,外壳印制板及胶封材料的爬电距离、电气间隙,相对泄痕指数都符合GB3836.4-2000中的有关规定,标牌由PC 材料制成,上面印有“接线示意图”,使用户安装时一目了然,便于接线安装。
★本系列安全栅外形尺寸为:82.5×16×52(长×宽×高) ★外形图见图一。
三、 主要技术参数★使用环境条件:●环境温度:-20℃~+40℃ ●相对湿度:<95% ●大气压:80-110kPaDIN 导轨上。
导流条安装-在宽20mm 的铜排上,横向钻两个间距11.5mm 、孔径为φ4.5mm 的安装孔,将安全栅两接地螺栓插入拧紧,并将铜排可靠接地。
★接地极电阻应不大于4Ω,接地线电阻应不大于1Ω。
多排密集安装时宜采用环型接地线。
其截面应按所有安全栅最大短路电流总和来确定。
★接线端子序号:非本安端端子号:1,2。
本安端子号:3,4。
安全栅简介一、安全栅的定义及主要功能安全栅又称安全保持器。
本安回路的安全接口,它能在安全区(本质安全)和危险区(非本质安全)之间双向传递电信号,并可限制因故障引起的安全区向危险区的能量转递。
安全栅的主要功能是限制安全场所的危险能量进入危险场所,及限制送往危险场所的电压和电流。
二、安全栅的分类1.齐纳式安全栅齐纳式安全栅的核心元件为齐纳二极管,限流电阻及快速熔断丝。
它的原理简单、电路实现容易,价格低廉,但因由于其自身原理的缺陷使其应用中的可靠性受到很大影响,并限制了其应用范围,其原因如下:(1)安装位置必须有非常可靠的接地系统,并且该齐纳式安全栅的接地电阻必须小于1Ω,否则便失去防爆安全保护性能,显然这样的要求是十分苛刻并在实际工程应用中难以保证。
(2)齐纳式安全栅对电源影响较大,同时也易因电源的波动而造成齐纳式安全栅的损坏。
齐纳管用于限制电压。
与齐纳安全栅相比,隔离式安全栅除具有限压与限流作用之外,还带有电流隔离的功能。
2.隔离式安全栅隔离式安全栅主要由回路限能单元,信号和电源隔离单元、信号处理单元组成。
它不但有限能的功能,还有隔离功能,隔离式安全栅,基本有检测端安全栅和操作端安全栅两种类型。
检测端安全栅与两线制变送器配套使用;由于隔离式安全栅采用了限压、限流、隔离等措施,不仅能防止危险能量从本安端子进入危险现场,提高系统的本安防爆性能,而且还增加了系统的抗干扰能力,大大提高了系统运行的可靠性。
24VDC 电源经DC-AC-DC变换后,输出模块电路所需要的多种电压。
(1)检测端隔离式安全栅的原理模块电路将通过本安能量限制电路输入的电流或电压信号转变为0.2-1VDC后,送入模块内进行采集、放大、运算和进行抗干扰处理后,再经变压器调制成输出隔离的电流和电压信号,供后面的二次仪表或其它仪表使用。
模块还需输出一个隔离的18.5∽28.5VDC电压,通过本安能量限制电路做为供给两线制变送器的工作电压。
本安能量限制电路能限制大电流或高电压的危险信号窜入危险现场。
概 述FB—L齐纳安全栅(以下简称安全栅)安装在安全区,将危险区的一次仪表和安全区的二次仪表衔接。
在输入电压和输出电流正常的情况下,不影响下级设备的精度。
一旦供电电压或输出电流大于安全栅阀值,安全栅立刻进入限能状态安全栅经国家级石油和化工防爆质检中心审查,防爆安全性能符合 GB3836.1-2000 和GB3836.4-2000国家标准的有关要求,防爆标志为[Exia]IIC,防爆合格证号为___CE102107__。
·过压保护。
·过流保护。
·断电后可自动恢复正常工作。
·雪崩降压,限流。
·适合两线制、三线制变送器。
配接时,变送器应经过防爆送检合格。
技术指标U(V) I(mA) Um Uo(V) Io(mA) Co(μF) Lo(mH) 电源回路 24V ≤20mA 250VAC/DC 28V 93 0.083 4.2信号回路 / ≤20mA 250VAC/DC 14V 100 0.73 3.5 U: 供电电压 I: 工作电流 Um:最高电压(交流有效值) Uo:最高输出电压Io:最大输出电流 Po:最大输出功率 Co:最大外部电容 Lo:最大外部电感·安装要求安全使用温度:-10℃~50℃储存温度:-10℃~70℃相对湿度:≤85%RH大气压力:80kPa~110kPa安装于无爆炸危险性气体混合物的安全区,无腐蚀性的场地,应避免强电磁波的干扰。
产品重量:150g安装方式滑轨安装接线两线制接线 三线制接线注意事项1. 安全栅必须置于安全场所。
2. 系统调试过程中应把安全栅的全部接线断开,待一次仪表和二次仪表正常工作后再接安全栅。
3. 安全栅和一次仪表及连线组成本质安全防爆系统时,安全栅最大外部电容Co应大于导线分部电容与变送器最大外部电容之和。
安 全栅最大外部电感Lo应大于导线分部电感与变送器最大外部电感之和。
(一次仪表也应该有防爆部门颁发的防爆合格证)。
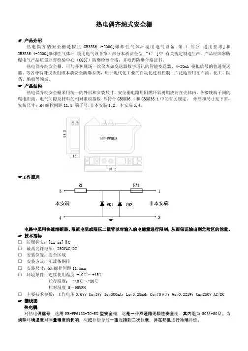
热电偶齐纳式安全栅☞产品介绍热电偶齐纳安全栅是按照GB3836.1-2000[爆炸性气体环境用电气设备第1部分通用要求]和GB3836.4-2000[爆炸性气体环境用电气设备第4部分本质安全型“i”]中有关规定制造生产。
产品经国家防爆电气产品质量监督检验中心(CQST)防爆检测合格,并取得防爆合格证书。
热电偶齐纳安全栅,可与各种现场一次仪表如变送器数字通讯的智能变送器、4-20mA模拟信号的普通变送器、等各种特殊仪表组成本质安全防爆系统,用于现代化工业的自动化过程控制,广泛地应用在石油、化工、医药、船舶等领域。
☞产品结构热电偶齐纳安全栅采用统一的外形和安装尺寸,安全栅电路用阻燃环氧树脂浇封在壳体内,各接线端子间的爬电距离、电气间隙及材料的相对泄痕指数都符合GB3836.4和GB3836.1中的有关规定。
外形和尺寸见下图,安装尺寸:M4螺栓间距11.5端子号:非本安装1,2,本安端3,4。
☞工作原理电路中采用快速熔断器、限流电阻或限压二极管以对输入的电能量进行限制,从而保证输出到危险区的能量。
☞技术指标□防爆标志:[Ex ia]ⅡC□最高允许电压:250VAC/DC□安装位置:安全区域□安装方式:汇流条铜排□安装尺寸:M4螺栓间距11.5mm□环境条件:连续使用温度-10℃~+45℃贮存温度:-40℃~+80℃相对湿度5~95%RH□主要技术参数:工作电压0.6V;Uo=3V;Io=300mA;Lo=0.28mH;Co=70μF;Wo=0.225W;Um=250V AC/DC☞接线图热电偶对热电偶信号,选用HR-WP6132-TC-EX型安全栅,这是一种双通路无极性安全栅,其内阻为50Ω+50Ω。
为消除环境温度对测量精度的影响,应把补偿导线一直连接到二次仪表,并在那里进行冷端补偿。
☞ 安装与接地□导流条安装:在宽20mm的铜排上,横向钻两个间距1 1.5mm、孔径为Φ4.5mm的安装孔,将安全栅两接地螺栓插入拧紧,并将铜排可靠接地。
安全栅使用规范GB/T 2613-2008 工业过程测量和控制系统用电动仪表通用技术条件本标准规定了DDZ-Ⅲ系列电动单元组合仪表中计算器、调节器、配电器、指示仪、记录仪、积算器、比值给定器、安全栅、Q 型操作器,以及电源箱的基本参数、质量指标及评定方法,并规定了DDZ-Ⅲ系列电动单元组合仪表之间传输信息用的模拟直流信号.本标准适用于DDZ-Ⅲ系列电动单元组合仪表计算器,包括加减器、乘除器及开方器.本标准规定的电流信号,适用于DDZ-Ⅲ系列电动单元组合仪表在控制室与现场之间的信息传输,一般不适用于控制室内的信息传输;本标准规定的电压信号,适用于DDZ-Ⅲ系列电动单元组合仪表在控制室内的信息传输;本标准不适用于单元仪表内部的信息传输;本标准不适用于DDZ-Ⅲ系列电动单元组合仪表中个别特殊功能的单元仪表,也不适用于断续信号工作的DDZ-Ⅲ系列电动单元组合仪表,对某些与DDZ-Ⅲ系列电动单元组合仪表配合使用的仪表可参照采用.董立新( 2010-05-11 17:21:04 ):[1];安全保持器;safety barrier安全栅-电偶输入/单通道/回路供电(NPEXA-C11L)安全栅安全栅传输精度:±0.2%F.S(不包括冷端补偿精度).安全栅国家标准为南京优倍电气主持起草,名称《工业过程测量和控制系统用安全栅》.安全栅又称安全保持器.本安回路的安全接口,它能在安全区和危险区之间双向转递电信号,并可限制因故障引起的安全区向危险区和能量转递.一般安全栅有齐纳式、隔离式.本安型安全栅应用在本安防爆系统的设计中,它是安装于安全场所并含有本安电路和非本安电路的装置,电路中通过限流和限压电路限制了送往现场本安回路的能量,从而防止非本安电路的危险能量串入本安电路,它在本安防爆系统中称为关联设备,是本安系统的重要组成部分.本安防爆系统关联设备,是指安装在安全场所,本安电气设备与非本安电气设备之间的相连的电气设备.由于安全栅被设计为介于现场设备与控制室设备之间的一个限制能量的接口,因此无论控制室设备处于正常或故障状态,安全栅都能确保通过它传送给现场设备的能量是本质安全的.中国国家仪器仪表防爆安全监督站是中华人民共和国地区监督生产安全防爆产品的权威机构,对本安型安全栅产品有着严格、科学、详细的规定,只有通过该监督站认证的企业及其所开发生产的产品才具备符合标准的安全性能,否则可能会给使用方的设备、人员和生产造成无可估量的损害.安装位置安全栅安装于安全场所,接收来自危险区的信号,输出安全信号到安全区或危险区.安全栅的结构形式常见的安全栅结构形式分为齐纳式和隔离式.齐纳式安全栅电路中采用快速熔断器、限流电阻或限压二极管以对输入的电能量进行限制,从而保证输出到危险区的能量.它的原理简单、电路实现容易,价格低廉,但因由于其自身原理的缺陷使其应用中的可靠性受到很大影响,并限制了其应用范围,其原因如下:1、安装位置必须有非常可靠的接地系统,并且该齐纳式安全栅的接地电阻必须小于1Ω,否则便失去防爆安全保护性能,显然这样的要求是十分的苛刻并在实际工程应用中难以保证.2、要求来自危险区的现场仪表必须是隔离型,否则通过齐纳式安全栅的接地端子与大地相接后信号无法正确传送,并且由于信号接地,直接降低信号抗干扰能力,影响系统稳定性.3、齐纳式安全栅对电源影响较大,同时也易因电源的波动而造成齐纳式安全栅的损坏.4、由于齐纳式安全栅的电路原理需要吸收输入回路的能量,所以易造成输出不稳定.隔离式安全栅采用了将输入、输出以及电源三方之间相互电气隔离的电路结构,同时符合本安型限制能量的要求.与齐纳式安全相比,虽然价格较贵,但它性能上的突出优点却为用户应用带来了更大的受益:1.由于采用了三方隔离方式,因此无需系统接地线路,给设计及现场施工带来极大方便.2.对危险区的仪表要求大幅度降低,现场无需采用隔离式的仪表.3.由于信号线路无需共地,使得检测和控制回路信号的稳定性和抗干扰能力大大增强,从而提高了整个系统的可靠性.4.隔离式安全栅具备更强的输入信号处理能力,能够接受并处理热电偶、热电阻、频率等信号,这是齐纳式安全栅所无法做到的.5.隔离式安全栅可输出两路相互隔离的信号,以提供给使用同一信号源的两台设备使用,并保证两设备信号不互相干扰,同时提高所连接设备相互之间的电气安全绝缘性能.因此,对比齐纳式和隔离式安全栅的特点和性能后可以看出,隔离式安全栅有着突出的优点和更为广泛用途,虽然其价格略高于齐纳式安全栅,但从设计、施工安装、调试及维护成本来考虑,其综合成本可能反而低于齐纳式安全栅.在要求较高的工程现场几乎无一例外地采用了隔离式安全栅作为主要本安防爆仪表,隔离式安全栅已逐渐取代了齐纳式安全栅,在安全防爆领域得到了日益广泛的应用.本安设备标志定义其中:EX - 防爆标志ⅡC - 气体组别本公司产品防爆级别:EX(ia)ⅡC防爆等级ia:在正常工作状态下,1个计数故障或2个计数故障状态下都不会点燃危险气体,回路必须保证在两个计数故障同时出现时仍然保证安全特性."ia"类电气设备对易于受干扰的元器件必须采用"三重化"设计."ib"类电气设备只能保证在1个计数故障状态下不会点燃危险气体.气体组别:Ⅰ组电气设备 :用于易受甲烷影响的煤矿环境中.Ⅱ组电气设备 :可用于除煤矿以外的爆炸危险环境中.Ⅱ组电气设备根据易燃性物质的不同点燃能量进一步细分.各子组用大写英文字母区分,从下表中可以看出,中国、IEC、欧洲分组标准中ⅡC组所需要的点燃能量最少,即在该组电气设备中,ⅡC组设备具备对ⅡA、ⅡB组的通用性.常见易燃性物质的分组典型气体分组标准点燃特性中国、IEC、欧洲北美甲烷Ⅰ乙炔ⅡC A氢气ⅡC B乙烯ⅡB C丙烷ⅡA D爆炸性危险场所的区域划分在安全防爆系统的设计及防爆产品的选型中,除了需要对爆炸性环境中存在的气体进行分级、分组外,还应根据爆炸性气体出现的频繁程度和持续时间对爆炸性气体危险场所进行区域划分:0区爆炸性气体混合物连续地或长时间地存在的场所.1区爆炸性气体混合物有可能出现的场所2区爆炸性气体混合物不可能出现,或即使出现也是短时间存在的场所本公司产品适用于0区,同时适用1区和2区.隔离式安全栅的安装色标:黄色端(非本安侧)接线通往安全区.蓝色端(本安侧)接线通往危险区.安装中的注意事项:1、安全栅应安装在安全场所,并且环境条件满足《安全栅选型样本》中的"使用条件"的要求.2、隔离式安全栅本安端(蓝色端)和非本安端电路的连接导线在汇线槽中应分开铺设,各自采用独立的保护套管.本安侧的配线管道内不允许有其它电源线,包括其本安电路使用的电源线.3、通往危险场所的导线应选用有蓝色标记的本安导线,导线的软铜面积必须大于0.5mm2,绝缘强度应大于500V.4、在对隔离式安全栅进行通电调试前,必须注意隔离式安全栅的型号、接线方法、线路极性等是否符合设计及产品要求中的规定,否则可能对人身及设备造成伤害.5、严禁用兆欧表测试隔离式安全栅端子之间的绝缘强度.如要检查系统的绝缘强度,应先断开全部隔离式安全栅的接线,否则可能引起安全栅内部电路损坏.6、在现场对安全栅进行编程前,必须先将所有接线断开再接入编程器,然后通电编程,否则可能引起不良后果.7、与隔离式安全栅相连接的现场仪表,均应采用通过经国家认定的有关防爆检验部门进行防爆试验、并取得防爆合格证的仪表.8、在设计、安装、使用、维护隔离式安全栅时,应同时遵守本产品使用手册中的说明及《GB3836.15-2000爆炸性气体环境用电气设备第15部分:危险场所电气安装(煤矿除外)》及《GB50058-1992爆炸和火灾危险环境电力设置设计规范》.。
齐纳安全栅SZSZ955955 1性能指标表1-1性能指标型号SZ955防爆合格证GYB04285线路A1A2安全参数U o(V)安全限压值 4.5 4.5I o(mA)安全限流值383383端电阻(Ω)15.515.5U10µA(V)0.6(1µA)0.6(1µA)U max(V) 4.0 4.0极性AC允许电容C o(µF)200.000200.000允许电感L o(mH)0.250.25允许电感-电阻比值L/R(µH/Ω)8585互换型号MTL公司MTL700系列755 P+F公司Z系列955A1、A2:是指齐纳安全栅的一组基本限能回路;端电阻:是指20℃时,在一个安全栅通道的两个端子间的电阻,即电阻阻值和熔断器阻值之和。
如果通路中有二极管,则应加上二极管导通时的电压降。
U10μA:是指齐纳安全栅的漏电流为10μA的时候,齐纳安全栅上所施加的电压。
U max:是指保证齐纳安全栅完好的最大回路电压;如果回路电压大于该值,那么齐纳安全栅内部的熔断器将会熔断。
C o:是指齐纳安全栅允许的最大回路电容。
L o:是指齐纳安全栅允许的最大回路电感。
L/R:为允许电缆的最大电感-电阻比值;当选用的电缆L/R参数小于该比值的时候,电缆的分布电容和电感可以不与考虑。
2使用说明�模拟量输入,小信号热电阻SZ955每个通路的端电阻仅18.0Ω,通路间电阻差异小于40mΩ,大大减小了系统误差。
典型的三线制电阻测量接法如图2-1所示。
使用时须注意,恒流源激励回路须使用同一只安全栅的通道,这样可减小误差。
图2-1SZ955接线图14线制恒流回路,不要求安全栅电阻匹配,也就是使用2个SZ955双通路安全栅,如图2-2所示。
图2-2SZ955接线图2注意:当使用非点点隔离的DCS卡件时,需要短路闲置的SZ955齐纳栅本安端端子。
表3-1版本升级更改一览表资料版本号适用产品型号更改说明SZ955使用手册(V1.0)SZ955。
一、概述WJ9000系列齐纳安全栅是本质安全型气仪表和电气装置的关联设备,该产品按照GB3836.1-2000[爆炸性气体环境用电气设备 第1部分通用要求]和GB3836.4-2000[爆炸性气体环境用电气设备 第4部分 本质安全型“i ”]中有关规定制造生产。
产品经国家级仪器仪表防爆安全监督检验站(NEPSI )防爆检测合格,并取得防爆合格书。
WJ9000系列齐纳安全栅共有40多种不同的型号规格,可与各种现场一次仪表如变送器(数字通讯的智能变送器、4-20mA 模拟信号的普通变送器、国产DDZ-Ⅲ型变送器)、电气转换器、电气阀门定位器、各类热电偶、开关(触点及模拟开关)、流量仪表(涡轮、腰轮、刮板、旋涡等流量变送器)、电磁阀及各种特殊仪表组成本质安全防爆系统,用于现代化工业的自动化过程控制,广泛地应用在石油、化工、医药、船舶等领域。
WJ9000P 系列齐纳安全栅是WJ9000系列齐纳安全栅的补充,其用途和WJ9000系列相同,分为二类,第一类为ⅡB 组气体而设计(二种型号),第二类为ⅡC 组气体而设计(七种型号),其特点是安全栅的端电阻降低了,给设计部门和用户选用安全栅的范围拓宽了,但提供给现场的能量也随着增加,要求更加慎重地核对现场设备(如变送器、电磁阀等)的电气参数,以确保联用后的安全效果。
二、结构WJ9000系列和WJ9000P 系列齐纳安全栅采用统一的外形和安装尺寸,安全栅电路用阻燃环氧树脂浇封在壳体内,各接线端子间的爬电距离、电气间隙及材料的相对泄痕指数都符合GB3836.4-2000和GB3836.1-2000中的有关规定。
外形见图2-1。
外形尺寸:94mm (宽)×62mm (高)×14.2mm (厚)三、工作原理1、齐纳安全栅基本电路:见图2(齐纳二极管或二极管),限流电阻R1(电阻器或非线性元件)三部分组成。
正常操作条件下,非本安端1、2之间所加的电压低于最高电压Vmax (更低于齐纳二极管的齐纳电压),此时VD1、VD2处于不导通状态,除有极微小的漏电流以外,是“开路”状态,安全栅电路等效于一个电阻串联在信号回路内,只要漏电流小于规定值,安全栅电路不会影响系统的正常工作。
齐纳安全栅(简介)本质安全型爱护无极性平稳/非平稳传输AC/DC兼容目录一、概述二、HAS系列齐纳安全栅使用要求三、产品型号命名四、HSA系列齐纳安全栅参数表五、通用技术参数六、安装连接与接地七、HSA系列齐纳二极管安全栅外形尺寸八、注意事项一、概述安全栅是本质安全型防爆电子设备的关联设备,在非安全环境中使用本安型防爆电子设备时,必须采纳安全栅防爆措施与安全区的设备及线路连接,实现本安防爆系统,用以防止因连接线路上和本安防爆电子设备显现故障时造成的过量能量(电能)窜入危险场所,将窜入危险场所的电能限制在安全值内。
保证在危险环境中安全使用本安型防爆电子设备,保证工作现场安全。
HSA系列齐纳二极管安全栅是依照我研究所多年来,在石油化工行业实际工作中应用安全栅的体会,结合齐纳安全栅特性,自行设计研发的最新产品。
HSA系列齐纳二极管安全栅具有无极性,交直流通用的特点,产品分为平稳和非平稳两种连接方式,即适合于单独应用,也适合于较大的,多组合安全栅本安型防爆电子设备系统工作。
本产品符合GB3836.1 - 2000,《爆炸性气体环境用电器设备》第一部分通用要求和GB3836.4 - 2000《爆炸性气体环境用电气设备》第四部分本质安全型的规定,并取得了国家CEC《石油和化学工业电气产品防爆质量监督检验中心》颁发的防爆电气产品防爆合格证。
二、HSA系列齐纳二极管安全栅使用要求1、在使用HSA系列齐纳二极管安全栅时,应将安全栅放置在安全工作区,必须在危险工作环境使用时,应采纳隔爆方式,将安全栅放置在隔爆装置内,按隔爆装置要求连接使用。
2、HSA系列齐纳二极管安全栅属于一次性使用装置,不得修复使用,如必须修复,应由专业技术人员修复后,经重新检测鉴定合格后方可使用。
3、HSA系列齐纳二极管安全栅与本安型防爆电子设备配套使用时,所选用安全栅与本安型防爆电子设备都应取得国家防爆质量监督检验中心颁发的防爆合格证,并经防爆检验单位确认后,可组成本安防爆系统。
S2000系列齐纳安全栅使用说明书一.概述S2000系列齐纳安全栅能与各种现场的一次仪表如:4-20mA的压力、温度、流量、电信号变送器;电器转换器、电气阀门定位器、各类热电偶、热电阻、开关量、报警器、脉冲信号等各种特殊仪表,组成本质安全防爆系统,用于现代化工业的自动化过程控制,广泛地用于石油化工、冶金、医药、船舶等领域。
可限制危险能量进入具爆炸性危险气体环境的可靠设备。
二.结构与外型尺寸S2000系列齐纳安全栅采用两种不同的外型和安装尺寸,外壳由阻燃防弧塑料压制成型,整个安全栅电路以阻燃环氧树脂封装在壳体内,各端子间的爬电距离、电气间隙及材料的相对泄痕指数均符合GB 3836.4中的有关规定。
外形尺寸见图1、图2。
三.主要技术参数正常工作条件a.环境温度:-20ºC~+40ºC ;b.相对湿度:< 95% RH ;c. 大气压:80~110 Kpa ;四.安全栅与一次仪表的配套要求1.安全栅应安装在非危险区;2.导流条和机壳绝缘,各导流条之间要用线芯截面积4mm²以上的铜导线或电缆线相互连接;3. 使用前请认真核对安全栅的型号、极性和工作电压;4. 禁止用兆欧表直接测量安全栅端子之间的绝缘。
检查系统线路时,必须断开全部安全栅的接线;5. 安全栅的本安端和非本安端的接线不允许接错;6. 一旦安全栅损坏,用户不得自已修复,应及时更换;7. 本安防爆系统的基本组合条件为:Uo ≤UìIo ≤IìCo ≥Cp + CìLo ≥Lp + Li其中:Uo为最高输出电压; Io为最大输出电流; Co为最大负载电容; Lo为最大负载电感; Ui为一次仪表允许的最高输入电压; Ii为一次仪表允许的最大输入电流; Ci为一次仪表的最大内部等效电容; Li为一次仪表的最大内部等效电感; Cp为连接导线(或电缆)允许的最大分布电容; Lp为连接导线(或电缆)允许的最大分布电感。
4.3 接线五、运行与维护5.1装置可采用包括陆运、水运和空运在内的各种方式进行运输,运输中须防止强烈振动、避免碰撞、重压及雨淋,防止与腐蚀品混装。
5.2装置应贮存于空气流通,无腐蚀性气体,无滴水和液体侵袭,空气相对湿度不大于95%,温度为(-10~55)℃的仓库中。
提示:安全栅放置在通风良好的环境中。
安全栅必须处于良好接地状态。
六、装箱清单、运输和保修说明6.1 随设备包装清单包括:主设备1只,使用说明书1 份。
6.2 在符合包装要求和稳妥的情况下,允许以汽车、火车、轮船、飞机等任何方式运输;国家或有关部门有要求的有些运输方式禁止运输时,则需按要求执行。
6.3 产品在正常使用情况下,免费保修期为12 个月,并负责产品及其配件的终身维修。
但在人为、使用不当、保修期外或不可抗拒力情形下造成的损坏,例如:严重摔撞、线路接错、长时间不正确保存等,则不在保修范围。
维护请严格按产品使用说明书正确安装、操作、维护探测器。
当设备发生故障时,及时与厂家取得联系进行维修。
用户不可随意拆卸产品,以免造成不必要的损失。
更多咨询请致电彩桥。
400-6700-119产品安装前请仔细阅读使用说明书S2004齐纳安全栅安装、维护及使用说明书一、概述S2004齐纳安全栅是一种多用途安全栅,可与危险场所的自动化仪表、报警器等各种仪器、设备组成本质安全防爆系统,广泛地用于化工、石油、冶金、医药等领域,以限制危险能量进入具有爆炸性危险气体的环境。
本产品满足GB3836.1-2010《爆炸性环境 第1部分:设备 通用要求》、GB3836.4-2010《爆炸性环境 第4部分:由本质安全型“i ”保护的设备 》、GB30241.1-2013《齐纳二极管安全栅第1部分: 通用技术条件》、GB30241.2-2013《齐纳二极管安全栅第2部分: 性能评定方法》中有关规定的要求。
该产品取得防爆合格认证,证书编号:CNEx20.0087。
安全栅使用规范GB/T 2613-2008 工业过程测量和控制系统用电动仪表通用技术条件本标准规定了DDZ-Ⅲ系列电动单元组合仪表中计算器、调节器、配电器、指示仪、记录仪、积算器、比值给定器、安全栅、Q 型操作器,以及电源箱的基本参数、质量指标及评定方法,并规定了DDZ-Ⅲ系列电动单元组合仪表之间传输信息用的模拟直流信号.本标准适用于DDZ-Ⅲ系列电动单元组合仪表计算器,包括加减器、乘除器及开方器.本标准规定的电流信号,适用于DDZ-Ⅲ系列电动单元组合仪表在控制室与现场之间的信息传输,一般不适用于控制室内的信息传输;本标准规定的电压信号,适用于DDZ-Ⅲ系列电动单元组合仪表在控制室内的信息传输;本标准不适用于单元仪表内部的信息传输;本标准不适用于DDZ-Ⅲ系列电动单元组合仪表中个别特殊功能的单元仪表,也不适用于断续信号工作的DDZ-Ⅲ系列电动单元组合仪表,对某些与DDZ-Ⅲ系列电动单元组合仪表配合使用的仪表可参照采用.董立新( 2010-05-11 17:21:04 ):[1];安全保持器;safety barrier安全栅-电偶输入/单通道/回路供电(NPEXA-C11L)安全栅安全栅传输精度:±0.2%F.S(不包括冷端补偿精度).安全栅国家标准为南京优倍电气主持起草,名称《工业过程测量和控制系统用安全栅》.安全栅又称安全保持器.本安回路的安全接口,它能在安全区和危险区之间双向转递电信号,并可限制因故障引起的安全区向危险区和能量转递.一般安全栅有齐纳式、隔离式.本安型安全栅应用在本安防爆系统的设计中,它是安装于安全场所并含有本安电路和非本安电路的装置,电路中通过限流和限压电路限制了送往现场本安回路的能量,从而防止非本安电路的危险能量串入本安电路,它在本安防爆系统中称为关联设备,是本安系统的重要组成部分.本安防爆系统关联设备,是指安装在安全场所,本安电气设备与非本安电气设备之间的相连的电气设备.由于安全栅被设计为介于现场设备与控制室设备之间的一个限制能量的接口,因此无论控制室设备处于正常或故障状态,安全栅都能确保通过它传送给现场设备的能量是本质安全的.中国国家仪器仪表防爆安全监督站是中华人民共和国地区监督生产安全防爆产品的权威机构,对本安型安全栅产品有着严格、科学、详细的规定,只有通过该监督站认证的企业及其所开发生产的产品才具备符合标准的安全性能,否则可能会给使用方的设备、人员和生产造成无可估量的损害.安装位置安全栅安装于安全场所,接收来自危险区的信号,输出安全信号到安全区或危险区.安全栅的结构形式常见的安全栅结构形式分为齐纳式和隔离式.齐纳式安全栅电路中采用快速熔断器、限流电阻或限压二极管以对输入的电能量进行限制,从而保证输出到危险区的能量.它的原理简单、电路实现容易,价格低廉,但因由于其自身原理的缺陷使其应用中的可靠性受到很大影响,并限制了其应用范围,其原因如下:1、安装位置必须有非常可靠的接地系统,并且该齐纳式安全栅的接地电阻必须小于1Ω,否则便失去防爆安全保护性能,显然这样的要求是十分的苛刻并在实际工程应用中难以保证.2、要求来自危险区的现场仪表必须是隔离型,否则通过齐纳式安全栅的接地端子与大地相接后信号无法正确传送,并且由于信号接地,直接降低信号抗干扰能力,影响系统稳定性.3、齐纳式安全栅对电源影响较大,同时也易因电源的波动而造成齐纳式安全栅的损坏.4、由于齐纳式安全栅的电路原理需要吸收输入回路的能量,所以易造成输出不稳定.隔离式安全栅采用了将输入、输出以及电源三方之间相互电气隔离的电路结构,同时符合本安型限制能量的要求.与齐纳式安全相比,虽然价格较贵,但它性能上的突出优点却为用户应用带来了更大的受益:1.由于采用了三方隔离方式,因此无需系统接地线路,给设计及现场施工带来极大方便.2.对危险区的仪表要求大幅度降低,现场无需采用隔离式的仪表.3.由于信号线路无需共地,使得检测和控制回路信号的稳定性和抗干扰能力大大增强,从而提高了整个系统的可靠性.4.隔离式安全栅具备更强的输入信号处理能力,能够接受并处理热电偶、热电阻、频率等信号,这是齐纳式安全栅所无法做到的.5.隔离式安全栅可输出两路相互隔离的信号,以提供给使用同一信号源的两台设备使用,并保证两设备信号不互相干扰,同时提高所连接设备相互之间的电气安全绝缘性能.因此,对比齐纳式和隔离式安全栅的特点和性能后可以看出,隔离式安全栅有着突出的优点和更为广泛用途,虽然其价格略高于齐纳式安全栅,但从设计、施工安装、调试及维护成本来考虑,其综合成本可能反而低于齐纳式安全栅.在要求较高的工程现场几乎无一例外地采用了隔离式安全栅作为主要本安防爆仪表,隔离式安全栅已逐渐取代了齐纳式安全栅,在安全防爆领域得到了日益广泛的应用.本安设备标志定义其中:EX - 防爆标志ⅡC - 气体组别本公司产品防爆级别:EX(ia)ⅡC防爆等级ia:在正常工作状态下,1个计数故障或2个计数故障状态下都不会点燃危险气体,回路必须保证在两个计数故障同时出现时仍然保证安全特性."ia"类电气设备对易于受干扰的元器件必须采用"三重化"设计."ib"类电气设备只能保证在1个计数故障状态下不会点燃危险气体.气体组别:Ⅰ组电气设备 :用于易受甲烷影响的煤矿环境中.Ⅱ组电气设备 :可用于除煤矿以外的爆炸危险环境中.Ⅱ组电气设备根据易燃性物质的不同点燃能量进一步细分.各子组用大写英文字母区分,从下表中可以看出,中国、IEC、欧洲分组标准中ⅡC组所需要的点燃能量最少,即在该组电气设备中,ⅡC组设备具备对ⅡA、ⅡB组的通用性.常见易燃性物质的分组典型气体分组标准点燃特性中国、IEC、欧洲北美甲烷Ⅰ乙炔ⅡC A氢气ⅡC B乙烯ⅡB C丙烷ⅡA D爆炸性危险场所的区域划分在安全防爆系统的设计及防爆产品的选型中,除了需要对爆炸性环境中存在的气体进行分级、分组外,还应根据爆炸性气体出现的频繁程度和持续时间对爆炸性气体危险场所进行区域划分:0区爆炸性气体混合物连续地或长时间地存在的场所.1区爆炸性气体混合物有可能出现的场所2区爆炸性气体混合物不可能出现,或即使出现也是短时间存在的场所本公司产品适用于0区,同时适用1区和2区.隔离式安全栅的安装色标:黄色端(非本安侧)接线通往安全区.蓝色端(本安侧)接线通往危险区.安装中的注意事项:1、安全栅应安装在安全场所,并且环境条件满足《安全栅选型样本》中的"使用条件"的要求.2、隔离式安全栅本安端(蓝色端)和非本安端电路的连接导线在汇线槽中应分开铺设,各自采用独立的保护套管.本安侧的配线管道内不允许有其它电源线,包括其本安电路使用的电源线.3、通往危险场所的导线应选用有蓝色标记的本安导线,导线的软铜面积必须大于0.5mm2,绝缘强度应大于500V.4、在对隔离式安全栅进行通电调试前,必须注意隔离式安全栅的型号、接线方法、线路极性等是否符合设计及产品要求中的规定,否则可能对人身及设备造成伤害.5、严禁用兆欧表测试隔离式安全栅端子之间的绝缘强度.如要检查系统的绝缘强度,应先断开全部隔离式安全栅的接线,否则可能引起安全栅内部电路损坏.6、在现场对安全栅进行编程前,必须先将所有接线断开再接入编程器,然后通电编程,否则可能引起不良后果.7、与隔离式安全栅相连接的现场仪表,均应采用通过经国家认定的有关防爆检验部门进行防爆试验、并取得防爆合格证的仪表.8、在设计、安装、使用、维护隔离式安全栅时,应同时遵守本产品使用手册中的说明及《GB3836.15-2000爆炸性气体环境用电气设备第15部分:危险场所电气安装(煤矿除外)》及《GB50058-1992爆炸和火灾危险环境电力设置设计规范》.。
齐纳安全栅要求9二极管安全栅9.1概述二极管安全栅中的二极管用于限制施加到本质安全电路上的电压,可靠限流电阻用于限制流入本质安全电路的电流。
二极管安全栅组件用作本质安全电路和本质安全电路之间作为接口设备,应承受11.1(11.1 二极管安全栅的例行试验11.1.1成品安全栅,每只成品安全栅应进行例行试验,检查每个安全栅元件正常运行情况,及任何熔断器的阻值应符合要求。
如果为本实验目的而需要安全栅内部设置跨接线,则此跨接线的拆除应不影响本质安全性能。
)规定是例行试验。
安全栅承受瞬态故障的能力应按10.8(10.8二极管安全栅和分流器的型式试验用下列试验验证安全栅或安全分流器能否承受瞬态过程的影响。
具有可靠额定值的电阻器应认为能够承受来自规定的预期瞬态过程。
二极管应有制造商技术说明书或通过下列试验表明能够承受峰值电压Um除以熔断器电阻(最低环境温度时)及其串联的可靠电阻阻值之和的电流。
每一种型式的二极管在其使用方向(齐纳二极管为齐纳方向)应能承受重复5次持续时间为50uS的矩形电流脉冲试验,每两次间隔为20mS。
脉冲幅值由Um峰值除以熔断器在最低环境温度是“冷态”电阻(加在电路中串联的可靠电路阻值)确定。
在制造商数据表明在该电流下预先击穿时间大于50uS时,该电流脉冲宽度将变成实际预先击穿时间。
在实际击穿时间不可能从制造商获得现场数据时,10只熔断器应承受上述预期电流,并测定预先击穿时间。
如果该值大于50uS可以使用该值。
应在该试验前和试验后用相同的电流测量二极管电压,测试电流应用元件制造商规定的电流。
测量电压之差应不大于5%(5%的差值包括试验设备的测量部确定度)。
试验时观察到的升压的最高电压,应认为是用上述对半导体限流器件同样方法施加的一系列脉冲的峰值电压。
上述器件试验结束后,应对照元件制造商规定的技术参数进行一致性核对。
对特定制造商制造的同一类器件,仅需要对具有特定电压的典型样品进行试验,以证明该类器件符合要求。
)的规定试验。
仅装有两只二极管或二极管组件的“ia”保护等级的安全栅,如果二极管已经按11.1.2(11.1.2“ia”等级安全栅的双重化二极管,在下列试验前后,根据二极管制造商的规定,在室温条件下测量二极管端电压:a)每只二极管承受150℃温度试验,历时2H;b)每只二极管承受10.8规定脉冲电流试验。
)的规定做了例行试验,应认为是符合8.6(8.6 分流安全组件P31当二极管或齐纳二极管用作可靠分流安全组件的分流元件时,它们至少应形成两个并联的二极管通路。
“ia”保护等级的安全组件,在应用第5章的要求时,仅应考虑一个二极管的故障。
二极管的额定值应能承载短路故障下在其安装处流过的电流。
注1:为防止连接断开时产生火花点燃,可按6.3.4(6.3.4通过浇封化合物的间距,浇封化合物应符合6.6(6.6浇封当采用浇封化合物时符合下列要求:a)浇封化合物或设备的生产商应规定浇封化合物温度额定值,该额定值至少等于任何被浇封的元件能达到的最高温度。
或者,如果较高温度不会对浇封化合物造成任何使防爆型式失效的损坏,则此浇封化合物额定温度高的温度也可以接受。
b)如果任何裸露带电部件从浇封化合物中凸出,则浇封化合物自由表面的CTI值至少应为表5规定的值。
c)只有通过10.6.1(浇封化合物:用直径为6mm平端金属试棒,在浇封化合物暴露表面上垂直施加30N力,保持10S,这时,浇封件不得出现损坏,永久性变形或大于1mm的位移。
浇封化合物有自由表面时,为了保证浇封化合物具有一定的刚性,且不易碎裂,浇封化合物表面应在20+10℃,使用GB3836.1-2010附录C所诉的试验装置进行下列之一冲击试验:1.对于I类设备,在浇封化合物形成外壳的一部分并且用于隔离爆炸性气体环境时,所使用的最低冲击能量为20J。
2.对于其它电气设备,所使用的最低冲击能量为2J,试验后浇封化合物应保持完好并且不会出现永久性变形,表面出现的微小裂缝可忽略)试验的材料的自由表面可以不加保护地暴露直接外壳的部分。
d)除非所有带电部件,元件和底全部被浇封化合物浇封,否则浇封化合物应粘附所有带电部件,元件和衬底。
e)应规定浇封化合物的名称和生产商给出的型号规格。
另外,当采用浇封化合物降低热元件(如,二极管和电阻器)的点燃能力时,浇封化合物的体积和厚度应能将浇封化合物的最高表面温度降至所要求的值。
)的要求。
对于需要浇封的部件,浇封的带电部件和元件到浇封化合物的自由表面之间的最小间距应至少为表5第3列(P20)规定值的一半,最少为1mm,如果浇封化合物直接接触或粘附于符合表5第4(P20)列要求的绝缘材料外壳,则不需要其他间隔。
浇封电路的绝缘应符合6.3.1.2的要求。
(P19)10.6.3隔板隔板应能承受用直径为6mm的固体试棒施加的至少30N 的力,这个力应施加在隔板中心附近并至少保持10S,隔板不应产生其功效的变形。
浇封或距离元件的损坏,应认为是一个单独计数故障。
注1:进一步的要求在附录D(P86)中给出。
)的规定浇封。
注2:正常工作时,组件内使用的分流元件可以导通。
当元件用熔断器保护时,熔断器应符合7.3(P28)规定,并且元件应能承受1.7In的电流。
)的可靠组件。
这样,在应用第5(P11)章的要求时,应仅考虑一只二极管故障。
在“ic”保护等级的安全栅内,最低要求有单只齐纳二极管和一个限流电阻器,这些元件的额定值应基于Um确定。
9.2结构9.2.1安装安全栅的结构应确保在多个安全栅安装在一起时,可明显察觉其任何不正确的安装,例如采用不对称的安装形态或用颜色区分。
9.2.2接地用连接件对于安全栅,除应具有地电位电路的连接以外,至少还应具有另一个附加接地连接件,或连接一根横截面积不小于4平方毫米的绝缘导线作为附加接地连接。
9.2.3元件的保护应采用6.3.4(6.3.4通过浇封化合物的间距,浇封化合物应符合6.6(6.6浇封当采用浇封化合物时符合下列要求:a)浇封化合物或设备的生产商应规定浇封化合物温度额定值,该额定值至少等于任何被浇封的元件能达到的最高温度。
或者,如果较高温度不会对浇封化合物造成任何使防爆型式失效的损坏,则此浇封化合物额定温度高的温度也可以接受。
b)如果任何裸露带电部件从浇封化合物中凸出,则浇封化合物自由表面的CTI值至少应为表5(P20)规定的值。
c)只有通过10.6.1(浇封化合物:用直径为6mm平端金属试棒,在浇封化合物暴露表面上垂直施加30N力,保持10S,这时,浇封件不得出现损坏,永久性变形或大于1mm的位移。
浇封化合物有自由表面时,为了保证浇封化合物具有一定的刚性,且不易碎裂,浇封化合物表面应在20正负10℃,使用GB3836.1-2010附录C(P84)所诉的试验装置进行下列之一冲击试验:1.对于I类设备,在浇封化合物形成外壳的一部分并且用于隔离炸性气体环境时,所使用的最低冲击能量为20J.2.对于其它电气设备,所使用的最低冲击能量为2J,试验后浇封化合物应保持完好并且不出现永久性变形,表面出现的微小裂缝壳忽)试验的材料的自由表面可以不加保护地暴露直接外壳的部分。
d)除非所有带电部件,元件和底全部被浇封化合物浇封,否则浇封化合物应粘附所有带电部件,元件和衬底。
e)应规定浇封化合物的名称和生产商给出的型号规格。
另外,当采用浇封化合物降低热元件(如,二极管和电阻器)的点燃能力时,浇封化合物的体积和厚度应能将浇封化合物的最高表面温度降至所要求的值。
))规定的浇封或用一个拆卸后不可复原的外壳对组件进行保护,防止对影响本质安全性能的任何元件进行检修或替换,全部组件应为一个整体。
防爆安全栅原理防爆安全栅,防止危险能量由安全场所进入危险场所,不影响仪表正常工作,安放在安全场所的入(出)口处。
这样对安全场所的仪表不作防爆要求。
防爆安全栅按结构分类:①齐纳安全栅,②变压器隔离式安全栅。
按用途分类:①输入端用,②输出端用。
一. 齐纳安全栅齐纳安全栅的防爆原理是用齐纳二级管VD控制输出电压,用限流电阻R限制输出电流,电路相对简单。
电路由快速熔断器FU,限压元件VD1、VD2 (齐纳二极管或二极管),限流电阻R(电阻器或非线性元件)三部分组成。
在正常操作条件下,非本安端3、4 之间所加的电压低于最高电压Vmax(更低于齐纳二极管的齐纳电压),此时VD1、VD2处于不导通状态,除有极微小的漏电流以外,是“开路”状态,安全栅电路等效于一个电阻串联在信号回路内,只要漏电流小于规定值,安全栅电路就不会影响系统的正常工作。
而当非本安端发生故障,例如在非本安端3、4之间因某种原因混入高电压,使齐纳二极管VD1、VD2 反向击穿,呈“导通”状态,此时齐纳二极管VD1、VD2 把混入的高电压限制在齐纳电压上,在安全栅的本安端1、2 上就不会出现高电压。
齐纳二极管一旦导通以后,其电流急剧上升(雪崩过程)把串联在电路中的熔断器FU 瞬时熔断,切断了至现场的高电压,防止了高电压引爆现场爆炸性物质的危险,从而保护了现场设备及人员的安全。
当现场(危险区内)本安端1、2之间发生故障,例如负载短路了,安全栅电路中的限流电阻R立即起限流作用,把极大的短路电流限制在某一个电流值之内,这个电流值是安全值,故现场也是安全的。
齐纳安全栅的安全保护作用,实际上是对能量的限制作用,在本质安全防爆系统中,由于安全栅的功能,所以不论发生任何故障都保证传输到现场(危险区)的能量限制在一个安全值(不会点燃规定的分级、分组爆炸性气体混合物),从而保证现场安全。
在正常工作时,齐纳安全栅相当于两个电阻串入电路,因此对系统结构无须作改动。
另外,齐纳安全栅由于无信号的转变,对原信号精度也没有影响。
一般来讲,齐纳安全栅选型容易,不易损坏,对原系统结构要求改动的地方比较少,价格方面,齐纳安全栅要比隔离的便宜很多,这在需要使用很多安全栅的场合,齐纳安全栅的价格优势明显体现了出来。
安型防爆仪表的标志有哪些?本安型防爆仪表的标志本安型防爆仪表的标志为“i”,按等级分为“ia”适用于0区,“ib”适用于1区。
标志铭牌上的防爆标志分为四段:ExABC 隔离器安全栅其中Ex:防爆仪表; A:防爆类型,例如d、ia、ib 等; B:防爆类和级,例如Ⅰ级、ⅡA、ⅡB、ⅡC等; C:仪表外面温度级别,例如T1~T6。
例如防爆仪表标志铭牌上标志为ExdiaⅡCT6,指兼有隔爆和本安功能,可在ⅡC级T6组以下级别使用的防爆仪表。
本安防爆系统的特点是什么?本安防爆系统的特点: 1)工作电压低,工作电流小;正常工作电压24VDC,工作电流< 20mADC, 故障电压<35VDC,故障电流<35mADC。
仪表所用的电阻、电感、电容参数,保证在正常或故障状态所产生的火花能量不足以点燃爆炸性混合物; 2)危险场所和非危险场所的电路用防爆安全栅隔离; 3)现场仪表到控制室仪表的连线不得形成大的分布电容和电感;构成安全火花防爆系统的有哪些要素安全火花防爆系统电动仪表存在电路打火的可能。