郑州市生态水系规划 第一部分
- 格式:doc
- 大小:8.97 MB
- 文档页数:38
郑州市最新版国土空间总体规划(2020-2035)划定32个核心板块文:陪你去看房 ID:peinishaizz 作者:房姐3月11日,在河南卫视《河南新闻联播》中,郑州市国土空间总体规划(2020-2035)出来了。
按照郑州市自然资源和规划局的原计划,国土空间总体规划编制会在2019年底完成。
目前尚不确定规划是否还处于编制讨论阶段,但从河南卫视展现的信息中,可以看出未来郑州的发展重心和布局。
1首先,通过报道我们了解到,郑州被初步划定出32个核心板块,每个板块1-3平方公里,以现代服务业为主体,以城市设计为抓手,着力打造成为城市经济发展的支撑点、城市建设的新亮点和城市结构的关键点。
也就是说,这32个核心板块至关重要。
有多重要呢?三个点:支撑点、新亮点、关键点。
换句话说,这32个板块,是郑州未来16年的核心板块,这些板块或者项目的发展,直接关系到整个郑州的城市建设和经济发展。
这32个板块的总用地面积为68平方公里。
其中,中心城区及港区22个,总用地面积为51平方公里,县市区10个,总用地面积为17平方公里。
接下来,重点来了。
针对这32个板块,图片中还附有一个详细的表格。
这上面的信息,体现的是各个区的重点区域所在。
2先看几个基本面:数量上,郑东新区最多,核心板块有5个;其次是经开和管城,分别是3个。
管城区的发展速度一直在各区中,排在后面,这次一次被划定了三个核心板块,相信未来几年管城的区域形象会得到很大改观。
比较意外的是高新区,只有一个核心板块,位于高新区中心板块。
双湖科技城这两年呼声很高,又是建湖又是建学校又是建地铁、引进高新企业,但这次并未被划入核心。
用地面积上,东区仍是重头,总用地面积为12.26平方公里。
其次是港区,两个板块的用地面积达到11.3平方公里。
高新区和金水区的面积最小,分别是1.1平方公里和1.76平方公里。
3最后,我们来看各个区域内的核心板块和项目。
中原区,核心板块为:中央文化区(CCD)和中原新区须水河核心片区。
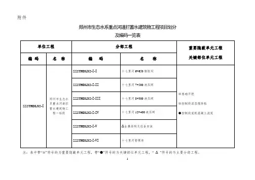
附件郑州市生态水系重点河道拦蓄水建筑物工程项目划分及编码一览表单位工程分部工程重要隐蔽单元工程关键部位单元工程编码名称编码名称ZZSTHDLXS-I 郑州市生态水系重点河道拦蓄水建筑物工程一标段ZZSTHDLXS-I-I十七里河6+650橡胶坝※基础开挖※控制段深层搅拌桩●控制段底板混凝土浇筑ZZSTHDLXS-I-II十七里河7+500液压闸ZZSTHDLXS-I-III十七里河8+300液压闸ZZSTHDLXS-I-IV十七里河12+400液压闸ZZSTHDLXS-I-V∆金属结构及设备安装ZZSTHDLXS-I-VI 十七里河管理房注:表中带“※”符号的为重要隐蔽单元工程,带“●”符号的为关键部位单元工程,“∆”符号的为主要分部工程。
1郑州市生态水系重点河道拦蓄水建筑物工程项目划分及编码一览表单位工程分部工程重要隐蔽单元工程关键部位单元工程编号名称编码名称ZZSTHDLXS-II 郑州市生态水系重点河道拦蓄水建筑物工程二标段ZZSTHDLXS-II-I魏河1+900液压闸※基础开挖※控制段深层搅拌桩●控制段底板混凝土浇筑ZZSTHDLXS-II-II魏河2+800液压闸ZZSTHDLXS-II-III金水河钢坝闸ZZSTHDLXS-II-IV熊耳河2+400钢坝闸ZZSTHDLXS-II-V熊耳河7+350液压闸ZZSTHDLXS-II-VI 熊耳河8+900液压闸ZZSTHDLXS-II-VII 管理房ZZSTHDLXS-II-VIII∆金属结构及设备安装注:表中带“※”符号的为重要隐蔽单元工程,带“●”符号的为关键部位单元工程,“∆”符号的为主要分部工程。
2郑州市生态水系重点河道拦蓄水建筑物工程项目划分及编码一览表单位工程分部工程重要隐蔽单元工程关键部位单元工程编号名称编码名称ZZSTHDLXS-III 郑州市生态水系重点河道拦蓄水建筑物工程三标段ZZSTHDLXS-III-I十八里河1+200钢坝闸※基础开挖※控制段深层搅拌桩●控制段底板混凝土浇筑ZZSTHDLXS-III-II十八里河3+800液压闸ZZSTHDLXS-III-III十八里河4+600液压闸ZZSTHDLXS-III-IV十八里河6+950液压闸ZZSTHDLXS-III-V潮河4+700液压闸ZZSTHDLXS-III-VI 管理房ZZSTHDLXS-III-VII ∆金属结构及设备安装注:表中带“※”符号的为重要隐蔽单元工程,带“●”符号的为关键部位单元工程,“∆”符号的为主要分部工程。
郑州市生态水系河道截污工程初探作者:白家波来源:《价值工程》2014年第04期摘要:城市水系是城市生命肌体的重要组成部分,为实现“水通、水清、水美”的目标任务,根据郑州市生态水系规划目标要求, 2008年度政府投资项目计划提出郑州市生态水系河道治理8项任务,为确保河道治理后的效果,按照治河必须截污的原则,需配套建设沿河截污管道,并解决其污水排放出路问题。
本文通过须水河、索须河、魏河、贾鲁河、金洼干沟、十七里河、十八里河等配套截污工程方案简介,对生态水系河道截污工程进行了一些初步探索。
关键词:生态水系;河道;截污;排放中图分类号:U991 文献标识码:A 文章编号:1006-4311(2014)04-0108-020 引言城市水系是城市生态生命肌体的核心,尽管穿梭郑州市的河流水道不少,但由于治理不到位,郑州市水系存在着诸多急需解决的问题,如:水资源紧缺,配置不合理,水质污染严重,加上河网不完善,水系功能不健全,防洪标准偏低,水体生态功能退化,滨河生态环境单调等。
为了解决这些问题,2006年6月14日,郑州市适时提出生态水系的规划、建设任务,要高起点、高标准地治理好城市周边水系,经过一些列规划整顿,现在全市水面面积由现在的11.4km2增加到33.5km2,人均水面由现在的3.9m2增加到6.8m2。
1 河道截污项目简介1.1 郑州市须水河、索须河一期截污工程(中原西路~连霍高速)工程基本情况:须水河(中原西路~连霍高速)河道全长13.21km,调查沿河排污口32个,污水量1.26万m3/d;两岸共敷设沿河截污管16.97公里,管径di500~d1000,沿河道及地势由南向北排放。
为解决截流污水的出路问题,配套设置截流污水排出管道8.5km,其中新龙路d1400污水干管5.28km,由西向东排放;郁香路d1100污水管1.79km,由北向南排放;翠竹街d1500污水干管1.48km,由西向东排放;工程概算总投资8641万元。
郑州市白沙园区生态水系规划研究摘要:针对白沙园区的现状及未来发展方向,通过水系规划建设把白沙园区水系打造成一个和谐、美观、充满自然气息和原始风貌的宜居环境。
同时结合不同河道和湖泊的特点,按照不同区域对其进行滨水景观建设,赋予贾鲁河以城市滨水公园和符合当地历史文化的景观节点,赋予其它河湖以田园风光和原始生态美。
让整个水系都成为人们休闲、游玩的好去处,使白沙园区真正成为环境优美、宜居宜业的新城区。
关键词:水系;水生态;水资源;规划一、工程概况郑州市白沙园区为郑汴新区重要的城市功能组团,也是郑州新区规划发展的重要建设区域。
白沙园区内水系较为丰富,现状有1条引黄干渠(杨桥南干渠)、4条自然河流(贾鲁河、魏河故道、石沟、刘集沟)穿越规划区,已开挖建成了绿博园湖、华强湖2个湖群,加上正在建设的龙城明渠、永盛明渠,及规划建设的新龙明渠、绿博园一号明渠、二号明渠、三号明渠、四号明渠等排水明渠和博润湖、乾坤湖、禅湖、绿博园湖、华强湖等人工湖泊,共同构成了“4河、5湖、9渠”的水系网络。
但是,目前白沙园区内河流水系存在着诸多亟需解决的问题,如:大部分河道未经过系统整治防洪除涝标准太低,水系功能不健全,水质污染严重、水体生态功能退化,水资源短缺、配置不合理等。
本次水系规划目标是:根据区域经济可持续发展的需要,针对水系的特点、治理现状及存在问题,因地制宜,提出防治洪涝灾害的对策措施,确定防洪总体方案及重点工程布局,提高白沙园区防御洪涝灾害的能力,使其达到规划的防洪标准,同时满足已有规划和已实施河道水系的防洪除涝要求;分析规划区需水量、供水量和水环境状况,提出切实可行的水源优化配置方案和水环境保护措施;通过对水域生态景观的修复、建设,使城市水系的观光、休闲等生态服务功能得到良好的发挥,从而维系白沙园区发展的生态安全,实现白沙园区社会、经济的可持续发展。
最终实现“河渠安澜、河湖交错、水清岸绿,生态与景观相融合、景观与人文相统一”规划目标。
郑州市人民政府办公厅关于印发郑州市黄河流域入河排污口整治工作实施方案的通知文章属性•【制定机关】郑州市人民政府办公厅•【公布日期】2024.03.25•【字号】郑政办〔2024〕18号•【施行日期】2024.03.25•【效力等级】地方规范性文件•【时效性】现行有效•【主题分类】水污染防治正文郑州市人民政府办公厅关于印发郑州市黄河流域入河排污口整治工作实施方案的通知郑政办〔2024〕18号郑东新区管委会,金水区、惠济区、上街区、中牟县、荥阳市、巩义市人民政府,市生态环境局、市城管局、市农委、市水利局:《郑州市黄河流域入河排污口整治工作实施方案》已经市政府同意,现印发给你们,请认真贯彻执行。
郑州市人民政府办公厅2024年3月25日郑州市黄河流域入河排污口整治工作实施方案为深入贯彻落实习近平生态文明思想,全面推进我市黄河流域入河排污口溯源整治和规范管理,按照《国务院办公厅关于加强入河入海排污口监督管理工作的实施意见》(国办函〔2022〕17号)、《生态环境部办公厅关于印发黄河流域入河排污口排查整治专项行动工作计划的函》(环办执法函〔2021〕134号)、《生态环境部办公厅关于交办黄河流域入河排污口清单的函》(环办执法函〔2023〕280号)有关要求,结合我市实际,制定本方案。
一、指导思想以习近平新时代中国特色社会主义思想为指导,全面贯彻党的二十大精神,深入贯彻习近平生态文明思想和习近平总书记在黄河流域生态保护和高质量发展座谈会上的重要讲话精神,在排查、监测、溯源工作的基础上,按照“一口一策”的原则,针对入河排污口存在的问题,制定分类整治措施,明确整治要求、责任单位及完成时限,有效规范和管控各类入河排污口,建立健全入河排污口的长效监管机制,为黄河流域生态保护和高质量发展奠定基础。
二、基本原则(一)坚持以水定岸、水陆统筹从保护和改善水生态环境质量出发,根据受纳水体生态环境功能明确入河排污口整治要求,倒逼岸上污染治理。
一.基本情况(一)地理位置郑东新区西起中州大道,东至万三公路,北起黄河南岸,南至陇海铁路,由中央商务区、龙湖区域、白沙园区、综合交通枢纽区、龙子湖高校园区、沿黄都市农业区等六大功能组团组成,总面积260平方公里。
如今的郑东新区已经成为河南省城市化的重要标志和展示城市新形象的“窗口”和“名片”。
(二)规划背景依据“十八大”提出的以科学发展观为指导大力推进生态文明建设的要求,为了落实中原经济区郑州都市区规划建设,切实改善城市生态环境,提高居民生活质量,巩固提升郑东新区生态水系建设成果,并与《郑州都市区生态水系全面提升规划》相衔接,根据郑东新区管委会的工作部署,委托郑州市水利建筑勘测设计院编制完成了《郑东新区生态水系规划》。
二.区域水系现状与规划(一)区域河流现状流经郑东新区的河道均属淮河流域,主要河流有贾鲁河干流及支流魏河(含魏河,魏河改线和魏河故道)、金水河、熊耳河、东风渠、潮河、七里河、徐北沟共计9条。
另有如意河、昆丽河两条景观运河。
(二)区域湖泊现状规划区内湖泊主要有:龙湖、龙子湖、如意湖、象湖。
其中龙湖、龙子湖和象湖为在建湖泊,如意湖为已建湖泊。
(三)杨桥灌区现状杨桥灌区位于中牟县境内,目前有效灌溉面积为22853 hm2,属大型灌区。
现有总干渠1条,长7.48 km,全部衬砌;干渠2条,长42.10 km,全部衬砌。
(四)区域水系规划情况1、《郑州都市区生态水系全面提升规划》2、《郑州贾鲁河生态水系综合方案》3、《郑州市白沙组团生态水系规划》三.规划目标(一)规划目标本次水系规划目标是:根据郑东新区城市发展的需要,针对现有水系的特点,因地制宜,提出防治洪涝灾害的对策措施,确定防洪总体方案及工程布局,提高规划区防御洪涝灾害的能力,使之达到国家规定的防洪标准;分析规划区现状需水量和水环境状况,提出切实可行的水资源配置方案和水环境保护措施;通过对水系进行生态景观改造和通航规划,使水系的观光、休闲、旅游等生态服务功能得到充分发挥,从而实现郑东新区社会、经济的可持续发展。
目录前言 ............................................................................... 错误!未定义书签。
1 城市及水系概况........................................................... 错误!未定义书签。
1.1 区域地理背景............................................................ 错误!未定义书签。
1.2 区域社会背景............................................................ 错误!未定义书签。
2 水系治理现状及评价................................................... 错误!未定义书签。
2.1 城市河流治理现状.................................................... 错误!未定义书签。
2.2 水库及湖泊治理现状................................................ 错误!未定义书签。
2.3 治理现状评价............................................................ 错误!未定义书签。
3 生态水系规划目标和治理布局................................... 错误!未定义书签。
3.1 规划范围、水平年.................................................... 错误!未定义书签。
3.2 规划理念、目标和任务............................................ 错误!未定义书签。
南水北调防洪影响处理工程穿越郑州城区存在问题及处理方案作者:杨晓涵胡琪坤袁月来源:《科技视界》2016年第21期【摘要】本文针对河南省南水北调中线防洪影响处理工程穿越郑州城区时涉及河道所具有的特点,提出了该工程所存在的复杂问题。
该工程涉及的占马屯沟、贾寨沟、荆胡沟、杏园西北沟与大李庄沟等五条河道,具有雨洪径流总量大、洪峰流量大、峰现时间早、防洪压力大等特点;并且周边城市建成区经济发展迅速,土地类型变化较快,使该工程中的问题更加复杂。
结合区域防洪规划、城市规划、水系规划等,本文进一步提出了切实可行的处理方案。
【关键词】南水北调;城市防洪;处理方案【Abstract】This article identified complex problems of the flood control impact treatment in the South-to-North Water Diversion project of Henan province passing through the Zhengzhou urban area. Five involved rivers, including ZhanMaTun ditch, JiaZhai ditch, JingHu ditch,XingYuanXibei ditch and DaLiZhuang ditch, are characteristic of large rain flood total runoff volumes, high peak discharge, early peak time and big flood control pressure. Besides, rapid economic development and rapid change of land types make the problems more complicated.A viable treatment scheme was also proposed, with comprehensive consideration of the regional flood control planning, urban planning and water system planning etc.【Key words】South-to-North Water Diversion;Urban flood control;Treatment scheme1 背景南水北调中线工程是一项跨流域、跨省市的长距离特大型调水工程,是优化我国水资源配置的战略性基础设施。
河南省住房和城乡建设厅关于公布2009年度省级优秀工程勘察设计评选结果的通知
文章属性
•【制定机关】河南省住房和城乡建设厅
•【公布日期】2010.02.11
•【字号】豫建设标[2010]8号
•【施行日期】2010.02.11
•【效力等级】地方规范性文件
•【时效性】现行有效
•【主题分类】村镇建设
正文
河南省住房和城乡建设厅关于公布2009年度省级优秀工程勘
察设计评选结果的通知
(豫建设标〔2010〕8号)
各省辖市建委(局)、各有关单位:
经专家评审通过,黄河小浪底水利枢纽工程地质勘察等180个项目获2009年度河南省省级优秀工程勘察设计奖。
现将获奖项目和项目完成单位名单予以公布。
希望各勘察设计单位和人员全面贯彻落实科学发展观,切实抓好质量管理和技术进步,为提高我省勘察设计质量技术水平做出更大贡献。
附件:河南省2009年度省级优秀工程勘察设计获奖项目名单
二○一○年二月十一日附件
河南省2009年度省级优秀工程勘察设计获奖项目名单
一、工程勘察、测量
一等奖(共6项)
二、工程设计
三、计算机及软件
二等奖(共1项)。
目录一.概况1.背景分析 (4)2.文化历史底蕴 (5)3.现状分析 (6)(1)区位分析 (7)(2)道路分析 (7)(3)水系分析 (7)(4)绿化环境分析 (8)4.郑东新区城市设计理念分析 (8)5.(SWOT)分析 (10)二.设计原则1.生态性原则 (12)2.延续性原则 (13)3.人性化原则 (13)三.设计理念1.山水骨架 (14)2.景观序列 (14)3.生态群落 (14)4.人文精神 (15)四.设计构思1.生态脉络分析层 (16)1生态廊道 (16)2生态斑块 (16)3 生态本底 (16)2.道路系统分析 (16)3.功能分析 (17)4.景观绿化分析 (17)5.景观规划对策 (18)6.铺地分析 (21)7.重点地段(水系,植被)分析 (21)五.经济技术指标 (22)六.植物配置表 (23)郑东新区龙子湖湖滨公园设计说明一.概况背景分析河南省的城市化水平比全国平均水平低10个百分点,仅高于西藏,处在全国倒数第二位。
作为省会的郑州市,近几年的城市扩张速度仅高于开封,处于全省倒数第二位。
郑州具有得天独厚的区位优势。
郑州地处我国中部,交通十分便利,距周边的大中型城市最远距离只有700公里。
陇海、京广铁路在此交汇,郑州是我国最大的铁路货运中转地。
郑州还是西部开发的桥头堡,由此进入我国西北地区。
郑州完全具有发展物流业的地理优势。
物流企业的发展有利于生产、销售企业的货物配送。
以物流为龙头,物流、金融商务、生产企业相互促进,将有助于郑州产业链的完善,共同提升郑州郑东新区的价值。
为充分利用龙子湖高校园区高校的教育、科研优势,岛上规划有高科技孵化基地及产业园、学术交流中心、文化中心及商场、超市、星级酒店、医院、影剧院、游泳中心、专家公寓、商务写字楼等配套设施,具有一定的共享性,将来是一座集商业、文娱、居住、办公等各种城市功能为一体的“学院中心城”。
龙子湖高校园区因占地约2.26平方公里圆环状的龙子湖而得名,规划面积11.21平方公里,约1平方公里的湖心岛位于中央。
郑州市河流简介郑州市地表水分属黄河和淮河两大水系,其中黄河水系有黄河干流、伊洛河、汜水河、枯河等,流域面积 1878.6 平方千米,占全境总面积的 25.2% ;淮河水系有贾鲁河、双洎河、颍河、索须河、七里河、金水河、熊耳河及东风渠等大小河流,流域面积 5567.6 平方千米,占全境总面积的 74.8% 。
2011 年郑州市河流水质监测共计 12 条河流 27 个断面。
(1)黄河干流黄河干流从郑州北部境内穿过,境内全长约 160 千米。
干流上设黄河花园口断面,属国控断面和省控责任目标断面。
(2)伊洛河伊洛河是郑州市境内最大的黄河支流,它发源于洛阳伊川西部山区,两条较大支流伊河、洛河在洛阳偃师市汇合后进入巩义市境内,在巩义市内全长 37.8千米,河床宽度120〜225米,年平均流量 120 立方米 / 秒,年平均径流量为 35.5 亿立方米,流域面积 803 平方千米。
伊洛河上设巩义七里铺断面,属国控断面和省控责任目标断面。
(3)颍河颍河发源于登封市君召乡,由几条小支流汇入,河水流量很小,它向东南方向流入白沙水库。
郑州市境内干流总长 59 千米,河床宽度 20—300 米,流域面积 928 平方千米。
颍河上设白沙水库断面,属省控责任目标断面。
(4)双洎河双洎河发源于登封市阳城山的洧水和发源于新密市白寨鸡络坞的溱水汇合而成,是贾鲁河的二级支流,在新郑市高辛庄流入许昌市,郑州境内干流长 35.5 千米,河床宽度 30-500 米,流域面积 1260 平方千米。
双洎河上设登封界河断面,属市控责任目标断面;设新密马鞍洞断面,属市控责任目标断面;设新郑黄甫寨,属省控责任目标断面。
(5)贾鲁河贾鲁河是淮河二级支流。
发源于新密市白寨镇圣水峪,向东北方向进入郑州市区,上游水量很小,在郑州市区先后经尖岗水库,西流湖拦截,在西流湖下游先向北,然后折向东沿郑州北郊进入中牟境内,通过中牟县城后在向东南方向进入开封市尉氏县境内,向南流至周口市汇入颍河。
目录前言 (1)1 城市及水系概况 (3)1。
1 区域地理背景 (3)1.2 区域社会背景 (10)2 水系治理现状及评价 (12)2.1 城市河流治理现状 (12)2.2 水库及湖泊治理现状 (12)2.3 治理现状评价 (12)3 生态水系规划目标和治理布局 (18)3。
1 规划范围、水平年 (18)3.2 规划理念、目标和任务 (18)3.3 生态水系治理布局 (31)4 综合利用和形态保护规划............................................. 错误!未定义书签。
4。
1 水功能定位............................................................... 错误!未定义书签。
4.2 岸线分配和利用.......................................................... 错误!未定义书签。
4。
3 滨水空间控制分析................................................... 错误!未定义书签。
4。
4 水系形态保护与河网改造....................................... 错误!未定义书签。
5 水资源利用规划............................................................. 错误!未定义书签。
5.1 水资源开发利用现状及给排水格局调整.................. 错误!未定义书签。
5。
2 需水预测及供需状况推演....................................... 错误!未定义书签。
5。
3 补充水源途径分析与方案拟定............................... 错误!未定义书签。
5。
4 水源方案研究比选................................................... 错误!未定义书签。
郑州市人民政府关于印发郑州市2020年水生态建设实施方案的通知文章属性•【制定机关】郑州市人民政府•【公布日期】2020.03.24•【字号】郑政文〔2020〕39号•【施行日期】2020.03.24•【效力等级】地方规范性文件•【时效性】现行有效•【主题分类】自然生态保护正文郑州市人民政府关于印发郑州市2020年水生态建设实施方案的通知郑政文〔2020〕39号各县(市、区)人民政府,市人民政府各部门,各有关单位:现将《郑州市2020年水生态建设实施方案》印发给你们, 请遵照执行。
2020年3月24日郑州市2020年水生态建设实施方案为加快推进生态郑州建设,进一步提升全市水生态文明建设水平,建设人水和谐美丽郑州,着力构建与国家中心城市相适应的流域生态系统,特制定本实施方案。
一、指导思想以习近平生态文明思想为指导,全面贯彻党的十九大和十九届二中、三中、四中全会精神,深入贯彻习近平总书记考察河南、视察黄河重要讲话指示精神,认真落实市委十一届十一次全会精神,遵循“节水优先、空间均衡、系统治理、两手发力”的新时代治水思路,坚持“水资源、水生态、水环境、水灾害”统筹治理,落实“水利工程补短板、水利行业强监管”的水利改革发展总基调,按照“安全、生态、景观、文化、幸福”的五河共建理念,围绕郑州“东强、南动、西美、北静、中优、外联”城市发展总体布局,以水生态文明建设为统揽,深入推进水资源节约集约利用,持续加强水生态环境保护,全面推进重点项目建设,着力开展重大项目研究谋划,大力推进资源水利、生态水利和民生水利发展,加快构建兴利除害的现代水利基础设施网络体系,为郑州国家中心城市高质量建设提供水安全保障和支撑。
二、基本原则(一)坚持以水而定,量水而行坚持以水定城、以水定地、以水定人、以水定产,把水资源作为最大的刚性约束,按照“确有需要、生态安全、可以持续”的原则,强化节水优先,全面实施节水行动,落实“全域、全业、全程、全面、全民”五维协同,推进工业、生活、农业、生态全行业深度节水,推动用水方式由粗放向节约集约转变,建立水资源、水环境与经济社会共赢、共生的发展格局。
目录前言 (1)1 城市及水系概况 (3)1.1 区域地理背景 (3)1.2 区域社会背景 (10)2 水系治理现状及评价 (12)2.1 城市河流治理现状 (12)2.2 水库及湖泊治理现状 (12)2.3 治理现状评价 (12)3 生态水系规划目标和治理布局 (18)3.1 规划范围、水平年 (18)3.2 规划理念、目标和任务 (18)3.3 生态水系治理布局 (31)4 综合利用和形态保护规划............................................. 错误!未定义书签。
4.1 水功能定位.................................................................. 错误!未定义书签。
4.2 岸线分配和利用.......................................................... 错误!未定义书签。
4.3 滨水空间控制分析...................................................... 错误!未定义书签。
4.4 水系形态保护与河网改造.......................................... 错误!未定义书签。
5 水资源利用规划............................................................. 错误!未定义书签。
5.1 水资源开发利用现状及给排水格局调整.................. 错误!未定义书签。
5.2 需水预测及供需状况推演.......................................... 错误!未定义书签。
5.3 补充水源途径分析与方案拟定.................................. 错误!未定义书签。
5.4 水源方案研究比选...................................................... 错误!未定义书签。
5.5 优化调度与中水回用.................................................. 错误!未定义书签。
6.1 郑州市的洪涝灾害与城市化洪灾风险...................... 错误!未定义书签。
6.2 防洪排涝现状及存在的主要问题.............................. 错误!未定义书签。
6.3 设计洪水分析.............................................................. 错误!未定义书签。
6.4 防洪标准...................................................................... 错误!未定义书签。
6.5 防洪工程总体布局...................................................... 错误!未定义书签。
6.6 河道治理工程.............................................................. 错误!未定义书签。
6.7 水库除险加固.............................................................. 错误!未定义书签。
6.8 超标准洪水出路.......................................................... 错误!未定义书签。
7 水质保护规划................................................................. 错误!未定义书签。
7.1 水环境现状评价.......................................................... 错误!未定义书签。
7.2 水质保护总体布局与水功能区划.............................. 错误!未定义书签。
7.3 水域纳污能力.............................................................. 错误!未定义书签。
7.4 水源地保护.................................................................. 错误!未定义书签。
7.5 水污染防治与雨水利用.............................................. 错误!未定义书签。
8 滨水景观规划与主要水工建筑物................................. 错误!未定义书签。
8.1 水景观现状分析.......................................................... 错误!未定义书签。
8.2 水景观总体布局.......................................................... 错误!未定义书签。
8.3 水景观规划与水文化表现.......................................... 错误!未定义书签。
8.4 河道内主要水工建筑物及生态护岸.......................... 错误!未定义书签。
9 支撑保障体系规划......................................................... 错误!未定义书签。
9.1 水系管理规划.............................................................. 错误!未定义书签。
9.2 数字郑州水系规划...................................................... 错误!未定义书签。
9.3 建立健全投入保障机制.............................................. 错误!未定义书签。
10 投资需求及分期实施意见........................................... 错误!未定义书签。
10.1 工程规模及投资需求................................................ 错误!未定义书签。
10.3 分期实施安排与南水北调中线供水前实施方案.... 错误!未定义书签。
11 生态水系规划效益分析及实施效果评价................... 错误!未定义书签。
11.1 效益分析 .................................................................... 错误!未定义书签。
11.2 实施效果评价 ............................................................ 错误!未定义书签。
前言郑州市地处中原中心腹地,历史悠久,文化古迹荟萃,是国家历史文化名城,中部地区重要的区域性中心城市,全国重要的综合交通和通讯枢纽,现代化商贸城市。
改革开放以来,经济和社会得到了长足的发展,但随着城市人口的急剧膨胀、工农业与服务业的迅猛发展、城市化进程的不断加快,环境污染、生态破坏等问题日益突出,已严重制约了社会经济的可持续健康发展。
建设生态郑州,改善人居环境、提高城市品味、实现人与自然的和谐相处已成为广大市民日益迫切的需求。
城市水系融合了“水安全、水环境、水文化、水景观、水经济”,是城市生命肌体的重要组成部分。
郑州是我国北方地区水系较为丰富的城市,除市区北部的黄河及其支流枯河以外,有9条自然河流穿越现状和规划城区,加上城区周边为数不少的中小型水库,以及规划的南水北调中线总干渠、南运河和龙湖、龙子湖、西流湖等,共同构成了郑州市水系网络。
但是,目前郑州市水系存在着诸多急需解决的问题,如:河网不完善、水系功能不健全,防洪标准偏低,加上水资源紧缺、配置不合理和水质污染严重,水体生态功能退化、滨河生态环境单调等。
为了创造良好的生态环境,满足郑州市城市发展和社会公众的水环境需求,适应现代城市发展和治河理念,郑州市委、市政府提出了充分发挥自身水系优势,打造水域靓城的战略目标,决定编制郑州市生态水系规划,作为指导今后一段时间水系治理的蓝本。
2006年7月,我公司与中国水利水电科学研究院、北京土人景观规划设计研究院等三家单位承担了《郑州市生态水系概念性规划》的工作,分别提交了各自的概念性规划阶段成果,11月19日通过市政府组织的专家评审优选,确定由我公司继续承担下一阶段《郑州市生态水系规划》的工作。
承担该项目工作以来,在郑州市水利局及其它相关单位的大力支持下,我公司组织专业技术人员,开展了外业和内业工作。
先后组织人员去绍兴等地进行外部调研;查勘规划的南运河线路、黄河干流水源方案线路、伊洛河及陆浑水库水源方案线路、西霞院水库水源方案线路、五龙口污水处理厂中水利用方案等,并在充分汲取另外两家单位概念性规划成果的基础上,以《郑州市城市总体规划(2006-2020年)》为依据,进一步研究吸收了《郑州市节水型社会建设规划》、《郑州森林生态城总体规划》、《郑州市城市水资源配置规划》、《郑州市地表水资源及开发利用评价》、《郑州市黄河水资源利用总体规划》等相关规划研究成果,注重与上述规划的协调衔接,开展了深入细致的规划工作,全面分析研究了郑州市生态水系规划的相应内容。
市领导高度关注郑州市生态水系规划的编制工作。
在听取概念性规划阶段评审工作汇报后,赵建才市长提出:“要用足、用活、调配好现有水利设施和水资源,统筹兼顾城市总体规划与发展,兼顾防洪与排涝,兼顾生态效益和水资源综合利用,兼顾现在和将来的需要;要立足当前,着眼长远,合理确定运行成本,提高近期实施的可操作性。
规划要抓紧编制,项目要尽早实施,重点工程要集中力量打歼灭战,力争明年使金水河、熊耳河、七里河以及东风渠等城市河渠实现水通、水清” 。
在项目进展过程中,市委市政府、市水利局等各级领导与专家先后多次听取项目进展汇报,做出了许多重要指示,提出了很多宝贵意见和建议。
郑州市水利局对我公司提交的项目工作大纲进行了讨论,并加强对中间成果的检查,组织省、市相关专家领导咨询把关。