CBT 1159-1998 轴系锻件技术条件
- 格式:pdf
- 大小:943.43 KB
- 文档页数:18
冷轧机组主传动十字轴式万向联轴器1 范围本标准规定了冷轧机组主传动十字轴式万向联轴器(以下简称万向联轴器)的结构型式、基本参数和主要尺寸、产品标记、技术要求、检验规则、标志、包装、运输和贮存。
本标准适用于联接齿轮机座或电机输出轴与冷轧轧机、平整机轧辊的主传动轴系的万向联轴器。
传递公称转矩为60kN·m~1150kN·m,回转直径φ225mm~φ550mm,最大轴线折角为5°,无伸缩结构,工作环境温度为-20℃~+80℃。
注:万向联轴器的选用参见附录A。
2 规范性引用文件下列文件对于本文件的应用是必不可少的。
凡是注日期的引用文件,仅所注日期的版本适用于本文件。
凡是不注日期的引用文件,其最新版本(包括所有的修改单)适用于本文件。
GB/T 191 包装储运图示标志GB/T 228.1 金属材料拉伸试验第1部分:室温试验方法GB/T 229 金属材料夏比摆锤冲击试验方法GB/T 1184-1996 形状和位置公差未注公差值GB/T 1801-2009 产品几何技术规范(GPS)极限与配合公差带和配合的选择GB/T 3098.1-2010 紧固件机械性能螺栓、螺钉和螺柱GB/T 3098.4-2000 紧固件机械性能螺母细牙螺纹GB/T 4879 防锈包装GB/T 6388 运输包装收发货标志GB/T 7284 框架木箱GB/T 11345-2013 焊缝无损检测超声检测技术、检测等级和评定GB/T 13384 机电产品包装通用技术条件GB/T 19868.3 基于标准焊接规程的工艺评定JB/T 5000.1 重型机械通用技术条件产品检验JB/T 5000.3-2007 重型机械通用技术条件第3部分:焊接件JB/T 5000.6 重型机械通用技术条件铸钢件JB/T 5000.8 重型机械通用技术条件锻件JB/T 5000.9 重型机械通用技术条件切削加工件JB/T 5000.10 重型机械通用技术条件装配JB/T 5000.12 重型机械通用技术条件涂装JB/T 5000.14-2007 重型机械通用技术条件铸钢件无损探伤JB/T 5000.15-2007 重型机械通用技术条件锻钢件无损探伤123 结构型式、基本参数和主要尺寸3.1 结构型式万向联轴器结构型式分为:端面齿联接和端面键联接,见图1、图2。
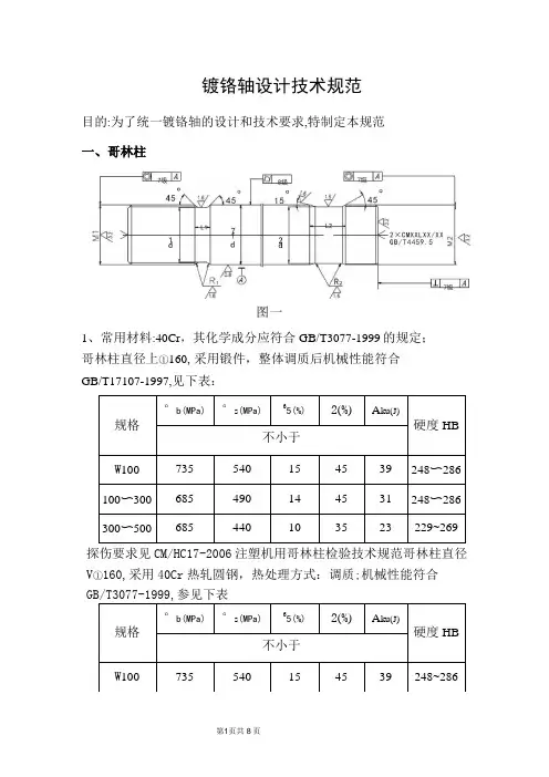
镀铬轴设计技术规范目的:为了统一镀铬轴的设计和技术要求,特制定本规范一、哥林柱1、常用材料:40Cr,其化学成分应符合GB/T3077-1999的规定;哥林柱直径上①160,采用锻件,整体调质后机械性能符合GB/T17107-1997,见下表:探伤要求见CM/HC17-2006注塑机用哥林柱检验技术规范哥林柱直径V①160,采用40Cr热轧圆钢,热处理方式:调质;机械性能符合GB/T3077-1999,参见下表2、表面处理镀硬铬厚度:dV①120时为0.03〜0.05;d上①120时为0.05〜0.07;3、杆径d的公差采用f7(镀铬后尺寸),未注表面粗糙度Ra6.3;4、形位公差见图一规定;5、两端中心孔标注见图二。
图二采用C型(带螺纹)的型式当哥林柱直径d V①120时,采用CM10L20/16.3;当哥林柱直径①120WdV①180时采用CM16L30/25.3;当d〉①180时,采用CM24L50/38;标注示例:GB/T4459.5-CM24L50/38标注说明:D二M24,L=50,D2二①38;(L为螺纹长度)6、退刀槽宽度L1参照下表直径d1与直径d和螺距P的关系参照下表7、卸载槽宽L2约为哥林柱直径的0.9倍,直径d2约为哥林柱直径的0.85~0.9倍。
8、不同截面过渡处的R1、R2值:建议取过渡处较小直径的0.2倍左右9、两端倒角应大于或等于1/2螺距10、两端螺纹(见图三)(1)普通螺纹Ml、M2公差等级采用g6,大径f6,并参照以下标准:GB/T193《普通螺纹直径与螺距系列》GB/T196《普通螺纹基本尺寸》GB/T197《普通螺纹公差与配合》GB/T197-1981内外螺纹的基本偏差(2)梯形螺纹Trl、Tr2参照以下标准:GB/T5796.1梯形基本牙型尺寸GB/T5796.2梯形直径和螺距GB/T5796.3梯形螺距基本尺寸GB/T5796.4梯形螺纹公差(3)调模端一般用梯形螺纹;当d上①125时用梯形螺纹,dV①125时用普通螺纹,但与头部螺距不能相等。
IC S 25. 020J 32JB/T4385.1-1999锤上自由锻件通用技术条件General specifications for op en d ie forgings o n hammer1999-06-24 发布2000-01-01 实施国家机械工业局发布JB/T4385.1-1999前言本标准是对JB 4385—87《锤上自由锻件通用技术条件》的修订。
本标准与JB 4385—87相比,主要技术内容改变如下:1)按有关规定增加了前言和引用标准。
2)章条编号作了调整。
3)取消了对锻造比的具体要求,改为要求锻件应有足够的变形量,以保证锻件的质量。
4)“机械性能”改称“力学性能”,并增加引用标准;“用户”改称“需方”,“制造单位”改称“制造厂”或“供方”。
5)关于锻件的级别,按GB/T 12363—1990《锻件功能分类》的规定分类,按新规定将原以Ⅴ级为重要件改为以Ⅰ级为重要件。
6)关于锻件检验的有关规定,按JB/T 8421—1996《钢质自由锻件检验通用规则》的规定进行了修改。
本标准自实施之日起代替JB 4385—87。
本标准由全国锻压标准化技术委员会提出并归口。
本标准起草单位:机械工业部第一设计研究院。
本标准主要起草人:练武、李保谦。
I11 范围本标准适用于普通碳素钢、优质碳素钢和合金结构钢在锤上自由锻造的一般用途的锻件(包括胎模锻件)。
某些专门用途和有特殊要求的锻件,应采用有关的专用标准;无专用标准的,可参照本标准,但具体事项须由供需双方共同商定并签订合同。
2 引用标准下列标准所包含的条文,通过在本标准中引用而构成为本标准的条文。
本标准出版时,所示版本均为有效。
所有标准都会被修订,使用本标准的各方应探讨使用下列标准最新版本的可能性。
GB/T 222—1984钢的化学分析用试样取样法及成品化学成分允许偏差 GB/T 223.1~223.77—1981~1994 钢铁及合金化学分析方法 GB/T 226—1991 钢的低倍组织及缺陷酸蚀检验法 GB/T 228—1987 金属拉伸试验法GB/T 229—1994 金属夏比缺口冲击试验方法 GB/T 231—1984 金属布氏硬度试验方法 GB/T 1814—1979 钢材断口检验法GB/T 1979—1980 结构钢低倍组织缺陷评级图 GB/T 2971—1982 碳素钢和低合金钢断口检验方法 GB/T 4236—1984 钢的硫印检验方法GB/T 10561—1989 钢中非金属夹杂物显微评定方法 GB/T 12363—1990 锻件功能分类GB/T 13298—1991 金属显微组织检验方法 GB/T 13299—1991 钢的显微组织评定方法 GB/T 14452—1993金属弯曲力学性能试验方法GB/T 15826.1~15826.9—1995 锤上钢质自由锻件机械加工余量与公差 JB/T 8421—1996 钢质自由锻件 检验通用规则 JB/T 8467—1996 锻钢件 超声波探伤方法 YB/T 5148—1993 金属平均晶粒度测定方法3 技术要素 3. 1 订货条件国家机械工业局 1999-06-24 批准中华人民共和国机械行业标准锤上自由锻件 通用技术条件General spec ifications for open die forgings on hamm erJB/T 4385.1-1999代替J B 4385—872000-01-01 实施3. 1. 1需方应在咨询卡或订货合同上向制造厂提供锻件生产所必须的原始资料。
IC S 19.100J04JB/T5000.15-1998重型机械通用技术条件锻钢件无损探伤The heav y mechanical genera l techniques and sta nda rdsNon–destructiv e testing of fo rging1998-09-30 发布1998-12-01 实施国家机械工业局发布目次前言1 范围 (1)2 引用标准 (1)3 定义 (1)4 一般要求 (2)5 超声波探伤及其质量等级 (2)6 磁粉探伤及其质量等级 (7)7 渗透探伤及其质量等级 (15)附录A(标准的附录)锻钢件横波探伤方法和质量验收要求 (210)附录B(标准的附录)质量验收等级的选择 (232)I前言本标准的附录A、附录B都是标准的附录。
本标准由机械工业部冶金机械设备标准化技术委员会提出并归口。
本标准负责起草单位:第二重型机械集团公司。
本标准参加起草单位:西安重型机械研究所。
本标准主要起草人:王国元、范吕慧。
II11 范围1. 1 本标准规定了超声波、磁粉和渗透三种无损检测方法及质量等级。
1. 2 本标准所述各种无损检测方法适用于对各类普通锻钢件进行检测。
1. 3 选用本标准后,必须在相应的锻件图样上标明要求探伤的方法种类、具体的探伤部位和不同缺陷类型的质量验收等级,也可另行附加质量验收等级。
1. 4 本标准中超声波探伤不适用于曲率半径小于125mm 、探测厚度小于50mm 锻件的纵波探伤以及内外径之比小于75%的环形或筒形锻件超声横波探伤。
也不适用于奥氏体不锈钢等粗晶材料的超声波探伤。
1. 5 本标准可能会涉及危害性的材料、操作和设备。
本标准的宗旨不在于论述有关使用的安全问题。
使用本标准者在使用前有责任制订有关安全防护和保健实施方法,并应确定有关应用范围的管理条例。
2 引用标准下列标准所包含的条文,通过在本标准中引用而构成为本标准的条文。
本标准出版时,所示版本均为有效。
Q 江苏今创车辆有限公司企业标准Q/KCJ 003——2010自由锻锻件验收条件Acceptance specification of the open die forgings2010-10-28发布2011-01-01实施江苏今创车辆有限公司发布前言本标准由江苏金创车辆有限公司质量检查部提出。
本标准由江苏金创车辆有限公司技术开发部归口。
本标准由江苏金创车辆有限公司技术开发部负责起草。
本标准主要起草人:陈宝尔、蔡国平自由锻件验收条件1 范围本标准适用于自由锻锻件。
本标准适用于普通碳素钢、优质碳素钢和合金结构钢在锤上自由锻造的一般用途的锻件(包括胎模锻件)。
2 规范性引用文件下列文件中的条款通过本标准的引用而成为本标准的条款。
凡是注日期的引用文件,其随后所有的修改单(不包括勘误的内容)或修订版均不适用于本标准。
然而,鼓励根据本标准达成协议的各方研究是否可使用这些文件的最新版本。
凡是不注日期的引用文件,其最新版本适用于本标准。
JB 4385-1987 锤上自由锻件通用技术条件GB/T 15826.1~15826.9-1995 锤上钢质自由锻件机械加工余量与公差ISO 2604/1 承压钢材—技术条件DIN 7521 钢锻件交货技术条件JIS G 3201 碳素钢锻件JIS G 0306 钢锻件检验通则GB 228 金属拉力试验法GB 229 金属材料夏比(U型缺口)冲击试验方法GB 231 金属布氏硬度试验法JB/Z 338.4-1998 工艺管理导则工艺方案设计3 术语和定义下列术语和定义适用于本标准3.1自由锻open die forging用简单的通用工具,或在锻造设备的上、下砧间直接使坯料变形而获得所需要的几何形状及内部品质的锻造方法。
3.2胎模锻loose tooling forging在自由锻设备上使用可移动模具生产模锻件的一种锻造方法。
3.3镦粗upsetting使坯料高度减少,横断面积增大的锻造工序。
机车车辆用球墨铸铁件通用技术条件一、概述1. 球墨铸铁件是机车车辆的重要组成部分,主要用于制造车轮、车轴、铸铁横梁等零部件。
2. 为了确保机车车辆的安全性和稳定性,球墨铸铁件的技术条件需符合一定标准和要求。
二、产品范围1. 适用范围:本技术条件适用于机车、车辆用球墨铸铁件的设计、制造和检验。
2. 产品包括但不限于车轮、车轴、铸铁横梁、曲柄、销轴、摇杆等零部件。
三、材料要求1. 材料种类:球墨铸铁件的母材应符合GB/T 1348的规定,应采用含碳量高、球化率好的球墨铸铁材料。
2. 材料性能:材料应具有较高的强度、硬度、韧性和耐磨性,满足机车车辆的使用要求。
四、工艺要求1. 熔炼工艺:采用高频感应炉、中频电炉或电弧炉进行熔炼,保证材料的均匀性和纯净度。
2. 浇注工艺:采用自动化、精密化的浇注设备进行铸造,保证铸件的密度和无气孔、夹渣等缺陷。
五、外观要求1. 表面平整度:表面不得有明显的凹凸、裂纹等缺陷,保证外观质量。
2. 表面清洁度:表面不得沾有铁屑、油污等杂质,保证铸件的清洁度。
六、尺寸要求1. 全尺寸精度:按照设计要求进行尺寸检验,保证球墨铸铁件的准确性和稳定性。
2. 重量要求:球墨铸铁件的重量应符合设计要求,不得超过或低于标准重量。
七、机械性能要求1. 强度:球墨铸铁件的抗拉强度、屈服强度、延伸率等机械性能指标应符合相关标准。
2. 硬度:表面硬度和心部硬度应符合设计要求,保证零部件的使用寿命和稳定性。
八、表面质量检验1. 表面检验:采用目视、手感和放大镜等工具对球墨铸铁件的表面质量进行检验。
2. 探伤检验:采用超声波、X射线或磁粉探伤等技术对铸件进行内部缺陷检测。
九、检验方法1. 检验设备:应配备齐全的检测设备,包括硬度计、三坐标测量仪、金相显微镜等。
2. 检验程序:按照相关标准和规定执行检验程序,确保球墨铸铁件的质量可控。
十、贮存和包装要求1. 贮存条件:球墨铸铁件应存放在干燥、通风、无腐蚀性气体的仓库中。
机车车辆用球墨铸铁件通用技术条件1范围本标准规定了球墨铸铁件(以下简称铸件)的技术要求、试验方法、检验规则和标志等。
本标准适用于机车车辆球墨铸铁件。
2规范性引用文件下列文件中的条款通过本标准的引用而成为本标准的条款。
凡是注日期的引用文件,其随后所有的修改单(不包括勘误的内容)或修订版均不适用于本标准,然而,鼓励根据本标准达成协议的各方研究是否可使用这些文件的最新版本。
凡是不注日期的引用文件,其最新版本适用于本标准。
GB/T 228- 2002 金属材料拉伸室温试验方法(neq ISO 6892:1998)GB/T 229- 1994 金属夏比缺口冲击试验方法(eqv ISO 148:1993)GB/T 231 - 2002 金属布氏硬度试验方法GB/T 1348 —1988 球墨铸铁件GB/T 5614—1985 铸铁件热处理状态的名称、定义及代号GB/T 6414—1999 铸件尺寸公差与机械加工余量(neq ISO8062:1994)GB/T 9441 —1986 球墨铸铁金相检验GB/T 11351 —1989 铸件重量公差GB/T 15056—1994 铸造表面粗糙度评定方法JB/T 5105—1991 铸件模样起模斜度TB/T 2260—2001铁路机车车辆用防锈底漆供货技术条件TB/T 2879.3 —1998 铁路机车车辆涂料及涂装第3部分:金属和非金属材料表面处理技术条件(neqUIC 84231979)TB/T 2879.5—1998铁路机车车辆涂料及涂装第5部分:客车和牵引动力车防护和涂装技术条件(neq UIC 842.5—1979) 3技术要求3.1铸件牌号、力学性能应符合GB/T 1348—1988的规定。
3.2铸件按图样并允许以热处理状态供货,热处理状态供货时标注方法按GB/T 5614—1985的规定。
3.3铸件上浇冒口、芯骨、芯砂与粘砂、多肉类等缺陷宜在热处理前清除,热处理后应清除氧化皮。
和谐型机车车轴技术规范(草案)1 范围本技术规范规定了铁路和谐型机车用车轴钢坯的技术要求、检验方法、检验规则、标志及质量证明书。
本技术规范规定了铁路和谐型机车用轧制或锻造的实心或空心车轴的技术要求、检验方法、检验规则、标志、质量证明书、包装及质量保证。
对于空心车轴,本技术规范仅适用于使用轧制或锻造车轴进行钻孔加工而成的空心车轴。
本技术规范适用于铁路和谐型机车用车轴钢坯及车轴的制造、订货和检验。
2 规范性引用文件下列文件对于本技术规范的应用是必不可少的。
凡是注日期的引用文件,仅注日期的版本适用于本文件。
凡是不注日期的引用文件,其最新版本(包括所有的修改单)适用于本技术规范。
GB/T 222—2006 钢的成品化学成分允许偏差GB/T 223 钢铁及合金化学分析方法GB/T 226—1991 钢的低倍组织及缺陷酸蚀检验法GB/T 228—2002 金属材料室温拉伸试验方法GB/T 229—2007 金属材料夏比摆锤冲击试验方法GB/T 231.1—2002 金属布氏硬度试验第1部分:试验方法GB/T 1979—2001 结构钢低倍组织缺陷评级图GB/T 4336—2002 碳素钢和中低合金钢火花源原子发射光谱分析方法(常规法)GB/T 6394—2002 金属平均晶粒度测定法GB/T 7736—2001 钢的低倍组织及缺陷超声波检验法GB/T 10561—2005 钢中非金属夹杂物含量的测定——标准评级图显微检测法GB/T 20066—2006 钢和铁化学成分测定用试样的取样和制样方法TB/T 1618—2001 机车车辆车轴超声波检验TB/T 1619—1998 机车车辆车轴磁粉探伤3 产品分类和谐型机车用车轴钢分为碳素钢及合金钢,碳素钢用JZW表示,J、Z和W分别为机车、轴和50的汉语拼音第一个字母,合金钢用HJZ表示,HJ和Z分别为合金和轴的汉语拼音第一个字母。
4 运用要求4.1 最大商业运营速度(km/h) 1604.2 轴重(t) 254.3 轨距 (mm) 14354.5 环境条件(℃) -45~+505 技术要求5.1化学成分5.1.1 化学成分是指钢的熔炼成分,每种成分的含量应符合表1的规定。
船舶(CB)标准免费下载22008-8-1船舶(CB)标准免费下载2CB/T3695—1995黑色金属产品物资分类与代码CB/T3696—1995有色金属产品物资分类与代码CB/T3782—1996油漆产品物资分类与代码CB/T3783—1996煤炭及石油产品物资分类与代码CB/T3784—1996木材产品物资分类与代码CB/T3824—1998电线、电缆物资分类与代码CB/T3825—1998橡胶、塑料及其制品物资分类与代码CB/T3826—1998化工原料及试剂物资分类与代码CB/T253—1999金属船体构件理论线CB/T349—1994普航仪器及船舶专用电器产品型号编制办法CB/T743—1999船舶设计常用文字符号CB829—1998水中兵器产品未注公差的规定CB832—1994潜艇吃水标记CB/T860—1995船舶焊缝代号CB868—1976舰用指挥仪型号编制办法CB869—1976水声设备型号编制办法CB870—1979导航设备、仪器型号编制办法CB1106—1984军用铅酸蓄电池产品型号编制方法CB1109—1984船用仪器分划件分划公差CB1111—1984船用柴油机配套产品型号编制办法CB1146.1—1996舰船设备环境试验与工程导则总则CB1146.2—1996舰船设备环境试验与工程导则低温CB1146.3—1996舰船设备环境试验与工程导则高温CB1146.4—1996舰船设备环境试验与工程导则湿热CB1146.6—1996舰船设备环境试验与工程导则冲击CB1146.7—1996舰船设备环境试验与工程导则碰撞CB1146.8—1996舰船设备环境试验与工程导则倾斜和摇摆CB1146.9—1996舰船设备环境试验与工程导则振动(正弦) CB1146.11—1996舰船设备环境试验与工程导则霉菌CB1146.12—1996舰船设备环境试验与工程导则盐雾CB1146.13—1985舰船设备环境试验方法试验Kb:交变盐雾CB1146.14—1996舰船设备环境试验与工程导则砂尘CB1146.15—1996舰船设备环境试验与工程导则外壳防水CB1146.16—1996舰船设备环境试验与工程导则太阳辐射CB1146.17—1996舰船设备环境试验与工程导则积冰CB1146.18—1996舰船设备环境试验与工程导则风速CB1171.1—1987船舶设备环境测量方法振动CB1171.2—1987船舶设备环境测量方法冲击CB1171.3—1987船舶设备环境测量方法颠震CB1171.4—1987船舶设备环境测量方法温湿度CB1171.5—1987船舶设备环境测量方法盐雾CB1171.6—1987船舶设备环境测量方法油雾CB1171.7—1987船舶设备环境测量方法霉菌CB1198—1988舰船设备可靠性设计程序CB1206—1992舰船产品可靠性信息编码规定CB1208—1992舰船产品可靠性保证大纲编写指南CB1212—1991舰船产品可靠性信息表格CB1229—1994舰船总体技术文件编写规则CB1248—1994舰船射频辐射危害标志CB1259—1995舰艇船体制图CB1272—1995舰船武器及其特种装置图形符号CB1309—1996水面舰船甲板、通道、舱室编号方法CB3104—1981船舶综合放样符号CB/T3164—1998造船及海上结构物船舶设备和结构单元编号CB/T3194—1997船体建造工艺符号CB3292—1986玻璃钢船体结构制图CB3306—1986螺旋桨制图CB3511—1992船舶工业科技报告编写规则CB3545—1994船舶电气平面图图形符号CB3568.1—1993船舶机械术语动力装置CB3568.2—1993船舶机械术语主机CB3568.3—1993船舶机械术语主辅锅炉CB3568.4—1993船舶机械术语辅机CB3568.5—1993船舶机械术语管系附件CB3569—1993船舶防火控制图形符号CB/T3592—1995船舶自动化仪表文字代号及附件图形符号CB/T3644—1994海洋平台输送管路的识别颜色和符号CB/T3653—1994游艇艇体长度定义CB3670—1994中国船舶工业总公司企事业单位名称代码CB/T3713—1995船舶电气设备文字符号CB/T3763—1996生产设计用电气安装件图形符号CB/T3838—1998船用安全标志CB/T3862—1999船舶机械术语轴系及传动装置CB/T3898—1999船舶电路图图形符号CB/Z139—1974船舶馈电电缆代号编号方法CB/Z156—1995鱼雷产品结构要素选用范围CB/T102—1996锡基合金轴瓦铸造技术条件CB/T266—1996再生锡基轴承合金锭CB/T772—1998碳钢和碳锰钢铸件技术条件CB/T773—1998结构钢锻件技术条件CB778—1986船用柴油机锻钢件技术条件CB814—1983熔模铸造钢铸件技术条件CB815—1983熔模铸造铜合金铸件技术条件CB817—1986鱼雷用钢锻件技术条件CB862.1—1988有色金属锻件技术条件铝合金模锻件和自由锻件CB862.2—1988有色金属锻件技术条件铜合金模锻件和自由锻件CB867—1983塑料件通用技术条件CB895—1986船焊395焊条技术条件CB961—1980螺旋桨用高锰铝青铜化学分析方法CB1030—1983蠕虫状石墨铸铁金相检验CB1042—1983船体高强度钢缺口破断试验方法及成层性评级标准CB1116—1984Z向窗型层状撕裂试验方法CB1117—1984“Π”型刚性T形接头层状撕裂试验方法CB/T1118—1996刚性十字形接头焊接裂纹试验方法CB/T1119—1996手工电弧焊刚性对接裂纹试验方法CB1120—1984环形镶块裂纹试验方法CB1122—1984刚性T形接头焊接横向裂纹试验方法CB1124—1985舰船用高强度船体结构钢焊接材料的鉴定、验收、复验规则CB1125—1998水声用压电陶瓷材料规范CB1133—1985BFe30-1-1管材技术条件CB1134—1985BFe30-1-1管材的超声波探伤方法CB1139—1985热处理和偶联剂处理玻璃纤维布技术条件CB1140—1985潜望镜镜管毛坯技术条件CB1148—1985铜247焊条技术条件CB1151—1986船用仪器分划件毛坯系列CB1156—1992锡基轴承合金金相检验CB/T1159—1998轴系锻件技术条件CB1160.1—1986船舶螺旋桨用铸造铝铍钴青铜化学分析方法总则CB1160.2—1986船舶螺旋桨用铸造铝铍钴青铜化学分析方法EDTA容量法测定铝量CB1160.3—1986船舶螺旋桨用铸造铝铍钴青铜化学分析方法铬天青S光度法测定铍量CB1160.4—1986船舶螺旋桨用铸造铝铍钴青铜化学分析方法氧化铍重量法测定铍量CB1160.5—1986船舶螺旋桨用铸造铝铍钴青铜化学分析方法亚硝基R盐光度法测定钴量CB1160.6—1986船舶螺旋桨用铸造铝铍钴青铜化学分析方法原子吸收光度法测定钴量CB1160.7—1986船舶螺旋桨用铸造铝铍钴青铜化学分析方法邻菲?み?光度法测定铁量CB1160.8—1986船舶螺旋桨用铸造铝铍钴青铜化学分析方法原子吸收光度法测定铁量CB1160.9—1986船舶螺旋桨用铸造铝铍钴青铜化学分析方法磷钼钒黄光度法测定磷量CB1160.10—1986船舶螺旋桨用铸造铝铍钴青铜化学分析方法二甲酚橙光度法测定铅量CB1160.11—1986船舶螺旋桨用铸造铝铍钴青铜化学分析方法原子吸收光度法测定铅量CB1160.12—1986船舶螺旋桨用铸造铝铍钴青铜化学分析方法硅钼蓝光度法测定硅量CB1160.13—1986船舶螺旋桨用铸造铝铍钴青铜化学分析方法孔雀绿?脖捷腿」舛确ú舛ㄌ嗔?CB1163—1986钛合金螺旋桨铸件技术条件CB1164—1986铝及铝合金焊接试验方法及技术要求CB/T1186—1998中速柴油机整体曲轴钢锻件技术条件CB1191—1988SB211壳体用919铝合金厚壁挤压管CB1192—1988SB211壳体用919铝合金模锻件CB1195—1988SB211壳体用ZL115A铸造铝合金技术条件CB1196—1988船舶螺旋桨用铜合金相含量金相测定方法CB1203—1989鱼雷用防护防水蜡通用技术条件CB1204—1990船焊40A焊条技术条件CB1207—1992925高强度钢锻件技术条件CB/T1209—19920Cr17Ni4Cu4Nb(17-4PH)马氏体沉淀硬化不锈钢金相检验CB/T1226—1992鱼雷用铝合金铸件X射线照相及质量分级CB/T1245—199445Mn17Al3高锰铝低磁钢铸件规范CB1249—1994鱼雷用ZAlSi7Mg高强度铸造铝合金CB1330—1997舰船用铁镍合金板材规范CB1343—1998铝?哺止?渡接头规范CB3010—1978铸钢曲拐表面质量要求CB3220—1984船用恒电位仪技术条件CB3269—1988船用轧制与焊接L型钢品种CB3290—1985民用船舶铜合金螺旋桨着色探伤方法及评级CB/T3293—1997造船施工中船板表面质量评定及表面缺陷整修要求CB3351—1988船舶焊接接头弯曲试验方法及评定CB3380—1991船用钢材焊接接头宏观组织缺陷酸蚀试验法CB3385—1991钢铁零件渗氮层深度测定方法CB/T3387—1992气垫船围裙用橡胶涂覆织物CB3395—1992残余应力测试方法钻孔应变释放法CB/T3409—1991舰船材料金相图谱CB/T3432—1992船用钢板尺寸和重量CB/Z311—1979CB/T3433—1992船用对称型钢尺寸、外形、重量及允许偏差CB/T3455—1992船用阳极屏蔽层的设计与涂装CB/T3474.1—1992船用主辅机钢模锻件技术条件CB/T3474.2—1992船用主辅机钢模锻件公差及机械加工余量CB/T3514—1992船用环氧机座垫片技术条件CB/T3522—1993船用钢管横向弯曲试验方法CB/T3595—1994不锈钢酸洗钝化膏CB/T3647—1994船用蠕墨铸铁件CB/T3691—1998船用硅酸铝棉及其制品CB/T3692—1995角焊缝折断试验方法CB/T3694—1995现场金相复型检验方法CB/T3712—1995船体杂散电流腐蚀的防护方法CB/T3714—1995自动埋弧焊刚性对接裂纹试验方法CB/T3716—1995铸造保温冒口套CB/T3750—1995船用金属材料试样制备技术要求CB/T3770—1996船舶焊接接头维氏硬度试验方法CB/T3789—1998金属镀覆液分析方法CB/T3794—1997压电陶瓷电极结合强度试验方法CB/T3811—1997船用碳素钢药芯焊丝CB/T3829—1998船用玻璃棉制品CB/T3830—1998船用岩棉及其制品CB/T3855—1999海船牺牲阳极阴极保护设计和安装CB/T3900—1999铜?差塥差?(CuCo2Be)合金焊接电极CB/T3903—1999中、大功率柴油机离心铸造气缸套金相检验CB/T3904—1999中、大功率柴油机离心铸造气缸套铸铁技术条件CB/T3905.1—1999锡基轴承合金化学分析方法总则CB/T3905.2—1999锡基轴承合金化学分析方法溴酸钾滴定法测定锑量CB/T3905.3—1999锡基轴承合金化学分析方法高锰酸钾滴定法测定锑量CB/T3905.4—1999锡基轴承合金化学分析方法电解法测定铜量CB/T3905.5—1999锡基轴承合金化学分析方法二乙硫代氨甲酸钠比色法测定铜量CB/T3905.6—1999锡基轴承合金化学分析方法原子吸收分光光度法测定铜量CB/T3905.7—1999锡基轴承合金化学分析方法丁二酮肟光度法测定镍量CB/T3905.8—1999锡基轴承合金化学分析方法原子吸收分光光度法测定镍量CB/T3905.9—1999锡基轴承合金化学分析方法原子吸收分光光度法测定镉量CB/T3905.10—1999锡基轴承合金化学分析方法原子吸收分光光度法测定铅量CB/T3905.11—1999锡基轴承合金化学分析方法邻菲啉光度法测定铁量CB/T3905.12—1999锡基轴承合金化学分析方法原子吸收分光光度法测定铁量CB/T3905.13—1999锡基轴承合金化学分析方法原子吸收分光光度法测定锌量CB/T3905.14—1999锡基轴承合金化学分析方法铬天青S光度法测定铝量CB/T3905.15—1999锡基轴承合金化学分析方法硫脲光度法测定铋量CB/T3905.16—1999锡基轴承合金化学分析方法蒸馏分离砷钼蓝光度法测定砷量CB/T3907—1999船用锻钢件超声波探伤CB/Z39—1987焊接材料的验收、存放和使用CB/Z45—1985有色合金铸件机械加工余量CB/Z70—1986钢铁铸锻件的正火与退火CB/Z154—1982鱼雷材料选用范围CB/Z162—1979压电陶瓷材料线胀系数-α-1测量方法CB/Z165—1979压电陶瓷材料等静压压电应变常数dH测量方法??CB/Z166—1979压电陶瓷材料体积电阻率??ρ璿测量方法CB/Z264—1998金属材料低周疲劳表面裂纹扩展速率试验方法CB/Z351—1995舰船材料低循环疲劳试验数据统计分析方法CB/T180—1998船用玻璃纤维增强塑料制品手糊成型工艺CB/T231—1998船舶涂装技术要求CB647—1967快艇轴系和主机安装技术条件CB/T765—1997电器、仪表和武备涂料涂覆技术条件CB812—1975特种产品钎焊通用技术条件CB813—1975特种产品焊接通用技术条件CB970—1981军用舰船铜合金螺旋桨补焊规则CB999—1982船体焊缝表面质量检验标准CB1152—1986仪器零件加工技术要求CB1162—1986铸造钛合金螺旋桨补焊技术条件CB/T1216—1992TA5钛合金焊接技术条件CB1220—1993921A、922A钢焊接坡口基本型式及焊缝外形尺寸?? CB1312—1996潜艇电缆敷设要求CB3095—1981民用铜合金螺旋桨补焊规则CB3123—1982轧制钢材气割面质量标准CB/T3136—1995船体建造精度标准CB/T3177—1994船舶钢焊缝射线照相和超声波检查规则CB/T3190—1997船体结构焊接坡口型式及尺寸CB/T3195—1995中小型船舶船体建造精度CB3230—1985船体二次除锈评定等级CB/T3324—1995钢质舾装件精度要求CB/T3361—1998甲板敷料CB/T3365—1991管子无余量下料工艺CB/T3366—1998钢管涂塑技术要求CB/T3367—1992成品油轮货油舱涂装工艺技术要求CB/T3374—1991综合布置图设绘要领CB/T3382—1991外板信息CB/T3496—1992船用电缆扎带CB/T3513—1993船舶除锈涂装质量验收技术要求CB/T3558—1994船舶钢焊缝射线照相工艺和质量分级CB/T3559—1994船舶钢焊缝手工超声波探伤工艺和质量分级CB/T3562—1993电缆成束敷设阻燃设施CB/T3603—1993管系、箱柜热绝缘质量要求CB/T3604—1993船台划线质量要求CB/T3618—1994主机集控系统安装及效用试验质量要求CB/T3619—1994船舶系统和动力管路安装及密性试验质量要求CB/T3622—1994冷藏系统效用试验质量要求CB/T3623—1994舵系统安装与效用试验要求CB/T3625—1994舵、轴系找中镗孔质量要求CB/T3648—1994船用柴油机排气阀热处理技术条件CB/T3652—1994综合电装图设绘要领CB/T3671—1995综合布置区域划分原则及代号CB/T3715—1995陶质焊接衬垫CB/T3717—1995船体分段工作图设绘要领CB/T3718—1995船舶涂装膜厚检测要求CB/T3747—1995船用铝合金焊接接头质量要求CB/T3748—1995船用铝合金焊接工艺评定CB/T3749—1995船用阻燃安全网CB/T3760—1996钢管、铜管、铝管化学清洗CB/T3761—1996船体结构焊接缺陷修补技术要求CB/T3764—1996金属镀层和化学覆盖层厚度系列及质量要求CB/T3790—1997船舶管子加工技术条件CB/T3793—1997主干、区域电缆册编制要求CB/T3797—1997综合导电系统图设绘要求CB/T3798—1997船舶钢质舾装件涂装要求CB/T3801—1998船舶建造方针编制要求CB/T3802—1997船体焊接表面质量检验要求CB/T3807—1997船用铝合金焊工考试规则CB/T3814—1998船体分段结构零部件表编制要求CB/T3831—2000电缆与特种插头连接工艺CB/T3832—1999铜管钎焊技术要求CB/T3833—2000射频电缆与高频接插件连接工艺CB/T3880—1999三级铸钢锚链补焊技术要求CB/T3908—1999船舶电缆敷设工艺CB/T3909—1999船舶电气设备安装工艺CB/T3910—1999船舶焊接与切割安全CB/T3929—1999铝合金船体对接接头X射线照相及质量分级。
XXXXX【文件编号:XXXX】锻件质量检验规范受控状态:分发编号:版本号:编制:审核:批准:发布时间:X 实施时间: XXX一主题内容与适用范围:本标准规定了对锻造工艺进行全过程质量控制的通用原则和要求。
本标准适用于锻造车间的锻造工艺质量控制。
二引用标准:GB 12361-2016 钢质模锻件通用技术条件GB 12362-2016 钢质模锻件公差及机械加工余量GB 13318 锻造车间安全生产通则GB/T 12363-2005 锻件功能分类JB 4249 锤上钢质自由锻件机械加工余量与公差JB 4385 锤上钢质自由锻件通用技术条件JB/T 6052 钢质自由锻件加热通用技术要求JB/T 6055 锻造车间环境保护导则GB/T7232金属热处理工艺GB/T231-2009金属材料布氏硬度GB/T13320-2007钢制模锻件金相组织评定图及评定方法三.锻件分类本标准质量控制所涉及的锻件分类按 GB/T 12363 执行。
四环境的控制:锻造厂的工作环境包括厂房地面、天窗、温度、通风、照明、噪声、通道、管道以及坯料、锻件和工夹模具的存放等均应按 GB 13318 第3 章和 JB/T 6055 第 3、4 章的要求和国家的有关法规、法律制订本企业的具体实施要求。
五设备、仪表与工装的控制:5. 1 设备、仪表5. 1. 1 各类设备必须完好,并有操作规程和维修、检定制度。
5. 1. 2 各类在用主要设备必须挂有完好设备标牌,并有检验有效期及下次检定日期。
不合格设备及超过检定合格有效期的设备必须挂“停用”标牌。
5. 1. 3 设备的控制系统及检测显示仪表应定期检查,确保仪表和其精度的显示数值准确。
5. 1. 4 加热设备的温度显示及测点布置应正确反应加热区炉温及炉温均匀性。
5. 1. 5 所用设备都必须建立档案,其具体内容包括:a. 设备使用说明书b.台时记录c.故障记录d.修理记录e. 历年检定报告及检定合格证。
压机上自由锻件通用技术条件摘自ZBJ32001—88一、订货条件1、所需要的数量和材质。
2、需方提供零件图和粗加工图1)如需方仅提供零件图,则需在图样注明热处理条件(余量),工艺夹头及试棒的尺寸和位置。
2)如需方仅提供粗加工图,则需在图样上注明零件尺寸、工艺夹头及试棒的尺寸和位置。
3)需方应在合同中规定锻件的组别,如无规定组别,则按Ⅰ类组别锻件交货。
4)交货状态。
锻件力学性能分组锻件级别组别的基本标志验收的力学性能指标试验数量检验特性组成批的条件拉伸、冲击试验硬度试验Ⅰ不试验Ⅱ测定每批次锻件的硬度同一热处理规范同一钢号的锻件HB每批试验工件Ⅲ测定每一锻件的硬度每一个锻件单个验收HB每一锻件均受试验Ⅳ测定每一锻件的硬度和每批次中锻件的力学性能同炉热处理的统一熔炼号的锻件бb、бs、ф、б5、аk、HB每批试验工件每一锻件均受试验Ⅴ测定每一锻件的力学性能每一个锻件均单个验收бb、бs、б、ф、аk、HB每一锻件均受试验每一锻件均受试验注:1.Ⅳ、Ⅴ类锻件的硬度值不作为验收依据;其验收的力学性能指标项目在必要时,可以由供需双方商定。
2.试棒一般留在锻件上,特殊情况经需方认可方可单独锻造,但必须和它所代表的锻件使用同炉钢液,具有相同的锻造比和锻造方法,并同炉热处理。
二、锻件制造1、锻造用钢应是镇静钢,其化学成分应符合:GBT699—1999、GB/T700—1988、GB/T1591—1994、GB/T3077—1999、GB/T1298—1986、GB/T1299—1985、GB/T1221—1992和GB/T1220—1992的规定。
国标(部标)以外的钢号按合同规定。
1、锻造用钢锭或钢坯应有合格证书。
3、钢锭和钢坯在锻造前必须将影响锻件质量的表面缺陷全部清除,钢锭锻造时两端应有足够的切除量。
4、锻件生产过程中极热、锻造、锻后冷却、热处理和校正等,均按供方的工艺规范执行,重要锻件应有必要的技术记录。
5.锻件应有足够的变形量,从而确保达到锻件的质量要求。
日本工业标准(JIS G 0306)1.适用范围这份日本工业标准详细拟定了应用于生产制造、试验、检验的锻钢件的通用技术要求。
注:在本标准中,{}中所给出的单位和数值采用国际标准单位制,这里仅做说明。
标准中的传统单位和数值应该被换算为1991年1月1日以后实行的国际标准制单位。
2.定义及分类标准中主要条款的定义分类如下:(1)钢锻件:钢锭以及通过锻造、轧制或锻压等方法生产出来的钢材,采用冲压、锤击、锻轧、环形轧制等热加工工艺进行加工之后,通常再进行热处理以获取特定的机械性能。
(2)轴类件:这类物体可以被加工成轴,比如直轴、台阶轴、法兰轴以及带轴的齿轮等,这些都有着圆形的截面,并且轴向长度大于其外径。
(3)筒形件:这类物体都是圆筒状,轴向长度大于其外径。
筒状锻件都是中空的,但是这种中空不是由冲孔和机加工工艺做出。
(4)环形件:这类锻件都是环形,并且轴向长度小于或等于其外径。
环状锻件都需要经过锻造扩孔工艺,不是由冲孔和机加工工艺做出。
(5)饼状件:这类锻件包括规则形状和不规则形状板件,并且轴向长度不大于其外径。
这种板状锻件的最后工序都是墩粗,不是由剪切轴类材料的工艺做出。
3.加工方法3.1 钢锭钢锭是由充分消除了内部缩孔和成分偏析的镇静钢加工而成。
3.2 锻造采用压力、锤击、锻轧、环形轧制等热加工工艺对钢锭进行加工的方法。
经过锻造、轧制或锻轧的钢材可以代替钢锭使用。
热加工工艺和锻造比的选定标准如下:(1)热加工热加工应该作用到锻件的每一部分,并且逐渐均匀过渡到材料的芯部。
通过热加工获得最终的形状和尺寸,并获得尽可能与锻件使用过程中出现的应力相适应的金属流线方向。
(2)锻造比(1)锻件锻造比的确定应该遵照以下标准:(a)对于轴类和筒状锻件,当只采用锻造加工时,主体截面部分大于3S,其它部分大于1.5S,当采用锻轧时,主体截面部分应该大于5S,其它部分大于3S。
(b)对于环形锻件,当采用压力、锻锤以及环形轧机进行锻造扩孔处理时锻造比应该大于3S。
《锻造生产安全与环保通则》前言本标准的第9章、第5.2条、第10.2条为强制性条款,其余为推荐性条款。
本标准代替GB13318-1991《锻造车间安全生产通则》,同时代替JB/T6055-1992《锻造车间环境保护导则》。
本标准与GB13318-1991相比主要变化如下:——本标准按GB/T1.1-2000要求的格式进行编写;——本标准在原两项标准的基础上进行合理的合并和调整。
主要技术内容与相关国家标准协调一致;——标准的主要技术内容增加了:锻造生产的危害因素和有害因素;生产物料和剩余物料,锻造生产工艺;安全、环保技术措施以及安全、环保管理措施的章、条。
——对原标准中生产设备、辅助设备和工模具一章进行调整,改为生产装置,删除了原标准的4.5;4.6;4.10;4.11;4.12的部分内容,增加了加热设备的内容。
本标准的附录A为规范性附录。
本标准由国家安全生产监督管理局提出。
本标准由全国锻压标准化技术委员会归口。
本标准起草单位:机械工业第一设计研究院。
本标准主要起草人:阵载柱、练武、奚亮澄、李欣云。
本标准所代替标准的历次版本发布情况为:——GB13318-1991和JB/T6055-1992。
1范围本标准规定了锻造生产过程中的安全、环保的通用技术条件。
本标准适用于锻造生产和为锻造生产提供的各类设备及工装模具,以及与锻造生产有关的新技术、新工艺、新设备、新材料的开发、技术引进、长远规划、工厂设计和技术改造。
本标准也适用于温锻、冷锻件生产。
2规范性引用文件下列文件中的条款通过本标准的引用而成为本标准的条款。
凡是注日期的引用文件,其随后所有的修改单(不包括勘误的内容)或修订版均不适用于本标准,然而,鼓励根据本标准达成协议的各方研究是否可使用这些文件的最新版本。
凡是不注日期的引用文件,其最新版本适用于标准。
GB2894安全标志GB/T4064电气设备安全设计导则GB5083生产设备安全卫生设计总则GB/T6067起重机械安全规程GB8978污水综合排放标准GB9078工业炉窑大气污染物排放标准GB/T11651劳动防护用品选用规则GB12801-1991生产过程安全卫生要求总则GB17120锻压机械安全技术条件GB50040动力机器基础设计规范GB50231机械设备安装工程施工及验收规范GB50235工业管道工程施工及验收规范GB50272锻压设备安装工程施工及验收规范GB50275压缩机、风机、泵安装工程施工及验收规范GB50278起重设备安装工程施工及验收规范GBJ16建筑设计防火规范GBJ102-1987工业循环冷却水设计规范TJ36工业企业设计卫生标准JB9967液压机噪声限值JB9968开式压力机噪声限值JB9969棒料剪断机、鳄鱼式剪、剪板机噪声限值JB9973空气锤噪声限值JB9974闭式压力机噪声限值JB9977双盘摩擦压力机噪声限值3术语下列术语和定义适用于本标准。