2017年矿井反风演习报告.docx
- 格式:docx
- 大小:29.62 KB
- 文档页数:6
××公司(煤矿)××矿井反风演习报告一、反风演习依据根据《煤矿安全规程》第一百二十二条规定,矿井每年应进行一次反风演习,每季度应至少检查一次反风设施,主要通风机必须装有反风设施并能在10分钟内改变巷道中的风流方向,结合我矿制定的年度灾害预防措施及处理计划的内容,我矿定于XX年XX月XX日进行矿井反风演习,为使本矿反风演习工作顺利进行,特制定本次演习的计划及安全技术措施。
二、反风演习目的反风演习是为了检验矿井反风时矿井主扇运行的稳定性,考察主扇操作人员反风操作的熟练程度,检验反风装置可靠性,测定矿井反风技术数据,为矿井灾害处理提供技术参考依据,发现并解决反风演习中存在的问题,提高矿井整体抗灾变能力。
三、反风演习的日期、反风开始持续、结束时间1、反风日期:XX年XX月XX日2、反风开始:XX月XX日上午XX时(北京时间)3、反风持续:2小时即XX时至XX时4、结束时间:XX时反风结束,结束后观察1小时,即XX时结束反风演习。
四、反风方式利用矿井扇风机主扇反转进行反风,暂定X号风机。
五、矿井灾害地点假设XX水平XX# 密闭六、反风区域全矿井进行反风,本水平内只有XX号煤层XX的回采工作面,具有完整的通风系统,因此进行全矿井反风。
七、反风演习观测项目、地点、人物观测项目如下:1、反风后测点停风时间,反风风流到达时间,反风风流稳定时间;2、正风后.风流停风时间,正风风流到达时间,正风风流稳定时间。
3、反风演习过程中各测点每半个小时测定一次风量,CH4、C02及CO浓度每10分钟测一次。
附:井下测点人员安排:序号测点人员CH4检定器(台)CO检定器(台)风表(台)1 XX水平运输石门XXX 10% 1 1 DFA-2型 12 XX水平回风石门XXX 10 1 1 DFA-2型 1八、反风后的矿井风和瓦斯涌出量情况预测反风后通风系统与原通风系统逆转,由正风时的负压通风变为反风时的正压通风,使原回风水平变为进风水平,原进风水平变为回风水平,预计反风后的风量可达到正常风量的40%以上,瓦斯涌出量正压通风时预计比负压通风时有所增加,待反风结束时,完全改变为正压后,瓦斯涌出量随时间的推移,其浓度将逐渐恢复到或低于反风前。
煤矿反风演习报告矿井反风演习报告单位名称:####集团****煤业有限公司矿井名称:*****煤矿编制单位:“一通三防”科编制人员:报告时间:2010年8月5日- 1 -*****煤业有限公司****煤矿反风演习报告一、矿井通风概况****煤业有限公司****煤矿井采用机械抽出式通风方法,中央并列式通风方式。
主、副立井为进风井,回风斜井为总回风井。
两台主要通风机型号均为FBCDZNo,15,每台主要通风机配备电机功率为2×55Kw,工况排风量2300 333m,min,风压800Pa。
矿井总进风量,2080mmin,回风量2150 m,min,3经2008年瓦斯等级鉴定矿井的瓦斯绝对涌出量为0m,min,瓦斯相对涌出量3为0m,t,本矿无火区。
二、采掘布置情况全矿井现在共有两个回采工作面,分别为150212回采工作面和150105准备回采工作面。
掘进工作面为150105面配巷,在2009年8月停产时已经进行封闭处理,本次反风演习不在计划之内。
三、确定反风演习计划和制定反风演习安全技术措施:根据《煤矿安全规程》第122条规定:“生产矿井主要通风机必须有反风设施,并能在10min内改变巷道中的风流方向,当风流方向改变后,主要通风机的供风量不应小于正常供风量的40%,每季度至少检查一次反风设施,每年应进行一次反风演习,矿井通风系统有较大变化时,应进行一次反风演习。
”通过反风演习能为矿井灾害预防和处理提供必要的通风参数,能够检验矿井通风系统是否完善,实际检验各部门在突发通风安全事故时的协调关系。
因此,我矿将采取A.正- 2 -常通风、B.全面反风、C恢复正常通风的反风演习计划进行反风,为2010年度灾防计划提供必要基础参数。
反风演习前,我矿确定了反风演习计划和制定了反风演习安全技术措施并通过了相关矿领导、各职能科室会审签字,而且召开了专项会议进行贯彻落实。
四、反风演习时间的确定:本次反风演习的时间确定在2010年8月1日上午。
鄂尔多斯市广厦煤炭运销有限公司刘家渠煤矿矿井反风演习总结报告编制人:郭皓2017年5月矿井反风演习总结报告为了检验我矿通风系统、设备、设施能否满足处理矿井发生灾变的需要,经过认真准备和详细的组织安排,广厦刘家渠煤矿2017年度矿井反风演习工作于2017年5月11日7时35分开始至10时00分结束,成功地对我矿的回风井的主通风机进行了一次反风演习,反风演习共计2小时25分中。
现将反风演习情况汇总如下:一、矿井通风情况:广厦刘家渠煤矿2017年度计划产量60万吨,矿井通风方式为中央分列式,通风方法为抽出式。
矿井采用主井、副井进风,回风井回风。
二、反风演习情况:反风演习前后的矿井通风情况如下:1、矿井反风演习前总风量为2216m3/min,反风时的反风量为1485m3/min。
2、反风演习前全矿井瓦斯绝对涌出量为1.534 m3/min,二氧化碳绝对涌出量为 1.416m3/min,反风演习时全矿井瓦斯绝对涌出量为 1.443m3/min,二氧化碳绝对涌出量为1.310m3/min。
3、反风演习时间为2小时25分钟,符合《煤矿安全规程》的要求。
4、反风演习参数测定、统计情况,详见附表。
5、全矿井反风率为67%,符合《煤矿安全规程》的要求,反风演习期间各回风道中均未发现瓦斯。
三、反风率的计算。
全矿井反风率η=(∑Qˋ/∑Q)×100%=(1485/2216)×100%=67%式中:η------反风率(%)∑Qˋ----反风演习时矿井总进风量(m3/min)∑Q------反风演习前矿井总进风量(m3/min)四、反风演习总结1、这次反风演习,本矿十分重视,首先成立了以矿长为组长反风演习领导组,并下设反风演习指挥部,由矿长曹越强指挥,指挥部设在安全生产调度中心,并设置了指挥组、机电组、通风组、后勤保障组、井下救护组等小组。
在矿长曹越强的主持下,于5月10日在会议室召开了反风演习预备会,详细分工,明确责任,并对反风计划进行审批。
XX县XX煤业有限责任公司(XX煤矿)2017年度反风演习总结报告二〇一七年五月三十日2017年度反风演习总结报告一、矿井通风概况我矿的开拓方式为平硐暗斜井开拓,采用中央并列抽出式通风方式。
风井安有2台同等能力的轴流式对旋通风机,型号为:FBCDZ№16/2×90kW,电机功率为90KWX2。
矿井各采掘工作面、机电硐室均实行独立通风,无串联通风地点。
根据上年度矿井瓦斯等级鉴定结果,绝对瓦斯涌出量为6.679m3/min,相对瓦斯涌出量为21.16m3/t,属于高瓦斯矿井。
开采煤尘均无爆炸危险性,煤的自燃倾向性2和8号煤层为(III类)属不易自燃煤层、7号煤层自燃倾向等级为自燃煤层;矿井无冲击地压现象,无地温异常现象;水文地质类型为中等类型,属(III级)水患矿井。
为保证矿井安全生产,检验和提高矿井的抗灾能力,根据《煤矿安全规程》每一生产矿井主要通风机每年必须进行一次反风演习的规定,我矿于2017年5月30日上午10:30-12:30进行了矿井反风演习。
二、组织措施为搞好本次矿井反风演习工作,成立了以矿技术负责人为组长的矿井反风演习领导小组.组长:XXX负责反风演习全面工作。
副组长:XX和XXX负责反风演习分管范围内的有关工作。
成员:XXX、XXX、梁定坤、XXX、XXX、XXX、XXX、杨明海、XXX、郭仕奉等负责反风演习具体工作。
二、反风演习情况1、各有关部门根据反风演习计划和安全措施于2017年5月30日做好反风演习全部准备工作,反风演习开始前切断井下一切动力电源,并且关闭好所有反向风门。
2、2017年5月30日9点45分,组长XXX下达反风演习开始命令,同时井下地点全部人员按指定避灾路线向地面撤离。
3、机电人员和风井主扇司机在主扇反风正常运行后,向反风演习领导小组及时作出汇报,包括主扇电机电流、电压变化情况以及负压情况等。
4、通风科派专人分别对井下各巷道中的风流、瓦斯情况及风流方向进行测定并作记录。
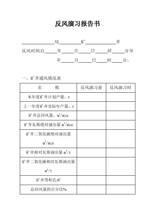
反风演习报告书局矿井反风时间自年月日时分至年月日时分。
一、矿井通风情况表二、反风组织机构组长:郭建春副组长:张晋平、刘缠平、惠直平成员:王康平王记海乔志明刘三虎王雪亮张明生王建生崔翟兵三、反风前的准备①对主风机与备用风机的各个零部件进行全面的安全检查。
②对引风道、引风道内的风门,反风风道进行全面检查。
③对井下主要通风设施、测风站、风门、风桥、井上防爆盖、水槽、平衡配重进行全面检查。
④由矿总工惠直平批准经矿务会决定进行一次全矿井反风演习。
⑤反风前必须切断向井下供电的电源。
四、反风具体操作1、为了执行煤矿的规章、制度。
根据煤矿《规程》规定煤矿每年必须进行一次反风演习。
经矿务会议研究决定,矿总工批准决定在2007年3月12日进行一次全矿反风演习。
2、反风演习参加的人数共12人;井下6人,地面6人。
瓦检员2人,风门工2人,测风员2人。
风机房2人。
3、上述准备工作于3月13日15时20分准备就续。
4、15时25分矿总工开始下达反风演习命令。
5、各工种以及领导接到命令后,开始操作;主风机司机开始切换主风机与反风风机的电源。
6、在15时35分改变了全矿井巷道的风流方向。
7、反风时间一共进行了120分钟,恢复正常通风的时间是17时35分。
五、反风结果1、通过改变了全矿井的风流方向检验了本矿各个通风设施(包括主风机)的工程技术质量。
2、反风风量达到了正常通风量的60%。
3、改变风流方向的时间是10分钟。
4、这次反风演习达到了煤矿安全规程的《规定》。
六、矿井通风系统图1、反风前矿井通风系统图。
2、反风时矿井通风系统图。
反风演习报告陈家湾乡煤矿通风科反风演习实施方案陈家湾乡煤矿通风科反风演习实施方案一、按照《煤矿安全规程》规定,生产矿井每年应进行一次反风演习;矿井通风系统有较大变化时,也应进行一次反风演习。
二、反风演习的目的在于掌握反风时矿井风量、风向、瓦斯变化的资料,以便找出薄弱环节加以完善,从而提高矿井的抗灾能力。
矿井反风演习报告
为认真贯彻落实“安全第一,预防为主”的方针,提高矿井抗灾能力,根据《煤矿安全规程》第122条:“每季度至少一次检查一次反风设施,每年应进行一次反风演习”之规定,我矿于年月
日上午时至时进行了为期2小时的反风演习。
我矿为通风,进行反风试验的目的是检验矿井主进风系统一旦发生火灾等重大事故时矿井的抗灾能力,根据我矿实际,我们制定了具有实际意的能应付灾变的反风方案。
通过对选择的个测点各项参数(风量`瓦斯浓度`二氧化碳)的测量结果进行整理,比较分析,从中可以看出(详细计算见附表):
一.矿井风量
风井反风时,井下主要进风大巷和硐室风流均能反向,风量满足抗灾要求。
1.反风前总入风量: M3/ min
反风前总排风量: M3/ min
2.反风时总入风量: M3/ min
反风时总排风量: M3/ min
3.矿井反风率 M3/ min
二.矿井瓦斯
1.反风时主要进风大巷,进风井的瓦斯浓度与反风前瓦斯浓度变化不大,均在 %以下,反风后略有下降。
2.采掘工作地点,在风流导向时瓦斯浓度略微偏高,随着风流的稳定瓦斯浓度比正常通风期间偏低。
三.通风机运转状况
反风时,通风机运转正常,没有发现意外故障,反风操作时间风井分秒;进风井用了分秒风流反向,气球飘起,风井主扇的静压为: Mpa 总之,反风时瓦斯涌出量比正常通风实小,主要进风大巷瓦斯不明显。
因此,矿井一旦进风系统发火灾时,采取风井主扇反风措施可行。
山西离柳焦煤集团有限公司佳峰煤矿2017年度矿井反风演习总结报告根据《煤矿安全规程》第一百五十九条要求,结合我矿实际生产情况,我矿于2017年9月15日上午9:30时至12:00成功进行了2017年度矿井反风演习,通过反风演习对矿井反风设施、主要通风机反风的可靠性及司机的操作熟练程度进行了一次检验,提高了矿井抗灾能力,现将反风演习情况报告如下:一、反风演习时间:2017年9月15日9:20时至12:00历时160分钟。
二、矿井通风情况三、反风演习时间及顺序矿井反风演习于9:20开始,12:00结束历时160分钟。
操作主通风机从正转到运实现反转的时间约6分钟左右,符合安全规程的要求。
四、反风演习组织安排反风期间我矿成立了矿井反风演习指挥部,由矿长梁新潮任总指挥,各分管副矿长为副总指挥,各职能部门负责人为成员,指挥部设在矿调度室。
反风演习参加人员共计44人,其中指挥部人员共计21人。
井下人员安排如下:通风测量组共3个小组,每组瓦斯员1人、测风员1人、救护队队员2人,安全员1人,共计13人;地面人员安排如下:主通风机司机2人,调度室记录2人,监控人员2人,井口观察风流方向2人,井口警戒2人,共计10人。
五、矿井风量、负压、气体观测情况1、电流、电压、功率变化情况2、矿井风量变化情况反风前后矿井主要进回风井的风量测量结果如下表:反风过程中,巷道风流方向改变时间约2分钟左右,反风期间所有测点的风量均达到了反风前风量的40%以上。
3、矿井风门开关情况反风期间矿井主要风门开关情况如下表:4、矿井风向及气体变化情况矿井反风方法:利用主通风机反转进行反风矿井正常通风时,风流方向为:地面→主斜井、副斜井→井底车场→轨道大巷(胶带大巷)→总回风大巷→风井→地面反风时风流方向为:5、反风观测结论经过现场对风量的测定和操作时间的记录,我矿本次反风演习中各测风地点的供风率均超过了正常供风量的40%,主要通风机操作时间2-4分钟,巷道风流方向改变时间在2分钟左右,符合《煤矿安全规程》159条中:生产矿井主要通风机必须装有反风设施,并能在10分钟内改变巷道中的风流方向;当风流方向改变后,主要通风机的供给风量不应小于正常供风量的40%的规定。
淮北永峰矿业有限公司 2017 年矿井反风演习总结报告根据《金属非金属矿山安全规程》规定,生产矿井每年度至少进行一次反风演练,根据公司实际,定于2017 年 11 月 7 日 10:10 分组织进行了主通风机反风演习试验。
一、成立公司反风演习领导机构和小组指挥长:邢国平副指挥长:杨望明胡汉明分组情况:第一组: -250 米中段主通风机组长:程胜利成员:陈新明曹小刚(通风技术人员)第二组: -300 米中段通风构筑物组长:李尚炎成员 : 梅志安第三组: -350 米中段主巷通风构筑物组长:周哲(通风技术人员)成员:余其六第四组: -400 米中段主巷及回风巷道通风构筑物组长:李小龙成员:余其来第五组: -500 米中段主巷及回风巷道通风构筑物组长 : 吕博成员:汪财主第六组:六大系统监控室组长:陈迪顺成员:曹加鹏二、反风演习安全技术措施:1、所有参加反风演习的领导和操作人员,一定要恪尽职守、严明纪律、认真操作、如实记录、统一指挥。
2、反风演习前必须切断井下所有生产电源,反风结束,主通风机保持正常运转时,方可恢复送电。
3、进行反风演习试验时,井下老巷和停止采矿工作面必须进行密闭,并加强反风前后的观测工作,并做好记录。
4、主通风机工观察风机运转状态、电机负荷、轴承温度、风量和风压情况,电机不得超负荷运转。
5、反风前井下所有与反风无关人员一律升井,直到反风后结束,一切正常后方可入井。
6、组织参加反风演习人员培训工作。
三、具体分工1、指挥长邢国平负责本次反风演习的全面工作,副指挥长负责演练具体部署工作和协助指挥长完成反风演练工作;2、电工师傅陈新明负责主通风机供电线路检查工作;3、程胜利、曹小刚、陈新明负责-250 米中段观察主通风机反风前、后主通风机的运转情况及总回、总进测定等工作;4、李尚炎、梅志安负责 -300 米中段风门开、关等工作;5、周哲、余其六负责-350米中段风门开、关等工作;6、李小龙、余其来负责 -400 米中段风门开、关等工作;7、吕博、汪财主负责-500米中段风门开、关等工作;8、陈迪顺、曹加鹏负责“六大系统”监控室监控数据和与各小组协调工作。
矿井反风演习报告矿井反风演习报告矿井反风演习是矿山安全生产工作的重要手段之一,它以模拟台账风爆矿难、火灾、瓦斯突出等事故为背景,将矿工所需的应急技能进行训练,提高矿工的安全意识和应对突发事故的能力。
本篇报告将介绍我参加的矿井反风演习,并对演习效果进行评价。
一、演习背景本次演习是在我所在的煤炭矿井进行的。
在矿井生产过程中,突发事故时有发生,尤其是在采煤区,如不及时应对会危及生命安全。
为了提高矿工的应急反应能力,矿井决定举办此次反风演习。
演习场景是模拟期间,输入瓦斯过高,爆炸风险很大,矿工必须迅速撤离危险区域。
二、演习准备演习之前,矿井对参演人员进行了相关安全教育,宣传了演习的目的、演习过程和注意事项等,让参演人员对演习有一个全面的认识,提高了其安全意识。
为了保证演习顺利进行,并检查双方的演习准备情况,矿井还邀请了相关部门进行协调指挥。
三、演习过程演习开始后,演习场景通过投影仪呈现在大屏幕上,非常逼真。
当演习进行到一半,突然输入瓦斯值升高,矿井智能监控系统报警(监控系统是煤矿必须要装备的设备,用来监测瓦斯、煤尘等浓度)。
指挥中心传令,矿工们开始进行撤离。
当撤离进行到一半,发现一些人并未能按时撤离,煤矿卫生员随即加入救援行动,成功救出了被困人员,演习随之结束。
四、演习评价演习后,矿井针对演习进行评价,反馈意见和建议。
总的来说,本次演习取得了很好的效果,对矿工们的安全意识和应急能力的提高起到了显著作用。
在演习过程中,矿工们能够正确地应对突发状况,迅速撤离,其中煤矿卫生员的表现尤为出色。
但同时也存在一些不足之处,部分矿工在演习过程中表现不够积极主动,应提高其安全意识,确保预防和控制突发事故的风险。
另外,在指挥中心指挥协调方面也存在可改进的空间。
五、结论通过本次反风演习,矿工们进一步认识到对矿井风险的防范和控制至关重要,同时也体现出这个煤矿对矿工生命安全的高度关注和重视。
在今后的工作中,煤矿应持续加强安全教育,进一步提高矿工防范和应对突发状况的能力。
龙镇煤矿芦则沟矿井2015年反风演习报告2015年10月6日龙镇煤矿芦则沟矿井2015年矿井反风演习报告根据《煤矿安全规程》第一百二十二条关于生产矿井每年应进行一次反风演习的规定和《二〇一五年度龙镇煤矿芦则沟矿井反风演习计划》,结合矿井生产实际情况,平沟煤矿于二〇一五年九月三十日进行了矿井反风演习,现将此次反风演习作如下总结:一、反风演习的目的反风演习是为了检验矿井反风时主扇运行的稳定性,考察主扇操作人员反风操作的熟练程度,检验反风装置及反风设施的建筑和维修质量,测定矿井反风技术数据,为矿井灾害处理提供技术参考依据,发现并解决反风演习中存在的问题,提高矿井整体抗灾能力。
二、矿井反风演习时间反风时间自2015年9月30日9时0分至2015年9月30日11时10分,持续2小时10分钟。
三、反风方式及方法1.反风方式:全矿井反风。
2.反风方法:主通风机反转同时进行反风。
四、矿井反风前后通风情况反风前矿井总回风量为2663m3/min,反风后矿井总回风量为1736m3/min;反风前矿井瓦斯绝对涌出量为2.13m3/min,二氧化碳绝对涌出量为1.6m3/min,反风后矿井瓦斯绝对涌出量为1.04m3/min,二氧化碳绝对涌出量为1.04m3/min,反风前后总回风量百分比为65.2%,达到《煤矿安全规程》第122条主通风机的供风量不小于正常供风量的40%的要求。
五、矿井反风期间主要通风机运转情况主通风机操作司机接到反风命令后,主通风机反转进行反风,司机操作迅速、准确,风机反转后运转正常,无异常情况。
指挥部命令通风机房9:00分同时开始反风。
通风机房:操作开始时间:9时01分41秒;操作完毕时间:9时03分10秒;操作历时89秒五、反风演习测点及观测人员(1)根据《煤矿安全规程》要求反风期间瓦斯及二氧化碳每隔10min测定一次,风量每隔30min测定一次的要求,我矿合理布置测定及安排观测人员,反风演习测点布置如下:副斜井、主井、南运输巷、总回风巷共4个测点。
煤矿反风演习报告贵源煤矿五号井20__年矿井反风演习报告贵源煤矿五号井20__年1月12日贵源煤矿五号井20__年矿井反风演习按照《煤矿安全规程》第122条规定,贵源煤矿五号井于20__年1月10日,进行了矿井反风演习,能够在三分钟内实现矿井反风,矿井反风率为58.8%。
本次反风演习工作符合《煤矿安全规程》等有关规定,演习过程中没有出现CH4或CO2浓度达到2%的井巷,矿井反风演习获得成功。
通过反风演习不但检验了矿井主要通风机和井上下反风设施及装置动作是否灵敏准确,也检验了主通风机司机操作反风设施的技术素质,同时取得了一定的经验教训,现简单总结如下:一、反风演习时间反风演习开始时间:20__年1月10日9时02分反风演习结束时间:20__年1月10日10时37分反风演习持续时间:95分钟二、矿井通风情况矿井具有完整独立的通风系统。
通风方式为中央并列式通风,通风方法采取抽出式。
各采掘工作面实行独立通风。
采煤工作面通风方式采用U型通风,各掘进工作面均采用局部通风机压入式通风。
矿井通风情况详见表一。
表一反风演习时期通风情况简表三、矿井主要通风机运转情况贵源煤矿五号井回风斜井安装有两台FB0DZNO.21/2_185型防爆对旋轴流式风机两台,1台工作,1台备用,配套电机四台(2台工作,2台备用),型号为YBFe315L1-8,2_185KW,380V隔爆型电机,反风演习前后主要通风机运转情况见表二。
表二反风演习时期主要通风机运转情况四、井巷中风量和瓦斯浓度的测定贵源煤矿五号井反风演习时对各个观测地点的测定工作不但认真检查,同时对不同地点派出相应的观测人员,主要是总回风巷、主斜井、副斜井、1907采面进、回风巷的风量、风向、气体成分的测定工作,安排经验丰富、责任心强的测风员到位。
通过认真安排、详细布置及观测人员的认真工作,反风演习工作取得了令人满意的效果,井巷风量及瓦斯浓度变化情况见表三。
表三反风时期矿井各观测地点参数表五、矿井及井下各测点的反风率情况通过对井上下实测结果分析整理表明:矿井反风率为62%,各测定点的反风率全部在40%以上,符合《煤矿安全规程》第122条规定,具体情况见表四。
xxx年反风演习总结报告根据《煤矿安全规程》第122条“关于矿井每年应进行一次反风演习”的规定及县局批复意见,经矿委会精心研究和筹备,我矿于xxx年月日进行了矿井反风演习,现将此次反风演习作如下总结:一、为保证本次反风演习顺利进行,成立反风演习领导组:组长:xxx副组长:xxx xxx成员:xxx xxx xxx职责分工组长:全权负责本次演习活动的组织、演习方案的审核和落实,处理在演习过程中出现的重大事宜。
副组长:参与本次演习活动各种决策方案的制定和落实,全权组织和处理演习各自管辖相关业务,协助组长处理在演习过程中出现的重大事宜。
成员:严格执行组长、副组长制定的各种决定,按章操作,并对演习情况及时上报。
二、反风演习的目的本次反风演习是为了检验矿井反风时主扇运行的稳定性,考察主扇操作人员反风操作的熟练程度,检验反风装置及反风设施的建筑和维修质量,测定矿井反风技术数据,为矿井灾害处理提供技术参考依据,发现并解决反风演习中存在的问题,提高矿井整体抗灾能力。
三、反风演习方法反风方式:全矿井反风反风方法:我矿配备FBCDZ-6-NO22型轴流式对旋风机,反风时可将风机房电柜内手柄倒至反转侧,电机反转后实现风机反转,从而改变风流方向。
四、反风的准备工作1、机电组负责对井上下所有电器设备进行检查,严禁出现失爆现象;井下抽水工反风前将井下各水仓水位抽至最低点;锅炉房停止井口热风供暖;做好井下设备断电准备工作,在所有结束后向调度组汇报。
2、通风组负责提前对井上下所有反风设施及监控设施进行检查和维护;向上级主管部门电传本次反风的持续时间、地点、监控系统可能出现的异常;提前一天对各井筒、总回风瓦斯、二氧化碳及温度进行检测。
3、各科室提前将本科室所有参加反风演习岗位人员名单、岗位电话号码报至调度室,调度室提前一天将参加反风演习入井人员名单下发至灯房和检身房。
4、井口检身员、灯房值班员严格执行入井检身和出井人员清点制度,严禁无关人员入井。
XX县XXX煤矿有限责任公司XXX煤矿矿井反风演习总结报告编制单位:XXX煤矿通防科编制日期:2020年10月05日目录一、反风演习的目的.............................................. - 1 -二、反风演习的组织机构.......................................... - 1 -(一)成立反风演习指挥部.................................. - 1 - (二)反风演习指挥部职责.................................. - 2 - 三、反风演习工作组及职责........................................ - 2 -(一)相关人员职责........................................ - 2 - (二)各领导小组人员及职责................................ - 3 - 四、反风演习内容................................................ - 5 -(一)假设灾害发生地点.................................... - 5 - (二)灾害起因、波及范围及应急响应等级.................... - 5 - (三)反风演习时间........................................ - 5 - (四)反风方式............................................ - 5 - (五)反风方法............................................ - 6 - (六)反风演习观察项目.................................... - 6 - (七)预计反风后的通风系统、风量情况...................... - 6 - 五、反风演习步骤................................................ - 7 -(一)反风演习准备工作.................................... - 7 - (二)反风演习期间........................................ - 7 - (三)反风演习恢复通风.................................... - 8 - 六、反风演习安全技术措施........................................ - 8 -(一)反风演习前准备工作.................................. - 8 -(二)反风期间安全措施.................................... - 9 - (三)恢复正常通风安全措施................................ - 9 - (四)反风演习后工作安排................................. - 10 -七、反风前后风量变化情况表..................................... - 10 -八、基础数据表................................................. - 12 -(一)矿井通风情况表..................................... - 12 - (二)主要通风机运转情况表............................... - 12 - 九、经验总结................................................... - 14 -XXX煤矿反风演习总结报告一、反风演习的目的1、矿井反风是为了使矿井灾变时,尤其是发生火灾事故时缩小灾害波及范围,使可能受影响地区的人员能够有充分的时间按避灾路线撤至地面,从而减少因火灾等事故而带来的人员伤亡。
2017年度矿井反风演习报告泸州远大煤业有限公司单位名称:泸州远大煤业有限公司报告主题:反风演习实施日期: 2017 年5 月 30 日编制:徐其伦编制时间: 2017 年 6 月 1 日泸州远大煤业有限公司二〇一七年度矿井反风演习报告根据《煤矿安全规程》第159条关于矿井反风演习的规定,结合矿井2017年度安全生产工作计划安排情况,我矿2017年 5月30日组织进行了本年度的反风演习,现将有关情况作如下报告。
一、组织措施(一)、成立反风演习工作领导组组长:张存力总指挥:徐其伦副组长:杨敬权、杨兴全、王厚华、刘春甫成员:刘孝贵、李发桂、王庆彪、罗远灿、刘奇银、毛世富、叶邦润、王其修、李成贵反风演习指挥中心设在矿生产调度室,由总工程师徐其伦担任总指挥。
(二)、工作职责(准备工作)1、张存力(1)领导组组长,负责本次反风演习的组织协调工作。
(2)在矿调度室指挥,对口与徐其伦衔接,同时观察立井井口观察风流变化。
2、徐其伦(1)负责对反风前安全措施审查及贯彻学习。
(2)负责整个演习过程的指挥调度工作,并担任地面北风井小组的组长,工作点设在北风井,随时电话与各小组和调度室(组长:张存力)联系。
(3)和王其修一起负责北风井小组,测定北风井的反风参数。
3、杨兴全2(1)和王其修一起负责南风井小组,测定南风井的反风参数。
(2)负责与总指挥徐其伦保持联系,随时进行情况反馈。
4、王庆彪(1)负责在演习前,将南、北风井风机进行检查,对反向运行或停机工作进行监视,观察设备设施的运行情况。
(2)负责与总指挥徐其伦保持联系,随时进行情况反馈。
5、刘春甫(1)负责井下1小组(北翼6111采面、立井石门测点)的数据测定工作。
(2)负责停、送点指挥工作。
(3)负责与总指挥徐其伦保持联系,随时进行情况反馈。
6、王其修、李成贵、叶帮润(1)王其修负责北风井的风机反转运行及恢复正常运转。
(2)李成贵负责南风井的风机反转运行及恢复正常运转。
XXXXXXX公司1、2号井矿井反风试验工作总结报告编制单位:机电部编制人:XXXX20XX年X月XX日XXXXXXXX公司1、2号井矿井反风试验工作总结报告根据《金属非金属矿山安全规程》要求每年矿井要进行一次反风试验工作,以检验矿井是否具备抗灾能力,结合我矿实际情况于20XX年X 月XX日8:30进行了反风试验,现将反风试验过程汇报如下。
一、成立反风试验指挥部总指挥:XXX副总指挥:XXX指挥部成员:XXXXXXXXX指挥部职能:负责试验期间命令的发布、数据的分析、应急措施的编制、人员的调度等。
指挥部下设以下各专业组,人员组成及职能如下:(一)生产调度中心组组长:XXX职能:1、负责反风试验期间井上、下通信联络;2、及时准确传达指挥部各项指令。
(二)机电设备专业组组长:XXX职能:1、主扇风机反风操2、记录主通风机运转等机电方面观测数据3、负责反风期间全矿井停送电工作(三)通风专业组组长:XXX职能:1、测定井下测点的O2浓度、风量、CO2浓度、CO浓度2、测定巷道风流改变时间3、反风期间的风门管理工作(四)安全救援专业组组长:XXX职能:负责试验期间井下服务、救护准备工作(五)后勤服务组组长:XXX职能:负责试验期间物资供应、后勤保障工作二、矿井通风情况1号井矿井为单翼对角抽出式通风系统,1号竖井进风,一号回风井回风,1号竖井、回风井断面分别为:8.04m2、4.52m2,风井风机选用FKZ-4-No9/11矿用轴流式通风机1台,风量6.2~13.5m3/s,负压136~692Pa。
电机功率11kW,电压380V。
主通风机可直接反转反风。
2号井矿井为单翼对角抽出式通风系统,2号竖井进风,2号通风井回风,2号竖井、2号通风斜井断面分别为:8.04m2、4.52m2,风井风机选用FKZ-4-No10/15矿用轴流式通风机1台,风量8.5~18.6m3/s,负压168~776Pa。
电机功率15kW,电压380V。
反风演习报告二00七年度矿井反风演习报告根据《煤矿安全规程》第一百二十二条关于生产矿井每年应进行一次反风演习的规定和《二00七年度矿井反风演习计划》及集团公司批复意见,结合矿井生产实际情况,我矿于二00八年元月二日进行了矿井反风演习,现将此次反风演习作如下总结:一.反风演习的目的反风演习是为了检验矿井反风时主扇运行的稳定性,考察主扇操作人员反风操作的熟练程度,检验反风装置及反风设施的建筑和维修质量,测定矿井反风技术数据,为矿井灾害处理提供技术参考依据,发现并解决反风演习中存在的问题,提高矿井整体抗灾能力。
二.反风演习组织为了及时协调处理反风演习过程中出现的问题,保证反风演习安全顺利进行,矿成立了以矿长任组长、矿总工程师和有关副矿长任副组长、各副总及主管部室长任成员的反风演习领导小组。
2008年元月1日下午由矿总工程师主持召开了反风演习准备会。
反风演习期间从事地面指挥及作业的人员24人,从事井下作业的人员37人。
三.反风方式及方法1.反风方式:全矿井反风。
2.反风方法:北风井和东风井利用风机反转同时进行反风。
四.反风前的准备工作1.领导小组提前组织有关人员对全矿井反风设施、装置和有可能发火地点进行详细检查,对存在的问题要求各有关单位进行整改。
反风前一天,组织召开专题会,落实各单位问题的整改情况和各项工作的准备情况,对相关工作人员进行了详细分工,明确了责任。
2.通防队负责井下各点反向风门的检查和维护,保证每一处反向风门关闭可靠、灵活、不漏风。
3.机运队负责检查北风井、东风井主扇;检查风道垂直闸板及闸板横杠;检修提升小绞车(包括钢丝绳)、开关及所有附属设施(包括东、北风井原主扇相关设施);检查防爆门的衬垫和横杠;检查东、北风井原风道行人小风门和北风井1#风机风道行人小风门;检查北风井原反风道两道水平闸门用木柱是否顶压牢固。
4.通防队将反风期间所用的风表、瓦检器进行校验,以保证所测数据的准确性;矿辅助救护队将呼吸器清洗维护好以待用;通防队提前复测各测风站断面以缩短反风时间。
2017年矿井反风演习总结报告山煤集团左云长春兴煤业有限公司二〇一七年一月长春兴煤业2017年矿井反风演习总结报告根据新版《煤矿安全规程》第一百五十九条规定“生产矿井主要通风机必须装有反风设施,并能在10min内改变巷道中的风流方向;当风流方向改变后,主要通风机的供给风量不应小于正常供风量的40%;每季度应当至少检查1次反风设施,每年应当进行1次反风演习;矿井通风系统有较大变化时,应当进行1次反风演习”。
经矿领导研究决定,我矿于2017年1月23日进行反风演习,具体内容如下:一、矿井通风现状矿井通风方式为中央并列式,通风方法为机械抽出式。
风机型号FBCDZ№28,功率为2×400KW,通风网络简单,目前矿井总进风量为8696m3/min,副斜井进风量为6882m3/min,主斜井进风量为1814m3/min,总回风量为8772m3/min,负压1.06KPa,等积孔5.3m2,全矿井风流稳定,风量充足,不存在无风、微风区域。
二、主要通风机运转情况长春兴煤业回风立井地面装有2台FBCDZ№28/2×400煤矿地面用防爆抽出式对旋轴流通风机,一台工作,一台备用,配套电机功率2×400KW。
主扇分为1#主扇和2#主扇,在反风期间,1#主扇先运行1小时后切换到2#主扇,反风方式利用主扇反转进行反风。
三、反风时间2017年1月23日9:00----2017年1月23日11:05,共2小时5分钟。
四、反风设备的操作时间(1)9:00指挥部命令主扇房1#主扇开始反风,9:04主扇房操作完毕,1#主扇开始反转,用时4分钟。
(2)10:00指挥部命令主扇房2#主扇开始反风,10:03主扇房操作完毕,2#主扇开始反转,用时3分钟。
(3)11:00指挥部命令主扇房恢复正常通风,11:05主扇房操作完毕,用时5分钟。
五、反风演习参加人数地面35人,井下16人,共51人。
六、气体参数反风开始之前经各小组瓦检员检查各巷道内瓦斯最高浓度为0.02%,二氧化碳最高浓度为0.04%,未发现一氧化碳及其它有毒有害气体。
山西潞安集团和顺李阳煤业有限公司反风演习报告
二 O 一七年九月
反风演习报告
为了检验我公司矿井矿通风系统、设备、设施能否满足处理矿井发生
灾变的需要,经过认真准备和详细的组织安排,我矿于2017年9 月30 日成功地进行了一次矿井反风演习,反风演习共计 4 小时8 分钟演习顺利进行,达到了反风的目的,现将反风结果报告如下:
一、反风时间:自2017 年 9 月 30 日 8 时 30 分
至2017 年 9 月 30 日 12 时 38 分
时间作业内容
8:30参与反风试验人员到指挥部报到;井下测风人员到达预定地点,并完成第一次风量测定汇报。
9:00总指挥下达主通风机反风命令,停止2#主扇供风, 1#主风机反转,开始反风。
10:001#主风机反转运行1h,达到反风目的,停止运转。
10:042#主扇反转,开始反风。
11:042#主风机反转运行1h,达到反风目的,停止运转。
11:102#主扇切换至 1#主扇正常供风。
11:15总指挥根据各小组汇报情况分析,反风达到预期目的,宣布反风成功,结束观测任务,开始恢复井下供电。
12:38井下动力电全部恢复巷道瓦斯排放完毕。
总指挥宣布反风试验结束。
反风时间:
1# 主通风机:自 9 时 00 分至 10 时 00 分,共计 1 小时。
2# 主通风机:自 10 时 04 分至 11 时 04 分,共计 1 小时。
三、矿井反风情况:
矿井反风概况表
总进风反风率总进风反风率地点地点
( m3/min )(%)( m3/min )( %)
1#主扇供风181632#主扇供风18185
46.3846.45
1#主扇反风84242#主扇反风8447
15102 工作面供风1226
46.9
15102 工作面反风575
四、主要扇风机运转情况:
矿井主要通风机运转情况表
名称1#风机2#风机主要扇风机型号VMMF-3200/1800-1H
主扇运转速度r/min50HZ50HZ
主要扇风机叶片角度88
主扇风量正常通风时1816318185 m3/min反风试验时
84248447
主扇压力正常通风时(负压)23402340
(Pa)反风试验时
------
电动机型号YBBP800-8G YBBP800-8G 电动机正常通风时10451040
实际功率
(KW )
反风试验时458KW450KW
反风方式利用风机反转实现反风
五、井巷中风量、瓦斯浓度
反风演习从下达反风命令开始,在5 分钟内井下巷道风向全部反向。
主要通风机反风时的供风量均在正常风量的40%以上。
反风演习期间井下全风压通风巷道瓦斯浓度均低于0.8%,瓦斯浓度最高为15102 工作面回风流最高达到0.71%。
掘进巷道瓦斯最高为15103 辅助运输顺槽最高值3.89%。
随后按照瓦斯排放流程依次对1024 水平南翼轨道大巷、1024 水平南翼胶带大巷、1024 水平南翼专回大巷、1024 水平南翼回风大巷、15103 辅助运输顺槽、15102 低抽巷、15102 高抽巷、15106 胶带运输顺槽、15107 胶带运输顺槽的瓦斯进行了排放。
六、参加反风人员:井下33 人(包括反风数据观测人员、巡回检查人员、排水人员、局扇司机,变电所送电人员、公司救护队员等),地面 8 人,共 42 人。
七、反风数据分析
9:00 主扇反转矿井开始反风,9:05 副立井风流开始反向, 9:06 主斜井、进风斜井风流开始反向。
井下所有全风压巷道无不达反风要求的巷道。
井下所有进风巷道需要反风时,均可采用主扇反转进行全矿性反风。
1#主
扇正常供风时矿井总进风
33
18163m/min、回风 18550m/min ,1#主扇反风时
33
矿井总进风 8424m/min ,2#主扇反风时测得矿井总进风 8447m/min ,2#主
扇正常供风时测得总进风
3。
矿井 1#主扇回风反风率为 46.38%,18185m/min
2#主扇回风反风率为 46.45%。
其它巷道的反风率相差不大均在45%左右。
矿井内部无漏风现象,说明反风率偏低与矿井通风设施关系不大。
反风时
地面防爆井盖及安全出口门均关闭,外部漏风影响不大。
根据以上分析,反风率偏低的原因是主扇反转矿井供风量较小。
八、经验与问题:
1、经验:
(1)矿领导对这次反风演习非常重视,对反风演习工作做出了详细的
布署。
通风科提前编制了《反风演习方案》,并通过主体矿及集团公司会
审,所有参加反风演习人员都能够认真学习《反风演习方案》。
保证了反
风演习的顺利进行。
(2)反风之前,机电队学习了主扇的反风操作程序。
通过学习操作
规程主扇司机熟练掌握了主扇的反风程序和操作方法。
反风前又召开了反
风演习预备会,布署和安排了反风具体事项,保证了反风演习的有序进行。
(4)通风科、机电科、机电队、通风队等部门反风演习准备工作充分,
对回风立井及井下反风设施进行了检查,对发现的问题及时进行了检修和
整改;通风科对反风中所使用的仪器、仪表提前做了校正工作,对其它方
面的工作也做了安排。
(5)监测队在反风演习前对井下巷道内的 CH4传感器进行了检查,确
保了监控数据更加的科学可靠,对井下各测风地点安装了汇报电话。
(6)本次反风,采用风机反转的反风方式并达到了预期目的。
风机反
转方式方便、快捷、可靠,提高了矿井抗灾能力。
2、问题:
(1)从通风测量组观测的风量数据看,个别小组数据误差较大,汇报不
及时延长了测风汇报环节的时间,反映了测风人员技术水平不高,还需要
在以后的工作中加强锻炼,逐步提高测风人员的技术水平和业务素质。
(2)反风演习风机恢复正常后,人员思想有些松懈,瓦斯汇报速度较慢,导致井下送电不及时。
今后要求我们制定方案时要全面考虑,周密安排,
保证反风演习从头至尾都能在规定时间完成。
(3)反风过程中,监测监控后备电源只能保证两小时,两小时后监测监
控数据不能及时显示。
(4)井下恢复通风后,向掘进工作面送电时由于电工技术不熟练导致掘
进面局扇不能及时送电供风。
九、为进一步提高矿井反风能力,应采取的措施:
1、按照《煤矿安全规程》的规定,由机电队负责至少每月检查一次主
要通风机,由机电科、通风科牵头组织有关单位对反风设施每季度至少检
查一次,对检查出的问题要认真落实责任人,并及时处理,保证做到每时
每刻都能顺利进行。
2、各风井主扇司机都要认真学习操作规程,熟悉操作技能,掌握各种
风门的关闭情况,保证做到熟练操作,准确无误。
3、恢复送电时相关单位应加强配合,安排好送电前的瓦斯检查工作,
便于及时恢复送电送风,尽量缩短掘进面停风时间。
4、恢复通风前,提前10 分钟通知机电队、井下瓦斯员和各队排水人员和局扇司机到达指定地点,便于及时检查瓦斯和恢复送电。
5、各队组加强对负责范围内的设备进行全面检查,确保反风顺利进行。
6、全矿性反风时观测数据和汇报记录较紧张,应优化各观测点人员配置及各种数据记录表格,便于记录方便和汇报及时。
7、自动化要加强对后备电源的检测,各主要传输分站使用双电源供应,确保监控有效。
十、总结:
经过通风科组织,机电科、供电科、安监处、调度室及各队组积极配
合,使得这次反风演习工作能顺利安全完成。
通风设施运行正常,设备完好,能保证矿井正常通风和反风。
各级各类
人员职责明确,基本能够适应矿井应急反风的需要。
矿井指挥系统完善,
指挥体系运行正常。
反风结果符合《煤矿安全规程》的规定,达到了此次
演习的目的。