产品审核规定
- 格式:doc
- 大小:68.00 KB
- 文档页数:5
1 目的
规范产品审核活动,确保产品审核能科学地评价产品的质量水平和是否符合技术规范与顾客的要求。
2适用范围
适用于对内部产品审核活动的管理和控制。
负责: 质量部
3术语和定义
3.1产品审核:
是对少量已生产完毕等待发运的产品进行检查,确定其是否与规定的技术规范、图样、包装、法规及顾客要求相符;其特点是始终以顾客和最终用户的眼光对产品的性能、尺寸和外观进行检查,涵盖图纸上所有尺寸项目,如果图纸上有气密性要求的可委托客户试装验证符合性。
同时也要对包装进行评价,包括小包装数量、标签是否与实物相符等。
3.2 关键缺陷(A类):
预见到会对人身造成危险的不安全的缺陷。
3.3 主要缺陷(B类):
非关键缺陷,预见到不会导致产生事故或影响可使用性,不能完全按照规定的用途使用。
3.4 次要缺陷(C类):
预见到按照规定的用途使用不会受到多大影响或者与适用的标准有偏差但对设备、装置使用与操作、运行仅有轻微影响的缺陷。
3.5 缺陷:
未能满足规定的要求。
4产品审核人员
4.1 产品审核员资格
1)良好的本企业产品知识;
2)ISO/TS16949体系内审员资格。
4.2 产品审核人员的组成要求
质量部在组织产品审核人员时应至少安排一名产品审核员和一名检验员,此产品审核员应与受审产品无直接责任。
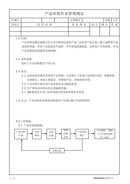
5产品审核管理要求
附件: 产品审核管理流程简图。
单件生产产品审核制度范本一、目的为确保单件生产产品符合客户需求、公司标准和法律法规,提高产品质量和企业信誉,特制定本审核制度。
本制度适用于公司所有单件生产产品的审核工作。
二、职责1. 生产部门:负责产品的生产、质量控制和资料整理。
2. 技术部门:负责产品的设计、工艺制定和技术指导。
3. 质量部门:负责对生产过程和成品进行质量监督、检验和审核。
4. 销售部门:负责收集客户需求、市场信息和反馈。
5. 管理层:负责对审核制度的执行情况进行监督和指导。
三、审核流程1. 生产前审核(1)生产部门根据销售部门提供的客户需求,结合技术部门的设计和工艺,制定生产计划。
(2)生产部门将生产计划、设计图纸、工艺文件等资料提交质量部门进行审核。
(3)质量部门对资料进行审核,确保产品符合客户需求、公司标准和法律法规。
审核通过后,生产部门方可开始生产。
2. 生产过程中审核(1)生产过程中,质量部门对生产过程进行现场监督,确保操作规范、质量可控。
(2)质量部门定期对生产设备、原材料、半成品进行检验,确保符合生产要求。
(3)生产部门应做好生产记录,包括生产日期、操作人员、设备参数等,以备审核。
3. 成品审核(1)成品完成后,生产部门将成品及相关资料提交质量部门进行审核。
(2)质量部门对成品进行检验,确保产品外观、性能、尺寸等符合设计要求。
(3)质量部门对生产记录进行审核,确保生产过程符合规定。
(4)审核通过后,生产部门方可将成品交付客户。
四、审核要求1. 生产资料要求(1)设计图纸、工艺文件应清晰、完整,便于操作和检验。
(2)原材料、辅助材料、包装材料等应符合国家和行业标准。
(3)生产设备应满足生产需求,保证产品质量。
2. 生产过程要求(1)操作人员应具备相应技能,熟悉生产工艺。
(2)生产过程应遵循工艺要求,确保产品质量。
(3)生产环境应满足安全生产、环保要求。
3. 成品要求(1)产品外观应美观、整洁,无明显缺陷。
(2)产品性能应满足设计要求,具备应有的功能。
产品质量审核规定一.审核目的通过对产品的客观评价,获得出厂产品的质量信息,以确定产品质量水平。
二.审核范围(1)本厂生产的产品以及外购、外协件;(2)质量不稳定、发生不合格可导致严重后果的产品或零部件;(3)质量要求严格、技术含量高的产品或零部件;(4)检验技术难度大的产品或零部件;(5)设计复杂、管理、技术、验证等环节和复杂的产品或零部件;(6)安全性要求高的产品或零部件。
三.审核作用(1)通过审核发现产品发现产品缺陷,不允许不合格品出厂。
(2)验证体系是否有效运行。
(3)寻找体系中潜在的质量问题,及时采取纠正和预防措施,提高产品质量水平。
(4)为开发新产品提供信息。
四.审核时机1.审核频次(1)大批量连续生产的产品,依其结构极其及技术程度,每周或每月进行;(2)批量生产的产品,按批进行;(3)成套产品逐台进行;(4)产品审核周期应明文规定。
2.审核的抽样时机(1)成品检验合格后,交付客户前抽样;(2)不能进行整机试运行的产品可在出厂前的装配、密封、包装及用户安装现场分阶段进行;(3)客户使用过程中。
五.审核程序长品质量的审核程序可参照体系内审程序进行,大致经历以下阶段:1.审核委托审核委托一般由总经理或授权的相关部门提出。
2.组成审核组3.编制审核计划4.编写审核文件(1)检查表;(2)产品缺陷指导书;产品缺陷分类指导书的要求:①格式要标准化、规范化,如表(11-1-1)指导书内容包括:a.适用的产品名称、型号、规格;b.自身的文件编号、生效日期、制定人员(编制、审核、审定)的签名及日期;c.审核项目的特性分组,如安全性、产品功能、外观质量、包装质量等;d.给出审核项目的编号、审核内容、缺陷等级,分类指导书的有效期要明确规定。
可比性要按产品质量水平变化趋势,做出相应的调整、修改。
②明确产品缺陷分类的依据:a.对产品功能特性的影响;b.外观和包装质量质量对市场的影响;c.对企业信誉和形象的影响;对效益和成本的影响。
产品审核实施规范(IATF16949-2016)1、检查测试条件在与受审产品有关的部门,对产品质量的测试条件进行检查。
检查内容包括:对测试产品的量具和仪器的校准情况进行检查,保证审核测试的正确性。
检查测试环境是否符合规定要求,检查测试人员的技能、资格。
2、抽样产品审核一般将样本容量定在3个-5个。
3、检查或试验按《产品审核评级指导书》的要求,对样品进行检查,包括功能测试、外观检查、包装检查。
将样品检查或试验中发现的不合格,按其严重程度分别记入“产品审核记录表”中。
4、审核结果的整理分析在召开审核总结会议前,审核组应对审核结果进行整理分析。
(1)产品审核不合格分析①若有A类不合格,则通知品管部不允许这批产品出厂(如果产品审核是针对仓库中的成品)。
若有B类不合格,则应视标准质量水平Us是如何规定的,若标准质量水平不允许有B类不合格,则应加倍抽样重新审核,如仍有B类不合格,则不允许这批产品出厂。
②计算质量水平U,在质量水平波动图上打点。
③计算质量指数I,通过对质量指数的分析,可以判断质量是上升了或是下降了。
④找出重要的、突出的质量不合格,如:B 级以上的质量不合格,多次重复出现的C 类不合格等。
⑤明确质量不合格出现频次高或不合格加权分值高的质量特性组。
(2)拟定准备在审核总结会议上提出的改进产品质量的建议改进的建议主要是针对A 级、B 级不合格。
只要质量水平U 值在控制界限内,应允许C 级、D 级不合格存在。
产品审核结果的数据处理产品审核不是判断产品合格与否,而是用质量不合格的加权分值判断产品质量产品。
因此,抽样审核后要依据审核记录作数据处理。
(1)计算质量水平;质量水平以审核样品平均单位产品质量不合格分来表征。
当给定加权分值系列为100、50、10、1这一权数系列时,其计算公式为: U= nD D D D D C B A +++1050100 式中:U----该次审核的质量水平;n----审核产品的样本数;DA 、DB 、DC 、DD----分别为审核中发现的A 、B 、C 、D 类不合格的个数。
浙江博弈科技有限公司产品审核管理办法产品质量审核管理规定1、目的通过对公司生产的成产品和零部件的审核,按照公司技术文件、图纸、规范、标准等相关规定,判定产品是否符合相关文件和顾客要求,找出缺陷,以便及时制定纠正预防措施和把质量进行持续改进,使之提高产品质量水平,降低成本和提高顾客满意度。
2、范围产品审核适用于公司内部所有产品或零部件的质量检测。
3、定义产品审核就是通过独立部门(品质部)对最近生产的成品/零部件进行随机抽查检验,判定是否与技术文件、图纸、规范、标准及顾客的特殊要求相符合的检验工作。
4、职责4.1 品质部每月底负责收集、整理外部质量信息投诉和内部发生的质量事故信息,并进行统计分析并根据统计记录编制下一季度的【产品审核计划表】。
4.2 品质部根据《月产品审核计划表》组织实施产品审核工作,并记录、评审,发放产品审核结果报告或《不合格项纠正(预防)措施计划表》到各相关部门。
4.3 各责任部门负责对产品审核的不合格项(缺陷)进行原因分析,制定纠正预防措施,并按措施计划组织实施,将制定的改进措施在要求完成时间内报品质部。
4.4 品质部负责对责任单位上报的改进措施的实施情况和有效性进行跟踪、验证。
验证结果不合格,责任单位必须重新分析问题的根本原因和制定改进措施。
4.5 品质部可以根据内、外部重大质量事故或公司领导指示,临时组织实施产品审核。
5、工作规定和内容5.1 产品审核事项的规定5.1.1 功能:根据顾客要求、标准、图纸中所规定的产品使用性能和指标参数。
5.1.2 外观:产品表面技术要求(如表面清洁、无划伤等)5.1.3 包装:包装箱的型号、标识、合格证等是否与包装物标准相符。
5.1.4 尺寸:根据顾客提供的图纸或公司技术文件中选择重要的装配(安装)尺寸。
5.2 产品审核缺陷分级规定5.2.1 严重缺陷/关键缺陷(用A表示):产品丧失功能或索赔。
5.2.2 重要缺陷/主要缺陷(用B表示):严重影响产品功能,会引起顾客的不满或抱怨的缺陷。
产品审核管理制度第一章总则第一条为规范公司产品审核管理行为,提高产品审核效率,保障产品审批的公正、严谨和规范,制定本制度。
第二条本制度适用于公司内部所有涉及产品审核的部门、人员和事项。
第三条产品审核是指对公司生产销售的产品进行检验、评估和认可的全过程。
第四条产品审核应当遵循公平、公正、透明、客观、公开的原则,并依法合规开展。
第五条产品审核管理应遵循风险防范、质量控制、效益最大化、科学决策和持续改进的原则。
第六条公司成立产品审核委员会,负责对重要产品审核进行最终决定。
第七条产品审核委员会由公司领导和相关专业人员组成,主要负责公司重要产品的审核和审批工作。
第二章产品审核的程序和要求第八条产品审核应当严格按照国家法律法规、行业标准和公司制度进行。
第九条产品审核应当慎重、科学、客观、公正进行,不得受到不正当因素的影响。
第十条产品审核应当充分保障产品的质量和安全,确保产品符合国家相关标准和规定。
第十一条产品审核应当充分调查研究,充分保障产品审核的全面性和准确性。
第十二条产品审核应当突出风险防范,防范各种可能发生的风险和危害。
第十三条产品审核应当做到严格按程序办事,确保审核决策的合法合规。
第十四条产品审核不得违背国家法律法规和公司规章制度,确保审核工作的合法性和合规性。
第十五条对于重要产品审核决策,公司成立审核委员会进行最终决定。
第十六条产品审核的结果应当及时通知相关部门和人员,确保审核结果的公开和透明。
第十七条产品审核应当充分考虑市场需求和客户反馈意见,最大限度满足市场需求。
第三章产品审核管理的机制和责任第十八条公司应当建立健全产品审核管理的机制,制定相关的产品审核管理制度和规范。
第十九条公司应当确定产品审核管理的责任部门和责任人员,确保审核工作的有序进行。
第二十条产品审核管理部门应当加强对审核人员的培训和指导,提高审核人员的审核水平。
第二十一条产品审核管理部门应当定期对审核工作进行检查和评估,确保审核工作的质量和效果。
产品审核程序及规定根据公司产品特性和风险和每年出现内部质量问题或外部客户抱怨的质量问题,2008年就上百起质量问题,不仅给企业造成经济损失而且会影响我公司的声誉。
我公司产品品种数量的较多,考虑质量的稳定性、顾客的要求,为监控系统反应质量出现异常波动,考虑追加内部产品审核等确定产品审核频次。
产品审核是对车间和仓库少量已生产完毕产品进行检查,内容是评价零件和整机是否与规定的技术规范、图样、标准、包装或器具、法规及客户的其他规定相符。
产品审核的特点是始终以客户和最终用户的眼光对产品的性能、尺寸和外观进行检查,按规定的频次在生产过程适当阶段进行产品审核,以验证是否符合所有的技术要求。
产品审核的流程:产品审核策划必须考虑以下内容:* 客户反馈的信息和要求* 三包维修的质量统计的质量问题* 生产过程的需要* 产品的重要性* 产品失效的严重度* 产品审核的频次应考虑的特殊要求* 产品审核可以按不同的特性分段进行,例如,如产品的性能检验与试验:长时间的试验。
*各个车间的半成品、成品、零部件和仓库外协外购件按质量信息统计情况制定审核计划,每月针对关键的质量问题和主要质量问题与相关责任车间进行抽样检验。
*一年一次策划对某一种产品进行一次整个过程的产品审核,从产品的投入下料到产品包装审核。
采用团队小组工作方式决定产品审核计划,并落实在质量管理的计划中。
产品审核准则按照技术规范、图样、包装或器具、法规及客户的其他规定相符。
产品审核的特点是始终以客户和最终用户的眼光对产品的性能、尺寸和外观进行检查。
产品审核的增加当出现下列情况时,应适当增加频次:(1)内部和外部的抱怨(2)产品质量的波动产品审核小组:组长:质管部副部长组员:负责相关产品的设计师,质管部的工程师、实验室的实验员、专业的技师、检验员。
审核准备1 审核小组的沟通:★审核应在最近的生产批中进行,这是为了能够了解最新生产过程的影响。
★产品审核的零件可直接从车间或仓库中也可以将准备交付给顾客的原包装中抽样,以便能同时对装箱质量、包装清洁与否进行评价。
产品审核规范CAL QT 8-2本规范规定了产品审核的目的、依据、计划、范围、频次、人员、缺陷分级和质量指数、目标值、未达标和缺陷处理措施、审核结果和报告、计划外审核以及审核流程等内容。
1 产品审核的目的产品审核的任务是从顾客的观点出发,按照检验流程来检验待发运的产品是否与技术文件,图纸、规范、标准、法规以及其它额定“质量特性”的要求相符。
目的是及时发现系统缺陷、重点缺陷以及较长期的质量趋势,以便对企业的产品质量状况有一个全面的了解。
2 产品审核的依据及参考资料2.1产品审核的依据为产品审核检查项目表。
该文件应规定包括标识、包装、外观、尺寸和性能等项目的常规检验特性,也可包括便于按要求进行的可靠性试验项目。
对于不便于进行的很费时的和破坏性的常规特性检验,可接受该批次产品的试验数据。
2.2产品审核的参考资料包括:——产品装配图——产品零件图——产品包装图——产品试验大纲——技术、检验规范——FMEA——最终检验作业指导书.——周期检验作业指导书——包装作业指导书1——标准——法规——产品缺陷分级表——极限标样——相关工艺文件 3 产品审核的计划、范围、频次和人员被审核产品、审核时间、审核人员、产品审核计划可包括:3.1审核目的、并根据审核频次计划列出被审核产品某年的审核次数和抽样来源及抽样容量,,其中抽样来源中的所抽产品批次应为抽样时即将发具体审核的日期(月份)原则上不应影运产品的后一个批次和刚入库的产品批次之间的较大数量批次,只(件)范围内。
另外审响发货;抽样容量可根据产品批次数量控制在4~20并要把样品恢复到抽样时的原核所抽取的样品若仍要使用则须进行标识管理,始状态。
当产品审核范围原则上包括所有入库待交货的产成品总成和零部件。
3.2如产品质量极不稳定时也可对入库的半成品或过程中的在序产品有特殊情况,进行计划外审核。
的大小及其它因素来确定。
(供货量)3.3产品审核频次应根据产品年产量审核频次可按某一产品的年计划产量占所有产品全年总的计划产量的百分数个频次等级,见下表:分为4431等级2产品产量比例百分数≥30% ≥20%~30% ≥10%~20% ≥1%~10% 每年/次1 每半年/次1 每季度/次1 每月/次1 审核频次.时,可延期到下一年,直至累积比例百分1%当产品产量比例百分数小于时进行产品审核。
供货商资格及产品审核规定1、首次经营企业是指购进医疗器械时,与本企业首次发生供需关系的医疗器械生产或经营企业。
2、首次经营品种是指本企业向某一医疗器械生产企业首次购进的医疗器械。
3、购进医疗器械应以质量为前提,对与本企业首次发生供需关系的供货企业应进行包括资格和质量保证能力的审核。
审核由采购人员会同质量管理人员共同进行,审核合格后,方可从首营企业进货。
如有必要,应当派员到供货者进行现场核查,对供货者质量管理情况进行评价。
发现供货方存在违法违规经营行为时,应当及时向企业所在地食品药品监督管理部门报告。
4、审核首营企业,应如实填写《医疗器械首营企业审批表》,按要求索取《医疗器械生产/经营许可证》和《营业执照》复印件等有关证明资料。
5、对与本企业进行业务联系的供货单位销售人员,进行合法资格验证,索取加盖供货单位原印章的标有委托项目和期限的法人委托书、身份证明等有效证件。
6、购进首营医疗器械应按规定填报《首营医疗器械审批表》,医械质量管理人员对首营品种进行合法性和质量基本情况审核,审核合格后方可经营。
并索取《医疗器械生产/经营许可证》、《营业执照》、《医疗器械产品注册证》或备案凭证复印件和产品的出厂检验报告。
7、首营品种合法性及质量情况的审核,包括审核医疗器械的生产许可证或备案凭证、注册证或备案凭证和产品质量标准以及包装、标签、说明书等是否符合规定。
了解医疗器械的性能、用途、储存条件等内容。
8、签订首次经营品种合同时,应明确质量条款内容,同时与供货单位签字质量保证协议。
9、购进产品应索取合法有效的医疗器械生产或经营许可证、营业执照、产品注册证或备案凭证、产品出厂检查报告书或合格证,进口医疗器械其产品的包装应有中文标签和说明书。
10、供货方必须提供加盖供货单位红印章的有关质量批件和规定资料。
产品审核管理规定产品审核管理规定1目的通过对产品进行产品质量及工艺审核是否符合规定的要求,来对质量保证的有效性进行评定,用产品质量来确认质量能力。
对产品是否与规定的技术要求或与顾客/供方的特殊协议相一致进行检查。
2范围本规定适用于广东空调有限公司所生产的各种家用空调器,包括从来料、生产、成品、到市场的各个环节的质量审核。
3术语和定义3.1产品审核:确定质量活动和有关结果是否符合计划的安排,以及这些安排是否有效地实施并适合于达到预定目标的、有系统的、独立的检查。
包括对检验细则的策划、实施、评定和记录存档。
3.2致命缺陷A:预见到会对人身造成危险和不安全的缺陷。
3.3严重缺陷B:非关键缺陷,预计会导致产生事故或影响可使用性,不能完全按照规定的用途使用。
3.4一般缺陷C:预计按照规定的用途使用不会受到多大影响,或与适用的标准有偏差,但对设备、装置的使用、操作、运行等有轻微影响的缺陷;3.5轻微缺陷D:指外观方面的不明显影响外观质量的缺陷,以及不影响性能指标的轻微形位偏差或工艺质量缺陷。
4职责4.1成品检验部负责产品审核计划的制订、审核小组的组建。
4.2成品检验部实验室负责审核计划的制定与实施。
4.3成品检验部产品质量控制科针对市场反馈质量问题严重的机型可追加审核。
4.4成品检验部过程质量控制科,成品检验科可针对生产过程中质量及工艺问题严重的机型追加审核。
4.5技术中心相关的开发部门负责技术资料的提供与技术变更的说明,并参与产品的评审。
4.6生产工艺部负责生产工艺资料的提供与工艺变更的说明,产品目前存在的缺陷,影响生产装配的问题,并参与产品的评审。
4.7原材料检验部负责审核前供方或物料变更说明。
4.8审核小组负责审核计划的执行及不合格项的跟踪验证。
4.9不符合项责任单位负责对不合格项制订纠正和预防措施并有效实施。
5工作程序5.1品质中心总监负责年度产品审核计划的最终批准,成品检验部部长负责每月产品审核计划的批准。
产品审核、过程审核标准一、供应商质量能力审核1 2 范围本标准规定了供应商质量能力审核评价方法及评级原则、审核要素、审核报告等内容。
本标准适用于中国一汽红旗品牌汽车零部件供应商质量能力审核,其它自主品牌整车公司汽车零部件供应商质量能力审核可参照执行。
审核要素对供应商质量能力审核分为以下三个要素:供应商管理;生产过程控制;顾客关怀、顾客满意度、服务。
3 评价方法及评级原则3.1 评价方法依据现场审核、资料查阅、双方沟通等确认的结果,按审核要素评价打分。
3.2 评级原则3.2.1 审核要素评分原则3.2.1.1 单项要素评分原则单项要素评分原则见表1。
表1 单项审核要素评分原则序号分数单项审核要素的符合程度1 2 3 4 5 108完全符合要求绝大部分*符合要求;小的偏差部分符合要求;大的偏差符合程度不足;严重偏差不符合要求64对“绝大部分”应理解是,有效的符合大于3/4的要求,没有特别的风险。
3.2.2.2 单项要素(E)审核符合率计算方法E审核要素的实得分E [%]=E×100% 该审核要素的满分3.2.2.3 审核要素的符合率供应商管理(E ),生产过程控制(E ),顾客关怀、顾客满意、服务(E )。
由于各个产品组具 Z PGK 有不同的工序,对于“生产过程控制”这个要素的评价必须将不同工序的评价结果汇总起来从而得到 E 。
要素供应商管理(E )和顾客关怀、顾客满意、服务(E )将各自得到评分。
PGZ K 3.2.2.4 生产过程控制审核要素的计算方法对每一道工序进行审核,根据产品组将各道工序的审核结果汇总起来,确保各个要素的同等重要 性。
因此,在“生产过程控制”这个大组中,对具体的产品组来说,由于工序是每一次审核时选定的, 故得到的符合率可能相同。
每个产品组的平均值E 的计算方法:PG E1+ E2+…+EnE [%]= PG ×100%已评价的工序数其中,E1和En 分别为各产品组生产的第一道工序和最后一道工序的单项要素(E )审核符合率。
1.目的为了更好的提高产品质量,对在制及交付产品进行独特的检验,使其更完美的达到客户要求的标准2.范围适合于本公司整个模具产品的制造过程。
3.职责3.1管理者代表负责任命有审核资格的产品审核员,以及年度审核计划和产品审核计划的批准。
3.2工程部是过程审核的主职部门,负责编制年度审核计划。
3.3 审核组长负责编制产品审核计划并组织实施产品审核和对措施计划的有效性进行验证。
3.4 其他相关部门负责配合审核活动,并对提出的不合格项进行整改。
4.名词解释无5.程序&流程5.1审核计划的制订5.1.1管理者代表组织工程处制订《审核计划》,确保各过程每年审核一次。
5.1.2年度审核计划的制定要考虑工序的重要性及其影响和以往审核的结果。
原则上产品审核的频度为每3个月进行一次。
每次审核范围不一定覆盖所有工序,但每半年必须能覆盖所有工序。
5.1.3根据具体情况需要(如发生重大变更或重大质量事故时),要进行计划外的临时审核。
计划外的审核由管理者代表临时组织。
5.2 审核前的准备5.2.1管理者代表指定审核组长,确定审核人员;5.2.1.1产品审核员必须由熟悉产品生产流程、掌握检测技术、了解顾客的要求和期望、具备实际生产经验、理解各种相关文件的质量或工程技术人员担任。
公司内部产品审核员的资格由管理者代表负责任命。
一般审核组由2-3名产品审核员组成。
5.2.2审核组长制订详细的流程,确定工作组织上的安排,并制订审核计划。
5.2.3审核组长根据审核实施计划组织内审员编制《产品审核检验计划/结果记录表》5.3 产品审核的内容:参照VDA6.5的审核要求。
5.4 实施审核5.4.1审核员按《产品审核提问表》对各生产过程进行审核,判断与要求的符合性。
5.4.2产品审核涉及部门(包括工段、班组)和人员必须积极配合,主动出示审核涉及的证据,并简要、如实地回答审核员的提问,不躲避、不推托、不强辩。
5.4.3审核员在《产品审核检验计划/结果记录表》中记录产品缺陷事实5.4.4审核员对产品审核的结果(包括不符合项),提交审核组长,由审核组长编制《产品审核报告》。
产品审核管理规定公司标准化编码 [QQX96QT-XQQB89Q8-NQQJ6Q8-MQM9N]1目的按照检验流程来检验待发运的产品是否与技术文件、图纸、规范、标准、法规以及顾客要求相符。
2 适用范围适用于公司待发货的产品。
3定义产品审核是对检验细则的策划、实施、评定和记录存档。
4 职责与权限4.1品质部负责制定检验计划、规程以及整理产品审核报告。
测量并提交产品尺寸报告及分零件材质报告。
4.2工程部负责提供图纸、技术规范、识别产品性能试验、包装规范及特殊特性清单并提供产品性能试验报告。
5程序编制产品审核计划品质部编制《产品审核计划》,将生产的产品按顾客分类集中审核,各顾客的产品一年至少审核一次。
当顾客对产品抱怨明显增多或产品出现严重质量问题时,可进行临时性的计划外的产品审核。
审核组成员应由一定资格的审核员组成,成员可包括工程技术人员、质量管理人员和检验人员等。
产品审核计划由管理者代表审批。
根据《产品审核计划》安排,进行审核,填写《产品审核检查表》。
审核准备产品审核依据:顾客图纸或技术质量协议审核内容:产品的性能、尺寸、包装、外观和标识。
产品审核按本文件要求进行。
组织审核员准备好《产品审核检查表表》,掌握产品审核评级,同时考虑检查时所用的量检具检测方法、环境、试验等,包括前次产品审核的不合格项。
实施产品审核审核员按审核计划的时间安排从成品库抽取3件成品,依据产品审核计划与相关文件进行审核。
产品检验由审核员进行。
审核员把审核结果记录在《产品审核检查表表》上,对样品的缺陷严重度进行分级,并计算缺陷点数。
用缺陷等级系数来计算缺陷点数缺陷点数的总和(FP)=∑(缺陷数*缺陷等级系数)缺陷分类A:可能导致失效的缺陷,肯定会导致顾客的抱怨或索赔;B:会影响后续加工的缺陷,有可能会导致顾客的抱怨;C:很有可能不会导致任何故障的没有技术要求的缺陷,顾客不会提出申诉(不属于A、B的缺陷,如产品标识不清晰、外包装标识错误等)。
产品审核程序及规定
根据公司产品特性和风险和每年出现内部质量问题或外部客户抱怨的质量问题,2008年就上百起质量问题,不仅给企业造成经济损失而且会影响我公司的声誉。
我公司产品品种数量的较多,考虑质量的稳定性、顾客的要求,为监控系统反应质量出现异常波动,考虑追加内部产品审核等确定产品审核频次。
产品审核是对车间和仓库少量已生产完毕产品进行检查,内容是评价零件和整机是否与规定的技术规范、图样、标准、包装或器具、法规及客户的其他规定相符。
产品审核的特点是始终以客户和最终用户的眼光对产品的性能、尺寸和外观进行检查,按规定的频次在生产过程适当阶段进行产品审核,以验证是否符合所有的技术要求。
产品审核的流程:
产品审核策划必须考虑以下内容:
* 客户反馈的信息和要求
* 三包维修的质量统计的质量问题
* 生产过程的需要
* 产品的重要性
* 产品失效的严重度
* 产品审核的频次应考虑的特殊要求
* 产品审核可以按不同的特性分段进行,例如,如产品的性能检验与试验:长时间的试验。
*各个车间的半成品、成品、零部件和仓库外协外购件按质量信息统计情况制定审核计划,每月针对关键的质量问题和主要质量问题与相关责任车间进行抽样检验。
*一年一次策划对某一种产品进行一次整个过程的产品审核,从产品的投入下料到产品包装审核。
采用团队小组工作方式决定产品审核计划,并落实在质量管理的计划中。
产品审核准则按照技术规范、图样、包装或器具、法规及客户的其他规定相符。
产品审核的特点是始终以客户和最终用户的眼光对产品的性能、尺寸和外观进行检查。
产品审核的增加
当出现下列情况时,应适当增加频次:
(1)内部和外部的抱怨
(2)产品质量的波动
产品审核小组:
组长:质管部副部长
组员:负责相关产品的设计师,质管部的工程师、实验室的实验员、专业的技师、检验员。
审核准备
1 审核小组的沟通:
★审核应在最近的生产批中进行,这是为了能够了解最新生产过程的影响。
★产品审核的零件可直接从车间或仓库中也可以将准备交付给顾客的原包装中抽样,以便能同时对装箱质量、包装清洁与否进行评价。
★检测结果进行统计并做分析,在确定了与规定的要求不符时,必须采取有效的整改措施。
2.审核小组的准备:
(1)抽样样本大小与样本批次
(2)检测设备与仪器等的准备
☆在产品审核中将缺陷理解为未能满足规定要求的项目数值。
☆为了对各个项目和缺陷进行公平的评价,必须对这些缺陷加权和分类,便于之后计算质量指数(QKZ)。
☆为了公平的评价QKZ,将被审核项目分为关键缺陷、主要缺陷和次要缺陷,并予以相应的加权。
缺陷被划分为不同的类别,对这些缺陷的评价是根据它们造成的后果来进行的。
关键缺陷(A类):预见到会对人身造成危险和不安全的缺陷。
主要缺陷(B类):非关键缺陷,预计会导致产生事故或影响可使用性,不能完全按照规定的用途使用。
次要缺陷(C类):预计按照规定的用途使用不会受到多大影响,或者与适用的标准偏差但对设备、装置的使用与操作、运行仅有轻微影响的缺陷。
缺陷加权:对每个命名的缺陷类别都规定了加权系数,这里应根据零件的用途来规定加权系数。
在对缺陷加权时必须将顾客的抱怨程度考虑在内。
对这三类缺陷规定了不同的缺陷加权系数:
关键缺陷(A类)加权系数 10
主要缺陷(B类)加权系数 5
次要缺陷(C类)加权系数 1
质量指数QKZ的计算
质量指数QKZ的计算公式为:
所有项目缺陷分数之和
QKZ=(1- ) ×100%
所有项目加权的抽样数之和
其中:
□每个产品的所有项目缺陷分数之和=
A类缺陷个数×10 + B类缺陷个数×5 + C类缺陷个数×1
□每个产品的所有项目加权的抽样数之和=
A类项目总数×10 + B类项目总数×5 + C类项目总数×1
产品审核的实施
第1步:审核小组成员按审核产品计划要求到指定车间或仓库审核产品,并随机抽取审核所需数量的样件。
审核过程中作好记录。
第2步:审核小组成员按技术要求、图纸、检验规程的要求和检验指导书的要求检验产品的尺寸、性能和外观。
第3步:记录审核结果。
产品审核报告的编制(参见附表)产品审核报告的数据来自如下三方面:◆标识的审核
◆周期性试验项目(审核前已按周期性的计划完成)
◆尺寸、功能和外观的检验分析与评价审核结果,对不符合项采取有效措施,措施计划应纳入审核报告中。
审核报告的内容为:
◆审核报告单(见附表);◆如果存在,纠正措施计划
根据产品审核结果制订纠正措施
对审核中发现的不符合项,执行《纠正和预防措施控制程序》,采取措施的程度取决于缺陷的严重程度。
●主要缺陷,立即封存所有涉及的产品,分析原因并消除缺陷和成因。
●次要缺陷,根据缺陷的影响,对产品进行特殊的放行。
用书面的形式,确定纠正措施完成的期限,并予以监控和验证。