CGM高强无收缩灌浆料
- 格式:doc
- 大小:168.00 KB
- 文档页数:21
CGM高强无收缩灌浆料是一种水泥基微膨胀的二次灌浆材料,具有流动性好、微膨胀、早强高强和抗油渗等特点,产品保证在灌浆时能够充分填充灌注空间,并具有一定的微膨胀应力以保证设备安装定位、结构补强或栽筋锚固等在一天内甚至更短时间内满足需求,大大缩短了施工周期,达到省时、省工、早运转或早承载的技术经济效果。
*产品用途:1.适用于机器底座、地脚螺栓等设备以及钢结构(钢轨、钢架、钢柱等)与基础固定连的二次灌浆。
2.建筑物的梁、板、柱、基础、地坪和路、桥的补强、抢修、加固。
3.可进行地脚螺栓和钢筋的锚固及结构补强。
4.地铁、隧道、地下室等工程逆打法施工缝的嵌固*技术特点:1.早强 1—3天抗压强度可达到30—50Mpa以上,设备安装完毕24小时后即可运行生;。
2.高强最终强度可以满足各类设备安装及修补加固的需求;28天终期强度在70Mpa左右3.高流态可天成全部空隙,满足设备及修补、加固的二次灌浆要求,无需震捣;4.微膨胀灌浆后无收缩,保证设备与基础之间的紧密接触,与钢筋的握裹力不低于6Mpa5.耐久性本品属于无机胶结材料,使用寿命大于基础混凝土的使用寿命,经上百次疲劳试验,50万次冻融循环试验无明显变化;6.抗油性在机油中浸泡28天强度明显提高。
7.耐高温栽筋后允许对钢筋进行高温切割和焊接作业;8.冬季施工允许在-10℃气温下进行室外施工。
* 参考用量参考用量计算以2.28—2.4吨/立方米的依据,计算实际使用量。
* 施工步骤1. 准备搅拌机具、灌浆设备、模板及养护物品,清理灌浆空间并提前将混凝土表面润湿。
2. 支设模板并用水泥(砂)浆、塑料胶带封堵模板连接处以确保不漏水、漏浆。
3. 将灌浆料重量的12-15%加水量加水搅拌(机械搅拌2-3分钟,人工搅拌5分钟以上)。
4. 搅拌均匀的灌浆料从一个方向灌入灌浆部位。
必要时可借助竹条或钢钎导流,可适当振捣或轻轻敲打模板。
5. 施工完毕后应立即喷洒养护剂或覆盖塑料薄膜并加盖草帘或棉被阴湿养护3-7天。
CGM高强无收缩灌浆料CGM灌浆料是以高强度材料为骨料,以水泥作为结合剂,辅以高流态、微膨胀、防离析等物质,经一定工艺加工而成的干混砂浆。
在现场使用时只需添加规定量的水搅拌均匀即可施工,简便、快捷。
中冶建筑研究总院(上海)有限公司CGM系列灌浆料产品已经注册了“CGM”商标,十几年来,CGM系列灌浆料已成功应用于多项大型重点工程项目。
灌浆料强度以立方体抗压标准值划分,抗压强度是指灌浆料的强度等级。
抗压强度是灌浆料质量的主要指标之一。
CGM灌浆料抗压强度以MPa符表示,从其强度表达式不难看出,高强无收缩灌浆料抗压强度与灌浆料用水泥的强度成正比,按公式计算,当水灰比相等时,高标号水泥比低标号水泥配制出的灌浆料抗压强度高许多。
一般来说,水灰比与灌浆料强度成反比,水灰比不变时,用增加水泥用量来提高灌浆料强度是错误的,此时只能增大灌浆料和易性,增大灌浆料的收缩和变形。
影响灌浆料抗压强度的主要因素是水泥强度和水灰比。
控制好灌浆料质量最重要的是控制好水泥和灌浆料的水灰比两个主要环节。
此外,影响灌浆料强度还有其它不可忽视的因素。
粗骨料对灌浆料强度也有一定影响,所以,工程开工时,首先由技术负责人现场确定粗骨料,当石质强度相等时,碎石表面比卵石表面粗糙,它与水泥砂浆的粘结性比卵石强,当水灰比相等或配合比相同时两种材料配制的灌浆料,碎石的灌浆料强度比卵石强。
因此我们一般对灌浆料的粗骨料粒径控制与不同的工程部位相适应;细骨料品种对灌浆料强度影响程度比粗骨料小,但砂的质量对灌浆料质量也有一定的影响,施工中,严格控制砂的含泥量在3%以内,因此,砂石质量必须符合混凝土各标号用砂石质量标准的要求。
由于施工现场砂石质量变化相对较大,因此现场施工人员必须保证砂石的质量要求,并根据现场砂石含水率及时调整水灰比,以保证灌浆料配合比,不能把实验配比与施工配比混为一谈。
同时,灌浆料质量又与外加剂的种类、掺入量、掺入方式有密切的关系,它也是影响灌浆料强度的重要因素之一。
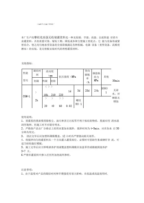
订购电话"8"8 “50•卢经理攀枝花=强无收 ■灌浆料多少 钱 订购电话"82-8 -■ 卢经理 攀枝花CGM 高强无《|缩灌 «料哪里买本厂生产的攀枝花高强无收缩灌浆料是一种无收缩、早强、高强、自流性能 好的专业灌浆料。
具有质量可靠,缩短工期、降低成本和方便施工的优点,它 能与设备形成紧密结合,使之均匀地承受设备的全部荷载满足各种机械,电器 设备(重型设备,高精度磨床)的安装,是无垫板安装时代的理想灌浆材料。
使用说明:1、 需灌浆的基面要清除粉尘、油污和其它污垢等不利于粘结的物质,基面应用 清水湿润至饱和,但施工时不应留有明水。
2、 严格按产品出厂合格证上的用水量加水搅拌,搅拌时间为4-5min 。
应在加水 后30分钟内用完。
3、 浇注完毕后应加塑料薄膜覆盖,12小时内严禁挠动相关部件。
4、 将搅拌均匀的灌浆料从一个方向灌入灌浆部位。
必要时可借助竹条或钢钎导 流,可适当轻轻敲打模板。
5、 施工完毕后应立即喷洒养护剂或覆盖塑料薄膜并加盖草帘或棉被阴湿养护3-7 天。
6严禁在灌浆料中掺入任何外加剂或外掺料。
注意事项:1、由于温度对产品的凝结时间和早期强度有很大影响,在低温或高温使用时,实验指标:30min无泌水,对钢筋无锈蚀请用户预以说明,由我中心技术人员通过试验加以调整,以满足工程要求。
无法恢复流动性的浆料切忌不可再次加水混合搅拌再用。
2、如有特殊需要,我公司将根据您的要求对产品性能指标予以调整。
技术特点:早强, 高强, 大流动度(自流), 无收缩,抗油渗1、早强、高强:一天强度最高可达30MPa以上,设备安装完毕一天后即可运行生产。
2、自流态:现场只需加水搅拌后,直接灌入设备基础,不需震捣便可填充设备基础的全部空隙。
3、微膨胀:以保证设备与基础之间紧密接触。
4、无锈蚀作用:对钢筋、钢板等无锈蚀危害。
5、抗油渗:在机油中浸泡30 天后其强度比浸油前提高1%以上。
cgm无收缩灌浆料施工工艺CGM灌浆材料是一种水泥基灌浆材料,由高强度材料作为骨料,水泥作为粘合剂,并辅以高流动性,微膨胀,抗偏析和其他物质。
可以在施工现场添加一定量的水并均匀混合后使用。
CGM灌浆材料具有自流性好,硬化快,早期强度高,强度高,无收缩,微膨胀的特点。
无毒,无害,不老化,对水质及周围环境无污染,自密性好,防锈等特点。
在结构上,具有质量可靠,成本降低,施工周期短,使用方便的优点。
从根本上改变设备底座的力量,使其可以均匀地承受设备的全部负荷,从而满足各种机电设备(重型设备高精度磨床)的安装要求。
它是无垫安装时代的理想灌浆材料。
同德CGM灌浆材料主要用于:地脚螺栓锚固,简易机场维修,核电设备固定,路桥工程加固,机座,钢结构及地基开口,设备基础二次灌浆,埋地钢筋,混凝土结构的加固和改造,旧混凝土结构的裂缝处理,机电设备的安装,轨道和钢结构的安装,静态桩工程中的桩密封,墙体结构的加厚和漏水的修复,各种基础的沉降从事灌浆和各种紧急维修项目。
施工过程:1.基本治疗清洁设备基础的表面应无碎屑,浮渣,灰尘,油和脱模剂。
注浆前24h,设备基础表面应充分润湿。
灌浆前Ih,应吸收积水。
2 .确定灌浆方法根据设备框架的实际情况,选择相应的灌浆方法。
您可以使用〃自重灌浆〃,〃高位漏斗灌浆〃或〃压力灌浆〃进行灌浆,以确保泥浆可以完全填满各个角落。
3 .支持根据确定的灌浆方法和灌浆施工图支持模板。
模板的定位高度至少应比设备底座的上表面高50mm o模板必须紧紧支撑,以防松动和漏浆。
4 ,灌浆混合加水并根据灌浆重量的12%-14%进行搅拌。
水温应为5-40o C o机械搅拌时间一般为1・2分钟;当使用手动搅拌时,建议添加水量的2/3并搅拌2分钟,然后添加剩余的水量并继续搅拌直至均匀。
5,灌浆(1)。
泥浆应从一侧倒入,直到另一侧溢出为止,以利于设备底座和混凝土基础之间的空气排出,以使灌浆充分,并且不允许在四个侧面进行灌浆。
高强无收缩灌浆料是以高强度材料作为骨料,以水泥作为结合剂,以高流态、微膨胀、防离析等物质配制而成。
该产品具有具有质量可靠,降低成本,缩短工期和使用方便等优点。
地脚螺栓成孔时,基础混凝土强度不得小于20MPa,螺栓孔的水平偏差不得大于5mm,垂直度偏差不得大于5°,螺栓孔壁应粗糙。
灌浆料多种浇注方式,可采用高位自流、机械泵送和高压注浆等,确保灌浆料浇筑施工后不离析、不泌水、不沉降。
目前水泥基灌浆材料主要用于地脚螺栓锚固、设备基础的二次灌浆;当应用于加大截面积法混凝土结构加固时,由于该材料具有自密实、强度高、微膨胀等特性。
解决现场配制混凝土质量不易控制、强度等级低、震捣困难等缺陷,因而很受施工单位的欢迎;应用于预应力孔道灌浆工程中,能够密实充填孔道。
成孔后,应除去孔内杂物、检测孔的深度,并用水充分湿润孔壁。
灌浆前应清除孔内积水,灌浆施工不易直接灌入时,宜采用流槽辅助施工。
灌浆料适用于机器底座、地脚螺栓等设备基础灌浆及钢结构(钢轨、钢架、钢柱等)与基础固定连接的二次灌浆。
提高对预应力筋的保护能力和预应力筋与孔道的粘结力。
根据十几年应用水泥基灌浆材料工程经验,本条给出了水泥基灌浆材料的适用范围。
将拌合好的CGM灌浆料灌入螺栓孔中,灌浆过程中严禁震捣,必要时可轻微插捣。
灌浆结束后不得调整螺栓。
灌浆料可进行地铁、隧道、地下等工程逆打法施工缝的嵌固,可用于建筑物的梁、板、地坪和道路的补强、抢修和加固;铁路轨道、吊车粱等灌浆填充施工。
由于工程情况各不相同,对灌浆材料的要求也不尽一样,因此必须根据工程具体条件,如施工温度、使用温度、灌浆层厚度、设计强度等,选择合适的灌浆材料。
设备基础表面进行凿毛处理,清扫设备基础表面,不得有碎石、浮浆、浮灰、油污和脱模剂等杂物。
灌浆前24 小时,设备基础表面应充分湿润。
清扫设备基础表面,不得有碎石、浮浆、灰尘、油污和脱模剂等杂物。
灌浆前24h,设备基础表面应充分湿润。
灌浆前1h,应吸干积水。
CGM 型高强无收缩灌浆料作业指导书( High strength Non –Shrinkage Grouting Material )一、总则1、为了正确使用 CGM 高强无收缩灌浆料,确保工程质量,提高工效和加快进度,特制定本作业指导书。
2 、CGM 料的施工不仅应符合本施工技术方法的规定,尚应符合现行《混凝土结构工程施工质量验收规范》( GB50204 )、《混凝土结构设计规范》( GBJ10 )、《混凝土结构加固技术规范》( CECS25 )及《水泥基灌浆材料施工技术规程》( YB/T9261 — 98 )中的有关规定。
二、名词、术语1、CGM 料,是以高强度材料作为骨料,以水泥作为胶凝剂,辅以高流态、微膨胀、防离析等物质配制而成。
在施工现场加入一定量的水,搅拌均匀后即可使用。
2 、自重法,是以 CGM 料施工中,利用该材料流动性好的特点,在灌浆范围内自由流动,满足灌浆要求的方法。
3 、高位漏斗法,是在 CGM 料施工中,仅靠其流动性不能满足要求时,利用提高灌浆的位能差,满足灌浆要求的方法。
4 、压力灌浆法,是在 CGM 料施工中,采用灌浆增压设备,满足灌浆要求的方法。
三、 CGM 灌浆料的适用范围1、CGM 灌浆料适用范围(见表 1 )CGM 灌浆料适用范围表 1型号适用范围最低施工温度(℃)CGM — 1P(普通型)地脚螺栓锚固、栽埋钢筋,灌浆层厚度 30mm <δ< 150mm 的设备基础二次灌浆。
有抗油要求的设备基础二次灌浆。
5CGM — 1J(加固型)灌浆层厚度≥ 150mm 的设备基础二次灌浆。
建筑物的梁、板、柱、基础和地坪的补强加固(修补厚度≥40mm )。
有抗油要求的设备基础二次灌浆。
5CGM — 2P(普通型)灌浆层厚度 30mm <δ< 150mm 的设备基础二次灌浆。
-10CGM — 2J(加固型)灌浆层厚度≥ 150mm 的设备基础二次灌浆。
建筑物的梁、板、柱、基础和地坪的补强加固(修补厚度≥40mm )。
CGM强无收缩灌浆料施工方法
1.准备工作:首先,需要对待施工的结构进行检查和评估,确保结构的完整性和稳定性。
然后,清理和修补结构上的裂缝、破损和松动部位,确保表面光洁、无尘、无油等。
2.灌浆料配制:按照CGM强无收缩灌浆料的配比要求,将灌浆料的粉末和液体按照一定比例混合,搅拌均匀成糊状。
3.预备设备:准备好施工所需的设备和工具,如灌浆泵、搅拌机、灌浆管等。
确保设备的干净和使用状态良好。
4.灌浆施工:使用灌浆泵将预制好的CGM强无收缩灌浆料从一侧或多侧注入待灌浆的结构孔洞或裂缝中,确保灌浆料充盈整个空间且无气泡。
灌浆过程中,应根据需要控制流量和压力,以确保灌浆料的充实度和均匀性。
5.养护:灌浆完成后,对施工部位进行养护。
通常在施工后,对灌浆料进行湿润养护,以防止过快的脱水和收缩。
根据CGM强无收缩灌浆料的要求,养护时间一般为24小时以上,具体时间根据气温和湿度等条件而定。
总之,在进行CGM强无收缩灌浆料的施工时,需要充分了解材料的特性和施工要求。
合理的施工方法和严格的质量控制是确保施工质量和效果的关键。
此外,施工过程中还需要注意安全和卫生,以确保施工人员和环境的安全。
CGM-300高强无收缩灌浆料产品说明书北京中德新亚建筑技术有限公司CGM-300高强无收缩灌浆料CGM-300高强无收缩灌浆料是一种由高标号水泥、高强骨料、膨胀剂等高科技材料复合而成专业用于混凝土构件加固、设备基础灌浆等用处的高新科技复合材料。
一、产品特点1、早强、高强、设备安装完毕一天即可运行生产;2、高流态、不泌水、防锈蚀;3、复合膨胀双重效应,精确定位;4、按正确的灌浆施工工艺能达到90%的有效承载面(EBA)。
二、应用范围设备基础及钢结构柱脚底板二次灌浆。
地脚螺栓锚固灌浆。
钢结构柱及混凝土柱杯口灌浆。
混凝土结构改造和加固。
后张预应力混凝土结构孔道灌浆。
防爆抗震构筑物、重型机械基础。
三、产品性能项目性能指标流动度,mm初始值≥29030min ≥260抗压强度,MPa1d ≥20 3d ≥40 28d ≥60竖向膨胀率,%3h 0.1~3.524h与3h膨胀值之差0.02~0.5泌水率,% 0对钢筋有无腐蚀作用无四、施工工艺1、施工准备施工现场质量管理应有相应的施工技术标准、健全的质量管理体系、施工质量控制和质量监测制度。
灌浆前应有施工组织设计或施工技巧方案,并经审查批准。
灌浆前应准备搅拌机具、灌浆设备、模板及养护物品。
模板支护除应符合现行国家标准GB50204-2002《混凝土结构工程施工质量验收规范》中的有关规定外,尚应符合下列规定:二次灌浆时,模板与设备底座四周的水平距离宜控制在100mm左右,模板顶部标高不应低于设备底座上表面50mm;混凝土结构改造加固时,模板支护应留有足够的灌浆孔及排气孔,灌浆孔的孔径不小于50mm,间距不超过1000mm,灌浆孔与排气孔应高于孔洞最高点50mm。
2、拌合水泥基灌浆材料的拌合,应按照产品要求的用水量加水。
水泥基灌浆材料宜采用机械拌合。
拌合时宜先加入全部用水量的2/3拌合3分钟,然后加入剩余的1/3水量拌合直至均匀。
若厂家对产品有具体的拌合要求,应按其要求进行拌合。
cgm高强无收缩灌浆料规格
CGM高强无收缩灌浆料是一种高性能的建筑材料,它具有优异的物理性能和化学性能,可以用于各种建筑工程中的灌浆、修补和加固等工作。
该灌浆料的规格包括以下几个方面:
1. 外观:CGM高强无收缩灌浆料的外观为灰白色粉末状,无明显颗粒和杂质。
2. 抗压强度:该灌浆料的抗压强度为50MPa以上,可以满足各种建筑工程的要求。
3. 收缩率:CGM高强无收缩灌浆料的收缩率小于0.1%,可以有效避免灌浆后出现裂缝和变形等问题。
4. 流动性:该灌浆料的流动性好,可以在狭窄的空间中灌浆,填充空隙和裂缝。
5. 施工性能:CGM高强无收缩灌浆料的施工性能好,可以手工或机械灌浆,快速固化,节省施工时间。
6. 包装规格:该灌浆料的包装规格为25kg/袋或50kg/袋,方便运输
和储存。
总的来说,CGM高强无收缩灌浆料是一种高性能的建筑材料,具有优异的物理性能和化学性能,可以广泛应用于各种建筑工程中的灌浆、修补和加固等工作。
其规格包括外观、抗压强度、收缩率、流动性、施工性能和包装规格等方面,可以根据具体的工程要求进行选择和使用。
CGM高强无收缩灌浆料的施工方法CGM高强无收缩灌浆料是以高强度材料作为骨料,以水泥作为结合剂,辅以高流态、微膨胀、防离析等物质配制而成,在施工现场加入一定的水,搅拌均匀后即可使用。
本人在抚顺石化公司石油二厂150万吨/年重油催化装置主风机二次灌浆中使用过,认为效果很好,鉴于建筑施工企业在选择材料时往往受到设计约束,仍会有很多人未曾接触、使用过,因此想通过此文介绍给出大家。
1.CGM高强无收缩灌浆料的主要特点有1)早强、高强:一天强度最高可达50Mpa以上,设备安装后一天即可运行生产,会大大提前工期,使之发挥经济效益。
2)自流态:现场只需加水搅拌后,直接灌入设备基础预留螺栓孔内、需较大面积灌浆设备下,不需振捣便可填充设备基础的全部空间,只要有高低差,有缝隙就会产生自然流动。
3)微膨胀:为保证设备与基础紧密接触,特加入微膨胀材料,使之无收缩。
4)抗油渗:在机油中浸泡30天后其强度比浸油前提高10%以上。
5)耐久性:200万次疲劳试验,50次冻融循环试验强度无明显变化。
6)施工方便:CGM灌浆料施工一般不需添置贵重设备,无高级技术工作,只要普通工人经过简单培训、技术交底即可施工。
2. CGM高强无收缩灌浆料分三种施工方法。
1)自重法是在CGM高强无收缩灌浆料施工中利用该材料流动性好的特点,在灌浆范围内自由流动,满足灌浆要求的方法。
是最常用的方法。
2)高位漏斗法是在CGM高强无收缩灌浆料施工中,仅靠CGM高强无收缩料的流动性不能满足要求时,利用提高灌浆的位能差,满足灌浆要求的方法。
3)压力灌浆法是在CGM高强无收缩灌浆料施工中采用灌浆增压设备满足灌浆要求的方法。
一般情况下采用自重法、高位漏斗法均能满足施工要求。
3. CGM高强无收缩灌浆料在施工中,应符合现行《混凝土结构工程施工质量验收规范》(GB50204--2002);《混凝土结构设计规范》(GB50010--2002)中有关的规定。
CGM高强无收缩灌浆料的适用温度为-100℃~600 ℃。
高强无收缩灌浆料产品使用说明1、早强、高强、设备安装完毕一天即可运行生产2、高流态、不泌水、防锈蚀3、复合膨胀双重效应,精确定位4、按正确的灌浆施工工艺能达到90%的有效承载面(EBA)✍✍*表示坍落度数值,**表示坍落扩展度数值;✍✍可根据工程需要选择相应特性的CGM高强无收缩灌浆料系列产品;✍✍防冻型抗压强度是在-10℃测的;✍✍防腐型适用于沿海港口、盐田、盐渍侵蚀严重地区的设备基础,钢结构柱脚基础的二次灌浆。
满足JC/T1011-2006《混凝土抗硫酸盐类侵蚀防腐剂》,GB/T18736-2002《高强高性能混凝土用矿物外加剂》等标准。
✍✍以上数据在标准实验室控制条件下测的;✍✍单位用量:约2200kg~2400kg/ m3;一:用于冬期施工的CGM高强无收缩灌浆料应符合表一和表二规定。
用于冬期施工时的CGM防冻型高强无收缩灌浆料性能指标(表二)注:1、R-7表示负温养护7天的试件抗压强度值与标准养护28天的试件抗压强度值的比值;2、R-7+28、R-7+56分别表示负温养护7天转标准养护28天和负温养护7天转标准养护56天的试件抗压强度值与标准养护28天的试件抗压强度值的比值。
3、施工时最低温度可比规定温度低5℃。
1、施工准备1)施工现场质量管理应有相应的施工技术标准、健全的质量管理体系、施工质量控制和质量检验制度。
灌浆前应有施工组织设计或施工技术方案,并经审查批准。
2)灌浆施工前应准备搅拌机具、灌浆设备、模板及养护物品。
3)模板支护除应符合现行国家标准《混凝土结构工程施工质量验收规范GB50204中的有关规定外,尚应符合下列规定:4)二次灌浆时,模板与设备底座四周的水平距离宜控制在100mm左右;模板顶部标高应不低于设备底座上表面50mm;5)混凝土结构改造加固时,模板支护应留有足够的灌浆孔及排气孔,灌浆孔的孔径不小于50mm,间距不超过1000mm,灌浆孔与排气孔应高于孔洞最高点50mm。
CGM-4高强无收缩灌浆料产品特点:1、早强、高强1天抗压强度≥20Mpa;3天抗压强度≥30Mpa;28天抗压强度≥55Mpa。
2、微膨胀性保证设备与基础之间紧密接触,二次灌浆后无收缩。
3、自流性高可填充全部空隙,满足设备二次灌浆的要求4、抗离析克服了现场使用中因加水量偏多所导致的离析现象。
5、抗开裂现场使用中因加水量不确定、环境温度不确定以及养护条件限制等因素裂纹现象。
6、耐久性强经上百万次疲劳试验50次冻融循环实验强度无明显变化。
在机油中浸泡30天后强度明显提高。
7、可冬季施工允许在-10℃气温下进行室外施工。
产品用途:1、用于设备基础二次灌浆。
2、用于地脚螺栓锚固及钢筋栽埋。
3、用于混凝土结构加固和修补。
技术参数:产品选择1、灌浆层厚度δ≥150mm时,选用C GM-1或C GM-2;2、灌浆层厚度30mm<δ<150mm时,选用C GM-1或C GM-2 ;3、灌浆层厚度δ≤30mm时,选用C GM-1或C GM-3型;4、路面快速抢修,选用C GM-4型。
施工前的准备1、机器搅拌:混凝土搅抖机或砂浆搅抖机;2、人工搅拌:搅拌槽及铁铲若干;3、水桶若干;4、台秤若干;5、流槽;6、高位漏斗、灌浆管及管接头;7、灌浆助推器;8、模板(钢模、木模);9、草袋、岩棉被等;10、棉纱、胶带;灌浆施工第一步:基础处理基础表面应进行凿毛处理。
清洁基础表面,不得有碎石、浮浆、浮灰、油污和脱模剂等杂物。
灌浆前24小时,基础表面应充分湿润,灌浆前1小时,清除积水。
第二步:支摸1、按灌浆施工图支设模板。
模板与基础、模板与模板间的接缝处用水泥浆、胶带等封缝,达到整体模板不漏水的程度。
2、模板与设备底座四周的水平距离应控制在100mm左右,以利于灌浆施工。
第三步:灌浆料配制1、一般地,按通用加固型按13-14%的标准加水搅拌,豆石加固型按9-10%的标准加水搅拌。
2、推荐采用机械搅拌方式,搅拌时间一般为1-2分钟(严禁用手电钻式搅拌器)。
CGM高强无收缩灌浆料CGM高强无收缩灌浆料产品是依托中国建材研究总院的高新技术,应用优质硅酸盐水泥熟料作为结合剂,特选高强度石英砂材料为骨料,辅以高流态,微膨胀,防离析等现代新材料研制开发配制而成。
该产品具有具有质量可靠,降低成本,缩短工期和使用方便等优点。
从根本上改变设备底座受力情况,使之均匀地承受设备的全部荷载,从而满足各种机械,电器设备(重型设备高精度磨床)的安装要求,是无垫安装时代的理想灌浆材料。
在各种设备安装和工程抢修、加固施工中,应用本产品能显著加快工程进度,提高工程质量。
浇灌后数小时可行人、通车,24小时达到设计使用强度,即可安装和运行设备,提前投产或恢复生产。
本产品主要技术性能达到同类产品技术标准具有第三方检测证明。
符合GB/T50448-2008《水泥基灌浆材料应用技术规范》Ⅲ类标准技术指标。
灌浆料各型号强度对照表:CGM-1(通用型):1天强度25-50Mp,3天45-55Mp,28天65-75MpCGM-2(豆石型):1天强度25-50Mp,3天45-55Mp,28天65-75MpCGM-3(超细型):1天强度15-30Mp,3天27-45Mp,28天55-65MpCGM-4(早强型):1天强度40-45Mp,3天≥45Mp,28天≥55-65Mp产品特点1.高强、早强:1—3天抗压强度可达30—50Mpa以上。
2.自流性高:可填充全部空隙,满足设备二次灌浆的要求。
3.微膨胀性:保证设备与基础之间紧密接触,二次灌浆后无收缩。
4.耐久性强:经上百次疲劳实验,50次冻融循环实验强度无明显变化。
在机油中浸泡30天后强度明显提高。
5.可冬季施工:允许在-10C气温进行室外施工。
产品用途1、设备基础二次灌浆及钢结构底板二次灌浆。
2、地脚螺栓锚固、结构件锚固二次灌浆。
3、桥梁、道路伸缩缝灌浆修补。
4、建筑加固、梁、柱截面加大等结构改造与加固施工。
5、电杆、防撞护栏、围墙、栏杆等设施的抢修与固定灌浆。
CGM高强无收缩灌浆料的性能研究摘要:CGM(磨料轻集料)是一种常用于混凝土修补的材料,然而其制备过程中常常存在收缩问题,影响了其力学性能。
本文旨在研究CGM高强无收缩灌浆料的性能,通过添加特定材料调配出无收缩的CGM灌浆料。
通过实验研究比较不同配比的灌浆料的力学性能,确定最佳配比比例。
1.引言CGM是一种磨料轻集料,具有高强度、耐磨性好等特点,常被用于混凝土修补中。
然而,由于其制备过程中的水化反应,常常出现收缩现象,影响了其力学性能。
因此,研究CGM高强无收缩灌浆料的性能对于提高其应用价值具有重要意义。
2.实验设备及方法2.1实验设备本实验所用设备主要有电子天平、压力机、试验模具等。
2.2实验方法首先,选取一种特定材料作为无收缩剂,根据不同配比将其添加到CGM中。
然后,对不同配比的灌浆料进行搅拌,直至其均匀。
之后,将搅拌好的灌浆料倒入试验模具中,进行压实。
最后,将灌浆体取出,进行力学性能测试。
3.结果与分析通过实验研究,我们得到了不同配比的CGM灌浆料样本,并进行了力学性能测试。
结果显示,添加了无收缩剂的灌浆料相较于未添加的样本具有更高的强度和更好的耐久性。
而且,随着无收缩剂的添加比例的增加,灌浆料的力学性能逐渐提高。
4.结论通过本次研究,我们成功研制出了高强无收缩的CGM灌浆料。
在实验中,我们添加了一种特定材料作为无收缩剂,通过调整剂料的配比,使CGM灌浆料达到了无收缩的效果。
在力学性能测试中,添加了无收缩剂的灌浆料相较于未添加的样本具有更高的强度和更好的耐久性。
5.局限性与展望本研究中只选取了一种特定材料作为无收缩剂进行研究,未涉及其他无收缩剂的研究。
在未来的研究中,可以考虑添加其他材料,进行更加广泛的无收缩剂研究。
此外,可以进一步研究无收缩灌浆料的施工工艺及应用效果,为其在混凝土修补工程中的应用提供更多支持。
[1]张三,李四.CGM高强无收缩灌浆料的性能研究[J].工程科技,2024[2]王五,赵六.CGM灌浆料的制备及性能研究[J].施工技术,2024。
CGM高强无收缩灌浆料技术应用…………………………………朱磊民族文化宫大修抗震改造工程中,在混凝土梁板加固、栽埋钢筋以及原有结构上的空洞修补等方面,广泛采用了CGM高强无收缩灌浆料,取得了良好的加固效果。
一、CGM灌浆料的组成和性能CGM以高强度的材料为骨料,辅以防沉降、防离析、高流态、微膨胀等物质组成。
材料性能见表1。
CGM高强无收缩灌浆料性能指标表1二、灌浆料的特点1.早强、高强:一天后的强度最高可达50MPa以上,可早日投入使用,加快施工进度。
2.自流态、免振捣:现场只需要加水搅拌,可直接灌入孔洞,不需振捣就可填充空隙。
3.无收缩、微膨胀:保证空隙之间填充密实。
4.抗油渗、耐久性好:无机材料与混凝土紧密结合为一体,耐高、低温。
5.施工速度快、经济效益好:同传统的细石混凝土和环氧砂浆相比,造价低,便于施工,加快施工进度。
三、施工工艺(一)栽埋钢筋施工工艺流程为:1、在钻孔位置剔凿保护层。
2、按设计图纸要求在施工面划定钻孔准确位置。
3、钻孔的孔径及深度见表2。
表2埋设深度:圆钢≥15d,螺纹钢≥12d。
4、清孔:除去孔洞内粉尘、积水,并检测孔的深度,然后作临时封闭。
锚固前,用水充分湿润孔壁,灌浆前清除积水。
5、钢筋处理:清除钢筋表面铁锈和污物,表面氧化铁皮必须清除干净,露出金属光泽,可采用机械或酸洗等方法。
6、灌浆料的配制:现场使用时,可按随货提供的产品合格证上的推荐用水量,人工或机械搅拌均匀即可,搅拌时间1~2min。
搅拌地点应尽量靠近施工地点,距离不宜过长。
每次搅拌量以60min内用完为准,严禁掺加任何外加剂、外掺料等。
7、灌浆:将灌浆料倒入锚孔内,水平孔内可采用注胶枪向孔内注浆,再把钢筋插入孔内,并调整和固定好位置。
灌浆过程中如发现表面有泌水现象,可布撒CGM灌浆干料,以吸干水份。
在灌浆过程中应尽可能利用其自然态,严禁振捣。
8、养护:锚筋完毕1~2h后,立即浇水养护,保持湿润,养护不少于3d后方可打弯。
CGM高强无收缩灌浆料一、产品特点1.高强、早强:1—3天抗压强度可达30—50Mpa以上,设备安装完毕一天后即可运行。
高流态、不泌水、防锈蚀。
2.自流性高:可填充全部空隙,满足设备二次灌浆的要求。
现场只需加水搅拌,直接灌入设备基础,砂浆自流,施工免振。
确保无振动、长距离的灌浆施工。
3.微膨胀性:保证设备与基础之间紧密接触,二次灌浆后无收缩。
4.灌浆料有效承载面积:确保灌浆料与设备底板、钢柱脚板、超大钢板的接触面积在95%以上。
5.耐久性强:经200万次疲劳实验,50次冻融循环实验强度无明显变化。
6.抗油渗性:在机油中浸泡30天后其强度比浸油前提高10%以上。
7.耐热性:在高炉基础、渣道墙、冲渣沟等部位600℃以下的高温环境中长期使用;8.可冬季施工,耐候性好:允许在-10℃气温进行室外施工。
9.低碱腐蚀:严格控制原料的碱含量,适用于对碱有抑制要求的工程。
10.多种浇注方式,可采用高位自流、机械泵送和高压注浆等,确保灌浆料浇筑施工后不离析、不泌水、不沉降;11.按正确的灌浆施工工艺能达到90%的有效承载面(EBA)12复合膨胀双重效应,精确定位。
二、产品性能指标CGM高强无收缩灌浆料主要性能指标(表一)产品型号CGM-380 CGM-340 CGM-300 CGM-270流动度(mm) 初始值≥380 ≥340 ≥300 ≥270* ≥650**30min保留值≥340 ≥310 ≥260 ≥240* ≥550**竖向膨胀率 (%)3h 0.1~3.524h与3h的膨胀值之差0.02~0.5产品特性标准型超早强防冻型防腐型钢纤维耐热型超高强抗压强度(MPa) 2h ≥20.01d ≥20.0 ≥30.0 ≥10.0 ≥≥20.0 ≥30.0 ≥30.020.03d ≥40.0 ≥40.0 ≥15.0≥40.0≥40.0 ≥50.0 ≥50.028d ≥60.0 ≥60.0 ≥60.0≥60.0≥60.0 ≥80.0 ≥80.0对钢筋有无锈蚀作用无泌水率 (%) 0●*表示坍落度数值,**表示坍落扩展度数值;●可根据工程需要选择相应特性的CGM高强无收缩灌浆料系列产品;●防冻型抗压强度是在-10℃测的;●防腐型适用于沿海港口、盐田、盐渍侵蚀严重地区的设备基础,钢结构柱脚基础的二次灌浆。
CGM强无收缩灌浆料施工方法CGM强无收缩灌浆料是一种应用广泛的施工材料,常用于填充混凝土裂缝、修复混凝土病害、加固土层等工程中。
它具有无收缩、高强度、耐久性好等特点,在各种工程领域都能起到良好的效果。
下面将介绍CGM强无收缩灌浆料的施工方法。
一、施工前的准备1.检查施工材料的质量和数量,并验收合格。
2.清理施工位置,确保表面平整、无污浊物、水洞等障碍物。
3.需要进行荷载试验的地方应提前测定,并根据试验结果确定灌浆料的配比。
4.准备好所需的施工工具和设备,例如搅拌机、喷涂枪、输送泵等。
二、施工流程1.清洁和润湿:使用高压水洗清施工位置,确保基层表面干净。
然后使用水泥浆涂刷基面,使其湿润。
2.实施切割:针对需要填充的裂缝或破损部位,使用切割机进行切割,使其呈V形。
3.进行浆料喷涂:根据需要进行浆料的喷涂。
可以使用灌浆泵将浆料输送至喷涂枪,均匀地喷涂在需要修复的地方。
4.固化:等待喷涂后的浆料固化,根据浆料的固化时间来决定实际等待时间。
在等待固化时,应保持施工位置的湿润状态,以促进固化过程。
5.地面硬化:如果施工位置是地面,可以使用环氧树脂或其他的防腐涂料进行覆盖,以提高地面的硬化性能。
6.后续处理:随着灌浆料的固化,可以进行喷涂砂浆或其他修补材料的施工,以进一步提高修复效果和整体的美观性。
三、施工注意事项1.注意施工环境温度,不要在温度过高或过低的情况下施工,以免影响灌浆料的固化效果。
2.施工时应注意保持施工位置的湿润状态,以便灌浆料的固化。
3.施工过程中需注意用水洗净工具,防止残留物附着影响下次使用。
4.施工结束后应注意整理施工现场,保持环境整洁。
以上就是CGM强无收缩灌浆料施工方法的详细介绍。
通过正确的施工方法,可以确保灌浆料的应用效果和使用寿命,为工程的安全和可靠性提供保障。
在实际施工中,还应根据具体情况进行合理调整和处理,以达到最佳的修复效果。
CGM高强无收缩灌浆料是一种水泥基微膨胀的二次灌浆材料,具有流动性好、微膨胀、早强高强和抗油渗等特点,产品保证在灌浆时能够充分填充灌注空间,并具有一定的微膨胀应力以保证设备安装定位、结构补强或栽筋锚固等在一天内甚至更短时间内满足需求,大大缩短了施工周期,达到省时、省工、早运转或早承载的技术经济效果。
*产品用途:1.适用于机器底座、地脚螺栓等设备以及钢结构(钢轨、钢架、钢柱等)与基础固定连的二次灌浆。
2.建筑物的梁、板、柱、基础、地坪和路、桥的补强、抢修、加固。
3.可进行地脚螺栓和钢筋的锚固及结构补强。
4.地铁、隧道、地下室等工程逆打法施工缝的嵌固*技术特点:1.早强1—3天抗压强度可达到30—50Mpa以上,设备安装完毕24小时后即可运行生;。
2.高强最终强度可以满足各类设备安装及修补加固的需求;28天终期强度在70Mpa左右3.高流态可天成全部空隙,满足设备及修补、加固的二次灌浆要求,无需震捣;4.微膨胀灌浆后无收缩,保证设备与基础之间的紧密接触,与钢筋的握裹力不低于6Mpa5.耐久性本品属于无机胶结材料,使用寿命大于基础混凝土的使用寿命,经上百次疲劳试验,50万次冻融循环试验无明显变化;6.抗油性在机油中浸泡28天强度明显提高。
7.耐高温栽筋后允许对钢筋进行高温切割和焊接作业;8.冬季施工允许在-10℃气温下进行室外施工。
* 参考用量参考用量计算以2.28—2.4吨/立方米的依据,计算实际使用量。
* 施工步骤1. 准备搅拌机具、灌浆设备、模板及养护物品,清理灌浆空间并提前将混凝土表面润湿。
2. 支设模板并用水泥(砂)浆、塑料胶带封堵模板连接处以确保不漏水、漏浆。
3. 将灌浆料重量的12-15%加水量加水搅拌(机械搅拌2-3分钟,人工搅拌5分钟以上)。
4. 搅拌均匀的灌浆料从一个方向灌入灌浆部位。
必要时可借助竹条或钢钎导流,可适当振捣或轻轻敲打模板。
5. 施工完毕后应立即喷洒养护剂或覆盖塑料薄膜并加盖草帘或棉被阴湿养护3-7天。
6. 使用温度为-10℃至40℃。
严禁在灌浆料中掺入任何外加剂或外掺料。
* 包装贮运1. 灌浆料为50kg袋装,存放在通风干燥处并防止阳光直射。
2. 保质期为3个月,超出保质期应复检合一、概述增大截面加固技术,也称为外包混凝土加固技术,它是增大构件的截面和配筋,用以提高构件的强度、刚度、稳定性,也可用来修补裂缝等,这种加固技术适用范围较广,可加固板、梁、柱、基础和屋架等。
根据构件的受力特点和加固目的的要求、构件几何尺寸、施工方便等可设计为单侧、双侧或三侧的加固,四侧包套的加固。
根据不同的加固目的和要求,此技术又可分为加大断面为主的加固,和加配筋为主的加固,或者两者兼备的加固。
加大截面为主的加固,为了保证补加混凝土正常工作,亦需适当配置构造钢筋。
加配筋为主的加固,为了保证配筋的正常工作,需按钢筋的间距和保护层等构造要求适当增大截面尺寸。
加固中应将钢筋加以焊接,作好新旧混凝土的结合。
二、加固技术要求1.增大截面加固技术适用于钢筋混凝土受弯和受压构件的加固。
2.采用此技术时,按现场检测结果确定的原构件混凝土强度等级不应低于C103.当被加固的构件界面处理及其粘结质量符合规范要求时,可按整体截面计算4.采用增大截面加固钢筋混凝土结构构件时,其正截面承载力应按现行国家标准《混凝土结构设计规范》GB50010的基本假定进行计算。
三、加固施工工艺1.原有构件混凝土表面处理:把构件表面的抹灰层铲除,对混凝土表面存在的缺陷清理至密实部位,并将表面凿毛,要求打成麻坑或沟槽。
2.荷载3.植入新增的钢筋4.支模板5.浇筑灌浆料6.养护四、施工要点1.为了加强新旧混凝土的结合,构件表面应凿毛,要求打成麻坑或沟槽,沟槽深度不宜小于6mm,间距不宜大于箍筋的间距或200mm。
同时应除去浮块,并清理原构件混凝土存在的缺陷至密实部位。
2.当采用三面或四面外包方法加固梁或柱时,应将梁、柱的棱角敲掉,同时应除去、尘土。
3.原有混凝土表面应冲洗干净,浇筑混凝土前,原混凝土表面应以水泥浆等界面剂进行处理,以加强新、旧混凝土的结合。
4.在受力钢筋试焊前应采取卸荷或支顶措施,并应逐根分区分段进行焊接,以减少原受力钢筋的热变形,使原结构的承载力不致遭受较大影响。
5.增大截面加固法施工保证浇筑的质量,达到混凝土密实度要求,加强养护产品特点☆早强高强浇后1-3天强度高达30Mpa以上,缩短工期。
☆自流态现场只需加水搅拌,直接灌入设备基础,砂浆自流,施工免振,确保无振动、长距离的灌浆施工。
☆微膨胀浇注体长期使用无收缩,保证设备与基础紧密接触,基础与基础之间无收缩,并适当的膨胀压应力确保设备长期安全运行。
☆抗油渗在机油中浸泡30天后其强度提高10%以上,成型体、密实、抗渗、适应机座油污环保。
☆耐久性200万次疲劳试验,50次冻融环境试验强度无明显变化。
☆耐侯性好-40℃~600℃长期安全使用☆低碱耐蚀严格控制原材料碱含量,适用于碱-集料反应有抑制要求的工程。
二、使用方法1.基础处理清扫设备基础表面,不得有碎石、浮浆、灰尘、油污和脱模剂等杂物。
灌浆前24h,设备基础表面应充分湿润。
灌浆前1h,应吸干积水。
2.确定灌浆方式根据设备机座的实际情况,选择相应的灌浆方式,由于CGM具有很好的流动性能,一般情况下,用"自重法灌浆"即可,即将浆料直接自模板口灌入,完全依靠浆料自重自行流平并填充整个灌注空间;若灌注面积很大、结构特别复杂或空间很小而距离很远时,可采用"高位漏斗法灌浆"或"压力法灌浆"进行灌浆,以确保浆料能充分填充各个角落。
3.支模根据确定的灌浆方式和灌浆施工图支设模板,模板定位标高应高出设备底座上表面至少50mm,模板必须支设严密、稳固,以防松动、漏浆。
4.灌浆料的搅拌按产品合格证上推荐的水料(50kg)比确定加水量(3-4公斤),拌和用水应采用饮用水,水温以5~40℃为宜,可采用机械或人工搅拌。
采用机械搅拌时,搅拌时间一般为1~2分钟。
采用人工搅拌时,宜先加入2/3的用水量搅拌2分钟,其后加入剩余用水量继续搅拌至均匀,标准稠度加水量为12%-14%。
5.灌浆灌浆施工时应符合下列要求:(1).浆料应从一侧灌入,直至另一侧溢出为止,以利于排出设备机座与混凝土基础之间的空气,使灌浆充实,不得从四侧同时进行灌浆。
(2).灌浆开始后,必须连续进行,不能间断,并应尽可能缩短灌浆时间。
(3).在灌浆过程中不宜振捣,必要时可用竹板条等进行拉动导流。
(4).每次灌浆层厚度不宜超过100mm。
(5).较长设备或轨道基础的灌浆,应采用分段施工。
每段长度以10m为宜。
(6).灌浆过程中如发现表面有泌水现象,可布撒少量CGM干料,吸干水份。
(7)对灌浆层厚度大于1000mm大体积的设备基础灌浆时,可在搅拌灌浆料时按总量比1:1加入0.5mm石子,但需经试验确定其可灌性是否能达到要求。
(8).设备基础灌浆完毕后,要剔除的部分应在灌浆层终凝前进行处理。
(9).在灌浆施工过程中直至脱模前,应避免灌浆层受到振动和碰撞,以免损坏未结硬的灌浆层。
(10)模板与设备底座的水平距离应控制在100mm左右,以利于灌浆施工。
(11)灌浆中如出现跑浆现象,应及时处理。
(12)当设备基础灌浆量较大时,应采用机械搅拌方式,以保证灌浆施工。
6、养护(1)灌浆完毕后30分钟内,应立即喷洒养护剂或覆盖塑料薄膜并加盖岩棉被等进行养护,或在灌浆层终凝后立即洒水保湿养护。
(2)冬季施工时,养护措施还应符合现行《钢筋混凝土工程施工验收规范》(GB50204)的有关规定。
(3)在不同温度条件下的养护时间和拆模时间表日最低气温(℃)拆模时间(h)养护时间(d)-10~0 96 140~5 72 105~15 48 7≥15 24 7CGM灌浆料产品介绍一、CGM 灌浆料产品介绍:"科宇"牌灌浆以特种水泥作为结合剂,特选高强度材料为骨料,辅以高流态,微膨胀,防离析等物质配制而成。
该产品具有自流性好,快硬、早强、高强、无收缩、微膨胀;无毒、无害、不老化、对水质及周围环境无污染,自密性好、防锈等特点。
在施工方面具有质量可靠,降低成本,缩短工期和使用方便等优点。
从根本上改变设备底座受力情况,使之均匀地承受设备的全部荷载,从而满足各种机械,电器设备(重型设备高精度磨床)的安装要求,是无垫安装时代的理想灌浆材料。
二、适用范围:三、CGM 灌浆料常规物理性质:执行标准:QB/JH86-2005工艺流程:表面清理→补配钢筋→支模→湿润混凝土表面→灌浆料配制→灌浆→养护→脱模。
高强无收缩灌浆料施工技术方法第一章总则1.0.1 为使灌浆料在工程设计、施工和使用中达到技术先进,安全适用,经济合理,确保质量,特制定本施工方法。
1.0.2 本施工方法适用于灌浆料的检验与验收、灌浆工程的设计应用、施工质量控制与工程验收。
1.0.3 在应用灌浆料的工程中,除应满足本施工方法的规定外,尚应符合《混凝土结构设计规范》(GB50010),《混凝土结构工程施工质量验收规范》(GB50204) ,《建筑工程冬期施工规程》(JGJ104)及《混凝土结构加固技术规范》(CECS25)等有关现行标准规范的规定。
1.0.4 对有特殊设计要求和在特殊环境下使用的灌浆料,尚应符合有关现行国家标准规范的规定。
第二章名词、术语2.0.1 CGM灌浆料Grout灌浆料是一种由胶凝材料、集料(或不含集料)、外加剂和矿物掺合料等原材料,经工厂化生产而成的具有合理级分的干混料。
加水拌和均匀后具有可灌注的流动性、微膨胀、不离析、不泌水、有效承载面高等性能。
2.0.2 二次灌浆Grouting二次灌浆是指在地脚螺栓锚固灌浆完毕后,对设备或钢结构柱脚的底板底面与混凝土基础表面之间的填充性灌浆工艺,以满足紧密接触底板并均匀传递荷载的要求。
2.0.3 自重法灌浆Self-gravitation Method Grouting自重法灌浆是指灌浆料在施工过程中,利用其良好的流动性,依靠自身重力自行流动满足灌浆要求的方法。
2.0.4 高位漏斗法灌浆High-place Funnel Method Grouting.高位漏斗法灌浆是指灌浆料在施工过程中,当其自行流动不能满足灌浆要求时,利用高位漏斗提高位能差,满足灌浆要求的方法。
2.0.5 压力法灌浆Pressured Method Grouting压力法灌浆是指灌浆料在施工过程中,采用灌浆增压设备,满足灌浆要求的方法。
2.0.6 有效承载面Effective Bearing Area有效承载面是指设备或钢结构柱脚底板下面灌浆材料实际接触底板并可传递受压荷载的面积与设备或钢结构柱脚的底板总面积之比,以百分数表示。