应急救援队员量化管理考评细则
- 格式:doc
- 大小:53.50 KB
- 文档页数:11
应急救援安全质量标准化考核实施细则范文第一章总则为了加强应急救援工作的安全质量标准化管理,提高应急救援工作的水平和效果,确保人民群众生命财产安全,制定本细则。
第一条本细则适用于国家、地方和企事业单位的应急救援工作。
第二条应急救援安全质量标准化考核的目的是评价应急救援工作的安全质量水平,发现问题并提出改进措施,促进应急救援工作的规范化、科学化和可持续发展。
第三条应急救援安全质量标准化考核的原则是公开、公正、公正、公正,实施有效、客观、公正、公开的考核。
第二章考核主体第四条应急管理部门是应急救援安全质量标准化考核的主体,负责组织和实施考核工作。
第五条考核工作应当建立健全考核机制,明确考核目标、内容和程序,并制定相应的考核指标。
第六条考核组织机构应当由具有应急救援经验和专业知识的人员组成,负责组织和实施考核工作。
第七条考核工作应当注重倾听群众意见,加强与公众的沟通与互动,听取公众的意见和建议,充分发挥公众的监督作用。
第三章考核内容第八条考核内容包括应急救援工作的组织管理、队伍建设、装备装备、演练训练、信息化建设、应急预案编制和应急救援工作的效果等方面。
第九条考核指标应当根据应急救援工作的特点和要求制定,具体包括应急救援工作的规范化、专业化、科学化、标准化水平等。
第十条考核指标应当具有可操作性和可测量性,在制定的同时,应当考虑各种情况的应对能力和绩效评价,确保评价的全面性和准确性。
第四章考核程序第十一条考核程序包括考核准备、考核实施、考核结果评定和考核报告撰写等环节。
第十二条考核准备阶段,考核组织机构应当制定考核实施方案,明确考核目标和内容,并确定考核指标和评分标准。
第十三条考核实施阶段,考核组织机构应当按照考核方案和评分标准,组织实施考核工作,收集、整理和分析相关数据和信息。
第十四条考核结果评定阶段,考核组织机构应当按照考核指标和评分标准,评定考核结果,并形成评价报告。
第十五条考核报告撰写阶段,考核组织机构应当撰写考核报告,并将考核结果向相关单位进行通报。
分宜县应急救援队员量化管理考评细则第一章总则第一条为了加强和完善合同制应急救援队员(以下简称队员)队伍的管理,激励队员士气,增强队员素质,提高队伍战斗力,确保各项任务圆满完成。
根据《中华人民共和国劳动法》和消防部队有关管理规定,结分宜县《分宜县应急救援队伍管理规定》(以下简称《规定》),特制定本细则。
第二条合同制应急救援队员必须遵守国家的宪法和法律,遵守部队的条令条例和各项规章制度,忠于职守,刻苦训练,踏实工作,积极参加扑救火灾和抢险救援等任务。
第三条对合同制应急救援队员管理实施量化加、扣分制,由大队采取每月、年终两级考评方式。
量化考核实行计分制,分月度、年度考核两种方式。
月度考评基准分为50分,每月的绩效工资为400元。
年度考核基准分均为100分,全年的奖励工资为1600元。
月度绩效工资依据月度量化考评得分发放.全年的奖励工资依据年度考评得分发放。
年度考核分组成:日常的量化考评分占年度考评总分的50%,民主测评占10%、理论考核占10%、体能测试占10%、实际操作能力考核占20%。
计算公式:¥(月、年度奖金)=A、F(月、年度考评得分数)×J(每分折换奖金值).月度每分折换奖金值为8元、年度每分折换奖金值为16元。
年度考评分计算公式:F(年度考评得分数)= A(月度考评总分)/300×50%+B(民主测评)×10%+C(理论考核)×10%+D (体能测试)×10%+E(实际操作能力考核)×20%.第四条涉及队员奖惩的量化考评,应尊重客观事实,坚持实事求是,以《规定》和本细则奖惩条款为依据。
奖惩要依据事实、对照标准、全面衡量、恰如其分、慎重实施.第五条奖惩的加、扣分,结合《规定》和本细则的奖励处分要求,遵循“及时公正、就高不低、适量勿滥"的原则,做到公平、公开、公正。
第六条各单位要成立队员量化考评工作领导小组,经常检查督促本细则的执行情况,严格遵守和维护本细则规定。
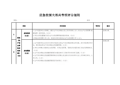
2024年应急救援安全质量标准化考核实施细则一、应急救援机构、设施和制度建立应急救援指挥机构和工作机构,配备专职人员;明确应急机构及其岗位职责建立健全应急管理制度。
____项不符合要求扣____分。
二、应急救援队伍按照《煤矿安全规程》、《矿山救援规程》等规定建立矿山救护队,配备必需的物资、装备、器材,实行军事化管理和训练。
不具备建立矿山救护队条件的煤矿,应组建兼职应急救援队伍,并与就近的矿山救护队签订救护协议。
____项不符合要求扣____分。
三、应急救援管理按照《生产安全事故应急预案管理办法》和《生产经营单位安全生产事故应急预案编制导则》的规定编制安全生产事故应急预案,并按规定组织实施。
无应急救援预案扣____分,其他____项不符合要求扣____分。
四、应急培训和演练1、制定年度应急宣传教育工作计划和年度应急培训计划,普及生产安全事故预防和应急救援基本知识。
无计划扣____分,其他____项不符合要求扣____分。
2、按规定编制应急演练规划、计划和方案,组织演练,并形成完整的档案资料。
缺____项扣____分,内容不完整,扣____分。
五、应急救援保障配置应急救援必需的物资、装备、人员、经费等,并建立相应的保障措施。
____项不符合要求扣____分。
六、资料和档案管理文件和资料及时发放至有关部门,档案管理安全规范。
1处不符合要求扣____分。
2024年应急救援安全质量标准化考核实施细则(二)第一章总则第一条为了提高应急救援安全质量标准化管理水平,确保应急救援行动的有效性和安全性,制定本实施细则。
第二条本实施细则适用于全国范围内的应急救援机构、团队以及参与应急救援工作的单位。
第三条应急救援安全质量标准化考核的目的是通过对应急救援机构、团队的绩效评估,促使其健全完善内部管理体系,提高工作效率和质量,提升应急救援能力。
第四条应急救援安全质量标准化考核的依据主要包括相关法律法规、行业标准、工作规程、技术规范等。
应急救援安全质量标准化考核实施细则范本应急救援是一项关系到人民生命财产安全的重要工作,为保障救援工作的顺利进行,必须加强标准化考核的实施。
下面是应急救援安全质量标准化考核实施细则范本:一、考核目的应急救援安全质量标准化考核的目的是评估救援队伍的综合能力水平,发现存在的问题和薄弱环节,为改进和提升救援工作提供依据。
二、考核范围1. 应急救援队伍基本情况:包括组织机构、人员编制、装备设施等情况;2. 救援人员技能:包括队伍的熟练度、技术水平、装备使用能力等;3. 救援行动准备:包括预案制定、应急演练、装备维护等;4. 救援行动执行:包括应急响应、现场处置、人员疏散等;5. 救援行动评估:包括救援效果、人员伤亡情况等。
三、考核内容1. 组织机构及人员编制:考核应急救援队伍的组织架构是否合理,人员编制是否到位;2. 装备设施考核:考核队伍的设备和装备是否满足救援需要,是否处于良好工作状态;3. 技能培训与考核:考核救援队伍的技术培训和考核情况,是否达到专业水平;4. 预案制定与演练:考核队伍的应急预案是否完善,演练是否定期进行;5. 应急响应与处置能力:考核救援队伍的应急响应时间、处置效率、沟通协作能力等;6. 现场救援行动:考核队伍在实际救援行动中的指挥能力、救援技巧、安全保障等;7. 救援效果评估:考核救援行动的效果,包括救援成功率、人员伤亡情况、群众满意度等。
四、考核方法1. 实地考察:随机选择救援队伍的一个或多个基地进行现场考察,全面了解其组织机构、人员编制、装备设施等情况;2. 面试访谈:与救援队伍的负责人或核心人员进行面对面的访谈,了解其应急响应准备情况、技能水平等;3. 考核演练:组织模拟应急救援演练,根据实际情况评估救援队伍的应急响应、指挥管理、技能操作等能力;4. 考核报告:根据考核结果,编写考核报告,明确问题和改进措施。
五、考核评分根据各项考核内容的重要程度和评估结果,给予相应的评分,评分标准由考核机构制定并告知考核对象。
应急救援安全质量标准化考核实施细则以下是应急救援安全质量标准化考核实施细则的一个范例,具体细则可根据实际情况进行调整和修改。
1. 考核主体考核主体由应急救援管理部门组织,包括应急救援人员、设备、物资等相关单位。
2. 考核内容(1) 组织与管理:- 应急预案的编制与修订情况;- 应急组织机构设立和人员配备情况;- 应急演练的开展情况;- 应急指挥体系的建设与运行情况;- 应急救援队伍的训练和储备情况。
(2) 设备设施:- 应急救援装备的配备与维护情况;- 通信设备的可靠性与功能使用情况;- 气体、液体和固体防护装备的使用情况;- 车辆、器具等物资的完好程度和使用情况。
(3) 应急救援过程与效果:- 对各类应急事件的响应速度与准确率;- 救援过程中的协作配合情况;- 救援效果评估与反馈情况;- 救援过程中的风险控制与安全保障情况。
(4) 安全质量管理体系:- 安全管理制度的落实情况;- 安全培训与教育的开展情况;- 应急救援工作中的安全措施和风险防控情况;- 安全事故的处理与汇报情况。
3. 考核方式(1) 文件资料审查:组织应急救援单位提供相关文件和资料,如应急预案、救援记录、培训资料等,对其进行审核和评估。
(2) 现场考核与实际操作:组织考核人员对应急救援单位进行实地考察,观察其实际操作过程,并对其进行评估。
(3) 问题调查与解决:针对考核中发现的问题,进行详细调查,并要求应急救援单位提出整改措施和时间表,落实相应的改进措施。
(4) 考核结果分析与通报:根据考核结果,对应急救援单位进行整体评价,并将评估结果向相关单位通报。
4. 考核周期考核周期一般为一年,根据实际情况可以调整为半年或季度进行一次考核。
5. 考核结果与奖惩机制(1) 优秀单位奖励:对考核结果优秀的应急救援单位,予以表彰和奖励,激励其在安全质量标准化工作中的进一步表现。
(2) 不合格单位处罚:对考核结果不合格的应急救援单位,责令其进行整改,并根据情节轻重,进行相应的处罚和警告。
2024年应急救援安全质量标准化考核实施细则一、应急救援体系建设成立专门的应急救援指挥部门及日常工作机构,并确保配备必要数量的专职人员;明确各部门及其人员的岗位职责,并制定完善的应急管理制度。
若存在不符合规定之处,将扣除相应的分数作为惩罚,具体不符合项扣减分数如下所述:不符合要求的项目扣除____分。
二、应急救援队伍建设依据《煤矿安全规程》及《矿山救援规程》等法律法规,构建矿山救护队,并为其配备必要的物资、装备及器材,同时实行军事化管理及训练。
对于无法建立矿山救护队的煤矿企业,应当组织兼职应急救援队伍,并与临近的矿山救护队签订互助协议。
若相关项目不符合规定,将按以下标准扣除分数:不符合要求的项目扣除____分。
三、应急救援管理遵循《生产安全事故应急预案管理办法》及《生产经营单位安全生产事故应急预案编制导则》的相关规定,制定并执行安全生产事故应急预案。
若缺少应急预案,将扣除相应的分数;对于其他不符合要求的项目,也将根据具体情况扣除相应的分数。
四、应急培训与演练1. 制订年度应急宣传教育工作计划及年度应急培训计划,普及生产安全事故预防及应急救援的基本知识。
若未制定相关计划,将扣除相应的分数;其他不符合要求的项目也将按照以下标准扣分:____分。
2. 编制合规的应急演练规划、计划及方案,组织实际演练,并妥善保存完整的档案资料。
五、应急救援保障确保配置足夠的应急救援所需物资、装备、人员及经费,并建立健全相应的保障措施。
若存在不符合规定之处,将按照以下标准扣除分数:不符合要求的项目扣除____分。
六、资料与档案管理确保所有文件和资料能够及时发放至相关部门,并遵循安全规范进行档案管理。
若在管理过程中发现不符合要求的情况,每发现一处将扣除相应的分数。
2024年应急救援安全质量标准化考核实施细则(二)一、应急救援体系建设及制度完善成立专业的应急救援指挥中心及日常工作机构,并确保相关岗位由专业人员担任;明确应急救援机构及其人员职责,构建完善的应急管理制度。
分宜县应急救援队员量化管理考评细则第一章总则第一条为了加强和完善合同制应急救援队员(以下简称队员)队伍的管理,激励队员士气,增强队员素质,提高队伍战斗力,确保各项任务圆满完成。
根据《中华人民共和国劳动法》和消防部队有关管理规定,结分宜县《分宜县应急救援队伍管理规定》(以下简称《规定》),特制定本细则。
第二条合同制应急救援队员必须遵守国家的宪法和法律,遵守部队的条令条例和各项规章制度,忠于职守,刻苦训练,踏实工作,积极参加扑救火灾和抢险救援等任务。
第三条对合同制应急救援队员管理实施量化加、扣分制,由大队采取每月、年终两级考评方式。
量化考核实行计分制,分月度、年度考核两种方式。
月度考评基准分为50分,每月的绩效工资为400元。
年度考核基准分均为100分,全年的奖励工资为1600元。
月度绩效工资依据月度量化考评得分发放。
全年的奖励工资依据年度考评得分发放。
年度考核分组成:日常的量化考评分占年度考评总分的50%,民主测评占10%、理论考核占10%、体能测试占10%、实际操作能力考核占20%。
计算公式: ¥(月、年度奖金)=A、F(月、年度考评得分数)×J(每分折换奖金值)。
月度每分折换奖金值为8元、年度每分折换奖金值为16元。
年度考评分计算公式:F(年度考评得分数)= A(月度考评总分)/300×50%+B(民主测评)×10%+C(理论考核)×10%+D (体能测试)×10%+E(实际操作能力考核)×20%。
第四条涉及队员奖惩的量化考评,应尊重客观事实,坚持实事求是,以《规定》和本细则奖惩条款为依据。
奖惩要依据事实、对照标准、全面衡量、恰如其分、慎重实施。
第五条奖惩的加、扣分,结合《规定》和本细则的奖励处分要求,遵循“及时公正、就高不低、适量勿滥”的原则,做到公平、公开、公正。
第六条各单位要成立队员量化考评工作领导小组,经常检查督促本细则的执行情况,严格遵守和维护本细则规定。
消防量化考评管理制度范本第一章总则第一条为了加强和完善消防队员队伍的管理,提高队伍的战斗力和工作效率,确保各项消防工作任务的圆满完成,根据相关法律法规和消防队伍的实际情况,制定本量化考评管理制度。
第二条消防队员应当遵守消防队的各项规章制度,忠于职守,刻苦训练,踏实工作,积极参加火灾扑救和抢险救援等工作任务。
第三条消防队员量化考核实行计分制,个人年度考评总分为1000分(其中月考评累积分800分,综合评价100分,其他工作100分)。
月考评基准分为100分,半年考评得分为月考评累积分,年度考评分为月考评累积分与综合评价及其他工作分值总和。
第四条考评按得分的高低分为优秀、良好、合格和不合格四个等级。
队员半年、全年考评得分分别在850分、1700分以上的为优秀;在800分、1600分以上的为良好;在700分、1400分以上的为合格;在700分、1400分以下的为不合格,下发《告诫书》。
第五条每次内容的扣分按规定的分值标准扣完为止,没有负分。
奖励分数的30%计入考核总分。
考核成绩名列倒数第一、二名的,若其奖励分数是第一名,则不再进行处理。
第二章组织第六条消防队应当设立专门的考评小组,负责对队员的量化考评工作。
考评小组由队长、副队长和相关人员组成,队长为组长。
第七条考评小组应当制定详细的考评方案和评分标准,并根据实际情况进行调整和更新。
第八条考评小组应当定期对队员进行考评,每半年进行一次全面考评,每年进行一次综合考评。
第九条考评结果应当公开透明,由考评小组进行公布,并对队员进行反馈和指导。
第三章考评内容第十条考评内容包括队员的工作表现、业务能力、培训学习、遵守纪律等方面。
第十一条工作表现考评包括队员参加火灾扑救、抢险救援、消防安全检查等工作的情况,以及工作中的积极性和主动性。
第十二条业务能力考评包括队员的灭火技能、救援技能、消防安全知识掌握等方面的情况。
第十三条培训学习考评包括队员参加消防培训、学习新知识、提高自身能力等方面的情况。
应急救援安全质量化考核实施细则1. 引言应急救援是为了应对各种突发事件和灾害而进行的一系列紧急行动。
应急救援的安全性和质量是保障人民生命财产安全的重要保障。
为了提高应急救援的安全质量和能力,制定本细则,以规范应急救援的考核和评估实施。
2. 考核目标本细则旨在评估应急救援的安全性和质量,确定是否满足相关的法规和标准要求,并为进一步提高应急救援能力提供参考意见。
3. 考核内容应急救援安全质量化考核主要包括以下内容:3.1 应急救援组织和管理评估应急救援机构的组织结构、管理制度和人员配备是否合理,是否能够有效地组织和指挥应急救援行动。
3.2 应急救援设施和装备评估应急救援机构的物资储备、装备配备情况,是否满足应急救援行动的需求。
3.3 应急救援预案和演练评估应急预案的编制情况,是否与实际情况相符合,并对应急演练的实施情况进行评估,以验证应急救援机构的应对能力。
3.4 应急救援人员培训和日常管理评估应急救援人员的培训情况,包括技术培训、岗位培训和实战演练等,并对应急救援人员的日常管理情况进行评估。
3.5 应急救援效果和效率评估应急救援行动的效果,包括救援人员到达现场的时间、救援过程中的组织和协调能力,以及救援结果的满意度等。
4. 考核方法应急救援安全质量化考核主要采用以下方法进行:4.1 文件审查对应急救援机构的相关文件进行审查,包括组织机构文件、管理制度文件、装备配备文件、应急预案文件等。
4.2 现场检查对应急救援机构的设施和装备进行现场检查,包括仓库、车辆、仪器设备等。
4.3 应急演练组织应急演练,评估应急救援机构的应对能力和应急预案的有效性。
4.4 个人面谈与应急救援机构相关人员进行面谈,了解其培训情况、工作经验和应急救援意识等。
4.5 救援行动观察对实际救援行动进行观察,评估其效果和效率。
5. 考核评价标准应急救援安全质量化考核的评价标准主要包括以下方面:5.1 安全性评价评估应急救援行动中的安全隐患,包括救援人员的个人防护装备是否正确使用、救援设施和装备是否正常运行等。
应急救援安全质量标准化考核实施细则第一章总则第一条为了提高应急救援工作的质量和安全水平,保障人民群众的生命财产安全,根据相关法律法规和标准化要求,制定本实施细则。
第二条本实施细则适用于各级应急救援机构、队伍以及相关从业人员的安全质量考核。
第三条应急救援安全质量考核主要包括以下内容:1.组织架构和管理制度考核;2.人员安全素质和专业技能考核;3.装备设施和应急物资考核;4.应急救援行动和工作方法考核;5.应急救援效果和成效考核。
第四条考核机构应当依据本实施细则的要求,组织并实施统一的应急救援安全质量考核,并将考核结果作为评定单位和个人工作业绩的重要依据。
第五条考核结果分为优秀、合格、基本合格和不合格等级。
第六条考核结果的等级划分按照实施细则附表1中的要求进行。
第七条考核机构应当对考核结果进行公示,并向被考核单位及个人反馈。
第二章组织架构和管理制度考核第八条考核内容包括应急救援机构的组织架构是否合理、管理制度是否健全、指挥体系是否完善等。
第九条组织架构考核主要包括以下内容:1.应急救援机构设置是否科学合理;2.部门职责是否明确;3.指挥链条是否清晰畅通;4.协调配合机制是否健全。
第十条管理制度考核主要包括以下内容:1.应急救援工作的规范性文件和制度是否完善;2.制度执行的严格性和效果如何;3.制度的更新和改进情况。
第十一条考核机构应当对组织架构和管理制度进行现场检查和文件资料的复核,采用综合评定的方式进行评分。
第十二条组织架构和管理制度考核的结果评定等级按照实施细则附表2中的要求进行。
第三章人员安全素质和专业技能考核第十三条考核内容包括应急救援从业人员的安全意识、安全技能、救援技能等。
第十四条安全素质考核主要包括以下内容:1.安全法律法规的掌握情况;2.安全风险的识别和评估能力;3.安全防护设施的使用和维护情况;4.应急情况下的自我保护能力。
第十五条专业技能考核主要包括以下内容:1.基础救援知识的掌握情况;2.应急救援技术和装备的操作能力;3.应急救援行动计划的制定和执行能力;4.团队合作和协调能力。
应急救援安全质量标准化考核实施细则以下是应急救援安全质量标准化考核实施细则的一个范例,具体细则可根据实际情况进行调整和修改。
1. 考核主体考核主体由应急救援管理部门组织,包括应急救援人员、设备、物资等相关单位。
2. 考核内容(1) 组织与管理:- 应急预案的编制与修订情况;- 应急组织机构设立和人员配备情况;- 应急演练的开展情况;- 应急指挥体系的建设与运行情况;- 应急救援队伍的训练和储备情况。
(2) 设备设施:- 应急救援装备的配备与维护情况;- 通信设备的可靠性与功能使用情况;- 气体、液体和固体防护装备的使用情况;- 车辆、器具等物资的完好程度和使用情况。
(3) 应急救援过程与效果:- 对各类应急事件的响应速度与准确率;- 救援过程中的协作配合情况;- 救援效果评估与反馈情况;- 救援过程中的风险控制与安全保障情况。
(4) 安全质量管理体系:- 安全管理制度的落实情况;- 安全培训与教育的开展情况;- 应急救援工作中的安全措施和风险防控情况;- 安全事故的处理与汇报情况。
3. 考核方式(1) 文件资料审查:组织应急救援单位提供相关文件和资料,如应急预案、救援记录、培训资料等,对其进行审核和评估。
(2) 现场考核与实际操作:组织考核人员对应急救援单位进行实地考察,观察其实际操作过程,并对其进行评估。
(3) 问题调查与解决:针对考核中发现的问题,进行详细调查,并要求应急救援单位提出整改措施和时间表,落实相应的改进措施。
(4) 考核结果分析与通报:根据考核结果,对应急救援单位进行整体评价,并将评估结果向相关单位通报。
4. 考核周期考核周期一般为一年,根据实际情况可以调整为半年或季度进行一次考核。
5. 考核结果与奖惩机制(1) 优秀单位奖励:对考核结果优秀的应急救援单位,予以表彰和奖励,激励其在安全质量标准化工作中的进一步表现。
(2) 不合格单位处罚:对考核结果不合格的应急救援单位,责令其进行整改,并根据情节轻重,进行相应的处罚和警告。
XXX循环科技有限公司应急救援队执行组员考核管理办法1、目的明确成为应急救援队执行成员的资格与条件,体能要求、应掌握的实际操作技能、应急救援应知应会安全知识等考核要求,考核评价细则与方法,根据评价结果筛选并认定合格的救援队伍成员。
2、适用范围本管理办法适用于XXX循环科技有限公司应急救援队执行组员的管理考核。
3、应急救援队成员任职条件3.1必须在公司服务满半年及以上,且为在公司住宿的安环部成员。
3.2身体健康无不良嗜好。
3.3一年内无重大违纪(违纪情况以人力资源的公告为准)。
4、考核内容4.1 考核对象XXX循环科技有限公司符合公司应急救援执行组员选拔要求的安环部成员。
4.2考核项目个人体能测试、应急救援器材实际操作技能、应急救援事故处置应知应会等方面。
4.3考核小组4.3.1考核小组成员由人力资源部经理/主管、安环部经理/主管组成。
4.3.2安环部负责人确认部门申请人员是否具备成为应急救援队执行组员的所在岗位操作综合能力。
4.3.3人资部负责确认应急救援队执行组申请人员年龄与违纪情况,并参与考核的全过程。
4.3.4人资部和安环部共同组织应急救援队执行组员应急处理及安全知识、应急器材实际操作、体能测试等综合评估考核。
4.3.5长沙基地总经理为应急救援队执行组员的最终审核人。
4.4考核流程4.4.1安环部组织部门人员填写应急救援队执行组员申请表,并将申请表给人资部人事主管查核相应信息是否符合应急救援队执行组员初步要求。
4.4.2人资部确认初步符合的人选后与安环部统一组织进行应急救援队执行组员资格认定考核.4.4.3补充或更换队员原则上在每季度最后一月内完成,方便应急救援队执行组员津贴的计算与发放。
4.5 考核要求4.5.2应急救援队执行组员体能测试项目包含:1000米长跑、30个俯卧撑;1000米需4分钟内跑完,30个俯卧撑需一次性完成。
如未能完成,则视同体能测试不过关,直接取消本次参选资格。
4.5.3器材操作考核项目为:抛水带、穿防化服佩戴防毒面具、穿消防战斗服佩戴正压式空气呼吸器等三项实际操作。
应急救援安全质量标准化考核实施细则范本第一章总则第一条标准化考核是为了评估应急救援工作的安全质量状况,促进应急救援工作的规范化、标准化和良性发展。
第二条标准化考核应坚持科学、公正、公开、透明的原则,确保考核结果的客观性和公信力。
第三条标准化考核适用于全国范围内的应急救援部门和相关机构。
第四条标准化考核应建立考核机构,由专业人员担任考核员,确保考核工作的专业性和公正性。
第五条标准化考核应定期进行,考核周期为一年。
第六条标准化考核的内容包括应急救援工作的组织体系、预案制定与实施、资源保障与协调、应急救援技术与装备等方面。
第七条标准化考核应采取定量化和定性化相结合的方式进行,确保考核结果的客观性和综合性。
第二章考核内容第八条标准化考核内容包括以下几个方面:(一)应急救援工作组织体系的建立和健全程度;(二)应急救援预案制定与实施的规范;(三)应急救援资源的保障与协调能力;(四)应急救援技术与装备的水平;(五)应急救援队伍的建设和素质提高;(六)应急救援培训与演练的开展情况;(七)应急救援工作的科学管理与效率提升;(八)应急救援工作的社会影响力和口碑形象等方面。
第三章考核程序第九条标准化考核应按照以下程序进行:(一)组织准备阶段:确定考核的范围和内容,制定考核方案,组织相关人员参与考核准备工作;(二)信息收集阶段:收集和整理与考核相关的信息和资料,进行初步统计和分析;(三)现场检查阶段:对应急救援部门和相关机构进行现场检查,了解实际工作情况;(四)数据统计阶段:对收集的信息和资料进行整理和统计,形成考核报告;(五)考核结果公示阶段:将考核结果以公告的形式进行公示,接受社会监督和意见建议;(六)整改落实阶段:对考核中发现的问题和不足进行整改,建立完善的应急救援工作体系。
第四章考核评价第十条考核评价应根据考核指标对应急救援部门和相关机构的工作进行评价,评价标准包括以下几个方面:(一)责任意识和使命感;(二)工作协调和危机处理能力;(三)专业素质和技术水平;(四)责任落实和任务完成情况;(五)应急救援成果和效益;(六)突发事件应对能力和应变能力。
应急救援队队员管理制度第一章总则第一条为了加强应急救援队队员的管理,提高队员的应急救援技能和素质,保障队伍的战斗力和执行任务的效果,制定本管理制度。
第二条应急救援队队员管理制度适用于应急救援队的队员,包括专职队员和志愿者队员。
第三条应急救援队队员管理制度的宗旨是全面提高队员的应急救援能力,规范队员的行为,保障队员的权益,提高队伍的凝聚力。
第二章队员选拔第四条应急救援队的队员选拔,要在符合国家规定的条件下进行,严格遵守程序,确保选拔出优秀的队员。
第五条队员选拔主要包括资格审查、面试及体能测试等环节。
选拔标准应据实、合理,选拔程序应公开、公正,并确保选拔结果具有客观性和公正性。
第六条队员选拔的资格条件包括:爱岗敬业、具备应急救援技能、身体健康、品行端正、无不良记录等。
第三章队员培训第七条应急救援队队员培训制度包括入队培训、定期培训和专业技能培训。
第八条入队培训主要包括入队宣誓、队伍章程学习、应急救援知识学习等内容,旨在让新队员熟悉队伍的规章制度、灾害应急救援的基本知识。
第九条定期培训主要包括队员业务知识、技能的学习和训练,内容包括应急救援指挥、火灾扑救、医疗救护等。
第十条专业技能培训是指对特定技能进行培训,内容包括登山救援、水域救援、地震救援等。
第四章队员考核第十一条队员考核是对队员的综合素质、工作能力和应急救援技能进行的定期、定点的考核。
第十二条队员考核主要包括理论考核、技能考核和身体素质测试。
第十三条队员考核的合格标准由队伍主管领导根据队伍实际情况制定,考核结果直接关系到队员的岗位任免、培训晋升等。
第五章队员激励第十四条对于表现突出的队员,应当及时给予表彰激励,包括奖金、荣誉证书、晋升等。
第十五条队员激励可以是经济性的,也可以是非经济性的,目的是激励队员积极参与救援工作,提高工作积极性。
第十六条队员激励的授予应当公平、公正,避免主观臆断和厚此薄彼。
第六章队员管理第十七条队员因私出行、退岗或辞职的,应当提前向队伍领导提出书面申请,并经批准后方可离队。
分宜县应急救援队员量化管理考评细则第一章总则第一条为了加强和完善合同制应急救援队员(以下简称队员)队伍的管理,激励队员士气,增强队员素质,提高队伍战斗力,确保各项任务圆满完成。
根据《中华人民共和国劳动法》和消防部队有关管理规定,结分宜县《分宜县应急救援队伍管理规定》(以下简称《规定》),特制定本细则。
第二条合同制应急救援队员必须遵守国家的宪法和法律,遵守部队的条令条例和各项规章制度,忠于职守,刻苦训练,踏实工作,积极参加扑救火灾和抢险救援等任务。
第三条对合同制应急救援队员管理实施量化加、扣分制,由大队采取每月、年终两级考评方式。
量化考核实行计分制,分月度、年度考核两种方式。
月度考评基准分为50分,每月的绩效工资为400元。
年度考核基准分均为100分,全年的奖励工资为1600元。
月度绩效工资依据月度量化考评得分发放。
全年的奖励工资依据年度考评得分发放。
年度考核分组成:日常的量化考评分占年度考评总分的50%,民主测评占10%、理论考核占10%、体能测试占10%、实际操作能力考核占20%。
计算公式: ¥(月、年度奖金)=A、F(月、年度考评得分数)×J(每分折换奖金值)。
月度每分折换奖金值为8元、年度每分折换奖金值为16元。
年度考评分计算公式:F(年度考评得分数)= A(月度考评总分)/300×50%+B(民主测评)×10%+C(理论考核)×10%+D(体能测试)×10%+E(实际操作能力考核)×20%。
第四条涉及队员奖惩的量化考评,应尊重客观事实,坚持实事求是,以《规定》和本细则奖惩条款为依据。
奖惩要依据事实、对照标准、全面衡量、恰如其分、慎重实施。
第五条奖惩的加、扣分,结合《规定》和本细则的奖励处分要求,遵循“及时公正、就高不低、适量勿滥”的原则,做到公平、公开、公正。
第六条各单位要成立队员量化考评工作领导小组,经常检查督促本细则的执行情况,严格遵守和维护本细则规定。
第二章加分的条件、标准第七条对获得突出贡献奖、先进个人、嘉奖的队员,分别加10分、5分、3分。
第八条受到省级单位或者公安部消防局(等同级)以上,总队级,支队级表彰的,每次分别加60分、30分、10分。
第九条在总队举行的各项竞赛活动中,获得个人成绩前五名的,分别加50、40、30、20、10分。
获得集体项目前五名的,分别加30、25、20、15、10分。
第十条在支队举行的各项竞赛活动中,获得个人成绩前三名或一、二、三等奖的,分别加15、10、5分。
获得集体项目前二名的,分别加10、5分。
第十一条新闻报道完成任务情况与年终量化考核成绩挂钩。
在完成上稿任务的前提下,省级每超一篇加5分,国家级每超一篇加10分,中央级每超一篇加30分,网络加分减半。
完不成任务的按相应标准扣分。
第十二条个人先进事迹被省级以上新闻单位刊登的,加30分;个人先进事迹被市级以上新闻单位刊登的加20分;个人先进事迹被县级以上新闻单位刊登的,加10分。
第十三条在中队组织的各项竞赛或评比中获得名次的,加1分。
第十四条见义勇为或好人好事业绩突出的,加30分。
第十五条在上年度工作中,被评为突出贡献奖、先进个人、嘉奖的直接在年度考评总分的基础上加上15、10、5分。
第十六条在灭火战斗或抢险救援中,英勇顽强、不怕牺牲、表现突出的以及为火场战斗取得胜利起关键作用的,除视情节予以请功外,加20分。
第十七条在上级检查中,受到总、支队领导表扬的分别加10分、5分。
第+八条关心部队建设,为部队提合理化建议被采纳的当月加3分。
第十九条与不良现象作斗争有效避免部队各类事故发生的加10分。
第二十条能够树立消防部队良好形象或对部队建设做出贡献的当月加5分。
第三章量化扣分细则思想政治工作第二十一条应急救援队员应按部队要求认真进行政治学习,加强思想修养。
有下列情形之一的,视情节扣1-3分:(一)无故不参加政治学习、专题教育的;(二)学习态度不端正,不认真听讲、不按要求记笔记或字迹潦草的,配发的学习资料无故丢失的;(三)在部队组织的考试或考核中,弄虚作假或成绩不及格的。
第二十二条应急救援队员应当团结友爱、互帮互助,培养良好的品行。
有下列情形之一的,视情节扣1-3分:(一)在部队中搞小团体主义,讲哥们义气“拜把子”的;(二)无中生有,无理取闹或散布不良言论的;(三)在部队内部吵架、打架斗殴影响团结的;(四)作风懒散,民主评议较差的。
第二十三条应急救援队员应爱岗敬业,讲求奉献。
有下列情形之一的,视情节扣1-3分:(一)工作态度不端正,思想开“小差”的;(二)日常工作、执勤训练中思想松懈、作风懒散、出工不出力、敷衍塞责或消极怠工的。
第二十四条合同制应急救援队员应养成高尚的道德情操,有下列情形之一的应予扣分:(一)购买、传看、收藏渲染色情、暴力、封建迷信等低级庸俗的书刊和音像制品的一次扣3-5分;(二)购买、收藏管制刀具的一次扣3分;(三)与地方发生纠纷,情节轻微的,对责任人一次扣3分;由于自身原因影响部队声誉的一次扣10分;(四)参加邪教组织活动或散布歪理邪说,情节轻微的一次扣5分。
第二十五条应急救援队员应遵守社会公德,自觉维护部队声誉,有下列情形之一的,扣1-2分:(一)不遵守公共秩序和交通规则的;(二)乘车时不主动给老人、幼童、孕妇和伤、病、残人员让座的;(三)在公共场所和其他禁止吸烟的场所吸烟;(四)聚集街头、嬉笑打闹的。
第二十六条有其他不良行为的视情扣1-5分。
日常管理工作第二十七条合同制应急救援队员应该遵守部队一日生活秩序,有下列情形的,应予扣分:(一)无故不按时起床、早操、就餐、就寝的一次扣3分;(二)无故不参加中队训练、工作及公差勤务的一次扣5分;(三)无正当理由不参加班务会、队务会、军人大会以及中队组织的其他活动的一次扣3分;迟到、早退的一次扣2分;(四)非节假日、休息日或规定时间坐床、躺床休息的一次扣1-3分。
第二十八条合同制应急救援队员着装必须符合部队规定,有下列情形之一的视情节扣1一3分:(一)不按规定佩戴帽徽、肩章符号、领花的或佩戴规定以外其他徽章的;(二)着制式服装外出时,不戴大檐帽的;戴大檐帽、作训帽不符合规定的;(三)制式服装不整洁、混穿的;(四)制式服装外罩便服的;(五)制式服装内着毛衣、绒衣、棉衣等内衣时,下摆外露的;(六)未能扣好领钩、衣扣的;披衣、敞怀、挽袖、卷裤腿的;(七)着夏常服未着配发的衬衣、领带的;(八)着冬装,内衣高于制式服装衣领的;(九)在礼仪场合着长、短袖制式衬衣与夏裤配套穿着时,不戴大檐帽、不系领带的;(十)操课和集体活动时不穿解放鞋的;着便鞋时,不穿黑、棕色、鞋跟高度超过三厘米的;除工作需要和洗漱外,穿拖鞋、赤脚或赤脚穿鞋的。
第二十九条合同制应急救援队员的仪容应符合部队规定,有下列情形之一的,视情节扣1-3分:(一)头发不整洁、留长发、大鬓角和胡须的;帽墙下发长超过1.5厘米的;染发与本人原发颜色不一致的;(二)文身、留长指甲、戴项链等饰物的;无特殊情况戴有色眼镜的;(三)着制式服装时,在外露的腰带上系钥匙和饰物的。
第三十条合同制应急救援队员必须举止端正,谈吐文明,讲求礼貌,姿态良好,有下列情形的应予扣分:(一)不尊重领导,不按规定用语、违反部队内部礼节等有关规定的一次扣2分;(二)袖手、背手和将手插入衣袋,边走路边吸烟、吃东西、扇扇子,勾肩搭背的一次扣1分;(三)岗哨、勤务时姿态不端正、仪容不严整的一次扣2分;(四)酗酒、赌博、打架斗殴和参加宗教、迷信活动的视情节一次扣5-10分;(五)不爱护公物、不节约粮食的一次扣3分;第三十一条合同制应急救援队员应严格遵守请、销假制度,有下列情形的应予扣分:(一)不假外出的一次扣5分;(二)超假不归的,视情节一次扣5-10分;(三)私自离队、夜不归宿的一次扣20分。
第三十二条合同制应急救援队员应遵守部队规定,处理好工作、家庭、朋友的关系,有下列情形之一责令限期改正,并视情节扣5-10分:(一)违反部队管理规定,私自在操课时间会客的一次扣5分;(二)违反部队管理规定,私自带亲属、朋友留营留宿的一次扣10分;第三十三条合同制应急救援队员应该认真完成分工负责的工作,有下列情形的应予扣分:(一)在中队组织的内务卫生检查中,物品不按要求设置,内务质量差、摆放不统一的,一次扣1分;(二)卫生责任区不定期打扫或打扫不彻底、个人卫生不符合规定的每次扣1分;(三)无故不参加中队站岗执勤或由于主观原因造成漏岗、误岗的一次扣5分;不履行哨兵职责的一次扣3分;(四)上级检查或访察中被领导指出问题的,一次扣3分。
第三十四条合同制应急救援队员应该高度重视安全防事故工作,有下列情形的应予扣分:(一)在日常工作和训练中不遵守消防部队有关安全管理规定和安全操作规程未造成后果的一次扣3分,造成轻微后果的一次扣5分;(二)发现隐患不消除、不制止、不报告的一次扣5分;(三)在营区或班内私自乱拉电线使用电灯、电热毯、取暖器等造成安全隐患的扣3分。
第三十五条合同制应急救援队员应该服从命令、听从指挥,有下列情形的应予扣分:(一)不服从组织安排、不服从干部、班长管理视情节一次扣3-5分;(二)不诚恳接受批评,顶撞上级,甚至有其他过激行为的,视情节一次扣5-10分。
执勤备战工作第三十六条合同制应急救援队员应苦练军事、业务技能,增强身体素质,在训练中有下列情形的应扣分:(一)训练不刻苦、出工不出力,经指出不改正者一次扣3-5分;(二)在训练工作中,无病呻吟、小病大养的一次扣3-5分:(三)平时训练不刻苦,在消防部队组织的考核中有一项成绩不及格或不达标的扣3分;(四)身体素质差,训练不刻苦,在中队组织的月考核中与前一月水平相比无明显进步的一次扣1-3分。
第三十七条合同制应急救援队员应明确自己的职责,认真履行义务,有下列情形之一的,视情节扣3-5分:(一)对责任区情况达不到“四掌握、六熟悉”的;(二)对自己的分工不明确,导致工作失误的;(三)听到出动信号后,出动不迅速,贻误战机的;(四)在担任中队值班员时,不按要求组织训练或发现问题不能及时向中队干部汇报的。
第三十八条合同制应急救援队员应认真保养车辆器材,有下列情形的应扣分:(一)不能按照要求对车辆器材、装备进行维护保养的一次扣3分;(二)个人分工维护、保养的器材、装备损坏、丢失的,除按原价赔偿外,一次扣5-10分;(三)对分工负责的器材、装备保养不善、检查不细或发生故障、损坏、丢失,未及时发现、更换、补充、上报并影响执勤备战情节较轻的,一次扣5分〕第三十九条合同制应急救援队员在火场战斗和抢险救援中,贪恋别人财物,情节轻微、没有造成较大影响的;贪生怕死、退缩不前没有造成大的影响的发现一次扣30分。
第四十条班长应履行职责、起到骨干作用,有下列情形的应予扣分:(一)因对责任区达不到“四掌握、六熟悉”导致在灭火、抢险救援中出现失误的,班长一次扣20分,副班长一次扣10分;(二)因对本班人员执勤任务分工不明确,导致在灭火、抢险救援中贻误战机,造成较大影响的,班长一次扣10分,副班长一次扣5分;(三)本班执勤器材装备发生故障、损坏或丢失、未及时发现、上报、更换、补充而影响执勤备战,造成严重后果的,班长一次扣20分,副班长一次扣10分;(四)听到出动信号后,本班人员出动不迅速,贻误战机的,班长扣5分、副班长扣2分;(五)火场出动或执行其它勤务,发现所乘车辆驾驶员违章驾驶而未及时制止,造成交通事故的,班长一次扣2分,副班长一次扣1分;(六)火场上不执行上级命令,贪生怕死、临阵脱逃,情节较轻的一次扣10分,并撤销正、副班长职务;(七)在担任中队值班员时,不能履行职责、不按中队要求组织学习训练、在值班中发现问题未及时向领导汇报的一次扣5分;造成严重后果的,一次扣10分;(八)未组织本班人员搞好车辆器材装备的维护保养以及在中队组织的环境、内务卫生检查中本班人员分担的卫生区较差的,正、副班长一次分别扣2分;(九)本班业务集体项目、专项训练项目、应用性训练项目在消防部队组织的考核中未达到规定要求的,正、副班长一次分别扣3分;(十)在火场战斗和抢险救援中执行指挥员命令不坚决、违反操作规程造成重大事故的,正、副班长一次分别扣10分;(十一)在组织本班人员的技、体能训练中,忽视安全隐患,造成人员伤亡的,正、副班长一次分别扣20分。