各种电子元器件封装结构图
- 格式:pdf
- 大小:1.84 MB
- 文档页数:47
一、可控硅可控硅又称晶闸管(Silicon Controlled Rectifier,SCR)。
它的主要成员有单向晶闸管、双向晶闸管、光控晶闸管、逆导晶闸管、可关断晶可控硅闸管、快速晶闸管等等。
可控硅整流器件是一种非常重要的功率器件,可用来做高电压和大电流的控制。
可控硅器件主要用在开关方面,使器件从关闭或是阻断的状态转换为开启或是导通的状态,反之亦然。
可控硅器件有较宽广范围的电流、电压控制能力。
结构:大家使用的是单向晶闸管,也就是人们常说的普通晶闸管,它是由四层半导体材料组成的,有三个PN结,对外有三个电极〔图2(a)〕:第一层P型半导体引出的电极叫阳极A,第三层P型半导体引出的电极叫控制极G,第四层N型半导体引出的电极叫阴极K。
从晶闸管的电路符号〔图2(b)〕可以看到,它和二极管一样是一种单方向导电的器件,关键是多了一个控制极G,这就使它具有与二极管完全不同的工作特性。
用途:普通晶闸管最基本的用途就是可控整流。
1:小功率塑封双向可控硅通常用作声光控灯光系统。
额定电流:IA小于2A。
2:大中功率塑封和铁封可控硅通常用作功率型可控调压电路。
像可调压输出直流电源等等。
主要厂家品牌:ST,NXP/PHILIPS,NEC,ON/MOTOROLA,RENESAS/MITSUBISHI,LITTELFUSE/TECCOR,TOSHIBA,JX ,SANREX,SANKEN ,EUPEC,IR等。
二、晶体管晶体管(transistor)是一种固体半导体器件,可以用于检波、整流、放大、开关、稳压、信号调制和许多其它功能。
晶体管输出信号的功率可以大于输入信号的功率,因此晶体管可以作为电子放大器,有许多市售的分立晶体管,但集成电路中的晶体管数量远大于分立晶体管的数量。
例如超大规模集成电路(VLSI)其中至少有一万个晶体管。
晶体管作为一种可变开关,基于输入的电压,控制流出的电流,因此晶体管可做为电流的开关,和一般机械开关(如Relay、switch)不同处在于晶体管是利用电讯号来控制,而且开关速度可以非常之快,在实验室中的切换速度可达100GHz以上。
PSDIP PLCC DIP DIP-TAB LCC LDCC LQFP LQFP FTO220HSOP28ITO220ITO3P PDIP BQFP PQFP PQFPQFP SC-70SDIP SIP SO SOD323SOJ SOJ SOT143 SOT223SOT223SOT23 SOT343SOT SOT SOT523SOT89SSOP SSOP STO-220 TO18TO220TO247TO252 TO264TO3TO52TO71 TO78TO8TO92TO93PCDIP JLCC TO72STO-220TO99AX14TO263SOT89SOT23SOP SNAPTK FGIPTQFP TSOP TSSOP ZIP常见集成电路(IC)芯片的封装金属圆形封装最初的芯片封装形式。
引脚数8--12。
散热好,价格高,屏蔽性能良好,主要用于高档产品。
PZIP(Plastic Zigzag In-line Package)塑料ZIP型封装引脚数3 --16。
散热性能好,多用于大功率器件。
SIP(Single In-line Package)单列直插式封装引脚中心距通常为2.54mm,引脚数2 --23,多数为定制产品。
造价低且安装便宜,广泛用于民品。
DIP(DualIn-line Package)双列直插式封装绝大多数中小规模 IC均采用这种封装形式,其引脚数一般不超过100个。
适合在PCB板上插孔焊接,操作方便。
塑封DIP应用最广泛。
SOP(Small Out-Line Package) 双列表面安装式封装引脚有J形和L形两种形式,中心距一般分1.27mm和0.8mm两种,引脚数8--32。
体积小,是最普及的表面贴片封装。
BGA(Ball Grid Array Package)球栅阵列封装表面贴装型封装之一,其底面按阵列方式制作出球形凸点用以代替引脚。
适应频率超过100MHz ,I/O 引脚数大于208 Pin 。
电子元器件的封装1947年晶体管出现之后,其封装的设计随之展开,最早的一批晶体管封装的型号是以TO开头的。
曾经有过一种有着特定的工业或军事应用的金属壳多极管封装TO-39(见图5),有现在最常见的塑料三极管封装TO-92(见图6),还有电子爱好者常用的直插式稳压芯片LM7805所使用的TO-220封装(见图7),还有直引脚贴片式封装的TO—89(见图8),TO 系列封装几乎一统天下了。
1958年美国德州仪器公司(TI)工程师杰克.基尔比发明了集成电路,一些集成电路芯片还仍然使用TO系列封装,但随着集成电路晶片面积越来越大、引脚越来越多,TO封装已经吃不消了。
于是20世纪70年代出现了新的封装设计——双列直插封装(DP)(见图9),我花了好长时间搜索DIP封装的发明者或研发它的公司,可是什么也没找到就连DIP封装发明的准确日期也没找到。
乍看DIP封装好像是一只多脚虫,引脚间距为2.54mm,引脚数量可以从6个到64个,一般用“DIP”字样加上引脚数量表达封装形式,如“DP20”就是有20个引脚的DIP封装。
安装在带有过孔的PCB板上。
从下面这张DIP封装的图片上可以看到;封装中间是集成电路晶片,晶片周围用很细的金属导线把晶片上的接口电极导到封装外的引脚上。
DIP封装有陶瓷和塑料两种封装材料;DP封装坚固可靠,英特尔公司最早生产的4004、8008处理器均采用了DIP封装。
DIP封装一出现几乎就统治了市场,几乎所有的直插式芯片都有DIP封装的产品,直到现在我们还在使用着,你手边的40脚的51单片机就是DIP40封装的。
另外还有一种不常用的芯片封装叫SIP,意思是单列直插封装,现在几乎看不到了,大家知道一下就行了。
DIP封装好是好,可就是太大了,当用于小型手持设备时,DIP封装就显得笨拙了,于是飞利浦公司开发出了SOP小外型封装。
SOP封装(见图10)引脚间距为1.27mm,引脚数在8~44脚,SOP属于表面贴装元器件,无需过孔,可以直接焊在印制电路板表面。
电子元件图片识别电阻的图片第1幅图1,9 普通电阻图2 电阻排图3 ,5 贴片电阻。
图4,10 水泥电阻。
图6 功率电阻。
图7 变阻器。
图8 柱形贴片电阻。
图10,11 光敏电阻电阻的图片第2幅图1,2,3,4 大功率电阻。
图5,6,7,8压敏电阻。
图9 线绕陶瓷电阻电阻的图片第3幅微调电阻的图片第1幅:可调电阻/微调电阻图片微调电阻的图片第2幅:可调电阻/微调电阻图片微调电阻的图片第3幅:可调电阻/微调电阻图片图1,2,3,4,6,7,8,11,12基本旋转电位器图片。
图3线绕电位器图片。
图5,9双联电位器/同步电位器图片。
图10直滑电位器图片各种电位器的图片第3幅:图1线绕变阻器。
图2,4基本旋转电位器图片。
图5多圈电位器图片电容分类图片-各种电容器图片各种电容器图片第1幅图1 胆电容。
图2 灯具电容器。
图3 MKPH电容。
图4 MET电容。
图5,10 PEI电容,图6,胆贴片电容。
图7 MPE电容。
图8贴片电容。
图11 轴向电解电容器。
图12 MPP电容各种电容器图片第2幅图1 PPN电容。
图2 PET电容。
图3 MEA电容图4MPB 电容。
图5 PPT 电容。
图6 MPT电容。
图7电解电容器。
图8 MET电容。
图9 MKPH电容。
图10,11电机用电容。
图12 MKS电容。
各种电容器图片第3幅:图1 MKS电容。
图2 瓷片电容。
图3 ,4 MKP电容。
图5 贴片电解电容。
图6 史普瑞电容Sprague Orange Drop Capacitors。
图7 电机用电容。
图8 MKT电容。
图9陶瓷图1 MKS电容。
图3,8 云母电容。
图4 MPP电容。
图5 MKP电容。
图9 MEP电容。
图10 MPP电容。
图11 PPN电容。
图12 PEI电容。
图1,2,3,陶瓷电容器。
图4 色环陶瓷电容。
图5,10,11,电机起动及运行电容器。
图12充放电用电容各种电容器图片第6幅:图1 双连调谐电容。
图2微调电容。
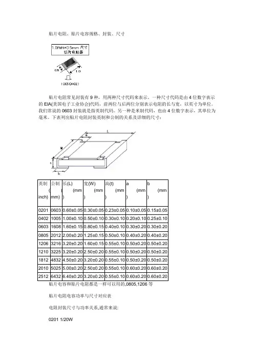
常用元件及封装形式元件名称封装形式电阻RES2(1、3、4)AXIAL0.3 AXIAL0.4可变电阻POT2(1)VR5(1、2、3、4)普通电容CAP RAD0.2 RAD0.3电解电容ELECTRO1 RB.2/.4 RB.3/.6 RB.4/.8 CAPACITOR RAD0.2 RAD0.3二极管DIODE DIODE0.4(AXIAL0.3)稳压二极ZENER1(2、3)DIODE0.4(AXIAL0.3)发光二极管LED DIODE0.4三极管NPN(PNP)TO-92A(单面板)TO-92B(双面板)电感INDUCTOR1 AXIAL0.3可变电感INDUCTOR4 AXIAL0.3放大器OPAMP DIP8,14,16…晶振CRYSTAL XTAL1稳压块VOLTREG TO-220H接口CON2,3,4 SIP2,3,4…按钮SW-PB DIP4电源POWER4开关SW SPST AXIAL0.4SW SPDTSW DPDT接收二极管PHOTO三脚插座 LAMP NEON上网时间: 2010-08-31元器件封装对照表元器件封装大全pdf下载Protel元件封装电阻 AXIAL无极性电容 RAD电解电容 RB-电位器 VR二极管 DIODE三极管 TO电源稳压块78和79系列 TO-126H和TO-126V场效应管和三极管一样整流桥 D-44 D-37 D-46单排多针插座 CON SIP (搜索con可找到任何插座)双列直插元件 DIP晶振 XTAL1电容电阻外形尺寸与封装的对应关系是:0402=1.0x0.50603=1.6x0.80805=2.0x1.21206=3.2x1.61210=3.2x2.51812=4.5x3.22225=5.6x6.5零件封装是指实际零件焊接到电路板时所指示的外观和焊点的位置。
是纯粹的空间概念因此不同的元件可共用同一零件封装,同种元件也可有不同的零件封装。
公制长(L) 宽(W) 高(t) a0402 1/16W0603 1/10W0805 1/8W1206 1/4W电容电阻外形尺寸与封装的对应关系是:0402=1.0x0.50603=1.6x0.80805=2.0x1.21206=3.2x1.61210=3.2x2.51812=4.5x3.22225=5.6x6.5常规贴片电阻(部分)常规的贴片电阻的标准封装及额定功率如下表:英制(mil) 公制(mm) 额定功率(W)@ 70°C 0201 0603 1/200402 1005 1/160603 1608 1/100805 2012 1/81206 3216 1/41210 3225 1/31812 4832 1/22010 5025 3/42512 6432 1国内贴片电阻的命名方法:2、1%精度的命名:RS-05K1002FTR -表示电阻S -表示功率0402是1/16W、0603是1/10W、0805是1/8W、1206是1/4W、1210是1/3W、1812是1/2W、2010是3/4W、2512是1W。
05 -表示尺寸(英寸):02表示0402、03表示0603、05表示0805、06表示1206、1210表示1210、1812表示1812、10表示1210、12表示2512。
K -表示温度系数为100PPM,102-5%精度阻值表示法:前两位表示有效数字,第三位表示有多少个零,基本单位是Ω,102=10000Ω=1KΩ。
1002是1%阻值表示法:前三位表示有效数字,第四位表示有多少个零,基本单位是Ω,1002=100000Ω=10KΩ。
J -表示精度为5%、F-表示精度为1%。
T -表示编带包装1:0402(1/16W) 2:0603(1/10W) 3:0805(1/8W) 4:1206(1/4W) 5:1210(1/3W)6:2010(1/2W) 7:2512(1W)1206 20欧1/4 *4 5欧1w120贴片电阻各参数说明国内贴片电阻的命名方法:1、5%精度的命名:RS-05K102JTR -表示电阻S -表示功率0402是1/16W、0603是1/10W、0805是1/8W、1206是1/4W、1210是1/3W、1812是1/2W、2010是3/4W、2512是1W。
常⽤电⼦元器件(电阻器、电容、电感、晶体⼆极管、晶体三极管) 电⼦元器件是电⼦元件和电⼩型的机器、仪器的组成部分,其本⾝常由若⼲零件构成,可以在同类产品中通⽤;常指电器、⽆线电、仪表等⼯业的某些零件,如电容、晶体管、游丝、发条等⼦器件的总称。
常见的有⼆极管等。
电⼦元器件包括:电阻、电容器、电位器、电⼦管、散热器、机电元件、连接器、半导体分⽴器件、电声器件、激光器件、电⼦显⽰器件、光电器件、传感器、电源、开关、微特电机、电⼦变压器、继电器、印制电路板、集成电路、各类电路、压电、晶体、⽯英、陶瓷磁性材料、印刷电路⽤基材基板、电⼦功能⼯艺专⽤材料、电⼦胶(带)制品、电⼦化学材料及部品等。
五个最常⽤的电⼦元器件识别及使⽤常识 ⼀、电阻 电阻在电路中⽤“R”加数字表⽰,如:R13表⽰编号为13的电阻。
电阻在电路中的主要作⽤为分流、限流、分压、偏置、滤波(与电容器组合使⽤)和阻抗匹配等。
电阻器使⽤注意事项: (1)为提⾼电阻器的稳定性,电阻器使⽤前应进⾏⼈⼯⽼化处理。
常⽤的⽼化处理⽅法是给电阻器两端加⼀直流电压,使电阻器承受的功率为额定功率的1.5倍,处理时间为5分钟,处埋后测量电阻值。
M36LLR8760D1ZAQ;;; (2)电阻器在使⽤前,应对电阻器的阻值及外观进⾏检查,将不合格的电阻器剔除掉,以防电路存在隐患。
(3)电阻器的安装。
电阻器安装前应先对引线挂锡,以确保焊接的牢固性。
电阻器安装时,电阻器的引线不要从根部打弯,以防折断。
较⼤功率的电阻器应采⽤⽀架或螺钉固定,以防松动造成短路。
电阻器焊接时动作要快,不要使电阻器长期受热,以防引起阻值变化。
电阻器安装时,应将标记向上或向外,以便于检及维修。
(4)电阻器的功率⼤于10W时,应保证有散热的空间。
(5)存放和使⽤电阻器时,都应保证电阻器外表漆膜的完整,以免降低它们的防潮性能。
(6)电阻器的更换。
电阻器的符号: 参数识别:电阻的单位为欧姆(Ω),倍率单位有:千欧(KΩ),兆欧(MΩ)等。
开关电源电子元器件组成图解常见的计算机用电源的功能是将输入的交流市电(AC110V/220V),经过隔离型交换式降压电路转换出各硬件所需的各种低压直流电:3.3V、5V、12V、-12V及提供计算机关闭时待命用的5V Standby(5VSB)。
所以电源内部同时具备了耐高压、大功率的组件以及处理低电压及控制信号的小功率组件。
电源转换流程为交流输入→EMI滤波电路→整流电路→功率因子修正电路(主动或是被动PFC)→功率级一次侧(高压侧)开关电路转换成脉流→主要变压器→功率级二次侧(低压侧)整流电路→电压调整电路(例如磁性放大电路或是DC-DC转换电路)→滤波(平滑输出涟波,由电感及电容组成)电路→电源管理电路监控输出。
以下从交流输入端EMI滤波电路常见的组件开始介绍。
交流电输入插座此为交流电从外部输入电源的第一道关卡,为了阻隔来自电力在线干扰,以及避免电源运作所产生的交换噪声经电力线往外散布干扰其它用电装置,都会于交流输入端安装一至二阶的EMI(电磁干扰)Filter(滤波器),其功能就是一个低通滤波器,将交流电中所含高频的噪声旁路或是导向接地线,只让60Hz左右的波型通过。
上面照片中,中央为一体式EMI滤波器电源插座,滤波电路整个包于铁壳中,能更有效避免噪声外泄;右方的则是以小片电路板制作EMI滤波电路,通常使用于无足够深度安装一体式EMI滤波器的电源供应器,少了铁皮外壳多少会有噪声泄漏情形;而左边的插座上只加上Cx与Cy电容(稍后会介绍),使用这类设计的电源,其EMI滤波电路通常需要做在主电路板上,若是主电路板上的EMI电路区空空如也,就代表该区组件被省略掉了。
目前使用12公分风扇的电源供应器内部空间都不太能塞下一体式EMI滤波器,所以大多采用照片左右两边的做法。
X电容(Cx,又称为跨接线路滤波电容)这是EMI滤波电路组成中,用来跨接火线(L)与中性线(N)间的电容,用途是消除来自电力线的低通常态噪声。
元器件封装类型:A.Axial轴状的封装(电阻的封装)AGP (Accelerate raphical Port)加速图形接口AMR(Audio/MODEM Riser) 声音/调制解调器插卡BBGA(Ball Grid Array)球形触点阵列,表面贴装型封装之一。
在印刷基板的背面按阵列方式制作出球形凸点用以代替引脚,在印刷基板的正面装配LSI 芯片,然后用模压树脂或灌封方法进行密封。
也称为凸点阵列载体(PAC)BQFP(quad flat package with bumper)带缓冲垫的四侧引脚扁平封装。
QFP封装之一,在封装本体的四个角设置突(缓冲垫)以防止在运送过程中引脚发生弯曲变形。
C 陶瓷片式载体封装C-(ceramic) 表示陶瓷封装的记号。
例如,CDIP 表示的是陶瓷DIP。
Cerdip 用玻璃密封的陶瓷双列直插式封装,用于ECL RAM,DSP(数字信号处理器)等电路。
带有玻璃窗口的Cerdip 用于紫外线擦除型EPROM 以及内部带有EPROM 的微机电路等。
CERQUAD(Ceramic Quad Flat Pack)表面贴装型封装之一,即用下密封的陶瓷QFP,用于封装DSP 等的逻辑LSI 电路。
带有窗口的Cerquad 用于封装EPROM 电路。
散热性比塑料QFP 好,在自然空冷条件下可容许1.5~2W 的功率CGA(Column Grid Array) 圆柱栅格阵列,又称柱栅阵列封装CCGA(Ceramic Column Grid Array) 陶瓷圆柱栅格阵列CNR是继AMR之后作为INTEL的标准扩展接口CLCC 带引脚的陶瓷芯片载体,引脚从封装的四个侧面引出,呈丁字形。
带有窗口的用于封装紫外线擦除型EPROM 以及带有EPROM 的微机电路等。
此封装也称为QFJ、QFJ-G COB(chip on board) 板上芯片封装,是裸芯片贴装技术之一,半导体芯片交接贴装在印刷线路板上,芯片与基板的电气连接用引线缝合方法实现,芯片与基板的电气连接用引线缝合方法实现,并用树脂覆盖以确保可靠性。
元器件封装大全一、元器件封装的类型元器件封装按照安装的方式不同可以分成两大类。
(1)直插式元器件封装。
直插式元器件封装的焊盘一般贯穿整个电路板,从顶层穿下,在底层进行元器件的引脚焊接,如图F1-1所示。
焊盘贯穿整个电路板图F1-1 直插式元器件的封装示意图典型的直插式元器件及元器件封装如图F1-2所示。
图F1-2 直插式元器件及元器件封装(2)表贴式元器件封装。
表贴式的元器件,指的是其焊盘只附着在电路板的顶层或底层,元器件的焊接是在装配元器件的工作层面上进行的,如图F1-3所示。
Protel 99 SE 基础教程2图F1-3 表贴式元器件的封装示意图典型的表贴式元器件及元器件封装如图F1-4所示。
图F1-4 表贴式元器件及元器件封装在PCB元器件库中,表贴式的元器件封装的引脚一般为红色,表示处在电路板的顶层(Top Layer)。
二、常用元器件的原理图符号和元器件封装在设计PCB的过程中,有些元器件是设计者经常用到的,比如电阻、电容以及三端稳压源等。
在Protel 99 SE中,同一种元器件虽然相同电气特性,但是由于应用的场合不同而导致元器件的封装存在一些差异。
前面的章节中已经讲过,电阻由于其负载功率和运用场合不同而导致其元器件的封装也多种多样,这种情况对于电容来说也同样存在。
因此,本节主要向读者介绍常用元器件的原理图符号和与之相对应的元器件封装,同时尽量给出一些元器件的实物图,使读者能够更快地了解并掌握这些常用元器件的原理图符号和元器件封装。
(1)电阻。
电阻器通常简称为电阻,它是一种应用十分广泛的电子元器件,其英文名字为“Resistor”,缩写为“Res”。
电阻的种类繁多,通常分为固定电阻、可变电阻和特种电阻3大类。
固定电阻可按电阻的材料、结构形状及用途等进行多种分类。
电阻的种类虽多,但常用的电阻类型主要为RT型碳膜电阻、RJ型金属膜电阻、RX型线绕电阻和片状电阻等。
固定电阻的原理图符号的常用名称是“RES1”和“RES2”,如图F1-5(a)所示。
电子元器件封装简介及图解部分元件参考封装元件封装是指在PCB编辑器中,为了将元器件固定、安装于电路板,而绘制的与元器件管脚相对应的焊盘、元件外形等。
由于它的主要作用是将元件固定、焊接在电路板上,因此它对焊盘大小、焊盘间距、焊盘孔大小、焊盘序号等参数有非常严格的要求,元器件的封装、元器件实物、原理图元件管脚序号三者之间必须保持严格的对应关系,如图6.8所示,否则直接关系到制作电路板的成败和质量。
小技巧一般双列直插集成电路元件封装的第一脚焊盘为方形,以便于元件安装和检测,与此对应集成块表面的第一脚位置有小点标志。
由图6.8可知,元件封装一般由二部分组成:焊盘和外形轮廓,其中最关键的组成部分是和元件管脚一一对应的焊盘,它的形状和参数如图6.9所示。
焊盘的作用是将元件管脚固定焊接在电路板的铜箔导线上,因此它的各参数直接关系到焊点的质量和电路板的可靠性,一般包含如下参数:焊盘长度(X-Size)、焊盘宽度(Y-Size)、孔径(Hole Size)、序号(Designator)、形状(Shape)等。
在PCB编辑器中双击焊盘,即可打开焊盘属性对话框,可以修改或设置焊盘各属性。
在元件封装中,除了焊盘本身的参数至关重要外,焊盘之间的距离也必须严格和元件实物管脚之间距离保持一致,否则在进行元件装配、焊接时将可能存在元件无法安装等严重问题,元件封装的合理选择非常重要。
图6.8 元件封装与元件实物、原理图元件的对应关系图6.9 PCB板中的焊盘1元件封装的另一组成部分为外形轮廓,相对于焊盘而言,它的参数要求没有焊盘参数那么严格,一般就是从元件顶部向底部看下去所形成的外部轮廓俯视图,它一般在顶层丝印层(Top Overlayer)绘制,默认颜色为黄色。
外形轮廓主要用于标志元件在电路板上所占面积大小和安装极性,从而便于元件的整体布局,同时还便于元件的安装。
在Protel DXP 安装目录下的“*:\Program Files\Altium\Library\”目录中,存放着大量的PCB元件封装库,在不同的元件封装库中又含有许多不同种类、不同尺寸大小的PCB元件封装,熟练了解Protel DXP 元件封装库的各种封装是正确、快速地为元件选用合适封装的前提,而合适的选择元件封装是成功制作电路板的第一步。
1、TO-268AA贴片元件封装形式图片(1)2、TO-263 D2PAK封装尺寸图 (2)3、TO-263-7封装尺寸图 (3)4、TO-263-5封装尺寸图 (4)5、TO-263-3封装尺寸图 (5)6、TO-252 DPAK封装尺寸图 (6)7、TO-252-5封装尺寸图 (7)8、TO252-3封装尺寸图 (8)9、0201封装尺寸 (9)10、0402封装尺寸图片 (10)11、0603封装尺寸图 (11)12、0805封装尺寸图 (12)13、01005封装尺寸图 (13)14、1008封装尺寸图 (14)15、1206封装尺寸图 (15)16、1210封装尺寸图 (16)17、1406封装尺寸图 (17)18、1812封装尺寸图 (18)19、1808封装尺寸图 (19)20、1825封装尺寸图 (20)21、2010封装尺寸图 (21)22、2225封装尺寸图 (22)23、2308封装尺寸图 (23)24、2512封装尺寸图 (24)25、DO-215AB封装尺寸图 (25)26、DO-215AA封装尺寸图 (26)27、DO-214AC封装尺寸图 (27)28、DO-214AB封装尺寸图 (28)29、DO-214AA封装尺寸图 (29)30、DO-214封装尺寸图 (30)31、DO-213AB封装尺寸图 (31)32、DO-213AA封装尺寸图 (32)33、SOD123H封装图 (33)34、SOD723封装尺寸图 (34)35、SOD523封装尺寸图 (35)36、SOD323封装尺寸图 (36)37、SOD-123F封装尺寸图 (37)38、SOD123封装尺寸图 (38)39、SOD110封装尺寸图 (39)40、DO-214AC SOD106封装尺寸图 (40)41、D-7343封装尺寸图 (41)42、C-6032封装尺寸图 (42)43、B-3528封装尺寸图 (43)44、A-3216封装尺寸图 (44)45、SOT883封装尺寸图 (45) 48、SOT663封装尺寸图 (48)49、SOT552-1封装尺寸图 (49)50、1SOT523封装尺寸图 (50)51、SOT505-1封装尺寸图 (51)52、SOT490-SC89封装尺寸图 (52)53、SOT457 SC74封装尺寸图 (53)54、SOT428封装尺寸图 (54)55、SOT416/SC75封装尺寸图 (55)56、SOT663 SMD封装尺寸图 (56)57、SOT363 SC706L封装尺寸图 (57)58、SOT353/sc70 5L封装尺寸图 (58)59、SOT346/SC59封装尺寸图 (59)60、SOT343 SMD封装尺寸图 (60)61、SOT323/SC70-3 SMD封装尺寸图(61)62、SOT233 SMD封装尺寸图 (62)63、SOT-223/TO-261AA SMD封装尺寸图 (63)64、SOT89/TO243AA SC62 SMD封装尺寸图 (64)65、SOT23-8封装尺寸图 (65)66、SOT23-6封装尺寸图 (66)67、SOT23-5封装尺寸图 (67)68、SOT23封装尺寸图 (68)69、SOT143/TO253 SMD封装尺寸图 (69)TO-268AA贴片元件封装形式图片TO-263 D2PAK封装尺寸图TO-252 DPAK封装尺寸图0201封装尺寸0402封装尺寸图片DO-214封装尺寸图SOD123H封装图SOD-123F封装尺寸图DO-214AC SOD106封装尺寸图D-7343封装尺寸图C-6032封装尺寸图B-3528封装尺寸图A-3216封装尺寸图SOT883封装尺寸图SOT753封装尺寸图SOT666封装尺寸图SOT663封装尺寸图SOT552-1封装尺寸图。
常见元器件封装实物图qqq芯片封装技术知多少前言我们经常听说某某芯片采用什么什么的封装方式,在我们的电脑中,存在着各种各样不同处理芯片,那么,它们又是是采用何种封装形式呢?并且这些封装形式又有什么样的技术特点以及优越性呢?那么就请看看下面的这篇文章,将为你介绍个中芯片封装形式的特点和优点。
一、DIP双列直插式封装DIP(DualIn-line Package)是指采用双列直插形式封装的集成电路芯片,绝大多数中小规模集成电路(IC)均采用这种封装形式,其引脚数一般不超过100个。
采用DIP封装的CPU芯片有两排引脚,需要插入到具有DIP结构的芯片插座上。
当然,也可以直接插在有相同焊孔数和几何排列的电路板上进行焊接。
DIP 封装的芯片在从芯片插座上插拔时应特别小心,以免损坏引脚。
DIP封装具有以下特点:1.适合在PCB(印刷电路板)上穿孔焊接,操作方便。
2.芯片面积与封装面积之间的比值较大,故体积也较大。
Intel系列CPU中8088就采用这种封装形式,缓存(Cache)和早期的内存芯片也是这种封装形式。
二、PQFP塑料方型扁平式封装和PFP塑料扁平组件式封装PQFP(Plastic Quad Flat Package)封装的芯片引脚之间距离很小,管脚很细,一般大规模或超大型集成电路都采用这种封装形式,其引脚数一般在100个以上。
用这种形式封装的芯片必须采用SMD(表面安装设备技术)将芯片与主板焊接起来。
采用SMD安装的芯片不必在主板上打孔,一般在主板表面上有设计好的相应管脚的焊点。
将芯片各脚对准相应的焊点,即可实现与主板的焊接。
用这种方法焊上去的芯片,如果不用专用工具是很难拆卸下来的。
PFP(Plastic Flat Package)方式封装的芯片与QFP方式基本相同。
唯一的区别是QFP一般为正方形,而PFP既可以是正方形,也可以是长方形。
QFP/PFP封装具有以下特点:1.适用于SMD表面安装技术在PCB电路板上安装布线。
电子元器件识别大全图(总11页)--本页仅作为文档封面,使用时请直接删除即可----内页可以根据需求调整合适字体及大小--目的制订本指南﹐规范公司的各层工作人员认识及辩别日常工作中常用的各类组件.范围公司主要产品(计算机主板)中的电子组件认识:工作中最常用的电子组件有﹕电阻﹑电容﹑电感﹑晶体管(包括二极管﹑发光二极管及三极管)﹑晶体﹑晶振(振荡器)和集成电路(IC)。
连接器件主要有﹕插槽﹑插针﹑插座等。
其它一些五金塑料散件﹕散热片﹑胶钉﹑跳线铁丝等。
责任公司的各层工作人员﹐正确认识及辩别日常操作中常用的各类组件﹐结合产品BOM的学习并应掌握以下基础知识或内容﹕A) 从外观就能看出该组件的种类﹐名称以及是否有极性(方向性)。
B) 从组件表面的标记就能读出该组件的容量﹐允许误差范围等参数。
C) 能辩识各类组件在线路板上的丝印图。
D) 知道在作业过程中不同组件需注意的事项。
本指南由品管部负责编制;电子组件电阻电阻用“R”表示﹐它的基本单位是奥姆(Ω)1MΩ(兆欧)=1000KΩ(千欧)=1000000Ω公司常用的电阻有三种﹕色环电阻﹑排型电阻和片状电阻。
色环电阻色环电阻的外观如图示﹕图1 五色环电阻图2 四色环电阻较大的两头叫金属帽﹐中间几道有颜色的圈叫色环﹐这些色环是用来表示该电阻的阻值和范围的﹐共有12种颜色﹐它们分别代表不同的数字(其中金色和银色表误差)﹕颜色棕红橙黄绿蓝紫灰白黑金银代表数字1234567890+5%+10%我们常用的色环电阻有四色环电阻(如图2)和五色环电阻(如图1)﹕1).四色环电阻(普通电阻)﹕电阻外表上有四道色环﹕这四道环﹐首先是要分出哪道是第一环﹑第二环﹑第三环和第四环﹕标在金属帽上的那道环叫第一环﹐表示电阻值的最高位﹐也表示读值的方向。
如黄色表示最高位为四﹐紧挨第一环的叫第二环﹐表示电阻值的次高位﹐如紫色表示次高位为7﹔紧挨第2环的叫第3环﹐表示次高位后“0”的个数,如橙色表示后面有3个0﹔最后一环叫第4环﹐表示误差范围﹐一般仅用金色或银色表示﹐如为金色﹐则表示误差范围在+5%之间﹐如为银色﹐则表示误差范围在+10%之间。
DIMENSIONUTC UNISONIC TECHNOLOGIES CO., LTD.DIP-8 DIMENSION (FIG. NO. DIM-DIP8-0103-B)DIMENSIONUTC UNISONIC TECHNOLOGIES CO., LTD.DIP-14 DIMENSION (FIG. NO. DIM-DIP14-0103-B)DIMENSIONUTC UNISONIC TECHNOLOGIES CO., LTD.DIP-16 DIMENSION (FIG. NO. DIM-DIP16-0103-B)DIMENSIONUTC UNISONIC TECHNOLOGIES CO., LTD.DIP-28 DIMENSION (FIG. NO. DIM-DIP28-0103-B)DIMENSIONUTC UNISONIC TECHNOLOGIES CO., LTD.DIP-12H DIMENSION (FIG. NO. DIM-DIP12H-0103-B)DIMENSIONUTC UNISONIC TECHNOLOGIES CO., LTD.SDIP-24 DIMENSION (FIG. NO. DIM-SDIP24-0103-A)DIMENSIONUTC UNISONIC TECHNOLOGIES CO., LTD.FSIP-12H DIMENSION (FIG. NO. DIM-FSIP12-0103-B)DIMENSIONUTC UNISONIC TECHNOLOGIES CO., LTD.SOP-8 DIMENSION (FIG. NO. DIM-SOP8-0103-B)DIMENSIONUTC UNISONIC TECHNOLOGIES CO., LTD.SOP-14 DIMENSION (FIG. NO. DIM-SOP14-0103-B)DIMENSIONUTC UNISONIC TECHNOLOGIES CO., LTD.SOP-16 DIMENSION (FIG. NO. DIM-SOP16-0103-B)DIMENSIONUTC UNISONIC TECHNOLOGIES CO., LTD.SOP-20 DIMENSION (FIG. NO. DIM-SOP20-0103-A)DIMENSIONUTC UNISONIC TECHNOLOGIES CO., LTD.SOP-24 DIMENSION (FIG. NO. DIM-SOP24-0103-A)DIMENSIONUTC UNISONIC TECHNOLOGIES CO., LTD.SOP-28 DIMENSION (FIG. NO. DIM-SOP28-0103-B)DIMENSIONUTC UNISONIC TECHNOLOGIES CO., LTD.TO-92 DIMENSION (FIG. NO. DIM-TO92-0104-B)DIMENSIONUTC UNISONIC TECHNOLOGIES CO., LTD.TO-92L DIMENSION (FIG. NO. DIM-TO92L-0002-A)DIMENSIONUTC UNISONIC TECHNOLOGIES CO., LTD.TO-92M DIMENSION (FIG. NO. DIM-TO92M-0002-A)DIMENSIONUTC UNISONIC TECHNOLOGIES CO., LTD.TO-92SP DIMENSION (FIG. NO. DIM-TO92SP-0011-B)DIMENSIONUTC UNISONIC TECHNOLOGIES CO., LTD.TO-92NL DIMENSION (FIG. NO. DIM-TO92NL-0103-B)DIMENSIONUTC UNISONIC TECHNOLOGIES CO., LTD.TO-126 DIMENSION (FIG. NO. DIM-TO126-0002-A)DIMENSIONUTC UNISONIC TECHNOLOGIES CO., LTD.TO-220 DIMENSION (FIG. NO. DIM-TO220-0104-B)DIMENSIONUTC UNISONIC TECHNOLOGIES CO., LTD.TO-220B DIMENSION (FIG. NO. DIM-TO220B-0002-A)DIMENSIONUTC UNISONIC TECHNOLOGIES CO., LTD.TO-220FP-4 DIMENSION (FIG. NO. DIM-TO220FP-0100-A)DIMENSIONUTC UNISONIC TECHNOLOGIES CO., LTD.TO-3 DIMENSION (FIG. NO. DIM-TO3-0002-A)DIMENSIONUTC UNISONIC TECHNOLOGIES CO., LTD.TO-251 DIMENSION (FIG. NO. DIM-TO251-0002-A)DIMENSIONUTC UNISONIC TECHNOLOGIES CO., LTD.TO-252 DIMENSION (FIG. NO. DIM-TO252-0009-B)DIMENSIONUTC UNISONIC TECHNOLOGIES CO., LTD.TO-263 DIMENSION (FIG. NO. DIM-TO263-0002-A)DIMENSIONUTC UNISONIC TECHNOLOGIES CO., LTD.SOT-113 DIMENSION (FIG. NO. DIM-SOT113-0103-B)DIMENSIONUTC UNISONIC TECHNOLOGIES CO., LTD.SOT-223 DIMENSION (FIG. NO. DIM-SOT223-0103-B)DIMENSIONUTC UNISONIC TECHNOLOGIES CO., LTD.SOT-23 DIMENSION (FIG. NO. DIM-SOT23-0103-B)DIMENSIONUTC UNISONIC TECHNOLOGIES CO., LTD.SOT-23 VERTICAL DIMENSION (FIG. NO. DIM-SOT23V-0103-B)DIMENSIONUTC UNISONIC TECHNOLOGIES CO., LTD.SOT-25 DIMENSION (FIG. NO. DIM-SOT25-0103-B)DIMENSIONUTC UNISONIC TECHNOLOGIES CO., LTD.SOT-89 DIMENSION (FIG. NO. DIM-SOT89-0103-B)DIMENSIONUTC UNISONIC TECHNOLOGIES CO., LTD.TSSOP-8 DIMENSION (FIG. NO. DIM-TSSOP8-0103-B)DIMENSIONUTC UNISONIC TECHNOLOGIES CO., LTD.TAPING TO-92 DIMENSION (FIG. NO. DIM-TAPING-TO92-0105-C 1/2)DIMENSIONUTC UNISONIC TECHNOLOGIES CO., LTD.TAPING TO-92 DIMENSION (FIG. NO. DIM-TAPING-TO92-0105-C 2/2)DIMENSIONUTC UNISONIC TECHNOLOGIES CO., LTD.TAPING SOP-8 DIMENSION (FIG. NO. DIM-TAPING-SOP8-0104-B)DIMENSIONUTC UNISONIC TECHNOLOGIES CO., LTD.TAPING SOP-14 DIMENSION (FIG. NO. DIM-TAPING-SOP16-0104-B)DIMENSIONUTC UNISONIC TECHNOLOGIES CO., LTD.TAPING SOP-16 DIMENSION (FIG. NO. DIM-TAPING-SOP16-0104-B)DIMENSIONUTC UNISONIC TECHNOLOGIES CO., LTD.TAPING SOP-28 DIMENSION (FIG. NO. DIM-TAPING-SOP28-0104-B)DIMENSIONUTC UNISONIC TECHNOLOGIES CO., LTD.TAPING SOT-23 DIMENSION (FIG. NO. DIM-TAPING- SOT23-0104-B)DIMENSIONUTC UNISONIC TECHNOLOGIES CO., LTD.TAPING SOT-223 DIMENSION (FIG. NO. DIM-TAPING-SOT223-0105-A)DIMENSIONUTC UNISONIC TECHNOLOGIES CO., LTD.TAPING SOT-25 DIMENSION (FIG. NO. DIM-TAPING-SOT25/26-0105-A)DIMENSIONUTC UNISONIC TECHNOLOGIES CO., LTD.TAPING SOT-26 DIMENSION (FIG. NO. DIM-TAPING-SOT25/26-0105-A)DIMENSIONUTC UNISONIC TECHNOLOGIES CO., LTD.TAPING SOT-89 DIMENSION (FIG. NO. DIM-TAPING-SOT89-0104-B)DIMENSIONUTC UNISONIC TECHNOLOGIES CO., LTD.TAPING TO-252 DIMENSION (FIG. NO. DIM-TAPING-TO252-0104-B)DIMENSIONUTC UNISONIC TECHNOLOGIES CO., LTD.TAPING TO-263 DIMENSION (FIG. NO. DIM-TAPING-TO263-0105-A)DIMENSION UTCUNISONIC TECHNOLOGIES CO., LTD.TAPING TSSOP-8 DIMENSION (FIG. NO. DIM-TAPING-TSSOP8-0105-A)。