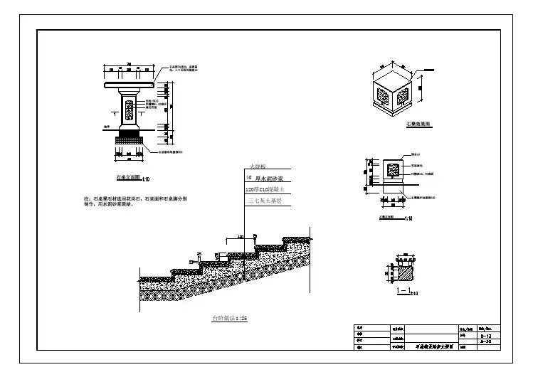
1-10.51.1.1.51.59.14.晋 江彩叶扶桑彩叶扶桑大叶红草黄心榕砼}大叶红草水闸黄心榕球荷花(缸栽)仿木结构钓鱼亭榕树球钓鱼池2夹竹桃黄心榕艳山姜彩叶扶桑垂枝榕(内植大叶红草、外植驳骨丹)大地模纹花坛原有台阶小叶榕黄心榕大叶红草榕树球荷花(缸栽)晋江河口湿地江滨公园绿化规划设计总平面说明:2222黄心榕黄心榕R6000R8500隔离带钓鱼池水葱水葱红叶乌桕红叶乌桕榕树球垂柳垂枝榕华棕华棕草地步石回车场2\H3.5e+003美人蕉美人蕉美人蕉R3200R5000R8000R6000R6000R 8000R4000R5500R5000R3000R6300R4800R7500R10000R6000R8000R12500R10000R85006000R 4000R5500绿施7/16实 名给排水结 构建 筑专 业暖 通电 气日 期专 业日 期签 名实 名签 名图 别图 号工程编号专业负责人制 图设 计校 对审 核审 定工程负责人建设单位 :工程名称 :注审查批准单位 :图纸专用章施工图审查批准书证号 :备注:晋江河口湿地江滨公园绿化规划设计总平面R7700 R5800R5800黄心榕球1)施工时应根据设计说明严格按图纸及绿化苗木表进行种植施工,现场与图纸不符处应及时与设计师联系咨询,不得擅自更改设计图纸。2)沿防洪堤的乔木种植间距为5m,其他地方以色块为主,适当点缀一些乔木。3)大叶红草:36株/m 黄心榕:25株/m 美人蕉:25株/m 彩叶扶桑:25株/m 驳骨丹:36株/m4)隔离带种植黄心榕球,间距为2m,水渠及水池自然护坡边种植一些水生植物,如水葱、芦苇等。5)图中未标明地被均为结缕草草皮,草皮采用无杂草,生长势好的草源,铺种方式为草砖密铺,草砖相互衔接应<2cm。6)字体图案按大样图中尺寸进行放样。7)图中说明未尽事宜参照国家有关规范。N151:60010502025M车行道车行道行车道南迎春水葱苏铁钓鱼池水位控制水闸636花岗岩石板压顶规格:550*150%%c1500钢筋砼管豫埋休闲观赏池配色板材砖铺地5000华棕黄心榕球钢砼预制仿铁杉木桥(1)3100026003000028000R1200