振速与振幅对照表
- 格式:doc
- 大小:52.00 KB
- 文档页数:2
振动测量与计算1、常用的振动测量参数有振幅、振动速度(振速) 、振动加速度。
对应单位表示为:mm 、mm/s 、mm/(s 2)。
振幅是表象,定义为在波动或振动中距离平衡位置或静止位置的最大位移。
振幅在数值上等于最大位移的大小。
振幅是标量,单位用米或厘米表示。
它描述了物体振动幅度的大小和振动的强弱。
系统振动中最大动态位移,称为振幅。
在下图中,位移y 表示波的振幅。
速度和加速度是转子激振力的程度。
2、三者的区别:位移、速度、加速度都是振动测量的度量参数。
就概念而言,位移的测量能够直接反映轴承/ 固定螺栓和其它固定件上的应力状况。
例如:通过分析汽轮机上滑动轴承的位移,可以知道其轴承内轴杆的位置和摩擦情况。
速度反映轴承及其它相关结构所承受的疲劳应力。
而这正是导致旋转设备故障的重要原因。
加速度则反映设备内部各种力的综合作用。
表达上三者均为正弦曲线,分别有90 度,180度的相位差。
现场应用上,对于低速设备(转速小于1000rpm)来说,位移是最好的测量方法。
而那些加速度很小,其位移较大的设备,一般采用折衷的方法,即采用速度测量,对于高速度或高频设备,有时尽管位移很小,速度也适中,但其加速度却可能很高的设备采用加速度测量是非常重要的手段。
3、现场一般选用原则如下:mm 振动位移:与频率f 无关,特别适合低频振动(<10Hz ))选用,一般用于低转速机械的振动评定mm/s 振动速度:速度V=X ω,与频率f 成正比,通常推荐选用一般用于中速转动机械(或中频振动(10~1000Hz ))的振动评定mm/ (s2)振动加速度:A=V ω=Xω 2与频率f 2成正比,特别适合高频振动选用;一般用于高速转动机械(或高频振动(>1000Hz ))的振动评定。
其中:ω =2 πf4、工程上对于大多数机器来说,最佳诊断参数是速度(速度的有效值),因为它是反映诊断强度的理想参数,表征的是振动的能量;所以国际上许多振动诊断标准都是采用速度有效值作为判别参数。
振动单位换算表Company number:【0089WT-8898YT-W8CCB-BUUT-202108】振动单位换算表加速度位移频率位移、速度、加速度振幅值换算表(0-peak)值注:适用于单一频率f (Hz)换算。
振幅表示模式换算表RMS值 =×Peak值Peak值 =×RMS值Peak to Peak值= 2 ×Peak值Peak to Peak值=×RMS值对一个单一频率的振动,速度峰值是位移峰值的2πf倍,加速度峰值又是速度峰值的2πf倍。
当然要注意位移一般用的峰峰值,速度用有效值,加速度用峰值。
还要注意现场测量的位移是轴和轴瓦的相对振动,速度和加速度测的是轴瓦的绝对振动。
假设一个振动的速度一定,是5mm/s,大家可以自己算下如果是低频振动,其位移会很大,但加速度很小。
高频振动位移则极小,加速度很大。
所以一般在低频区域都用位移,高频区域用加速度,中频用速度。
但使用范围也有重叠。
位移值体现的是设备在空间上的振动范围,因此取其峰峰值,电力行业一般以位移为评判标准。
速度的有效值和振动的能量是成比例的,其大小代表了振动能量的大小,现在出了电力行业基本上都是以速度有效值为标准的。
加速度和力成正比,一般用其峰值,其大小表示了振动中最大的冲击力,冲击力大设备更容易疲劳损坏,现在没有加速度的标准。
振动幅值的表达式是正弦函数形式的,位移微分得到速度,速度微分得到加速度。
则:振动位移方程式: Y=Asinωt振动速度方程式: V= -Aωcosωt振动速度方程式: G= -Aωωsinωt如果振动频率为f的话,那么ω=2πf 其中π=如果是单频率f的振动,位移的幅值为A,则速度幅值为2πfA,加速度幅值为2πf*2πfA。
但是工程中读取的振动值,位移用峰峰值,速度用有效值,加速度用峰值。
所以一个单频率的振动,位移读数是A的话,速度应该是πfA,加速度是2πf*πfA。
风机振动测量
我们通常采用振动幅度与振动烈度两个指标,二者有联系,也有区别。
可以通过公式进行转换。
振动幅度:由于未引入设备振动基频概念,造成不同转速设备振幅标准不一样。
不能真正反映转轴的振动状态。
单位:mm
振动烈度:能真正反映出振动的能量,这种标准比较合理。
单位:mm/s
振动速度有效值=振幅*角速度*/2√2
=振幅*314*/2√2 =100振幅(3000转)
=33振幅(1000转)
=16振幅(500转)
振动速度有效值--- mm/s
振幅---μm
振动速度均方根值选取
根据ISO1086-1:1995《机械振动---在飞旋转部件上测量和评价机器振动第一部分:总则》将机器分为4类:
I类:15KW以下的电机。
II类:无独立底座的中型机器(如:15~75kw的电机),有独立底座的发动机或机器(30kw以下)。
III类:安装在刚性重型底座上的大型原动机和其他大型机器。
IV类:安装在柔性底座上的大型原动机和其他机器(如具有10MW输出功率的汽轮发电机组和燃气轮机)。
表中区域划分:
A、新交付使用的机器。
B、可以不受限制的长期运行。
C、不适宜作长期连续运行。
D、振动烈度足以危害机器。
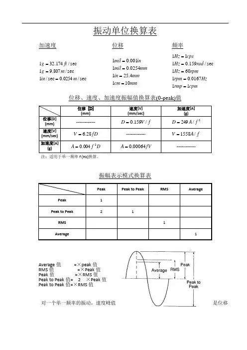
振动单位换算表加速度位移频率sec/0254.0sec /1sec /807.91sec /174.321m in m g ft g ===mmcm mm in mm mil inmil 1014.2510254.01001.01==== cpmrmp Hz rpm rpm Hz rad Hz cpsHz 110167.01601sec/159.0111=====位移、速度、加速度振幅值换算表(0-peak)值位移 [D] (mm) 速度[V] (mm/sec)加速度[A](g)位移[D] (mm) ---------------fV D /159.0=2/249f A D =速度[V] (mm/sec) fD V 28.6= ---------------f A V /1558=加速度[A](g)D f A 2004.0=fV A 00064.0=---------------注:适用于单一频率f (Hz)换算。
振幅表示模式换算表Peak Peak to PeakRMS AveragePeak 1 Peak to Peak2 1 RMS 1 Average1Average 值 =×peak 值 RMS 值 =×Peak 值 Peak 值 =×RMS 值 Peak to Peak 值= 2 ×Peak 值 Peak to Peak 值=×RMS 值对一个单一频率的振动,速度峰值是位移峰值的2πf倍,加速度峰值又是速度峰值的2πf倍。
当然要注意位移一般用的峰峰值,速度用有效值,加速度用峰值。
还要注意现场测量的位移是轴和轴瓦的相对振动,速度和加速度测的是轴瓦的绝对振动。
假设一个振动的速度一定,是5mm/s,大家可以自己算下如果是低频振动,其位移会很大,但加速度很小。
高频振动位移则极小,加速度很大。
所以一般在低频区域都用位移,高频区域用加速度,中频用速度。
振动单位换算表加速度位移频率sec/0254.0sec /1sec /807.91sec /174.321m in m g ft g ===mmcm mm in mm mil inmil 1014.2510254.01001.01==== cpmrmp Hz rpm rpm Hz rad Hz cpsHz 110167.01601sec/159.0111=====位移、速度、加速度振幅值换算表(0-peak)值位移 [D] (mm) 速度[V] (mm/sec)加速度[A](g)位移[D] (mm) ---------------fV D /159.0=2/249f A D =速度[V] (mm/sec) fD V 28.6= ---------------f A V /1558=加速度[A](g)D f A 2004.0=fV A 00064.0=---------------注:适用于单一频率f (Hz)换算。
振幅表示模式换算表Peak Peak to PeakRMS Average Peak 1 0.5 1.414 1.570 Peak to Peak2 1 2.828 3.140 RMS 0.707 0.354 1 1.110 Average0.6370.3190.9011Average 值 =0.637×peak 值 RMS 值 =0.707×Peak 值 Peak 值 =1.414×RMS 值 Peak to Peak 值= 2 ×Peak 值 Peak to Peak 值=2.828×RMS 值对一个单一频率的振动,速度峰值是位移峰值的峰值的2πf 倍,加速度峰值又是速度2πf倍。
当然要注意位移一般用的峰峰值,速度用有效值,加速度用峰值。
还要注意现场测量的位移是轴和轴瓦的相对振动,速度和加速度测的是轴瓦的绝对振动。
假设一个振动的速度一定,是5mm/s,大家可以自己算下如果是低频振动,其位移会很大,但加速度很小。
电机振幅标准表1. 引言在电机设计和制造中,振幅是一个重要的参数,它反映了电机在工作过程中振动的大小和频率。
本文档旨在提供一份电机振幅标准表,以便在电机生产和应用中能够评估电机的振动情况,确保其符合相关的要求和标准。
2. 标准表格下表列出了电机振幅标准表的相关参数和数值要求:3. 标准说明- 振幅频率要求:电机的振幅频率应在10 Hz至1000 Hz的范围内,超出范围的振幅频率可能会对电机的正常运行产生不利影响。
- 水平和垂直方向最大振幅要求:电机在水平和垂直方向上的最大振幅应分别不超过0.1 mm和0.2 mm。
超出限定值的振幅可能会导致电机运行不稳定或噪音过大。
- 最大振幅对应的频率范围:电机的最大振幅对应的频率应在30 Hz至500 Hz的范围内。
该范围内的振幅频率是电机正常运行的关键参数。
4. 应用建议根据电机振幅标准表中的要求,以下是一些应用建议:- 在电机设计和制造的过程中,应严格把控振幅频率在10 Hz至1000 Hz的范围内。
- 在电机应用中,监测和评估电机的水平和垂直方向振幅,并确保其不超过0.1 mm和0.2 mm。
- 对于电机最大振幅对应的频率范围,应定期进行检测和调整,确保电机在30 Hz至500 Hz的频率范围内保持正常。
5. 结论电机振幅标准表提供了评估电机振动情况的相关参数和数值要求。
遵循这些标准要求,能够确保电机在设计、制造和应用过程中的振动控制,并保证其正常运行和可靠性。
以上为电机振幅标准表的内容,旨在为电机行业相关人员提供参考和指导。
振动单位换算表振动单位换算表:1 Hz = 1 cps1 Hz = 0.159 rad/sec1 g = 32.174 ft/sec1 g = 9.807 m/sec1 in/sec = 0.0254 m/sec1 mil = 0.001 in1 mil = 0.0254 mm1 in = 25.4 mm1 cm = 10 mm1 Hz = 60 rpm1 rpm = 0.0167 Hz1 rpm = 1 cpm位移、速度、加速度振幅值换算表(0-peak)值:位移[D] (mm) 速度[V] (mm/sec) 加速度[A] (g)位移[D] (mm) --------------- 速度[V] (mm/sec) 加速度[A] (g) D = 0.159V/f --------------- D = 249A/f^2V = 6.28fDA = 0.004f^2DV = 1558A/f --------------- A = 0.fV注:适用于单一频率f(Hz)换算。
振幅表示模式换算表:Peak Peak to Peak RMS AveragePeak 1 2 0.707 0.637Peak to Peak 0.5 1 0.354 0.319 RMS 1.414 2.828 1 0.901 Average 1.570 3.140 1.110 1其中。
Average值 = 0.637 × peak值RMS值 = 0.707 × Peak值Peak值 = 1.414 × RMS值Peak to Peak值 = 2 × Peak值Peak to Peak值 = 2.828 × RMS值对于单一频率的振动,速度峰值是位移峰值的2πf倍,而加速度峰值是速度峰值的2πf倍。
需要注意的是,位移一般使用峰峰值,速度使用有效值,加速度使用峰值。
此外,现场测量的位移是轴和轴瓦的相对振动,而速度和加速度测量的是轴瓦的绝对振动。
何谓振幅、振动速度(振速)、振动加速度?振动一般可以用以下三个单位表示:mm、mm/s、mm/s²,即振幅、振动速度(振速)、振动加速度。
振幅是表象,速度和加速度是转子激振力的程度。
•振动位移:理解成路程,单位是mm,一般用于低转速机械的振动评定;•振动速度:理解成速度,单位是mm/s,一般用于中速转动机械的振动评定;•振动加速度:理解成运动加速度,单位mm/s²,一般用于高速转动机械的振动评定。
工程实用的振动速度是速度的有效值,表征的是振动的能量。
加速度是用的峰值,表征振动中冲击力的大小。
速度描述的是运动快慢;振速就是振动快慢,一秒内能产生的振幅。
振幅相同的设备,它的振动状态可能不同,所以引入了振速。
位移、速度、加速度都是振动测量的度量参数。
就概念而言,位移的测量能够直接反映轴承固定螺栓和其它固定件上的应力状况。
例如通过分析透平机上滑动轴承的位移,可以知道其轴承内轴杆的位置和摩擦情况;速度反映轴承及其它相关结构所承受的疲劳应力,而这正是导致旋转设备故障的重要原因;加速度则反映设备内部各种力的综合作用。
表达上三者均为正弦曲线,分别有90度、180度的相位差。
现场应用上,对于低速设备(转速小于1000RPM)来说,位移是最好的测量方法。
而那些加速度很小位移较大的设备,一般采用折衷的方法,即采用速度测量。
对于高速度或高频设备,有时尽管位移很小速度也适中,但其加速度却可能很高的设备,采用加速度测量是非常重要的手段。
另外还需要了解传感器的工作原理及应用选择,提及一点,例如采用涡流传感器测量的位移和应用加速度传感器,通过两次积分输出的位移所得到的东西是完全不一样的。
涡流传感器测量轴承与轴杆之间的相对运动;加速度传感器测量轴承顶部的振动,然后转换成位移。
如整个轴承振动的很厉害,轴与轴承的相对运动很小,涡流传感器就不能反应出这样的状态,而加速度传感器则可以。
两种传感器测量两种不同的现象。
理解了这些,你就能明白为什么许多有经验的工程师将涡流传感器和加速度传感器组合应用,以便既可观察轴承相对于地面的振动,又能监测到轴相对于轴承的振动了,通过这样的方式能得到更完整的机器状态。
振动单位换算表加速度位移频率sec/0254.0sec /1sec/807.91sec/174.321m in m g ft g ===m mcm m m in m mm il in m il 1014.2510254.01001.01====cpmrmp Hz rpm rpm Hz rad Hz cps Hz 110167.01601sec /159.0111=====位移、速度、加速度振幅值换算表(0-peak)值注:适用于单一频率f (Hz)换算。
振幅表示模式换算表Average 值 =0.637×peak 值 RMS 值 =0.707×Peak 值 Peak 值 =1.414×RMS 值 Peak to Peak 值= 2 ×Peak 值 Peak to Peak 值=2.828×RMS 值对一个单一频率的振动,速度峰值是位移峰值的2πf倍,加速度峰值又是速度峰值的2πf倍。
当然要注意位移一般用的峰峰值,速度用有效值,加速度用峰值。
还要注意现场测量的位移是轴和轴瓦的相对振动,速度和加速度测的是轴瓦的绝对振动。
假设一个振动的速度一定,是5mm/s,大家可以自己算下如果是低频振动,其位移会很大,但加速度很小。
高频振动位移则极小,加速度很大。
所以一般在低频区域都用位移,高频区域用加速度,中频用速度。
但使用范围也有重叠。
位移值体现的是设备在空间上的振动范围,因此取其峰峰值,电力行业一般以位移为评判标准。
速度的有效值和振动的能量是成比例的,其大小代表了振动能量的大小,现在出了电力行业基本上都是以速度有效值为标准的。
加速度和力成正比,一般用其峰值,其大小表示了振动中最大的冲击力,冲击力大设备更容易疲劳损坏,现在没有加速度的标准。
振动幅值的表达式是正弦函数形式的,位移微分得到速度,速度微分得到加速度。
则:振动位移方程式: Y=Asinωt振动速度方程式: V= -Aωcosωt振动速度方程式: G= -Aωωsinωt如果振动频率为f的话,那么ω=2πf 其中π=3.1415926如果是单频率f的振动,位移的幅值为A,则速度幅值为2πfA,加速度幅值为2πf*2πfA。
转机振动标准对照表高压电机振动标准参数表?电机的振动值标准?1.额定转速750r/min以下的转机,轴承振动值不超过0.12mm 2.额定转速1000r/min的转机,轴承振动值不超过0.10mm3.额定转速1500r/min的转机,轴承振动值不超过0.085mm4.额定转速3000r/min的转机,轴承振动值不超过0.05mm。
1500转电机的振幅是多少?1500转电机的振幅值: 1、用轴承震动速度有效显示时为:11mm/s。
2、用轴承振幅显示时为以下值: (1)电机同步转速为3000转/分时:最大允许值为:0.1mm(双振幅) (2)电机同步转速为1500转/分时:最大允许值为:0.2mm(双振幅) (3)电机同步转速为1000转...”低压电动机振动值:额定转速(r/min) 3000 1500 1000 750及以下振动值(双振幅mm) 0.06 0.1 0.13 0.1640KW以下的不重要电机可不测振动。
高压电动机振动值:额定转速(r/min) 3000 1500 1000 750 600 500振动值(双振幅mm) 0.06 0.08 0.1 0.12 0.16 0.2090kw电机振动多大算正常?电机运行时的振动值范围(双振幅) :(mm ) 0.05 加速度(mm/s2)状态≦9.8 优;电动机运行时加速度允许值表3 9.8~39.2 良好;0.12 ≧39.2 不正常现象。
电机(英文:Electric machinery,俗称“马达”)是指依据电磁感应定律实现电能转换或传递的一种电磁装置。
在电路中用字母M(旧标准用D)表示。
它的主要作用是产生驱动转矩,作为用电器或各种机械的动力源。
发电机在电路中用字母G表示。
它的主要作用是利用电能转化为机械能。
振动单位换算表振动单位换算表加速度位移频率sec /0254.0sec /1sec/807.91sec/174.321m in m g ft g === mm cm mmin mm mil in mil 1014.2510254.01001.01==== cpm rmp Hz rpm rpm Hz rad Hz cpsHz 110167.01601sec /159.0111=====位移、速度、加速度振幅值换算表(0-peak)值位移 [D] (mm) 速度[V] (mm/sec) 加速度[A] (g) 位移[D] (mm) --------------- f V D /159.0= 2/249f A D = 速度[V] (mm/sec) fD V 28.6= --------------- f A V /1558= 加速度[A] (g) D f A 2004.0= fV A 00064.0=--------------- 注:适用于单一频率f (Hz)换算。
振幅表示模式换算表Peak Peak to Peak RMS Average Peak1 0.5 1.414 1.570 Peak to Peak2 1 2.828 3.140 RMS0.707 0.354 1 1.110 Average 0.637 0.319 0.901 1Average 值=0.637×peak 值 RMS 值=0.707×Peak 值 Peak 值=1.414×RMS 值Peak to Peak 值= 2 ×Peak 值Peak to Peak 值=2.828×RMS 值对一个单一频率的振动,速度峰值是位移峰值的2πf倍,加速度峰值又是速度峰值的2πf倍。
当然要注意位移一般用的峰峰值,速度用有效值,加速度用峰值。
还要注意现场测量的位移是轴和轴瓦的相对振动,速度和加速度测的是轴瓦的绝对振动。
水力机械的振幅值和振速换算关系水力机械是利用水能将水能转换为机械能的设备,广泛应用于水利工程、发电等领域。
在水力机械的运行过程中,振幅值和振速是两个重要的参数。
本文将从振幅值和振速的定义、计算公式以及它们之间的换算关系进行探讨。
一、振幅值的定义和计算振幅值是指水力机械在振动过程中,从平衡位置到最大偏离位置之间的距离。
它是描述振动幅度大小的重要指标。
在水力机械中,振幅值通常用米或毫米表示。
对于简谐振动的水力机械,振幅值可以通过以下公式计算:振幅值 = 最大偏离位置 - 平衡位置以水轮机为例,当水轮机叶片在水流冲击下进行振动时,可以通过对叶片振动轨迹进行测量,得到振幅值。
振幅值的大小与水流的流速、叶片的质量、叶片的刚度等因素有关。
二、振速的定义和计算振速是指水力机械在振动过程中,单位时间内通过平衡位置的次数。
它是描述振动频率的重要参数。
在水力机械中,振速通常用赫兹(Hz)表示。
对于简谐振动的水力机械,振速可以通过以下公式计算:振速 = 振动次数 / 时间在实际应用中,可以通过在水力机械上安装振动传感器,测量单位时间内通过平衡位置的次数,从而得到振速的数值。
振速的大小与水流的流速、叶片的质量、叶片的刚度等因素有关。
三、振幅值和振速的换算关系振幅值和振速是描述水力机械振动特性的两个重要参数,它们之间存在一定的换算关系。
根据振动理论,振速和振幅值之间的关系可以用以下公式表示:振速= 2π × 频率× 振幅值其中,频率是指单位时间内通过平衡位置的次数,单位为赫兹(Hz)。
通过这个关系式,我们可以根据已知的振幅值和频率来计算振速,或者根据已知的振速和频率来计算振幅值。
这对于水力机械的振动特性分析和设计优化具有重要意义。
四、小结本文对水力机械的振幅值和振速进行了详细的介绍和解释。
振幅值是描述振动幅度大小的重要参数,可以通过测量最大偏离位置和平衡位置之间的距离来计算。
振速是描述振动频率的重要参数,可以通过测量单位时间内通过平衡位置的次数来计算。
表1:
状态评价
振动烈度(mm/s) 小型机器
I类
中型机器
II类
大型刚性支
撑
III类
弹性支撑
IV类
0.28
0.45 A
0.71 A好
1.12 B A
1.8 B较好 A
2.8 C B
4.5 C允许 B
7.1 D C
11.2 D 不允许 C
18 D
28 D
45
I类:小型机器、电动机≤15kW II类:中型机器、电动机15~75kW
III类:刚性支撑的大型机器75~300kW IV类:弹性支撑的透平机。
A区:好,新交付使用的电动机的振动必须在该区域;
B区:较好,通常认为振动值在该区域的机器可不受限制的长期运行;
C区:允许,认为振动值在该区域的机器不适宜于长期运行,可在有限时间运行,但必须采取补救措施;
D区:不允许,通常认为振动剧烈,足以引起机器损坏。
电动机运行时振动允许值表2
同步转速(r/min) 3000 1500 1000 750以下振动值(双振幅)(mm )0.05 0.085 0.10 0.12
电动机运行时加速度允许值表3
加速度(mm/s2)≦9.8 9.8~39.2≧39.2
状态优良好不正常现象。
振速与振幅对照表
1、mm是振幅值,mm/s是振速,也叫振动烈度。
不同的转机可能按照制造厂的出厂说明采取不同的单位来考核。
换算公式可以用:A=V×1000×60×2^(0.5)/(pi×w)A是振动位移峰峰值,单位um。
V是振动烈度,w是转速(r/min)。
2、风机运行工况一般通过测量其轴承温度和振动来判定。
振动大小可通过测量振动位移、振动速度、振动加速度的方式来判定。
太仓港环保发电有限公司送风机和一次风机测量的是振动速度(单位为mm/s),引风机测量的是振动位移(单位为um)。
通常大家习惯于测量振动位移(即振幅),这就存在振动位移和振动速度二者相互换算,其换算公式为: Veff=7.4×10-5ns Veff---振动速度,单位为mm/s s------振动位移, 单位为um n------风机转速, 单位为r/min
3、mm/s指振速,mm指振幅,因为不能输入公式编辑器,简单地说二者换算关系为:Sf≈0.225vf/f,式中Sf 为振动的位移幅值,vf 为主频率为f 的振动速度的均方根值。
一般f值均为10Hz,所以Sf≈0.0225vf 。
举例说如果vf =1.00mm/s,那么换算成振幅则为Sf≈0.0225mm。