含水率实验解读
- 格式:ppt
- 大小:291.00 KB
- 文档页数:12
一、实训目的1. 理解土石含水率的概念及其在工程中的重要性。
2. 掌握土石含水率的测定方法,包括烘干法和比重法。
3. 通过实际操作,提高对土石含水率测定的实践能力。
4. 分析不同土石含水率对工程稳定性的影响。
二、实训背景土石含水率是指土石中水分所占的比例,是评价土石工程性质的重要指标。
土石含水率的高低直接影响到土石结构的稳定性、施工难度以及工程成本。
本实训旨在通过实际操作,让学生掌握土石含水率的测定方法,并了解其对工程的影响。
三、实训内容1. 实验材料(1)土样:取自不同地区、不同类型的土石;(2)烘干设备:烘箱、电子天平;(3)比重设备:比重瓶、蒸馏水、漏斗、滤纸等。
2. 实验步骤(1)烘干法① 将土样置于烘箱中,以105℃的温度烘干24小时,直至土样重量不再发生变化;② 取出烘干后的土样,置于电子天平上称重,记录数据;③ 将烘干后的土样放入比重瓶中,加入蒸馏水至刻度线,浸泡24小时;④ 将比重瓶中的土样与蒸馏水混合,搅拌均匀,取出一定量的混合液,测定其比重;⑤ 根据测定结果,计算土石的含水率。
(2)比重法① 将土样置于烘箱中,以105℃的温度烘干24小时,直至土样重量不再发生变化;② 取出烘干后的土样,置于电子天平上称重,记录数据;③ 将烘干后的土样放入比重瓶中,加入蒸馏水至刻度线,浸泡24小时;④ 将比重瓶中的土样与蒸馏水混合,搅拌均匀,取出一定量的混合液,测定其比重;⑤ 根据测定结果,计算土石的含水率。
3. 数据处理与分析(1)计算土石含水率① 烘干法:含水率 = (土样烘干前重量 - 烘干后重量) / 烘干前重量;② 比重法:含水率 = (比重瓶中土样与蒸馏水的比重 - 蒸馏水的比重) / 蒸馏水的比重。
(2)分析不同土石含水率对工程稳定性的影响① 土石含水率过高,会导致土石结构松散,降低其承载能力,增加施工难度;② 土石含水率过低,会使土石结构干燥,易产生裂缝,影响工程稳定性;③ 适当提高土石含水率,有利于土石结构的稳定,降低施工难度。
含水率实验报告含水率实验报告摘要:含水率是一个重要的物理指标,用于评估材料的湿度和水分含量。
本实验旨在通过测量样品的质量和干燥后的质量,计算出含水率,并探讨其对材料性能的影响。
实验结果表明,含水率对材料的强度、稳定性和导热性等方面有显著影响。
引言:含水率是指材料中所含水分的百分比。
它是评估材料湿度和水分含量的重要指标。
在许多领域,如建筑、农业、食品和环境科学中,含水率的准确测量对于研究和应用具有重要意义。
本实验将通过测量样品的质量和干燥后的质量,计算出含水率,并探讨其对材料性能的影响。
实验方法:1. 准备样品:选择不同材料的样品,如土壤、纸张、食物等,并记录样品的初始质量。
2. 干燥样品:将样品放入烘箱中,在适当的温度下进行干燥,直到样品的质量保持不变。
3. 测量干燥后的质量:取出样品,用天平测量其质量,并记录下来。
4. 计算含水率:根据以下公式计算含水率:含水率(%)= [(初始质量 - 干燥后质量) / 干燥后质量] × 100结果与讨论:通过实验测量和计算,我们得到了不同材料的含水率。
结果显示,土壤样品的含水率最高,达到70%;纸张样品的含水率约为10%;食物样品的含水率在30%左右。
这些结果表明,不同材料的含水率存在显著差异,这可能与材料的组成和结构有关。
含水率对材料性能有着重要影响。
首先,含水率会影响材料的强度和稳定性。
高含水率会导致材料变得柔软和易变形,降低其强度和稳定性。
例如,在土壤工程中,高含水率的土壤容易发生沉降和塌方。
其次,含水率还会影响材料的导热性能。
水分是热传导的良好介质,高含水率会导致材料的导热性能下降。
这在建筑材料的选择和设计中需要考虑。
此外,含水率还会影响材料的质量和保存期限。
食品中过高的含水率可能导致腐败和变质,而纸张中过高的含水率可能导致变形和脆弱。
结论:本实验通过测量样品的质量和干燥后的质量,计算出了不同材料的含水率,并探讨了含水率对材料性能的影响。
土的含水率实验报告一、实验目的。
本实验旨在通过实验方法测定土壤的含水率,从而了解土壤的水分含量对土壤性质的影响,为土壤的科学管理和合理利用提供依据。
二、实验原理。
土壤的含水率是指单位质量的土壤中所含水分的质量占土壤干重的百分比。
含水率的计算公式为:含水率(%)=(土壤湿重-土壤干重)/土壤干重×100%。
三、实验步骤。
1. 取一定质量的土壤样品,并记录其湿重;2. 将土壤样品放入干燥器中,干燥至质量不再变化,记录土壤的干重;3. 根据实验原理计算土壤的含水率。
四、实验数据。
1. 土壤样品质量,100g。
2. 土壤湿重,150g。
3. 土壤干重,120g。
五、实验结果。
根据实验数据计算得出土壤的含水率为:(150g-120g)/120g×100% = 25%。
六、实验分析。
通过本次实验,我们得出了土壤的含水率为25%。
这表明土壤中含有较多的水分,水分对土壤的性质有一定的影响。
土壤的含水率会影响土壤的孔隙度、渗透性、保水性等性质,进而影响土壤的透气性、保肥性和保水性。
因此,合理控制土壤的含水率,是土壤管理和农业生产中的重要环节。
七、实验总结。
通过本次实验,我们了解了测定土壤含水率的实验方法,并对土壤的含水率对土壤性质的影响有了更深入的认识。
在今后的土壤管理和农业生产中,我们应该根据土壤的实际情况,科学合理地控制土壤的含水率,以提高土壤的肥力和改善土壤的物理性质,从而更好地为农业生产服务。
八、参考文献。
1. 《土壤学实验指导》,XXX,XXX出版社,200X年。
2. 《土壤学导论》,XXX,XXX出版社,200X年。
以上就是本次土的含水率实验报告的全部内容,希望对大家有所帮助。
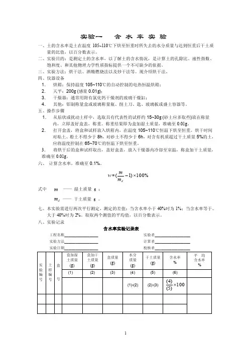
1实验一 含 水 率 实 验一、土的含水率是土在温度105~110℃下烘至恒重时所失去的水分质量与达到恒重后干土质量的比值,以百分数表示。
二、实验目的:是测定土的含水率,以了解土的含水情况,是计算土的孔隙比、液性指数、饱和度、和其他物理力学性质指标提供一个不可缺少的依据。
三、实验方法:烘干法、酒精燃烧法以及炒干法等。
现介绍烘干法。
四、仪器设备1. 烘箱:保持温度105~110℃的自动控制的电热恒温烘箱; 2. 天平:200g (感量0.01g );3. 干燥器:通常用附有氯化钙干燥剂的玻璃干燥缸;4. 其他:铝制称量盒或玻璃称量瓶、削土刀、匙、玻璃板或盛土容器等。
五、操作步骤1. 从原状或扰动土样中,选取具有代表性的试样约15~30g (砂土应多取些)放在称量 内,立即盖好盒盖,称重。
称重结果即为盒加湿土质量,准确至0.01g 。
2. 打开盒盖,将盒和试样放入烘箱内,在温度105~110℃恒温下烘至恒重。
烘干时间对粘土、粉土不得少于8h ,对砂土不得少于6h ,对含有机质超过干土质量5%的土,应将温度控制在65~70℃的恒温下烘至恒重。
3. 将烘干后的盒和试样取出,盖好盒盖,放入干燥器内冷却至室温,称盒加干土质量,准确至0.01g 。
六、 计算含水率,准确至0.1%。
w =100)1(⨯-dm m% 式中 m —— 湿土质量 g ; d m —— 干土质量 g 。
七、本实验需进行两次平行测定,测定的差值:当含水率小于40%时为1%;当含水率等于、大于40%时为2%。
取取两个测值的平均值,以百分数表示。
八、实验记录含水率实验记录表工程名称________________ 实验者_________________ 实验方法________________ 计算者_________________ 实验日期________________ 校核者_________________。
《土力学》含水率的测定实验一、实验目的与原理1、实验目的:土中水的质量与土粒质量之比,也就是土在105C~110C下烘至恒重时所失去的水分质量与干土质量的比值,称为土的含水率,以百分数来表示。
含水率是标志土湿度的一个重要物理指标。
含水率小,土干;反之,土湿润或饱和测定土的含水率,能够了解土的含水情况,计算土的孔隙比、饱和度和液性指数等其他理力学指标。
土的含水率试验是土的基本物理力学性质研究中不可缺少的一部分。
2、实验原理:土样含水量是指土在105℃~110℃下烘至恒重时所失去的水分质量与干土质量的比值,称为土的含水率,以百分数表示。
实验方法:烘干法、酒精燃烧法、比重法、炒干法等。
本实验使用烘干法测量土的含水率。
烘干法:烘干法是将试样放在温度能保持105℃~110℃的烘箱中烘至恒量的方法,它是室内实验标准方法,也是最常用的一种实验方法。
二、主要实验仪器及设备(1)试样盒(2)电子天平:称量200g,最小分度值0.01g;称量1000g,最小分度值0.1g。
(3)烘箱:能控制温度范围为105℃~110℃。
三、实验步骤1、称试样盒质量。
记录试样盒的盒号,在天平上称量干燥试样盒的质量(应保证铝盒干净干燥,否则将对实验结果有影响)。
试验人员用数字钢印(也可使用铅笔标记,用以区分不同试样,避免混淆)在一个试样盒的盒身和盒盖上印上同样的编号,并将所有常用的试样盒(本次实验有三组共六个铝盒)的质量列成表,以备试验时查用(必要计算数据)。
2、称试样盒加湿土的质量。
取两份具有代表性的土样15~30g,(本次实验要求多组对照,共六份)有机质土、砂类土和整体状构造冻土为50g,(本次实验所用的是有机土,故取15~30g)放入试样盒,盖好盒盖,称试样盒加湿土的质量。
3、烘干土样。
揭开盒盖,将土样和试样盒一起放入烘箱,在温度105℃~110℃下烘至恒重。
黏质土的烘干时间不少8h,砂类土不少子6h,对含有机质超过主质量5%的应将温度控在65°℃~70℃的恒温下烘至恒重。
实验一 含水率试验一、试验目的测定土的含水率,了解土的含水情况。
土的含水率是指土在温度105~110℃下烘干至恒量时所失去的水质量与达到恒量后干土质量的比值,以百分数表示。
含水率是土的基本物理性质指标之一,它反映了土的干、湿状态。
含水率的变化将使土物理力学性质发生一系列变化,它可使土变成半固态、可塑状态或流动状态,可使土变成稍湿状态、很湿状态或饱和状态,也可造成土在压缩性和稳定性上的差异。
含水率还是计算土的干密度、孔隙比、饱和度、液性指数等不可缺少的依据,也是建筑物地基、路堤、土坝等施工质量控制的重要指标。
二、仪器设备(1)保持温度为105~110℃的自动控制电热恒温烘箱; (2)称量200g 、最小分度值0.01g 的天平; (3)玻璃干燥缸; (4)恒质量的铝制称量盒。
三、试验方法及原理含水率试验方法有烘干法、酒精燃烧法、比重法、碳化钙气压法、炒干法等,其中以烘干法为室内试验的标准方法。
这里只介绍烘干法烘干法是将试样放在温度能保持105~110℃的烘箱中烘至恒量的方法,是室内测定含水率的标准方法。
1、操作步骤(1)从土样中选取具有代表性的试样15~30g (有机质土、砂类土和整体状构造冻土为50g ),放入称量盒内,立即盖上盒盖,称盒加湿土质量,准确至0.01g 。
(2)打开盒盖,将试样和盒一起放入烘箱内,在温度105~110℃下烘至恒量。
试样烘至恒量的时间,对于粘土和粉土宜烘8~10h ,对于砂土宜烘6~8h 。
对于有机质超过干土质量5%的土,应将温度控制在65~70℃的恒温下进行烘干。
(3)将烘干后试样和盒从烘箱中取出,盖上盒盖,放入干燥器内冷却到室温。
(4)将试样和盒从干燥器内取出,称盒加干土质量,准确至0.01g 。
土的含水率实验报告一、实验目的测定土的含水率,了解土的含水率对土的工程性质的影响,为工程设计和施工提供必要的参数。
二、实验原理土的含水率是指土中水的质量与土颗粒质量之比,通常以百分数表示。
含水率的测定方法通常采用烘干法,其原理是将土样在 105℃-110℃的温度下烘干至恒重,此时土样中水分完全蒸发,通过烘干前后土样质量的变化来计算土的含水率。
三、实验仪器及材料1、电子天平:精度为 001g。
2、烘箱:能保持温度在 105℃-110℃。
3、铝盒:若干。
4、干燥器。
5、土样:从工程现场取得的代表性土样。
四、实验步骤1、取代表性土样约 15-30g,放入已知质量的铝盒中,称出铝盒和湿土的总质量,记录为 m1。
2、打开铝盒盖,将土样放入烘箱中,在 105℃-110℃的温度下烘干至恒重(一般烘干时间不少于 8 小时)。
3、取出铝盒,放入干燥器中冷却至室温(约 30 分钟),称出铝盒和干土的总质量,记录为 m2。
五、实验数据记录与处理实验数据记录如下表所示:|土样编号|铝盒质量(g)|铝盒+湿土质量(g)|铝盒+干土质量(g)||||||| 1 | 2000 | 4500 | 3850 || 2 | 2050 | 4600 | 3900 || 3 | 1980 | 4480 | 3800 |含水率计算公式为:\ w =\frac{m_1 m_2}{m_2 m_0} \times 100\%\其中,w 为含水率(%),m1 为铝盒和湿土的总质量(g),m2 为铝盒和干土的总质量(g),m0 为铝盒的质量(g)。
以第一个土样为例进行计算:\ w =\frac{4500 3850}{3850 2000} \times 100\%= 1951\%\同理,计算得到第二个土样的含水率为 1795%,第三个土样的含水率为 2083%。
六、实验结果分析1、从实验结果来看,三个土样的含水率存在一定差异。
这可能是由于土样在采集过程中所处的位置、深度以及土的组成成分等因素不同所致。
土的含水率试验一、土的含水率试验(烘干法)实验说明与注意事项:(1)含水率试验以烘干法为室内的标准方法,精度高,应用广。
(2)试样烘至恒重所需的时间与取土数量有关。
规定细粒土为15-30g,细粒土宜烘8-10h,砂类土因持水性差,颗粒大小相差悬殊,水分变化不大,所以试样应多取一些,取50g,对砂类土宜烘6-8h。
对有机质含量超过5%的土,因土质不均匀,采用烘干法时,除注明有机质含量外,亦应取50g。
0(3)一般认为土在105-110C温度下能将土中部分结晶水和自由水蒸发掉,对0于石膏土来说,若将土的烘干温度定在110C左右,对含石膏土会失去结晶水,0用此方法测定其含水率有影响。
如果土中有石膏,则试样应该在不超过80C 的温度下烘干,并要烘12-15h。
0(4)有机质土在105-110C温度下经长时间烘干后,有机质特别是腐殖酸会在烘干过程中逐渐分解而不断损失,使测得的含水率比实际的含水率大,土中有机0质含量越高,误差越大。
故对有机质含量超过5%的土,规定在60-70C恒温下进行烘干,干燥12-15h为好。
(5)烘干期间烘箱不应频繁开启,以免影响箱内温度。
水分较多的土,不应与接近烘干的土在一个烘箱内烘。
因烘箱底层温度较高,故试样应距底层有一定的距离。
将称量盒校正恒重后,简化了试验过程中反复测量称量盒的手续。
但使用一定时间后称量盒的质量常有变化,因此一般半年需要校正一次,以保证试验精度。
二、土的含水率试验(酒精燃烧法)实验说明与注意事项:(1)本实验法在现场测试规程中用的较多。
取代表性试验时,砂类土数量应多于黏质土。
酒精纯度要求达95%。
(2)对有机质土其有机成分会燃烧,这样所测含水率会偏大。
测定结果将与含水率定义不符。
(3)一般酒精应烧三次,为使酒精在试验中充分混合均匀,可将盒底在桌面上轻轻敲击。
(4)根据经验得知,用酒精燃烧法测量土的含水率的准确度与土类有关。
用酒精法测砂的含水量时,所得结果于烘干法的结果相符。
实验二 土的含水量试验一、目的本实验之目的在于测定土的含水量,借与其它试验配合计算土的干密度,孔隙比及饱和度等;并查表确定地基土的承载力。
二、解释含水量w 为土在105℃~110℃下烘至恒重时所失去水分的质量和到达恒值后干土质量的比值,用百分数表示(本试验方法适用于有机物的含量不超过干土质量的5%的土,如有机物含量在5~10%之间的土,仍采用本方法时,应在记录中注明)。
三、仪器设备(1)有盖的称量盒数只; (2)天平、感量0.01克; (3)烘箱(温度105℃~110℃); (4)有干燥剂(21C C a )干燥器。
四、操作步骤(1)选取具有代表性的土样15~20克(砂性土、有机质土为50克),放入称量盒内,盖好盒盖,称盒加湿土质量。
(2)打开盒盖、放入烘箱,在温度105℃~110℃下烘干至恒值,烘的时间一般为:对砂性土不得少于6小时,对粘性土不得少于8小时.(3)将烘好的试样同称量盒一并放入干燥器内,让其冷却至室温。
(4)从干燥器内取出试样,称盒加干土质量。
(5)本试验称量应准确至0.01克以上,同一试验进行两次平行测定,取其算术平均值。
(6)按下列公式计算含水量W W W W w --=221 ×100 %式中:w ——为含水量,用%;W1——称量盒加湿土质量,克; W2——称量盒加干土质量,克; W ——称量盒质量,克。
本试验须进行2两次平行测定,其平行误差规定为: (1)当含水量w 小于40%时,允许平行误差1%; (2)当含水量w 等于或大于40%,允许平行误差2%。
含水量试验五、注意事项(1)使用称量盒前,应先检查盒盖和盒底号码是否一致,发现不一致时应另换相符者进行称量。
(2)使用天平时不准用手拿砝码,记重量时不要忘读某一砝码,也不要将砝码的质量读错。
1克=1000毫克。
(3)烘干土从烘箱内取出时,切勿外露在空气中,以免干土吸收水蒸气。
附:快速含水量试验法(酒精燃烧法)(1)选取具有代表性试验土样若干克(粘土5~10克,砂土20~30克),放入称量盒内,称盒加湿土质量。
1. 土的含水率、密度实验实验目的:通过本试验掌握土体的天然含水率试验方法,了解含水率指标在工程中的应用,并配合其它试验计算土的干密度、孔隙比及饱和度等其它指标。
通过本试验掌握土体的天然密度试验方法,了解天然密度指标在工程中的应用,并配合其它试验计算土的干密度、孔隙比及饱和度等其它指标。
并初步了解土体密度大小与土的松紧程度、压缩性、抗剪强度的关系。
基本原理:土体中的自由水和弱结合水在105℃~110℃的温度下全部变成水蒸气挥发,土体粒质量不再发生变化,此时的土重为土颗粒质量加上强结合水质量,将挥发掉的水份质量与干土质量之比为土体含水率。
即土体含水率是指土颗粒在105℃~110℃的温度下烘干至恒重时所失去的水份质量与烘干土质量的比值,用百分数表示。
单位体积土体质量称做土的密度,定义式为:ρ0=m0/V (1—1)式中:ρ0-土样湿密度(g/cm3);m0-土样质量(g);V-土样体积(cm3)。
实验室内直接测量的密度为湿密度(对原状土称作天然密度)。
w0=mw/md (1—2)式中:ω0 —土样含水率(%);mw—土体所失去水分的质量(g);md—烘干后土颗粒质量(g)。
仪器设备:(1)恒温烘箱:恒温范围在105℃~110℃,温度控制精度高于±2℃;(2)天平:称量200g,最小分度值0.01g;(3)其它工具:铝盒(称量盒)、开土刀、干燥器、温度计等。
(a)环刀:内径61.8mm和79.8mm,高20mm;(b)天平:称量500g,最小分度值0.1g的天平;(c)其它工具:切土刀,玻璃板、钢丝锯,凡士林等。
实验步骤:(1)用感量0.01g的天平称取铝盒重量,记录铝盒编号和重量;(2)取具有代表性的试样15~30g放入铝盒内,(有机质土、砂类土和整体状构造冻土为50g),迅速盖好盒盖,称铝盒加湿土质量,准确至0.01g,并记录铝盒号和盒加湿土质量。
(3)揭开盒盖,将试样和铝盒一起放入恒温烘箱,在温度105℃~110℃下烘至恒重。
浅谈土的含水率试验浅谈土的含水率试验摘要:土的含水率试验依据《土工试验方法标准》GB/T50123-1999进行。
本文就土的含水率试验,阐述测量不确定度的评定方法与步骤,在实践中的应用,提高检测实验室的检测水平,使检测数据更准确完整。
关键词:土样含水率试验一.含水率是土的基本物理性指标之一,它反映土的状态,含水率的变化将使土的一系列物理学性质随之而异。
这种影响表现在各个方面,如反映在土的稠度方面,使土成为坚硬的、可塑的或流动的;反映在土内水分的饱和程度方面,使土成为稍湿、很湿或饱和的;反映在土的力学性质方面,能使土的结构强度增加或减少,紧密或疏松,构成压缩性及稳定性的变化。
因此,土的含水率是研究土的物理力学性能必不可少的一项指标。
同时,土的含水率也是土工建筑物施工质量控制的依据。
1.定义:含水率,是试样在105~110℃温度下烘至恒量时所失去的水质量和恒量后干土质量的比值,以百分率表示,其计算公式如下:式中:w--试样含水率(%)m--试样湿质量(g)md--试样干质量(g)2.本试验适用于粗粒土、细粒土和有机土。
当土中有机质含水量超过干土质量5%时,应将温度控制在65~70℃的恒温下烘至恒量。
因为有机质土在105~110℃温度下,经长时间烘干后,有机质特别是腐殖酸会在烘干过程中逐渐分解而不断损失,使测得的含水率比实际的含水率大,土中有机质含量越高,误差就越大。
二、试验方法测定含水率的方法多种多样,如烘干法、酒精燃烧法、炒干法、比重法、实容积法、微波法和核子射线法等。
分别介绍如下:1.烘干法:将试样放入温度能保持在105~110℃的电热烘箱中烘至恒值,是测定含水率的通用标准方法,精度高,试样简便,结果稳定。
因此,此法为室内测定含水率的标准方法,为国家标准。
在野外无烘干箱设备或要求快速测定含水率,则可根据土的性质和工程情况分别采用下列方法。
2.酒精燃烧法:在试样中加入酒精,利用酒精在试样上燃烧,将土烤干,使土中水分蒸发,是快速测定法中比较准确的一种方法,适用于没有烘箱或土样较少的情况。
电容法测试原油含水率实验分析电容法是一种常用的测试原油含水率的实验方法,它基于电容原理,通过测量原油和水的电容差异来确定原油中的含水率。
本文将对电容法测试原油含水率的实验分析进行详细介绍。
实验步骤:1.准备实验设备和材料:电容法测试仪器、原油样品、注射器、温度计等。
2.样品制备:将待测原油样品与一定量的水混匀,制备好一系列不同含水率的混合液样本。
3.实验操作:a.将混合液样本倒入电容法测试仪器的测试室。
b.设置测试仪器的相关参数,如温度、电压等。
c.开始测试,记录测试仪器显示的含水率数值。
d.重复实验多次,取平均值作为最终的含水率结果。
实验分析:1.实验现象:在电容法测试仪器中,原油样品和水会分别形成两个电容器。
由于原油和水的电性质不同,它们的电容值也会有差异。
当含水率增加时,混合液的电容值会逐渐增加。
2.影响因素:a.温度:温度的变化会对原油的电容性质产生影响,因此在实验中须保持恒定的温度。
b.电压:测试仪器所施加的电压对电容值的测量结果也有一定影响,一般要根据实际需要设置合适的电压。
c.待测样品的pH值:原油中存在的酸、碱或盐等物质可使电容值发生变化,因此要根据具体情况调整样品的pH值。
d.仪器精度:测试仪器的精度、稳定性等性能也会影响最终的测试结果。
3.数据分析:根据实验记录的测试结果,计算不同含水率下的电容值,并绘制含水率与电容值的关系曲线。
根据曲线的特征,可以确定原油含水率与电容值之间的定量关系。
实验结果:根据对电容法测试原油含水率的实验分析,我们可以得到含水率与电容值之间的关系曲线。
通过这个曲线,我们可以根据待测原油的电容值,推算出其相应的含水率。
实验的优点:1.简便快速:电容法测试原油含水率的实验步骤简单,操作方便,不需要复杂的装置和耗时的准备工作。
2.精度高:电容法能够较为准确地测量原油中的含水率。
3.经济实用:电容法测试仪器价格相对较低,成本较低,适合在实验室和生产现场中使用。
紫菜含水率的测定实验报告一、实验目的本实验的目的是测定紫菜含水率,掌握含水率的测定方法,加深对水分含量分析相关知识的理解。
二、实验原理含水率是指物质中所含水分的重量百分比。
在分析有机或食品样品时,测定含水率是十分重要的,因为含水率往往是关键的质量指标之一。
测定含水率的方法包括两种,一种是称重法,即将样品在常温下干燥至恒重后,再称重,测得样品质量与干燥后的质量之差即为含水量;另一种是烘箱法,即将样品放入烘箱中,在一定温度下烘干一定时间,再称重,计算含水率。
在本实验中,我们将采用称重法来测定紫菜的含水率。
我们将取一定量的紫菜样品,在室温下将其干燥至恒重,然后再称重,得到其重量;然后,我们将紫菜样品放入水中一段时间,将样品中的水分充分挥发,然后再将其干燥至恒重,再次称重,得到含水后的重量。
两次称重的重量差就是紫菜的含水量,含水率即为含水量与样品干重之比。
三、实验步骤1. 准备样品:取一个干燥器皿,称量出 5g 左右的紫菜样品,记录下称量质量,并将样品放入干燥器皿中,记作样品干重。
2. 测定干重:将干燥好的样品放入天平中,记录下其重量。
3. 浸泡样品:将样品放入已满水的容器中,浸泡 24 小时。
4. 去水:将样品取出,挂起来使其尽量流干水分。
5. 测定含水重量:将含水样品放入天平中,记录下其重量。
6. 计算含水率:用含水量除以干重量即可得出含水率。
四、实验结果在实验中,我们按照上述步骤,测定出了两次称重的重量数据,如下所示:干重:5.03g含水重量:2.32g根据上述数据,我们可以计算出紫菜的含水率:含水率 = 含水量 / 干重量= 2.32 / 5.03 ≈ 46.12%五、实验分析在本实验中,我们使用了称重法来测定紫菜的含水率。
实验结果表明,紫菜的含水率达到了约 46.12%。
这个结果与文献资料所述的含水率范围相当,说明我们的实验结果是可靠的。
在实验过程中,我们注意到实验结果的准确性受到许多因素的影响,例如样品的处理方式、所用仪器的精度、实验条件的控制等等。
含水率试验的原理是什么含水率试验是一种用于测量土壤或其他物质中水分含量的实验方法。
其原理是基于土壤中的水分分子对电磁波的反射和吸收特性。
该试验通常是在实验室中进行,以确定土壤的含水量,以便合理管理土壤和水资源。
含水率试验的原理涉及到土壤与水分子之间的相互作用。
水分子在土壤中通过多种形式存在,包括毛细管吸附、黏聚和自由水。
毛细管吸附是指水分子附着在土壤的微小孔隙中,黏聚是水分子与土壤颗粒表面的物理吸附作用,自由水则是土壤中存储的流动水分。
含水率试验的目标是测量这些形式中的水分含量。
含水率试验通常采用干燥法或湿法进行。
在干燥法中,土壤样品首先在一定温度下进行加热,以蒸发土壤中的水分,然后测量样品的干重,通过计算差值来确定土壤中的水分含量。
这种方法适用于含水率较高的土壤。
湿法方法则是将土壤样品与其他溶液混合,通过化学反应或物理性质的变化,来间接测量水分含量。
这包括使用酸碱滴定法或烘干法。
酸碱滴定法是将土壤样品与碱溶液混合,在滴定过程中,土壤中的水分与溶液中的酸碱反应生成盐,根据所需的酸碱滴定量来计算含水率。
烘干法是将土壤样品与其他溶液混合,在干燥过程中观察土壤体积的变化,通过计算差值来确定土壤中的水分含量。
除了干燥法和湿法,还可以使用传感器技术进行含水率试验。
传感器可以测量土壤中水分分子对电磁波的反射和吸收特性,从而得出土壤的含水率。
电阻式传感器利用电阻的变化来测量土壤的含水率,而微波传感器则利用微波的反射特性来测量土壤的含水率。
这些传感器可以实时、非破坏性地测量土壤中的含水率,因此在农业和环境监测中得到广泛应用。
总而言之,含水率试验通过分析土壤中的水分分子与电磁波的相互作用来测量土壤的含水率。
这是一种重要的实验方法,可以为农业生产、土地开发和环境保护提供科学依据。
同时,随着传感器技术的发展,含水率试验也越来越便捷、准确和实时化。